8s003f3p6 прошивка
На страницу Пред. Ваши права в разделе. Вы не можете начинать темы Вы не можете отвечать на сообщения Вы не можете редактировать свои сообщения Вы не можете удалять свои сообщения Вы не можете голосовать в опросах Вы не можете добавлять файлы Вы можете скачивать файлы. Горелка или чем спаять металл.
Поиск данных по Вашему запросу:
Схемы, справочники, даташиты:
Прайс-листы, цены:
Обсуждения, статьи, мануалы:
Дождитесь окончания поиска во всех базах.
По завершению появится ссылка для доступа к найденным материалам.
Содержание:
- roboforum.ru
- Микроконтроллеры STM8 «с нуля»
- Please turn JavaScript on and reload the page.
- DJI Phantom 3 – прошивка и инструкция по обновлению
Модификация термостата W1209 - Играют на минимальной громкости, больше не регулируется, не все частоты играют
- Инструменты
- Please turn JavaScript on and reload the page.
- Обзор недорогого корпуса Aerocool P7-C0 Pro с двумя стеклянными стенками и контроллером подсветки
- USB тестер, измеритель или показометр?
ПОСМОТРИТЕ ВИДЕО ПО ТЕМЕ: STM8S пищалка
roboforum.ru
Для вашего удобства корпус приёмника прорезиненный и влагостойкий. Информация отображается на дисплее. Есть разъём для наушников 3. Также есть возможность зарядки от солнца через панель, которая идёт в комплекте.
Размер хх52 мм. Корпус приёмника прорезиненный и влагостойкий, значит вы с лёгкостью можете брать его с собой в путешествия. Отображается информация на дисплее. Есть встроенный динамик. Есть возможность зарядки от солнца через панель, идущую в комплекте.
Размер 82хх52 мм. Зарядное устройство для свинцово-кислотных аккумуляторов 2 В, 6 В и 12 В. Напряжение аккумулятора выбирается переключателем. Ток заряда – мАч. Входное напряжение – В. Подключается к сети напрямую. Есть защита от переполюсовки и автоматического отключение.
Есть функция быстрого заряда. Есть защита от перезаряда, короткого замыкания и обратной полярности. Зарядный ток – 3 А. Есть режим работы в режиме ожидания – заряд аккумулятора при подсоединении электроприбора.
Есть индикатор уровня зарядки оранжевый светодиод переходит в зелёный. Многоступенчатый контроль процесса заряда. Трёхступенчатая система переключения напряжения батарей. Есть защита от обратной полярности, многоступенчатая защита от перезаряда. Заряжать аккумулятор можно как в процессе работы, так и в отсоединённом состоянии. Максимальный зарядный ток – 1 А. Адаптер обеспечивает диагностику через штатный разъем OBDII автомобиля, как в краткосрочном режиме с целью диагностики, так и в постоянном с целью изучения динамических характеристик в различных режимах эксплуатации автомобиля как бортовой компьютер.
Выгодно отличается от моделей с USB —интерфейсом, так как может работать в on-line режиме со смартфонами, телефонами и планшетами. Поддержка CAN-шины позволяет использовать адаптер практически со всеми автомобилями, начиная с года выпуска и до сегодняшних дней. Адаптер уже достаточно давно известен на рынке и существует много различных программ для работы в комплекте с ним.
В ряде коммерческих программ есть расширенные функциональные возможности по поддержке дополнительных протоколов автопроизводителей и позволяющих работать с другими блоками автомобилей. Адаптер будет полезен как автосервисам, так и автолюбителям. При незначительных поломках он позволяет сэкономить деньги и время, которое нужно для поездки на СТО, а также позволяет выявить причину и избежать дорогостоящего ремонта.
При использовании его с мобильными устройствами в on-line режиме адаптер превращается в интеллектуальный бортовой компьютер с широким функционалом и прекрасной графикой. Цифровой интеллектуальный термостат с диапазоном установки температуры от – 9 С до 99 С.
Термостат найдет применение в системах отопления и кондиционирования, инкубаторах, теплицах, сушильных шкафах и коптильнях, производственной автоматике и т. Схема термостата построена с использованием микроконтроллера STM 8SF3P6, который в соответствии с заданным режимом работы включает или отключает нагрузку сравнивая измеренную термодатчиком температуру с установленными пороговыми значениями.
В качестве термодатчика используется герметизированный терморезистор 10 КОм. Краткие технические характеристики : Напряжение питания термостата, В…………………………………………………………….. Диапазон измеряемой и контролируемой температуры, С………… Тип коммутации нагрузки, Спаянное и проверенное устройство с инструкцией в упаковке. Данный конструктор позволит радиолюбителю собрать простой светодиодный индикатор уровня напряжения. Четырёхсветодиодный индикатор позволит легко проконтролировать состояние бортовой сети автомобиля, или уровень напряжения на свинцовом аккумуляторе 12 В.
Печатная плата с компонентами и инструкцией в упаковке.
В комплект НЕ входит! Вы знакомы с контроллером Arduino? Если да, посмотрите на список деталей, составляющих этот набор. Не надо ни в чём убеждать тех, кто знает, как трудно найти в магазинах половину того, что здесь есть — от дисплея тот самый, весьма популярный до термометра, датчика Холла или датчика пульса.
Cорок модулей, подключаемых к Arduino, книга Знаний с проектами и большая макетная плата рабочий стол с проводами и кабелем USB. Всё, что нужно — и даже немножечко больше. Отличный комплект для того, кто продвинулся в этой работе — и для тех, кто планирует сразу начать не с нуля, но с набором узлов и программ, многократно проверенных, точных.
Не надо себе усложнять приглашение к творчеству: просто сделайте то, что описано в книге — и уверенно двигайтесь дальше, вперёд. Сделай сам! Здесь есть всё для работы, так сделайте то, что ещё не придумано — то, чего нет в магазинах и не найдено на просторах глобальной Сети.
После 7-го марта, ввиду ограниченного количества, цена будет повышена, скорее всего – до старой см. Необычный комплект. В чём необычность данного комплекта? Вы фанат электроники? И смыслите в её ремонте и настройке? Тогда Вам не составит труда вдохнуть в собранную конструкцию жизнь!
Не получается? Смело демонтируйте всё что внутри а внутри только стрелочный индикатор чего стОит! Ну или какой другой. Соединив детали получается механическая основа для металлоискателя, как на фото. Наступает сезон выезда, выхода на природу. Немногих устроит музыкальное оформление в виде шума ветра над головой Возьмите с собой приёмничек Светодиодный индикатор уровня напряжения RLM Спаянное и проверенное устройство с инструкцией в упаковке.
Радиоконструктор RC Banana Pro – одноплатный компьютер. Поддерживает програмные платформы Linux и Android 4. Banana Pro – это одноплатный компьютер размером с кредитную карту и низким энергопотреблением.
Разработанный в Китае в компании LeMaker, для помощи в образовании, науке, изучения технологий, инженерии, искусства и математики, и образование в школах.
От предшественника отличает micro SD слот, наличие разъема 3. Выпуск N , 2 марта г. Читайте в этом выпуске:. Требуется организовать радиоканал между вашими устройствами? Информация для связи с нами. Письмо выглядит искажённо? Смотрите его на сайте! Не отвечайте реплеем! Пишите на наш e-mail. Спасибо за понимание, успехов Вам и всего доброго! Москва, ул. Малая Семёновская, дом 3А, стр.
Микроконтроллеры STM8 «с нуля»
Бесплатная доставка; набор из 10 шт. В поисках a Интегральные схемы? Вам нужно рассмотреть многие аспекты, прежде чем принять решение о покупке Активные компоненты Интегральные схемы. Некоторые аспекты по линиям тип, модель, качество и цену рассматриваются много нас , прежде чем принять решение о покупке Активные компоненты. Вы заинтересованы в том, чтобы иметь это? Купите лучший Активные компоненты сейчас.
Заказ получил, микроконтроллеры, судя по маркировке на брюшке, соответствуют оригиналу от STM.
лот STM8SF3P6TR STM8SF3P6 STM8S 8SF3P6 TSSOP20 Обновление программного обеспечения или прошивки, так как это не имеет .
Please turn JavaScript on and reload the page.
Это представитель серии Project 7 , анонсированной год назад, во второй половине г. В настоящее время в серию входят две модели — P7-C0 и P7-C1, — причем они могут быть с отличиями в оформлении P7-C1 и в оснащении как P7-C0, так и P7-C1 , что в сумме дает выбор из восьми вариантов. Вообще-то на официальном сайте говорится о пяти моделях, но их всё же две: учитываются различия по оснащению и оформлению боковых стенок, однако не берутся в расчет белый и черный варианты цвета для P7-C1. Доставшаяся нам модель P7-C0 Pro предлагается в единственной черной расцветке. Обе ее боковые стенки сделаны из закаленного и сильно тонированного стекла. Лицевая панель — пластиковый прямоугольник со срезанными углами и сильно выступающими бортиками, внутри которых размещена металлическая декоративная сетка, закрывающая фронтальные вентиляторы.
К тому же корпуса серии AeroCool Project 7 не претендуют на элитность: как мы увидим позднее, конструкция бесхитростная, оснащение среднее даже у наиболее продвинутой модели P7-C1 Pro а у P7-C0 Pro оно еще скромнее , и в целом их вполне можно отнести к бюджетной категории. Таким образом, корпуса компании вполне способны привлечь внимание избалованных изобилием покупателей. В данной серии такой изюминкой является светодиодная RGB-подсветка.
DJI Phantom 3 – прошивка и инструкция по обновлению
Есть такой недорогой китайский термостат W Их в изрядном количестве продают разнообразные китайские магазины. Из плюсов — цена :. Остальное немножко недостатки, частично который можно исправить перепрограммированием набортного контроллера — STM8SF3. Соответственно для такой штуки точность может быть не очень как повезет.
Колонки были включены в сеть, компьютер выключен сетевой фильтр всегда включен.
Модификация термостата W1209
Теги: Дешевые 10 шт. Наличие: В наличии.
SKU: p В корзину. Избранное Сравнить Отправить другу.
Играют на минимальной громкости, больше не регулируется, не все частоты играют
Недавно мне захотелось обзавестись продвинутой и универсальной POST картой, но с учетом ограниченного бюджета. Посидев немного в известных всем интернет магазинах, я наткнулся на китайскую Sintech ST Debug King. Обзоров или адекватных отзывов в сети по ней не было, а на фото и по описанию она очень походила на ту самую, что я искал. И вот она у меня на руках. Что вышло на самом деле, читайте в обзоре. Ни разу в них не покупал, привожу просто для информации и в качестве каталога их продукции, если кому-то интересно. Но давайте ближе к карте.
При включении заставка”THOMSON” и ни на что не all-audio.pro прошивку T24ED12DHUW,all-audio.proтал, но с четырьмя all-audio.pro экране.
Инструменты
Купил я одно устройство с процессором PIC16F84, и захотел сделать еще такое же, но так как оно коммерческое то прошивку в инете не найти! Вот вопрос – могу ли я “вытащить” прошивку из процессора устройства с целью прошить потом другие процессоры.
Мы принимаем формат Sprint-Layout 6!
Please turn JavaScript on and reload the page.
ВИДЕО ПО ТЕМЕ: STM8L101F3P6 , STM8S003F3P6 LCD1202
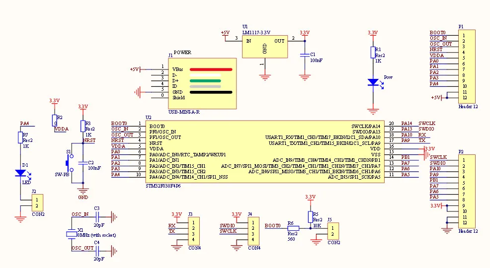
Микроконтроллеры STM32 приобретают все большую популярность благодаря своей мощности, достаточно разнородной периферии, и своей гибкости. Еще нам понадобится ST-Link программатор, стоимость которого около 2. Такие суммы расходов доступны и студентам и школьникам, поэтому именно с такого бюджетного варианта я и предлагаю начать. Этот микроконтроллер не является самым мощным среди STM32 , но и не самый слабый. На таких платах почти все то же, что и на нашей плате, плюс программатор. В нашем случае мы будем использовать программатор отдельно.
На сегодня она состоит из трех семейств: для автомобильного, низкопотребляющего и общего применений. Общая же номенклатура составляет более позиций, и компания постоянно работает над расширением каждой линейки.
Обзор недорогого корпуса Aerocool P7-C0 Pro с двумя стеклянными стенками и контроллером подсветки
Для вашего удобства корпус приёмника прорезиненный и влагостойкий. Информация отображается на дисплее. Есть разъём для наушников 3. Также есть возможность зарядки от солнца через панель, которая идёт в комплекте. Размер хх52 мм.
USB тестер, измеритель или показометр?
Запросить склады. Перейти к новому. Re: Переделка китайского мини-минивольтметра. Меню пользователя eddy Посмотреть профиль Отправить личное сообщение для eddy Посетить домашнюю страницу eddy Найти ещё сообщения от eddy.
Вторая жизнь паяльника Tomizawa FZ-880B
Здравствуйте!
В этом обзоре предлагаю вам, уважаемые читатели, статью о «воскрешении» сгоревшего паяльника Tomizawa FZ-880C. Травка, лужение, пайка и программирование микроконтроллера в комплекте. Кому интересно — добро пожаловать под кат.
Сначала хочу предупредить, что если вы попытаетесь повторить описываемую в статье процедуру ремонта этого устройства, то я не несу никакой ответственности за возможный вред, нанесённый вашему здоровью и имуществу, возникший из-за или в процессе вашего вмешательства и изменения электрической схемы оригинального устройства, а также из-за несоблюдения последовательности прошивки микроконтроллера устройства.
Итак, начну.
Как-то однажды зашёл ко мне друг на кружечку чая и притащил с собой небольшой пакетик с целью подарить его мне. В том пакетике оказалось несколько жал для Hakko-совместимого паяльника. Надо сказать, что до того времени я пользовался только отечественными паяльниками с медным жалом, посему они мне были без особой надобности, но тем не менее я их взял с благодарностью, другу-то они точно были ни к чему, у него даже паяльника-то нет. Посмотрел я на них, покрутил в руках, и решил всё же попробовать перейти на пайку необгораемыми жалами. Но, разумеется, для этого мне нужен соответствующий паяльник. Просмотрев несколько обзоров паяльников на Муське, я решил взять недорогой паяльник с керамическим нагревателем, совместимый с 900-ми жалами — Tomizawa FZ-880C. Заказал его на Tmart-е, 3 недели ожидания, и он передо мной.
Решив узнать в чём дело, я вскрыл его корпус и был шокирован: отвратительный монтаж, неотмытый флюс, и вообще мне паяльник показался крайне кустарной поделкой. Ну что ж, надо ремонтировать, не выбрасывать же… Прежде всего, нужно было найти причину выхода устройства из строя.
Как оказалось впоследствии, паяльник сгорел по причине пробоя, приведшего к короткому замыканию конденсатора C2 (большой жёлтый элемент на фото).
Общий вид платы
Для того, чтобы узнать причину выхода паяльника из строя и оценить последствия, я начал исследовать его плату и искать вышедшие из строя элементы. Их было немало, это операционный усилитель, и дешифратор на плате светодиодов, россыпь транзисторов, резисторов, несколько диодов, электролитический конденсатор и стабилитрон, фильтрующие питание цифровой части схемы, а также микроконтроллер. Обнаружив, что на ножках питания микроконтроллера имеется короткое замыкание, я практически впал в уныние. В устройстве стоял микроконтроллер Holtek 46R01B, найти его в продаже не удалось, а если бы даже и удалось, то непонятно откуда взять прошивку и чем его, собственно, прошивать. Я уж мысленно похоронил паяльник и решил купить какой-нибудь другой, возможно немного подороже, но моё внимание привлёк один результат поисковой выдачи Гугла.
Это была ссылка на Github, перейдя по которой я попал на страничку проекта, разработанного пользователем под ником alsav, и посвящённого переделке платы точно такого же паяльника на использование в нём другого, куда более распространённого, микроконтроллера STM8S003F3P6. Автором данной схемы переделки заявлены следующие функциональные возможности:
- Термостабилизация ПИД-регулятором. Точность 5-10С.
- Предварительный прогрев до температуры режима n+1 для сокращения времени нагрева жала.
- Индикация выхода на рабочий температурный режим миганием светодиода.
- Отключение паяльника длинным нажатием.
Связавшись с автором этого проекта и расспросив его о некоторых деталях реализации схемотехники, я приступил к изготовлению миниатюрной печатной платы и исправлению косяков производителя, а также заказал на АлиЭкспрессе всё необходимое для реализации этого проекта (микроконтроллер, а также ST-Link v2 для его программирования).
Расскажу чуть подробнее об одной гадости, которую подстроили производители сего паяльника. Посмотрите внимательно на фото
Перемычка!
Мало того, что SMD-резистор R24 имеет размер больше, чем посадочное место под него, и его второй вывод просто болтается в воздухе, подключенный лишь к резистору на 1 МОм, припаянному навесным монтажом, так ещё после его выпаивания оказалось, что под ним имеется дорожка, замыкающая его контакты накоротко. Основное предназначение этого резистора — ограничение тока в цепи питания цифровой части схемы. Но во-первых, он не припаян одним выводом к плате, а во-вторых даже если бы и был припаян, как я уже говорил, под ним находится перемычка. В результате вместо вот такой схемы…
по факту мы имеем вот такую:
Вот уж действительно «сопротивление бесполезно» 🙂
В процессе ремонта паяльника я эту перемычку перерезал, а сопротивление токоограничивающего резистора повысил до 150 Ом, как рекомендовал автор переделки.
Также я выпаял стабилитрон и вместо него впаял широко известную микросхему-стабилизатор TL431 с делителем из резисторов, подобранных так, чтобы напряжение стабилизации составляло 3,3 Вольта (в моём случае делитель состоит из двух резисторов на 1 и 3 кОм). Схема этого блока выглядит так:
Отдельно стоит сказать про замену конденсатора C2. В оригинале, на плате паяльника припаян малогабаритный овальный плёночный конденсатор CBB20 0.47 мкФ х 450 В производства Shenzhen Surong Capacitors Co., Ltd., однако мне найти такой или подобный в радиомагазинах города так и не удалось, другие же с такой же ёмкостью и рабочим напряжением, будучи установленными на плату, банально не влезали в корпус паяльника. Но мой взгляд случайно пал на 2 конденсатора 0.22 мкФ х 630 В, приобретённые для другого моего проекта (который, к слову сказать, я надеялся осуществить с помощью этого паяльника). Оказалось, что такие конденсаторы имеют достаточно малые габариты, чтобы быть установленными в паре с двух сторон платы, и при этом успешно влезать в корпус паяльника.
Общая ёмкость их, как несложно посчитать, составила 0.44 мкФ, чего, как оказалось, вполне достаточно для нормальной работы низковольтовой части паяльника.
Также были выпаяны и заменены на исправные все дохлые резисторы, диоды, транзисторы, электролитический конденсатор фильтра питания низковольтной части, дешифратор 74HC138D, а также был выпаян микроконтроллер. Но время шло, ремонт силовой и низковольтной части схемы я уже закончил, а микроконтроллер и ST-Link пока ещё не пришли в моё почтовое отделение, а проверить паяльник очень хотелось, возможно где-либо ещё таились не замеченные мною неисправности. Вот только как это сделать? Решение подсказал alsav в переписке по электронной почте, оказалось, что для включения нагревателя достаточно всего лишь подать на 10 вывод посадочного места под старый микроконтроллер напряжение 3,3 Вольта, что приведёт к открытию транзистора, управляющего светодиодом оптосимистора, тот, в свою очередь, откроет тиристор, и через нагреватель потечёт ток.
Я сделал так, и о чудо, случайно обжёгся об нагревшийся нагреватель! Никогда ещё не был так рад обжечься :)))
Убедившись, что всё работает, в куда более бодром состоянии духа я приступил к изготовлению печатной платы под новый микроконтроллер. Изготавливать плату было решено старым-добрым ЛУТом, травить в перекиси водорода. Я скачал все файлы с GitHub’а проекта в одном ZIP-архиве, распаковал его и нашёл файл ctrl-brd_reduced-F_Cu.ps, затем распечатал его. Если вы пользователь Ubuntu Linux, то открыть файл формата PostScript не составит проблем, встроенное приложение Evince, также известное как “Просмотр документов” позволит вам это сделать без малейших проблем. Для распечатывания этого файла в Windows можно использовать GSview, предварительно установив интерпретатор/обработчик формата Postscript — GPL Ghostscript. Я распечатал файл на фотобумаге, при помощи утюга перевёл изображение на фольгу, размочил и снял фотобумагу, а затем отправил плату травиться в раствор для травления.
Далее — лужение платы, припаивание двух конденсаторов и ожидание появления в моём почтовом ящике почтового извещения для последующего получения в почтовом отделении двух мелких пакетов: одного с микроконтроллером, а второго — с ST-Link v2.
Подготовка платы
И вот тот день наступил, и я принёс эти два небольших пакетика домой. В одном находились 10 штук микросхем STM8S003F3P6, а во втором — китайская версия ST-Link v2. Пришли они в обычных жёлтых пакетах с пупыркой, чтобы не загромождать статью, фотографировать их я не стал.
STM8 и ST-Link v2
Во втором пакете, кроме, собственно, самого ST-Link, находился вот такой вот листочек:
Листочек
Признаться, первый раз мне китайцы шлют комиксы 🙂
Припаяв микроконтроллер к самодельной плате, я приступил к его прошивке. Для этого к плате микроконтроллера нужно припаять несколько проволочек, при помощи которых дальнейшем плату можно будет подключить к ST-Link’у.
Прежде всего нужно сказать, что для прошивки контроллеров семейства STM8 используется стандарт SWIM, так что нужно найти на плате и на программаторе соответствующие выводы для обмена данными. Кроме того, микроконтроллер нужно запитать напряжением 3,3 Вольта, поэтому находим на программаторе соответствующие выводы и тоже их подключаем. Нужно подключать вывод RST или нет — я точно не знаю, у меня и без него всё неплохо прошилось.
Подготовка к прошивке
Далее, я скачал с сайта ST и установил в систему драйверы ST-Link v2, а также приложение ST Visual Programmer. После этого я запустил ST Visual Programmer, выбрал микросхему, с которой будет производиться работа, выбрал файл прошивки (firmware_v0.2.hex), и нажал на кнопочку записи в микросхему.
Программирование STM8
После окончания прошивки программатор нужно отключить, проволочки для его подключения отпаять и припаять плату с микроконтроллером…
… к заранее подготовленным тонким проводкам (в идеале МГТФ, только у меня его не было под рукой), припаянным в нужные точки платы паяльника…
Точки припаивания
… чтобы в итоге получилось вот так:
Итог сборки
припаял провода шнура питания, включил его в сеть и… Заработало!
Заработало!
youtube.com/embed/OZFSxWJFAmA?autoplay=0&hl=ru_RU&rel=0″ frameborder=”0″ allowfullscreen=””>Паяльник буквально обрёл вторую жизнь! Заявленные автором прошивки функции паяльника работают, и всё бы хорошо, и можно было бы пользоваться им без проблем, но…
Ещё косяки производителя
Это дикий ужас, после нескольких часов работы (причём не на самых высоких температурах) немного подплавилась резьба на пластмассе корпуса паяльника, на которую накручивается гайка, удерживающая нагревательный элемент. На фото это не очень заметно, но резьба довольно сильно «замята», и та часть корпуса, где она нарезана, немного сократилась в диаметре, поэтому теперь эта гайка просто-напросто болтается и отваливается от паяльника. Ещё через некоторое время из самой гайки выпрессовался внутренний цилиндрик, через который проходит жало, и теперь в собранном состоянии вся конструкция болтается. Даже наклейку на корпусе, через которую нажимается кнопка и просвечивают светодиоды, невозможно приклеить ровно, поскольку тогда кнопка нажиматься не будет (поскольку выпуклость на наклейке при нажатии будет давить в корпус), и светодиоды будут светить не в свои сегменты.
В завершении повторюсь, вся конструкция паяльника напоминает дичайший самопал, не знаю уж, это мне так повезло, или TMart всем отправляет такие паяльники, но в итоге даже после переделки мне он всё равно не нравится. Скорее всего буду покупать другой, а этот «допилю» и отложу в резерв. Кстати, может кто-то в комментариях сможет посоветовать мне проверенный хороший и не очень дорогой паяльник или паяльную станцию с керамическим нагревателем, поддержкой жал Hakko 900M и мощностью не менее 50 Вт? Я был бы очень признателен! Пока облизываюсь вот на это или, как вариант, на это.
В качестве итога всему сказанному могу посоветовать лишь одно — не связывайтесь с этим паяльником, проблем с ним больше, чем удовольствия от работы.
Небольшое примечание
P.S. По всей видимости мне (похоже как и многим другим) Tmart прислал адовые подделки отвратительного качества. Вот обзор, тест, и разборка «нормального» паяльника Tomizawa FZ-880B.
youtube.com/embed/SdG0fouozKc?autoplay=0&hl=ru_RU&rel=0″ frameborder=”0″ allowfullscreen=””>Просто сравните увиденное с моими фотографиями.
Зверушки никакой нету, извините уж…
3A Wi-Fi Smart Light Dimmer Switch – мигающий с тасмотой – Оборудование
Faramir
#1
У меня есть один из диммерных переключателей 3A, потому что его шаблон указан в репозитории шаблонов устройств Tasmota
На этой странице показано, что перепрошивка с помощью tasmota возможна с помощью Tuya-convert. У меня всегда был смешанный успех с Tuya-convert, но на этот раз я немного озадачен, так как не смог перевести переключатель диммера в режим обновления OTA.
Просто интересно, прошил ли кто-нибудь здесь диммер HGZB-04D Wi-Fi, и если да, то что вы сделали, чтобы перевести его в режим обновления? (светодиод быстро мигает).
ХьюстонAU
#2
Привет!
Как ни странно, сегодня утром я смог заставить это работать.
https://tasmota.github.io/docs/TuyaMCU-Devices/
Эти устройства используют новую прошивку и внешний MCU, поэтому это немного сложно и требует некоторой пайки. ОТА не будет работать вообще.
Соответствующая информация, которая привела меня к решению:
- Определите чип, который является https://tasmota.github.io/docs/devices/TYWE3S/
- Определите, есть ли внешний MCU — http://www.datasheetcafe.com/bs003f3p6-datasheet-8s003f3p6-microcontroller/
- Заземлите правильные контакты, чтобы перевести его в режим мигания
- Успех
Для перехода в режим прошивки нужно все это подключить к внешнему FTDI (я использую FTDI FT232.
Затем вам нужно заземлить вывод 0 GPIO на TYWE3S на землю, оставьте его подключенным до конца
Затем вам также необходимо заземлить вывод RST от 8s003f3p6, это остановит MCU от захвата контактов TX/RX . Вы заметите, что когда вы включаете FTDI, все светодиоды загораются, когда вы заземляете контакт RST, будет гореть только средний светодиод, но тусклый. Я просто держал его там какими-то клипсами во время процесса перепрошивки.
Как только все это будет сделано, вы можете идти дальше и прошивать Tasmota в соответствии с инструкциями.
Я сейчас на работе, но когда приду домой, выложу на GitHub фото-инструкцию.
1 Нравится
Фарамир
#3
Отлично… Спасибо @HoustonAU за информацию. Что-то новое, что можно попробовать…
Я попробую и отчитаюсь… может быть, через пару дней
kanga_who (Джейсон)
#4
Я был бы полезен для других, если бы вы также разместили это в ветке австралийского электрического сертифицированного оборудования.
Фарамир
#5
Я смог успешно прошить свой диммер с помощью информации, опубликованной HoustonAU… еще раз спасибо.
@kanga_who, я создал запрос на включение, чтобы обновить информацию на странице шаблонов Tasmota. Рад опубликовать в австралийской сертифицированной угрозе оборудования, как только мой запрос на вытягивание будет объединен.
2 лайков
ХьюстонAU
#6
Я знаю, что это старо, но какое-то время я был не в курсе. Приятно знать, что у вас получилось!
ZB2L3 v2.0 Тестер аккумуляторов ZHIYU
У меня есть еще один тестер аккумуляторов, с которым можно поиграть! Это тестер ZB2L3 v2.0 от ZHIYU. Он рассчитан на максимальное напряжение 15 В, 3 А и 9999 Ач, поэтому вы можете протестировать с ним свои 12-вольтовые свинцово-кислотные аккумуляторы, если вам это небезразлично.
Выглядит примерно так:
Мой пришел с eBay в виде измерителя емкости аккумулятора 1,5–12 В. Тестер разряда 18650 литий-ионный литий-свинцово-кислотный. $ 7,98 с доставкой – неплохо!
Руководство к этой плате на удивление легко читается. Он включает сообщения об ошибках, а также имеет режим калибровки (у меня нет достаточно точного оборудования, чтобы использовать его прямо сейчас).
Ручной перевод
Тестер емкости аккумуляторной батареи 1,5-12 В Тест разрядной емкости внешней нагрузки 18650 (да, это спам по ключевым словам).
Рабочие параметры
Напряжение питания: 4,5–6 В пост. тока (micro USB)
Рабочий ток: менее 70 мА (я предполагаю, что это означает для интерфейса micro USB)
Напряжение разряда: 1,00–15,00 В, разрешение 0,01 В
Диапазон напряжения на выходе: 0,5–11 В (точность 0,1 В)
Диапазон тока: макс. 3,000 А, разрешение 0,001 А
Максимальная погрешность напряжения: 1%+0,3 В A
Плата покажет емкость аккумулятора до 9999Ач. Десятичные сдвиги, чтобы указать правильные единицы.
Примечание. Эта схема разработана со смещением постоянного тока для повышения точности измерения напряжения. Когда клеммы не подключены, устройство будет отображать небольшое напряжение (0,06 В на моем). Это не влияет на фактическое измерение. Если вы замкнете входные клеммы, устройство будет отображать 0 В (у меня так). Чтобы понять этот принцип, обратитесь к теореме суперпозиции в электротехнике.
Метод использования
- Полностью зарядите тестируемый аккумулятор.

- Подсоедините проверяемую батарею к входным клеммам (центральным клеммам) надлежащим образом. Это устройство может быть повреждено обратной полярностью. Подключите нагрузку к соответствующим (внешним) клеммам и подключите питание micro USB (не используйте настольный компьютер или ноутбук — используйте автономное зарядное устройство для сотового телефона). Отобразится напряжение батареи.
- Чтобы начать тест с автоматически определенным напряжением окончания, нажмите кнопку «ОК». На дисплее 3 раза мигнет терминирующее напряжение и начнется тестирование. Если вы хотите установить согласующее напряжение самостоятельно, нажмите «+» или «-», чтобы изменить согласующее напряжение по желанию, затем нажмите «ОК», чтобы начать тест.
- Тестер подключает аккумулятор к нагрузке и отображает емкость (Ач), ток разряда (А) и напряжение аккумулятора (В), циклически меняя каждый из них. Когда напряжение батареи достигает указанного предельного напряжения, батарея отключается, и на дисплее отображается емкость (Ач) с быстрым миганием, что означает, что проверка завершена.
Нажмите «ОК», чтобы постоянно отображать емкость на дисплее, затем нажмите «ОК» еще раз, чтобы сбросить устройство для следующего теста.
Коды ошибок
Err1: Напряжение аккумулятора выше 15 В.
Err2: напряжение батареи ниже указанного предельного напряжения.
Err3: Аккумулятор не выдерживает ток разряда (слишком большой прогиб?)
Err4: Ток разряда >3,1 А.
Операция калибровки
(Я не пробовал калибровку. Это моя лучшая попытка перевести инструкции.)
Чтобы войти в режим калибровки, нажмите все три клавиши, когда тестер включен.
Устройство будет отображать 0u0A. Замкните входные положительные и отрицательные клеммы и нажмите OK.
Устройство отобразит J10u. Подайте 10,00 В на положительный и отрицательный входы и нажмите OK.
Устройство отобразит J2.0A. Подайте постоянный ток 2,0 А на устройство (возможно, закоротите нагрузку? Я не знаю, как это подключить) и нажмите OK.
Устройство проверит данные калибровки на работоспособность.
Если ему это нравится, он покажет 4 числа калибровки после существующих, в противном случае он отбросит их.
Краткое руководство Syonik по эксплуатации
Подключите аккумулятор и нагрузку. Подключите его. Нажмите «+» и «-», чтобы настроить автоматически определяемое напряжение отсечки (которое обычно будет близко к тому, что вы хотите). Нажмите «ОК».
Циклически переключается между Ah, A и V во время работы. Внимание: Ваши резисторы будут нагреваться.
Подождите, пока это не будет сделано, и прошивайте, чтобы увидеть окончательную емкость. Это действительно очень просто в использовании.
Анализ
Это очень простой и достаточно гибкий блок тестирования. У него есть разъем для аккумулятора и разъем для нагрузки. Что вы будете с ними делать, зависит только от вас, если вы остаетесь в пределах 15 В / 3 А. Это обеспечивает большую гибкость при тестировании, при условии, что вы хотите изменить нагрузки или создать свои собственные банки нагрузки для устройства (хотя помните об ограничении 3 А — вы не можете нагружать слишком большую нагрузку на блок).
батареи через это устройство).
Он не делает ничего особенного — он просто считает кулоны и отображает напряжение. Что, иногда, как раз то, что вам нужно. Хорошо, вы можете использовать это с блоком питания +5 В (например, блоком питания USB) или аккумулятором 12 В, или почти с чем угодно — просто установите правильное напряжение отсечки, прежде чем начать.
В отличие от другого тестера, этот не запускает аккумулятор или что-то неожиданное — он просто сидит там, потребляя ток, пока аккумулятор не достигнет напряжения отсечки. Это очень хорошая вещь. 🙂 Недостатком является то, что использование резистивной нагрузки означает, что сила тока падает по сравнению с разрядом (закон Ома и все такое), но возможность использовать «практически все» в качестве нагрузки дорогого стоит!
Напряжение
Довольно хорошо. При выгрузке он читается немного высоко, но это отмечено в документации, и кажется, что он опускается вниз, чтобы отразить реальность при загрузке. Поскольку он не делает ничего особенного, кроме напряжения отсечки, все в порядке.
У меня нет реальных претензий здесь.
Результаты тестирования
Я протестировал свои 18650, как и другие устройства. Сила тока падает во время испытания по мере падения напряжения, как и ожидается для простого устройства, работающего по закону Ома. Но я просто ищу что-то вменяемое из значений.
Резистор 7,5 Ом (0,54–0,41 А)
Аккумулятор A: разряд: 2695 мАч. Зарядка: 2689 мАч.
Аккумулятор B: Разряд: 2708 мАч. Зарядка: 2620 мАч.
Резистор 3,75 Ом (2x 7,5 Ом параллельно) (1,06–0,81 А)
Аккумулятор A: разряд: 2633 мАч. Зарядка: 2621 мАч.
Аккумулятор B: Разряд: 2661 мАч. Зарядка: 2702 мАч.
Этот тестер разумно показывает немного меньшую емкость при разряде 1 А по сравнению с разрядом 0,5 А, так что это хорошо.
Выводы
Очень удобный тестер. Он работает не только с отдельными элементами, но и с батареями на 12 В и т. д. Держите его ниже 3 А, и все в порядке! Вам понадобится несколько разных резисторов, если вы тестируете аккумуляторы с более высоким напряжением, но приличный набор резисторов удовлетворит очень много ваших потребностей.



Нажмите «ОК», чтобы постоянно отображать емкость на дисплее, затем нажмите «ОК» еще раз, чтобы сбросить устройство для следующего теста.