ИЗГОТОВЛЕНИЕ ДАТЧИКА ТЕМПЕРАТУРЫ С ИСПОЛЬЗОВАНИЕМ ТЕРМОРЕЗИСТОРА – Секция 4 Физика, электроника и электротехника – Материалы конференции 16 мая 2014 года – Каталог статей
В.А. Изотов, С.А. РымшинГнеушев Евгений Александрович, научный руководитель преподаватель БОУ ОО СПО «Орловский технический колледж», пос. Стрелецкий
В современных условиях особенно актуально организовать процесс обучения так, чтобы его образовательный результат проявлялся в развитии собственной внутренней мотивации обучения, мышления, воображения, творческих способностей, устойчивого познавательного интереса учащихся, в формировании системы жизненно важных, практически востребованных знаний и умений, что позволяет учащимся адаптироваться к жизни и относиться к ней активно, творчески. В этом помогают исследовательские работы студентов.
Целью исследования является изготовление датчика температуры в металлическом корпусе с использованием полупроводниковых приборов который может использоваться в различных устройствах для условий эксплуатации не требующих постоянного технического обслуживания с температурой эксплуатации -40.
Задачами исследования было:
1. Провести опрос-исследование студентов на предмет сложности изготовления промышленного датчика температуры и его устройства.
2. Сделать датчики температуры, проверить их работоспособность и отклонение от характеристик изначальных полупроводниковых приборов.
Практическая ценность исследования заключается в том, что изготовление прибора позволит его использовать в демонстрациях по Физике и Информатике и ИКТ, и соотносится с принципом практикоориентированного подхода в обучения в СПО. Собственноручное изготовление приборов позволит повысить самооценку студентов, придать им уверенности в своих силах.
В рамках исследовательской работы студентов было проведено анкетирование студентов первого курса в котором приняло участие 31 студент состоящее всего из двух вопросов:
- Как вы думаете, сложное ли устройство имеют датчики температуры в промышленном исполнении?
- Как вы думаете, смогли бы Вы самостоятельно изготовить аналог датчиков температуры в промышленном исполнении?
В результате выяснилось, что устройство датчиков легким считают только 38,7% опрошенных, при этом только 19,4% опрошенных считают, что могут изготовить датчик своими руками.
Для изготовления выбрали датчик в корпусе стандартного болта М12*70, высверленный на глубину 50мм с введенным внутрь чувствительным элементом (терморезистором).
В качестве чувствительного элемента датчика был выбран терморезистор типа ММТ-1 (полупроводник на основе окислов марганца и меди). Выбор пал на него из-за простоты монтажа в корпус датчика, а также функция преобразования данных термисторов достаточно линейна в диапазоне температур -60 – +125°C, надежность полупроводниковых терморезисторов очень высока, характеристики стабильны в течение долгого времени.
ММТ-1 это терморезисторы с отрицательным ТКС предназначенный для измерения и регулировки температур.
Технические параметры терморезисторов ММТ-1:
Пределы номинального сопротивления, R20°C = 1 – 220 кОм
Температурный коэффициент сопротивления αt, α20°C = -2,4 … -5,0% / °C
Диапазон рабочих температур, °C -60 .. +125
Постоянная времени τ,сек 85(не более)
Климатическое исполнение УХЛ и В по ГОСТ 15150-69
Из всей линейки взяли терморезистор сопротивлением 1кОм (ММТ-1-1кОм-10%) который изображен на рис.
1 и рис.2.
Рис.1. Рис.2.
Изготовление датчиков происходила в три этапа.
Этап 1. Подготовка терморезистора проводилась следующим образом:
- Очистка выводов путем удаления окислов с выводов,
- Облуживание выводов припоем ПОС-61,
- Электроизоляция выводов терморезистора,
- Удаление загрязнений и обезжиривание,
- Формирование формы чувствительного элемента будущего датчика,
- Электроизоляция терморезистора в местах возможного соприкосновения с корпусом датчика.
- Пайка подводящих экранированных проводов сечением 0,5мм2,
- Изоляция места пайки подводящих проводов и терморезистора.
Этап 2. Подготовка корпуса датчика проводилась следующим образом:
- В центре болта М12*70 со стороны шляпки по его оси высверливалось отверстие диаметром 6мм на глубину 50 мм.
Эскиз показан на рис.3.
Рис.3.
Удаление масляных и грязевых пятен из высверленного отверстия.
Этап 3. Сборка датчика.
Порядок сборки проводился следующим образом:
- Перед окончательной сборкой датчика корпус датчика и сам датчик промываются спиртом для очистки от масляных пятен и различных загрязнений.
- Внутрь корпуса на высоту тела термоэлемента(12-15мм) на дно заливается под давлением термопаста(КПТ-8) которая обеспечивает плотный тепловой контакт корпуса и тела терморезистора и обладает исключительно плохой электропроводностью, что защищает датчик от статических разрядов и обеспечивает гальваническую развязку внешней среды с устройством, которое будет использовать датчик.
- В корпус до предела вводится подготовленный терморезистор и уплотняется термопаста.
- Для защиты от факторов окружающей среды и компенсации температурного расширения вводится силиконовый герметик с высокой температурой разрушения.
Слой герметика около 1см. - После введения силиконового герметика, даем ему время высохнуть (24часа).
- Когда силиконовый герметик высохнет зафиксируем подводящие провода герметиком на основе эпоксидных смол. Это придаст дополнительную защиту от внешних погодных факторов и жесткость конструкции.
Получившийся датчик изображен на рис.4.
Рис. 4. Датчик температуры: 1-корпус, 2-терморезистор, 3-термопаста, 4-силиконовый герметик, 5-подводящий кабель, 6-эпоксидный герметик
Список литературы:
- Терморезисторы ммт-1, ммт-4 – справочная информация. Промэлектроника., http://www.promelec.ru/catalog_info/52/114/457/468/
- Терморезисторы с отрицательным ТКС, сайт производителя, http://www.almaz-electro.ru/product/?id=2
- Датчики температуры МВТ 153 Data sheet/ Technical leaflet, IC.PD.P30.A3.50 / 520B4932, IC.PD.P30.A3.50.pdf, http://www.danfoss.com/Russia/BusinessAreas/IndustrialControls/Products/Literature/IA/Temperature-sensors/MBT-153-Cable-type-temperature-sensors/084Z6030 /49a87739-90c0-4f74-a366-692dc191ad9f/e8272b0c-425a-4a1d-9e24-e4d006048fa0.

html - MBT 3270 – Temperature sensor, Data sheet/ Technical leaflet, IC.PD.P30.R3.50.pdf, http://www.danfoss.com/Russia/BusinessAreas/ IndustrialControls/Products/Literature/IA/Temperature-sensors/MBT-3270-Temperature-sensors/084Z2012/0f6a30a7-6d79-4919-ba95-a20ed2afb9fe/a8b7e2ae-949e-4171-907a-bdae463c2a4e.html
- MBT 5250/5260/5252, Data sheet/ Technical leaflet, IC.PD.P30.I2.02.pdf, http://www.danfoss.com/Russia/BusinessAreas/Industrial Controls/Products/Literature/IA/Temperature-sensors/MBT-5250-Temperature-sensors/084Z8083/55eebe2e-24af-46b8-b392-dc7d68dbb1ab/c4fbbe58-b8cc-4145-8f92-c2ac1a15acdf.html
Терморезистор
Устройство и виды
Терморезистор – это полупроводниковый прибор, сопротивление которого зависит от его температуры. В зависимости от типа элемента сопротивление может повышаться или падать при нагреве. Различают два вида терморезисторов:
- NTC (Negative Temperature Coefficient) – с отрицательным температурным коэффициентом сопротивления (ТКС).
Часто их называют «Термисторы». - PTC (Positive Temperature Coefficient) – с положительным ТКС. Их также называют «Позисторы».
Важно! Температурный коэффициент электрического сопротивления – это зависимость сопротивления от температуры. Описывает, на сколько Ом или процентов от номинальной величины изменяется сопротивление элемента при повышении его температуры на 1 градус Цельсия
Например, у обычных резисторов положительный ТКС (при нагреве сопротивление проводников повышается).
Терморезисторы бывают низкотемпературными (до 170К), среднетемпературными (170-510К) и высокотемпературными (900-1300К). Корпус элемента может быть выполнен из пластика, стекла, металла или керамики.
Условное графическое обозначение терморезисторов на схеме напоминает обычные резисторы, а отличием является лишь то, что они перечеркнуты полосой и рядом указывается буква t.
Кстати, так обозначаются любые резисторы, сопротивление которых изменяется под воздействием окружающей среды, а род воздействующих величин и указывается буквой, t – температура.
Основные характеристики:
- Номинальное сопротивление при 25 градусах Цельсия.
- Максимальный ток или мощность рассеяния.
- Интервал рабочих температур.
- ТКС.
Интересный факт: Терморезистор изобретен в 1930 году ученым Самюэлем Рубеном.
Давайте подробнее рассмотрим, как устроен и для чего нужен каждый из них.
Измерения
Для измерения температуры в качестве термопреобразователей можно использовать полупроводниковые диоды и транзисторы. Это объясняется тем, что при постоянном значении тока, протекающего в прямом направлении, например через переход диода, напряжение на переходе практически линейно изменяется с изменением температуры. Для того чтобы значение тока было постоянно, последовательно с диодом достаточно включить большое активное сопротивление. При этом ток, проходящий через диод, не должен вызывать его нагрева. Построить градуировочную характеристику такого термодатчика можно по двум точкам — в начале и в конце измеряемого диапазона температур. Рис. 1. Схема измерения температуры при помощи диода (а) и транзисторов (б, в). Мостовые съемы позволяют увеличивать относительную чувствительность устройства, компенсируя начальное значение сопротивления датчика. Аналогично влияет температура на сопротивление перехода эмиттер — база транзисторов. При этом транзистор может одновременно действовать и как датчик температуры, и как усилитель собственного сигнала. Поэтому применение транзисторов в качестве термодатчиков имеет преимущество перед диодами. На рисунке 1, б показана схема термометра, в которой в качестве преобразователя температуры используется транзистор (германиевый или кремниевый). При изготовлении термометров как на диодах, так и на транзисторах требуется построить градуировочную характеристику, при этом в качестве образцового средства измерений можно использовать ртутный термометр. Инерционность термометров на диодах и транзисторах небольшая: на диоде — 30 с, на транзисторе — 60 с. Практический интерес представляет мостовая схема с транзистором в одном из плеч (рис. 1, в). В этой схеме эмиттерный переход включен в одно из плеч моста R4, на коллектор подано небольшое запирающее напряжение.
Ключевые теги: диод, транзистор, температура | |||||
| |||||
Диод как датчик температуры- функция полупроводника
Диод — наипростейший по своей комплектации прибор, обладающий свойствами полупроводника.
Между двумя крайностями диода (донорной и акцепторной) пролегает область пространственного заряда, иначе: p-n-переход. Этот «мост» обеспечивает проникновение электронов из одной части в другую, поэтому, в силу разноимённости составляющих его зарядов, внутри диода возникает довольно малый по силе, но всё-таки ток. Движение электронов по диоду происходит только в одну сторону. Обратный ход конечно есть, но совершенно незначительный, а при попытке подключить в этом направлении источник питания диод запирается обратным напряжением. Это увеличивает плотность вещества и возникает диффузия. Кстати, именно по этой причине диод носит название полупроводникового вентиля (в одну сторону движение есть, в другую — нет).
Если попытаться повысить температуру диода, то количество неосновных носителей (электронов двигающихся в обратном основному направлении) увеличится, а p-n-переход начнёт разрушаться.
Принцип взаимодействия между падением напряжения на диодном p-n-переходе и температурой самого диода была выявлена практически сразу после того, как он был сконструирован.
В результате p-n-переход диода из кремния — это наиболее простой температурный датчик. Его ТКН (температурный коэффициент напряжения) составляет 3 милливольта на градус цельсия, а точка прямого падения напряжения — около 0,7В.
Для нормальной работы данный уровень напряжения излишне мало, поэтому чаще используется не сам диод, а транзисторные p-n-переходы в комплекте с базовым делителем напряжения.
В результате, конструкция по своим качествам соответствует целой последовательности диодов. Как итог, показатель по падению напряжения может быть гораздо большим, чем 0,7В.
Поскольку ТКС (температурный коэффициент сопротивления) диода является отрицательным (- 2mV/°C), то он оказался весьма актуальным для использования в варикапах, где ему отводится роль стабилизатора резонансной частоты колебательного контура. Контроль осуществляется при помощи температуры.
Данные по падению напряжения на диодах
При анализе показаний цифрового мультиметра можно отметить, что данные по падению напряжения на p-n-переходе для кремниевых диодов составляют 690-700 мВ, а у германиевых — 400-450 мВ (хотя этот вид диодов на данный момент практически не используется).
Если во время замера температура диода поднимается, то данные мультиметра напротив снизятся. Чем значительнее сила нагрева, тем значительнее падают цифровые данные.
Обычно это свойство используется для стабилизации процесса работы в электронной системе (например, для усилителей звуковых частот).
Схема термометра на диоде.
Датчики температуры для микроконтроллера
На данный момент многие схемы строятся на микроконтроллерах, сюда же можно отнести и разнообразные измерители температуры, в которых могут быть применены полупроводниковые датчики при условии, что температура при их эксплуатации не превысит 125°C.
Поскольку градуирование температурных измерителей происходит ещё на заводе, калибровать и настраивать датчики нет никакой необходимости. Получаемые от них результаты в виде цифровых данных поступают в микроконтроллер.
Применение полученной информации зависит от программного наполнения контроллера.
Помимо прочего, такие датчики могут работать в термостатном режиме, то есть (при заранее заданной программе) включаться или выключаться по достижении определённой температуры.
Однако, если опорными станут другие температурные показатели, программу придётся переписывать.
Прочие сферы применения
Хотя на сегодняшний день выбор температурных датчиков весьма широк, никто не забывает про их диодный вариант, который достаточно часто применяется в электроутюгах, электрокаминах и электронике в самом широком её смысле.
Несмотря на ограничения по температурному режиму диодные датчики имеют свои значительные плюсы:
— относительная дешевизна;
— скромные габариты;
— запросто подойдут к огромному числу электронных приборов;
— превосходная чувствительность и точность.
Благодаря всем этим качествам область применения датчиков данного типа растёт из года в год.
Пишите комментарии, дополнения к статье, может я что-то пропустил. Загляните на карту сайта, буду рад если вы найдете на моем сайте еще что-нибудь полезное.
Простой электронный термометр на однопереходном транзисторе
категория
Радиосхемы для дома
И.
Нечаев. г. КурскРадио, 1992 год, № 8, стр 17- 18
В этой статье разговор пойдет о возможности конструировать приборы для измерения температуры на расстоянии- за переделами дома или, скажем, в балконном «овощехранилище».Схем, позволяющих выполнять данную функцию, достаточно много, но есть определенные особенности при выборе термочувствительного датчика.
Как правило в большинстве случаев при конструировании подобных устройств чаще всего радиолюбителями применяются терморезисторы. Они обладают достаточно широким тепловым коэффициентом сопротивления (далее ТКС)- до 8% на градус. Однако он сильно изменяется в зоне измеряемых температур. Если для домашних термометров на этот факт можно и закрыть глаза, то если речь идет о широком диапазоне температур (например как в нашем случае- от — 40 град. С, до +40 град.С.) то возникают определенные проблемы с градуировкой измерительной шкалы прибора- она просто потеряет свою линейность.
Мы знаем также что и самый обычных p-n переход любого полупроводникового прибора может служить в качестве термодатчика, однако ТКН простого перехода очень мал- не более 0,3% на градус, и это требует введение дополнительных усилительных цепей, значительно что усложняет конструкцию.
Как показал опыт, для использования в качестве термодатчика лучше всего подходят однопереходные транзисторы типа КТ117 (они применялись в блоках питания телевизоров 2\3УСЦТ и найти их особого труда не составит) если его соединить как показано на картинке
В результате такого включения получим терморезистор сопротивлением 5… 10 кОм с КТС примерно 0,7…0,9% на градус С. При этом во всем диапазоне температур шкала прибора будет линейной. Это свойство однопереходного транзистора и позволило использовать его в качестве термодатчика в приборе, схема которого показана на рисунке
Основой рассматриваемого электронного термометра служит измерительный мост на резисторах R2- R5 в одно плечо которого включен однопереходный транзистор VT1. В диагональ моста установлен микроамперметр PA1 с нулем посередине. Источником питания может служить двухполупериодный выпрямитель- для этой цели в схему введен параметрический стабилизатор на транзисторе VT2 и стабилитроне VD1. Если прибор будет эксплуатироваться короткое время (включил, посмотрел, выключил) то тогда можно использовать и 9- ти Вольтовую батарею типа «Крона», в этом случае цепи стабилизации можно из схемы исключить.
Суть прибора заключается в следующем: все резисторы в схеме установлены постоянные, изменяемым является только лишь сопротивление термодатчика роль которого играет транзистор. При изменении температуры окружающей среды ток через термодатчик будет меняться. Причем меняться ток будет как в сторону увеличения при повышении температуры, так и в сторону уменьшения при уменьшении температуры.Получается что остается только лишь при помощи подбора резисторов измерительного моста и регулировкой подстроечного резистора R1 установить показания стрелки прибора в нулевое положение при 0 градусов С.
При настройке прибора можно воспользоваться следующими рекомендациями- в качестве эталона «нулевой» температуры можно использовать тающий лед из холодильника. Получить температуру в 40… 50 градусов С. также труда не составит- можно просто нагреть духовку до нужной температуры. Таким образом можно установить нулевое положение прибора и максимальное положительное сделав соответствующие отметки на шкале.
«Минусовую» отметку можно сделать на таком-же расстоянии как и «плюсовую» потому что шкала измерений будет линейна.
Все детали термометра монтируются на печатной плате из одностороннего фольгированного текстолита, эскиз которой показан на рисунке
Примерный внешний вид устройства показан ни следующем рисунке
Для данного термометра лучше всего подойдет микроамперметр типа М4206 на ток 50 мкА с нулем посередине шкалы. Если вдруг данного прибора в наличие не оказалось, то можно использовать любой другой микроамперметр на указанный ток (желательно с большой измерительной шкалой), но тогда в схему необходимо будет ввести дополнительную кнопку чтобы была возможность контролировать положительные и отрицательные температуры раздельно как показано на рисунке
Ну и под конец: при необходимости прибор можно снабдить несколькими термодатчиками, включив из по следующей схеме
Таким образом мы получим возможность контролировать температуру на нескольких объектах- например дома и на улице.
/балансирует дифференциальную схему, состоящую из транзисторов VTI, VT2\
На Рис. 3.67, а…г показаны схемы подключения транзисторных термодатчиков к МК.
г) транзистор VT1 имеет в своём корпусе отверстие, через которое может закрепляться винтом на поверхности измеряемого объекта. Коллектор транзистора электрически соединяется со своим корпусом, что надо учитывать при монтаже. Температурный коэффициент преобразования прямо пропорционален отношению резисторов R3/R2 (в данной схеме около 20 мВ/°С).
Термодатчик на транзисторе E-core
В этой статье я расскажу об использовании биполярного транзистора в качестве датчика температуры. Описание приводится в контексте использования его для измерения температуры радиатора (теплоотвода).
Главное преимущество датчика температуры на транзисторе в том, что он обеспечивает хороший тепловой контакт с радиатором и его относительно просто на нем закрепить и стоит биполярный транзистор не дорого.
Ниже показана схема включения транзистора и узел обработки сигнала на ОУ.
VT1 это и есть транзистор-термодатчик, который крепится на радиатор.
Транзистор намеренно используется p-n-p структуры т.к. радиатор часто соединяется с общим проводом схемы, а коллектор транзистора в корпусе TO-220 соединен с теплоотводной пластиной и при креплении транзистора нет необходимости электрически изолировать его от радиатора, что дополнительно упрощает конструкцию.
Падение напряжения на p-n переходе изменяется при увеличении его температуры с крутизной примерно -2 мВ/градус (т.е. уменьшается с ростом температуры). Такое малое изменение напряжения не очень удобно обрабатывать АЦП, более того удобнее когда зависимость прямая т.е. при увеличении температуры сигнал температуры растет.
Приведенная схема смещает, инвертирует и усиливает сигнал с транзистора, обеспечивая увеличение выходного напряжения с ростом температуры, и работает следующим образом.
Из опорного напряжения, формируемого делителем R1R2, вычитается падение напряжения на транзисторе и результат вычитания усиливается.
Опорное напряжения выбирается чуть выше падения напряжения на транзисторе при температуре 25 градусов, чем обеспечивается измерение напряжения ниже 25 градусов.
Коэффициент усиления схемы определяется соотношением R5/R4 + 1 и для данной схемы равен 11. Итоговая крутизна сигнала температуры получается 2*11=22мВ/градус. Таким образом для обеспечения измерения температуры от 0 градусов выходной сигнал при 25 градусах должен быть не менее 25*0,022=0,55В. Превышение напряжения смещения над падением на транзисторе при 25 градусах должно быть не менее 0,05В.
Падение напряжения на транзисторе при 25 градусах составляет 0,5-0,6В и зависит от конкретного типа транзистора и тока через него и наверняка подобрать опорное напряжение «с ходу» не получится, поэтому на этапе отладки требуется подбор резисторов R1R2 для конкретного типа транзистора и тока через него, от одного транзистора к другому это значение может меняться, но это уже может быть скорректировано программными методами.
Ток через транзистор определяется сопротивлением резистора R3, в данной схеме ток примерно равен 15мА.
Рекомендуемое значение тока через транзистор 10-20мА.
Приведенная схема адаптирована под АЦП с опорным напряжением 3,3В, но может быть использована и для 5В опорного напряжения, для этого необходимо увеличить коэффициент усиления схемы, исходя из требуемого диапазона температур.
На элементах R6VD1 собрана схема ограничения выходного напряжения на случай нештатных ситуаций, например обрыва провода к транзистору. Если напряжение питания ОУ не превышает опорное напряжение АЦП, то их можно исключить.
В качестве DA1 может использовать любой ОУ, обеспечивающий работу при однополярном питании и входном напряжение от 0В. Например дешевый и распространенный LM358.
В качестве транзистора может использоваться любой не составной транзистор p-n-p структуры.
| Простой терморегулятор на Arduino |
Эту конструкцию проще всего собрать своими руками, в роли температурного датчика используется цифровой модуль DS18B20 с диапазоном измерения от -55 до 125 °С.
Самодельное устройство имеет всего две кнопки управления «+» и «-» для настройки требуемых градусов, шаг настройки 0,5 °С. Arduino управляет работой модуля DS18B20 c гистерезисом в 0,5 °С. Если в течении трех секунд не будет регулирования градусов, дисплей покажет текущую температуру. Значение которой сохраняется в энергонезависимой памяти.
Скетч для программирования платы Arduino можно взять , схема соединения показана на рисунке ниже. Печатка не изготавливалась, т.к использовал для сборки макетную плату.
Терморегулятор на MAX6675 и контроллере Arduino
С помощью микросхемы MAX6675 можно измерить ТЭДС (термоэлектродвижущую силу) термопары типа К, результат измерения выводится в градусах Фаренгейта и Цельсия
Терморегулятор своими руками |
Рассмотрим две самодельных конструкции, одна прототип (верхняя на рисунке), подсмотрена в журнале моделист конструктор и ее модернизированный вариант, чуть ниже
Терморегулятор своими руками схема
В модернизированном варианте, на сопротивлениях R1- RЗ выполнен делитель напряжения, Вольты идущие через него стабилизируется с помощью стабилитрона Д814Б.
Сопротивление R3 это 10-килоомный терморезистор КМТ-12, его можно заменить на ММТ-1, ММТ-9, ММТ-12 или аналогичные. В верхнем плече делителя — два сопротивления: переменный номиналом 1,5-2,2 кОм с линейной характеристикой, его ручка настройки выносится на лицевую панель с градуировкой коррекция и подстроечный R2 сопротивлением 1,5-47 кОм, для грубой настройки.
Четкая зависимость сопротивления терморезистора от температуры позволяет применить его в качестве датчика, изменяющего уровень напряжение на входах 1 и 2 DD1.1 К561ЛА7. Ручками настройки сопротивлений R1 и R2 выставляется уровень срабатывания цифровой логики. Емкость С1 ликвидирует дребезг DD1 в момент переключения. Благодаря сопротивлениям R5 и R6 выход К561ЛА7 гальванически увязывается с транзисторным ключом на КТ972, в коллекторную цепь которого включено реле К1. Оно, через свои фронтовые контакты, запускает магнитный пускатель К2, включающий нагрузку обычный бытовой нагреватель с встроенным вентилятором мощностью от 1,5 кВт и более.
Самодельный блок питания можно использовать любой. Главное, подать на диодный мост необходимые 12 В.
Терморегулятор своими руками конструкция печатной платы
Печатная плата изготавливается из одностороннего фольгированного стеклотекстолита размерами 70x70x2 мм и вместе с магнитным пускателем размещается в корпусе подходящих размеров. Терморезистор сделан выносным.
Печатную плату проще всего сделать по радиолюбительской технологии методом ЛУТ.
Настройка, осуществляется с помощью сопротивлений R1 и R2 которыми задают температуру, требуемую для поддержания в погребе или овоще-хранилище. Первоначально, установив их ручки в среднее положение и поместив датчик в среду с необходимой температурой, при медленном вращении ручки определяют такой угол поворота R2, при котором срабатывает реле.
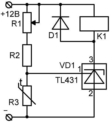
| Терморегулятор на основе стабилитрона TL431 |
Принцип работы схемы предельно прост: если на управляющем электроде TL431 напряжение вые 2,5 В (задается внутренним опорным напряжением) микросборка, открыта и через нагрузку течет ток.
Если же уровень опорного напряжения чуть снижается TL431 закрывается и отсоединяет нагрузку.
При этом микросхема-стабилитрон применяется в роли компаратора, но с одним входом. Такое применение микросборки позволяет максимально упростить конструкцию и уменьшить количество радиокомпонентов.
Напряжение на управляющем электроде формируется с помощью делителя на резисторах R1, R2 и R4. В качестве сопротивления R4 взят терморезистор с отрицательным ТКС, т.е с повышением температуры его сопротивление снижается. Если напряжение на первом пине стабилитрона более 2,5В он открыт, реле включено, симистор D2 включает нагрузку. С повышением температуры номинал сопротивления терморезистора снижается, напряжение падает ниже 2,5В – реле отключается вместе с нагрузкой. С помощью сопротивления R1 осуществляется настройка температуры срабатывания терморегулятора. Реле можно взять любое на 12 вольт, например РЭС-55А.
Конструкция небольшая и состоит всего из двух блоков- измерительного на базе компаратора на ОУ 554СА3 и коммутатора нагрузки до 1000 Вт построенного на регуляторе мощности КР1182ПМ1.
На третий прямой вход ОУ поступает постоянное напряжение с делителя напряжения состоящего из сопротивлений R3 и R4. На четвертый инверсный вход подается напряжение с другого делителя на сопротивлении R1 и терморезистор ММТ-4 R2.
Терморегулятор своими руками схема на КР1182ПМ1
Устройство должно быть настроена так, что при понижение температуры в погребе до трех градусов Цельсия то из-за уменьшения сопротивления терморезистора ММТ-4 произойдет разбалансировка напряжения на выходе компаратора и установится логический ноль и сработает реле, которое своими контактами коммутирует фазовый регулятор на микросхеме КР1182ПМ1.
Подстроечное сопротивление R4 используется для точной настройки требуемых значений температурного режима. Откалибровать терморегулятор для погреба можно используя обычный ртутный термометр.
Реле обязательно должно быть герконовым с небольшим током потребления. Более мощное реле применять нельзя, т.к реле подключено напрямую к выходу ОУ ток нагрузки должен быть не более 50 мА.
Главное достоинство данной схемы это приемлемая точность, без какой либо калибровки, при максимальной упращенной конструкции.
Главным компонентом схемы терморегулятора является микроконтроллер PIC12F629 фирмы Microchip и датчика температуры DS18B20 фирмы Dallas. Эти вполне себе современные компоненты способны принимать и передавать информацию в цифровом коде по одной шине, используя 1-Wire интерфейс.
Температурный диапазон хранится в EEPROM микроконтроллера PIC12F629. Его можно задавать с разрешением в 1 градус, от — 55 до +125.
После включения устройства, микроконтроллер включает реле, и начинает светиться светодиод HL1, говоря о работоспособности устройства. Затем сравнивается значение текущей температуры с датчика DS18B20 и установленной, и если текущая температура будетниже нижнего порога, то реле остается включенным, как и нагреватель подсоединенный через фронтовые контакты.
Далее микроконтроллер сравнивает температуру в погребе с заданным верхним значением. Как только этот предел достигнут, микроконтроллер формирует код и отключает реле, до тех пор, пока микроконтроллер не обнаружит понижение температуры ниже нижнего установленного предела.
При программировании микроконтроллера PIC потребуется установить значение верхнего (адрес 0×01) и нижнего (0×00) порога температуры. Саму прошивку можно скачать по зеленой ссылочке, чуть выше.
| –> Игровые автоматы Плей Фортуна Для любителей азартных игр на просторах интернета представлены много игровых площадок, удовлетворяющих требования своих игроков. Что делать если зависает компьютер Постепенное снижение работоспособности и производительности компьютера – одна из наиболее частотных проблем, с которой сталкиваются пользователи любого ПК. Gaminator Slot — игровые автоматы бесплатно Несмотря на большой ассортимент игровых автоматов, наибольшей популярностью пользуются Гаминаторы. Для тех, кто любит и знает мир спорта — полная версия Вулкан ставка на спорт Отличные знания спортивных игр и событий могут значительно улучшить финансовое положение. Для этого существуют букмекерские конторы, где можно воспользоваться опытом прогнозирования в спорте и заработать. Игровые автоматы на деньги в 2020 году Очень много игроков уже давно просиживают вечера в казино-онлайн. Играть в онлайн автоматы без регистрации Еще с незапамятных времен некоторые люди предпочитали проводить время за игрой… Почему любители игровых автоматов онлайн выбирают Джи Эм Слотс? Важным параметром при выборе пользователями интернет-площадки для азартных забав является добросовестность заведения. Казино Вулкан Stars в 2020 году Со стремительным развитием сети интернет растет и количество предложений от создателей сайтов азартного направления. Игровая индустрия ‒ это отдельная, яркая и эффектная по-своему ниша, где спрос формируется влиянием активности игроков. Вулкан Рояль – казино, где можно в игровые автоматы играть бесплатно Многие даже не задумывались над тем, чем онлайн казино лучше реальных залов. Не нужно искать по всему городу зал и ехать туда, нет огромной очереди к автомату. Казино Вулкан Делюкс — играй и выигрывай На официальном сайте предоставлен большой ассортимент игровых автоматов от мировых производителей онлайн-софта, каждый эмулятор обладает высоким коэффициентом отдачи, что предоставляет игрокам уникальную возможность получать от игрового процесса щедрые вознаграждения. | |||||||||||
Ремонт терморегулятора для теплого пола своими руками
Терморегулятор (термостат) – это электротехническое устройство, обеспечивающее поддержание температуры на заданном уровне в замкнутом объеме.
Для управления температурой нагрева теплого пола применяются электрические и электронные терморегуляторы. В электрических терморегуляторах температура задается вручную с помощью, вынесенной на лицевую панель ручки.
В электронных терморегуляторах имеется дисплей и предусмотрена возможность автоматического управления запрограммированной величиной температуры в течение времени.
Схема подключения терморегулятора
Для ремонта терморегулятора необходимо представлять схему его подключения и принцип работы. К клеммной колодке терморегулятора подключаются три цепи.
Как видно из схемы, подается питающее напряжение 220 В, нагрузка в виде нагревательного элемента и датчик температуры, представляющий собой терморезистор.
При нормальной температуре сопротивление терморезистора, в зависимости от модели термостата, составляет 6-15 кОм. При изменении температуры окружающей среды сопротивление терморезистора изменяется и таким образом микропроцессор получает информацию для прекращения или подачи питающего напряжения на нагревательный элемент (нагрузку).
С микропроцессора управляющий сигнал после усиления подается на электромагнитное реле или полупроводниковый симистор, которые и осуществляют подачу питающего напряжения на нагревательный элемент.
Пример ремонта
терморегулятора с обгоревшими контактами
Перестал греть теплый пол.
Подключение нагревательных элементов непосредственно к сети 220 В показало, что они исправны, пол стал теплым.
Следовательно, неисправность скрыта в терморегуляторе. Дополнительным признаком неисправности терморегулятора было заклинивание движка выключателя. Пришлось заняться его ремонтом.
Чтобы разобрать терморегулятор EASTEC RTC70.26 нужно снять ручку установки температуры, поддев ее лезвием плоской отвертки, отвинтить один саморез и снять лицевую панель.
Внешний осмотр печатной платы и клемм сразу позволил определить причину поломки. При установке терморегулятора после монтажа теплого пола сетевые провода были недостаточно зажаты винтами в отверстиях клемм.
В результате из-за большого сопротивления в месте контактов стало выделяться дополнительное тепло, что и привело к обгоранию проводов и контактов. Припой в месте пайки выводов сетевых клемм из-за сильного нагрева окислился и потемнел.
Для определения причины отказа выключателя пришлось его разобрать.
Для этого лезвием ножа были по очереди отведены в сторону боковые стенки корпуса выключателя, как показано на фотографии.
Осмотр внутренностей выключателя не выявил неисправности. Контакты не были окислены, пластмасса не деформирована.
Причина отказа выключателя оказалась в деформации от нагрева пластмассовой трубки, удерживающей подпружиненный толкатель подвижного контакта. В выключателе было задействовано только размыкание одного провода. Клавиша была симметричной, и поэтому удалось выключатель отремонтировать, установив толкатель в уцелевшую трубку.
Окисленные отверстия клемм были зачищены до блеска с помощью круглого надфиля. Места припайки клемм к печатной плате были пропаяны припоем.
Еще в терморегуляторе оказалась треснутой планка крепления его в коробке. Владелец пытался детали склеить суперклеем, но трещина появилась снова.
Самым надежным способом соединения треснувшей пластмассы является ее армирование металлической проволокой. Для этого из канцелярской скрепки была выгнута фигура, показанная на фотографии.
Далее с помощью электрического паяльника проволока была вплавлена в тело пластмассы. Теперь терморегулятор будет держаться надежно.
Проверка терморегулятора EASTEC RTC70 после ремонта
Осталось проверить работоспособность терморегулятора под нагрузкой. На корпусе его обычно всегда есть электрическая схема подключения.
На схеме видно, что к 1 и 2 контактам подключается питающее напряжение сети. Фазный провод L нужно подключить к 1 выводу, нулевой провод N – ко второму выводу. Для работы терморегулятора не имеет значения, к какому контакту подключен фазный провод, а к какому нулевой. Но с точки зрения техники безопасности – это указание нужно соблюдать.
К 3 и 4 контактам подключается нагрузка (нагревающий элемент теплого пола), а к 6 и 7 – датчик температуры в виде терморезистора. В данной модели термостата его номинал обозначен величиной 10 кОм, что позволяет проверить работоспособность терморегулятора при отсутствии терморезистора.
Для проверки терморегулятора в лабораторных условиях нужно, как показано на фотографии, подключить его к внешним цепям.
Подать на него питающее напряжение, подключить нагрузку (подойдет любая лампочка, рассчитанная на напряжение 220 В), и постоянный резистор номиналом 10 кОм.
У меня под рукой не оказалось нужного, поэтому использовал 2 резистора номиналом по 5,1 кОм, соединив их последовательно. Кстати, таким способом можно производить проверку исправности терморезистора без приборов, непосредственно в схеме смонтированного теплого пола.
Ручка регулятора температуры устанавливается в положение меньше 25°С и на терморегулятор подается с помощью шнура с вилкой питающее напряжение. Лампочка светиться не должна.
Далее ручкой устанавливается температура более 25°С, лампочка должна засветиться. При последующей установке менее 25°С должна погаснуть. Если все происходит так, значит, терморегулятор отремонтирован, и можно его снова установить в систему нагрева теплого пола.
Если под рукой не оказалось, что подключить к клеммам нагрузки, то можно и не подключать. Об исправной работе терморегулятора можно будет судить по изменению цвета свечения индикаторного светодиода с красного на зеленый.
Но такой способ не позволяет проверить в полной мере исправность силовых цепей.
Пример ремонта терморегулятора SPYHEAT ETL-308В
с отказавшим выключателем
Еще пришлось ремонтировать терморегулятор SPYHEAT ETL-308В, в котором перестала фиксироваться кнопка включения.
Лицевая панель фиксировалась на корпусе с помощью защелок. Для снятия ее достаточно отжать эти фиксаторы.
На фотографии показан внешний вид терморегулятора со снятой лицевой панелью. Как оказалось, через включатель не подается напряжение на нагрузку, а только на схему управления.
Для анализа причины поломки кнопка была разобрана. Оказалось, что износилась канавка подвижного штока в пластмассе, отвечающая за фиксацию и ремонту кнопка не подлежит. Пришлось ее выпаять и установить новую.
Чтобы добраться жалом паяльника до выводов кнопки пришлось предварительно выпаять один вывод токоограничивающего сопротивления блока питания терморегулятора и отогнуть в сторону термистор.
Далее освободить отверстия в плате под ножки новой кнопки от припоя с помощью прогрева его паяльником деревянной зубочисткой.
В новой кнопке шесть выводов, а в терморегуляторе используется только четыре. Две нужно удалить, проявив внимание, чтобы не откусить нужные.
При выпайке резистора отслоилась контактная площадка, пришлось продублировать ее отрезком залуженного медного провода. Кнопка запаяна, осталось запаять резистор и можно приступать к проверке терморегулятора.
Проверка терморегулятора SPYHEAT ETL-308В после ремонта
Последовательность подключения внешних элементов к клеммам SPYHEAT ETL-308В отличается от схемы терморегулятора EASTEC RTC70.26.
Питающее напряжение подается на 3 и 8 контакты. Подходящий и исходящий заземляющие провода PL к электрической схеме терморегулятора не подключаются и контакты клемм 6 и 7, соединенные на печатной плате между собой используются в качестве клеммной колодки. При монтаже теплого пола если в нем предусмотрено заземление, то можно провод PL подключать напрямую, минуя терморегулятор.
На схеме терморегулятора не был указан номинал терморезистора, попробовал подключить резистор постоянного сопротивления 10 кОм.
Подошел, температура срабатывания терморегулятора находилась на отметке 25°С.
Порядок проверки этого терморегулятора ничем не отличается от вышеописанной модели. Если терморегулятор исправен, то при вращении регулятора температуры лампочка должна то загораться, то гаснуть.
Типичные неисправности электронных терморегуляторов
Нарушение контакта проводов в клеммной колодке
Одной из основных причин отказа терморегулятора является плохой контакт при подключении к нему проводов, что и продемонстрировано в примере ремонта. Иногда винты в клеммной колодке вращаются туго, и кажется, что провод зажат достаточно крепко, чего на самом деле не произошло.
Поэтому перед монтажом терморегулятора нужно в обязательном порядке закрутить до упора каждый из винтов клемм и отвернуть обратно, чтобы оценить, с каким усилием нужно затягивать винты при зажиме проводов.
Чтобы исключить попадание изоляции проводов в отверстия клемм нужно ее снимать на достаточную длину.
Отказ датчика температуры
В терморегуляторах предусмотрена проверка исправности терморезистора и информирование в случае его выхода из строя. В простых терморегуляторах начинает мигать индикаторный светодиод, а в дисплейных на экран выводится сообщение об ошибке.
При сообщении об ошибке датчика в первую очередь нужно убедиться в надежности его подключения к терморегулятору. Если подключен надежно, то отсоединить датчик от схемы и мультиметром измерять его сопротивление, которое указано в паспорте или на корпусе прибора.
Если данных нет, то следует исходить из того, что в зависимости от температуры окружающей среды сопротивление терморезистора составляет от 6 до 30 кОм. Дополнительно можно убедиться в исправности датчика температуры, обхватив его рукой. При нагреве от тела сопротивление должно изменяться, обычно уменьшается.
Если сопротивление датчика температуры не укладывается в диапазон, указанный выше и не изменяется при его нагреве, значит, терморезистор неисправен и подлежит замене.
Отказ радиоэлектронных компонентов
Если терморегулятор не подает признаков работы, то причиной может быть выход из строя токоограничивающего сопротивления и конденсатора, электролитического конденсатора (обычно он раздувается сверху) для сглаживания пульсаций и электромагнитного реле.
Если есть небольшой опыт по проверке и замене радиодеталей на печатной плате, то с такими неисправностями домашний мастер вполне может справиться. Если нет мультиметра, то ремонтировать можно простой заменой перечисленных выше радиодеталей заведомо исправными.
Чем можно заменить датчик температуры
Датчик температуры, используемый в терморегуляторах для теплого пола, представляет собой терморезистор с отрицательным ТКС (температурным коэффициентом электрического сопротивления). Это означает, что при нагреве сопротивление датчика уменьшается.
Второй параметр, необходимый для выбора датчика температуры является величина сопротивления при нормальных условиях, при 20°.
Номинал резистора обычно указывают на корпусе терморегулятора рядом с клеммами подключения датчика температуры или в паспорте изделия.
Для подбора датчика температуры этих данных вполне достаточно. Единственное что сложно узнать и подобрать, так это характеристику ТКС, то есть изменение величины сопротивления температурного датчика от изменения окружающей температуры.
Но это не является критичным параметрам, все равно температуру на терморегуляторе устанавливают экспериментальным путем. Ведь датчик температуры установлен в полу и установленная температура на терморегуляторе задает температуру нагрева пола, а не температуру в помещении.
Как определить сопротивление датчика температуры
У терморегулятора SPYHEAT ETL-308В вышел из строя датчик температуры. Технические характеристики его были неизвестны. Пришлось их определить экспериментальным путем.
Для этого к терморегулятору, в соответствии с нанесенной на его корпусе схемой, были подключены внешние цепи – подано питающее напряжение, вместо нагревательных элементов подключена лампочка накаливания, а вместо датчика температуры переменное сопротивление.
В наличии имелся магазин сопротивления, поэтому решил для калибровки использовать его. Магазин сопротивлений представляет собой коробку, в которой размещены высокоточные сопротивления и есть переключатели, с помощью которых можно установить нужный номинал.
Последовательно устанавливая ручку регулятора в положения от 20° до 30° и изменяя величину сопротивления ручками в магазине сопротивлений до срабатывания терморегулятора, построил табличку.
Исходя из данных в таблице для данного терморегулятора теплого пола в качестве датчика температуры подойдет терморезистор с отрицательным ТКС номиналом 10 кОм. Величина сопротивления резистора при включении и выключении лампочки получилась разная из-за гистерезиса в самом терморегуляторе. Это необходимо, чтобы реже включался нагревательный элемент теплого пола.
Определение номинала датчика температуры можно выполнить и с помощью переменного резистора величиной 47 кОм. Только придется каждый раз после включения и выключения лампочки отключать от сети терморегулятор и измерять мультиметром сопротивления резистора.
Можно обойтись и без измерений. Достаточно иметь несколько постоянных резисторов номиналом от 10, 15, 20 и 30 кОм. Резисторы по очереди подключаются вместо датчика температуры. Вращая ручку регулятора терморегулятора нужно определить, с каким резистором лампочка будет выключаться и включаться при температуре около 20°С.
Выбор терморезистора
Можно было купить готовый, но для этого нужно было разместить онлайн заказ и ждать доставку. В дополнение цена вопроса доходила до 20% стоимости самого терморегулятора.
Поэтому было решено сделать датчик температуры из доступных терморезисторов. В наличии был терморезистор номиналом 10 кОм с отрицательным отрицательным ТКС типа ММТ-4. Его и решил использовать для ремонта.
Для подключения имелся отрезок провода, с помощью которого был подключен вышедший из строя датчик температуры. В принципе для подключения датчика можно использовать любой провод, главное, чтобы он выдерживал температуру не менее 100°С. Для проверки концы проводов были зачищены и навиты на выводы термосопротивления.
Далее терморезистор был расположен в непосредственной близости от лампочки накаливания, подключенной к выводам для подключения нагревательного элемента теплого пола. На терморегулятор было подано питающее напряжение.
Через несколько минут лампочка нагрела терморезистор, его сопротивление уменьшилось, и терморегулятор отключил подачу напряжения на лампочку. Когда терморезистор остыл, то лампочка опять зажглась, и так продолжалось до бесконечности с периодом в несколько минут.
После проверки работы терморегулятора теплого пола к терморезистору ММТ-4 были припаяны провода мягким припоем и на места пайки надеты отрезки изоляционной трубки.
Для надежности можно надеть на терморезистор термоусаживающуюся изоляционную трубку. Самодельный датчик температуры был установлен при монтаже теплого пола и показал стабильную работу.
Как видите, даже не имея опыта в ремонте электроприборов, можно своими руками в домашних условиях отремонтировать терморегулятор для теплого пола, включая изготовление из стандартного терморезистора датчика температуры.
Внимание, электрические схемы терморегуляторов гальванически связаны с фазой электрической сети. Прикосновение к оголенным участкам схемы подключенной к электрической сети может привести к поражению электрическим током.
Илья 07.01.2019
Александр, здравствуйте!
Меняю терморегулятор, читал ваши статьи, прошу совет. Какие контакты старого регулятора соответствуют новому?
Заранее благодарю.
АлександрЗдравствуйте, Илья!
Нанес на присланную Вами фотографию соответствие нумерации терморегуляторов. 1⇒1 2⇒2 3⇒4 4⇒5 5⇒6(7) 6⇒3 7⇒8 Первая цифра – это номер клеммы левого терморегулятора, а через дефис – цифра соответствующей ей клеммы правого терморегулятора. Клеммы 6 и 7 внутри правого терморегулятора соединены.
Доброе время суток.
Приобрел себе электронный термостат для теплого пола. При подключении проводов термостата пошел сбой из-за неправильного подключения.
Вместо подключения проводов датчика сенсора было подключено питающее напряжение 220 вольт.
Из-за чего произошло то, что видно на фото. Насколько вероятен ремонт термостата и что с ним произошло. Буду рад вашему ответу.
АлександрЗдравствуйте.
Датчик сенсора терморегулятора подключается непосредственно к выводам микропроцессора, и он скорее всего сгорел.
В данном случае целесообразно купить новый термостат, так как стоимость ремонта будет сравнима со стоимостью нового терморегулятора.
Терморегулятор на терморезисторе схемы
Как изготовить самодельное устройство для поддержания установленной температуры, включения и выключения нагревателя, схема. Терморегулятор можно использовать для поддержания температуры в небольшом овощехранилище на таком уровне,чтобы зимой при низкой температуры внешней среды овощи не померзли .
Принципиальная схема приставки-автомата к паяльнику, которая будет сигнализировать и отключать паяльник во время долгого бездействия.
Радиолюбители обычно пользуются паяльниками на 220V мощностью 40W и25W. В процессе работы паяльник постоянно включен, но так как при ремонте или налаживании .
Принципиальная схема простого регулятора скорости вращения двигателя вентилятора. Для охлаждения различных электронных устройств часто используются небольшие вентиляторы, питающиеся постоянным током напряжением 12V. Далеко не всегда оправдано чтобы вентилятор работал на полную мощность .
Принципиальная схема самодельного термостата, который предназначен для работы с отопительной системой на основе электрокотла. В основе схемы лежит микросхема DS1621. Микросхема DS1621 это термометр и термостат с цифровымвводом/выводом, обеспечивающий точность ±0.5°С. При использовании .
Принципиальная схема регулятора температуры (термореле) – термостата для управления нагрузкой в зависимости от значения температуры. Термостат предназначен для управления подогревом воды в аквариуме. Принципиальная схема Датчиком температуры является термистор R1 (полупроводниковый, с .
Терморегулятор, схема которого приведена ниже, предназначен для управления электрическимнагревательным прибором мощностью не более 1100W. Это может быть ТЭН или инфракрасная лампа накаливания, инфракрасная нагревательная пленка. Терморегулятор подходит для регулировки и поддержания температуры .
Схема очень простого термостата, который можно использовать для управления различными нагрузками и устройствами в зависимости от температуры датчика. Устройство построено на трех транзисторах (2 х КТ3102 + КТ3107), на ее выходе подключено маломощное электромагнитное реле. Важно чтобы обмотка реле .
Термостат (термореле), схема которого рассмотрена ниже, может быть использован для управления нагревательным устройством мощностью не более 220 Ватт. Это может быть нагреватель выполненный на основе ИК-ламп или же обычных ламп накаливания, которые окрашены в черный цвет. Такой термостат может, например .
Большинство аналоговых терморегуляторов, построенных на компараторе, выполнено по схеме, в которой устанавливают только температуру, которую нужно поддерживать.
При этом гистерезис установлен фиксированным и нигде не обозначается, поэтому понять в каких пределах поддерживается заданная температура .
Прибор служит для местного управления обогревом – включения и выключения электрического нагревателя. Этот термостат наиболеепригоден при использовании в фотографии, управлении грелкой в аквариуме, в красильных (покрасочных) работах и т. и. Базовый комплект элементов позволяет построить термостат.
Идея подобного устройства возникла в процессе апгрейда усилителя на 4-х TDA2030A. Очень уж мне не нравился шум вентилятора. За музыкой его слышно конечно же не было но, когда музыка выключалась, было слышно довольно громкое жужжание вентилятора, обдувающего радиатор. В результате родилась такая вот схема на компараторе LM311.
Для начала вспомним, что есть компаратор.
Компаратор (от англ. compare – сравнивать) – это сравнивающее устройство.
Он сравнивает напряжение на прямом входе (у компаратора их два – прямой и инверсный), с напряжением на инверсном входе (напряжение срабатывания).
Резисторы R1 и R2 образуют делитель напряжения. С их помощью осуществляется настройка порогового напряжения срабатывания компаратора. Если на прямом входе напряжение превысит напряжение инверсного входа, то компаратор выдаст на выходе высокий уровень, равный напряжению питания компаратора.
Резистор R3 служит для создания положительной обратной связи для формирования гистерезисной передаточной характеристики. Эта мера позволяет избежать быстрых нежелательных переключений состояния выхода, обусловленном шумами во входном сигнале.
На компараторе можно даже построить простейший АЦП, если выставить порог срабатывания и напряжение питания компаратора равными логической единице!
Принцип его действия таков: радиатор не охлаждается, пока его температура не достигнет 40-50 градусов (зависит от сопротивления резисторов RV1 и RT1). По достижении необходимой температуры кулер включается, охлаждает радиатор и снова отключается. Такая схема позволит снизить шум вентилятора на тех режимах работы усилителя, когда нагрев микросхем УМЗЧ незначителен и таким образом уменьшить уровень шума.
Здесь компаратор управляет полевым транзистором, который может коммутировать нагрузку (кулер, светодиод, реле и пр.).
Видно что напряжение на прямом входе (12,7В) меньше чем на инверсном (12,8В). На выходе компаратора 0В , следовательно полевик закрыт, ток через него не течет и двигатель не вращается.
Немного изменим сопротивление RV1.
Напряжение на входе превысило пороговое, компаратор открыл транзистор, через него пошел ток, двигатель начал вращаться. В реальных условиях должно изменится сопротивление RT1 из-за нагревания (если это NCT) или охлаждения ( если PCT).
Теперь посмотрим как это будет выглядеть “в железе”.
Данные о температуре снимаются с помощью NTC термистора на 1 кОм.
Мой выбор пал на SMD-монтаж, т.к. передо мной стояла задача сделать устройство, имеющее как можно меньшие габариты.
Такую платку можно просто прилепить на термоклей или 2-сторонний скотч к радиатору или стенке корпуса усилителя.
Настройка осуществляется довольно просто: необходимо чтобы терморезистор приобрел комнатную температуру. После этого его калибруют вращением подстроечного резистора до прекращения срабатывания на комнатную температуру. Затем нагревают термистор до необходимой расчетной температуры (я калибровал примерно на 50*С. Прилепил термистор к настольной лампе со 100Вт лампой накаливания и настраивал по теплу, отдаваемому лампой.) и подстраивают резистор до появления срабатывания на необходимую температуру.
Ну и не стоит забывать о теплопроводящей пасте между термистором и радиатором.
Соблюдение температурного режима является очень важным технологическим условием не только на производстве, но и в повседневной жизни. Имея столь большое значение, этот параметр должен чем-то регулироваться и контролироваться. Производят огромное количество таких приборов, имеющих множество особенностей и параметров.
Но сделать терморегулятор своими руками порой куда выгоднее, нежели покупать готовый заводской аналог.
Общее понятие о температурных регуляторах
Приборы, фиксирующие и одновременно регулирующие заданное температурное значение, в большей степени встречаются на производстве. Но и в быту они также нашли своё место. Для поддержания необходимого микроклимата в доме часто используются терморегуляторы для воды. Своими руками делают такие аппараты для сушки овощей или отопления инкубатора. Где угодно может найти своё место подобная система.
В данном видео узнаем что из себя представляет регулятор температуры:
В действительности большинство терморегуляторов являются лишь частью общей схемы, которая состоит из таких составляющих:
- Датчик температуры, выполняющий замер и фиксацию, а также передачу к регулятору полученной информации. Происходит это за счёт преобразования тепловой энергии в электрические сигналы, распознаваемые прибором.
В роли датчика может выступать термометр сопротивления или термопара, которые в своей конструкции имеют металл, реагирующий на изменение температуры и под её воздействием меняющий своё сопротивление. - Аналитический блок – это и есть сам регулятор. Он принимает электронные сигналы и реагирует в зависимости от своих функций, после чего передаёт сигнал на исполнительное устройство.
- Исполнительный механизм – некое механическое или электронное устройство, которое при получении сигнала с блока ведёт себя определённым образом. К примеру, при достижении заданной температуры клапан перекроет подачу теплоносителя. И напротив, как только показания станут ниже заданных, аналитический блок даст команду на открытие клапана.
Это три основные части системы поддержания заданных температурных параметров. Хотя, помимо них, в схеме могут участвовать и другие части наподобие промежуточного реле.
Но они исполняют лишь дополнительную функцию.
Принцип работы
Принцип, по которому работают все регуляторы, – это снятие физической величины (температуры), передача данных на схему блока управления, решающего, что нужно сделать в конкретном случае.
Если делать термореле, то наиболее простой вариант будет иметь механическую схему управления. Здесь с помощью резистора устанавливается определённый порог, при достижении которого будет дан сигнал на исполнительный механизм.
Чтобы получить дополнительную функциональность и возможность работы с более широким диапазоном температур, придётся встраивать контроллер. Это же поможет увеличить срок эксплуатации прибора.
На данном видео вы можете посмотреть как самостоятельно изготовить терморегулятор для электрического отопления:
Самодельный регулятор температуры
Схем для того, чтобы сделать терморегулятор самому, в действительности очень много.
Всё зависит от сферы, в которой будет применяться такое изделие. Конечно, создать нечто слишком сложное и многофункциональное крайне трудно. А вот термостат, который сможет использоваться для обогревания аквариума или сушки овощей на зиму, вполне можно создать, имея минимум знаний.
Простейшая схема
Самая простая схема термореле своими руками имеет безтрансформаторный блок питания, который состоит из диодного моста с параллельно подключённым стабилитроном, стабилизирующим напряжение в пределах 14 вольт, и гасящего конденсатора. Сюда же можно при желании добавить и стабилизатор на 12 вольт.
Создание терморегулятора не требует особых усилий и денежных вложений
В основе всей схемы будет использован стабилитрон TL431, который управляется делителем, состоящим из резистора на 47 кОм, сопротивления на 10 кОм и терморезистора, выполняющего роль датчика температуры, на 10 кОм. Его сопротивление понижается с повышением температуры. Резистор и сопротивление лучше подбирать, чтобы добиться наилучшей точности срабатывания.
Сам же процесс выглядит следующим образом: когда на контакте управления микросхемой образуется напряжение больше 2,5 вольт, то она произведёт открытие, что включит реле, подавая нагрузку на исполнительный механизм.
Как изготовить терморегулятор для инкубатора своими руками, вы можете увидеть на представленном видео:
И напротив, когда напряжение станет ниже, то микросхема закроется и реле отключится.
Чтобы избежать дребезжания контактов реле, необходимо его выбирать с минимальным током удержания. И параллельно вводам нужно припаять конденсатор 470×25 В.
При использовании терморезистора NTC и микросхемы, уже бывавших в деле, предварительно стоит проверить их работоспособность и точность.
Таким образом, получается простейший прибор, регулирующий температуру. Но при правильно подобранных составляющих он превосходно работает в широком спектре применения.
Прибор для помещения
Такие терморегуляторы с датчиком температуры воздуха своими руками оптимально подходят для поддержания заданных параметров микроклимата в помещениях и ёмкостях. Он полностью способен автоматизировать процесс и управлять любым излучателем тепла начиная с горячей воды и заканчивая тэнами. При этом термовыключатель имеет отличные эксплуатационные данные. А датчик может быть как встроенным, так и выносным.
Здесь в качестве термодатчика выступает терморезистор, обозначенный на схеме R1. В делитель напряжения входят R1, R2, R3 и R6, сигнал с которого поступает на четвёртый контакт микросхемы операционного усилителя. На пятый контакт DA1 подаётся сигнал с делителя R3, R4, R7 и R8.
Сопротивления резисторов необходимо подбирать таким образом, чтобы при минимально низкой температуре замеряемой среды, когда сопротивление терморезистора максимальное, компаратор положительно насыщался.
Напряжение на выходе компаратора составляет 11,5 вольт. В это время транзистор VT1 находится в открытом положении, а реле K1 включает исполнительный или промежуточный механизм, в результате чего начинается нагрев. Температура окружающей среды в результате этого повышается, что понижает сопротивление датчика. На входе 4 микросхемы начинает повышаться напряжение и в результате превосходит напряжение на контакте 5. Вследствие этого компаратор входит в фазу отрицательного насыщения. На десятом выходе микросхемы напряжение становится приблизительно 0,7 Вольт, что является логическим нулём. В результате транзистор VT1 закрывается, а реле отключается и выключает исполнительный механизм.
На микросхеме LM 311
Такой термоконтроллер своими руками предназначен для работы с тэнами и способен поддерживать заданные параметры температуры в пределах 20-100 градусов. Это наиболее безопасный и надёжный вариант, так как в его работе применяется гальваническая развязка термодатчика и регулирующих цепей, а это полностью исключает возможность поражения электротоком.
Как и большинство подобных схем, в её основу берется мост постоянного тока, в одно плечо которого подключают компаратор, а в другое – термодатчик. Компаратор следит за рассогласованием цепи и реагирует на состояние моста, когда тот переходит точку баланса. Одновременно он же старается уравновесить мост с помощью терморезистора, изменяя его температуру. А термостабилизация может возникнуть лишь при определённом значении.
Резистором R6 задают точку, при которой должен образоваться баланс. И в зависимости от температуры среды терморезистор R8 может в этот баланс входить, что и позволяет регулировать температуру.
На видео вы можете увидеть разбор простой схемы терморегулятора:
Если заданная R6 температура ниже необходимой, то на R8 сопротивление слишком большое, что понижает ток на компараторе. Это вызовет протекание тока и открывание семистора VS1, который включит нагревательный элемент.
Об этом будет сигнализировать светодиод.
По мере того как температура будет повышаться, сопротивление R8 станет снижаться. Мост будет стремиться к точке баланса. На компараторе потенциал инверсного входа плавно снижается, а на прямом – повышается. В какой-то момент ситуация меняется, и процесс происходит в обратную сторону. Таким образом, термоконтроллер своими руками будет включать или выключать исполнительный механизм в зависимости от сопротивления R8.
Если в наличии нет LM311, то её можно заменить отечественной микросхемой КР554СА301. Получается простой терморегулятор своими руками с минимальными затратами, высокой точностью и надёжностью работы.
Необходимые материалы и инструменты
Сама по себе сборка любой схемы электрорегулятора температуры не занимает много времени и сил. Но чтобы сделать термостат, необходимы минимальные знания в электронике, набор деталей согласно схеме и инструмент:
- Импульсный паяльник.
Можно использовать и обычный, но с тонким жалом. - Припой и флюс.
- Печатная плата.
- Кислота, чтобы вытравить дорожки.
Достоинства и недостатки
Даже простой терморегулятор своими руками имеет массу достоинств и положительных моментов. Говорить же о заводских многофункциональных устройствах и вовсе не приходится.
Регуляторы температуры позволяют:
- Поддерживать комфортную температуру.
- Экономить энергоресурсы.
- Не привлекать к процессу человека.
- Соблюдать технологический процесс, повышая качество.
Из недостатков можно назвать высокую стоимость заводских моделей. Конечно, самодельных приборов это не касается. А вот производственные, которые требуются при работе с жидкими, газообразными, щелочными и другими подобными средами, имеют высокую стоимость. Особенно если прибор должен иметь множество функций и возможностей.
Ремонт терморезисторов кондиционера
Терморезистор (или просто термистор) представляет собой полупроводниковый резистор, имеющий одну очень важную особенность: при возрастании температуры его сопротивление резко падает. Благодаря этому эффекту нам предоставляется возможность задавать температуру кондиционирования. Стоит отметить, что резистор у кондиционера, как правило, не один. В современных моделях их обычно три. Самым важным из них является терморезистор, расположенный во внутреннем блоке. С его помощью определяется температура в комнате, и по его показателям можно выяснить, что технику пора чинить. Если бы терморезистор выходил из строя незаметно, то кондиционеры нагревали бы (или охлаждали – в зависимости от выбранного режима) помещение все свое рабочее время.
Причины поломок терморезисторов
Причину таких действий было бы довольно сложно определить. Но, к счастью, в большинстве современных кондиционеров есть функция самодиагностики.
О неполадке сообщается с помощью светодиода, который по-разному мигает в зависимости от характера поломки. Например, в кондиционерах LG при вышеупомянутой неисправности диод мигает один раз каждые три секунды. Такая самодиагностика очень помогает мастерам, обслуживающим технику. Кроме того, они могут узнать причину неполадки от клиента по телефону, заранее подготовившись к решению конкретной проблемы. К счастью, терморезистор представляет собой миниатюрное устройство в виде стержня, замена которого является очень простым заданием для сотрудников сервисных центров, а его стоимость очень низкая, особенно если сравнивать с остальными деталями кондиционера.
Главными же причинами поломки терморезисторов являются разрыв или короткое замыкание. Поэтому единственным действием, сводящим вероятность поломки к минимуму, является подключение кондиционера к электросети через сетевой фильтр. Это исключит возможность скачков напряжения и минимизирует шансы на выход терморезистора из строя. Но не смотря на это, очень часто из-за перепадов напряжение проводить ремонт кондиционеров, с подобной поломкой.
Какие терморезисторы стоят в кондиционере
Кроме внутреннего терморезистора, существуют также внешний, который осуществляет контроль над температурой подаваемого воздуха. Третьим является терморезистор, следящий за температурой корпуса внутреннего блока и предотвращающий его перегрев. Во всех случаях единственным способом решения проблем с терморезистором является его замена. Поломка любой из трех таких деталей будет показана различным миганием светодиода. Всякий производитель создает свою кодировку неисправностей, так что в руководстве по эксплуатации должно быть указано, каким образом кондиционер реагирует на каждую из поломок. Это очень удобно, ведь иначе в случае повреждения одного терморезистора возникала бы необходимость менять сразу все.
Несмотря на то, что неисправность терморезистора – это один из простейших видов неполадок кондиционера, отнестись к ней надо с полной ответственностью, ведь в процессе ремонта можно повредить микросхему, а это повлечет за собой более серьезные проблемы.
Поэтому даже такую неисправность нужно доверять исключительно профессионалам. Наши работники подойдут к этой работе с полной ответственностью. Все они – настоящие мастера своего дела, кроме того, у них есть весь набор необходимых инструментов и запасных деталей. Замена терморезистора производится очень быстро, и в кратчайшее после вызова ремонтников время вы снова сможете наслаждаться прохладой, даже если на улице будет невыносимая жара.
Изготовление термисторного зонда
В этом документе представлены инструкции по изготовлению термисторного зонда. используется для измерения температуры в аквариуме для EAS 199B. Дизайн довольно надежен, довольно прост и предоставляет возможности для студентов чтобы узнать, как паять и изолировать удлинительные провода датчика. А отдельная страница обеспечивает краткое обсуждение компромиссов дизайна и предложения по улучшению.
Термистор без покрытия – это номер детали Digikey 317-1258-ND, который является
10 кОм, изготовлен термистор с отрицательным температурным коэффициентом (NTC)
компании Cantherm (номер детали MF52A103J3470).![]()
Удлинительный провод витой пары можно извлечь из куска лом кабеля Cat-5. Удлинитель не нужно буквально быть витой парой. Витая пара от проводки Ethernet (CAT-5, CAT-5E или CAT-6) удобно тем, что пары уже скручены.
1. Возьмите термистор и пару удлинительных проводов
.Зачистите и оловяните примерно 1 см одного конца каждого провода витой пары
Перед началом любой постоянной проводки используйте мультиметр для измерения сопротивления. термистора.Держите термистор между большим и указательным пальцами. и наблюдайте, увеличивается или уменьшается сопротивление. У тебя есть отрицательный температурный коэффициент (NTC) или положительный температурный коэффициент (PTC) термистор?
2. Приобретите куски полиэтиленовых и термоусадочных трубок
Материалы для этого шага:
- Трубка Tygon из ПВХ с микроотверстием. Внутренний диаметр 0,020 дюйма, внешний диаметр 0,060 дюйма. SmallParts.com номер детали B000PHCDEY
- Термоусадочная трубка из полиолефина 1/16 “(номинал).
Номер детали Digikey Q2F018B-ND - 3/32 “(номинал) Полиолефиновая термоусадочная трубка. Номер детали Digikey Q2F332B-ND
Альтернативой трубкам Tygon являются трубки из ПТФЭ 24 Gage, Smallparts.com Номер детали B000F0V02S
Отрежьте один кусок небольшой полиэтиленовой трубки, один кусок небольшого диаметра. термоусадочная пленка и один кусок термоусадочной пленки большого диаметра. Используйте следующую фотографию, чтобы оценить необходимую длину трубки. Берите только то, что вам нужно.
3. Наденьте термоусадочную трубку большого диаметра на витую пару
Наденьте термоусадочную трубку большого диаметра на конец проводов витой пары.Убедитесь, что термоусадочная трубка находится на достаточном расстоянии от луженых концов, чтобы нагреть от пайки не приводит к преждевременной усадке трубки. Вы решаете, как далеко “достаточно далеко”.
Этот шаг можно отложить до самого конца, потому что термоусадка может
скользить по всей длине выводов витой пары.
Однако это
Хорошая идея – выработать привычку заранее планировать работу с термоусадочными трубками. Рано
или позже вы закончите сложную пайку и обнаружите, что
термоусадочную трубку нельзя надевать на проводники, потому что нет свободных
конец.Например, при сращивании проводов в жгуты свободный конец отсутствует.
4. Припаяйте первый вывод термистора.
Наденьте прозрачную трубку на один из выводов термистора. Пластиковая трубка небольшого диаметра необходима только для одного выводов термистора. Неважно, какой именно.
Используйте зажим из кожи аллигатора в качестве радиатора. Осторожно зажмите конец борта проводов термистора в пасти аллигатора. зажим для обеспечения теплоотвода во время пайки. Радиатор поможет предотвратить перегрев борта термистора.
Отрегулируйте тиски, удерживающие удлинительный провод, и тиски, удерживающие термистор.
щупать так, чтобы одна нога была параллельна и касалась (или почти касалась) каждой
Другие. После регулировки тисков вручную отрегулируйте удлинительный провод.
(при необходимости слегка согнув) так, чтобы удлинительный провод и ножка термистора
трогательны. Спаяйте эти провода вместе.
Обратите внимание, что на следующей фотографии паять зажим радиатора, не обычный аллигатор клип используется. (Альтернативные продукты здесь, а также здесь.) Радиатор имеет плоские губки, что облегчает захват провод, не переставляя его. За исключением чуть менее удобного захвата действия, зажим из крокодиловой кожи работает так же хорошо, как и специализированная пайка. радиатор для этого приложения.
После того, как соединение припаяно, проверьте непрерывность от конца только что припаянной к оставшемуся выводу термистора.
5. Наденьте термоусадочную пленку на второй провод витой пары.
Этот шаг необходимо выполнить перед пайкой другой пары. выводных проводов.
Наденьте термоусадочную трубку малого диаметра на (оставшуюся)
распаянный вывод удлинительного провода. Убедитесь, что тепло
термоусадочная трубка находится достаточно далеко от зоны воздействия тепла от
пайка.
Вам, мужчине, нужно раскрутить подводящие провода, чтобы получить достаточно
расстояние между паяным соединением и безопасным временным местом для
термоусадка.
6. Припаяйте второй вывод термистора.
Переставьте зажим «крокодил», если он был перемещен. Осторожно зажмите конец борта проводов термистора в пасти аллигатора. зажим для обеспечения теплоотвода во время пайки.Радиатор поможет предотвратить перегрев борта термистора.
Припаиваем оставшийся (непаянный) конец витой пары к свободному (распаянный) вывод термистора.
После того, как соединение припаяно, проверьте непрерывность с двух концов удлинительный провод.
7. Усадите термоусадочную пленку по второму проводу витой пары.
Сдвиньте термоусадочную трубку малого диаметра вниз, чтобы закрыть второй припой.
соединение. Эта термоусадочная трубка предназначена для изоляции двух выводов,
не изолировать второй вывод от окружающей среды.Убедитесь, что
термоусадочная трубка закрывает новейшие (вторые) пайки и что он обеспечивает электрическую изоляцию от противоположного провода.![]()
Установив термоусадочную трубку в правильное положение, используйте тепловой пистолет для усадите трубку.
Примечание: Тепловая пушка может достаточно повысить температуру припоя. чтобы ослабить и, возможно, распаять только что имеющиеся стыки. сделал. Если это произойдет, вы можете использовать тепловую пушку, чтобы расплавить припаяйте и снова соедините детали – может потребоваться дополнительная пара рук. полезно в этой операции.
8. Усадите термоусадочную пленку на зонд.
Удерживая полиэтиленовую трубку плотно прижатой к краю буртика термистора , сдвиньте термоусадочную трубку большого диаметра вниз, чтобы закрыть два паяных соединения. Сокращаться трубку с тепловым пистолетом.
Раньше:
После нагрева:
После завершения сборки проверьте целостность одного плеча проводов. к другой ноге.
9. Окуните зонд в горячий клей или лак или опрыскайте лаком
Чтобы зонд был водонепроницаемым, окуните его в банку с расплавленным горячим клеем.
на верстаке возле раковины.Осторожно держите зонд над банкой.
расплавленного горячего клея до тех пор, пока не стечет лишний клей, а оставшийся
клей застывает (около минуты).
После погружения в горячий клей:
Как показано на предыдущем изображении, горячий клей образует толстый слой поверх термисторный зонд. Количество клея, показанное на изображении, не должно быть проблема. Это только замедлит время отклика зонда.
Чтобы нанести более тонкий слой клея на зонд, вы можете удалить излишки клея, осторожно нагревая его с помощью теплового пистолета.Это приведет к тому, что излишки клея потекут в большую капающие капли, которые можно удалить палкой или плоской отверткой.
После повторного плавления и удаления излишков горячего клея:
Альтернативные методы инкапсуляции обсуждаются на отдельная страница наряду с другими проблемами компромиссов в дизайне.
Сделайте датчик температуры Arduino (руководство по термисторам)
ТЕРМИСТОР РАБОТАЕТТермисторы – это переменные резисторы, которые изменяют свое сопротивление в зависимости от температуры.Они классифицируются по тому, как их сопротивление реагирует на изменения температуры. В термисторах с отрицательным температурным коэффициентом (NTC) сопротивление уменьшается с повышением температуры. В термисторах с положительным температурным коэффициентом (PTC) сопротивление увеличивается с повышением температуры.
ТермисторыNTC являются наиболее распространенными, и именно этот тип мы будем использовать в этом руководстве. Термисторы NTC изготовлены из полупроводникового материала (такого как оксид металла или керамика), который нагревается и сжимается для образования термочувствительного проводящего материала.
Проводящий материал содержит носителей заряда , которые пропускают ток через него. Высокие температуры заставляют полупроводниковый материал выделять больше носителей заряда. В термисторах NTC, изготовленных из оксида железа, электроны являются носителями заряда. В термисторах NTC из оксида никеля носителями заряда являются электронные дырки.
Давайте создадим простую схему термистора, чтобы посмотреть, как она работает, чтобы потом применить ее в других проектах.
Поскольку термистор представляет собой переменный резистор, нам необходимо измерить сопротивление, прежде чем мы сможем рассчитать температуру.Однако Arduino не может измерять сопротивление напрямую, он может измерять только напряжение.
Arduino будет измерять напряжение в точке между термистором и известным резистором. Это известно как делитель напряжения. Уравнение для делителя напряжения:
В терминах делителя напряжения в цепи термистора переменные в приведенном выше уравнении следующие:
Это уравнение можно перестроить и упростить, чтобы найти R2, сопротивление термистора:
Наконец, уравнение Стейнхарта-Харта используется для преобразования сопротивления термистора в показания температуры.
Сопротивление резистора должно быть примерно равно сопротивлению термистора. В этом случае сопротивление моего термистора составляет 100 кОм, поэтому мой резистор также составляет 100 кОм.
Производитель термистора может сказать вам, что это сопротивление, но если нет, вы можете использовать мультиметр, чтобы узнать. Если у вас нет мультиметра, вы можете сделать омметр с вашим Arduino, следуя нашему руководству по Arduino Ohm Meter. Вам нужно только знать величину вашего термистора.Например, если сопротивление вашего термистора составляет 34 000 Ом, это термистор 10 кОм. Если это 340 000 Ом, это термометр на 100 кОм.
Использование термистора NTC в качестве ограничителя перенапряжения
Термистор с отрицательным температурным коэффициентом (NTC) – это устройство, которое подавляет выброс тока при включении путем сопротивления току за счет временного повышения температуры тела. Это повышение температуры происходит из-за внезапного броска тока включения, который, в свою очередь, способствует повышению температуры NTC и увеличению значения его сопротивления.
Когда ток снижается, температура устройства также снижается, и его сопротивление току возвращается к приемлемому значению, так что нагрузка может нормально работать.
В этом посте мы узнаем, как использовать термисторы NTC в схемах для подавления импульсных токов при включении питания. Мы также изучаем техническое описание и электрические характеристики NTC.
Сегодня электроника становится все более компактной и легкой, в основном это связано с использованием компактных преобразователей, которые полностью устранили старые трансформаторы с сердечником из железа.
Однако за это пришлось заплатить, эти устройства стали слишком уязвимы для включения скачков напряжения.
Но у электроники всегда есть подходящие ответы, какие бы проблемы ни были. Термисторы NTC были созданы именно для решения этой проблемы, то есть пусковых импульсных токов при включении питания.
Что такое NTC
Термистор с отрицательным температурным коэффициентом (NTC) – это полупроводник, содержащий оксиды металлов. Он показывает электрическое сопротивление, которое очень предсказуемо меняется с теплом.
Сопротивление существенно отличается от нагрева, намного больше по сравнению с обычными резисторами
.
Они невероятно чувствительны к изменению температуры, очень точны и взаимозаменяемы.
Они обладают широким температурным диапазоном, что позволяет герметично упаковывать их и использовать во влажных условиях.
Основные характеристики:
* Долговечность, превосходная стабильность
* Компактность, надежность, высокая стойкость к импульсным токам
* Быстрое время реакции на импульсный ток
* Широкий рабочий диапазон
* Значимая константа элемента (значение B), минимальное сопротивление покоя .
Как работает NTC
NTC обладает особым свойством, благодаря которому он может значительно повышать свое сопротивление при включении питания.
При использовании в электронных схемах это свойство помогает блокировать начальные импульсные токи в подключенной цепи.
Однако в процессе NTC становится относительно теплее, что снижает его сопротивление до более низких уровней, так что нормализованная безопасная мощность впоследствии может передаваться в соседние цепи.
Практическое применение:
Термисторы обычно используются как
* Ограничители пускового тока
* В качестве датчиков температуры
* В виде самовозвратных устройств защиты от перегрузки по току
* В саморегулирующихся нагревательных элементах
* Преобразователи мощности, импульсный режим питания источник питания SMPS, защита источника бесперебойного питания
* Энергоэффективные фонари, электронные балласты и дроссели,
* Многие уязвимые электронные схемы, цепи питания и т. д.
На следующем изображении показан пример компонента NTC:
Определение термистора NTC по его печатной метке :
Прежде чем научиться пользоваться термистором NTC, пользователи должны сначала прочитать этикетку и номинал устройства.Первая цифра «5» указывает сопротивление детали в нормальных условиях. Здесь указано 5 Ом.
Следующий алфавит и цифра указывают диаметр конкретной детали, здесь это 11 мм.
Как подключить термистор NTC в практических электронных схемах
Обычно в электронной схеме NTC подключается последовательно к одному из входов сети.
В качестве альтернативы можно также использовать NTC, подключив устройство после мостового выпрямителя, как показано в следующих примерах компактных бестрансформаторных схем 1-ваттного светодиодного драйвера с управлением от импульсных помех.
Конденсаторы с фильтром и NTC
Основная проблема, связанная с скачками тока в импульсных источниках питания, является результатом использования конденсаторов фильтра большой емкости, используемых для фильтрации пульсаций выпрямленного тока 60 Гц перед прерыванием на высокой частоте. На рисунке ниже показана схема, обычно встречающаяся в импульсных источниках питания.
На этой схеме наибольший ток при включении питания равен пиковому линейному напряжению, деленному на номинал резистора R.
Для источника питания от сети 120 В переменного тока это может быть примерно 120 x √2 / R.В лучшем из возможных сценариев, как раз при включении питания, значение резистора R должно быть намного больше, и вскоре после того, как питание от сети перейдет в нормальное состояние, значение R должно упасть до нуля.
Термистор NTC разработан для работы именно таким образом и поэтому лучше всего подходит для большинства применений источников питания. Задача NTC – ограничить начальный импульсный ток при включении, работая как силовой резистор, который падает от холодного резистора большого номинала до теплого резистора низкого номинала, причем тепло создается нормальным током, протекающим через него.
Рекомендации по NTC
Некоторые аспекты, которые необходимо учитывать при использовании термистора NTC в качестве ограничителя пускового тока:
- Максимально допустимый импульсный ток при включении питания
- Определение размера термистора, эквивалентного для конденсаторы фильтра
- Максимальное значение тока во время его стабильного состояния и нормальной непрерывной работы
- Максимально возможная температура окружающей среды вокруг термистора
- Максимальный ожидаемый срок службы источника питания
Максимальный импульсный ток
Основная цель ограничения пускового тока ток всегда нужен для защиты электронных компонентов, которые подключены последовательно с входной линией преобразователя постоянного тока в постоянный.Как правило, защита от бросков тока предотвращает раздражающее срабатывание предохранителей или отключение автоматических выключателей, а иногда и сгорание или предохранение контактов переключателя.
Поскольку большинство элементов термистора имеют чрезвычайно сильное сопротивление при любой заданной температуре, наименьшее сопротивление холостого хода термистора вычисляется путем деления пикового входного напряжения на максимально допустимый импульсный ток в источнике питания
Нормальное сопротивление NTC = В пик / I макс скачок
Выброс тока при включении
Как только входной переменный ток SMPS включается, все связанные конденсаторы фильтра внутри SMPS действуют как временные точки мгновенного короткого замыкания, которые сохраняют заряд, эквивалентный 1 / 2CV 2 .
Этот внезапный и мгновенный большой бросок тока из-за конденсаторов, хранящих заряд, должен пройти через NTC. Из-за этого температура NTC быстро повышается в течение этого периода, и в результате его сопротивление падает, что гарантирует, что впоследствии, когда конденсаторы заряжены, NTC перестанет ограничивать любой дальнейший ток и позволит току нормально достичь нагрузки.
Общее время, необходимое конденсаторам для оптимальной зарядки, зависит от напряжения.
Величина скачка тока или скачка напряжения, которую NTC сможет выдержать, в основном зависит от «массы» NTC.
Вышеприведенное логическое представление может быть оправдано следующим выражением и формулой:
Входная энергия = накопленная энергия + рассеиваемая энергия
P dt = H dT + (T – TA) dt
где:
- P = количество мощности, развиваемой внутри NTC, t = время
- H = способность термистора нагреваться
- T = температура корпуса термистора или постоянная рассеяния
- T A = температура окружающей среды
В кратковременный момент зарядки конденсаторов (обычно ниже 0.1 секунду), NTC практически не рассеивает мощность.
Почти вся входная энергия регулируется как тепло внутри корпуса термистора.
В стандартных таблицах ограничителей пускового тока вы можете найти рекомендуемое значение максимальной емкости при 120 В и 240 В. Этот номинал на самом деле не предназначен для определения общей емкости термисторов; скорее, это указывает на практическую ценность, сверх которой может иметь место некоторое уменьшение срока службы ограничительного устройства.
Максимальный установившийся ток
Максимальный установившийся ток термистора в основном определяется практическим сроком службы блока питания, для которого термистор используется и выбирается для защиты. В установившейся ситуации баланс мощности в дифференциальном уравнении, объясненном ранее, сводится к приведенной ниже формуле теплового баланса:
Мощность = I 2 R = (T – TA)
Чем выше и выше ток проходит через ограничитель, его установившаяся рабочая температура увеличивается, а сопротивление уменьшается.Максимальный номинальный ток соответствует максимально допустимой температуре.
В стандартных таблицах ограничителей пускового тока вы найдете список значений сопротивления в зависимости от нагрузки для каждого устройства, а также рекомендуемый оптимальный установившийся ток.
Эти характеристики зависят от стандартного теплоотвода печатной платы без учета вентиляции при температуре окружающей среды 77 ° (25 ° C).
Вместе с тем, большинство источников питания включают в себя приемлемый воздушный поток, что означает дальнейшее увеличение запаса прочности в дополнение к тому, что фактически включено в максимальный номинальный ток.
Чтобы снизить максимальный рабочий ток в установившемся режиме при повышенных температурах окружающей среды, вы можете использовать приведенное ниже уравнение:
I с пониженными характеристиками = √ (1,1425–0,0057 x T A ) x I макс при 77 ° F (25 ° C)
Amazon.com: 10 шт. Термисторный датчик температуры NTC MF52-103 3435 10 кОм 5% Сделай сам Новинка: Industrial & Scientific
В настоящее время недоступен.
Мы не знаем, когда и появится ли этот товар в наличии.
- Убедитесь, что это подходит введя номер вашей модели.
- 10 шт. Термистор датчик температуры NTC MF52-103 3435 10 кОм 5% DIY Новый
- Сопротивление: 10 кОм Допуск сопротивления: +/- 5%
- Константа B: 3435K B Постоянный допуск: +/- 1% B Константа Класс: B25 / 50
- Диапазон температур: от -30 до +125 градусов C Тип термистора: NTC Термистор
NTC – Информация о термисторе
Входящая проверка
Все сырье после поступления проверяется на соответствие его физическим и электрическим характеристикам.Присваивается уникальный ID #, который используется для отслеживания партии.
Смесь сырьевых материалов
Производство термисторов NTC начинается с точного смешивания сырья в растворе органического связующего. Это сырье представляет собой порошковые оксиды переходных металлов, таких как оксиды марганца, никеля, кобальта и меди. В смесь также добавляются другие стабилизаторы. Оксиды и связующие объединяются с использованием мокрой технологии, называемой шаровой мельницей. В процессе шаровой мельницы материалы смешиваются, и размер частиц оксидных порошков уменьшается.Готовая однородная смесь имеет консистенцию густой кашицы. Точный состав различных оксидов металлов и стабилизаторов определяет термостойкость и удельное сопротивление обожженной керамической детали.
Лента литая
«Суспензия» распределяется по движущемуся пластиковому несущему листу с помощью ракельного ножа. Точная толщина материала контролируется регулировкой высоты ракельного ножа над пластиковым несущим листом, скоростью несущего листа и регулировкой вязкости суспензии.Литой материал сушится, когда он проходит через длинную туннельную печь при повышенных температурах на плоской литейной ленте. Полученная «зеленая» лента пластична и легко поддается формованию. Затем лента подвергается проверке качества и анализу. Эта термисторная лента отливается в широком диапазоне толщин от 0,001 дюйма до более 0,100 дюйма в зависимости от спецификации конкретного компонента.
Формирование пластины
Литая лента готова к формованию вафель. Когда нужен тонкий материал, ленту просто разрезают на небольшие квадраты.Для более толстых пластин ленту разрезают на квадраты, которые затем накладываются друг на друга. Эти уложенные друг на друга пластины затем ламинируются вместе. Это позволяет нам изготавливать пластины практически любой необходимой толщины. Затем вафли проходят дополнительную проверку качества, чтобы гарантировать высокую однородность и качество. Затем пластины подвергаются циклу выгорания связующего. Этот процесс удаляет с пластины большую часть органических связующих. Во время цикла выгорания связующего поддерживается точный контроль времени / температуры, чтобы предотвратить неблагоприятные физические нагрузки на пластины термистора.
Агломерат
Пластины нагреваются до очень высоких температур в окислительной атмосфере. При таких высоких температурах оксиды реагируют друг с другом и плавятся вместе, образуя шпинельную керамическую матрицу. В процессе спекания материал уплотняется до заданной степени, и границам зерен керамики дают возможность расти. Во время процесса спекания поддерживается точный температурный профиль, чтобы избежать разрушения пластин и обеспечить производство готовой керамики, способной изготавливать компоненты с однородными электрическими характеристиками.После спекания пластины снова подвергаются контролю качества и документируются электрические и физические характеристики.
Электрод
Омический контакт с керамической пластиной достигается с помощью толстопленочного электродного материала. Материал обычно представляет собой серебро, палладий-серебро, золото или платину в зависимости от области применения. Электродный материал состоит из смеси металла, стекла и различных растворителей и наносится на две противоположные поверхности пластины или чипа трафаретной печатью, распылением или кистью.Электродный материал обжигают керамику в толстопленочной ленточной печи, и между керамикой и электродом образуется электрическое соединение и механическое соединение. Затем металлизированные пластины проверяются и атрибуты документируются. Точный контроль во время процесса электрода гарантирует, что компоненты, изготовленные из пластин, будут иметь исключительную долгосрочную надежность.
Кости
Пластины с электродными термисторами нарезаются на мелкие кусочки с помощью высокоскоростной пилы для резки полупроводников.Пилы используют алмазные диски и способны производить большое количество чрезвычайно однородных штампов. Результирующие термисторные чипы могут иметь размер от 0,010 дюйма до более 1000 квадратных дюймов. Различия в размерах чипов в группе термисторных чипов, нарезанных кубиками, практически неизмеримы. Типичная пластина термистора может дать тысячи микросхем термистора. После нарезки стружка очищается и проверяется на предмет габаритных и электрических характеристик. Электрический контроль включает в себя проверку номинального значения сопротивления, характеристик сопротивления и температуры, выхода продукции и определение приемлемости партии для конкретного применения.Сопротивление и термостойкость измеряются с помощью прецизионных термостатов с точностью до 0,001 ° Цельсия. Все испытательное оборудование U.S. Sensor Corp.®, приобретенное Littelfuse в 2017 году, регулярно калибруется и отслеживается N.I.S.T. Кроме того, Littelfuse поддерживает основные стандарты температуры и сопротивления.
Тест на сопротивление
Все термисторы проходят испытания на надлежащее значение сопротивления, обычно 25 ° C. Чипы обычно тестируются автоматически, но также могут быть проверены вручную в зависимости от произведенного количества и спецификации.Автоматические устройства для обработки микросхем сопрягаются с оборудованием для проверки сопротивления и компьютерами, которые программируются оператором на размещение микросхем в различные ячейки в зависимости от их значения сопротивления. Каждый автоматический стружколом способен с исключительной точностью проверять до 9000 деталей в час. В дополнение к сортировщикам стружки, Littelfuse имеет несколько автоматических манипуляторов с выводами компонентов, которые могут сортировать готовые термисторы на одиннадцать ящиков. Автоматические сортировщики позволяют повысить качество продукции, а также сократить время выполнения заказа и снизить затраты.
Присоединение для вывода
В некоторых случаях термисторы продаются в виде микросхем и не требуют выводных проводов, однако в большинстве случаев требуются выводные провода. Чипы термисторов прикрепляются к выводным проводам пайкой или прижимным контактом в корпусе диодного типа. В процессе пайки микросхемы термисторов загружаются на выводные рамки, которые зависят от натяжения пружин проводов, удерживающих микросхему во время процесса пайки. Затем сборку погружают в ванну с расплавленным припоем и снимают.Скорость погружения и время выдержки точно контролируются, чтобы избежать чрезмерного теплового удара термистора. Также используются специальные флюсы для улучшения характеристик пайки без повреждения микросхемы термистора. Припой прилипает к электроду микросхемы и к подводящему проводу, тем самым обеспечивая прочное соединение провода с микросхемой. Для термисторов в корпусе диодного типа “DO-35” микросхема термистора удерживается между двумя выводами по оси. Стеклянная оболочка помещается вокруг сборки, и сборка нагревается до повышенной температуры, при этом стеклянная оболочка плавится вокруг микросхемы термистора и уплотняется с выводами.Как и в конструкции диода, давление, которое стекло оказывает на узел, обеспечивает необходимый контакт между выводами и микросхемой термистора.
Подводящие провода, используемые в термисторах, обычно сделаны из меди, никеля или сплава и обычно покрыты оловом или припоем. Материал свинцовой проволоки из сплава с низкой теплопроводностью может использоваться в определенных случаях, когда требуется, чтобы термистор был термически изолирован от свинцовой проволоки. В большинстве случаев это позволяет термистору быстрее реагировать на изменения температуры.После присоединения проверяется соединение между выводным проводом и микросхемой. Прочный интерфейс для пайки помогает гарантировать долгосрочную надежность готового термистора.
Инкапсуляция
Чтобы защитить термистор от рабочей атмосферы, влажности, химического воздействия и контактной коррозии, термистор с выводами часто покрывается защитным конформным покрытием. Герметик обычно представляет собой эпоксидную смолу с высокой теплопроводностью. Другие герметики включают силикон, керамический цемент, лак, уретан и термоусадочные муфты.Герметик также способствует обеспечению хорошей механической целостности устройства. Температурный отклик термистора учитывается при выборе герметизирующего материала. В приложениях, где важна быстрая тепловая реакция, используется тонкий слой герметика с высокой теплопроводностью. Если защита окружающей среды более важна, можно выбрать другой герметик. Герметизирующие вещества, такие как эпоксидная смола, силикон, керамический цемент, лак и уретан, обычно наносят методом окунания, и материалу дают отверждаться при комнатной температуре или помещают в печь при повышенной температуре.На протяжении всего процесса используются точное время, температура и контроль вязкости, чтобы не допустить появления точечных отверстий или других деформаций.
Прекращение действия
Термисторычасто поставляются с клеммами, прикрепленными к концам их выводных проводов. Перед установкой клемм изоляция на подводящих проводах соответствующим образом зачищается, чтобы соответствовать указанной клемме. Эти клеммы прикрепляются к выводным проводам с помощью специально оборудованных аппликационных машин.Впоследствии клеммы могут быть вставлены в пластиковые или металлические корпуса перед отправкой заказчику.
Зонд в сборе
Для защиты окружающей среды или для механических целей термисторы часто залиты в корпусы датчиков. Эти корпуса могут быть изготовлены из материалов, включая эпоксидную смолу, винил, нержавеющую сталь, алюминий, латунь и пластик. Помимо обеспечения подходящего механического крепления для элемента термистора, корпус защищает его от окружающей среды, которой он будет подвергаться.Правильный выбор свинцового провода, изоляционного материала свинцового провода и материала заливки приведет к удовлетворительному уплотнению между термистором и внешней средой.
Маркировка
Готовый термистор можно маркировать для облегчения идентификации. Это может быть как простая цветная точка, так и более сложная, например код даты и номер детали. В некоторых случаях в материал покрытия корпуса термистора может быть добавлен краситель для получения заданного цвета. Цветная точка обычно добавляется к корпусу термистора путем погружения.Маркировка, требующая буквенно-цифровых символов, производится на маркировочной машине. Эта машина просто маркирует деталь стойкими чернилами. Чернила застывают при повышенной температуре.
Заключительная проверка
Все выполненные заказы проверяются на предмет физических и электрических дефектов по принципу «нулевого дефекта». Все параметры проверяются и документируются перед отгрузкой продукта.
Упаковка и отгрузка
Все термисторы и узлы тщательно упакованы и помечены этикеткой со штрих-кодом, содержащей, как минимум, следующую информацию:
- Littelfuse Каталожный номер
- Каталожный номер заказчика
- Номер заказа Заказчика на поставку
- Дата отгрузки
- Кол. Акций
- Номер заказа на продажу Littelfuse
Переключатель датчика холода с термистором NTC
В этом уроке мы создаем проект выключателя датчика холода.Эта схема очень чувствительна и может легко использоваться для определения холода или низкой температуры, она может активировать любое устройство, подключенное к реле, на желаемую холод / низкую температуру. Измерение температуры осуществляется термистором NTC. Термистор – это устройство, сопротивление которого зависит от температуры.
При повышении температуры его сопротивление уменьшается, а при низких температурах сопротивление увеличивается.
Компоненты оборудования
| С.№ | Компонент | Значение | Количество | |
| 1 | Входное питание DC | 9-12 В | 1 | |
| 2 | Термистор | NTC42 1006 904 904 904 904 904 904 904 904 904 904 904 904 Резистор | 1 кОм, 10 кОм | 2 |
| 4 | Транзистор | 2N4401 | 2 | |
| 5 | Реле | 9-126 | 9042 9042 904 904 904 904 904 904 904 904 904 904 904 904 9041 |
Рабочее объяснение
Рабочее напряжение этой цепи составляет от 9 до 12 вольт.Термистор 100K используется для измерения температуры, а два транзистора 2N4401 NPN используются в качестве переключателей в этой схеме. Первоначально при высокой температуре сопротивление термистора будет минимальным, и он будет держать цепь отключенной. Когда температура низкая, сопротивление термистора увеличивается, и он активирует транзистор. Транзистор Q1 теперь выдает 0,7 В на базу транзистора Q2, который включает и активирует реле.
Переменный резистор 10 кОм или потенциометр используется для регулировки цепи, чтобы активировать реле при желаемой низкой температуре.Реле, используемое в схеме, должно иметь то же значение, что и входное напряжение.
Приложения и способы использования
Так как у нас есть релейный переключатель на выходе этой схемы, вы можете подключить любую нагрузку, например вентилятор и т. Д., Для работы на желаемой температуре.
DIY KIT 61- Набор для сборки цифровых часов с термистором и фоторезистором
Это еще один набор для сборки цифровых часов для начинающих электронщиков. Ранее я публиковал несколько постов, связанных с цифровыми часами.Этот комплект ничем не отличается от этих комплектов, он также отображает время и дополнительные функции, а также дисплей температуры и сигнал тревоги. Он также имеет фоторезистор, который делает его чувствительным к окружающему свету, часы автоматически будут ярче днем, чем ночью. Размер дисплея 0,8 дюйма. Благодаря прозрачному корпусу компоненты могут быть надежно защищены, а часы выглядят стильно. Это идеальный комплект для энтузиастов электроники DIY, школьных уроков и т. Д.
В комплекте есть небольшой батарейный отсек для сохранения времени, установленного микросхемой DS1302.Микросхема постоянного заряда DS1302 содержит часы / календарь реального времени и 31 байт статической ОЗУ. Он связывается с микропроцессором через простой последовательный интерфейс. Часы / календарь реального времени предоставляют информацию о секундах, минутах, часах, дне, дате, месяце и году. Дата конца месяца автоматически корректируется для месяцев, содержащих менее 31 дня, включая поправки на високосный год. Часы работают в 24-часовом или 12-часовом формате с индикатором AM / PM.
Комплект работает от блока питания 5В.Для включения комплекта используйте простое зарядное устройство для телефона на 5 В. Набор бывает разных цветов. Тот, который я купил, был зеленого цвета. В комплекте идет схема и описание схемы. Лучшая часть этого набора заключается в том, что он также поставляется с акриловым корпусом, который в конечном итоге придает комплекту профессиональный вид.
Технические характеристики:
Цвет: белый
Дисплей: 4-значный светодиод
Источник питания: 3 В CR1220 Батарея (не входит в комплект)
Рабочее напряжение: 5 В постоянного тока
Рабочий ток: 40 мА
Размер часов: 7 * 2.5 * 1,2 см / 2,76 * 0,98 * 0,47 дюйма
Размер платы IC: 7,2 * 2,7 см / 2,84 * 1,06 дюйма
Вес комплекта: 82 г / 2,9 унции
Размер упаковки: 12 * 8,5 * 3,5 см / 4,72 * 3,35 * 1,38 дюйма
Вес упаковки: 85,5 г / 3,01 унции
Посмотрите следующие изображения для сборки.


Эскиз показан на рис.3.
Слой герметика около 1см.
Часто их называют «Термисторы».
На рисунке 1, а показана схема измерения температуры при помощи диода VD. Источником питания может служить батарейка./272e67339e0cf4a.ru.s.siteapi.org/img/9d8d804c247e15298f10917c035c3e62cb894ee8.jpg)
Но и в быту они также нашли своё место. Для поддержания необходимого микроклимата в доме часто используются терморегуляторы для воды. Своими руками делают такие аппараты для сушки овощей или отопления инкубатора. Где угодно может найти своё место подобная система.
Он принимает электронные сигналы и реагирует в зависимости от своих функций, после чего передаёт сигнал на исполнительное устройство.
При этом термовыключатель имеет отличные эксплуатационные данные. А датчик может быть как встроенным, так и выносным.
На входе 4 микросхемы начинает повышаться напряжение и в результате превосходит напряжение на контакте 5. Вследствие этого компаратор входит в фазу отрицательного насыщения. На десятом выходе микросхемы напряжение становится приблизительно 0,7 Вольт, что является логическим нулём. В результате транзистор VT1 закрывается, а реле отключается и выключает исполнительный механизм.
Компаратор следит за рассогласованием цепи и реагирует на состояние моста, когда тот переходит точку баланса. Одновременно он же старается уравновесить мост с помощью терморезистора, изменяя его температуру. А термостабилизация может возникнуть лишь при определённом значении.
На компараторе потенциал инверсного входа плавно снижается, а на прямом – повышается. В какой-то момент ситуация меняется, и процесс происходит в обратную сторону. Таким образом, термоконтроллер своими руками будет включать или выключать исполнительный механизм в зависимости от сопротивления R8.
Если же это напряжение становится чуть меньше указанного порога, стабилитрон закрывается и отключает нагрузку.
С помощью резистора R1 производится настройка температуры срабатывания терморегулятора. Датчик температуры должен быть расположен в зоне измерения температуры: если это, например, электрокотел, то датчик должен быть закреплен на трубе, выходящей из котла. Включение симистора с помощью реле обеспечивает гальваническую развязку терморезистора от сети. Терморезистор берётся типа КМТ, ММТ, СТ1. Реле можно взять типа РЭС-55А с обмоткой на напряжение 10…12В. 

Все, что нужно – это найти хорошее казино и наслаждаться игрой.
В роли датчика может выступать термометр сопротивления или термопара, которые в своей конструкции имеют металл, реагирующий на изменение температуры и под её воздействием меняющий своё сопротивление.
Но они исполняют лишь дополнительную функцию.
Можно использовать и обычный, но с тонким жалом.
Номер детали Digikey Q2F018B-ND