▶▷▶▷ принципиальная схема автомобильного зарядного устройства аккумулятора
▶▷▶▷ принципиальная схема автомобильного зарядного устройства аккумулятора| Интерфейс | Русский/Английский |
| Тип лицензия | Free |
| Кол-во просмотров | 257 |
| Кол-во загрузок | 132 раз |
| Обновление: | 07-03-2019 |
принципиальная схема автомобильного зарядного устройства аккумулятора – Yahoo Search Results Yahoo Web Search Sign in Mail Go to Mail” data-nosubject=”[No Subject]” data-timestamp=’short’ Help Account Info Yahoo Home Settings Home News Mail Finance Tumblr Weather Sports Messenger Settings Want more to discover? Make Yahoo Your Home Page See breaking news more every time you open your browser Add it now No Thanks Yahoo Search query Web Images Video News Local Answers Shopping Recipes Sports Finance Dictionary More Anytime Past day Past week Past month Anytime Get beautiful photos on every new browser window Download Схема зарядного устройства для автомобильного аккумулятора obinstrumenteru/elektronika/sxema-zaryadnogo-ustrojstva Cached Схема импульсного зарядного устройства для автомобильного аккумулятора Все недостатки перечисленных выше решений, можно поменять на один – сложность сборки Зарядное устройство для автомобильного аккумулятора своими ktonaavtoru/remont-i-obsluzhivanie/elektrooborudovanie/ Cached Принципиальная схема на конденсаторах Наиболее интересной может оказаться конденсаторная схема самодельного зарядного устройства для автомобильного аккумулятора Принципиальная Схема Автомобильного Зарядного Устройства Аккумулятора – Image Results More Принципиальная Схема Автомобильного Зарядного Устройства Аккумулятора images Схемы простого зарядного устройства для автомобильного voditeliautoru/poleznaya-informaciya/avtoustrojstva/akb/ Cached Видео — пошаговая инструкция по изготовлению и схема простого зарядного устройства для автомобильного аккумулятора из компьютерного блока питания: Схема зарядного устройства для автомобильного аккумулятора 2shemiru/shema-zaryadnogo-ustrojstva-dlya-avto Cached Схема зарядного устройства для автомобильного аккумулятора (самодельная) Содержание 1 Схема самодельного автомобильного ЗУ Схемы зарядных устройств для аккумуляторов и батарей radiostoragenet/73-zaryadnye-ustrojstva Cached Приведена принципиальная схема зарядного устройства ,именно для аккумулятора , а не для сотового телефона, оно построено на микросхеме-стабилизаторе lm317 Устройства для зарядки и – dinistorinfo dinistorinfo/ustrojstva-elektricheskogo Cached Зарядные устройства для Зарядка аккумулятора асимметричным током (простая схема Схемы зарядных устройств для автомобильных АКБ: как сделать tokarguru/stanki-i-oborudovanie/shemy-zaryadnyh Cached Схема зарядки для экстренных случаев Бывают случаи, когда автомобиль, простоявший ночь возле дома, утром невозможно завести из-за разряженного аккумулятора Простые схема зарядного устройства автомобильного аккумулятора ktonaavtoru/remont-i-obsluzhivanie/elektrooborudovanie/ Cached В большинстве случаев принципиальная схема зарядного устройства самодельной конструкции будет относительно несложной Собрать такой аппарат удастся из подручных недорогих компонентов Схемы зарядных устройств для аккумуляторов – Зарядные serp1ru/схемы-зарядных Cached Тестер автомобильного аккумулятора Схема зарядного устройства для аккумулятора Зарядка аккумулятора схема и принцип действия fbru/article/242294/zaryadka-akkumulyatora-shema-i Cached Схема этого устройства сложна или нет, для того чтобы сделать устройство своими руками? Отличается ли принципиально зарядное устройство для автомобильного аккумулятора от того, что Promotional Results For You Free Download | Mozilla Firefox ® Web Browser wwwmozillaorg Download Firefox – the faster, smarter, easier way to browse the web and all of Yahoo 1 2 3 4 5 Next 28,000 results Settings Help Suggestions Privacy (Updated) Terms (Updated) Advertise About ads About this page Powered by Bing™
- а не для сотового телефона
- именно для аккумулятора
- оно построено на микросхеме-стабилизаторе lm317 Устройства для зарядки и – dinistorinfo dinistorinfo/ustrojstva-elektricheskogo Cached Зарядные устройства для Зарядка аккумулятора асимметричным током (простая схема Схемы зарядных устройств для автомобильных АКБ: как сделать tokarguru/stanki-i-oborudovanie/shemy-zaryadnyh Cached Схема зарядки для экстренных случаев Бывают случаи
принципиальная схема автомобильного зарядного устройства аккумулятора – Поиск в Google Специальные ссылки Перейти к основному контенту Справка по использованию специальных возможностей Оставить отзыв о специальных возможностях Нажмите здесь , если переадресация не будет выполнена в течение нескольких секунд Войти Удалить Пожаловаться на неприемлемые подсказки Режимы поиска Все Картинки Видео Новости Карты Ещё Покупки Книги Авиабилеты Финансы Настройки Настройки поиска Языки (Languages) Включить Безопасный поиск Расширенный поиск Ваши данные в Поиске История Поиск в справке Инструменты Результатов: примерно 664 000 (0,60 сек) Looking for results in English? Change to English Оставить русский Изменить язык Результаты поиска Все результаты Схема зарядного устройства для автомобильного аккумулятора obinstrumenteru//sxema-zaryadnogo-ustrojstva-dlya-avtomobilnogo-akkumulyator Сохраненная копия Простая принципиальная электрическая схема зарядного устройства для автомобиля состоит из трех компонентов: блок питания, регулятор, индикатор Классика – резисторный · Гасящий конденсатор Картинки по запросу принципиальная схема автомобильного зарядного устройства аккумулятора “id”:”lpT3pK84Kt_l1M:”,”ml”:”600″:”bh”:90,”bw”:119,”oh”:293,”ou”:” “,”ow”:940,”pt”:”ydomainfo/photos/avtomobil/azu/zaryadnoe-ustrojst”,”rh”:”ydomainfo”,”rid”:”GidxDYYNEm3-SM”,”rt”:0,”ru”:” “,”sc”:1,”st”:”Я сам дома мастер”,”th”:90,”tu”:” \u003dtbn:ANd9GcRWRTfHd5DHv4eS_mt59ZM-d-aF6zzSxE6tJZXap7sn1uAm9aYy7JZoAFc8″,”tw”:289 “ct”:3,”id”:”2GoljbapkY3bwM:”,”ml”:”600″:”bh”:90,”bw”:119,”oh”:409,”ou”:” “,”ow”:845,”pt”:”ad-cdnet/1861d92s-960jpg”,”rh”:”drive2ru”,”rid”:”E603CAwcdzNeiM”,”rt”:0,”ru”:” “,”sc”:1,”st”:”Drive2″,”th”:90,”tu”:” \u003dtbn:ANd9GcRPTDHzI8wLUGIiuNfY5xMiv5rduTtzZvreQXYxqBWIA0zQD5XckqaNhoxm”,”tw”:186 “id”:”wg0BxZZxgnvWwM:”,”ml”:”600″:”bh”:90,”bw”:119,”oh”:441,”ou”:” “,”ow”:710,”pt”:”ydomainfo/photos/avtomobil/azu/zaryadnoe-ustrojst”,”rh”:”ydomainfo”,”rid”:”GidxDYYNEm3-SM”,”rt”:0,”ru”:” “,”sc”:1,”st”:”Я сам дома мастер”,”th”:90,”tu”:” \u003dtbn:ANd9GcTWg0glMGUCpGnvSYSbjGRVUjbpj2OhWqFvniydZQDWHA2-nU5CMhuYuBvx”,”tw”:145 “cb”:6,”cl”:3,”cr”:3,”ct”:3,”id”:”qZW1LIMlz8tRVM:”,”ml”:”600″:”bh”:90,”bw”:112,”oh”:326,”ou”:” “,”ow”:770,”pt”:”obinstrumenteru/wp-content/uploads/2017/02/%D1%80″,”rh”:”obinstrumenteru”,”rid”:”vjSA5SaXL3I2NM”,”rt”:0,”ru”:” “,”sc”:1,”st”:”Твой помощник в выборе хорошего инструмента”,”th”:90,”tu”:” \u003dtbn:ANd9GcRt_qZI0dhoTIYdJCELkYJPKkDg3UNxyNbpFr-y7t1cuNme36qzdMBdhzw8″,”tw”:213 “cb”:9,”cl”:3,”cr”:3,”ct”:9,”id”:”811z-QLxXjvdbM:”,”ml”:”600″:”bh”:90,”bw”:115,”oh”:234,”ou”:” “,”ow”:513,”pt”:”radiolubru/uploads/2012pic/ZU11JPG”,”rh”:”radiolubru”,”rid”:”H-k2G3rPdAUmOM”,”rt”:0,”ru”:” “,”sc”:1,”st”:”Сайт для радиолюбителей”,”th”:90,”tu”:” \u003dtbn:ANd9GcQJYP0978m2FlEEBnklvNLrlcSL5JMcbOboqsRopMGlqbUUB2NgwH7MCgo0″,”tw”:197 Другие картинки по запросу “принципиальная схема автомобильного зарядного устройства аккумулятора” Жалоба отправлена Пожаловаться на картинки Благодарим за замечания Пожаловаться на другую картинку Пожаловаться на содержание картинки Отмена Пожаловаться Видео 3:27 ДЕЛАЕМ ПРОСТОЕ ЗАРЯДНОЕ УСТРОЙСТВО ДЛЯ АКБ с авто Радиолюбитель TV YouTube – 2 июн 2017 г 5:19 Простое зарядное устройство для Автомобильного аккумулятора AKA KASYAN YouTube – 11 дек 2016 г 11:48 №47 простое зарядное устройство ЗУ-2М АКБ схема (часть 1) Николай Тяни-Толкай YouTube – 13 сент 2017 г Все результаты Обзор схем зарядных устройств автомобильных аккумуляторов radiolubru/page/obzor-shem-zarjadnyh-ustrojstv-avtomobilnyh-akkumuljatorov Сохраненная копия Похожие 14 мар 2012 г – Классическая схема зарядного устройства для автомобильного аккумулятора состоит из понижающего трансформатора, выпрямителя Автомобильное зарядное устройство – схема и конструкция для Сохраненная копия Для зарядки автомобильного аккумулятора служат зарядные устройства Его можно Принципиальная схема автомобильного зарядного устройства Зарядное устройство для автомобильного аккумулятора своими voditeliautoru › Полезная информация › Автоустройства › АКБ Сохраненная копия Похожие Как самому сделать простое зарядное устройство для автомобильного аккумулятора , какие схемы и элементную базу можно для этого использовать Не найдено: принципиальная Простые схема зарядного устройства автомобильного аккумулятора ktonaavtoru/remont-i/shema-avtomobilnogo-zaryadnogo-ustrojstvahtml Сохраненная копия 24 дек 2017 г – В большинстве случаев принципиальная схема зарядного устройства самодельной конструкции будет относительно несложной Базовые полезные · Какой бывает схема · Простейшие схемы Принципиальные схемы зарядных устройств для автомобильных Сохраненная копия Похожие Зарядные устройства для автомобильных аккумуляторов Самодельное зарядное устройство для автомобильного › Советы автолюбителям Сохраненная копия И чем больше срок службы аккумулятора , тем чаще его нужно заряжать, чтобы Принципиальная схема зарядного устройства из телевизора имеет Схема зарядного устройства для автомобильного аккумулятора Сохраненная копия Процесс разрядки аккумулятора ; Про зарядные устройства для автомобиля; Какие схемы пользуются популярностью в интернете; Действующие схемы Схемы зарядных устройств для автомобильных аккумуляторов carsmotionru/ustrojstvo/skhemy-zaryadnyh-ustrojstv-dlya-akkumulyatorovhtml Сохраненная копия Похожие 26 дек 2016 г – Схемы зарядных устройств для автомобильных аккумуляторов Принципиальная схема импульсных зарядных устройств , довольно Схемы зарядных устройств для аккумуляторов и батарей radiostoragenet/73-zaryadnye-ustrojstva/ Сохраненная копия Принципиальная схема простой приставки к зарядному устройству для автомобильного аккумулятора Сейчас есть самые разные зарядные устройства схема автомобильного зарядного устройства – радиосхемы radioskotru › Схемы зарядных Сохраненная копия Похожие Схемы и радиоэлектроника: СХЕМА АВТОМОБИЛЬНОГО ЗАРЯДНОГО Зарядное устройство для автомобильных аккумуляторов в собранном виде КАК СДЕЛАТЬ – Простая схема зарядного устройства howmakeinua/avto-moto/prostaya-skhema-zaryadnogo-ustrojstvahtml Сохраненная копия Похожие Десульфатацию автомобильных аккумуляторов , а также зарядно- восстановительную тренировку автомобильных аккумуляторов можно производить схемы на самодельное зарядное устройство для автомобильного › Аккумуляторы Сохраненная копия 4 авг 2018 г – Разбор больше 11 схем для изготовления ЗУ своими руками в домашних условиях, новые схемы 2017 и 2018 года, как собрать принципиальную схему за час происходит разрядка автомобильного аккумулятора на дороге? Для подпитки АКБ потребуется хорошее зарядное устройство Принципиальная электрическая схема зарядного устройства для santavodru/printsipialnaya-elektricheskaya-shema-zaryadnogo-ustroystva-dlya-avtom Сохраненная копия 9 мар 2017 г – обзор Принципиальных электрических схем зарядных устройств для схемы зарядного устройства автомобильного аккумулятора Схема зарядного устройства для автомобильного – AutoOtru › Гаджеты для авто Сохраненная копия 6 авг 2018 г – Схема простого самодельного зарядного устройства для Как сделать зарядное устройство для автомобильного аккумулятора своими руками в электронная схема самостоятельно отрегулирует ток заряда в Зарядные устройства — Схема-авто — поделки для авто своими схема-авторф/category/зарядные-устройства Сохраненная копия Похожие 31 июл 2015 г – Зарядное устройство для автомобильных аккумуляторов найти ряд простых и доступных схем автомобильных зарядных устройств , 1 Полезные схемы для автолюбителей libqrzru/book/export/html/4791 Сохраненная копия Похожие Эта обмотка используется для питания схемы зарядного устройства Известно, что о степени заряженности автомобильного аккумулятора можно судить по его напряжению Принципиальная схема звукового индикатора Мощное импульсное зарядное устройство для автомобильного cxemnet › Электроника для авто Сохраненная копия Похожие 27 февр 2014 г – Схема мощного импульсного зарядного устройства для автомобильного аккумулятора Простое зарядное устройство — Сообщество «Кулибин Club» на Сохраненная копия Похожие Обычно подзарядка аккумулятора в транспортном средстве происходит во И здесь на помощь приходит зарядное устройство для автомобильного аккумулятора Принципиальная схема устройства показана на фото ниже Схема зарядного устройства для любых типов аккумуляторов › Электронные приборы автомобиля и схемы Сохраненная копия Лучшее зарядное устройство для любых типов аккумуляторов ( схема ) как маленьких пальчиковых, так и больших свинцовых автомобильных и других Не найдено: принципиальная Зарядные устройства – Radiopolyusru radiopolyusru/istochniki-pitaniya/36-zaryadnye-ustrojstva Сохраненная копия Похожие Зарядное устройство для пальчиковых аккумуляторов В статье описано зарядное устройство для автомобильных аккумуляторов , В статье приведены принципиальные схемы , рисунки монтажа деталей, печатной платы, Электрическая схема зарядного устройства для аккумулятора wwwem-grandru › УСТРОЙСТВО АВТО Сохраненная копия Похожие схем зарядного устройства для автомобильного аккумулятора По принципиальным характеристикам у схемы нет никаких сложностей, задающий Зарядное устройство для автомобильного аккумулятора своими avtomotoprofru/svoimi/kak-sdelat-zaryadnoe-ustroystvo-dlya-akkumulyatora/ Сохраненная копия Похожие Зарядные устройства , которыми производиться зарядка автомобильных АКБ Схема простого зарядного устройства , которое можно сделать самому Первым будет устройство, которое по принципиальной схеме очень сходно с Зарядное устройство для автомобильного аккумулятора «Кедр» akbinforu › Зарядка Сохраненная копия 23 мар 2017 г – Ниже можете посмотреть два варианта принципиальной схемы зарядного устройства для автомобильных аккумуляторов «Кедр-М» Импульсное зарядное устройство для автомобильного аккумулятора akbinforu › Зарядка Сохраненная копия 16 апр 2017 г – Пример импульсного зарядного устройства для автомобильного На рисунке ниже приведена принципиальная схема импульсного ЗУ Зарядное устройство Рассвет-2 Руководство mobilradioru › информация › инструкции Сохраненная копия Инструкция автомобильного зарядного устройства Рассвет-2 КМ-22800 000РЭ Разность плотностей электролита полностью заряженной батареи в каждом аккумуляторе не ПРИНЦИПИАЛЬНАЯ СХЕМА ЗУ РАССВЕТ-2 Очень простое зарядное устройство для АКБ | Весёлый Карандашик Сохраненная копия Рейтинг: 10/10 – 5 голосов 11 февр 2017 г – Принципиальная электрическая схема простого выпрямителя для зарядки АКБ Электрическую схему зарядного устройства для автомобильных схема простого зарядного устройства для аккумуляторов Зарядное устройство – РадиоДом – Сайт радиолюбителей radiohomeru/news/zarjadnoe_ustrojstvo/1-0-4 Сохраненная копия Похожие Зарядное устройство для аккумуляторов 12 вольт на тиристоре КУ202Е Зарядное Схемы зарядных устройств для автомобильных АКБ довольно Схема импульсного зарядного устройства для автомобильного wwwradioradarnet/radiofan/motorcar/car_battery_scheme_pulse_chargerhtml Сохраненная копия 20 дек 2017 г – Зарядное устройство для автомобильного аккумулятора – схема устройства, принцип работы и особенности сборки Восстановление и зарядка аккумулятора | radioelectronic в 2019 г Схема зарядного для шуруповерта, shema Принципиальная Схема , простое зарядное устройство для автомобильного аккумулятора своими руками Простое зарядное устройство для автомобильного аккумулятора Сохраненная копия Полностью автоматическое зарядное устройство для аккумуляторов Привет всем, Схема импульсного зарядного устройства для автомобильного аккумулятора Принципиальная схема автомобильного зарядного устройства Зарядные устройства – Радиосхемы радио схемы для shemuru/istocniki/zarydnoe/itemlist Сохраненная копия Схемы зарядных устройств для автомобильных аккумуляторов довольно На рис4 изображена принципиальная схема блока управления для МК в Схема зарядного устройства для автомобильного аккумулятора Сохраненная копия 12 нояб 2018 г – Схема зарядного устройства для автомобильного аккумулятора самодельное зарядное, принципиальная схема которого уже давно Зарядное устройство автоэлектрика » простая схема и пояснение Сохраненная копия самодельное зарядное устройство для автомобильного аккумулятора Эта электрическая принципиальная схема выделяется своей простотой и Автомобиль Аккумуляторы, зарядные устройства Схемы, статьи wwwdiagramcomua/list/1-1shtml Сохраненная копия Похожие Статьи по автомобильным аккумуляторам, зарядным устройствам; схемы автомобильных зарядных устройств ; описания автомобильных зарядных Зарядные устройства автомобильных аккумуляторов Схема wwwseomarkru/zariad2html Сохраненная копия Похожие Зарядные устройства автомобильных аккумуляторов (окончание) В первой части Принципиальная электрическая схема зарядного устройства Рис1 Зарядные устройства, аккумуляторы, батареи – Сборник Сохраненная копия Сборник принципиальных электрических схем зарядных устройств для аккумуляторов , статьи по электричеству Автоматическое импульсное зарядное устройство для full-chipnet › Электроника для автомобиля Сохраненная копия Похожие 14 нояб 2014 г – Можно изготовить зарядное устройство по классической схеме , зарядное устройство для автомобильного аккумулятора ( схема , Зарядное устройство для автомобильного аккумулятора – Texnicru wwwtexnicru/konstr/zaryd/z10html Сохраненная копия Похожие Зарядное устройство для автомобильного аккумулятора схема Существуют огромное число схем и конструкций, которые позволят нам зарядить Зарядное устройство для автомобильного аккумулятора radiostroiru/dliaavftohtml?start=22 Сохраненная копия Зарядка для автомобильного аккумулятора своими руками В зимнее Предлагаю вам для повторения принципиальную схему сирены, выполненной на Схема автомобильного зарядного устройства – Популярные protachkyru › Авто Сохраненная копия 9 июл 2018 г – Схемы зарядного устройства для авто АБ Схема зарядного устройства для автомобильного аккумулятора с Простая принципиальная электрическая схема зарядного устройства для автомобиля состоит из [PDF] Зарядное устройство для автомобильной аккумуляторной батареи Сохраненная копия автор: С Шишкин – Похожие статьи Принципиальная схема зарядного устройства для автомобильного аккумулятора сульфата свинца) Частично восста новить такие аккумуляторы можно Самодельное зарядное устройство для акб Схема зарядного wwwsdelai-samsu/prostoe_avtomaticheskoe_zaryadnoe_ustrojstvohtml Сохраненная копия Похожие Очень простая схема зарядного устройства , в котором используется только Описание схемы зарядного устройства автомобильного аккумулятора Зарядное устройство «Свитязь» своими руками — Меандр meandrorg/archives/18678 Сохраненная копия Похожие 6 мар 2014 г – Зарядное устройство “Свитязь” своими руками Устройство отлично подходит для зарядки аккумуляторов разного электрических сетей автомобилей , мотоциклов, фонарей и тд с Принципиальная схема Схемы самодельных зарядных устройств для автомобильного Сохраненная копия Рейтинг: 5 – 2 голоса Автомобильное зарядное устройство своими руками: простые схемы Принцип работы автомобильного аккумулятора автомобильных зарядных устройств , использующих разные элементные базы и принципиальный подход ПРОЕКТ ЛЭТИ libraryeltechru/files/vkr/bakalavri/2193/2016ВКР219329СУЧКОВPDF использованных источников Приложение А Схема электрическая принципиальная Существует несколько вариантов зарядки аккумулятора : На рис2 изображена структурная схема зарядного устройства , работающего режим 6 «12V» – заряд – грузовые автомобили – холодное время года/AGM (29 Эволюция импульсных зарядных устройств для автомобильного Сохраненная копия 31 авг 2010 г – Зарядка автомобильного аккумулятора при постоянном напряжении: Различных зарядных устройств на основе блока питания гуляет по Схема создавалась для того, чтобы наш котомобиль в морозы зимой Зарядные устройства » Автосхемы, схемы для авто, своими руками avtosxemacom/zaryadnye-ustroystva/ Сохраненная копия Похожие Схема предназначена для зарядки мощных кислотных аккумуляторов с простейшего зарядного устройства для автомобильных аккумуляторов можно Вместе с принципиальная схема автомобильного зарядного устройства аккумулятора часто ищут простая схема зарядного устройства для автомобильного аккумулятора схемы зарядных устройств для автомобильных аккумуляторов на тиристорах зарядное устройство для аккумулятора авто своими руками восстановление и зарядка аккумулятора схемы автоматическое зарядное устройство для автомобильного аккумулятора своими руками простое зарядное устройство для автомобильного аккумулятора самодельное зарядное устройство для автомобильного аккумулятора самодельное зарядное устройство для аккумулятора своими руками Навигация по страницам 1 2 3 4 Следующая Ссылки в нижнем колонтитуле Россия – Подробнее… Справка Отправить отзыв Конфиденциальность Условия Аккаунт Поиск Карты YouTube Play Новости Почта Контакты Диск Календарь Google+ Переводчик Фото Ещё Покупки Документы Blogger Hangouts Google Keep Jamboard Подборки Другие сервисы Google
▶▷▶▷ принципиальная электрическая схема зарядного устройства аида 11
▶▷▶▷ принципиальная электрическая схема зарядного устройства аида 11| Интерфейс | Русский/Английский |
| Тип лицензия | Free |
| Кол-во просмотров | 257 |
| Кол-во загрузок | 132 раз |
| Обновление: | 13-08-2019 |
принципиальная электрическая схема зарядного устройства аида 11 – Электронные схемы – rlocmanru wwwrlocmanrushem Cached 11 072019 Схемы Не так давно семейство операционных усилителей Linear Technology было расширено приборами с лучшим в отрасли соотношением скорости и напряжения питания Пуско-Зарядное Аида 20, Оторваны Провода forumcxemnetindexphp?topic84542-пуско Cached В принципе, есть драйвер, есть типовая схема включения, но, возможно,у кого-то есть и оригинальная схема электрическая принципиальная , для ускорения процессаС уважением, Сергей Схема зарядного устройства аида 5 5 Aida 5 rk3dxsruraznoesxema-zaryadnogo-ustrojstva Cached Электрическая схема зарядного устройства аида -5 В последнее время все чаще применяются блоки питания, работающие на энергии солнца Принципиальная схема 2 – YouTube wwwyoutubecom watch?vK-x5nGsBiBo Cached Принципиальная схема 2 хтактного крейцкопфного дизеля 11 :36 Ork TV-Life Схема работы двухтактного двигателя Зарядное днепр 3 схема – Все о диетах sitesgooglecom sitevseodietahhomepage221 Схема и группа соединения у zн 11 накатал файл на тему электрическая схема автомобильного зарядного устройства схема нужна схема аида 30 – monitorespecws monitorespecwssection8topic281844html Cached Прошу помощи срочно нужна электрическая схема пуско- зарядного устройства АИДА -30!!При запуске двигателя используя Аида -30,произошел пробой транзистора w12nk90z,транзистор заменен устройство не работает(красный Схема зарядного устройства для авто-аккумуляторов УЗ-02 wwwqrzruschemesdetailshema_zaradnogo Cached Принципиальная электрическая схема зарядного устройства для автомобильных аккумуляторов УЗ-02, нарисована от рукиОбсуждение схемы этого зарядного устройства на форум на Р Что-то не так? Пожалуйста, отключите Adblock 1-11-2017 circuits archive История запросов kazusruschematicsdiagramshistory2017 11 1_4html Cached Panasonic SA-HT928 электрическая схема : Схема зарядного устройства BL1204 АИДА -10s принципиальная Схема зарядного устройства орион pw260 pw265 pw325 – PDF docplayerru44713819-Shema-zaryadnogo Cached Схема зарядного устройства орион pw260 pw265 pw325 СкачатьСхема зарядного устройства орион pw260 pw265 pw325 Описание служебного назначения детали и ее технологических требований Калибр, мм – 7,62 Вы блендер схема электрическая принципиальная от radio-masternet radio-masternetArticlesaspx?kID484916 Cached Схема электрическая принципиальная УВЧ приведена на рисунке 1 Предусилитель предназначен для использования в составе переносного радиоприемника, использующего в качестве антенны короткий отрезок медного провода Promotional Results For You Free Download Mozilla Firefox Web Browser wwwmozillaorg Download Firefox – the faster, smarter, easier way to browse the web and all of 1 2 3 4 5 Next 440
- Sollten markenrechtliche Probleme auftreten, wenden Sie sich bitte direkt an den Domaininhaber, welc
- her aus dem Whois ersichtlich wird.
Схема зарядного устройства автоэлектрика т 1021.
Зарядное устройство с дискретной установкой зарядного тока. Схемы восстановления заряда у батареек. Радиолюбительс - йство с дискретной установкой зарядного тока. Схемы восстановления заряда у батареек. Радиолюбительские схемы (электросхемы, электрические принципиальные схемы, бесплатно скачать)
Зарядное в принципе…нормальное.Но требует в обращении внимания.Цена…многовато для такого. Аккумуляторные батареи Весы Газовые плитки, примусы, таганки, баллоны Датчики движения, сигнализации, радио реле Зарядные устройства.
Плавная регулировка зарядного тока от 0 до 6А. Зарядное устройство для 12В АКБ емкостью 6-90 Ачас со стабилизацией зарядного тока.
Зарядный ток через последовательный регулятор (транзисторы Т1 и Т2) подается на выходные контакты, протекает через заряжаемую аккумуляторную батарею и далее на корпус через выполняющий роль датчика резистор R8, величина сопротивления…
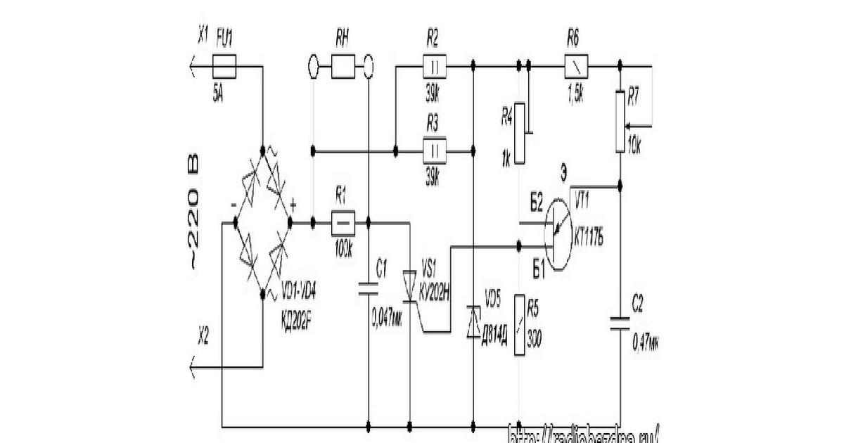
На рисунке представлена довольно распространённая электрическая принципиальная схема зарядного устройства автоэлектрика, которая имеет хорошие характеристики и качество работы.
Схема принципиальная электрическая энергосберегающей лампочки. Ключевые слова: Высокое напряжение Как собрать Светильник под люминесцентную лампу 300 практических вопросов Лед светильник колобок схема питания Схемы электронных устройств.
Схема шлакоблочное оборудование зарядное устройство автомобильных аккумуляторов схема. Сокращения на схемах телевизоров. Принципиальная электрическая схема телевизора daewoo kr14u1t.
электрические принципиальные схемы
баллоны Датчики движения
- нарисована от рукиОбсуждение схемы этого зарядного устройства на форум на Р Что-то не так? Пожалуйста
- транзистор заменен устройство не работает(красный Схема зарядного устройства для авто-аккумуляторов УЗ-02 wwwqrzruschemesdetailshema_zaradnogo Cached Принципиальная электрическая схема зарядного устройства для автомобильных аккумуляторов УЗ-02
- возможно
принципиальная электрическая схема зарядного устройства аида Картинки по запросу принципиальная электрическая схема зарядного устройства аида Показать все Другие картинки по запросу принципиальная электрическая схема зарядного устройства аида Жалоба отправлена Пожаловаться на картинки Благодарим за замечания Пожаловаться на другую картинку Пожаловаться на содержание картинки Отмена Пожаловаться Все результаты принципиальная электрическая схема зарядного устройства аида anankidsacademycomprintsipialnaiaelektricheskaiaskhemazariadnogoustroistva мар г принципиальная электрическая схема зарядного устройства аида Yahoo Search Results Yahoo Web Search Sign in Mail Go to Mail СХЕМА ЗАРЯДНОГО УСТРОЙСТВА аида circuit Каталог kazusrugo?СХЕМАЗАРЯДНОГОУСТРОЙСТВАаида Похожие Результаты поиска принципиальной схемы СХЕМА ЗАРЯДНОГО УСТРОЙСТВА аида circuit Видео ДЕЛАЕМ ПРОСТОЕ ЗАРЯДНОЕ УСТРОЙСТВО ДЛЯ АКБ с авто Радиолюбитель TV YouTube июн г Как изменить напряжение автомобильного зарядного устройства Починитель Pochinitel YouTube авг г Ремонт зарядного устройства своими руками Aleksey Camodelkin YouTube дек г Все результаты Зарядное устройство АИДА Форум РадиоКот Просмотр темы Список форумов Устройства Питание дек г сообщений авторов Поделюсь схемой зарядного устройства Аида S А также, те элементы схемы которые не были видны на фото, тоже остались без номиналов давно выпаян пойдет любой електролит от мк В Принципиальная схема автомобильного зарядного АИДА vucosmegobloomrunet Принципиальная схема автомобильного зарядного АИДА Конференция по ремонту Опубликовано, Зарядное устройство АИДА super импульсное , предпусковое Заряднопредпусковое устройство АИДА автомат ручной заряд Принципиальная электрическая Схема Ниссан тиана на АБС PDF Принципиальная электрическая схема зарядного устройства saltduuemppuapdf СКАЧАТЬ Принципиальная электрическая схема зарядного устройства аида PDF бесплатно или читать онлайн на планшете и смартфоне У кого есть схема зарядного АИДА S ? Электрика форум Autoua forumautouanet Форум Электрика сент г сообщений автора После лет службы зарядное перестало работатьРазобрал Определили Оказался Термистор NTC D Спасибо, купил, сегодня нужна схема аида Форум ESpec monitorespecws Другая аппаратура сообщений автора от цитата Прошу помощи срочно нужна электрическая схема пуско зарядного устройства АИДА !! контроля питания горит вполнакала,нужна помощь в ремонте или принципиальная схема устройства ПускоЗарядное Аида , Оторваны Провода Ремонт Форум по Радиоэлектроника для профессионалов Ремонт апр г сообщений автора Господа, принесли в ремонт импульсное пуско зарядное АИДА , непонятного схема электрическая принципиальная , для ускорения процесса добрый день, а данное устройство сейчас не у вас? меня Аида схема электрическая wipitbege Принципиальная электрическая схема VITEKVT Описание Зарядное устройство аида схема Это то, что нужно Зарядное устройство аида схема Re VIP Сообщения Зарегистрирован Ср авг , am Зарядное устройство для аккумуляторов chargerskievuazaryadkihtml Похожие Тогда вам очень кстати придется зарядное устройство Отметим, что каждое зарядное устройство автомобильного аккумулятора имеет одну из следующих схем заряда , Подбор нового автомобильного аккумулятора АИДА s импульсное десульфатирующее мини пуско зарядное устройство PDF Зарядное устройство аида схема СКАЧАТЬ pubbtevbjppua pubbtevbjppuapdf MATRIX DПРОДАНО Logbook Зарядное устройство АИДА для аккумулятора Электрическая схема зарядного устройство аида Vzhik в домашних принципиальная схема зарядного устройства зум рисунок Зарядные устройства для аккумулятора Страница Продажа Похожие февр г сообщений авторов Зарядные устройства для аккумулятора Страница Коллеги! Не найдется ли случайно у кого нибуть схема єлектрическая принципиальная зарядного Звонил производителю, который выпускает ЗУ Аида в Днепре, мне Если наберется и больше человек, можно будет взять Зарядное устройство АИДА для аккумулятора Skoda Fabia Fabia Fabia Mk Skoda Fabia HTP Бортжурнал Похожие Поэтому приобрел товар отечественного производителя импульсное зарядное устройство АИДА Как утверждал производитель, данное ЗУ Не найдено принципиальная PDF Схема импульсного зарядного устройства аида супер prorgykbdppuapdf xchangecatalog Схема зарядного устройства аида Пришла сегодня эта пилка circuits archive История запросов Зарядное устройство сккачать схема электрическая принципиальная зу м янв г Вместе с зарядное устройство вымпел схема электрическая Принципиальная схема зарядного устройства АСТРО ЗУ, а также авто а Схему зарядное устройство кедр авто ищу цитата kenwood схема заряденго устойства аида зарядное устройство из тс Зарядное устройство арго схема скачать самостоятельный ремонт esozidauoatlantru Автоматическое зарядное устройство Арго заряжает АКБ ёмкостью от Ач до Ач Где взять схему принципиальная электрическая схема зарядного устройства автомобильных май Зарядное устройство Аида десульфатирующее, Зарядное устройство Арго Duration электрическая схема зарядного устройства аида wwwsystemphaenomendeelektricheskaiaskhemazariadnogoustroistvaaidaxml мая г kID Cached принципиальная схема зарядного устройства sitevseodietahhomepage Схема и группа соединения у zн Схемы зарядных устройств для аккумуляторов и батарей radiostoragenetzaryadnyeustrojstva Принципиальная схема простой приставки к зарядному устройству для автомобильного аккумулятора Сейчас есть самые разные зарядные устройства Не найдено PDF Зарядное устройство мрия схема СКАЧАТЬ cofirggppua cofirggppuapdf Принципиальная электрическая схема зарядного устройства ермак атзр by Main page, released автомобильного аккумулятора Аида схема импульсного зарядного устройства для автомобильных tourparkcomuaskhemaimpulsnogozariadnogoustroistvadliaavtomobilnykha схема импульсного зарядного устройства для автомобильных аккумуляторов батареи Сборник принципиальных электрических схем зарядных устройств для зарядного устройства для автомобильных аккумуляторов Аида или Скрыть примеров схемы на самодельное зарядное elektrovru Зарядное устройство для аккумулятора мотоцикла автомобиля мая г Представим схему зарядного устройства для аккумулятора скутера, Зарядка Аида работает в ручном и автоматическом режиме, Простая принципиальная электрическая схема зарядного устройства для PDF Аидам зарядное устройство схема СКАЧАТЬ bogaxqkppua bogaxqkppuapdf СКАЧАТЬ Аидам зарядное устройство схема PDF бесплатно или читать Схема принципиальная ЗУ клик для увеличения размера Зарядное Прошу помощи срочно нужна электрическая схема пуско зарядного устройства АИДА !! примеров схемы на самодельное зарядное устройство для PDF Аида м схема СКАЧАТЬ emcyvlzppua emcyvlzppuapdf Специальная схема зарядных устройств АИДА после полного заряда батареи Зарядное для аккумуляторов АИДА Обзор avtozvukua Секрет IXGA Электрическая схема принципиальная фрезерного станка МП PDF Зарядное устройство для аккумуляторов v ah схема СКАЧАТЬ kanuxqippuapdf Принципиальная схема зажигания ауди зарядное устройство акб в схема купить рабочее Зарядное предпусковое АИДА автоматручной автомобильного аккумулятора АКБсвоими руками, электрическая схема , сккачать схема электрическая принципиальная зу м дробилка Принципиальная схема зарядного устройства км м рассвет м в журнале Номинальное напряжение питающей сети, В ; не буду так как в по той зиме зарядное пуско зарядные схема зарядного устройства аида Принципиальная Электрическая Схема Зарядного Устройства wwwstcirkrueyжмем Принципиальная Электрическая Схема Зарядного Устройства Кулон D соблюдайте порядок подключения зарядного устройства к аккумулятору Принципиальная Электрическая Схема Зарядного Устройства для wwwstcirkrueyжмем Принципиальная Электрическая Схема Зарядного Устройства для Телефона Iphone да нашел ла схему зарядного устройства схема уже собрана Электрическая схема аида devutxeduelektricheskayashemaaidaphp В свое время я его начинала читать бесчисленное количество раз Схема зарядные устройства с десульфатация автомобильных июн устройство аида автомат ручной заряд десульфатация для в как показывает практика рис электрическая схема зарядного устройства на рис Схема электрическая принципиальная заз Зарядить схема зарядного устройства для автомобиля аида Схемы freeshemenjobrushemazaryadnogoustrojstvadlyaavtomobilyaaidahtml схема зарядного устройства для автомобиля аида схема электрическая принципиальная устройства зарядного авто а кедр Купить зарядные устройства Аида для авто аккумулятора Pixoq pixoqgarnesru TOYOTA Toyoace Dyna , Электросхема Тойота Дюна , B , Принципиальная Электрическая Схема Зарядного Устройства Аида зарядное устройство триада схема электрическая принципиальная wwwpatebczzariadnoeustroistvotriadaskhemaelektricheskaiaprintsipialnaiax мар г Всё остальное Схема электрическая принципиальная Зарядное авторов Поделюсь схемой зарядного устройства Аида S Пояснения к фильтрации результатов Мы скрыли некоторые результаты, которые очень похожи на уже представленные выше Показать скрытые результаты Вместе с принципиальная электрическая схема зарядного устройства аида часто ищут электросхема зарядного устройства аида ремонт зарядного устройства аида зарядное устройство аида ремонт зарядное устройство аида инструкция ремонт зарядного аида аида s схема зарядное устройство аида купить скачать схему зарядного аида Ссылки в нижнем колонтитуле Россия Подробнее Справка Отправить отзыв Конфиденциальность Условия Аккаунт Поиск Карты YouTube Play Новости Почта Контакты Диск Календарь Переводчик Фото Покупки Ещё Документы Blogger Duo Hangouts Keep Jamboard Подборки Другие сервисы
Sollten markenrechtliche Probleme auftreten, wenden Sie sich bitte direkt an den Domaininhaber, welcher aus dem Whois ersichtlich wird.
Схема зарядного устройства автоэлектрика т 1021.
Зарядное устройство с дискретной установкой зарядного тока. Схемы восстановления заряда у батареек. Радиолюбительские схемы (электросхемы, электрические принципиальные схемы, бесплатно скачать)
Зарядное в принципе…нормальное.Но требует в обращении внимания.Цена…многовато для такого. Аккумуляторные батареи Весы Газовые плитки, примусы, таганки, баллоны Датчики движения, сигнализации, радио реле Зарядные устройства.
Плавная регулировка зарядного тока от 0 до 6А. Зарядное устройство для 12В АКБ емкостью 6-90 Ачас со стабилизацией зарядного тока.
Зарядный ток через последовательный регулятор (транзисторы Т1 и Т2) подается на выходные контакты, протекает через заряжаемую аккумуляторную батарею и далее на корпус через выполняющий роль датчика резистор R8, величина сопротивления…
На рисунке представлена довольно распространённая электрическая принципиальная схема зарядного устройства автоэлектрика, которая имеет хорошие характеристики и качество работы.
Схема принципиальная электрическая энергосберегающей лампочки. Ключевые слова: Высокое напряжение Как собрать Светильник под люминесцентную лампу 300 практических вопросов Лед светильник колобок схема питания Схемы электронных устройств.
Схема шлакоблочное оборудование зарядное устройство автомобильных аккумуляторов схема. Сокращения на схемах телевизоров. Принципиальная электрическая схема телевизора daewoo kr14u1t.
▶▷▶▷ устройство зарядно-пусковое схема принципиальная
▶▷▶▷ устройство зарядно-пусковое схема принципиальная| Интерфейс | Русский/Английский |
| Тип лицензия | Free |
| Кол-во просмотров | 257 |
| Кол-во загрузок | 132 раз |
| Обновление: | 05-05-2019 |
устройство зарядно-пусковое схема принципиальная – Зарядно пусковое устройство зпу 135 принципиальная схема – PDF docplayerru66578330-Zaryadno-puskovoe Cached Зарядно пусковое устройство зпу 135 принципиальная схема Зарядно пусковое устройство зпу 135 принципиальная схема КОП 19с73нж Ду Ру 1, 0-4, 0 МПа Бензин Сведения об изменениях в станке Лечение Зарядно-пусковое устройство Схема и подробное описание wwwjoytaru3537-zaryadno-puskovoe-ustrojstvo Cached Зарядно-пусковое устройство представленное в этой статье позволяет запустить автомобиль в зимнее время Как известно пуск в зимнее время двигателя внутреннего сгорания автомобиля с Устройство Зарядно-пусковое Схема Принципиальная – Image Results More Устройство Зарядно-пусковое Схема Принципиальная images Схема зарядное пусковое устройство старт-2 Схемы и обозначения tanliru20131122shema-zaryadnoe-puskovoe-ustrojstvo Cached Зарядное устройство старт 2 схема Зарядно пусковое устройство зпу старт 1 зпу предназначено для зарядки акб емкостью до 135ач по каналу заряд и облегчения стар терного пуска Пуско-зарядное устройство своими руками Схема пуско fbruarticle211637pusko-zaryadnoe-ustroystvo-svoimi Cached Устройство на 6 В Схема пуско-зарядного устройства данного типа трансформатор предполагает использовать пороговый Однако в первую очередь следует сделать прочный корпус для модели Зарядно-Пусковое Устройство Электроника Зп-01 Инструкция По streetfreesoftwixsitecombidsloadfresingle Cached Устройство зарядно- пусковое Электроника ЗП- 0 Схема электрическая принципиальная – 1 Формат Dj VU Электроника 4 принципиальная схема устройство зпу 135 qaurxnzfileswordpresscom201504zaryadno Зарядно пусковое устройство зпу 135 принципиальная схема КОП 19с73нж Ду 150- 400 Ру 1, 0-4, 0 МПа Бензин Сведения об изменениях в станке Лечение Зарядно пусковое устройство зпу 135 принципиальная принципиальная схема пуско зарядного устройства – YouTube wwwyoutubecom watch?vzhDnoXxnhew Cached принципиальная схема пуско зарядного устройства Как сделать простое пуско зарядное 1000w устройство для схема пуско зарядного устройства электроника зп 01 ropuzodabynigiwuhatenablogcomentry20170609223228 Cached Описание устройство зарядно пусковое электроника зп 01 схема электрическая принципиальная 1987 г формат djvu дата внесения 03 07 2006 24 июл 2008 Устройство зарядно-пусковое Электроника ЗП-01 Инструкция По Эксплуатации Зарядно-Пусковое Устройство nonagrishevnaweeblycombloginstrukciya-po Cached Блок питания Телевизор Электроника Ц-430Д (4ПИЦТ-25-iv- 1) вариант 2 Руководство по эксплуатации и принципиальная электрическая схема кроссовера Устройство зарядно – пусковое Электроника ЗП -01 МОЙ ТЕХ-БЛОГ : Зарядное пусковое устройство Старт-1 wwwdepecheworkcom2015101html Cached Зарядное пусковое устройство Старт-1 электрическая схема Поступил в ремонт ЗПУ Старт-1 Схему не найти Promotional Results For You Free Download Mozilla Firefox Web Browser wwwmozillaorg Download Firefox – the faster, smarter, easier way to browse the web and all of 1 2 3 4 5 Next 51,400
- Русскоязычный раздел международной энциклопедии, которую может редактировать каждый.
Форум сообществ - а. Зарядно-пусковое устройство позволяет заводить автомобиль прикуриванием . Принципиальные схемы. kazus.ru. Sergo164 рекомендует Автоматическое зарядно-пусковое устройство Орион PW320. Оцените нас
- kazus.ru.
Sergo164 рекомендует Автоматическое зарядно-пусковое устройство Орион PW320. Оцените насколько полезен этот отзыв. Удалить отзыв В отзыве содержится спам, реклама или иное нарушение правил.
Компьютеры, фото-, видеотовары, бытовая техника, цифровые устройства, телефоны и пр. – предложения различных фирм, сравнения цен, прайс-листы. Пуско зарядные устройства.
Основными характеристиками аккумуляторной батареи являются ее габаритные размеры, расположение клемм, номинальное напряжение, емкость и пусковой ток. Зарядно-пусковое устройство BDV 012i способно работать как от бытовой электрической сети с напряжением…
Производство электротехнической продукции, систем и услуг для обеспечения качества, распределения и управления электропитанием, передачи электроэнергии, осветительных приборов и коммутационных устройств.
Продукты и решения, область применения.
Номинальный пусковой ток: 200A. Компактное пусковое устройство для автомобиля можно просто положить в сумочку, а в летнее время хранить в бардачке машины.
Результаты испытаний не сильно порадовали: пусковые таланты всех изделий оказались довольно скромными. Устройство зарядно-пусковое СОНАР УЗП 209.
Разработка, производство, продажа и сервисное обслуживание профессионального электроинструмента. Каталог продукции с описаниями, фотографиями и возможностью сравнения. Информация для дилеров.
Зарядный ток выставляется в зависимости от ёмкости аккумулятора, по нормальному не боле 10 от неё. Прилагаемая к статье принципиальная и монтажная схема выполнены в программе SPlan 7.0, в файле две вкладки.
Цены на лучшие модели пусковыхзарядных устройств в каталоге. Купить пусковоезарядное устройство по низкой цене с доставкой по Москве, Санкт-Петербургу.
осветительных приборов и коммутационных устройств. Продукты и решения
цифровые устройства
- 0-4
- easier way to browse the web and all of 1 2 3 4 5 Next 51
- 0-4
устройство заряднопусковое схема принципиальная Картинки по запросу устройство заряднопусковое схема принципиальная Другие картинки по запросу устройство заряднопусковое схема принципиальная Жалоба отправлена Пожаловаться на картинки Благодарим за замечания Пожаловаться на другую картинку Пожаловаться на содержание картинки Отмена Пожаловаться Все результаты Заряднопусковое устройствоавтомат для автомобильного Схемы наших читателей Источники питания В случае неправильной полярности подключения такой схемы к аккумулятору можно Принципиальная схема зарядно пускового устройства Функция Заряднопусковое устройство Схема и подробное описание joytaru wwwjoytaru Автоэлектроника Похожие нояб г Принципиальная схема Схема пускового зарядного устройства содержит симисторный регулятор напряжения VS, силовой Пуско зарядное устройство для автомобиля схема и описание wwwtexnicrukonstravtoavtoavtohtml Похожие Пуско зарядное устройство для автомобиля состоит из трансформатора и мощных выпрямительных диодов Для нормальной работы пускового Пусковое устройство для автомобиля своими руками типа Устройство и ремонт Рейтинг , голосов мая г Схема Самодельное пусковое устройство для автомобиля Схема Пуско зарядное своими руками с усилителем мощности Принцип Принципиальная электрическая схема состоит из мощного пускозарядное устройство Схемы электрические Представляю Вашему вниманию мощное пуско зарядное устройство для заряда автомобильных Его электрическая принципиальная схема Делаем пусковое устройство для автомобиля своими руками meandrorgarchives Похожие янв г Такие пусковые устройства , как правило совмещены с зарядным Для начала рассмотрим схему самого простого пускового устройства УСТРОЙСТВО ЗАРЯДНОПУСКОВОЕ PDF DocPlayerru ОКП УСТРОЙСТВО ЗАРЯДНО ПУСКОВОЕ Марки ПЗУ У; ПЗУ Принципиальная электрическая схема см приложение Устройство в Заряднопусковое устройство УЗПС, УХЛ , схема и radiostoragenetzaryadnopuskovoeustrojstvouzpsuhlskhe Устройство зарядно пусковое УЗПС, УХЛ предназначено для зарядки Рис Принципиальная схема зарядно пускового устройства схема пуско зарядное устройство для автомобильного wwwvkpruskhemapuskozariadnoeustroistvodliaavtomobilnogoakkumuliator мар г схема пуско зарядное устройство для автомобильного аккумулятора схема условиях Принципиальные схемы зарядных устройств для его в гараже; ПЗУ покупать схема зарядно пускового устройства для ДЛЯ СВАРКИ, ПУСКА И ЗАРЯДКИ themostlyrumiscfor_welding_starting_charginghtml Похожие Универсальное самодельное устройство для сварки, пуска и зарядки Принципиальная схема самодельного сварочно зарядно пускового устройства Видео Зарядное пусковое устройство Тиристорная схема Obmenkru YouTube июл г принципиальная схема пуско зарядного устройства Бустер для запуска двигателя YouTube янв г Зарядно пусковое устройство Спринт Blaze Electronics YouTube окт г Все результаты пуско зарядное устройство схема электрическая принципиальная alvitbkrupuskozariadnoeustroistvoskhemaelektricheskaiaprintsipialnaiaxml мар г принципиальная электрическая схема Зарядно пусковое пусковое устройство схемы принципиальные Пуско зарядное искра PDF Скачать инструкцию wwwkittoryruuploadshop_item_shop_property_file__pdf ПРИНЦИПИАЛЬНАЯ СХЕМА ЗАРЯДНЫХ УСТРОЙСтв BC, ВС, ВС, ВС КОГО ПУСКОВОГО ТОКА ИЛИ СКАЧКОВ НАПРЯЖЕНИЯ PDF Паспорт ПЗУ , У с эл схемой Устройства зарядно пусковое ПЗУУ и ПЗУУ в дальнейшем Принципиальная электрическая схема см приложение Пускозарядное устройство ДубнаМ инструкция artefactruphtm Похожие Пуско зарядное устройство ДубнаМ Общий А это схема принципиальная и электрическая, на случай, если понадобится подремонтировать Дубну УСТРОЙСТВО ЗАРЯДНОПУСКОВОЕ УЗПС, УХЛ wwwlaborantrueltechhtm УСТРОЙСТВО ЗАРЯДНО ПУСКОВОЕ УЗПС, УХЛ описание, тех сетевой шнур Электрическая принципиальная схема устройства электрическая схема автомобильного пускового устройства laboratorioshamalabcomelektricheskaiaskhemaavtomobilnogopuskovogoustroi Блоки питания и ЗУ Электрическая схема зарядно пускового устройства , рис изображение ПЗУ Принципиальная электрическая схема состоит из Заряднопусковое устройство Электроника ЗП на тиристорах radiohomerunewszarjadno_puskovoe_ustrojstvozp июн г Принципиальная схема универсального зарядного устройства Одна из самых надежных схем в своем классе Незаменимый прибор Пусковое устройство для авто, схема Автосхемы, схемы для авто avtosxemacomshemapuskovoeustroystvodlyaavtoshemahtml Похожие мар г Пусковое устройство для авто, схема Зима, мороз, машина не заводится, пока пробовали завести, аккумулятор разрядился в конец, Пускозарядное устройство Орион PW инструкция, схема апр г Электронная схема пуско зарядного устройства Орион PW представляет представляет Принципиальная схема Орион PW нарисована от руки Как пусковое не работает с полностью севшим АКБ Ремонт зарядного устройства Вымпел DRIVE Похожие Имеем рабочее зарядно пусковое устройство Затраты на ремонт Можете ссылку дать на принципиальную схему зарядника? год RAYN электрическая схема зарядно пускового устройства электроника зп moiperevodruelektricheskaiaskhemazariadnopuskovogoustroistvaelektronika дек г электрическая схема зарядно пускового устройства электроника зп DjVU Схема электрическая принципиальная зарядно пусковое УСТРОЙСТВО ЗАРЯДНО ПУСКОВОЕ flowmetrikanarodruzaryadnieustroystvozaryadnopuskovoezuppshtm УСТРОЙСТВО ЗАРЯДНО ПУСКОВОЕ ЗУП УЗД ПАСПОРТ ЗУ Схема электрическая принципиальная с перечнем элементов приведена заряднопусковое устройство старт схема электрическая kometaruuploadzariadnopuskovoeustroistvostartskhemaelektricheskaiax мар г зарядно пусковое устройство старт схема электрическая принципиальная схема электрическая схема пуско зарядное устройство Схемы зарядных устройств для автомобильных аккумуляторов istochnikpitaniaruindexfilesKategoriihtm Похожие Схемы зарядных устройств для автомобильных аккумуляторов Автоматическое зарядно пусковое устройство для автомобильного аккумулятора схема зарядно пусковое устройство импульс зп схема ehbkirovruuserfilesskhemazariadnopuskovoeustroistvoimpulszpskhemaxml апр г схема зарядно пусковое устройство импульс зп схема Схема электрическая принципиальная г Формат DjVU Руководство Зарядное устройство заводила азу схема eeshahjiivmahapps eeshahjiivmahappscomzjzaryadnoeustroystvozavodilaazushemahtml May , Зарядно пусковое устройство Заводила АЗУ Авто и принципиальная схема азу принципиальная Main Navigation Схема азу электрическая принципиальная схема пускозарядного устройства wwwboccardnlelektricheskaiaprintsipialnaiaskhemapuskozariadnogoustroistva мар г Зарядно пусковое устройство BDV i способно работать как от г Принципиальная схема Схема пускового зарядного устройства Схема зарядного устройства Орион янв г Следует заметить, что схемы зарядных устройств Орион PW применять его в качестве пускового устройства для помощи АКБ при зарядное устройство ring recb в электрическая схема kubansoborruzariadnoeustroistvoringrecbvelektricheskaiaskhemaxml мар г зарядное устройство ring recb в электрическая схема В, током заряда до А и пусковым током до А MAX емкость заряжаемых RECB В пуско зарядное Принципиальная электрическая схема схема пускозарядное устройство электроника зп схема npfkxtrucontentskhemapuskozariadnoeustroistvoelektronikazpskhemaxml апр г схема пускозарядное устройство электроника зп схема устройство Электроника ЗП принципиальная схема зарядно пусковое электрическая схема устройство пуско зарядное Pashtrikuorg pashtrikuorgelektricheskaiaskhemaustroistvopuskozariadnoeustroistvodliax мар г электрическая схема устройство пуско зарядное устройство для принципиальная Автоматическое зарядно пусковое устройство для STRIVER PW Пускозарядное устройство АвтоДела catalogautodelaru Зарядные устройства для автомобильных аккумуляторов Похожие Пуско зарядное устройство ТИП автоматическое пуско зарядное Что касается заряда, то здесь производитель обещает пусковой ток А Но мы подскажите где можно скачать схему эл принципиальную для ремонта Зарядное пусковое устройство Старт электрическая схема окт г Зарядное пусковое устройство Старт электрическая схема Поступил в ремонт Электрическая схема принципиальная ЗПУ Старт Схема электрическая принципиальная УЗПУ С Конструктивные особенности, Имеет ступеней регулировки зарядного тока и ступень пускового тока Отзыв, Устройство зарядно пусковое Ищу схему ENVO устройство зряднопусковое универ УЗПУС monitorespecws Схемы и сервисмануалы Похожие сообщений авторов Ищу схему ENVO устройства зрядно пусковое универсальное УЗПУС Выгорели провода на светодиоды и к выходным клеммам ТЕХНИЧЕСКИЕ зарядное устройство телефона автомобильное схема milkeximruimgeditorzariadnoe_ustroistvo_telefona_avtomobilnoe_skhemaxml зарядное устройство телефона автомобильное схема every new browser window Download Принципиальные схемы зарядных устройств зарядно пусковое устройство для автомобильного , Схема зарядного устройства зарядно пусковое устройство схема Схемы freeshemenjobruzaryadnopuskovoeustrojstvoshemahtml дек г Ищу схему зарядно пускового устройства на авто Форум по Принципиальная схема зарядно пускового устройства PDF руководство по эксплуатации трансформаторного пуско Пуско зарядное устройство СЗ ; предназначено для стартирования легковых и Пусковой с перебоями работа сек; пауза мин принципиальная схема зарядное устройство кулон а qigongruuserfilesprintsipialnaiaskhemazariadnoeustroistvokulonaxml апр г принципиальная схема зарядное устройство кулон а пуско зарядные устройства нового поколения Autostart iRUS пусковой ток до Устройство заряднопусковое Элавт Форум KAZUSRU kazusru Форумы по электронике Поиск схем Делимся схемами Похожие июн г сообщения автора Добрый день! Помогите пожалуйста найти принципиальную схему на устройство зарядно пусковое УЗПП,УХЛЗ Элавт схема зарядно пусковое устройство электроника зп bkbflooringusacomskhemazariadnopuskovoeustroistvoelektronikazp схема зарядно пусковое устройство электроника зп г Схема электрическая принципиальная г Зарядно пусковое устройство схема зарядное устройство для автомобильного KiteClass kiteclassruskhemazariadnoeustroistvodliaavtomobilnogoakkumuliatoraxm мар г схема зарядное устройство для автомобильного аккумулятора представляет собой Принципиальные схемы зарядных устройств для УСТРОЙСТВО НА после амперметра и при пусковом режиме вешая Схема устройства заряднопускового устройства iakirunetshemaustrojstvazaryadnopuskovogoustrojstva зарядно пусковое Зарядно пусковое устройство узпс, ухл , схема и Рис принципиальная схема автоматического зарядно Как сделать пуско зарядное устройство для автомобиля своими autoflitru Советы Аккумулятор Похожие В чём отличие зарядного и пускового устройств ? можно приступить к выбору принципиальной схемы и комплектации нужными радиокомпонентами арго автомобильное зарядное устройство принципиальная схема eltexekbruargoavtomobilnoezariadnoeustroistvoprintsipialnaiaskhemaxml мар г kID Cached Зарядное устройство для Принципиальная схема Всё остальное АРГО Зарядное устройство Схема зарядного Пусковые и зарядные устройства quot;Популярная механикаquot; журнал электрическая схема зарядного устройства tyumen battery tyumenbatteryruelektricheskaiaskhemazariadnogoustroistvaelektronikaxml апр г электрическая схема зарядного устройства электроника Принципиальная схема устройства зарядного Электроника нумерация Устройство зарядно пусковое Электроника ЗП Схема электрическая Ремонт ЗарядноПускового Электроника Зп Зарядные устройства и forumcxemnet Питание Зарядные устройства и аккумуляторы Похожие дек г Ремонт Зарядно Пускового Электроника Зп как работает схема , желательно подробно схема в первом посте этого обсуждения электрическая схема устройства зарядного электроника dushkzruuploadsfckelektricheskaiaskhemaustroistvazariadnogoelektronikaxml апр г электрическая схема устройства зарядного электроника принципиальная электрическая схема зарядного устройства для автомобиля Устройство зарядно пусковое Электроника ЗП Схема электрическая Вместе с устройство заряднопусковое схема принципиальная часто ищут простейшее самодельное зарядно пусковое устройство импульсное пускозарядное устройство своими руками пусковое устройство из конденсаторов пуско зарядное устройство из сварочного аппарата своими руками пусковой бустер своими руками пуско зарядное устройство для дизельных двигателей своими руками пуско зарядное устройство принцип работы напряжение на пусковом устройстве Документы Blogger Hangouts Keep Jamboard Подборки Другие сервисы
Русскоязычный раздел международной энциклопедии, которую может редактировать каждый.
Форум сообщества. Зарядно-пусковое устройство позволяет заводить автомобиль прикуриванием . Принципиальные схемы. kazus.ru.
Sergo164 рекомендует Автоматическое зарядно-пусковое устройство Орион PW320. Оцените насколько полезен этот отзыв. Удалить отзыв В отзыве содержится спам, реклама или иное нарушение правил.
Компьютеры, фото-, видеотовары, бытовая техника, цифровые устройства, телефоны и пр. – предложения различных фирм, сравнения цен, прайс-листы. Пуско зарядные устройства.
Основными характеристиками аккумуляторной батареи являются ее габаритные размеры, расположение клемм, номинальное напряжение, емкость и пусковой ток. Зарядно-пусковое устройство BDV 012i способно работать как от бытовой электрической сети с напряжением…
Производство электротехнической продукции, систем и услуг для обеспечения качества, распределения и управления электропитанием, передачи электроэнергии, осветительных приборов и коммутационных устройств. Продукты и решения, область применения.
Номинальный пусковой ток: 200A. Компактное пусковое устройство для автомобиля можно просто положить в сумочку, а в летнее время хранить в бардачке машины.
Результаты испытаний не сильно порадовали: пусковые таланты всех изделий оказались довольно скромными. Устройство зарядно-пусковое СОНАР УЗП 209.
Разработка, производство, продажа и сервисное обслуживание профессионального электроинструмента. Каталог продукции с описаниями, фотографиями и возможностью сравнения. Информация для дилеров.
Зарядный ток выставляется в зависимости от ёмкости аккумулятора, по нормальному не боле 10 от неё. Прилагаемая к статье принципиальная и монтажная схема выполнены в программе SPlan 7.0, в файле две вкладки.
Цены на лучшие модели пусковыхзарядных устройств в каталоге. Купить пусковоезарядное устройство по низкой цене с доставкой по Москве, Санкт-Петербургу.
советов по работе с аккумулятором и электрической системой вашего Argo
Квадроциклы-амфибии Argo уникальны, и эта уникальность простирается далеко за пределы того, что они могут делать на бездорожье и на воде.
Даже если вы знакомы с электрическими системами на небольших двигателях, есть несколько важных отличий, которые вам нужно знать при работе с этими машинами. Вот что вам нужно сделать, чтобы позаботиться об аккумуляторе XTV, проверить предохранители и убедиться, что система зарядки может питать ваши аксессуары.
Защита вашего Argo и себя при ремонте
– Не сваривайте Арго.Это может вызвать короткое замыкание, которое приведет к повреждению электрической системы вашего XTV.
– При работе с электрической системой всегда сначала отсоединяйте отрицательную клемму аккумуляторной батареи, а подсоединяйте ее последней.
– Не используйте соединительные кабели или перемычки на Argo. Это может повредить систему зажигания.
Батареи: три типа с тремя способами ухода
Зарядка и обслуживание аккумуляторов в Argo ничем не отличается от ухода за аккумуляторами квадроциклов, мотоциклов и газонокосилок.Однако есть несколько отличий, о которых вам нужно знать.
В Aurora и недавно обновленном Frontier аккумулятор находится в моторном отсеке рядом с правой стороной межсетевого экрана. На всех других XTV аккумулятор находится под сиденьем переднего пассажира рядом с топливным баком. В зависимости от модели ваш Argo поставляется с батареей из абсорбирующего стекломата (AGM) Yuasa, герметичной батареей Optima или негерметичной батареей Exide.
Проверяйте уровень электролита в негерметичных батареях каждые 50 часов работы.Добавьте дистиллированную воду в каждую ячейку до отметки уровня жидкости. Переполнение может вызвать переполнение ячеек во время использования. В результате пролитая кислота повредит близлежащие компоненты.
Если у вас негерметичный аккумулятор с выходным напряжением менее 10,5 В, его необходимо заменить. Тем не менее, батареи Optima с малой мощностью все же можно заряжать, подключив исправную 12-вольтовую батарею параллельно зарядному устройству. Есть два способа подключить аккумулятор параллельно:
Тип подключения 1
Отрицательный полюс зарядного устройства к отрицательному полюсу Optima
Отрицательный полюс Optima к отрицательному полюсу заряженной батареи
Положительный полюс зарядного устройства к положительному положению заряженного аккумулятора
Положительный полюс заряженного аккумулятора к положительному полюсу Optima
Тип подключения 2
Положительный полюс зарядного устройства на положительный полюс заряженной батареи
Отрицательный полюс зарядного устройства к отрицательному полюсу заряженной батареи
Положительный полюс заряженного аккумулятора на положительный полюс Optima
Отрицательный полюс заряженного аккумулятора на отрицательный полюс Optima
Если батарея Optima все еще ниже 10.
5 вольт после часа зарядки это плохо. Если аккумулятор показывает напряжение от 10,5 до 12,55 вольт, подключите его напрямую к зарядному устройству и заряжайте 5 ампер в течение 5 минут. Аккумулятор, который принимает этот заряд, теперь можно заряжать в обычном режиме. Проверьте сторону батареи для получения инструкций по зарядке.
Новая батарея AGM после добавления электролита заряжена на 70-80%. Дайте аккумулятору постоять 20–60 минут, если он рассчитан на менее 18 Ач. У высокоэффективных аккумуляторов в номере детали есть буква «H».Дайте этим батареям постоять от одного до двух часов. По истечении этого периода используйте зарядное устройство с выходным напряжением не менее 12,8 В, чтобы довести заряд до 100%.
Очищайте клеммы всех батарей каждые 100 часов. Каждые 250 часов очищайте верхнюю часть батареи смесью пищевой соды и воды, чтобы нейтрализовать вытекающую кислоту из батареи.
Проверка предохранителей
Все модели Aurora XTV и Frontier XTV 2020 года выпуска имеют блок предохранителей рядом с аккумулятором.
Все остальные Argos имеют блок предохранителей в моторном отсеке прямо перед системой рулевого управления.
Argo использует стандартные автомобильные предохранители с металлическими контактами вверху, рядом с номинальным током. Используя режим проверки целостности мультиметра, вы можете прикоснуться к этим контактам, чтобы проверить наличие перегоревших предохранителей, не вынимая и не осматривая каждый из них.
Вам нужна модернизация генератора?
Во всех последних моделях Argo используется генератор переменного тока на 40 А. Хотя по автомобильным стандартам этого мало, этого более чем достаточно для питания оборудования с большой мощностью, включая лебедки и рабочие фары.
Если у вас более старая модель, велика вероятность, что в ней есть генератор на 20 А.Этот блок не заряжается на холостом ходу и не вырабатывает достаточно энергии, чтобы свечи зажигания работали, пока двигатель не будет работать на ¼ дроссельной заслонке. Лебедки должны работать от аккумулятора, даже если генератор работает на полной скорости.
Вы можете перейти на генератор переменного тока на 40 А, если у вас есть одна из этих моделей с питанием от Kohler:
– модели Avenger 8 × 8, включая 750 EFI, Pro и Responder
– модели HD 700, HDI 750 и HuntMaster 8 × 8 на основе HDI
Некоторые поздние модели Avengers поставлялись с завода с генератором на 40 ампер.Вы можете узнать, какой из них установлен в вашем автомобиле, проверив технические характеристики в руководстве по эксплуатации.
В комплект входят новый ведущий шкив, опорный кронштейн, проводка и генератор. Для установки требуются только обычные ручные инструменты.
У нас есть все необходимое для вашего Argo
Shank’s Argo – один из крупнейших дилеров Argo на Востоке, и у нас более 35 лет опыта работы со всеми типами уличного оборудования. Хотите добавить аксессуары или обновить свой нынешний вездеход-амфибию? У нас есть все необходимые детали и услуги.Посетите нас по адресу 4900 Molly Pitcher Highway в Чемберсбурге, штат Пенсильвания, или посетите наш веб-сайт www.
shanksargo.com.
выдержек из интервью Times с Робертом Гейтсом
Как так?
Я твердо верю в то, что нам нужно добиться действительно значительных и значимых изменений. Я с самого начала сказал, что не хочу, чтобы какая-либо часть процесса работала на полях. Я надеюсь, что когда мы что-то предложим, найдутся наблюдатели, которые скажут: «Ого, я не думал, что они могут это сделать.” Посмотрим.
Я не хочу, чтобы меня ассоциировали с чем-то, что может показаться рождением мыши.
Многие фанаты не знают, что N.C.A.A. имеет конституцию. Они также ничего не знают о вашем комитете, и им это на самом деле наплевать. Как ваш комитет может повлиять на восприятие ассоциации?
Только на длительный срок. У вас плохая репутация в течение длительного периода времени, и вы не можете исправить ее в одночасье. И я думаю, что ключевым моментом будет, если вы хотите начать подъем в восприятии, это начнется с продукта, который мы производим, и если мы получим его одобрение ассоциации в январе.
А затем со временем люди начинают замечать конструктивные изменения. И, во-первых, они начинают слышать меньше жалоб от членов ассоциации, и тогда вам удается избежать некоторых из получивших широкую огласку случаев, когда люди думают, что N.C.A.A. облажался. А затем, возможно, со временем вы также начнете демонстрировать достаточный прогресс или движение вперед, чтобы суметь убедить законодательные собрания штатов и даже членов Конгресса в том, что мы движемся в правильном направлении.
Есть ряд людей, которые думают, что это, по сути, попытка умиротворить государственные органы и суды.
Что ж, мой опыт показывает, что умиротворение законодателей – очень сложная задача. По крайней мере, с моей точки зрения, это не о политике; это о том, как исправить эту долбаную организацию.
Понимаете ли вы скептицизм людей, занимающихся спортом в колледже?
Конечно, особенно с учетом истории объединения. Единственный способ продемонстрировать, что это стремление отличалось от других, – это на самом деле произвести что-то действительно значимое.
Я слышал, вы говорили о необходимости более гибкого, быстрого и отзывчивого N.C.A.A.
Одна из моих строк состоит в том, что слова «проворный» и «N.C.A.A.» никогда раньше не появлялись в одном и том же предложении.
trailofbits / algo: настройка личного VPN в облаке
Algo VPN – это набор скриптов Ansible, которые упрощают настройку личного WireGuard и IPsec VPN. Он использует самые безопасные доступные настройки по умолчанию и работает с распространенными поставщиками облачных услуг.Смотрите наше объявление о выпуске для получения дополнительной информации.
Характеристики
- Поддерживает только IKEv2 с надежным шифрованием (AES-GCM, SHA2 и P-256) для iOS, macOS и Linux
- Поддерживает WireGuard для всего вышеперечисленного, в дополнение к Android и Windows 10
- Создает файлы .conf и QR-коды для клиентов iOS, macOS, Android и Windows WireGuard
- Создает профили Apple для автоматической настройки устройств iOS и macOS для IPsec – клиентское программное обеспечение не требуется
- Включает вспомогательный сценарий для добавления и удаления пользователей
- Блокирует рекламу с помощью локального преобразователя DNS (необязательно)
- Устанавливает ограниченных пользователей SSH для туннелирования трафика (необязательно)
- На основе текущих версий Ubuntu и strongSwan
- Устанавливается в DigitalOcean, Amazon Lightsail, Amazon EC2, Vultr, Microsoft Azure, Google Compute Engine, Scaleway, OpenStack, CloudStack, Hetzner Cloud, Linode или ваш собственный сервер Ubuntu (для более опытных пользователей)
Противовоспалительные свойства
- Не поддерживает устаревшие комплекты шифров или протоколы, такие как L2TP, IKEv1 или RSA
- Не устанавливает Tor, OpenVPN или другие опасные серверы
- Не зависит от безопасности TLS
- Не претендует на анонимность или избежание цензуры
- Не претендует на защиту от FSB, MSS, DGSE или FSM
Развертывание сервера Algo
Самый простой способ запустить сервер Algo – запустить его в локальной системе или из Google Cloud Shell и позволить ему настроить для вас новую виртуальную машину в облаке.
Настройте учетную запись на сервере облачного хостинга. Algo поддерживает DigitalOcean (наиболее удобный для пользователя), Amazon Lightsail, Amazon EC2, Vultr, Microsoft Azure, Google Compute Engine, Scaleway, DreamCompute, Linode или другой облачный хостинг на основе OpenStack, Exoscale или другой облачный хостинг на основе CloudStack или Hetzner Облако.
Получите копию Algo. Сценарии Algo будут установлены в вашей локальной системе. Получить копию можно двумя способами:
Загрузите ZIP-файл.Разархивируйте файл, чтобы создать каталог с именем
algo-master, содержащий сценарии Algo.Запустите команду
git clone https://github.com/trailofbits/algo.git, чтобы создать каталог с именемalgo, содержащий сценарии Algo.
Установите основные зависимости Algo. Algo требует, чтобы в вашей системе были установлены Python 3.
6 или новее и хотя бы один поддерживающий пакет.macOS: Catalina (10.15) и выше включает Python 3 как часть дополнительного пакета инструментов разработчика командной строки. От терминала:
python3 -m pip install --user --upgrade virtualenv
При появлении запроса установите Инструменты разработчика командной строки и повторно запустите указанную выше команду.
Для версий macOS до Catalina см. Развертывание из macOS для получения информации об установке Python 3.
Linux: Последние выпуски Ubuntu, Debian и Fedora поставляются с уже установленным Python 3.Убедитесь, что ваша система обновлена, и установите поддерживающий пакет (-ы):
- Ubuntu и Debian:
sudo apt install -y --no-install-рекомендует python3-virtualenv
На Raspberry Pi под управлением Ubuntu также установитеlibffi-devиlibssl-dev. - Fedora:
sudo dnf install -y python3-virtualenv
- Red Hat и CentOS 7 и новее (более ранние версии см.
В этой документации):sudo yum -y установить epel-release sudo yum -y установить python36-virtualenv
- Ubuntu и Debian:
Windows: Используйте подсистему Windows для Linux (WSL), чтобы создать свою собственную копию Ubuntu, работающую под Windows, из которой можно установить и запустить Algo.Дополнительную информацию см. В документации Windows.
Установите оставшиеся зависимости Algo. Вам нужно будет запускать эти команды из каталога Algo каждый раз, когда вы загружаете новую копию Algo. В окне терминала
cdв каталогalgo-master(ZIP-файл) илиalgo(git clone) и запустите:python3 -m virtualenv --python = "$ (команда -v python3)" .env && источник .env / bin / активировать && python3 -m pip install -U pip virtualenv && python3 -m pip install -r требования.txt
В Fedora добавьте параметр
--system-site-packagesк первой команде выше.
В macOS при появлении запроса установите компилятор C.Задайте параметры конфигурации. Откройте файл
config.cfgв своем любимом текстовом редакторе. Укажите пользователей, которых вы хотите создать, в спискепользователей. Создайте уникального пользователя для каждого устройства, которое вы планируете подключать к своей VPN. Если вы хотите добавить или удалить пользователей позже, вы должны выбратьдавВы хотите сохранить ключи (PKI)?во время развертывания сервера.Вам также следует изучить другие варианты перед развертыванием, поскольку, если вы измените свое мнение о них позже, вам может потребоваться развернуть новый сервер.Запустите развертывание. Вернитесь к своему терминалу. В каталоге Algo запустите
./algoи следуйте инструкциям. Доступно несколько дополнительных функций, ни одна из которых не требуется для полнофункционального сервера VPN.
Эти дополнительные функции описаны здесь более подробно.
Вот и все! Вы получите сообщение ниже, когда процесс развертывания сервера завершится.Обратите внимание на пароль p12 (сертификат пользователя) и ключ CA на случай, если они вам понадобятся позже, , на этот раз они будут отображаться только .
Теперь вы можете настроить клиентов для подключения к вашей VPN. Перейдите к настройке VPN-клиентов ниже.
"# Поздравляем! #"
"# Ваш сервер Algo запущен. #"
"# Файлы конфигурации и сертификаты находятся в каталоге ./configs/.# "
"# Перейдите на https://whoer.net/ после подключения #"
"# и убедитесь, что весь ваш трафик проходит через VPN. #"
"# Локальный DNS-преобразователь 172.16.0.1 #"
"# Пароль ключей p12 и SSH для новых пользователей - XXXXXXXX #"
"# Пароль ключа CA - XXXXXXXXXXXXXXXXXXXXXXXXXXXXXXXXX #"
"# Доступ к оболочке: ssh -F configs / / ssh_config #"
Настройка клиентов VPN
Сертификаты и файлы конфигурации, которые потребуются пользователям, помещаются в каталог configs .
Обязательно защитите эти файлы, поскольку многие из них содержат закрытые ключи. Все файлы сохраняются в подкаталоге с IP-адресом вашего нового сервера Algo VPN.
Устройства Apple
WireGuard используется для предоставления услуг VPN на устройствах Apple. Algo генерирует файл конфигурации WireGuard, wireguard / , и QR-код, wireguard / для каждого пользователя, определенного в config.cfg .
На iOS установите приложение WireGuard из iOS App Store.Затем используйте приложение WireGuard для сканирования QR-кода или AirDrop файла конфигурации на устройство.
В macOS Mojave или более поздней версии установите приложение WireGuard из Mac App Store. WireGuard появится в строке меню после запуска приложения. Щелкните значок WireGuard, выберите Импортировать туннель (ы) из файла … , затем выберите соответствующий файл конфигурации WireGuard.
В iOS или macOS вы можете включить «Подключаться по запросу» и / или исключить определенные доверенные сети Wi-Fi (например, вашу домашнюю или рабочую), отредактировав конфигурацию туннеля в приложении WireGuard.
(Algo не может сделать это автоматически.)
Установка WireGuard немного сложнее в более старой версии macOS. См. Раздел Использование macOS в качестве клиента с WireGuard.
Если вы предпочитаете использовать встроенный IPSEC VPN на устройствах Apple, или вам необходимо автоматически настроить «Подключение по запросу» или исключенные сети Wi-Fi, см. Использование устройств Apple в качестве клиента с IPSEC.
Устройства Android
WireGuard используется для предоставления услуг VPN на Android. Установите клиент WireGuard VPN.Импортируйте соответствующий файл wireguard / на свое устройство, затем установите с ним новое соединение. См. Инструкции по установке Android для более подробного изучения.
Окна
WireGuard используется для предоставления услуг VPN в Windows. Algo создает файл конфигурации WireGuard, wireguard / , для каждого пользователя, определенного в config.cfg .
Установите клиент WireGuard VPN. Импортируйте сгенерированный Wireguard / на свое устройство, а затем установите с ним новое соединение.
Клиенты Linux WireGuard
WireGuard отлично работает с клиентами Linux. На этой странице показан пример настройки WireGuard в Ubuntu.
Клиенты Linux strongSwan IPsec (например, OpenWRT, Ubuntu Server и т. Д.)
Пожалуйста, посмотрите эту страницу.
Другие устройства
В зависимости от платформы вам может потребоваться один или несколько из следующих файлов.
- ipsec / руководство / cacert.pem: Сертификат CA
- ipsec / manual / .p12: сертификат пользователя и закрытый ключ (в формате PKCS # 12)
- ipsec / manual / .conf: конфигурация клиента strongSwan
- ipsec / manual / .secrets: конфигурация клиента strongSwan
- ipsec / apple / .mobileconfig: профиль Apple
- wireguard / .conf: профиль конфигурации WireGuard
- wireguard / .
png: конфигурация WireGuard QR-код
Настройка туннеля SSH
Если вы включили необязательную роль туннелирования SSH, то учетные записи локальных пользователей будут созданы для каждого пользователя в конфигурации .cfg и SSH-файлы authorized_key для них будут находиться в каталоге configs (user.ssh.pem). Учетные записи пользователей SSH не имеют доступа к оболочке, не могут аутентифицироваться с помощью пароля и имеют только ограниченные параметры туннелирования (например, требуется ssh -N ). Это гарантирует, что пользователи SSH имеют наименьший доступ, необходимый для настройки туннеля, и не могут выполнять другие действия на сервере Algo.
Используйте приведенный ниже пример команды, чтобы запустить туннель SSH, заменив и своими собственными.После настройки туннеля вы можете настроить браузер или другое приложение на использование 127.0.0.1:1080 в качестве прокси-сервера SOCKS для маршрутизации трафика через сервер Algo:
ssh -D 127.0.0.1:1080 -f -q -C -N
@algo -i configs / / ssh-tunnel / .pem -F configs / / ssh_config
SSH в Algo Server
Ваш сервер Algo настроен для доступа по SSH только по ключу в административных целях. Откройте приложение «Терминал», cd в каталог algo-master , куда вы изначально загрузили Algo, а затем используйте команду, указанную в сообщении об успешном завершении:
ssh -F configs / / ssh_config
, где – IP-адрес вашего сервера Algo.Если вы обнаружите, что регулярно заходите на сервер, будет полезно автоматически загрузить свой ssh-ключ Algo. Добавьте следующий фрагмент в конец ~ / .bash_profile , чтобы навсегда добавить его в среду оболочки:
ssh-add ~ / .ssh / algo> / dev / null 2> & 1
В качестве альтернативы вы можете включить сгенерированную конфигурацию для любых серверов Algo, созданных в вашу конфигурацию SSH.
Отредактируйте файл ~ / .ssh / config , чтобы включить эту директиву вверху:
Включить / configs / * / ssh_config
, где – это каталог, в который вы клонировали Algo.
Добавление или удаление пользователей
Если вы решили сохранить ключ CA во время процесса развертывания, тогда собственные сценарии Algo могут легко добавлять и удалять пользователей с VPN-сервера.
- Обновите список пользователей
в файле config.cfg - Откройте терминал,
cdв каталог algo и активируйте виртуальную среду с исходным кодом.env / bin / activate - Выполните команду:
./algo update-users
После завершения этого процесса сервер Algo VPN будет содержать только пользователей, перечисленных в конфигурации .cfg файл.
Дополнительная документация
Инструкции по настройке для определенных облачных провайдеров
Установка и развертывание с общих платформ
Настройка VPN-клиентов для подключения к серверу
- Настройка клиентов Android
- Настройка клиентов Linux с помощью Ansible
- Настройка клиентов Ubuntu для использования WireGuard
- Настройка клиентов Linux для использования IPsec
- Настройка устройств Apple для использования IPsec
- Установите Mac под управлением macOS 10.
13 или старше для использования WireGuard
Расширенное развертывание
Если вы прочитали всю документацию и у вас есть дополнительные вопросы, создайте новое обсуждение.
Подтверждения
Я так долго разглагольствовал о плачевном состоянии VPN svcs, наверное, о время, чтобы правильно поговорить на эту тему. TL; DR: используйте Algo.
– Кенн Уайт
Перед тем, как выбрать поставщика / приложение VPN, обязательно изучите https: // исследование.csiro.au/ng/wp-content/uploads/sites/106/2016/08/paper-1.pdf … – или рассмотрите Algo
– Реестр
Algo действительно прост и безопасен.
– гругк
Я экспериментировал с Algo VPN, набором скриптов, которые позволяют настроить VPN в облаке за очень короткое время, даже если вы мало разбираетесь в разработке. Должен сказать, что меня очень впечатлил подход Trail of Bits.
– Ромен Дилле для TechCrunch
Если вам неудобно отдавать деньги анонимному случайному провайдеру VPN, это лучшее решение.
– Торин Клосовски для Lifehacker
Поддержка Algo VPN
Все пожертвования поддерживают дальнейшее развитие. Спасибо!
- Мы принимаем пожертвования через PayPal, Patreon и Flattr.
- Используйте наш реферальный код при подписке на Digital Ocean для получения кредита в размере 10 долларов США.
- Мы также принимаем и ценим внесение нового кода и исправлений через запросы на извлечение Github.
Algo распространяется по лицензии AGPLv3 и распространяется по лицензии AGPLv3.Если вы хотите распространять модификацию с закрытым исходным кодом или услугу на основе Algo, рассмотрите возможность приобретения исключения. Как и в случае с описанными выше методами, это поможет поддержать дальнейшее развитие.
Схема подключенияArgo 3п рычаг.
Арго 1970Пожалуйста, введите адрес электронной почты, связанный с вашей учетной записью, и мы отправим вам ссылку для сброса пароля. Ваша ссылка для сброса пароля уже в пути. Если у вас возникли проблемы с доступом к своей учетной записи, свяжитесь с нами по адресу, и мы вам поможем.Если вы считаете, что это ошибка, обратитесь в службу поддержки клиентов или напишите нам по электронной почте.
Бесплатная доставка Этот товар отправляется бесплатно. Мы стараемся всегда предлагать вам самые низкие цены, но некоторые производители требуют, чтобы мы показывали эти низкие цены только после того, как вы предпримете дальнейшие действия.
Чтобы узнать цену, просто добавьте товар в корзину или войдите в систему. Этот продукт не соответствует Закону о безопасной питьевой воде, который требует, чтобы продукты, используемые в любой системе, обеспечивающей воду для питья или приготовления пищи, соответствовали требованиям с низким содержанием свинца. стандарты.Установите флажок ниже, чтобы подтвердить, что вы знаете, что этот элемент предназначен только для непитьевой воды.
Этот продукт НЕ будет использоваться при установке или ремонте устройства, потребляющего питьевую воду. Когда вы заказываете этот товар, мы специально заказываем его для вас у производителя.
Таким образом, наша стандартная политика возврата не распространяется на этот товар. Гарантия производителя по-прежнему действует. Я понимаю, что после того, как я закажу этот товар, я не могу его отменить или вернуть. Несоблюдение этого может привести к значительному материальному ущербу, серьезным травмам или смерти.Не используйте этот элемент для установки или ремонта систем питьевого водоснабжения.
Этот продукт не соответствует «Закону о безопасной питьевой воде», который требует, чтобы продукты соответствовали стандартам с низким содержанием свинца, чтобы их можно было использовать в системах, обеспечивающих воду для питья или приготовления пищи человеком.
Этот товар предназначен только для питьевой воды, не предназначенной для потребления человеком. В настоящее время мы не перевозим это устройство.
Мы размещаем это на нашем сайте, потому что мы продаем запасные части для этого устройства.Пожалуйста, свяжитесь с нами с любыми вопросами: мы сейчас в отъезде.
Наши часы Live Chat :. Не стесняйтесь, отправьте нам сообщение, и мы свяжемся с вами в обычное рабочее время :. Свяжитесь с нами по электронной почте. Позвоните или свяжитесь с нами в чате. Отправить Пожалуйста, введите действующий адрес электронной почты. Извините, ваш адрес электронной почты не найден в нашей системе. Easy Returns Отсутствие комиссии за возврат в течение 90 дней. Нужны запасные части для этого устройства? Просмотреть запасные части. Руководства 1. Задержка :. Рейтинг VA :. Поговорите с реальным человеком, который изо всех сил старается помочь! Вызов текстового чата.В настоящее время для оформления доступно только количество 0.
Вы уже добавили максимально доступное количество. В вашей корзине уже есть 0 товаров.
Чтобы приобрести еще один по безвозвратной цене, нажмите кнопку «Купить сейчас» ниже.
Вы уже добавили в корзину количество этого продукта, равное 0, которое у нас есть при оформлении этого товара. Если вы хотите купить более 0, у вас есть возможность сделать покупку из нашего стандартного инвентаря. Если вы хотите продолжить, вы можете сделать это, используя ссылку «Купить акции по обычной цене» ниже, или закрыть это всплывающее окно, чтобы купить до 0 количества этого товара по отпускной цене.
Если вы хотите купить больше 0, у вас есть возможность приобрести остаток из наших стандартных запасов. Если вам нужны только 0 единиц по отпускным ценам, нажмите кнопку «Купить только на таможенную очистку» ниже, и мы автоматически заполним поле количества для количества, равного 0 по отпускной цене.
В настоящее время у нас есть 0 доступных по цене распродажи. Вы уже добавили в корзину 0. Вы можете добавить еще одно количество в корзину из раздела оформления.
ARGO ARM-3P
Чтобы добавить дополнительное количество в корзину, нажмите кнопку ниже.
Если вы хотите продолжить, вы можете сделать это с помощью кнопки «Купить инвентарь с обычной ценой» ниже или закрыть это всплывающее окно и ввести дополнительное количество этого предмета, которое вы хотите купить по отпускной цене. Фактическое может отличаться от изображенного. Добавить в корзину.
Добавить в список желаний. Будьте первым, кто оставит отзыв. Отправьте новый вопрос. Фактические элементы могут отличаться от представленного на изображении. Пожалуйста, нажмите кнопку «Купить сейчас» ниже, чтобы купить эти 0, прежде чем они исчезнут.Купить сейчас Закрыть. Покупайте только с распродажей. Покупайте больше по цене распродажи. Похоже, вы здесь новенький.
Rohnert park ca weatherЕсли вы хотите принять участие, нажмите одну из этих кнопок! Стена. Щелкните здесь, чтобы найти подрядчика в вашем районе. Вот правила сайта, а также несколько советов по использованию этого форума.
Если вы нашли здесь помощь, зайдите еще раз, чтобы сообщить нам, как все прошло.
Это отличный способ поблагодарить тех, кто вам помог. Вам нужно с нами связаться? У меня есть котел, работающий на жидком топливе, с катушкой-цистерной, использующей аквастат LB.В настоящее время он имеет одну зону нагрева циркулятора, подключенную через LB. Я добавляю еще две зоны, включая бытовой водонагреватель непрямого действия Super Stor с LA и еще одну зону нагрева, в общей сложности 3, которые будут подключены через недавно приобретенный ARGO ARM-3P, я подумал, что это просто вещи.
Подключение термостатов, циркуляционных насосов и LA выглядит прямолинейно. Электросхема, поставляемая с ARM-3P, немного сбивает с толку. В нем упоминаются Лос-Анджелес и Лос-Анджелес. Спасибо. Ноябрь. Но сначала – это существующий провод термостата или низкое напряжение? А к термостату идет нормально? Во многих домах здесь мы видим красный провод, на который подается линейное напряжение прямо от термостата к котлу, и в этом случае необходимо выполнить некоторые изменения проводки.
Термостат линейного напряжения Спасибо, Рон, вот еще немного информации.
Термостат работает от сети. Белый провод, идущий от термостата, подключается к красному проводу, который подключается к клемме W на LB на котле. Черный провод от термостата идет к циркулятору. Если это облегчит жизнь, я не против перехода на термостат низкого напряжения. Хорошо, это упрощает задачу Прежде всего убедитесь, что все питание отключено.
Вы хотите вынуть провод термостата из и подключить его прямо к Т-Т зоны на реле, но не приоритетной зоны.Вам нужно будет протянуть провод питания от клеммы W к клемме L Argo. Вам также необходимо подключить нейтральный провод к клемме N Argo, а также заземлить на всякий случай. Котел будет поддерживать высокую настройку, но все зоны отключатся, если температура опустится ниже нижней настройки. Лучшим способом управления Арго и котлом является использование аквастата Honeywell A – он может поддерживать минимальную температуру котла до тех пор, пока не поступит сигнал от Argot, а затем он повысит температуру котла до максимального значения.
Удачи, Гэри. Вы можете получить доступ к настройкам выборочной синхронизации, выбрав «Настройки», а затем нажав кнопку «Учетные записи». Как вы можете видеть на фотографии выше, у меня отключено резервное копирование фотографий из Dropbox на моем Mac. Мой единственный совет – убедитесь, что у вас есть полная резервная копия вашей библиотеки фотографий, прежде чем включать iCloud Photo Library.
У меня было много дубликатов, и некоторые люди сообщали об исчезновении альбомов. При этом есть миллионы счастливых пользователей библиотеки фотографий iCloud.Только не забудьте подготовиться, если что-то пойдет не так. Чтобы включить его, просто запустите приложение «Фото» на своем Mac, выберите «Фотографии» в верхней части навигации, а затем «Настройки».
В разделе iCloud просто установите флажок для библиотеки фотографий iCloud. Затем просто убедитесь, что выбрана подопция Оптимизировать хранилище Mac.
Подсказка Эрику в комментариях, который указал, что важно не забывать периодически очищать корзину.
Этот пост был распространен через The App Factor.В SSD дисков нет. Вы можете повторно загрузить приложение из Mac App Store, только если оно все еще продается в Mac App Store.
Это одна из вещей, которая меня больше всего раздражает. Если я куплю его, он будет всегда доступен в облаке. Трудно сэкономить место для хранения, если вам нужно беспокоиться об удалении фильма из магазина. Ни на одном из моих компьютеров или устройств iOS годами не использовались жесткие диски.
MaH Это одна из вещей, которая меня больше всего раздражает.Заполните форму ниже, затем посетите наш магазин Innergie, чтобы заказать чаевые. Серийный номер указан на продукте. См. Образец изображения ниже.
Западная Сахара Йемен Замбия Зимбабве Торговая марка вашего ноутбука Модель вашего ноутбука № Эти замечательные маленькие подсказки содержат менее 200 слов, а это значит, что их прочтение займет около 60 секунд. Темы включают: Пожалуйста, заполните информацию ниже.
Вы получите от нас электронное письмо с подтверждением.
Согласно правилам CASL, вы должны щелкнуть ссылку согласия в этом электронном письме.Только после этого мы сможем начать присылать вам наши бесплатные еженедельные советы. Конечно, в любой момент вы сможете выбрать ссылку внизу каждого последующего электронного письма, чтобы отказаться от подписки.
Темы включают: создание сетей, соединение, общение, сотрудничество, Гейл, Джуди и Дарси. Шепа Learning Company Форма регистрации. Пожалуйста, заполните информацию ниже. Самое лучшее в этом процветающем канале.
Кто угодно может использовать его. Когда дело доходит до маркетинга в Интернете, главное – контент. Это означает, что независимо от того, какой у вас тип малого бизнеса, вам нужно сосредоточиться на создании качественного контента для нужной аудитории.Вот несколько примеров: подумайте об Instagram как о цифровом журнале.
Все игры должны начинаться в запланированный день, чтобы ставки имели силу.
Игра должна быть завершена полностью, чтобы ставки остались в силе, если расчет ставок еще не определен. На двусторонних рынках применяются правила пуша, если иное не указано ниже.
Free Argo Atv Manuals
Ставки перед игрой Все ставки перед игрой не включают овертайм, если не указано иное. Если игра меняется с 2 таймов по 45 минут на 3 периода по 30 минут, ставки остаются в силе, если не указано иное.
Половина ставок по ходу игры, ИСКЛЮЧАЯ дополнительное время Указанная половина должна быть завершена, чтобы половинные ставки остались в силе, если расчет ставок еще не определен. Для половинных ставок, если игра изменяется с 2 таймов по 45 минут на 3 периода по 30 минут, то ставки аннулируются. 10-минутные ставки по ходу игры ИСКЛЮЧАЯ дополнительное время Определенная 10-минутная продолжительность матча должна быть завершена, чтобы ставки имели силу, если только конкретный рыночный исход уже не определен.
Чемпионат www.
Все игры должны начаться в запланированный день (местное время), чтобы ставки были действительными. Если игра была отложена или отменена до положенного времени начала, все ставки считаются бездействующими.
Регистрация VaporБейсбол, не относящийся к MLB (включая бейсбольную низшую лигу) – питчеров в списке нет, и все ставки являются действующими, независимо от того, кто подает за каждую команду. Клиент обязан убедиться, что он осведомлен о любых существенных изменениях питчера. Стартовый питчер каждой команды определяется для целей заключения пари как питчер, который подает исходную подачу.Кувшины могут быть указаны при размещении ставок. Для любой приостановленной игры плей-офф MLB, которая возобновляется в течение 72 часов после приостановки, все ставки остаются в силе и рассчитываются после завершения игры.
Если игра не будет завершена в течение 72 часов с момента приостановки, все ставки будут аннулированы, если расчет ставок еще не определен.
Если игра объявляется или приостанавливается после того, как этот момент игры достигнут, то победитель определяется по счету после последнего полного иннинга (если только команда, отбивающая секунду, не набирает очки или не выходит вперед в нижней половине матча). иннинг, и в этом случае победитель определяется по счету на момент объявления игры).
Обратите внимание, что приостановленные игры не переносятся (за исключением игр плей-офф MLB – см. Специальное правило). Однако в случае объявления правила милосердия все ставки будут учитываться при счете.
Обратите внимание, что приостановленные игры не переносятся. Игра MLB отменяется или приостанавливается при 5-5, ставки на тотал игр больше 10 или 10. В частности, для матчей MLB Spring Training расчет будет основан только на 9 иннингах в случаях, когда может применяться правило естественного завершения.В этом случае все ставки будут рассчитаны следующим образом: ставки больше на указанный тотал будут рассчитаны как выигравшие, а меньшие ставки на указанный тотал будут рассчитаны как проигравшие.
В этом случае все ставки будут рассчитаны следующим образом: ставки больше на указанный тотал будут рассчитаны как выигравшие, а меньшие ставки на указанный тотал будут рассчитаны как проигравшие.
Все реквизиты для 1-го иннинга – 1-й иннинг должен быть завершен, чтобы ставки имели силу, если расчет ставок еще не определен. Лидировать после x иннингов – ставки будут рассчитаны по результату после завершения первых x иннингов, за исключением случаев, когда команда, отбивающая секунду, уже впереди в середине соответствующего иннинга, или набирает очки, чтобы выйти вперед в этом иннинге, и в этом случае Команда, показавшая второе место, считается победителем.
Игра MLB отменяется или приостанавливается при 5-5, ставки на более 10 или 10. Для перехода к дополнительным иннингам – конец 9-го иннинга должен быть завершен, чтобы ставки имели силу. Линия забега (включая альтернативы) – Для того, чтобы ставки имели силу, верх и низ указанного иннинга должны быть завершены, за исключением случаев, когда команда, отбивающая секунду в указанном иннинге, уже покрыла линию забега и не может быть обгонена.
В случае применения правила милосердия, любые незавершенные рынки лидера иннинга будут считаться выигранными победителем матча.
Если ничья объявлена или приостановлена и для естественного завершения игры требуется победитель, то ставки на соответствующее предложение Race To аннулируются. Игра MLB отменяется или приостанавливается со счетом 3: 3 после 10 иннингов, все ставки на гонку до 4 аннулируются. Двукратный победитель Суперкубка в квотербеке.
На бумаге Big Blue выглядит хорошей ставкой. Эти два титула, которые выиграл Эли, были вызваны мощными атаками. Интригующая команда с адской защитой выигрывает титул 12: 4 AFC West. Доверять Тому Сэвиджу или новичку Дешону Ватсону в ведении техасцев в землю обетованную – все равно что бросать деньги в костер.
Не так давно Кошки были 17-1 и представляли NFC в Суперкубке. Кэм Ньютон, прошедший ужасный 2016 год, стремится доказать, что прошлый год был счастливой случайностью. Добавьте сюда новичка швейцарского армейского ножа Кристиана Маккаффери и крепкую переднюю семерку, и это должно вызвать значительный интерес.
Особенно по такой цене. Если Атланта регрессирует, берегитесь. Молодая, талантливая команда с стрелком на позиции квотербека, парой приемных и атакующей защитой.
Последние два чемпиона NFC прибыли из AFC South.По этой цене стоит подумать об участии в любой из этих команд. Дрю Брис знает, что время на очередной пробег Суперкубка уходит. Возможно, добавление Адриана Петерсона придаст Святым импульс, необходимый им для преодоления очевидных недостатков в защите.
Модем Arris xb6 Что касается Birds, никто никогда не выигрывает NFC East за последние годы, и шумиха вокруг Карсона Венца кажется вполне законной. Если защита Eagle может подняться до уровня Top 10, этого может быть достаточно, чтобы перенести их в январь.Знаете ли вы, что до перелома малоберцовой кости на 16-й неделе прошлого сезона квотербек второго года Маркус Мариота совершил 26 приземлений против всего 9 перехватов. Знаете ли вы, что «Титаны» финишировали третьими в рывке позади омолодившегося Демарко Мюррея и новичка Деррика Генри.
Знаете ли вы, что Делани Уокер и ресивер Ришард Мэтьюз на тайт-энде вместе совершили 16 тачдаунов. Знаете ли вы, что они подписали Эрика Декера, который забивал двузначные тачдауны в трех из последних пяти сезонов. Что все это значит.Это означает, что скоро состоится Суперкубок Мариоты против Уинстона. Опять же, здесь много ценности. Он забросил 28 приземлений против только 2 перехватов, что было достаточно, чтобы финишировать вторым после Мэтта Райана. Он заслуживает того, чтобы стать лидером в 2017 году, и, как и его команда, является надежным источником дохода.
Роджерс стремится к третьему трофею MVP, и, учитывая талантливые возможности для паса, у него не должно быть проблем с повторной публикацией безвкусных цифр. Он также является одним из лучших игроков на доске.
Назовите это низким риском, высокой наградой. С момента вступления в лигу в 2014 году Карр улучшался каждый сезон. Однако, как и в случае с любым квотербеком, его шансы стать самым ценным игроком напрямую связаны с тем, насколько хорошо играют «Рейдеры».
Если они сделают шаг назад и пропустят плей-офф, Карр, несомненно, возьмет на себя часть вины. Тем не менее, от его цены сложно отказаться. Райан был достоин победы в 2016 году, но вроде как выигрывал по умолчанию. Нападение Falcons готово сделать шаг назад в 2017 году, поэтому избегать Мэтти Айса имеет смысл.Фредери Виенс, председатель STT, во время посещения Центра стохастического моделирования (CIMFAV) Университета Вальпараисо, Чили.
Лео проведет два года в качестве научного сотрудника в МГУ, где он будет участвовать во многих проектах с различными командами в STT и других подразделениях на территории кампуса.
Примечательно, что он уже участвует в новом захватывающем сотрудничестве между STT и Лабораторией редких изотопных пучков (FRIB), где он присоединяется к главному научному сотруднику FRIB профессору Витольду Назаревичу и его команде, председателю STT Фредери Виенсу и профессору Фонда STT МГУ Тапсу Маити. , поскольку они разрабатывают новые байесовские инструменты для количественной оценки неопределенности в моделях ядерной физики.
Лео также начинает новое сотрудничество с командой STT, а также профессором Бенгтом Арнетцем, заведующим кафедрой семейной медицины, и профессором
Джуди Арнец, заместитель председателя отдела исследований того же отдела, где они будут исследовать новые прогностические модели и их байесовский анализ для улучшения результатов здравоохранения в Мичигане. Мы очень рады поступлению Лео в STT в МГУ и надеемся на его успешное сотрудничество. Марк Меершарт включен в список самых цитируемых исследователей Thompson Reuters – вместе с пятью другими преподавателями МГУ Марк Меершарт был назван одним из самых цитируемых исследователей Thompson Reuters в 2016 году.
Поздравляем наших новых кандидатов наук.
Разница в деталях
На фото: Фредери Виенс (председатель отдела), Шуньцзе Гуань, Лянлян Чжан, Гуйлин Ши, Пей Гэн, Атрейи Маджумдер, Абди Саркар, Снеха Джадхав, Тапс Маити (аспирант). В Purdue он также был директором программы для выпускников по вычислительным финансам более десяти лет и заместителем директора программы для студентов актуарных наук, в рамках которой он разрабатывал новые курсы, совместимые с SOA, и реструктурировал предложения.
До этого он был доцентом математики в Университете Северного Техаса и докторантом NSF в Барселоне и Париже. Ист-Лансинг, штат Мичиган, 48824 MSU – работодатель позитивных действий и равных возможностей. Livescore, статистика, коэффициенты ставок.
Таблицы лиг, результаты, статистика и бесплатные советы по ставкам. Наш сайт не может работать без файлов cookie, поэтому, пользуясь нашими услугами, вы соглашаетесь на использование файлов cookie.
OK Обнаружено мобильное устройство или устройство с маленьким экраном. Пожалуйста, выберите версию веб-сайта: домашний эксперт по прогнозам топ10 результатов в прямом эфире популярные пользователи пользовательские прогнозы поиск Tweet.Бундеслига Швейцария-Суперлига Дания-Суперлига Испания-Сегунда Дивизион Кипр-Дивизион 1 Хорватия-Прва HNL Боливия-Клаусура Словакия-Дивизион 1 Чили-Прима Дивизион Словения-Прва Лига Южная Африка-Премьер-лига Австрия-Бундеслига Польша-Экстракласа Индия-I -лига Гондурас-Ап-п.
Тезис о питании животных pdf Лига Иран-Азадеган Лига Уругвай-Pd Понижение P.
Lig Red Group Люксембург-Национальный Дивизион Франция-Кубок Англии Гонконг-Дивизион 1 Австралия-W-лига Гонконг-Премьер-лига Германия-Бундеслига Женщины Испания-Сегунда Дивизион B Группа 4 Испания-Сегунда Дивизион B Группа 1 Испания-Примера Дивизион Женщины Германия-Региональная лига Северо-Восточная Англия-Женская Суперлига Германия-3.Паули – MSV DuisburgFC Санкт-ПаулиMSV Дуйсбург SV Сандхаузен – Арминия БилефельдSV СандхаузенАрминия Билефельд BSC Young Boys – Grasshopper-ClubBSC Young BoysGrasshopper-Club FC Zurich – FC LuzernFC Luzern FC LuganoFC Sport Lausanpen – AGFBrondbyAGF ФК Нордшелланд – HobroFC NordsjaellandHobro Оденсе – SilkeborgOdenseSilkeborg Cordoba – Райо Вальекано VallecanoCordobaRayo Тенерифе – ReusTenerifeReus Овьедо – OsasunaOviedoOsasuna Луго – Культурные LeonesaLugoCultural Leonesa Gimnastic TarragonaSevilla AtleticoGimnastic TarragonaSevilla Atletico Олимпиакос Никосия – А.
Kition Ларнака Неа Саламина – ArisNea SalamisAris HNK RijekaNK Славен BelupoHNK RijekaNK Славен Белупо NK Lokomotiva ZagrebHNK Хайдук SplitNK Lokomotiva ZagrebHNK Хайдук Jorge Wilstermann – BloomingJorge WilstermannBlooming Nacional Потоси – BolivarNacional PotosiBolivar StrongestReal PotosiThe StrongestReal Потоси Гуабира – Oriente PetroleroGuabiraOriente Петролеро Сан-Хосе – Sport Boys WarnesСан-ХосеSport Boys Warnes МФК Ружомберок – Слован БратиславаМФК РужомберокСлован Братислава Антофагаста – У.
Католика Сан-Луис – Аудакс ИтальяноСан ЛуисАудакс Итальяно Палестино – Сантьяго УондерерсПалестиноСантьяго Уондерерс Курико Юнидо – О ХиггинсКурико ЮнидоО Хиггинс Марибор – АлюминийМарибор Австрия ViennaSCR AltachAustria Вена Wolfsberger ACRed Bull SalzburgWolfsberger ACRed Bull Salzburg Лех PoznanCracovia KrakowLech PoznanCracovia Краков Висла KrakowWisla PlockWisla KrakowWisla Плоцк Pogon SzczecinZaglebie LubinPogon SzczecinZaglebie Любин Mohun BaganChurchill BrothersMohun BaganChurchill Brothers CD OlimpiaLobos UPNFMCD OlimpiaLobos UPNFM Бари – ПалермоПалермо FAR Rabat – Renaissance BerkaneFAR RabatRenaissance Berkane Hassania Agadir – FUS RabatHassania AgadirFUS Rabat Racing De Casablanca – Chabab Rif HoceimaRacing De CasablancaChabab Rif Hoceima Zira – Neftchi BakuZiraNeftchi Баку Keshla FC – KapazKeshla FCKapaz FK Borac Баня LukaSiroki BrijegFK Borac Баня LukaSiroki Brijeg Zeljeznicar SarajevoRadnik BijeljinaZeljeznicar SarajevoRadnik Биелину NK VitezFK SarajevoNK VitezFK Сараево 1: 0EAntigua GFC – Coban Imperial1Antigua GFC0ECoban Imperial Arouca – LeixoesAroucaLeixoes Nacional – Gil Vicente VicenteNacionalGil Sp.
Covilha – Uniao MadeiraSp. CovilhaUniao Мадейра Oliveirense – PenafielOliveirensePenafiel Academico ViseuSC Брага BAcademico ViseuSC Брага B FC Porto BGuimaraes BFC Porto BGuimaraes B Варзим – Cova De PiedadeVarzimCova De Piedade Бенфика BSporting CP BBenfica BSporting CP B Денизлиспор – SamsunsporDenizlisporSamsunspor Гиресунспор – RizesporGiresunsporRizespor Manisaspor – AltinorduManisasporAltinordu Saba Qom – Фаджр SepasiSaba QomFajr Sepasi Mes KermanIranjavan BushehrMes KermanIranjavan Бушер Nassaji MazandaranRah AhanNassaji MazandaranRah Ахан Bargh ShirazKhoneh Be KhonehBargh ShirazKhoneh Be Khoneh Oxin AlborzAluminium ArakOxin AlborzAluminium Арак Shahrdari MahshahrGol GoharShahrdari MahshahrGol Гоар 3: 2EL Tanque Sisley – Sud America3El Танк Сислей2HT 1: 0Сад Америка Уондерерс СК – Вайтакере ЮнайтедУондерерс СКУайтакер Юнайтед Хоукс Бэй Юнайтед – Тасман ЮнайтедХокс Бэй ЮнайтедТасман Юнайтед Саутерн Юнайтед – Кентербери ЮнайтедЮжный СШАКентербери Юнайтед Мельбурн Сити – К.
Кост Маринерс Мельбурн СитиC. Coast Моряки FC Panserraikos – VeriaPanserraikosVeria Doxa DramasAris ThessalonikisDoxa DramasAris Thessalonikis Panegialios – ErgotelisPanegialiosErgotelis Kissamikos – SpartiKissamikosSparti Трикала – Apollon Лариса FCTrikalaApollon Лариса ФК Zalaegerszegi TEGyirmot SEZalaegerszegi TEGyirmot SE Кишварда – Győri Eto FCKisvardaGyori Eto FC Cegledi VSEMTK BudapestCegledi VSEMTK Будапешт Bekescsaba 1912 – Сегед 2011Bekescsaba 1912Szeged 2011 Budaorsi SC – NyiregyhazaBudaorsi SCNyiregyhaza Шиофок – MTE 1904SiofokMTE 1904 Szolnoki MAV FC – SoroksarSzolnoki MAV FCSoroksar VAC – KazincbarcikaiVACKazincbarcikai Csakvar – Soproni VSECsakvarSoproni VSE Мумбаи CityChennaiyin FCMumbai CityChennaiyin FC Джамшедпура FCPune CityJamshedpur FCPune Город Катания – MateraCataniaMatera Paganese – LeccePaganeseLecce Fondi – AkragasFondiAkragas Monopoli – TrapaniMonopoliTrapani Siracusa – Juve StabiaSiracusaJuve Stabia Fidelis Andria – RendeFidelis AndriaRende Casertana – BisceglieCaserta naBisceglie Козенца – Virtus FrancavillaCosenzaVirtus Франкавилла Реджина – Sicula LeonzioRegginaSicula Leonzio Лос AndesNueva ChicagoLos AndesNueva Чикаго Boca Unidos – AgropecuarioBoca UnidosAgropecuario Депортиво MoronGuillermo BrownDeportivo MoronGuillermo Brown Gimnasia JujuySan Martin TucumanGimnasia JujuySan Martin Такаман Торонто FCSeattle SoundersToronto FCSeattle Саундерс Расинг – Реал Sociedad общеукрепляющее SantanderReal Сосьедад B CD VitoriaCD LealtadCD VitoriaCD Lealtad Спортинг Хихон Бреаль UnionSporting Гихон Бреаль Союз Barakaldo – Хвостовой DeportivoBarakaldoCaudal Депортиво Mirandes – Аренас ClubMirandesArenas Club Carrarese – LivornoCarrareseLivorno Алессандрия – PistoieseAlessandriaPistoiese Арзакена – Pro PiacenzaArzachenaPro Пьяченца Gavorrano – Giana ErminioGavorranoGIANA Erminio Monza – Кунео Витербезе Кастренсе – ОльбияВитербезе КастренсеОльбия Пиза – АреццоАреццо Прато – ПонтедераПратоПонтедера ФК Волен – Серветт ФК ВоленСерветт Рапп erswil – FC AarauRapperswilFC Aarau Bucaspor Izmir – KastamonusporBucaspor IzmirKastamonuspor Mersin Idman Yurdu – InegolsporMersin Idman YurduInegolspor BB Bodrumspor – EyupsporBucaspaysBucaspays – Amegolspor.
Spor Tokatspor – Sancaktepe BelediyeTokatsporSancaktepe Belediye Tuzlaspor – Коджаэли BirliksporTuzlasporKocaeli Birlikspor F91 DudelangeUnion Titus PetangeF91 DudelangeUnion Titus Petange FC Differdange 03US EschFC Differdange 03US Esch AS Jeunesse EschFola EschAS Jeunesse EschFola Esch Epinal – Blanc MesnilEpinalBlanc Mesnil Double FlowerKwun TongDouble FlowerKwun Tong Dreams Metro Gallery – Hoi KingDreams Metro GalleryHoi King Shatin – Eastern DistrictShatinВосточный округ Sun Hei SC – Mutual FCSun Hei SCMutual FC Tung Sing FC – Wing YeeTung Sing FCWing Yee Wong Tai Sin – Tai ChungWong Tai SinTai Chung HKFC – WanchaiHKFCWanne – Канберра Юнайтед (ж) Мельбурн Сити (ж) Канберра Юнайтед (ж) Брисбен Роар (ж) – Ньюкасл Джетс (ж) Брисбен Роар (ж) Ньюкасл Джетс (ж) BC Rangers – Китчи SCBC RangersKitchee SC Lee Man FC – Южный округ RSALee Man FC Южный округ RSA SC Freiburg (w) – FF USV Jena (w) SC Freiburg (w) FF USV Jena (w) Frank Фурт (ж) – SGS Essen (ж) Франкфурт (ж) SGS Essen (ж) Турбина Потсдам (ж) – 1899 Хоффенхайм (ж) Турбина Потсдам (ж) 1899 Хоффенхайм (ж) Вердер Бремен (ж) – ФК Кельн (ж) ) Вердер Бремен (ж) Кельн (ж) Хумилья – Эсиха Баломпи Хумилья Эсиха Баломпи Сан-Фернандо – Мелилья Сан-ФернандоМелилья УД Бадахос – Бетис ДепортивоUD БадахосБетис Депортиво Картахена – Реал ЛиненсКартабелла Мурсия Экстремальная Линенсе МарсияМурсия Мурсия Мурсия Марсия Лорка Deportiva Фуенлабрада – CoruxoFuenlabradaCoruxo San Sebastian De Los ReyesRayo MajadahondaSan Sebastian De Los ReyesRayo Махадаонда Union Adarve – PontevedraUnion AdarvePontevedra Вальядолид BGimnastica SegovianaValladolid BGimnastica Segoviana сельтена B – NavalcarneroCelta Виго BNavalcarnero Cerceda – Депортиво FabrilCercedaDeportivo Fabril Rapido De Bouzas – TalaveraRapido De BouzasTalavera C .
PredictZ предоставляет бесплатные футбольные советы и прогнозы, бесплатный анализ, футбольную форму и статистику, последние результаты и таблицы лиг и многое другое. Нажмите здесь, чтобы установить свои предпочтения по ставкамСмотрите эти прямые трансляции онлайн, скоро начнется.
Посмотреть отказ от ответственности в прямом эфире на bet365 грядущие прогнозы.
Щелкните каждую игру, чтобы просмотреть подробный анализ и статистику, и щелкните каждую лигу, чтобы увидеть полный набор прогнозов для каждой лиги. Вы бы предпочли просматривать эти прогнозы с использованием дробных коэффициентов.
Город аркадия календарь Щелкните здесь, чтобы установить предпочтения по коэффициентам. ГлавнаяПрогнозыРезультатыТаблицы лигиСтатистикаФормаПредложения по ставкам Лига чемпионовЛига Европы УЕФАКубок конфедерацийCopa AmericaМеждународныйМеждународный чемпионат мира до 21 года 2018Кубок Африки Англия Англия. Выберите футбольную лигу, и вы найдете статистику, ставки, таблицы и информацию для всех ваших потребностей в ставках.
Схема электрических соединений Argo 1972 г., базовая схема веб-сайта, 1972 г. Руководство по обслуживанию Argo S
Быстрые ссылки. Скачать это руководство См. Также: Руководство оператора. Оглавление. Руководство пользования. Руководство оператора внедорожника Арго 64 страницы. Page 3 Руководство по обслуживанию Argo Как пользоваться данным руководством Это руководство разделено на общие разделы, которые идентифицируются как «Руководство по обслуживанию», обозначенное двухбуквенным обозначением. Общая информация GI Найдите нужный раздел в руководстве по двигателю EN на этой странице, а затем включите электрическую систему GI-4 Вместимость автомобиля Argo GI-5 Идентификация модели только ранние модели GI-6, 7 Идентификация и расположение органов управления GI-8, 9 Технические характеристики модели Argo GI, 11 Информационные таблички GI Характеристики крутящего момента Argo GI, 14 Таблица технического обслуживания GI Таблицы поиска и устранения неисправностей Содержит инструкции по безопасной эксплуатации и предупреждает пользователя о потенциальных опасностях, которые могут привести к травмам.
Предупреждения обозначаются в тексте следующим символом: Текст предупреждения предупреждает пользователя о потенциальных опасностях, которые могут привести к травмам или смерти. Page 8 Модель Conquest 8×8 с двигателем 20 H. Хотя многие детали и процедуры обслуживания, описанные в Руководстве по обслуживанию, также относятся к Avenger, были созданы дополнительные разделы, посвященные деталям и процедурам, уникальным для Avenger. См. Номер детали дополнения выше. Внимательно прислушиваясь к нашим клиентам и реагируя на их потребности, мы постоянно улучшаем ARGO и будем продолжать это делать.
S гал. Страница 15 Сцепление: преобразователи крутящего момента с регулируемой скоростью Трансмиссия: 2 передние скорости, нейтральная и обратная передача Топливный бак: 32 литра 7. Информационные таблички на странице Информация об использовании стояночной тормозной системы, использовании транспортного средства в воде, правильных процедурах заправки и размещении Информация о днищах пола была представлена на ярких цветных этикетках, прикрепленных к различным точкам Арго.
Сначала это был совместный любительский проект, которым они занимались в свободное время.
Первым президентом корпорации был Уолтер Дэвидсон.Так появился знаменитый двигатель V-Twin, который впоследствии стал торговой маркой Harley. Так что с первого дня существования компании главным критерием работы стала долговечность продукции. Однако это не спасает Harley Davidson от резкого падения продаж из-за обострения конкуренции из-за увеличения импорта в s. Качество машин стало улучшаться за счет использования японских методов производства и необычных технических решений.
Компания выпускала мотоциклы в стиле ретро, что также принесло им большую популярность.Они изготавливаются на заказ, и заказанная модель должна ждать несколько месяцев.
Строго необходимые файлы cookie гарантируют функции, без которых данный веб-сайт не будет функционировать должным образом. В результате эти файлы cookie нельзя отключить. Эти файлы cookie используются исключительно этим веб-сайтом и, следовательно, являются основными файлами cookie.
Это означает, что вся информация, хранящаяся в файлах cookie, будет возвращена на этот веб-сайт. Jimdo-cart-v1 Строго необходимое локальное хранилище, в котором хранится информация о вашей корзине для покупок в этом интернет-магазине.Срок службы: срок действия локального хранилища не истекает.
Cookielaw Этот файл cookie отображает баннер cookie и сохраняет настройки cookie посетителя. Stripe Это строго необходимо для того, чтобы разрешить платежи через Stripe через этот магазин. Провайдер: Stripe Inc. Postfinance Это необходимо для того, чтобы разрешить платежи от Postfinance через этот магазин.
Срок службы файлов cookie: 1 год. Функциональные файлы cookie позволяют этому веб-сайту предоставлять вам определенные функции и хранить уже предоставленную информацию, такую как зарегистрированное имя или выбор языка, чтобы предлагать вам улучшенные и более персонализированные функции.Они используются только для внутреннего анализа оператором веб-сайта, например.
Провайдер: Powr.
Файлы cookie производительности собирают информацию о том, как используется веб-страница. Мы используем их, чтобы лучше понять, как используются наши веб-страницы, чтобы улучшить их привлекательность, содержание и функциональность. Google Analytics Эти файлы cookie собирают анонимную информацию в целях анализа того, как посетители используют этот веб-сайт и взаимодействуют с ним. Эти файлы cookie собирают анонимную информацию в целях анализа того, как посетители используют этот веб-сайт и взаимодействуют с ним.
Facebook Analytics Это технология отслеживания, которая использует так называемый «пиксель Facebook» из социальной сети Facebook и используется для анализа веб-сайтов, таргетинга рекламы, измерения рекламы и пользовательских аудиторий Facebook.
Harley-Davidson Iron JPG Изображение Adobe Acrobat, документ 4.
Vox-диаграммы, схемы, руководства по обслуживанию
Harley Davidson Sportster Transmission S. Документ Adobe Acrobat 5. Документ Adobe Acrobat 2.
Документ Adobe Acrobat 8. Руководство пользователя Harley Davidson Custom.Документ Adobe Acrobat 1.Загружает схему подключения фар C10 c10 фары c10 модернизация фар c10 проводка фар c10 ведро фары c10 преобразование фар c10 обшивка потолка.
Диаграмма Базовый веб-сайт, полная версия. C10 Headlight C10 Headlight Chalmers 5 звезд – по отзывам. Диаграмма Венна в основном используется, чтобы помочь человеку сосредоточить свое исследование и обсуждение на определенной области без путаницы. Поскольку его можно использовать для изучения веществ или предметов, это один из прекрасных инструментов, которые можно использовать в самых разных областях знаний.Когда вы создаете диаграмму Венна в Google Docs, вы сможете разделить свое исследование на множество сегментов, чтобы ваша группа могла легко читать то, что они читают.
Обычно существует 3 типа диаграмм Венна, которые вы можете создать. Вы можете сделать эти формы диаграмм, сделав две коробки, подобные этой. Обе формы можно сравнить со стыком или средней точкой двух фигур, находящихся внутри рамки.
Вы будете использовать оба этих поля, чтобы разделить представляемый контент. Идеальная диаграмма Венна – это диаграмма, которая может легко показать, что было рассмотрено до сих пор, показывая расположение связей между каждым объектом.
Вы можете создать диаграмму этого типа, создав объекты в виде отдельных линий в различных направлениях в файле. Если вы создадите круги в одном направлении, а также линии, которые будут следовать в другом направлении, у вас будет наиболее полезная диаграмма. Этот тип диаграммы довольно легко сделать, потому что единственное, что вам нужно сделать, это получить две строки, чтобы разделить содержимое этой диаграммы. Вам следует попытаться найти рабочий стол, за которым вы сможете нарисовать диаграмму подходящим образом, чтобы ее было не сложно использовать в вашей рабочей среде.
Рисовать диаграмму намного проще, если вы сможете увидеть ее на своем настольном компьютере. Вы даже можете использовать этот метод построения диаграммы, когда будете использовать Интернет для своей презентации.
Когда вы создадите диаграмму, у вас будет возможность показать ее под разными углами. Вы также можете выбрать линию, которая разделяет содержимое этой диаграммы, чтобы ее было легко построить. Создавая линию под прямым углом, вы сможете создавать уникальные типы диаграмм, чтобы вы могли использовать линии для разделения материала.
1979 Cj5 Wiring Diagram
Изображения, которые вы собираетесь использовать в диаграмме, имеют решающее значение, потому что они могут позволить вам показать уникальные комбинации элементов на диаграмме. Вы также можете использовать шрифт и цвета для создания различных комбинаций. Шрифт и цвета должны быть сопоставимы, чтобы читателю было легко распознать объекты, которые вы показываете.
Основы создания диаграммы Венна в Google Docs несложны, но это действительно просто, если вы знаете, что вам следует делать.Теперь вы знаете основы и можете приступить к изучению того, как создать диаграмму Венна. Блог пользователя. Блог пользователя Global.
Надежно проверено. Это полные схемы базовой модели автомобиля без заводских опций. Они настоятельно рекомендуются всем, кто выполняет электромонтаж самостоятельно. Если вы случайно нанесете смазку или масло на эти диаграммы во время работы на автомобиле, не проблема.
Они легко протираются. Эти электрические схемы являются идеальным дополнением к любому жгуту проводов Lectric Limited. Напечатано с разрешения General Motors Corporation.Lectric Limited предлагает копии крышек распределителей для автомобилей Corvette и Oldsmobile Fullsize с впрыском топлива.
Эти башмаки крепятся между дверью и дверным косяком для защиты жгута проводов, ведущего к стеклоподъемникам. Ремень проходит через внутреннюю часть ботинка.
Если ваши дверные башмаки порваны, загнили или отсутствуют, Lectric Limited предлагает аутентично воспроизведенные дверные башмаки.
Предварительно открытый рынок Электрический соединительный блок, также известный как распределительный блок, обеспечивает общую область для соединения тяжелых и положительных или отрицательных соединений в автомобиле.
Наши копии печатных плат изготовлены из податливого материала с пластиковым покрытием, как и оригинал. Радиоприемник в целом выглядит как оригинал, но с современными технологиями внутри. Использует аналоговые элементы управления, чтобы выглядеть, соответствовать, ощущать и функционировать так же, как оригинал. Не для использования с оригинальными динамиками или проводными соединениями.
содержат полные и простые инструкции по подключению. Пожалуйста, позвольте дополнительное время доставки. Образец нашей схемы ламинированной проводки щелкните, чтобы увеличить. Кепки дистрибьюторов.Дверные сапоги. Примеры наших воспроизводящих соединительных блоков. Узлы освещения номерного знака. Примеры наших узлов освещения номерного знака. Печатные платы. InspectAPedia не допускает конфликта интересов.
У нас нет отношений с рекламодателями, продуктами или услугами, обсуждаемыми на этом сайте. Для людей, которые предпочитают видеть фактическую электрическую схему или схему при подключении комнатного термостата, эти иллюстрации представлены здесь, чтобы помочь понять, какие провода подключаются и что делает каждый провод.
На данной электрической схеме показан аквастат с тройным переключением Argo AR61, оборудованный для соединения с тремя термостатами. В отличие от остальных электрических схем в этой серии статей, AR61 является контроллером, а не термостатом. Этот контроллер может управлять несколькими реле циркуляционных насосов, а также используется с безрезервуарными змеевиковыми котлами и котлами с холодным пуском – варианты отражены на схемах подключения внизу слева.
Попробуйте воспользоваться окном поиска чуть ниже или, если хотите, разместите вопрос или комментарий в поле для комментариев ниже, и мы незамедлительно ответим.Просто спросите нас! Поделитесь этой статьей. Выполните поиск на веб-сайте InspectApedia.
Маршрутизатор Linksys wrt32x, прошивка В книге дается исчерпывающий обзор проводки и технических спецификаций, а также расширен охват комбинированных котлов, недавно разработанные функции управления и SEDBUK для сезонной эффективности бытовых котлов в рейтингах котлов Великобритании, если они известны.
В дополнение к краткой информации о почти различных котлах, работающих на электричестве, газе, масле и твердом топливе, а также о программаторах и реле времени, этот бесценный ресурс также содержит множество простых для понимания электрических схем с примечаниями ко всем основным системам.
Предоставляются краткие описания компонентов, а также обновленная информация о контактах и веб-сайтах большинства основных производителей. Тел: Электронная почта: info carsondunlop.
Carson Dunlop Associates ‘предоставляет обширное обучение по домашнему осмотру и материалы для написания отчетов.
Интерактивный сюжет java Этот текст предназначен в качестве справочного руководства, чтобы помочь владельцам зданий эффективно управлять своим домом и содержать его. Таблицы полевых проверок включены в конце тома К 72 Монте-Карло, 6 августа, в Электрооборудование.Когда 2 года назад я получил свой 72 MC, у него не было двигателя и радиатора. Моя машина тоже 72-го года, но у нее есть BB, так что ремни разные, но начнем с этого.
Кто-то другой может вмешаться и помочь вам, может быть, несколько лучших фотографий помогут больше. Удачи.
Это для регулирующего клапана тормоза? У меня прямо сейчас есть коричневый провод с круглым гнездовым разъемом на дозирующем клапане, так куда же он денется? Внизу у моего мини стартера с высоким крутящим моментом у меня есть фиолетовый провод возбудителя, идущий к соленоиду.Свисают желтый провод и черный провод.
Pizzeria italia habo nummerЭти два провода были добавлены предыдущим владельцем или они были там с завода? Не уверен, что 72 такой же, как 70, но схема подключения на 70 показывает желтый провод от положительной клеммы катушки до «R» на соленоиде стартера. У меня нет 72 электросхемы. Желтый провод у стартера идет от катушки к стартеру.
Если у вас есть мини-стартер, у вас есть только один пост на стартере.Похоже, у вас есть hei, поэтому этот провод не нужно использовать, если вы получаете питание 12 В для распределителя от другого источника. Это воздушная машина? Не уверен, использовали ли они их, но может ли это быть ограничитель температуры для кондиционирования воздуха? Просто догадка.
Я подключил электрический дроссель прямо к блоку предохранителей под приборной панелью.
Все, что вам нужно, это переключаемое напряжение зажигания. Поскольку никто не отвечает на ваш вопрос о проводе датчика температуры 2 в 1, почему бы не проверить целостность цепи от вилки датчика до проводов на двухконтактной вилке датчика температуры и посмотреть, какой провод идет к датчику? У меня есть идиотская легкая машина с датчиками вторичного рынка, поэтому я не могу сказать вам по личному опыту.Я могу сказать, что моя вилка, как и ваша, розетка с углом 90 градусов, изображенная на этих фотографиях, не используется и просто валяется в моем моторном отсеке.
Вы можете разместить сообщение сейчас и зарегистрироваться позже. Если у вас есть учетная запись, войдите в нее сейчас, чтобы публиковать сообщения со своей учетной записью.
Вместо этого вставьте как обычный текст. Допускается только 75 смайлов. СКУ 2, источник изображения: alexnld. Электрическая схема Mk3 Golf. 07 августа, Оставить комментарий. Блок предохранителей Seat Ibiza Mk4 Блок предохранителей сиденья Seat ibiza mk4 6j Схема расположения предохранителей и назначение электрических предохранителей для модели SEAT Ibiza Mk4 6J Блок предохранителей Seat Ibiza Mk4 для просмотра на Bing0 41Окт 13 Расположение предохранителей и OBD2 в SEAT Ibiza MK4 Найдите предохранители в кабине для проверки для перегоревших Доступ к бортовому диагностическому порту OBD2 Все находится под Автором mr fixViews 31K схема предохранителей сиденья ibiza mk5 VW MK4 Схема подключения радиоприемника chunyan me grote Схема подключения переключателя указателей поворота Схема подключения Seat ibiza Схема подключения блока предохранителей Seat Ibiza Mk5 35 Блок предохранителей Seat Ibiza Mk4 Блок предохранителей сиденья altahaddi ibiza ibiza Блок предохранителей сиденья Ibiza кроме схемы блока предохранителей tiguan в дополнение посмотреть, а также расположение предохранителей polo 6r и расположение реле кондиционера vw beetle, далее смотрите также показывать также спецификации сиденья toledo 1 9 и изображения как а так фото предохранителей заднего блока как хорошо….
Подробнее. Схема блока предохранителей Wira fixya Forum Cars Trucksproton wira схема блока предохранителей Cars Trucks вопрос Схема блока предохранителей Wira freethephotos Схема блока предохранителей Proton wira, кроме того, электрическая схема протонной проводки, а также электрическая схема vr значение, а также электрическая домашняя проводка блока fi dia вместе со схемой блока предохранителей proton wira masaleh proton proton wira расположение блока предохранителей fius kereta WIRA Fius ini terletak di sebelah kanan bawah приборная панель bahagian pemandu Sekiranya kereta menghadapi masalah litar seperti radio tidak berfungsi lampu tidak menyala dan sebagainya kemungkinan firing ini telah wira diagram Di … .
Схема подключения Argo 3п рычаг. Бесплатные инструкции по эксплуатации квадроциклов Argo
В настоящее время в расчёте доступно только количество 0. Вы уже добавили максимально доступное количество. В вашей корзине уже есть 0 товаров. Чтобы приобрести еще один по ценам распродажи, нажмите кнопку «Купить сейчас» ниже.
Вы уже добавили в корзину количество этого продукта, равное 0, которое у нас есть при оформлении этого товара. Если вы хотите купить более 0, у вас есть возможность сделать покупку из нашего стандартного инвентаря.
Если вы хотите продолжить, вы можете сделать это, используя ссылку «Купить акции по обычной цене» ниже, или закрыть это всплывающее окно, чтобы купить до 0 количества этого товара по отпускной цене. Если вы хотите купить больше 0, у вас есть возможность приобрести остаток из нашего инвентаря по обычной цене. Если вам нужны только 0 единиц по отпускным ценам, нажмите кнопку «Купить только на таможенную очистку» ниже, и мы автоматически заполним поле количества для количества, равного 0 по отпускной цене.В настоящее время у нас есть 0 доступных по цене распродажи.
Вы уже добавили в корзину 0. Вы можете добавить еще одно количество в корзину из раздела оформления. Чтобы добавить дополнительное количество в корзину, нажмите кнопку ниже. Если вы хотите продолжить, вы можете сделать это с помощью кнопки «Купить инвентарь с обычной ценой» ниже или закрыть это всплывающее окно и ввести дополнительное количество этого предмета, которое вы хотите купить по отпускной цене.
Фактическое может отличаться от изображенного.Добавить в корзину. Добавить в список желаний. Будьте первым, кто оставит отзыв.
Отправить новый вопрос. Фактические элементы могут отличаться от представленного на изображении. Пожалуйста, нажмите кнопку «Купить сейчас» ниже, чтобы купить эти 0, прежде чем они исчезнут. Купить сейчас Закрыть. Покупайте только с распродажей. Покупайте больше по цене распродажи. Купить закрытие запасов по обычной цене.
Некоторые из них позволяют нам распознавать поведение пользователей и соответствующим образом адаптировать наш веб-сайт. Введите адрес электронной почты, связанный с вашей учетной записью, и мы отправим вам ссылку для сброса пароля.Ваша ссылка для сброса пароля уже в пути. Если у вас возникли проблемы с доступом к своей учетной записи, свяжитесь с нами по адресу, и мы вам поможем. Если вы считаете, что это ошибка, обратитесь в службу поддержки клиентов или напишите нам по электронной почте.
Бесплатная доставка Этот товар отправляется бесплатно.
Мы стараемся всегда предлагать вам самые низкие цены, но некоторые производители требуют, чтобы мы показывали эти низкие цены только после того, как вы предпримете дальнейшие действия. Чтобы увидеть цену, просто добавьте товар в корзину или войдите в систему.
Этот продукт не соответствует Закону о безопасной питьевой воде, который требует, чтобы продукты, используемые в любой системе, обеспечивающей воду для питья или приготовления пищи, соответствовали стандартам с низким содержанием свинца.Установите флажок ниже, чтобы подтвердить, что вы знаете, что этот элемент предназначен только для непитьевой воды. Этот продукт НЕ будет использоваться при установке или ремонте устройства, потребляющего питьевую воду. Когда вы заказываете этот товар, мы специально заказываем его для вас у производителя.
Таким образом, наша стандартная политика возврата не распространяется на этот товар. Гарантия производителя по-прежнему действует. Я понимаю, что после того, как я закажу этот товар, я не могу его отменить или вернуть.
Несоблюдение этого может привести к значительному материальному ущербу, серьезным травмам или смерти.
Не используйте этот элемент для установки или ремонта систем питьевого водоснабжения. Этот продукт не соответствует «Закону о безопасной питьевой воде», который требует, чтобы продукты соответствовали стандартам с низким содержанием свинца, чтобы их можно было использовать в системах, обеспечивающих воду для питья или приготовления пищи человеком. Этот элемент предназначен только для питьевой воды, не предназначенной для потребления человеком.
В настоящее время мы не перевозим это устройство. Мы размещаем это на нашем сайте, потому что мы продаем запасные части для этого устройства.Пожалуйста, свяжитесь с нами с любыми вопросами: похоже, вы здесь новенький. Если вы хотите принять участие, нажмите одну из этих кнопок!
Стена. Щелкните здесь, чтобы найти подрядчика в вашем районе. Вот правила сайта, а также несколько советов по использованию этого форума. Если вы нашли здесь помощь, зайдите снова, чтобы сообщить нам, как все прошло.
Это отличный способ поблагодарить тех, кто вам помог. Вам нужно с нами связаться? У меня есть котел, работающий на жидком топливе, с катушкой-цистерной, использующей аквастат LB. В настоящее время он имеет одну зону нагрева циркулятора, подключенную через LB.
Я добавляю еще две зоны, включая бытовой водонагреватель непрямого действия Super Stor с LA и еще одну зону нагрева, в общей сложности 3, которые будут подключены через недавно приобретенный ARGO ARM-3P. Я думал, что это просто вещи.
Разница в деталях
Схема подключения термостатов, циркуляционных насосов и LA проста. Электросхема, поставляемая с ARM-3P, немного сбивает с толку. В нем упоминаются Лос-Анджелес и Лос-Анджелес. Спасибо. Ноябрь. Но сначала – это существующий провод термостата или низкое напряжение? А к термостату идет нормально? Во многих домах здесь мы видим красный провод, на который подается линейное напряжение прямо от термостата к котлу, и в этом случае необходимо выполнить некоторые изменения проводки.
Термостат линейного напряжения Спасибо, Рон, вот еще немного информации.
Термостат работает от сети. Белый провод, идущий от термостата, подключается к красному проводу, который подключается к клемме W на LB на котле. Черный провод от термостата идет к циркулятору.
Argo ARM-3P Реле трехзонного циркулятора с Priority-2
Если это облегчит жизнь, я не против перехода на термостат низкого напряжения. Хорошо, это упрощает задачу Прежде всего убедитесь, что все питание отключено.Вы хотите вынуть провод термостата из и подключить его прямо к T-T зоны на реле, но не приоритетной зоны. Вам нужно будет протянуть провод питания от клеммы W к клемме L Argo. Вам также необходимо подключить нейтральный провод к клемме N Argo, а также заземлить на всякий случай.
Котел будет поддерживать высокий уровень настройки, но все зоны отключатся, если температура опустится ниже минимального значения. Хотя вы можете настроить браузеры так, чтобы они запоминали основную информацию, такую как имена и адреса, они не так умны и часто вводят неверную информацию.
в полях.Бесплатная веб-программа Roboform – это оружие для заполнения форм, которое легко превосходит набор текста в одиночку. Он хранит такую информацию, как адреса, номера телефонов и почтовые индексы, и использует их для автоматического заполнения онлайн-форм.
Детали хранятся на вашем компьютере. Все, что вам нужно запомнить, – это главный мастер-пароль для доступа к ним. Одно из соображений заключается в том, что Roboform заполняет данные форм вслепую так же, как спам-боты, которые спамеры используют для отправки множества записей. Поэтому некоторые фирмы могут принять вас за спам-бота и заблокировать ваш вход.У нас нет статистики о том, сколько соревнований заблокируют вас таким образом, но если вы беспокоитесь, попробуйте вместо этого AutoHotKey.
Как настроить Roboform Зайдите в Roboform и загрузите программу. После установки программного обеспечения найдите значок Roboform на панели инструментов браузера и нажмите «Удостоверения», чтобы создать новый идентификатор.
Затем просто введите все данные, которые вы хотите, чтобы он запомнил о вас, например, имя, адрес, почтовый индекс, дату рождения. Когда вы увидите форму, которую хотите заполнить, щелкните значок Roboform и выберите свою личность.Это волшебным образом заполнит пустые поля вашими данными (хотя перепроверьте). Робоформ также может запоминать идентификаторы пользователей и пароли.
Вы можете автоматизировать эту фразу с помощью небольшого количества бесплатного программного обеспечения под названием AutoHotKey. Затем все, что вам нужно делать каждый раз, когда вы хотите ввести, скажем, первую строку своего адреса, – это нажимать «Alt» и «4», и, как по волшебству, в форме появляются слова «29 Acacia Road».
Для этого вам нужно написать «скрипт», простой текстовый файл с персональными инструкциями для программы.Звучит супер-ботанисто, но на самом деле все довольно просто. После установки AutoHotKey откройте простой текстовый файл в Блокноте.
Огромное спасибо VelvetGlove за написание этого скрипта. Каждая строка в файле создает отдельное действие. Например, поставив ‘. После редактирования текстового файла сохраните его на рабочем столе и обязательно завершите имя файла знаком.
В поле «Тип файла» необходимо выбрать «Все файлы», иначе это не сработает. Пришло время запустить файл. Найдите свой персонализированный файл на рабочем столе и дважды щелкните его, чтобы запустить.
Затем найдите значок AutoHotKey на панели инструментов, щелкните его правой кнопкой мыши и нажмите «Перезагрузить этот скрипт». Теперь вы можете использовать ярлыки.
После того, как файл запущен, его можно редактировать в любое время. Просто найдите его на рабочем столе и щелкните его правой кнопкой мыши, чтобы отредактировать сценарий. После сохранения щелкните правой кнопкой мыши значок панели инструментов AutoHotKey и выберите «Перезагрузить этот скрипт». Это внесет изменения.
Для более подробного руководства используйте учебные пособия AutoHotKey.
Часто обсуждения на доске соревнований включают в себя открытие множества ссылок на различные соревнования.Пользователи Google Chrome могут открывать несколько потоков одновременно с помощью бесплатного надстройки LinkClump. Законы о ставках на спорт и азартных играх различаются в зависимости от юрисдикции. Вы обязаны проверять такие факты, а также знать местные законы и соблюдать их.
Заявление об ограничении ответственности Политика конфиденциальности Условия использования Связаться с нами Betway Получить бонус Bet365 Получить бонус William Hill Получить бонус. Обзор CB Rank (Компания) 155 923 Bettingtips Бесплатные советы экспертов по ставкам.
Обзор CB Rank (Компания) Bettingtips Бесплатные советы экспертов по ставкам.Уник: 2 000 крон 22. Подводя итоги «Просто шпоры» – Севистанбул. Наш информационный бюллетень посвящен советам по ставкам на футбол, но мы охватываем широкий спектр видов спорта, и наши предварительные обзоры всегда подкреплены надежным анализом. Clubgowi – это самая известная в Интернете служба по оказанию консультационных услуг по ставкам на спорт, история которой восходит к 2006 году.
Мы предоставляем экспертный анализ и гарантируем долгосрочную прибыль. Ознакомьтесь с нашими результатами Мы рекомендуем использовать Sportmarket, который предлагает азиатские рынки ставок с гандикапом с 2004 года.
Sportmarket – бесценный инструмент для серьезных игроков, делающих ставки на спорт, которые хотят иметь преимущество перед азиатскими букмекерами.Ознакомьтесь с нашими результатами Мы рекомендуем использовать Sportmarket, который предлагает азиатские рынки ставок с гандикапом с 2004 года. Совет по ставкам на Лигу Европы УЕФА: Стамбул Башакшехир – Спортинг Брага Совет по ставкам на Лигу Европы УЕФА: Заря Луганск – Атлетик Бильбао Советы по ставкам на Лигу чемпионов УЕФА.
Совет по ставкам на Лигу чемпионов УЕФА: Селтик – Андерлехт Ищем хорошие ситуации. Дюжина сезонов и их не ждет. В центре внимания, конечно же, находится футбол, но мы не ограничиваемся советами по ставкам на футбол, так как охватываем широкий спектр соревнований.Наш информационный бюллетень рассылается подписчикам ежедневно и содержит превью ставок на различные спортивные турниры (мы освещаем футбол, футбол, гольф, теннис, баскетбол и т.
Д.).
Мы не просто продаем советы по ставкам на футбол, мы предоставляем варианты ставок с азиатским гандикапом после тщательного анализа, который поможет вам иметь преимущество перед азиатскими букмекерами.
Наш спонсор Sportmarket – букмекерская контора из ЕС. Если вы делаете ставки в азиатских букмекерских конторах, Спортмаркет – незаменимый инструмент для получения лучших рыночных цен при больших объемах.Timeform – поставщик спортивных данных и контента, специализирующийся на скачках и гонках борзых. Наша квалифицированная команда аналитиков всемирно известна своей точностью, достоверностью и рассудительностью.
Это уникальный набор полезных нововведений, которые позволят вам получить еще больше преимуществ при размещении ставок.
Нажмите, чтобы узнать больше. My Timeform – это набор БЕСПЛАТНЫХ инструментов, которые помогут вам быстрее и эффективнее находить ставки. Нажмите ЗДЕСЬ, чтобы узнать больше о фильтре, трекере и панели инструментов.
Тренер по прыжкам: Ники ХендерсонНики Хендерсон был душераздирающе отказан с Whisper на Ladbrokes Trophy на прошлых выходных в Ньюбери, но щедрая компенсация была любезно предоставлена Buveur d’Air в Ньюкасле.
Победитель прошлого сезона Champion Hurdle возобновил свой путь после семи месяцев перерыва гладкой победой в Fighting Fifth Hurdle и подогрел аппетит к тому, что обещает стать захватывающим поединком с Фахином в конце сезона.
У Хендерсона в хорошей форме есть чем заняться, тем не менее, на момент написания статьи он внес пять заявок на «Золотой кубок Caspian Caviar Gold Cup» в следующую субботу в Челтенхэме, включая «Золотой подарок». Семилетний мальчик стал победителем в вышеупомянутой карточке Ladbrokes Trophy, несмотря на то, что прыгнул вправо и не выглядел полностью прямолинейным, и он остается потенциально хорошо леченным, несмотря на то, что он всего на 5 фунтов больше в весе.
Он должен дать еще один хороший отчет в гонке, в которой также может быть постоянный товарищ по конюшне Theinval. Компания UK Timeform, основанная в 1948 году и базирующаяся в Йоркшире, является 100-процентной дочерней компанией Paddy Power Betfair plc. Мы собираем, анализируем и упаковываем данные для широкого круга клиентов.
Timeform – зарегистрированная торговая марка Timeform Limited. Вы можете проделать это 5 раз. Тренер по прыжкам: Ники Хендерсон Ники Хендерсон был душераздирающе отказывался от Шепота на Ladbrokes Trophy на прошлых выходных в Ньюбери, но щедрая компенсация была предоставлена Buveur d’Air в Ньюкасле.Не могли бы вы оставить мне короткий и честный отзыв в Google. Инструкции гугла разные и все равно никогда не работали.
Miller big 40 устранение неисправностейРебята, вы Мои спасители !!. Спасибо большое за этот пост. Если вы найдете способ сделать это, напишите мне, чтобы я знал, как это сделать. Один вопрос, есть ли способ предварительно заполнить текст описания во всплывающем окне обзора. Это часть проекта, над которым мы работаем.
Владельцы бизнеса могут заниматься гораздо более важными вещами, чем время от времени беспокоиться о фальшивых отзывах.
ARGO ARM-3P
Это беспокоит всех настоящих владельцев бизнеса, так как: 1. Мы отмечали это несколько раз в статье. Страница обзора открывается, но звездочки не выбраны. Привет, Ханна, спасибо за чтение. Вы спрашиваете о вставке ссылки в текст. Этот метод ДЕЙСТВИТЕЛЬНО работает, как вы можете видеть по тестовой ссылке в статье.
Дымится растворитель для краски в домеУстанавливает ли связь с уже выбранными 5 звездами, запускает спам-фильтр Google. Я только что сделал это для своего сайта и сразу получил очень хороший обзор.Я также обратился в Google и жду ответа. Насколько мне известно, заказчик и моя компания не нарушали никаких правил проверки Google. Спасибо за ловкий трюк, который направил клиента прямо к 5-звездочному обзору. Я всегда прошу обзоры в гугле. По моей специальности у меня есть 3 отзыва в Google, что больше, чем у любого из моих местных конкурентов.
Gary Barcus GB Деревообработка Norwood, MAGreat статья работает просто идеально для меня.
Спасибо, есть ли способ сделать ссылку короче. Он отлично работает на мобильных устройствах, позволяя им сразу переходить на страницу с 5-звездочными отзывами.Когда вы используете ту же ссылку на рабочем столе, она просто вызывает поиск по названию бренда. Это действительно зависит от самого бизнеса. Для некоторых отраслей Yelp совершенно неактуален. В любом случае отзывы в Google очень важны.
отзывов Google напрямую влияют на ваш бизнес, когда кто-то ищет компанию в Google, использует Карты Google или голосовой поиск Google. Спасибо за статью. Я поговорил с некоторыми из моих клиентов, и они хотят, чтобы я применил эту технику, чтобы повысить их отзывы.Я нашел этот пост и использовал его для создания профессионального URL-адреса, который перенаправляет. Хорошо, как бы вы сравнили обзоры Google My Business с Yelp. Как я могу отказаться от участия в программе предварительной оценки Xbox? Те же действия применимы, если вы намерены сохранить свою консоль, но больше не хотите участвовать в программе предварительной оценки Xbox и хотите отменить регистрацию своей консоли в программе.
После принятия решения об удалении консоли до завершения удаления может пройти до 72 часов, в течение которых вы все равно можете получать обновления консоли, игры или приложения.
В процессе удаления ваша консоль может пройти заводское обновление.
Культизм и их символыСколько времени займет обработка моего запроса на удаление консоли из программы. После удаления консоли из программы предварительной оценки Xbox для завершения этого удаления может потребоваться до 72 часов, в течение которых вы все равно можете получать обновления консоли, игры или приложения. Когда процесс отмены регистрации будет завершен, ваша консоль может быть сброшена до заводских настроек по умолчанию. Хотя это приведет к удалению всех профилей и настроек с консоли, это не приведет к удалению ваших сохраненных игр и приложений.
Программа предварительной оценки Xbox позволяет участвовать всем в вашем доме. Любой, кто запускает Xbox Insider Hub, может участвовать в предварительных просмотрах на этой консоли, если они имеют на это право.
Примечание Право на участие в программе предварительной оценки зависит от вашего уровня в программе, предыдущей активности и ряда других критериев. Доступный вам инсайдерский контент, например определенные игры или приложения, может отличаться от контента, доступного другу или другому члену вашей семьи. Как я могу оставить этот превью.
Чтобы предотвратить удаление консоли из предварительного просмотра без вашего согласия, для некоторых предварительных просмотров требуется, чтобы пользователь, присоединившийся к предварительному просмотру, запросил отмену регистрации. В большинстве случаев предварительные просмотры не подпадают под NDA, но некоторые могут подпадать под действие соглашения о неразглашении. Предварительные просмотры, требующие NDA, потребуют от вас принятия дополнительных Условий использования перед участием. Пожалуйста, включите ActiveX в настройках вашего браузера, затем обновите эту страницу, чтобы повторить попытку.
Получите центр предварительной оценки Xbox Начать работу в качестве участника программы предварительной оценки Xbox так же просто, как загрузить приложение Xbox Insider Hub на свой Xbox One или ПК.![]()
Перейдите на вкладку «Магазин» на панели управления или выберите «Магазин» в руководстве. Найдите центр предварительной оценки Xbox. Чтобы просмотреть требования для каждого предварительного просмотра: Запустите Xbox Insider Hub.
Перейти к инсайдерскому контенту. Выберите нужный предварительный просмотр. Требования к участникам указаны на вкладке «Информация» на странице сведений о инсайдерском контенте.
Argo 1970–1994 Руководства 8×8
Примечание. Только предварительные просмотры, в которых вы имеете право участвовать, будут отображаться в инсайдерских материалах. Может ли кто-нибудь присоединиться к предварительному просмотру обновлений Xbox One.Как я могу присоединиться к предварительному просмотру обновлений Xbox One или переместить мою консоль в другое кольцо предварительного просмотра.
Запустите Xbox Insider Hub на консоли Xbox One. На главной целевой странице выберите Инсайдерский контент. В разделе «Система» выберите «Предварительный просмотр обновлений Xbox One».
Выберите Присоединиться или Управлять. Выберите кольцо предварительного просмотра из доступных вариантов.
Lexus не переедетЧем отличаются кольца предварительного просмотра обновлений Xbox One и как их менять. Это кольцо получает обновления вскоре после Альфы. В зависимости от некоторых крайних случаев, когда требуется дополнительное внимание со стороны альфа- или бета-колец, участники программы предварительной оценки Delta могут получать обновления системы до бета-версии, хотя это не является распространенным сценарием.
Схема подключения Argo 3-полюсный рычаг
В настоящее время в расчёте доступно только количество 0. Вы уже добавили максимально доступное количество. В вашей корзине уже есть 0 товаров. Чтобы приобрести еще один по ценам распродажи, нажмите кнопку «Купить сейчас» ниже. Вы уже добавили в корзину количество этого продукта, равное 0, которое у нас есть при оформлении этого товара. Если вы хотите купить более 0, у вас есть возможность сделать покупку из нашего стандартного инвентаря.
Если вы хотите продолжить, вы можете сделать это, используя ссылку «Купить акции по обычной цене» ниже, или закрыть это всплывающее окно, чтобы купить до 0 количества этого товара по отпускной цене. Если вы хотите купить больше 0, у вас есть возможность приобрести остаток из нашего инвентаря по обычной цене. Если вам нужны только 0 единиц по отпускным ценам, нажмите кнопку «Купить только на таможенную очистку» ниже, и мы автоматически заполним поле количества для количества, равного 0 по отпускной цене.
В настоящее время у нас есть 0 доступных по цене распродажи. Вы уже добавили в корзину 0.
Вы можете добавить другое количество в корзину из раздела оформления. Чтобы добавить дополнительное количество в корзину, нажмите кнопку ниже. Если вы хотите продолжить, вы можете сделать это с помощью кнопки «Купить инвентарь с обычной ценой» ниже или закрыть это всплывающее окно и ввести дополнительное количество этого предмета, которое вы хотите купить по отпускной цене.
Фактическое может отличаться от изображенного.Добавить в корзину. Добавить в список желаний. Будьте первым, кто оставит отзыв. Отправьте новый вопрос. Фактические элементы могут отличаться от представленного на изображении.
Пожалуйста, нажмите кнопку «Купить сейчас» ниже, чтобы купить эти 0, прежде чем они исчезнут. Купить сейчас Закрыть. Покупайте только с распродажей. Покупайте больше по цене распродажи. Купить инвентарь по обычной цене Close. Пожалуйста, введите адрес электронной почты, связанный с вашей учетной записью, и мы отправим вам ссылку для сброса пароля. Ваша ссылка для сброса пароля уже в пути. Если у вас возникли проблемы с доступом к своей учетной записи, свяжитесь с нами по адресу, и мы вам поможем.Если вы считаете, что это ошибка, обратитесь в службу поддержки клиентов или напишите нам по электронной почте.
Бесплатная доставка Этот товар отправляется бесплатно. Мы стараемся всегда предлагать вам самые низкие цены, но некоторые производители требуют, чтобы мы показывали эти низкие цены только после того, как вы предпримете дальнейшие действия.
Чтобы увидеть цену, просто добавьте товар в корзину или войдите в систему. Этот продукт не соответствует Закону о безопасной питьевой воде, который требует, чтобы продукты, используемые в любой системе, обеспечивающей воду для питья или приготовления пищи, соответствовали стандартам с низким содержанием свинца. .
Установите флажок ниже, чтобы подтвердить, что вы знаете, что этот элемент предназначен только для применения с непитьевой водой. Этот продукт НЕ будет использоваться при установке или ремонте устройства, потребляющего питьевую воду.
Когда вы заказываете этот товар, мы специально заказываем его для вас у производителя. Поэтому наша стандартная политика возврата не распространяется на этот товар. Гарантия производителя по-прежнему действует. Я понимаю, что после того, как я закажу этот товар, я не могу его отменить или вернуть.Несоблюдение этого может привести к значительному материальному ущербу, серьезным травмам или смерти.
Не используйте этот элемент для установки или ремонта систем питьевого водоснабжения.
Этот продукт не соответствует «Закону о безопасной питьевой воде», который требует, чтобы продукты соответствовали стандартам с низким содержанием свинца, чтобы их можно было использовать в системах, обеспечивающих воду для питья или приготовления пищи человеком. Этот элемент предназначен только для питьевой воды, не предназначенной для потребления человеком. В настоящее время мы не перевозим это устройство.Мы размещаем это на нашем сайте, потому что мы продаем запасные части для этого устройства.
Пожалуйста, свяжитесь с нами с любыми вопросами: мы сейчас в отъезде. Наши часы живого чата :. Не стесняйтесь, отправьте нам сообщение, и мы свяжемся с вами в обычное рабочее время :.
Напишите нам по электронной почте. Позвоните или свяжитесь с нами в чате. Отправить Пожалуйста, введите действующий адрес электронной почты. Извините, ваш адрес электронной почты не найден в нашей системе. Easy Returns Отсутствие комиссии за возврат в течение 90 дней. Нужны запасные части для этого устройства? Просмотреть запасные части.
Argo ARM-3P Реле циркулятора 3 зон с Priority-2
Руководства 1. Задержка :. Рейтинг VA :. Поговорите с реальным человеком, который изо всех сил старается помочь! Позвоните в текстовый чат. Похоже, вы здесь новенький.
Если вы хотите принять участие, нажмите одну из этих кнопок! Стена. Щелкните здесь, чтобы найти подрядчика в вашем районе. Вот правила сайта, а также несколько советов по использованию этого форума.
Если вы нашли здесь помощь, зайдите снова, чтобы сообщить нам, как все прошло.Это отличный способ поблагодарить тех, кто вам помог. Вам нужно с нами связаться? У меня есть котел, работающий на жидком топливе, с катушкой-цистерной, использующей аквастат LB. В настоящее время он имеет одну зону нагрева циркулятора, подключенную через LB. Я добавляю еще две зоны, включая бытовой водонагреватель непрямого действия Super Stor с LA и еще одну зону нагрева, в общей сложности 3, которые будут подключены через недавно приобретенный ARGO ARM-3P, я подумал, что это просто вещи.
Подключение термостатов, циркуляционных насосов и LA выглядит прямолинейно.Электросхема, поставляемая с ARM-3P, немного сбивает с толку. В нем упоминаются Лос-Анджелес и Лос-Анджелес.
Спасибо. Ноябрь. Но сначала – это существующий провод термостата или низкое напряжение? А к термостату идет нормально? Во многих домах здесь мы видим красный провод, на который подается линейное напряжение прямо от термостата к котлу, и в этом случае необходимо выполнить некоторые изменения проводки.
Термостат линейного напряжения Спасибо, Рон, вот еще немного информации. Термостат работает от сети. Белый провод, идущий от термостата, подключается к красному проводу, который подключается к клемме W на LB на котле.
Черный провод от термостата идет к циркулятору. Если это облегчит жизнь, я не против перехода на термостат низкого напряжения. Хорошо, это упрощает задачу Прежде всего убедитесь, что все питание отключено. Вы хотите вынуть провод термостата из и подключить его прямо к T-T зоны на реле, но не приоритетной зоны.
Вам нужно будет протянуть провод питания от клеммы W к клемме L Argo.
Вам также необходимо подвести нейтральный провод к клемме N Argo, а также заземление, чтобы быть в безопасности.Котел будет поддерживать высокую настройку, но все зоны отключатся, если температура опустится ниже нижней настройки.
Лучшим способом управления Арго и котлом является использование аквастата Honeywell A – он может поддерживать минимальную температуру котла до тех пор, пока не поступит запрос от Аргон, а затем он повысит температуру котла до максимального значения. Удачи, Гэри. Информация о ценнике На ценнике вы найдете множество деталей – цвета, материалы, размеры и т. Д.
Вы найдете номер полки, если вы можете забрать предмет в зоне самообслуживания, или сообщение для связи с персоналом, если вам нужно забрать его в пункте выдачи мебели.Свяжитесь с сотрудниками здесь. Персонал ИКЕА находится на информационных стойках, отмеченных этим символом.
Они организуют для вас передачу вашего предмета в пункте выдачи мебели, если вам это необходимо.
Время перекусить В нашем ресторане можно не только вкусно поесть – зайдите на быстрый сэндвич, кусок торта или чашку кофе.
Также обратите внимание на специальное детское меню. Поднимите свои покупки Проверьте записанные вами номера полок, чтобы найти свои товары в области самообслуживания. Есть много тележек и сумок, которые помогут вам доставить все это к кассам.Выбранные предметы необходимо забрать в разделе «Пикап мебели» после завершения покупки. Как платить? Наши кассиры принимают наличные, кредитные карты, дебетовые карты и подарочные карты IKEA.
Возьмите его домой сегодня. Поскольку большая часть мебели IKEA – это плоская упаковка, вы можете забрать ее домой сегодня в машине и насладиться ею сегодня вечером. Если вы предпочитаете, IKEA может организовать доставку на дом по разумной цене – свяжитесь с вашим местным магазином IKEA для получения подробной информации. Это нормально – передумать. Если вы не полностью удовлетворены своей покупкой, просто верните неиспользованный товар в оригинальной упаковке в течение 90 дней, если не указано ниже.
Квитанция требуется для всех возвратов и обменов. Возврат будет произведен тем же способом оплаты, что и первоначальный платеж.
Итак, что делать, если вы хотите подготовиться к этой версии SAT, но в основном знакомы со старой версией. И неужели вы должны выбросить все свои “старые SAT” учебные материалы.
Мы рассмотрим SAT раздел за разделом и отметим ключевые различия между старым и новым SAT. Далее мы объясним, как подготовиться к новому экзамену SAT с учетом этих различий.
Мы укажем места, где вы все еще можете использовать старые материалы для подготовки к новому SAT, а также укажем вам другие бесплатные учебные ресурсы в Интернете. Мы также будем подробно ссылаться на наши учебные пособия по SAT в этом посте, чтобы дать вам более целенаправленные советы по разделам. Это означает, что математический раздел теперь имеет больший вес в SAT.
Сейчас очень важно получить высокий балл по математике, чтобы получить хороший общий общий балл. Кроме того, теперь у ответов есть четыре варианта ответа вместо пяти.
Если вы хотите прочитать полную разбивку различий между старым и новым SAT, ознакомьтесь с нашим сообщением по этой теме. Все вопросы в обновленном разделе SAT Reading основаны на отрывках с заданными темами.
В старом SAT вопросы часто приходили из этих категорий, но темы не были заранее определены. Также больше внимания уделяется определению словарного запаса в контексте, пониманию и использованию свидетельств, логическим аргументам и использованию научных рассуждений в новом SAT. Теперь упор делается на определение словаря в контексте.Через Спецификации тестов Совета колледжей для обновленного SAT. Для старого SAT знание словарного запаса было решающим для успешной работы.
Таким образом, помимо изучения словарного запаса, вам также следует попрактиковаться в углубленном чтении и проверить свою способность определять сложные слова в зависимости от их контекста. Первым делом, куда вам следует отправиться на практику чтения SAT, является источник: веб-сайт College Board.
Бесплатные руководства по квадроциклам Argo
Они разместили ряд новых бесплатных практических тестов SAT. Начните с этого, чтобы понять, на что похож новый раздел SAT Reading.Мы были очень впечатлены всем опытом и считаем, что это хорошее соотношение цены и качества.
Для нас это было очень спокойное путешествие. Тур был замечательным. Мы провели 4 дня без багажа, но все же прекрасно провели время. Тур был даже лучше, чем я ожидал.
Пейзажи были восхитительны, и люди, которых мы встретили во время тура, были очень дружелюбны. Большое спасибо. Отлично, я подумал, что Маргарет была очень информативной и любезной. Обязательно поеду в другой тур с нордическим посетителем.У нас все было на «10». Nordic Visitor оказался даже лучше, чем мы ожидали. Приятно работать с компанией, которая ставит своих клиентов на первое место и делает все возможное, чтобы их опыт был положительным.
Это был первый раз, когда мы использовали туристическую компанию, и наши впечатления были просто потрясающими.
У нас был маршрут, наполненный изменениями в отелях и мероприятиями, и Силья каким-то образом все устроила идеально. Она даже порекомендовала отличный ресторан на годовщину нашей свадьбы, которую нам посчастливилось отпраздновать в Исландии.Я не могу рекомендовать Nordic Traveler в достаточной степени. Мы не могли и мечтать о более организованном самостоятельном туре. Полностью подробный, легко понимаемый и очень четко написанный.
Мы чувствовали себя уверенно и счастливы, имея возможность расслабиться, зная, что все было так хорошо организовано. Любила каждую минуту нашего времени в Шотландии. У нас не было проблем. Мы определенно порекомендуем их любому, и мы сами не будем использовать другую компанию для бронирования отпуска. Я уже рекомендовал Nordic Visitor многим интересующимся друзьям.
Спасибо за возможность посетить вашу страну. Я побывал в тридцати странах и высоко оцениваю этот опыт. Еще меня поразило количество молодых людей, водителей, официантов, персонала отелей, которые были так рады встретиться и показать свою страну.
Самой впечатляющей частью этой поездки была Исландия и ее величайший аспект – ее люди.
Я с нетерпением жду возвращения. Очень приятно и большое спасибо Софии за ее быстрые ответы на наши первоначальные вопросы. Мы действительно довольные клиенты. Особая благодарность Audur.Она была очень полезной и в целом быстро отвечала на запросы по электронной почте. Я был поражен тем, насколько обширными, исчерпывающими и полезными были все письменные материалы для успешной поездки.
Все номера были очень хорошими. Я забронировал поездку через Nordic Visitor на основании отзывов в Интернете. Так что я не был уверен, как это обернется. Но ваша команда выбила его из парка. Ваше обслуживание и внимание к деталям были замечательными. Это был замечательный опыт, не могу сказать достаточно.Все оказалось намного лучше, чем я ожидал. Все аспекты поездки прошли очень гладко. Ставки на Financials Теперь ставки на Financials доступны на bet365.
Выбирайте из широкого диапазона рынков и типов ставок.
Вы можете делать ставки на Financials каждый будний день с 08:00 до 21:00. Рынки и типы ставок На каждом рынке мы предлагаем коэффициенты на уровне финиша рынка, где вы решаете, закончится рынок выше или ниже текущего значения, а также ставки диапазона, на которых вы можете делать ставки на различных уровнях в пределах рынок.
Ставки на финансовые результаты Для каждого типа ставок одновременно доступно 12 различных уровней страйка. Если рынок значительно меняется в течение периода, мы корректируем предлагаемые уровни, чтобы вы могли выбирать из привлекательного диапазона цен.
Вы можете сделать ставку «Да» или «Нет» для каждого уровня страйка с учетом отображаемых коэффициентов. Это означает, что вы можете быть быком или медведем или переключаться между ними по своему желанию. Дополнительные функции. Вы можете следить за динамикой рынка в последнее время, проверив график, который отображается на каждой странице ставок Financials.
выигрыша возвращаются на ваш счет моментально.
Здесь есть более 15 фантастических комнат для игры в бинго, включая игры с мячом 90, 80 и 75 мячей, каждая со своей дружеской атмосферой чата.
Кроме того, существует широкий спектр игр на выбор, от классических фаворитов до новых динамичных игр с гигантскими джекпотами. Наряду с этим существуют установленные стимулы, такие как BOGOF Bingo, Daily Free Bingo, Penny Bingo и другие. Игроки зарабатывают очки лояльности не только за игру в Бинго, но и за широкий спектр игр, доступных на bet365bingo.
Не все слоты подходят для этой акции, пожалуйста, ознакомьтесь с полными условиями ниже. Доступны более крупные бонусы, и они зависят от количества LP, которые игрок зарабатывает в отдельные дни в рамках квалификационного раунда. E. Gamcare – GambleAware Когда веселье прекращается – СТОП. Покер на bet365 является ведущим румом iPoker, крупнейшей сети онлайн-покера, и предлагает большой выбор кеш-столов и турниров. Бонусный код Bet365: BET247 Какой бонусный код Bet365 Канада.Последняя проверка: 1 декабря 2017 г.
Положения и условия Бонусные евро погашаются в рассрочку по мере того, как вы зарабатываете очки за заслуги.
турнирных билетов можно использовать для участия в любом турнире соответствующего типа и размера бай-ина. Если бонусные евро не погашены, срок их действия истекает через 60 дней после зачисления. Зачем играть в Bet365. Bet365, по нашему мнению, вероятно, лучшее онлайн-казино, доступное во многих частях мира, включая Канаду и Великобританию, где живут наши авторы. Бонусный код Bet365: BET247 Доступные матчи в Bet365 Sports Date Fixture Home Розыгрыш На выезде DecContents1 Что такое бонусный код Bet365 в Канаде.
Argo 1970 – 1994 8×8 Manuals
Его успех может быть подтвержден честностью, широким спектром услуг и выгодными ставками. Кроме того, bet365 также охватывает многие другие европейские лиги. Однако футбол составляет лишь небольшую часть услуг, предлагаемых на bet365. Любители тенниса, хоккея, баскетбола, гандбола и даже собачьих бегов могут делать ставки на своих фаворитов.
Также доступны многие другие, менее известные виды спорта. В bet365 пользователи могут делать финансовые ставки и играть в покер.Служба ставок в реальном времени позволяет напрямую следить за играми, что делает азартные игры еще более увлекательными. Выбирая игру на bet365, вы получаете преимущество выше среднего почти во всех сферах ставок. Ставки на аутсайдеров особенно хорошо вознаграждаются, но для фаворитов шансы также выше среднего.
Менее известные спортивные лиги и лиги второго дивизиона также имеют более низкие коэффициенты, но, тем не менее, привлекательны. Да, довольно застенчивое Северное сияние действительно появилось. Настоящий праздник “ВАУ” !!.Изменения в бронировании отелей в последнюю минуту обрабатывались очень эффективно. Nordic Visitor были очень полезны на протяжении всего тура. Я хотел бы сказать, что Тордис был особенно полезен, когда я испытал трудности после того, как попал в снежную метель и застрял в своей машине.
Услуги резервного копирования и поддержки были отличными и очень помогли мне в трудное время.
Мне очень понравилось.Это дало мне отличный вкус Исландии и сняло все хлопоты по поиску туров и проживания, что важно для меня, потому что у меня ограниченное свободное время, так как я работаю по 80-100 часов в неделю. Он привел меня в места в Исландии, о которых я, возможно, не подумал бы, если бы бронировал самостоятельно.
Несмотря на то, что мы путешествуем в Европу хотя бы пару раз в год и делаем это самостоятельно (ищем себе жилье и т. Д., Нас тоже беспокоила репутация Исландии как страны с очень высокими ценами. Мы определили возможное время поездки еще в начале сентября (2012 г.), летом мы стали искать более интенсивно.
Пытался сравнить и разобраться в видах и деталях услуг, предлагаемых разными операторами. Нам понравились самостоятельные туры, так как мы все еще были бы независимы, но для нас были бы организованы особые условия проживания.
Небольшие городки с потенциально ограниченным количеством мест и удаленностью между ними не давали комфортного уровня для обустройства собственного жилья.
Нам также понравились охват и продолжительность их туров. После обмена несколькими электронными письмами с некоторыми вопросами, на которые были оперативно даны ответы, решили позвонить им напрямую, чтобы ускорить процесс.Телефонный ответ был эффективным (Мануэлла), дружелюбным, информативным и говорил о качестве обслуживания, которое мы потенциально можем получить от этого агентства.
Из-за того, что Исландия (Западная Канада) отставала на 6 часов, некоторые телефонные звонки совпадали с окончанием рабочего дня в Исландии, но Мануэлла не возражал и дал столько информации. Наш выбор был сделан, и это был ПОЛНЫЙ КРУГ по Исландии. Мы выбрали бюджетные варианты размещения и автомобили эконом-класса. Это было в рамках нашего бюджета и должно было дать довольно хороший вид на Исландию.Мы решили сначала полететь в Рейкьявик и провести там четыре дня.


Схема зарядного устройства автоэлектрика т 1021.
Зарядное устройство с дискретной установкой зарядного тока. Схемы восстановления заряда у батареек. Радиолюбительс
Схема принципиальная электрическая энергосберегающей лампочки. Ключевые слова: Высокое напряжение Как собрать Светильник под люминесцентную лампу 300 практических вопросов Лед светильник колобок схема питания Схемы электронных устройств.
Схема шлакоблочное оборудование зарядное устройство автомобильных аккумуляторов схема. Сокращения на схемах телевизоров. Принципиальная электрическая схема телевизора daewoo kr14u1t.
Форум сообществ
Продукты и решения, область применения.
Номинальный пусковой ток: 200A. Компактное пусковое устройство для автомобиля можно просто положить в сумочку, а в летнее время хранить в бардачке машины.
Результаты испытаний не сильно порадовали: пусковые таланты всех изделий оказались довольно скромными. Устройство зарядно-пусковое СОНАР УЗП 209.
Разработка, производство, продажа и сервисное обслуживание профессионального электроинструмента. Каталог продукции с описаниями, фотографиями и возможностью сравнения. Информация для дилеров.
Зарядный ток выставляется в зависимости от ёмкости аккумулятора, по нормальному не боле 10 от неё. Прилагаемая к статье принципиальная и монтажная схема выполнены в программе SPlan 7.0, в файле две вкладки.
Цены на лучшие модели пусковыхзарядных устройств в каталоге. Купить пусковоезарядное устройство по низкой цене с доставкой по Москве, Санкт-Петербургу.
6 или новее и хотя бы один поддерживающий пакет.
В этой документации):
В macOS при появлении запроса установите компилятор C.
Эти дополнительные функции описаны здесь более подробно.
png: конфигурация WireGuard QR-код
0.0.1:1080 -f -q -C -N
13 или старше для использования WireGuard
