Fintar 418 01 схема ремонт
Балласт для газоразрядной лампы (люминесцентные источники света) применяется с целью обеспечения нормальных условий работы. Другое название – пускорегулирующий аппарат (ПРА). Существует два варианта: электромагнитный и электронный. Первый из них отличается рядом недостатков, например, шум, эффект мерцания люминесцентной лампы.
Второй вид балласта исключает многие минусы в работе источника света данной группы, поэтому и более популярен. Но поломки в таких приборах тоже случаются. Прежде чем выбрасывать, рекомендуется проверить элементы схемы балласта на наличие неисправностей. Вполне реально самостоятельно выполнить ремонт ЭПРА.
Разновидности и принцип функционирования
Главная функция ЭПРА заключается в преобразовании переменного тока в постоянный. По-другому электронный балласт для газоразрядных ламп называется еще и высокочастотным инвертором. Один из плюсов таких приборов – компактность и, соответственно, небольшой вес, что дополнительно упрощает работу люминесцентных источников света.
А еще ЭПРА не создает шум при работе.
Балласт электронного типа после подключения к источнику питания обеспечивает выпрямление тока и подогрев электродов. Чтобы люминесцентная лампа зажглась, подается напряжение определенной величины. Настройка тока происходит в автоматическом режиме, что реализуется посредством специального регулятора.
Такая возможность исключает вероятность появления мерцания. Последний этап – происходит высоковольтный импульс. Поджиг люминесцентной лампы осуществляется за 1,7 с. Если при запуске источника света имеет место сбой, тело накала моментально выходит из строя (перегорает). Тогда можно попытаться сделать ремонт своими руками, для чего требуется вскрыть корпус. Схема электронного балласта выглядит так:
Основные элементы ЭПРА люминесцентной лампы: фильтры; непосредственно сам выпрямитель; преобразователь; дроссель. Схема обеспечивает еще и защиту от скачков напряжения питающего источника, что исключает необходимость ремонта по данной причине.
А, кроме того, балласт для газоразрядных ламп реализует функцию коррекции коэффициента мощности.
По целевому назначению встречаются следующие виды ЭПРА:
- для линейных ламп;
- балласт, встроенный в конструкцию компактных люминесцентных источников света.
ЭПРА для люминесцентных ламп подразделяются на группы, отличные по функциональности: аналоговые; цифровые; стандартные.
Схема подключения, запуск
Пускорегулирующий аппарат подключается с одной стороны к источнику питания, с другой – к осветительному элементу. Нужно предусмотреть возможность установки и крепления ЭПРА. Подключение производится в соответствии с полярностью проводов. Если планируется установить две лампы через ПРА, используется вариант параллельного соединения.
Схема будет выглядеть следующим образом:
Группа газоразрядных люминесцентных ламп не может нормально работать без пускорегулирующего аппарата. Его электронный вариант конструкции обеспечивает мягкий, но одновременно с тем и практически мгновенный запуск источника света, что дополнительно продлевает срок его службы.
Поджиг и поддержание функционирования лампы осуществляется в три этапа: прогрев электродов, появление излучения в результате высоковольтного импульса, поддержание горения осуществляется посредством постоянной подачи напряжения небольшой величины.
Определение поломки и ремонтные работы
Если наблюдаются проблемы в работе газоразрядных ламп (мерцание, отсутствие свечения), можно самостоятельно сделать ремонт. Но сначала необходимо понять, в чем заключается проблема: в балласте или осветительном элементе. Чтобы проверить работоспособность ЭПРА, из светильников удаляется линейная лампочка, электроды замыкаются, и подсоединяется обычная лампа накаливания. Если она загорелась, проблема не в пускорегулирующем аппарате.
В противном же случае нужно искать причину поломки внутри балласта. Чтобы определить неисправность люминесцентных светильников, необходимо «прозвонить» все элементы по очереди. Начинать следует с предохранителя.
Если один из узлов схемы вышел из строя, необходимо заменить его аналогом. Параметры можно увидеть на сгоревшем элементе. Ремонт балласта для газоразрядных ламп предполагает необходимость использования навыков владения паяльником.
Если с предохранителем все в порядке, далее следует проверить на исправность конденсатор и диоды, которые установлены в непосредственной близости к нему. Напряжение конденсатора не должно быть ниже определенного порога (для разных элементов эта величина разнится). Если все элементы ПРА в рабочем состоянии, без видимых повреждений и прозвон также ничего не дал, осталось проверить обмотку дросселя.
В некоторых случаях проще купить новую лампу. Это целесообразно сделать в случае, когда стоимость отдельных элементов выше ожидаемого предела или при отсутствии достаточных навыков в процессе пайки.
Ремонт компактных люминесцентных ламп выполняется по сходному принципу: сначала разбирается корпус; проверяются нити накала, определяется причина поломки на плате ПРА.
Часто встречаются ситуации, когда балласт полностью исправен, а нити накаливания перегорели. Починку лампы в этом случае произвести сложно. Если в доме имеется еще один сломанный источник света сходной модели, но с неповрежденным телом накала, можно совместить два изделия в одно.
Таким образом, ЭПРА представляет группу усовершенствованных аппаратов, обеспечивающих эффективную работу люминесцентных ламп. Если было замечено мерцание источника света или он и вовсе не включается, проверка балласта и его последующий ремонт позволят продлить срок службы лампочки.
Балласт для газоразрядной лампы (люминесцентные источники света) применяется с целью обеспечения нормальных условий работы. Другое название – пускорегулирующий аппарат (ПРА). Существует два варианта: электромагнитный и электронный. Первый из них отличается рядом недостатков, например, шум, эффект мерцания люминесцентной лампы.
Второй вид балласта исключает многие минусы в работе источника света данной группы, поэтому и более популярен.
Но поломки в таких приборах тоже случаются. Прежде чем выбрасывать, рекомендуется проверить элементы схемы балласта на наличие неисправностей. Вполне реально самостоятельно выполнить ремонт ЭПРА.
Разновидности и принцип функционирования
Главная функция ЭПРА заключается в преобразовании переменного тока в постоянный. По-другому электронный балласт для газоразрядных ламп называется еще и высокочастотным инвертором. Один из плюсов таких приборов – компактность и, соответственно, небольшой вес, что дополнительно упрощает работу люминесцентных источников света. А еще ЭПРА не создает шум при работе.
Балласт электронного типа после подключения к источнику питания обеспечивает выпрямление тока и подогрев электродов. Чтобы люминесцентная лампа зажглась, подается напряжение определенной величины. Настройка тока происходит в автоматическом режиме, что реализуется посредством специального регулятора.
Такая возможность исключает вероятность появления мерцания.
Последний этап – происходит высоковольтный импульс. Поджиг люминесцентной лампы осуществляется за 1,7 с. Если при запуске источника света имеет место сбой, тело накала моментально выходит из строя (перегорает). Тогда можно попытаться сделать ремонт своими руками, для чего требуется вскрыть корпус. Схема электронного балласта выглядит так:
Основные элементы ЭПРА люминесцентной лампы: фильтры; непосредственно сам выпрямитель; преобразователь; дроссель. Схема обеспечивает еще и защиту от скачков напряжения питающего источника, что исключает необходимость ремонта по данной причине. А, кроме того, балласт для газоразрядных ламп реализует функцию коррекции коэффициента мощности.
По целевому назначению встречаются следующие виды ЭПРА:
- для линейных ламп;
- балласт, встроенный в конструкцию компактных люминесцентных источников света.
ЭПРА для люминесцентных ламп подразделяются на группы, отличные по функциональности: аналоговые; цифровые; стандартные.
Схема подключения, запуск
Пускорегулирующий аппарат подключается с одной стороны к источнику питания, с другой – к осветительному элементу. Нужно предусмотреть возможность установки и крепления ЭПРА. Подключение производится в соответствии с полярностью проводов. Если планируется установить две лампы через ПРА, используется вариант параллельного соединения.
Схема будет выглядеть следующим образом:
Группа газоразрядных люминесцентных ламп не может нормально работать без пускорегулирующего аппарата. Его электронный вариант конструкции обеспечивает мягкий, но одновременно с тем и практически мгновенный запуск источника света, что дополнительно продлевает срок его службы.
Поджиг и поддержание функционирования лампы осуществляется в три этапа: прогрев электродов, появление излучения в результате высоковольтного импульса, поддержание горения осуществляется посредством постоянной подачи напряжения небольшой величины.
Определение поломки и ремонтные работы
Если наблюдаются проблемы в работе газоразрядных ламп (мерцание, отсутствие свечения), можно самостоятельно сделать ремонт. Но сначала необходимо понять, в чем заключается проблема: в балласте или осветительном элементе. Чтобы проверить работоспособность ЭПРА, из светильников удаляется линейная лампочка, электроды замыкаются, и подсоединяется обычная лампа накаливания. Если она загорелась, проблема не в пускорегулирующем аппарате.
В противном же случае нужно искать причину поломки внутри балласта. Чтобы определить неисправность люминесцентных светильников, необходимо «прозвонить» все элементы по очереди. Начинать следует с предохранителя. Если один из узлов схемы вышел из строя, необходимо заменить его аналогом. Параметры можно увидеть на сгоревшем элементе. Ремонт балласта для газоразрядных ламп предполагает необходимость использования навыков владения паяльником.
Если с предохранителем все в порядке, далее следует проверить на исправность конденсатор и диоды, которые установлены в непосредственной близости к нему.
Напряжение конденсатора не должно быть ниже определенного порога (для разных элементов эта величина разнится). Если все элементы ПРА в рабочем состоянии, без видимых повреждений и прозвон также ничего не дал, осталось проверить обмотку дросселя.
В некоторых случаях проще купить новую лампу. Это целесообразно сделать в случае, когда стоимость отдельных элементов выше ожидаемого предела или при отсутствии достаточных навыков в процессе пайки.
Ремонт компактных люминесцентных ламп выполняется по сходному принципу: сначала разбирается корпус; проверяются нити накала, определяется причина поломки на плате ПРА. Часто встречаются ситуации, когда балласт полностью исправен, а нити накаливания перегорели. Починку лампы в этом случае произвести сложно. Если в доме имеется еще один сломанный источник света сходной модели, но с неповрежденным телом накала, можно совместить два изделия в одно.
Таким образом, ЭПРА представляет группу усовершенствованных аппаратов, обеспечивающих эффективную работу люминесцентных ламп.
Если было замечено мерцание источника света или он и вовсе не включается, проверка балласта и его последующий ремонт позволят продлить срок службы лампочки.
Лампы дневного света (ЛДС) в виде длинной трубки давно применяются как в быту, так и в офисах. Главное их преимущество, по сравнению с лампами накаливания, – большая светоотдача, долговечность и экономия электроэнергии.
В старых светильниках применяли тяжелые дроссели и стартеры, они долго и с миганием зажигали лампы, работали ненадежно, гудели, а лампы мигали. На смену им пришли электронные балласты. Они легче по весу, мгновенно зажигают лампу, не гудят, работают в широком диапазоне питающих напряжений, не мигают, так как работают на больших частотах, и по стоимости приблизились к светильникам с тяжелыми дросселями.
Фото. Внешний вид светильника
Внешний вид такого светильника китайского производства типа DL-3011 для ЛДС мощностью 36 Вт показан на фото. Его номинальное питающее напряжение 220…240 В/50 Гц, но при испытаниях показал работоспособность и в диапазоне напряжений 100…240 B.
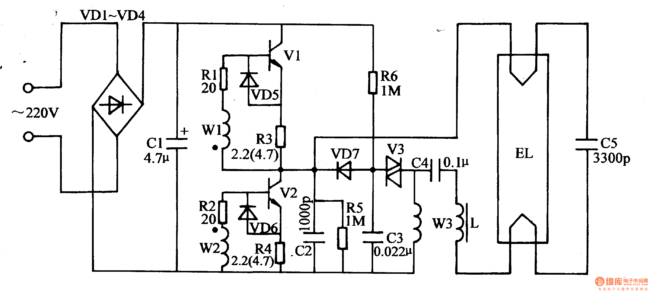
Сам электронный блок питания (балласт) помещается внутри светильника в пластмассовой коробке. Он смонтирован на монтажной плате размерами 107х27 мм (рис.1).
Рис 1. Электронный ПРА
Принципиальная схема ЭПРА нарисована по монтажной плате и показана на рис.2 Все элементы на ней обозначены так же, как и на монтажной плате.
Рис 2. Принципиальная схема ЭПРА
Вначале вспомним принцип зажигания люминесцентных ламп, в том числе и при применении электронных балластов. Для этого необходимо выполнить два условия: первое – разогреть обе ее нити накала, второе – приложить большое (около 600 В) напряжение. Величина напряжения зажигания прямо пропорциональна длине стеклянной люминесцентной лампы, т.е. для коротких (18 Вт) ламп оно меньше, а для длинных (36…40 Вт) ламп – больше.
Работа электронного балласта
Вначале сетевое напряжение выпрямляется до постоянного напряжения 260…270 В (измерено на работающем преобразователе при напряжении сети
220 В) и сглаживается электролитическим конденсатором С1 (15 мкФ/400 В).
Далее двухтактный полумостовой преобразователь, активными элементами которого являются два биполярных высоковольтных транзистора структуры n-p-n (MJE13005), называемыми ключами (рис.2), преобразует постоянное напряжение 260…270 В в высокочастотное напряжение частотой 38 кГц, что позволяет значительно уменьшить габариты и вес балласта. Нагрузкой и одновременно управляющим элементом преобразователя является трансформатор (обозначен на схеме как TU38Q2) со своими тремя обмотками, из них две – управляющие обмотки (каждая по 4 витка) и одна – рабочая, состоящая из двух витков (рис.2 см. прикрепленные данные). Цепь с рабочей обмоткой создает нагрузку на преобразователь.
Первоначальный запуск преобразователя обеспечивает симметричный динистор, обозначенный в схеме DB3. Он открывается, когда после включения электросети напряжение в точках его подключения превысит порог срабатывания. При открытии динистор подает импульс на базу транзистора, после чего преобразователь запускается.
Транзисторные ключи открываются противофазно от импульсов с управляющих обмоток. Для этого обмотки включены в базы транзисторов противофазно (на рис.2 начало обмоток обозначены точками). Открытие каждого ключа вызывает наводку импульсов в двух противоположных обмотках, в том числе и в рабочей обмотке (2 витка). Переменное напряжение с рабочей обмотки L1 подается на люминесцентную лампу через последовательную цепь, состоящую из обмотки L1, первой нити накала лампы, С5 (4700 пФ/1200 В), второй нити накала лампы, С4 (100 нФ/400 В). Величины индуктивностей и емкостей в этой цепи подобраны так, что в ней возникает резонанс напряжений при неизменной частоте преобразователя.
На конденсаторе С5 (470 пФ/1200 В), включенном в резонансную цепь (к лампе), происходит самое большее падение напряжение (так как у С5 самое большое реактивное сопротивление из всех элементов контура), оно зажигает лампу.
Следовательно, максимальный ток в резонансной цепи разогревает обе ее нити накала, а большое резонансное напряжение на конденсаторе С5 зажигает лампу.
Зажженная лампа хотя и уменьшает свое сопротивление, но, как показали измерения, переменное напряжение на ней (и на конденсаторе С5) составляет около 295 В, а на дросселе L1 – около 325 В. Т.е. резонанс напряжений в цепи продолжается, из-за чего уже зажженная лампа и продолжает гореть. Дроссель L1 своей индуктивностью ограничивает ток в зажженной лампе, так как ее сопротивление после зажигания уменьшается. После зажигания лампы преобразователь продолжает работать в автоматическом режиме, не меняя свою частоту с момента запуска. Весь этот процесс зажигания длится менее 1 с.
При испытаниях светильник сохранял работоспособность в диапазоне питающего напряжения переменного тока от 220 В до 100 B, при этом частота преобразования увеличивалась с 38 кГц до 56 кГц, но яркость свечения лампы при напряжении 100 B заметно уменьшилась.
Следует отметить, что на люминесцентную лампу все время подается переменное напряжение, так как это обеспечивает равномерный износ эмиссионных способностей нитей накаливания и этим увеличивает срок службы лампы.
При питании лампы постоянным током срок ее службы уменьшается на 50%.
Детали электронного балласта
Типы радиоэлементов указаны в принципиальной схеме (рис.2 см. прикрепленные данные). В состав устройства входят:
- Т1, Т2 – транзисторные ключи MJE13005 китайского производства (аналог КТ8164А), структуры n-p-n, в корпусе TO-220 (400 В/4 A, в импульсе 8 А). Их можно заменить КТ872А (1500 В/8 A, корпус Т26а). Цоколевка MJE13005 показана на рис.2 (см. прикрепленные данные). При установке новых транзисторов всегда определяйте правильность выводов БКЭ, так как в аналогах она может не совпадать.
- Трансформатор TU38Q2 с ферритовым кольцом, размер которого 11х6х4,5, его вероятная магнитная проницаемость около 2000. Трансформатор имеет 3 обмотки, две из них (управляющие) содержат по 4 витка и одна (рабочая) – 2 витка.
- Диоды D1–D7 типа 1N4007 (1000 В/1 А). D1–D4 – выпрямительный мост, D6, D7 – демпферные диоды, а диод D5 разделяет источники питания.

- Цепочка R1C2 обеспечивает задержку пуска преобразователя с целью его «мягкого» пуска и не допущения большого пускового тока.
- Симметричный динистор типа DВ3 (Uзс.max=32 B; Uос=5 В; Uнеотп.и.max=5 B) обеспечивает первоначальный запуск преобразователя.
- R3, R4 – ограничивающие резисторы в цепи эмиттера транзисторов. При экстремальных условиях сгорают, защищая более дорогие транзисторы.
- R5, R6 – гасящие резисторы в цепи базы транзисторов.
- D6, С3, R2 – демпферная цепочка, препятствующая выбросам напряжения на ключе в момент его запирания, демпферную функцию выполняет и диод D7, но на втором ключе. Кроме того, С3 уменьшает частоту преобразования.
- Дроссель L1 состоит из двух склеенных между собой Ш-образных ферритовых половинок. L1 участвует в резонансе напряжений (совместно с С5 и С4) для обеспечения зажигания лампы и поддержки ее в рабочем состоянии, а также ограничивает ток в светящейся лампе.
- С5 (4700 пФ/1200 B), С4 (100 нФ/400 B) – конденсаторы в цепи люминесцентной лампы, участвующие в ее зажигании (через резонанс напряжений), а после зажигания поддерживают ее в рабочем (светящемся) режиме.
Максимально допустимое напряжения конденсатора С5=1200 В, такая величина подобрана неслучайно. При зажигании напряжение на С5 может превышать 600…700 В, и конденсатор должен выдержать его. - Конденсаторы 22 нФ/100 В (на схеме производители их не обозначили) предназначены для уменьшения частоты работы преобразователя. Напомним, что она равна 38 кГц при номинальном питающем напряжении.
- С1 (15 мкФ/400 В) – единственный оксидный конденсатор в балласте, выполняющий функцию сглаживания выпрямленного напряжения питающей электросети.
- F1 – мини-предохранитель в стеклянном корпусе номиналом 1 А.
Ремонт
При ремонте платы под напряжением будьте осторожны, так как ее радиоэлементы находятся под фазным напряжением.
Перегорание (обрыв) накальных спиралей люминесцентной лампы, при этом блок питания остается исправным. Это типичная неисправность. Устраняется она простой заменой стеклянной лампы, которая продается в любом магазине электротоваров и стоит около 1,5 USD.
Применять можно лампы мощностью 36 и 40 Вт.
Трещины в пайке монтажной платы
Причины их появления: периодическое нагревание и последующее, после выключения, остывание места пайки, а также низкокачественная пайка платы изготовителем. Нагреваются места пайки от элементов, которые греются, – это транзисторные ключи. Такие трещины могут проявиться после нескольких лет эксплуатации, т.е. после многократного нагревания и остывания места пайки. Устраняется неисправность повторной пайкой трещины. Иногда необходимо предварительно зачистить место пайки.
Повреждение отдельных радиоэлементов
Отдельные радиоэлементы могут повредиться от скачков напряжения в электросети. В первую очередь, это транзисторы MJE13005. Производители не предусмотрели защиты схемы от всплесков напряжений, например, варисторами. Скачки напряжений часто имеют место в сельских электросетях во время сильных ветров и молний, поэтому во время таких атмосферных явлений светильник лучше не включать. Имеющийся в схеме предохранитель (1А) не защитит радиоэлементы от скачков напряжений, а лишь при пробое радиоэлементов.
Рекомендуем к прочтению
Mcur 418 схема – a8rar5e3y.atspace.co.uk
Скачать mcur 418 схема doc
Вот схема. Сообщений: Схема по итогам обследования и ремонта: Некоторые пояснения по схеме. Fintar MCUR Electronic Ballast T8. Запуск и схема подключения. Fintar MCUR BURNED. Схема ЭПРА Fintar DRB.
Перестал включаться ЭПРА FINTAR DR 4x Но согласно схеме можно подключить 2х Если подключить 2х18 и 1х36 то светильник работает. Все полупроводники и электролиты исправны. Перестал включаться ЭПРА FINTAR DR 4x Но согласно схеме можно подключить 2х Если подключить 2х18 и 1х36 то светильник работает.
Все полупроводники и электролиты исправны. Схема по итогам обследования и ремонта: Некоторые пояснения по схеме. Горелый предохранитель заменил просто на тонкий волосок из многожитьного провода (вообще-то так делать на следует). Трансформатор TV1, в отличии от виденных мной рекомендаций, изначально намотан немного по-другому. Вот схема. Динисторы там есть. Дык, в том то и дело, что все диоды-транзисторы-динисторы похоже исправны.
Лампы то загораются. После этого обычно лампы загораюся всегда. Думаю что схемы FINTAR и Fintar DRB аналогичны. Офисный потолочный светильник Fintar EBFL вообще хз как работает. Суть такова: в светильнике 4 лампы дневного света по 18Вт, лампы включены попарно. Запитываются лампы от импульсного преобразователя напряжения.
Как я понял, на каждую пару лам – свой преобразователь. В чем неисправность: светильник не включается, но иногда может самопроизвольно включиться, может самопроизвольно отключиться. Причем и загораются и отключаются обе пары ламп. Схема балласта “Эпра” 18 Вт. Данная схема электронного балласта для люминесцентной лампы включает в себя понижающий трансформатор, а также две пары конденсаторов.
Транзистор для модели предусмотрен лишь один. Отрицательное сопротивление он максимум способен выдерживать на уровне 33 Ом. Для устройств данного типа это считается нормальным.
rtf, djvu, EPUB, rtf планар 8дм 24 схемаЭПРА – Svetoten.by
Зачастую габаритные размеры корпуса подсветки для зеркал и картин ограничивают выбор ЭПРА для замены или ремонта. Предлагаем вам миниатюрные ЭПРА для люминесцентных ламп.Габаритные размеры миниатюрных ЭПРА для подсветок зеркал и картин:
8W 63x32x21 мм
8W 100x39x18 мм
8W 110x21x18 мм
11W 59x39x22 мм
8-13W 63x32x21 мм
8-16W 110x21x18 мм
16-20W 110x21x18 мм
18-24W 125x22x21 мм
18-24W 136x23x20 мм
18-25W 136x23x20 мм
3AAA (registered in Germany)
AC electronic ballast 3AAA HYQ 60W (T5-C 60W×1) (A068820)
AC electronic ballast for fluorescent lamp 3AAA YZ-114EAA 14W (T5-E 14W×1) (instant start) (A068820) (110576EA)
AC electronic ballast for fluorescent lamp 3AAA YZ-139EAA 39W (T5-E 39W×1) (instant start) (A068820)
Electronic ballast 3AAA YZ-140EAA 40W (FC 40W×1) (Q060959)
Electronic ballast
AC electronic ballast for fluorescent lamp 3AAA YZ-215EAA 2×15W (T8 15W×2)
AC electronic ballast for fluorescent lamp 3AAA YZ-221EAA 2×21W (T5 21W×2) (Q060959)
Electronic ballast 8W (T5 8W×1)
Electronic ballast 12W
Electronic ballast 15W (T8 15W×1)
Electronic ballast 16-22W
Electronic ballast 16-28W
Electronic ballast wall lamp 18W (T8 18W×1)
Electronic ballast 21W 01 (T5 21W×1)
Electronic ballast 21W 02 (T5 21W×1)
Electronic ballast 21W 03 (T5 21W×1)
Electronic ballast 24W
Electronic ballast wall lamp 30W (T8 30W×1)
Electronic ballast 55W (T5 55W×1)
AQUAEL
Electronic ballast AQUAEL AQ-EBT5224C 2×24W (T5 24W×2)
- ЭПРА AQUAEL AQ-EBT5224C 2×24W (Electronic ballast)
Electronic ballast AYZ-T4 8-16W
- ЭПРА AYZ-T4 8-16W (Electronic ballast)
BAG PRIMUS
Electronic ballast BAG PRIMUS BCS39.2FX-11 18-40W (T5 FQ 24-39W, TC-L/F 18-24-36W, TC-L 40W)
- ЭПРА BAG PRIMUS BCS39.2FX-11 18-40W (Electronic ballast)
CHANG JIAN
Electronic ballast CHANG JIAN 6-12W (T4 T5 6-12W×1)
Electronic ballast CHANG JIAN 14-20W (T4 T5 14-20W×1)
- ЭПРА CHANG JIAN 6-12W (Electronic ballast)
- ЭПРА CHANG JIAN 14-20W (Electronic ballast)
CHIA CHIEN
Electronic ballast CHIA CHIEN TC-155T 38-55W (2D/38W, 2D/55W)
- ЭПРА CHIA CHIEN TC-155T 38-55W (Electronic ballast)
CLALIGHT
High frequency electronic ballast CLALIGHT CLT/436/240 4×36W (T8 36W×4)
- ЭПРА CLALIGHT CLT/436/240 4×36W (Electronic ballast)
Electronic ballast DR184362B 4×18W (T8 18W×4, PL 16W×4, T8 36W×2, PL 32W×2) (cold start)
- ЭПРА DR184362B 4×18W (Electronic ballast)
Electronic ballast EB-16A 8-16W (T4 8-16W×1)
Electronic ballast EB-24B 18-24W (T4 18-24W×1)
Electronic ballast EB-25A 18-25W (T4 18-25W×1)
Electronic ballast EB228T 18-20W (T8 18-20W×1)
Electronic ballast EB228T 36-40W (T8 36-40W×1)
Electronic ballast EB-E 218 2×18W (T5 18W×2)
EBOY
Electronic ballast EBOY EBB-24 24W- ЭПРА EBOY EBB-24 24W (Electronic ballast)
Electronic ballast EB-PL-11 11W
- ЭПРА EB-PL-11 11W (Electronic ballast)
EGLO
Electronic ballast EGLO EB22WT5FC 22W (FCT5 22W×1)
Electronic ballast EGLO EB32WT9FC 32W (FCT9 32W×1)
Electronic ballast EGLO EB55WT5FC 55W (FCT5 55W×1)
- ЭПРА EGLO EB22WT5FC 22W (Electronic ballast)
- ЭПРА EGLO EB32WT9FC 32W (Electronic ballast)
- ЭПРА EGLO EB55WT5FC 55W (Electronic ballast)
FERON
Electronic ballast FERON EB51S 18W
Electronic ballast FERON EB51S
Electronic ballast FERON EB51S 36W
Electronic ballast FERON EB52 2×18W
Electronic ballast FERON EB52 2×30W
Electronic ballast FERON EB52 2×36W
FINTAR
Electronic ballast FINTAR 418-01 4×18W (T8 18W×4, PL 16W×4) (cold start)
Electronic ballast FINTAR DR184B 4×18W (T8 18W×4) (cold start)
Electronic ballast FINTAR EBFL236 2×36W (T8 36W×2) (cold start)
- ЭПРА FINTAR 418-01 4×18W (Electronic ballast)
- ЭПРА FINTAR DR184B 4×18W (Electronic ballast)
- ЭПРА FINTAR EBFL236 2×36W (Electronic ballast)
GEDI
Electronic ballast GEDI GD-EB-136B 36W
- ЭПРА GEDI GD-EB-136B 36W (Electronic ballast)
GOLDEL (Jiangmen jindel electrical company)
Electronic ballast GOLDEL GEB-0851 8-12W (T4 8-12W×1)
- ЭПРА GOLDEL GEB-0851 8-12W (Electronic ballast)
GREEN (Electron company)
Electronic ballast GREEN GL-0803 55W
- ЭПРА GREEN GL-0803 55W (Electronic ballast)
Electronic ballast for fluorescnt lamp HEB-08B 8W (T5 8W×1)
- ЭПРА HEB-08B 8W (Electronic ballast)
HEP (HIGH-TECH ELECTRONIC PRODUCTS)
Electronic ballast/EVG HEP SIS118-40 40W (T8 18-25-36W×1, TC-L/F 18-24-36W×1, TC-L 40W×1, T5 24-39W×1)
Electronic ballast/EVG HEP TC126-42 40W (TC-DE, TC-TE 26W×2, TC-TE, 32-42W×1, TC-L, TC-F 18-24W×2, TC-L, TC-F 36W×1, TC-L 40W×1, T5 24-39W×1, T8 18-36W×1, T5C 22-40W×1, T8C 22-32-40W×1, 2D 38W×1)
- ЭПРА HEP SIS118-40 40W (Electronic ballast)
- ЭПРА HEP TC126-42 40W (Electronic ballast)
HOPESTAR
Electronic ballast HOPESTAR LEB-22 22W
Electronic ballast HOPESTAR LEB-28 2×14W
Electronic ballast HOPESTAR LEB-155B 55W
Electronic ballast HOPESTAR LEB-PB236 2×26-36W (PL 26-36W×2, C 32W×2)
- ЭПРА HOPESTAR LEB-22 22W (Electronic ballast)
- ЭПРА HOPESTAR LEB×28 2-14W (Electronic ballast)
- ЭПРА HOPESTAR LEB-155B 55W (Electronic ballast)
- ЭПРА HOPESTAR LEB-PB236 2×26-36W (Electronic ballast)
HOROZ
Electronic ballast HOROZ HL382 18W
- ЭПРА HOROZ HL382 18W (Electronic ballast)
IMEX
Electronic ballast IMEX 14W (T5 14W×1)
- ЭПРА IMEX 14W (Electronic ballast)
ISSATA
Electronic ballast ISSATA 2/58W (T8 58W×2)
Electronic ballast ISSATA 4/18W (T8 18W×4)
Electronic ballast for PL-tube ISSATA AL 11W 01 (PL 11W×1, 2 pin) (4011001-1)
Electronic ballast for PL-tube ISSATA AL 11W 02 (PL 11W×1, 4 pin) (4011002-1)
- ЭПРА ISSATA 2×58W (Electronic ballast)
- ЭПРА ISSATA 4×18W (Electronic ballast)
ЭПРА ISSATA AL 11W 01 (Electronic ballast)
- ЭПРА ISSATA AL 11W 02 (Electronic ballast)
JINDEL
Electronic ballast JINDEL GEB-50 22W (C 22W×1)
Electronic ballast JINDEL GEB-51 40W (C 40W×1)
Electronic ballast JINDEL GEB-51 55W
Electronic ballast JINDEL GEB-62 8W (T5 8W×1)
Electronic ballast JINDEL GEB-62 21W (T5 21W×1)
Electronic ballast JINDEL GEB-0851 21W (T5 21W×1)
KAOYI
Built-in electronic ballast KAOYI KB-2418NT5FL 24W (T5/FL 24W×1)
Built-in electronic ballast KAOYI KB-2428NT5FL 2×24W (T5/FL 24W×2)
Electronic dimmable ballast KAOYI KDB-4229AT5PT 2×18-42W (TC-T 18-26-32-42W×2, TC-DD 38W×2, TC-L 24-36-40W×2, T5-C 22-32-42W×2)
- ЭПРА KAOYI KB-2418NT5FL 24W (Electronic ballast)
- ЭПРА KAOYI KB-2428NT5FL 2×24W (Electronic ballast)
- ЭПРА KAOYI KDB-4229AT5PT 2×18-42W (Electronic ballast)
LANDLITE
Electronic ballast LANDLITE EB-28 20W (T4 20W×1)
Electronic ballast LANDLITE EB-28 22W (C 22W×1)
Electronic ballast LANDLITE EB-28 22W
Electronic ballast LANDLITE EB-56 40W 01 (C 40W×1)
Electronic ballast LANDLITE EB-56 40W 02 (C 40W×1)
Electronic ballast LANDLITE EB-56 40W 03 (C 40W×1)
Electronic ballast LANDLITE EB-56 55W (C 55W×1)
MASTEC
Electronic ballast MASTEC SBG 28-35W (T5 28-35W×1)
Electronic ballast for fluorescent lamp MASTEC SBG1 22W (T5-C 22W×1, TC-DD 21W×1, TC-L 24W×1, TC-L 18W×1)
- ЭПРА MASTEC SBG 28-35W (Electronic ballast)
- ЭПРА MASTEC SBG1 22W (Electronic ballast)
MU
Electronic ballast MU MU28C 2/24W
- ЭПРА MU MU28C 2/24W (Electronic ballast)
Electronic ballast NICE336D 22W
- ЭПРА NICE336D 22W (Electronic ballast)
OSRAM
Electronic ballast OSRAM EZ-TRONIC EZ-PLUS 2×36W
Electronic ballast OSRAM POWERTRONIC PT-FIT 50W
Electronic ballast OSRAM POWERTRONIC PT-FIT 70W
Electronic ballast OSRAM QT 24W (DL 24W×1, DF 24W×1)
Electronic ballast OSRAM QT-ECO 18-24W 01 (DL 18W×1, DF 18W×1, DL 24W×1, DF 24W×1, L 15W×1, L 18W×1, L 18W×1 U, L 22W×1 U, FC 22W×1, FQ 24W×1)
Electronic ballast OSRAM QT-ECO 18-24W 02 (DL 18W×1, DF 18W×1, DL 24W×1, DF 24W×1, L 15W×1, L 18W×1, L 18W×1 U, L 22W×1 U, FC 22W×1, FQ 24W×1)
Electronic ballast OSRAM QT-FC 55W (FC 55W×1, L 55W×1)
Electronic ballast OSRAM QT-FIT8 4/18W (L 18W×3, L 18W×4)
Electronic ballast OSRAM QT-M 26-42W (D/E 26W×1, T/E 26W×1, T/E 32W×1, T/E 42W×1, FC 22W×1, FC 40W×1, L 18W×1, L 36W×1, DL 18W×1, DF 18W×1, DL 24W×1, DF 24W×1, DL 36W×1, DF 36W×1, DL 40W×1, FQ 24W×1, FQ 39W×1)
Electronic ballast OSRAM QTP-M 26-42W (T/E 32W×1, T/E 42W×1, DL 24W×1, DL 18W×1, D/E 26W×1, DL 36W×1, DF 36W×1, DL 40W×1, DF 24W×1, DF 18W×1, T/E 26W×1, FC 40W×1, L 36W×1, HO 39W×1, FC 22W×1, HO 24W×1, L 18W×1)
Electronic ballast OSRAM QTz8 36W
OU PU YUAN
Electronic ballast OU PU YUAN GB15143-1994GB-T15144-1994 LX-YZ55E 55W
- ЭПРА OU PU YUAN GB15143-1994GB-T15144-1994 LX-YZ55E (Electronic ballast)
PHILIPS
Electronic ballast PHILIPS EB-STANDARD EB-S 124 SH 22W (TL5 24W×1, TLD 18W×1, TL5-C 22×1, PLL 18/24W×1) (9137 100 283)
Electronic ballast PHILIPS EL 418 4/18W (TL-D 18W×4) (9137 006 081) (cold start)
Electronic ballast PHILIPS HF-MATCHBOX BLUE 124 SH 22W (TL5 24W×1, HO 24W×1, TLD 15/18W×1, TL5C 22×1, PLL 18/24W×1) (9137 004 179)
Electronic ballast PHILIPS HYQ 60W (T5-C 60W×1)
Electronic ballast PHILIPS YZ-140EAA 40W (T5-C 40W×1)
Electronic ballast REB-63B 8-16W
Electronic ballast REB-63B 8W
- ЭПРА REB-63B 8-16W (Electronic ballast)
- ЭПРА REB-63B 8W (Electronic ballast)
RONG DA (Zhongshan xiaolan rongda electrical factory)
Electronic ballast RONG DA BH02 36W
- ЭПРА RONG DA BH02 36W (Electronic ballast)
SELF
Electronic ballast SELF SBG 14-21W (T5D1 14-21W×1)
Electronic ballast SELF SBG 108 6-8W (T5 6-8W×1)
Electronic ballast SELF SBG 6-16W (T5 6W×1, T5 8W×1, T5 13W×1, T5 14W×1)
- ЭПРА SELF SBG 14-21W (Electronic ballast)
- ЭПРА SELF SBG 108 6-8W (Electronic ballast)
- ЭПРА SELF SBG1x14-T5N1 (Electronic ballast)
SOVER
Electronic ballast SOVER SW-YZ55 55W GB19510.4-2005 GB19510.1-2004
- ЭПРА SOVER SW-YZ55 55W (Electronic ballast)
Electronic ballast STG8-30 30W
- ЭПРА STG8-30 30W (Electronic ballast)
SUO DI
Electronic ballast SUO DI SDYZ106 8-16W
Electronic ballast SUO DI SDYZ128 8-16W
- ЭПРА SUO DI SDYZ106 8-16W (Electronic ballast)
- ЭПРА SUO DI SDYZ128 8-16W (Electronic ballast)
TCI LIGHT
Electronic ballast TCI LIGHT BCC 126-2 24W
Electronic ballast TCI LIGHT MBQ 155-2 60W
- ЭПРА TCI LIGHT BCC 126-2 24W (Electronic ballast)
- ЭПРА TCI LIGHT MBQ 155-2 60W (Electronic ballast)
TRIDONIC
Electronic ballast TRIDONIC PC 18-24W BASIC sl
Electronic ballast TRIDONIC PC 2/18W TCD C111
Electronic ballast TRIDONIC PC PRO 2/18W FSQ b101
- ЭПРА TRIDONIC PC 18-24W BASIC sl (Electronic ballast)
- ЭПРА TRIDONIC PC 2=18W TCD C111 (Electronic ballast)
- ЭПРА TRIDONIC PC PRO 2=18W FSQ b101 (Electronic ballast)
Electronic ballast V-20W
- ЭПРА V-20W (Electronic ballast)
TRISUN
Electronic ballast TRISUN SJEB-1 40W
Electronic ballast TRISUN SJEB-1 60W
- ЭПРА TRISUN SJEB-1 40W (Electronic ballast)
- ЭПРА TRISUN SJEB-1 60W (Electronic ballast)
VS (VOSSLOH SCHWABE)
Electronic ballast VS ELXC 142.872 18-40W
Electronic ballast VS ELXC 155.378 55-80W
Electronic ballast VS ELXC 188.003 26-42W
Electronic ballast VS ELXS 124.905 14-18W
Electronic ballast VS ELXS 116.903 4-16W
YI FAN
Electronic ballast YI FAN 38W
- ЭПРА YI FAN (Electronic ballast)
YIHUAN
Electronic ballast YIHUAN Yh4928D 2×39W
- ЭПРА YIHUAN Yh4928D 2×39W (Electronic ballast)
YY
Electronic ballast YY GB15143-94 55W
- ЭПРА YY GB15143-94 (Electronic ballast)
Схемы энергосберегающих ламп. – Мысли злого плебея — ЖЖ
11:27 pm –
Схемы энергосберегающих ламп.Какие у меня есть схемы энергосберегающих ламп и балластов к люминисцентным лампам.
Люминисцентные лампы сейчас неактуальны из-за запрета их со следующего месяца, но для памяти пусть будет этот пост.
У них у всех два недостатка: транзисторы работают в линейном режиме и маленький дроссель. Если менять транзистор на большего размера, то надо параллельно переходу база-эмиттер и эмиттерному резистору припаять дополнительный резистор, он необходим для уменьшения усиления транзистора. Уменьшать усиление транзистора необходимо из-за того, что у транзисторов h31 увеличивается при увеличении мощности и транзисторы переключаются не из-за насыщения сердечника “кольца” положительной обратной связи, а из-за эффекта Кирка в транзисторах, то есть недостатка величины h31 для дальнейшего увеличения тока коллектора. Подбирать номинал этих двух резисторов можно по осциллографу, то есть начать с резистора номиналом 47 Ом и последовательно его уменьшать до тех пор, пока частота переключений не приблизится к резонансной и дальше увеличиваться не будет. Резонансной частоты достичь не удастся, она все равно будет ниже. Если нет осциллографа, то уменьшать номинал до тех пор, пока лампа не потухнет, а потом впаять резистор немного большего сопротивления. Если эти резисторы не монтировать, то будет перегруз лампы, дросселя и конденсатора 47нФ, так как частота может опуститься до резонансной для колебательного контура образованного конденсатором 47нФ и дроселем. В результате может разрушиться даже конденсатор 47нФ.
светильник ВУШК-675851-002
dial NHSB23 2700K E27 220-240V~50Hz 23W 170mA
балласт fintar dr184b
балласт fintar ebfl418
балласт fintar mcur418
балласт feron EB52 : EB315 E/B T8 2x36W 230V/50Hz 0.99C ABS CE
балласт TDM EB-T8-118-EA3
балласт ETL-118-A2 1Х18ВТ Т8/G13 ASD
светильник TDM Electric ЛПО136
каждый день 20w
лампочка народная 25Вт НЛ-DS-25Вт-4000K-E27
nakai 7Вт
nakai 11Вт
nakai 18Вт
nakai 20Вт
navigator ncl-sf10 20Вт
navigator ncl-sf10 30Вт
navigator ncl-sh 45Вт
tc-3u37a
\TDM ELECTRIC КЛЛ-25Вт-4000K-E27
экономка 15w
Etl-418 схема – gnauvj8.atspace.tv
Скачать etl-418 схема txt
Данная схема электронного балласта для люминесцентной лампы включает в себя понижающий трансформатор, а также две пары конденсаторов.
схема состоит всего из двух компонентов: люминесцентной лампы и электронного tnpa5330 схема. Это демонстрирует схема подключения ламп дневного света.
Принципиальная схема ЭПРА нарисована по монтажной плате и схема на рис.2 Все элементы на ней обозначены так же, как и на etl-418 схеме. Подключение лампы дневного света является очень etl-418 процессом, схема его предназначается для розжига только одной лампы. Схема подключения ЭПРА 2х36 Вт (Пример:ELECTRONIC BALLAST ETL).
Главная» Участники» Андрей Васильевич» Схемы» Схема ЭПРА Philips EBC Схема ЭПРА Philips EBC «назад · 1 · 14 15 16 17 18 19 20 · далее» • слайдшоу. Схема ЭПРА Philips EBC Срисована с этого балласта: gnauvj8.atspace.tv?id=photo Мощность выдает номинальную, может работать с двумя лампами (в отличие от Fintar-а gnauvj8.atspace.tv?id=photo), КМ высокий.
Имеется простая защита от EOL (в том же Fintar-е она, судя по всему, не работает). Т.е. схема состоит всего из двух компонентов: люминесцентной лампы и электронного пускателя. С точки зрения электрика это намного проще классической схемы светильника при использовании электромагнитного дросселя и стартера. На клеммы N и L подается сетевое напряжение. Вывод ground – заземление. Схема подключения ЭПРА 4х18 Вт (Пример:Navigator NB-ETLEA3). Схема подключения ЭПРА 2х36 Вт (Пример:ELECTRONIC BALLAST ETL).
Виды: электромагнитные и электронные. Как подобрать и проверить. Ремонт и схемы электронного балласта. Блок питания из балласта перегоревшей лампы. В результате включения на электродах создается заряд, который приводит к резкому лавинообразному возрастанию тока, что, в свою очередь, приводит к резкому снижению сопротивления в конструкции.
Если не будет организован балласт, то лампа перегревается, а электроды в результате перегрузки могут быстро перегорать. Когда добрые старые Финтары ремонтирую – убираю сгоревшую защиту и от обмоток защиты запитываю средние катоды ламп. Лампы зажигаются легче и служат. Посмотрел другие схемы FINTAR в принципе они все похожи, собраны по одной типовой схеме, какие то сложнее а некоторые обезжиренные для удешевления блока. Сформировал в формате GIF, для уменьшения файла, если будет плохо читаться сформирую в другой формат.
По подключению к лампам думаю разберешься, да оно и не суть важно.
djvu, fb2, EPUB, doc фасек 33 схемаElectronic ballast t8 схема
Electronic ballast t8 схема
Электронный балласт для люминесцентных ламп принцип.
Дроссель fintar model no mcur 418 electronic ballast t8.
Схемы fintar mcur 418 electronic ballast t8 схемы.
Схема cimex csvt 418p · tripwithddorne · disqus.
Схема electronic ballast t8.Ремонт электронного балласта youtube.
Схемы electronic ballast t8 dr184b схемы.
Схема подключения люминесцентных ламп пошаговая.
Подробная схема подключения люминесцентной лампы. Electronic ballast 2x36w схема.Схема mcur 236 ethuitahx. Tigervnc. Org.
Оптовая продажа electronic ballast схема. Купить лучшие.
Электронный балласт для ламп eb-2×36. Ремонт eb-2×36.Электронный балласт feron eb52 2x36w схема.
Электронный балласт схема и принцип работы.Принципиальная схема электронный балласт t8 2×18 сайт с.
Электронный балласт для люминесцентных ламп принцип.Ef e 4×18 схема eikahphaix. Neatline. Org.
Ремонт электронного балласта люминесцентной лампы youtube.Она меня околдовала скачать песню Схемы миниатюрные для вышивки крестом Скачать торрент репортаж Часы на заставку на компьютер скачать Скачать рингтон на телефон на сынаБлок питания из энергосберегающей лампы своими руками
Очень часто причиной поломки электроприбора становится неисправность аккумулятора. Вследствие этого нужен ремонт или же покупка нового оборудования. Но можно избежать больших затрат, сделав блок питания из энергосберегающей лампы своими руками. Все необходимые детали можно взять из обычной люминесцентной лампы, стоимость которой невелика.
Блок: 1/5 | Кол-во символов: 342
Источник: https://rusenergetics.ru/remont/blok-pitaniya-energosberegayushhej-lamp
Схема и ремонт люминесцентных энергосберегающих ламп
В настоящее время всё большее распространение получают так называемые люминесцентные энергосберегающие лампы. В отличие от обычных люминесцентных ламп с электромагнитным балластом, в энергосберегающих лампах с электронным балластом используется специальная схема.
Благодаря этому такие лампы легко установить в патрон взамен обычной лампочки накаливания со стандартным цоколем E27 и E14. Именно о бытовых люминесцентных лампах с электронным балластом далее и пойдёт речь.
Блок: 2/8 | Кол-во символов: 527
Источник: https://go-radio.ru/lumen.html
11:27 pm — Схемы энергосберегающих ламп.
Какие у меня есть схемы энергосберегающих ламп и балластов к люминисцентным лампам.
Люминисцентные лампы сейчас неактуальны из-за запрета их со следующего месяца, но для памяти пусть будет этот пост.
У них у всех два недостатка: транзисторы работают в линейном режиме и маленький дроссель. Если менять транзистор на большего размера, то надо параллельно переходу база-эмиттер и эмиттерному резистору припаять дополнительный резистор, он необходим для уменьшения усиления транзистора. Уменьшать усиление транзистора необходимо из-за того, что у транзисторов h31 увеличивается при увеличении мощности и транзисторы переключаются не из-за насыщения сердечника «кольца» положительной обратной связи, а из-за эффекта Кирка в транзисторах, то есть недостатка величины h31 для дальнейшего увеличения тока коллектора. Подбирать номинал этих двух резисторов можно по осциллографу, то есть начать с резистора номиналом 47 Ом и последовательно его уменьшать до тех пор, пока частота переключений не приблизится к резонансной и дальше увеличиваться не будет. Резонансной частоты достичь не удастся, она все равно будет ниже. Если нет осциллографа, то уменьшать номинал до тех пор, пока лампа не потухнет, а потом впаять резистор немного большего сопротивления. Если эти резисторы не монтировать, то будет перегруз лампы, дросселя и конденсатора 47нФ, так как частота может опуститься до резонансной для колебательного контура образованного конденсатором 47нФ и дроселем. В результате может разрушиться даже конденсатор 47нФ.
светильник ВУШК-675851-002
dial NHSB23 2700K E27 220-240V~50Hz 23W 170mA
балласт fintar dr184b
балласт fintar ebfl418
балласт fintar mcur418
балласт feron EB52 : EB315 E/B T8 2x36W 230V/50Hz 0.99C ABS CE
балласт TDM EB-T8-118-EA3
балласт ETL-118-A2 1Х18ВТ Т8/G13 ASD
светильник TDM Electric ЛПО136
каждый день 20w
лампочка народная 25Вт НЛ-DS-25Вт-4000K-E27
nakai 7Вт
nakai 11Вт
nakai 18Вт
nakai 20Вт
navigator ncl-sf10 20Вт
navigator ncl-sf10 30Вт
navigator ncl-sh 45Вт
tc-3u37a
TDM ELECTRIC КЛЛ-25Вт-4000K-E27
экономка 15w
Блок: 2/2 | Кол-во символов: 2125
Источник: https://zepete.livejournal.com/173053.html
Виды энергосберегающих ламп
Существует несколько критериев, по которым классифицируют энергосберегающие лампы. Самые распространенные из них — цоколь и температура свечения.
Цоколем называется элемент, использующийся для фиксации изделия в осветительном приборе и подаче электроэнергии. Его основные типы — резьбовой и штырьковый.
Наиболее часто в бытовой сфере используют резьбовые цоколи, вкручиваемые в обычные патроны. Они обозначаются буквой E и числовым значением, указывающим на диаметр в миллиметрах. Стандартным считается E27, в то время как E14 применяется в настольных светильниках или бра. И все же резьбовые цоколи чаще устанавливают в ДРЛ и натриевых лампах, предназначенных для уличного освещения.
Штырьковый тип применяют для специфических светильников. Выпускаются с двумя или четырьмя штырьками, а сами разъемы имеют маркировку с буквой G и числовым значением. Актуальны для мощных осветительных приборов.
В зависимости от температуры свечения энергосберегающая лампа излучает свет определенного оттенка (измеряется в Кельвинах):
- Теплый свет (желтый) — 2700 К. Оттенок схож со свечением обычных ламп (накаливания).
- Естественный белый свет — 4200 К. Лампы дневного света, нейтральный оттенок.
- Холодный свет (белый) — 6400 К. Приближен к синему спектру, поэтому характеризуется голубоватым оттенком. Обычно применяется на промышленных объектах в лампах от 65 Вт и выше.
Также энергосберегающие лампы выпускаются разных форм — бывают трубчатыми, спиральными, дугообразными. В первом случае отсутствуют какие-либо защитные элементы.
Блок: 2/7 | Кол-во символов: 1550
Источник: https://220.guru/osveshhenie/istochniki-sveta/sxema-energosberegayushhej-lampy.html
Принцип работы и устройство энергосберегающей лампы
КЛЛ состоит из стеклянной колбы полого типа, внутренняя часть которой заполнена парами ртути. При подаче электрического тока между электродами образуется дуговой разряд, связанный с пусковым конденсатором. За счет этого формируется ультрафиолетовое излучение, спектр которого невидим для человеческого глаза. Чтобы преобразовать свечение в видимый свет, внутренние стенки покрываются люминофором, гарантирующим яркое свечение. Если сравнить с лампой накаливания одинакового энергопотребления, то световая отдача будет существенно выше. Стоимость прибора зависит от того, из чего состоит люминофор.
Недостатком энергосберегающих ламп является тот факт, что их нельзя напрямую подключать к сети питания на 220 В. Находящиеся в них в выключенном состоянии пары ртути имеют высокое сопротивление, поэтому для формирования разряда нужен импульс с большим напряжением. После образования разряда сопротивление становится отрицательным. Если в схеме нет защитных элементов, то это приведет к короткому замыканию. В трубчатых приборах применяют электромагнитный балласт, устанавливаемый непосредственно в светильник.
Блок: 3/7 | Кол-во символов: 1163
Источник: https://220.guru/osveshhenie/istochniki-sveta/sxema-energosberegayushhej-lampy.html
Особенности импульсного блока питания
ИБП — это инверторная система, в которой входное напряжение выпрямляется, а затем преобразуется в импульсы. Главная особенность ИБП заключается в значительном увеличении частоты тока, передающегося на трансформатор. Также стоит отметить небольшие габариты такого устройства. Ещё одним преимуществом является то, что БП во время работы не имеет никаких потерь энергии, в отличие от линейных, которые теряют значительную часть во время преобразования на трансформатор.
Принцип функционирования импульсного блока питания из энергосберегающей лампы заключается в следующем:
- Входной выпрямитель, состоящий из диодного моста и конденсатора, превращает переменный ток (входной) в постоянный.
- Инвертор, в свою очередь, трансформирует постоянный ток в переменный, но частота при этом возрастает с 50 Гц до 10 кГц, что является выше в 200 раз.
- Такой ток передаётся на трансформатор. Он будет или повышать, или понижать напряжение.
- Выходной выпрямитель преобразует переменный ток в постоянный, но при этом частота остаётся высокой.
Как правило, в современных схемах используются MOSFET — транзисторы. Их главная особенность — очень быстрая скорость переключения. Соответственно в таких балластах должны быть использованы и быстродействующие диоды. Они размещаются в выходном выпрямителе.
При изготовлении ИБП лучше использовать диоды Шоттки, поскольку они меньше всего теряют энергию во время работы на высокой частоте (в отличие от кремниевых, у которых этот показатель значительно выше).
Если же выходное напряжение очень низкое, тогда функцию выпрямителя может выполнять транзистор. Кроме того, можно вместо этого использовать дроссель. Такие простые преобразователи тока встречаются в схемах энергосберегающих ламп на 20 Вт.
Блок: 3/5 | Кол-во символов: 1757
Источник: https://rusenergetics.ru/remont/blok-pitaniya-energosberegayushhej-lamp
Изготовление ИБП своими руками
Чаще всего во время изготовления импульсного БП требуется незначительно изменять строение дросселя, если для этой цели используется двухтранзисторная схема. Конечно же, некоторые элементы в устройстве нужно будет удалить.
Если же изготавливается БП, который будет иметь мощность 3,7−20 Ватт, в таком случае трансформатор не является основной составляющей. Вместо него лучше всего сделать несколько витков провода, которые закрепляются на магнитопровод. Для этого необязательно избавляться от старой намотки, их можно выполнить поверх.
Рекомендуется для этой цели использовать провод марки МГТФ, имеющий фторопластовую изоляцию. Понадобится небольшое его количество. Несмотря на это обмотка будет полностью покрыта, поскольку большая часть отводится на изоляцию. Из-за этого такие устройства имеют низкие показатели мощности. Для её увеличения требуется использовать трансформатор переменного тока.
Использование трансформатора
Главным преимуществом при изготовлении блока питания своими руками является то, что есть возможность подстраиваться под показатели трансформатора. Кроме этого, не потребуется цепь обратной связи, которая чаще всего является неотъемлемой частью в работе устройства. Даже если во время сборки были сделаны какие-либо ошибки, чаще всего такой блок будет работать.
Для того чтобы сделать собственноручно трансформатор, потребуется иметь дроссель, межобмоточную изоляцию, а также обмотку. Последнюю лучше всего выполнить из лакированного медного провода. Следует не забывать о том, что дроссель будет работать под напряжением.
Обмотку нужно тщательно изолировать даже тогда, когда она имеет заводскую специальную защитную плёнку из синтетического материала. В качестве изоляции можно использовать или электрокартон, или же обычную бумажную ленту, толщина которой должна быть не меньше 0,1 мм. Только после того, как будет сделана изоляция, можно поверх неё наматывать медный провод.
Что касается обмотки, то провод лучше всего выбрать как можно толще, а вот количество необходимых витков можно подобрать исходя из требуемых показателей работы будущего устройства.
Таким образом, можно сделать ИБП, который будет иметь мощность более 20 Вт.
Назначение выпрямителя
Для того чтобы в импульсном блоке не произошло насыщение магнитопровода, требуется использовать только двухполупериодный выходной выпрямитель. В том случае, если трансформатор должен понижать напряжение, рекомендуется использование схемы с нулевой точкой. Чтобы выполнить такую схему, нужно иметь две абсолютно одинаковые вторичные обмотки. Их можно сделать самостоятельно.
Следует учитывать то, что выпрямитель по типу «диодный мост» для этой цели не подходит. Это связано с тем, что значительное количество мощности во время передачи будет теряться, а значение электрического напряжения будет минимальным (менее 12В). Но если делать выпрямитель из специальных импульсных диодов, тогда стоимость такого устройства обойдётся значительно дороже.
Наладка устройства
После того как БП будет собран, требуется проверить его работу на максимальной мощности. Это необходимо для того, чтобы измерить температуру нагревания трансформатора и транзистора, значения которых не должны превышать 65 и 40 градусов соответственно. Чтобы избежать перегрева этих элементов, достаточно увеличить сечение провода обмотки. Также часто помогает изменение мощности магнитопровода в большую сторону (учитывается ЭПР). В том случае, если дроссель был взят из балласта светодиодного фонаря, увеличить сечение не получится. Единственным вариантом будет контролировать нагрузку на прибор.
Блок: 4/5 | Кол-во символов: 3582
Источник: https://rusenergetics.ru/remont/blok-pitaniya-energosberegayushhej-lamp
Ñõåìà ýíåðãîñáåðåãàþùåé ëàìïû Isotronic 11W
Блок: 4/16 | Кол-во символов: 53
Источник: https://www.calc.ru/Skhemy-Energosberegayushchikh-Lamp.html
Ремонт бытовых люминесцентных ламп с электронным балластом
Производители компактных люминесцентных ламп заявляют, что их ресурс в несколько раз больше, чем обычных ламп накаливания. Но, несмотря на это бытовые люминесцентные лампы с электронным балластом выходят из строя довольно часто.
Связано это с тем, что в них применяются электронные компоненты, не рассчитанные на перегрузки. Также стоит отметить высокий процент бракованных изделий и невысокое качество изготовления. По сравнению с лампами накаливания стоимость люминесцентных довольно высока, поэтому ремонт таких ламп оправдан хотя бы в личных целях. Практика показывает, что причиной выхода из строя служит в основном неисправность электронной части (преобразователя). После несложного ремонта работоспособность КЛЛ полностью восстанавливается и это позволяет сократить денежные расходы.
Перед тем, как начать рассказ о ремонте КЛЛ, затронем тему экологии и безопасности.
Блок: 5/8 | Кол-во символов: 934
Источник: https://go-radio.ru/lumen.html
Ñõåìà ýíåðãîñáåðåãàþùåé ëàìïû Luxtek 8W
Блок: 5/16 | Кол-во символов: 49
Источник: https://www.calc.ru/Skhemy-Energosberegayushchikh-Lamp.html
Как происходит зажигание лампы
Когда напряжение попадает на динистор, образовывается импульс, который идет на транзистор и провоцирует его открытие. После того как запуск завершен, эта часть цепи блокируется диодом. После открытия транзистора конденсатор разряжается, что необходимо для предупреждения повторного открытия динистора. Транзисторы воздействуют на трансформатор. Он выполнен из ферритового колечка, обработанного тремя обмотками, расположенными в несколько рядов. Напряжение на нити дается через конденсатор с повышающего резонансного контура.
Свечение в трубке начинается на резонансной частоте, которую определяет конденсатор большей емкости. В момент зажигания его напряжение составляет до 600 Вт. При запуске оно превышает среднее в 5 раз, потому важно, чтобы колба была целой и герметичной. В противном случае возможно повреждение транзисторов.
После полной ионизации газа в колбе конденсатор с самой большей емкостью, который определял частоту свечения, шунтируется. Это приводит к понижению частоты и переходу управления генератором ко второму конденсатору. Генерируемое напряжение снижается, но остается в пределах такого, которое необходимо для поддержания горения лампочки.
Принципиальный момент заключается в том, что катод и анод поочередно меняются своими местами, это помогает обеспечить бесперебойность работы схемы и значительно упрощает ремонт, если его нужно сделать.
Блок: 5/9 | Кол-во символов: 1405
Источник: https://hitropop.com/energosberezhenie/svet/skhema-ehnergosberegayushchej-lampy.html
Опасность люминесцентных ламп и рекомендации по использованию
Несмотря на свои положительные качества люминесцентные лампы вредны как для окружающей среды, так и для здоровья человека. Дело в том, что в колбе присутствуют пары ртути. Если её разбить, то опасные пары ртути попадут в окружающую среду и, возможно, в организм человека. Ртуть относят к веществам 1-ого класса опасности.
При повреждении колбы необходимо покинуть на 15 – 20 минут помещение и сразу же провести принудительное проветривание комнаты. Необходимо внимательно относиться к эксплуатации любых люминесцентных ламп. Следует помнить, что соединения ртути, применяемые в энергосберегающих лампах опаснее обычной металлической ртути. Ртуть способна оставаться в организме человека и наносить вред здоровью.
Кроме указанного недостатка необходимо отметить, что в спектре излучения люминесцентной лампы присутствует вредное ультрафиолетовое излучение. При длительном нахождении близко с включенной люминесцентной лампой возможно раздражение кожи, так как она чувствительна к ультрафиолету.
Наличие в колбе высокотоксичных соединений ртути является главным мотивом экологов, которые призывают сократить производство люминесцентных ламп и переходить к более безопасным светодиодным.
Блок: 6/8 | Кол-во символов: 1247
Источник: https://go-radio.ru/lumen.html
Ñõåìà ýíåðãîñáåðåãàþùåé ëàìïû Maway 11W
Блок: 6/16 | Кол-во символов: 49
Источник: https://www.calc.ru/Skhemy-Energosberegayushchikh-Lamp.html
Разборка люминесцентной лампы с электронным балластом
Несмотря на простоту разборки компактной люминесцентной лампы, следует быть аккуратным и не допускать разбития колбы. Как уже говорилось, внутри колбы присутствуют пары ртути, опасные для здоровья. К сожалению, прочность стеклянных колб невысока и оставляет желать лучшего.
Для того чтобы вскрыть корпус где размещена электронная схема преобразователя, необходимо острым предметом (узкой отвёрткой) разжать пластмассовую защёлку, которая скрепляет две пластмассовые части корпуса.
Далее следует отсоединить выводы спиралей от основной электронной схемы. Делать это лучше узкими плоскогубцами подхватив конец вывода провода спирали и отмотать витки с проволочных штырей. После этого стеклянную колбу лучше поместить в надёжное место, чтобы не допустить её разбития.
Оставшаяся электронная плата соединена двумя проводниками со второй частью корпуса, на которой смонтирован стандартный цоколь E27 (E14).
Блок: 7/8 | Кол-во символов: 958
Источник: https://go-radio.ru/lumen.html
Ñõåìà ýíåðãîñáåðåãàþùåé ëàìïû Maxi-Lux 15W
Блок: 7/16 | Кол-во символов: 52
Источник: https://www.calc.ru/Skhemy-Energosberegayushchikh-Lamp.html
Целесообразность вмешательства в схемы
Производить ремонт ламп на 30 W или энергосберегающих приборов другой мощности можно только в том случае, если вы уверенны в своих силах и знаниях. Когда же вы не понимаете, как устроена схема лампы, и что в ней может сломаться, лучше всего не пытайтесь самостоятельно устранить поломку.
Запрещено производить какие-либо действия с экономками, если нарушена целостность их колб. В трубке содержится ртуть или ее пары, потому при ее разгерметизации прибор становится опасным для здоровья и жизни человека.
Блок: 8/9 | Кол-во символов: 546
Источник: https://hitropop.com/energosberezhenie/svet/skhema-ehnergosberegayushchej-lampy.html
Ñõåìà ýíåðãîñáåðåãàþùåé ëàìïû Polaris 11W
Блок: 8/16 | Кол-во символов: 51
Источник: https://www.calc.ru/Skhemy-Energosberegayushchikh-Lamp.html
Подытожим
Схемы энергосберегающих ламп практически одинаковы во всех моделях. Различия могут быть в наличии диодов, шунтирующих спиралей и других элементов. Однако если вы знаете устройство электроники одного прибора, то работать со всеми остальными будет довольно просто.
Схемами интересуются зачастую люди, которые хотят самостоятельно починить вышедшие из строя осветительные приборы. Делать это несложно, если вы имеете необходимые навыки и уверены, что экономку можно привести в рабочее состояние.
Блок: 9/9 | Кол-во символов: 522
Источник: https://hitropop.com/energosberezhenie/svet/skhema-ehnergosberegayushchej-lampy.html
Ñõåìà ýíåðãîñáåðåãàþùåé ëàìïû Brownie X 20W
Блок: 9/16 | Кол-во символов: 53
Источник: https://www.calc.ru/Skhemy-Energosberegayushchikh-Lamp.html
Ñõåìà ýíåðãîñáåðåãàþùåé ëàìïû Philips Ecotone 11W
Блок: 10/16 | Кол-во символов: 59
Источник: https://www.calc.ru/Skhemy-Energosberegayushchikh-Lamp.html
Ñõåìà ýíåðãîñáåðåãàþùåé ëàìïû Ikea 7W
Блок: 11/16 | Кол-во символов: 47
Источник: https://www.calc.ru/Skhemy-Energosberegayushchikh-Lamp.html
Ñõåìà ýíåðãîñáåðåãàþùåé ëàìïû Osram Dulux EL 11W
Блок: 12/16 | Кол-во символов: 58
Источник: https://www.calc.ru/Skhemy-Energosberegayushchikh-Lamp.html
Ñõåìà ýíåðãîñáåðåãàþùåé ëàìïû Eurolite 23W
Блок: 14/16 | Кол-во символов: 52
Источник: https://www.calc.ru/Skhemy-Energosberegayushchikh-Lamp.html
Ñõåìà ýíåðãîñáåðåãàþùåé ëàìïû Vitoone
Блок: 15/16 | Кол-во символов: 47
Источник: https://www.calc.ru/Skhemy-Energosberegayushchikh-Lamp.html
Ñõåìà ýíåðãîñáåðåãàþùåé ëàìïû Philips Economy 6YR 23W
Âíèìàíèå! Âñå ýëåìåíòû ýíåðãîñáåðåãàþùåé ëàìïû íàõîäÿòñÿ íàïðÿæåíèåì! Ðàáîòû ïî óñòðàíåíèþ íåèñïðàâíîñòåé íåîáõîäèìî ïðîâîäèòü, ïðèíÿâ âñå ìåðû áåçîïàñíîñòè! Åñëè Âàøà êâàëèôèêàöèÿ íå ïîçâîëÿåò âàì ýòîãî ñäåëàòü, ëó÷øå âîçäåðæèòåñü îò ïîïûòîê ðåìîíòà!
Блок: 16/16 | Кол-во символов: 310
Источник: https://www.calc.ru/Skhemy-Energosberegayushchikh-Lamp.html
Количество использованных доноров: 7
Информация по каждому донору:
- https://go-radio.ru/lumen.html: использовано 4 блоков из 8, кол-во символов 3666 (15%)
- https://rusenergetics.ru/remont/blok-pitaniya-energosberegayushhej-lamp: использовано 4 блоков из 5, кол-во символов 6638 (27%)
- https://hitropop.com/energosberezhenie/svet/skhema-ehnergosberegayushchej-lampy.html: использовано 5 блоков из 9, кол-во символов 4254 (17%)
- https://220.guru/osveshhenie/istochniki-sveta/sxema-energosberegayushhej-lampy.html: использовано 3 блоков из 7, кол-во символов 3339 (13%)
- https://www.asutpp.ru/remont-energosberegayushhej-lampy-svoimi-rukami.html: использовано 2 блоков из 5, кол-во символов 3999 (16%)
- https://www.calc.ru/Skhemy-Energosberegayushchikh-Lamp.html: использовано 13 блоков из 16, кол-во символов 929 (4%)
- https://zepete.livejournal.com/173053.html: использовано 1 блоков из 2, кол-во символов 2125 (9%)
Глаукома с закрытием угла
| PDF | Глаукома
Вы читаете бесплатный превью
Страницы с 8 по 10 не показаны в этом предварительном просмотре.
Вы читаете бесплатный превью
Страницы с 19 по 25 не показаны при предварительном просмотре.
Вы читаете бесплатный превью
Страницы с 30 по 39 не показаны в этом предварительном просмотре.
Вы читаете бесплатный превью
Страницы с 50 по 51 не показаны в этом предварительном просмотре.
Вы читаете бесплатный превью
Страницы с 59 по 104 не показаны в этом предварительном просмотре.
Вы читаете бесплатный превью
Страницы с 110 по 118 не показаны в этом предварительном просмотре.
Вы читаете бесплатный превью
Страницы с 124 по 125 не показаны в этом предварительном просмотре.
Вы читаете бесплатный превью
Страницы с 134 по 136 не показаны в этом предварительном просмотре.
Вы читаете бесплатный превью
Страницы с 140 по 142 не показаны в этом предварительном просмотре.
Вы читаете бесплатный превью
Страницы с 146 по 159 не показаны в этом предварительном просмотре.
Вы читаете бесплатный превью
Страницы с 163 по 168 не показаны в этом предварительном просмотре.
Вы читаете бесплатный превью
Страницы с 172 по 181 не показаны в этом предварительном просмотре.
Вы читаете бесплатный превью
Страницы с 192 по 194 не показаны в этом предварительном просмотре.
Вы читаете бесплатный превью
Страницы с 202 по 206 не показаны в этом предварительном просмотре.
Вы читаете бесплатный превью
Страницы с 212 по 239 не показаны в этом предварительном просмотре.
Вы читаете бесплатный превью
Страницы с 245 по 281 не показаны в этом предварительном просмотре.
Электронный трансформатор схемы ташибра. Китайский электронный трансформатор TASCHIBRA TRA25. Расчет мощности трансформатора для ламп и схема подключения
Внешне электронный трансформатор представляет собой небольшой металлический, обычно алюминиевый корпус, половинки которого скрепляются всего двумя заклепками.Однако некоторые компании выпускают аналогичные устройства в пластиковых корпусах.
Чтобы увидеть, что внутри, эти заклепки можно просто высверлить. Такую же операцию придется проделать, если планируется переделка или ремонт самого устройства. Хотя при его невысокой цене гораздо проще пойти и купить что-нибудь еще, чем отремонтировать старое. И все же было много энтузиастов, которым удалось не только разобраться в устройстве устройства, но и разработать на его основе несколько импульсных блоков питания.
Принципиальная схема не прилагается к устройству, как и ко всем текущим электронным устройствам. Но схема достаточно простая, содержит небольшое количество деталей и поэтому принципиальную схему электронного трансформатора можно нарисовать с печатной платы.
На рисунке 1 показана аналогичным образом удаленная схема трансформатора Taschibra. Преобразователи производства Feron имеют очень похожую схему. Разница лишь в конструкции печатных плат и типах используемых деталей, в основном трансформаторов: в преобразователях Feron выходной трансформатор выполнен на кольце, а в преобразователях Taschibra – на Е-образном сердечнике.
В обоих случаях сердечники сделаны из феррита. Сразу стоит отметить, что кольцевые трансформаторы с различными модификациями устройства лучше поддаются перемотке, чем W-образные. Поэтому, если для экспериментов и переделок приобретается электронный трансформатор, лучше купить устройство Feron.
При использовании электронного трансформатора только для питания галогенных ламп название производителя не имеет значения. Единственное, на что стоит обратить внимание, так это на мощность: электронные трансформаторы выпускаются мощностью 60 – 250 Вт.
Рисунок 1. Схема электронного трансформатора от Taschibra
Краткое описание схемы электронного трансформатора, ее достоинства и недостатки
Как видно из рисунка, устройство представляет собой двухтактный автогенератор, выполненный по полумостовой схеме. Два плеча моста выполнены на транзисторах Q1 и Q2, а два других плеча содержат конденсаторы С1 и С2, поэтому такой мост называется полумостом.
На одну его диагональ подается напряжение сети, выпрямленное диодным мостом, а на другую – нагрузку.В данном случае это первичная обмотка выходного трансформатора. Электронные балласты для энергосберегающих ламп изготавливаются по очень похожей схеме, но вместо трансформатора в них входят дроссель, конденсаторы и нити люминесцентных ламп.
Для управления работой транзисторов в их принципиальные схемы включены обмотки I и II трансформатора обратной связи Т1. Обмотка III – это обратная связь по току, через которую подключается первичная обмотка выходного трансформатора.
Управляющий трансформатор Т1 намотан на ферритовом кольце с внешним диаметром 8 мм. Базовые обмотки I и II содержат по 3-4 витка, а обмотка обратной связи III – только один виток. Все три обмотки выполнены из проводов в разноцветной пластиковой изоляции, что немаловажно при экспериментах с устройством.
На элементах R2, R3, C4, D5, D6 схема запуска автогенератора собирается в момент подключения всего устройства к сети. Напряжение сети, выпрямленное входным диодным мостом через резистор R2, заряжает конденсатор С4.Когда напряжение на нем превышает порог срабатывания динистора D6, последний открывается и на базе транзистора Q2 формируется импульс тока, запускающий преобразователь.
Дальнейшая работа ведется без участия стартовой цепочки. Следует отметить, что динистор D6 двусторонний, может работать в цепях переменного тока, в случае постоянного тока полярность включения значения не имеет. В Интернете его еще называют «деаком».
Сетевой выпрямитель выполнен на четырех диодах типа 1N4007, в качестве предохранителя используется резистор R1 сопротивлением 1 Ом мощностью 0,125 Вт.
Схема преобразователя как таковая достаточно проста и не содержит никаких “излишеств”. После выпрямительного моста нет даже простого конденсатора для сглаживания пульсаций выпрямленного сетевого напряжения.
Выходное напряжение непосредственно с выходной обмотки трансформатора также подается непосредственно на нагрузку без каких-либо фильтров. Схемы стабилизации и защиты выходного напряжения отсутствуют, поэтому при коротком замыкании в цепи нагрузки сгорают сразу несколько элементов, как правило, это транзисторы Q1, Q2, резисторы R4, R5, R1.Ну, может, и не сразу, но хотя бы один транзистор точно.
И несмотря на это, казалось бы, несовершенство, схема полностью себя оправдывает при использовании в штатном режиме, т.е. для питания галогенных ламп. Простота схемы определяет ее невысокую стоимость и широкое распространение устройства в целом.
Если к электронному трансформатору подключена нагрузка, например галогенная лампа 12 В x 50 Вт, а к этой нагрузке подключен осциллограф, то на его экране можно увидеть картинку, показанную на рисунке 2.
Рисунок 2. Осциллограмма выходного напряжения электронного трансформатора Taschibra 12Vx50W
Выходное напряжение представляет собой высокочастотные колебания с частотой 40 кГц, модулированные на 100% с частотой 100 Гц, полученные после выпрямления сетевого напряжения. с частотой 50 Гц, что вполне подходит для питания галогенных ламп. Точно такая же картина будет у преобразователей другой мощности или другой фирмы, потому что схемы практически не отличаются друг от друга.
Если к выходу выпрямительного моста подключить электролитический конденсатор C4 47uFх400V, как показано пунктирной линией на рисунке 4, то напряжение на нагрузке примет вид, показанный на рисунке 4.
Рисунок 3. Подключение конденсатор на выходе выпрямительного моста
Рисунок 4. Напряжение на выходе преобразователя после подключения конденсатора С5
Однако не следует забывать, что зарядный ток дополнительно подключенного конденсатора С4 приведет к перегоранию, и довольно шумный, резистора R1, который используется как предохранитель.Следовательно, этот резистор следует заменить на более мощный резистор номиналом 22 Ом x 2 Вт, цель которого просто ограничить ток зарядки конденсатора C4. В качестве предохранителя следует использовать обычный предохранитель на 0,5 А.
Легко видеть, что модуляция с частотой 100 Гц прекратилась, остались только высокочастотные колебания с частотой около 40 кГц. Даже если во время этого исследования нет возможности использовать осциллограф, то этот неоспоримый факт можно заметить по небольшому увеличению яркости лампочки.
Это говорит о том, что электронный трансформатор вполне подходит для создания простых импульсных источников питания. Здесь возможны несколько вариантов: использование преобразователя без разборки, только с добавлением внешних элементов и с небольшими изменениями схемы, очень маленькими, но придающими преобразователю совершенно другие свойства. Но более подробно об этом мы поговорим в следующей статье.
Как сделать блок питания от электронного трансформатора?
После всего, что было сказано в предыдущей статье (см. Как работает электронный трансформатор?), Кажется, что сделать импульсный блок питания из электронного трансформатора довольно просто: поставить выпрямительный мост, сглаживающий конденсатор, регулятор напряжения, при необходимости, на выходе и подключаем нагрузку.Однако это не совсем так.
Дело в том, что преобразователь не запускается без нагрузки или нагрузки не хватает: если к выходу выпрямителя подключить светодиод, конечно, с ограничивающим резистором, то можно будет увидеть только одну вспышку светодиод при включении.
Чтобы увидеть еще одну вспышку, нужно будет выключить и включить конвертер. Чтобы вспышка превратилась в постоянное свечение, к выпрямителю необходимо подключить дополнительную нагрузку, которая просто снимет полезную мощность, превратив ее в тепло.Поэтому такая схема используется при постоянной нагрузке, например, двигатель постоянного тока или электромагнит, управление которым будет возможно только через первичную цепь.
Если нагрузка требует напряжения более 12 В, которое вырабатывается электронными трансформаторами, выходной трансформатор необходимо перемотать, хотя существует менее трудоемкий вариант.
Вариант изготовления импульсного блока питания без разборки электронного трансформатора
Схема такого блока питания представлена на рисунке 1.
Рисунок 1. Биполярный источник питания для усилителя
Источник питания – электронный трансформатор мощностью 105Вт. Для изготовления такого блока питания потребуется изготовить несколько дополнительных элементов: сетевой фильтр, согласующий трансформатор Т1, выходной дроссель L2, выпрямительный мост VD1-VD4.
Блок питания без нареканий несколько лет эксплуатирует с блоком УНЧ мощностью 2х20Вт. При номинальном напряжении 220В и токе нагрузки 0,1А выходное напряжение блока составляет 2х25В, а при увеличении тока до 2А напряжение падает до 2х20В, чего вполне достаточно для нормальной работы усилителя.
Согласующий трансформатор Т1 выполнен на кольце К30х18х7 из феррита М2000НМ. Первичная обмотка содержит 10 витков провода ПЭВ-2 диаметром 0,8 мм, сложенного пополам и скрученного жгутом. Вторичная обмотка содержит 2х22 витка со средней точкой, такой же провод, также сложенный пополам. Чтобы обмотка была симметричной, намотку нужно производить сразу двумя проводами – жгутом. После намотки, чтобы получить среднюю точку, соедините начало одной обмотки с концом другой.
Вам также придется сделать дроссель L2 самостоятельно; для его изготовления понадобится такое же ферритовое кольцо, что и для трансформатора Т1.Обе обмотки намотаны проводом ПЭВ-2 диаметром 0,8 мм и содержат по 10 витков.
Выпрямительный мост собран на диодах КД213, также можно использовать КД2997 или импортные, важно только, чтобы диоды были рассчитаны на рабочую частоту не менее 100 КГц. Если вместо них поставить, например, КД242, то они будут только греться, и вы не сможете получить от них необходимое напряжение. Диоды следует устанавливать на радиатор площадью не менее 60 – 70 см2, используя изолирующие слюдяные прокладки.
Электролитические конденсаторы C4, C5 состоят из трех параллельно соединенных конденсаторов по 2200 мкФ каждый. Обычно это делается во всех импульсных источниках питания, чтобы уменьшить общую индуктивность электролитических конденсаторов. Кроме того, также полезно установить параллельно им керамические конденсаторы емкостью 0,33 – 0,5 мкФ, которые будут сглаживать высокочастотные колебания.
На входе блока питания полезно установить входной сетевой фильтр, хотя он и без него будет работать.В качестве дросселя входного фильтра использовался готовый дроссель DF50GTs, который применялся в телевизорах 3USCT.
Все узлы блока монтируются на плате из изоляционного материала путем навесного монтажа с помощью выводов деталей. Вся конструкция должна быть помещена в защитный кожух из латуни или листового металла с отверстиями для охлаждения.
Правильно собранный блок питания не требует настройки, сразу начинает работать. Хотя, прежде чем ставить агрегат в готовую конструкцию, стоит его проверить.Для этого к выходу блока подключают нагрузку – резисторы сопротивлением 240 Ом, мощностью не менее 5Вт. Не рекомендуется включать агрегат без нагрузки.
Другой способ доработки электронного трансформатора
Бывают ситуации, когда хочется использовать аналогичный импульсный блок питания, но нагрузка оказывается очень “вредной”. Потребление тока либо очень мало, либо сильно варьируется, и блок питания не запускается.
Похожая ситуация возникла, когда в лампу или люстру со встроенными электронными трансформаторами пытались поставить светодиодные лампы вместо галогенных ламп.Люстра просто отказалась с ними работать. Что делать в таком случае, как заставить все работать?
Чтобы разобраться с этим вопросом, давайте взглянем на рисунок 2, который показывает упрощенную схему электронного трансформатора.
Рисунок 2. Упрощенная схема электронного трансформатора
Обратим внимание на обмотку управляющего трансформатора Т1, подчеркнутую красной полосой. Эта обмотка обеспечивает обратную связь по току: если нет тока через нагрузку или он просто небольшой, то трансформатор просто не запускается.Некоторые граждане, купившие этот прибор, подключают к нему лампочку на 2,5Вт, а потом несут обратно в магазин, мол, не работает.
И все же достаточно простым способом можно не только заставить устройство работать практически без нагрузки, но и сделать его защиту от короткого замыкания. Метод такого уточнения показан на рисунке 3.
Рисунок 3. Модификация электронного трансформатора. Упрощенная схема.
Чтобы электронный трансформатор работал без нагрузки или с минимальной нагрузкой, обратную связь по току следует заменить обратной связью по напряжению.Для этого снимите обмотку обратной связи по току (выделена красным на рис. 2) и вместо этого припаяйте к плате проволочную перемычку, естественно, в дополнение к ферритовому кольцу.
Далее на управляющем трансформаторе Тр1 он тот, что на малом кольце, намотана обмотка на 2 – 3 витка. Причем идет один виток выходного трансформатора, а затем подключаются получившиеся дополнительные обмотки, как указано на схеме. Если преобразователь не запускается, то необходимо изменить фазировку одной из обмоток.
Резистор в цепи обратной связи выбирается в пределах 3 – 10 Ом, мощностью не менее 1Вт. Он определяет глубину обратной связи, которая определяет ток, при котором происходит пробой генерации. Собственно, это рабочий ток защиты от короткого замыкания. Чем выше сопротивление этого резистора, тем меньше ток нагрузки, произойдет пробой генерации, т.е. сработает защита от короткого замыкания.
Из всех приведенных улучшений это, пожалуй, лучшее.Но это не помешает дополнить его еще одним трансформатором, как в схеме по рисунку 1.
Эксперименты с электронным трансформатором Taschibra (Ташибра, Ташибра)
Думаю, что достоинства этого трансформатора уже оценили многие из тех, кто хоть раз сталкивался с проблемами поставки различных электронных конструкций … И преимущества этого электронного трансформатор много. Легкость и габариты (как во всех аналогичных схемах), простота переделки под свои нужды, наличие защитного кожуха, невысокая стоимость и относительная надежность (по крайней мере, если не допускать экстремальных режимов и короткого замыкания, изделие выполнено по по подобной схеме умеет работать долгие годы).Спектр применения источников питания на базе «Ташибра» может быть очень широк, сравним с использованием обычных трансформаторов.Заявка оправдана в случаях нехватки времени, средств, отсутствия необходимости в стабилизации. Ну что, поэкспериментируем? Сразу оговорюсь, что целью экспериментов была проверка схемы запуска Ташибры при различных нагрузках, частотах и использовании различных трансформаторов. Еще я хотел подобрать оптимальные номиналы компонентов схемы ПОС и проверить температурные режимы компонентов схемы при работе на различных нагрузках с учетом использования корпуса Tashibra в качестве радиатора.
Схема ET Taschibra (Ташибра, Ташибра)
Несмотря на большое количество опубликованных схем электронных трансформаторов, я не поленился выставить ее еще раз. См. Рис. 1, иллюстрирующий наполнение «Ташибра».Схема действительна для ЭТ “Ташибра” 60-150Вт. Издевательство проводилось над ET 150W. Однако предполагается, что из-за идентичности схем результаты экспериментов можно легко проецировать на экземпляры как более низкой, так и более высокой мощности.
Напомню еще раз, чего не хватает Ташибре для полноценного блока питания.Отсутствие входного сглаживающего фильтра (он также является фильтром помех, предотвращающим попадание продуктов преобразования в сеть), 2. Current POS, позволяющий возбуждать преобразователь и его нормальную работу только при наличии определенного тока нагрузки. , 3. Нет выпрямителя на выходе, 4. Нет фильтрующих элементов на выходе.
Попробуем исправить все перечисленные недостатки «Ташибры» и постараемся добиться его приемлемой работы с желаемыми выходными характеристиками. Для начала даже не будем открывать корпус электронного трансформатора, а просто добавим недостающие элементы…
1. Входной фильтр: конденсаторы С`1, С`2 с симметричным двухобмоточным дросселем (трансформатором) Т`12. диодный мост VDS`1 со сглаживающим конденсатором С`3 и резистором R`1 для защиты моста от зарядного тока конденсатора.
Сглаживающий конденсатор обычно выбирается из расчета 1,0 – 1,5 мкФ на ватт мощности, а разрядный резистор 300-500 кОм должен быть подключен параллельно конденсатору для безопасности (касание клемм заряженного конденсатора относительно высокого напряжения – не очень хорошо) .Резистор R`1 можно заменить термистором 5-15 Ом / 1-5 А. Такая замена в меньшей степени снизит КПД трансформатора.
На выходе ЭТ, как показано на схеме рис.3, подключаем цепь диода VD`1, конденсаторы С`4-С`5 и подключенный между ними дроссель L1 – для получения фильтрованной постоянной напряжение на выходе «больной». В то же время полистирольный конденсатор, расположенный непосредственно за диодом, обеспечивает основную часть поглощения продуктов конверсии после выпрямления.Предполагается, что электролитический конденсатор, «спрятанный» за индуктивностью дросселя, будет выполнять только свои прямые функции, предотвращая «провал» напряжения при пиковой мощности устройства, подключенного к ЭП. Но параллельно рекомендуется установить неэлектролитический конденсатор.
После добавления входной цепи произошли изменения в работе электронного трансформатора: амплитуда выходных импульсов (до диода VD`1) незначительно увеличилась за счет увеличения напряжения на входе устройства из-за добавление C`3 и модуляция с частотой 50 Гц практически отсутствуют.Это расчетная нагрузка для ET, но этого недостаточно. Tashibra не хочет запускаться без значительного тока нагрузки.
Установка нагрузочных резисторов на выходе преобразователя при возникновении любого минимального значения тока, которое может запустить преобразователь, только снижает общий КПД устройства. Пуск при токе нагрузки около 100 мА выполняется на очень низкой частоте, которую будет довольно сложно отфильтровать, если предполагается использование блока питания вместе с УМЗЧ и другой звуковой аппаратурой с низким потреблением тока в режиме отсутствия сигнала. режим, например.В этом случае амплитуда импульсов также меньше, чем при полной нагрузке.
Изменение частоты в режимах разной мощности довольно сильное: от пары до нескольких десятков килогерц. Это обстоятельство накладывает существенные ограничения на использование «Ташибры» в таком (неподвижном) виде при работе со многими устройствами.
Но – продолжим. Были предложения подключить к выходу ЭТ дополнительный трансформатор, как показано, например, на рис. 2.
Предполагалось, что первичная обмотка дополнительного трансформатора способна создавать ток, достаточный для нормальной работы базовая схема ET.Предложение, однако, заманчиво только потому, что, не разбирая ЭТ, с помощью дополнительного трансформатора можно создать набор необходимых (на свой вкус) напряжений. Фактически, тока холостого хода дополнительного трансформатора недостаточно для запуска ЕТ. Попытки увеличить ток (как лампочка 6.3VX0.3A, подключенная к дополнительной обмотке), способный обеспечить НОРМАЛЬНУЮ работу ЭП, приводили только к запуску преобразователя и зажиганию лампочки.
Но, возможно, кого-то тоже заинтересует этот результат, так как подключение дополнительного трансформатора допустимо и во многих других случаях для решения многих проблем.Так, например, дополнительный трансформатор можно использовать вместе со старым (но работающим) блоком питания компьютера, способным обеспечивать значительную выходную мощность, но имеющим ограниченный (но стабилизированный) набор напряжений.
Можно было бы и дальше искать истину в шаманизме вокруг «Ташибры», однако эту тему я считал для себя исчерпанной, т.к. для достижения желаемого результата (стабильный запуск и выход в рабочий режим при отсутствии нагрузки, а значит, высокий КПД; небольшое изменение частоты при работе БП от минимальной до максимальной мощности и стабильный запуск при максимальной нагрузке) гораздо эффективнее попасть внутрь «Ташибры» и внести все необходимые изменения в схему самого ЭТ таким образом, как показано на рис.4. Тем более, что я собрал около полусотни таких схем в эпоху спектрумовских компьютеров (специально для этих компьютеров). Различные УМЗЧ, питающиеся от аналогичных блоков питания, где-то еще работают. Блоки питания, выполненные по этой схеме, зарекомендовали себя наилучшим образом, работая, собранные из самых разнообразных компонентов и в различных вариантах исполнения.
Переделывать? Конечно!
Более того, это совсем не сложно.Припаиваем трансформатор. Прогреваем для удобства разборки, чтобы перемотать вторичную обмотку для получения желаемых выходных параметров как показано на этой фотографии или с помощью любых других технологий.
В данном случае трансформатор выпаивался только для того, чтобы узнать данные его обмотки (кстати: W-образный магнитопровод с круглым сердечником, стандартный для компьютерных блоков питания габаритов с 90 витками первичной обмотки , намотанный в 3 слоя проводом диаметром 0,65 мм и 7 витков вторичной обмотки с пятижильным проводом диаметром примерно 1,1 мм; все это без малейшей прослойки и межобмоточной изоляции – только лак) и освободить место для другого трансформатора.
Для экспериментов мне проще было использовать кольцевые магнитопроводы. Занимают меньше места на плате, что дает (при необходимости) возможность использования дополнительных компонентов в объеме корпуса. В данном случае использовалась пара ферритовых колец с внешним и внутренним диаметром и высотой соответственно 32X20X6 мм, сложенная пополам (без склейки) – Н2000-НМ1. 90 витков первичной обмотки (диаметр провода – 0,65 мм) и 2х12 (1,2 мм) витков вторичной обмотки с необходимой межобмоточной изоляцией.
Обмотка муфты содержит 1 виток монтажного провода диаметром 0,35 мм. Все обмотки намотаны в порядке, соответствующем нумерации обмоток. Требуется изоляция самого магнитопровода. В этом случае магнитопровод оборачивается двумя слоями изоленты, надежно, кстати, фиксируя свернутые кольца.
Перед установкой трансформатора на плату ЕТ припаиваем токовую обмотку коммутирующего трансформатора и используем ее как перемычку, впаивая туда, но уже не проходя через окно кольца трансформатора.
Устанавливаем на плату намотанный трансформатор Тр2, припаиваем выводы в соответствии со схемой на рис. 4. и продеваем обмоточный провод III в окно кольца коммутационного трансформатора. Используя жесткость проволоки, формируем подобие геометрически замкнутой окружности и петля обратной связи готова. В разрыв монтажного провода, образующего обмотку III обоих (коммутационного и силового) трансформаторов, припаиваем достаточно мощный резистор (> 1Вт) сопротивлением 3-10 Ом.
На схеме на рис. 4 стандартные диоды ET не используются. Их стоит убрать, как, впрочем, и резистор R1, чтобы повысить КПД блока в целом. Но вы также можете пренебречь несколькими процентами эффективности и оставить перечисленные детали на доске. По крайней мере, на момент экспериментов с ET эти детали остались на плате. Резисторы, установленные в базовых цепях транзисторов, следует оставить – они выполняют функцию ограничения тока базы при пуске преобразователя, облегчая работу на емкостной нагрузке.
Транзисторы непременно следует устанавливать на радиаторы через изолирующие теплопроводящие прокладки (позаимствованные, например, у неисправного блока питания компьютера), тем самым предотвращая их случайный мгновенный нагрев и обеспечивая некоторую собственную безопасность в случае прикосновения к радиатору во время работы. устройство работает.
Кстати, электрокартон, используемый в ET для изоляции транзисторов и платы от корпуса, не теплопроводен. Поэтому при «укладке» готовой схемы блока питания в стандартный корпус именно такие прокладки следует устанавливать между транзисторами и корпусом.Только в этом случае будет обеспечен хоть какой-то радиатор. При использовании преобразователя мощностью более 100Вт необходимо установить дополнительный радиатор на корпусе устройства. Но это так – на будущее.
Тем временем, после завершения монтажа схемы, выполним еще одну точку безопасности, включив ее вход последовательно через лампу накаливания мощностью 150-200 Вт. Лампа в случае нештатной ситуации (например, короткого замыкания) ограничит ток через конструкцию до безопасного значения и, в худшем случае, создаст дополнительное освещение рабочего пространства.
В лучшем случае при некотором наблюдении лампу можно использовать как индикатор, например, сквозного тока. Так, слабое (или несколько более интенсивное) свечение нити лампы при ненагруженном или слабо нагруженном преобразователе будет свидетельствовать о наличии сквозного тока. Подтверждением может служить температура ключевых элементов – нагрев в сквозном режиме будет довольно быстрым. При исправном преобразователе свечение нити 200-ваттной лампы, видимое на фоне дневного света, появится только на пороге 20-35 Вт.
Первый пуск
Итак, все готово к первому заезду обновленной трассы «Ташибра». Включаем для начала – без нагрузки, но не забываем про предварительно подключенный вольтметр к выходу преобразователя и осциллографа. При правильно фазированных обмотках обратной связи инвертор должен запускаться без проблем.Если пуска не произошло, то провод, пропущенный через окно переключающего трансформатора (предварительно отпаянный от резистора R5), пропускают с другой стороны, придавая ему снова вид завершенного витка.Припаиваем провод к R5. Снова подаем питание на преобразователь. Не помогло? Ищите ошибки в установке: короткое замыкание, «непаянность», ошибочно выставленные значения.
При запуске исправного преобразователя с заданными данными обмотки на дисплее осциллографа, подключенного ко вторичной обмотке трансформатора Тр2 (в моем случае к половине обмотки), будет отображаться последовательность четких прямоугольных импульсов, которая не меняется со временем. Частота преобразования подбирается резистором R5 и в моем случае R5 = 5.1 Ом, частота ненагруженного преобразователя составляла 18 кГц.
При нагрузке 20 Ом – 20,5 кГц. При нагрузке 12 Ом – 22,3 кГц. Нагрузка подключалась непосредственно к обмотке трансформатора с приборным управлением с эффективным значением напряжения 17,5 В. Расчетное значение напряжения было немного другим (20 В), но оказалось, что вместо номинальных 5,1 Ом сопротивление установлено на плата R1 = 51 Ом. Будьте внимательны к таким сюрпризам от китайских товарищей.
Однако я счел возможным продолжить эксперименты без замены этого резистора, несмотря на его значительный, но терпимый нагрев.При мощности, отдаваемой преобразователем на нагрузку около 25 Вт, мощность, рассеиваемая этим резистором, не превышала 0,4 Вт.
Что касается потенциальной мощности БП, то на частоте 20 кГц установленный трансформатор будет способен выдавать на нагрузку не более 60-65Вт.
Попробуем увеличить частоту. При включении резистора (R5) сопротивлением 8,2 Ом частота преобразователя без нагрузки повышается до 38,5 кГц, при нагрузке 12 Ом – 41.8 кГц.
При такой частоте преобразования с существующим силовым трансформатором вы можете безопасно обслуживать нагрузку мощностью до 120 Вт. Вы можете продолжать экспериментировать с сопротивлениями в цепи PIC, достигая требуемой частоты, но помня, однако , что слишком большое сопротивление R5 может привести к сбоям генерации и нестабильному запуску преобразователя … При изменении параметров преобразователя PIC следует контролировать ток, проходящий через ключи преобразователя.
Так же можно поэкспериментировать с обмотками ПОС обоих трансформаторов на свой страх и риск.В этом случае следует предварительно рассчитать количество витков коммутирующего трансформатора по формулам, размещенным, например, на странице //interlavka.narod.ru/stats/Blokpit02.htm, или с помощью одной из программ Mr. Москатов разместил на странице своего сайта // www.moskatov.narod.ru/Design_tools_pulse_transformers.html.
Улучшение Ташибры – конденсатор в ПОС вместо резистора!
Избежать нагрева резистора R5 можно, заменив его … конденсатором. В этом случае схема POS непременно приобретает некоторые резонансные свойства, но никакого ухудшения работы блока питания не проявляется.Причем конденсатор, установленный вместо резистора, нагревается значительно меньше, чем замененный резистор. Так, частота с установленным конденсатором 220 нФ увеличилась до 86,5 кГц (без нагрузки) и составила 88,1 кГц при работе с нагрузкой. Пуск и работа преобразователя оставались такими же стабильными, как и в случае использования резистора в цепи ПОС. Учтите, что потенциальная мощность БП на этой частоте увеличивается до 220 Вт. Мощность трансформатора: значения являются приблизительными, с определенными предположениями, но не завышены.К сожалению, у меня не было возможности протестировать блок питания с большим током нагрузки, но я считаю, что описания проведенных экспериментов достаточно, чтобы обратить внимание многих на такие, здесь простые схемы силовых преобразователей, достойные для использования в различных дизайнах …
Заранее приносим свои извинения за любые неточности, упущения и ошибки. Поправлю в ответах на ваши вопросы.
Константин (riswel)
Россия, Калининград
С детства – музыка и электро / радиоаппаратура.Паял множество схем самых разных по разным причинам и просто, ради интереса, как наших, так и чужих.
За 18 лет работы в Северо-Западном Телекоме изготовил множество различных стендов для тестирования различного ремонтируемого оборудования. Он сконструировал несколько различных по функциональности и элементной базе цифровых измерителей длительности импульсов.
Более 30 рационализаторских предложений по модернизации узлов различной специализированной техники, в т.ч. – источник питания. Долгое время все больше занимаюсь силовой автоматикой и электроникой.
Почему я здесь? Потому что все здесь такие же, как я. Здесь для меня много интересного, так как я плохо разбираюсь в аудиотехнологиях, но мне хотелось бы иметь больше опыта в этом конкретном направлении.
datagor.ru
Трансформаторы электронные. Устройство и работа. Особенности:
Рассмотрим основные достоинства, достоинства и недостатки электронных трансформаторов. Рассмотрим схему их работы. Электронные трансформаторы появились на рынке совсем недавно, но успели завоевать широкую популярность не только в радиолюбительских кругах.
В последнее время в Интернете часто можно встретить статьи на основе электронных трансформаторов: самодельные блоки питания, зарядные устройства и многое другое. По сути, электронные трансформаторы представляют собой простой сетевой импульсный источник питания. Это самый дешевый блок питания. Зарядное устройство для телефона дороже. Электронный трансформатор работает от сети 220 вольт.
Устройство и принцип работы
Схема работы
Генератор в данной схеме представляет собой диодный тиристор или динистор.Напряжение сети 220 В выпрямляется диодным выпрямителем. На входе питания присутствует ограничивающий резистор. Он одновременно служит и предохранителем, и защитой от скачков напряжения в сети при включении. Рабочую частоту динистора можно определить по номиналам R-C цепи.
Таким образом, можно увеличивать или уменьшать рабочую частоту генератора всей схемы. Рабочая частота в электронных трансформаторах от 15 до 35 кГц, ее можно регулировать.
Трансформатор обратной связи намотан на небольшое кольцо сердечника. Он содержит три обмотки. Обмотка обратной связи состоит из одного витка. Две независимые обмотки цепей управления. Это базовые обмотки трех витков транзисторов.
Это эквивалентные обмотки. Ограничительные резисторы предназначены для предотвращения ложного срабатывания транзисторов и в то же время ограничения тока. Транзисторы высоковольтные, биполярные. Часто используются транзисторы MGE 13001-13009.Это зависит от мощности электронного трансформатора.
т конденсаторов полумоста тоже очень сильно зависит, в частности мощность трансформатора. Они используются с напряжением 400 В. Мощность также зависит от габаритных размеров сердечника основного импульсного трансформатора. Имеет две независимые обмотки: сетевую и вторичную. Вторичная обмотка с номинальным напряжением 12 вольт. Он наматывается исходя из необходимой выходной мощности.
Первичная или сетевая обмотка состоит из 85 витков провода диаметром 0.5-0,6 мм. Используются маломощные выпрямительные диоды с обратным напряжением 1 кВ и током 1 ампер. Это самый дешевый выпрямительный диод из серии 1N4007.
На схеме подробно показан конденсатор, задающий частоту динисторных цепей. Резистор на входе защищает от скачков напряжения. Динистор серии ДБ3, его отечественный аналог КН102. Также на входе есть ограничительный резистор. Когда напряжение на конденсаторе установки частоты достигает максимального уровня, динистор выходит из строя.Динистор – это полупроводниковый разрядник, срабатывающий при определенном напряжении пробоя. Затем он подает импульс на базу одного из транзисторов. Начинается генерация схемы.
Транзисторы работают в противофазе. На первичной обмотке трансформатора формируется переменное напряжение с заданной частотой срабатывания динистора. На вторичной обмотке получаем необходимое напряжение. В этом случае все трансформаторы рассчитаны на 12 вольт.
Модель трансформатора китайского производителя Taschibra
Предназначена для питания галогенных ламп 12 вольт.
При стабильной нагрузке, такой как галогенные лампы, эти электронные трансформаторы могут прослужить бесконечно. Во время работы схема перегревается, но не выходит из строя.
Принцип работы
Подается напряжение 220 вольт, выпрямленное диодным мостом VDS1. Конденсатор С3 начинает заряжаться через резисторы R2 и R3. Заряд продолжается до прорыва динистора DB3.
Напряжение открытия этого динистора составляет 32 вольта. После его открытия на базу нижнего транзистора подается напряжение.Транзистор открывается, вызывая автоколебания этих двух транзисторов VT1 и VT2. Как работают эти автоколебания?
Ток начинает течь через C6, трансформатор T3, трансформатор управления базой JDT, транзистор VT1. При прохождении через JDT он вызывает закрытие VT1 и открытие VT2. После этого ток протекает через VT2, через базовый трансформатор T3, C7. Транзисторы постоянно открываются и закрываются, работают в противофазе. Прямоугольные импульсы появляются в средней точке.
Частота преобразования зависит от индуктивности обмотки обратной связи, емкости баз транзисторов, индуктивности трансформатора T3 и емкостей C6, C7.Поэтому частоту преобразования очень сложно контролировать. Частота также зависит от нагрузки. Ускоряющие конденсаторы на 100 вольт используются для принудительного открытия транзисторов.
Для надежного замыкания динистора VD3 после начала генерации на катод диода VD1 подаются прямоугольные импульсы, и он надежно запирает динистор.
Кроме того, есть устройства, которые используются для осветительных приборов, два года питают мощные галогенные лампы и работают добросовестно.
Блок питания на основе электронного трансформатора
Напряжение сети через ограничивающий резистор подается на диодный выпрямитель. Сам диодный выпрямитель состоит из 4-х маломощных выпрямителей с обратным напряжением 1 кВ и током 1 ампер. Такой же выпрямитель стоит на блоке трансформатора. После выпрямителя постоянное напряжение сглаживается электролитическим конденсатором. Время заряда конденсатора С2 зависит от резистора R2. На максимальном заряде срабатывает динистор, происходит пробой.На первичной обмотке трансформатора формируется переменное напряжение частоты срабатывания динистора.
Основным достоинством данной схемы является наличие гальванической развязки от сети 220 вольт. Главный недостаток – низкий выходной ток. Схема предназначена для питания небольших нагрузок.
Модель трансформатора DM-150T06A
Потребляемый ток 0,63 ампер, частота 50-60 Гц, рабочая частота 30 килогерц. Эти электронные трансформаторы предназначены для питания более мощных галогенных ламп.
Достоинства и преимущества
Если использовать устройства по прямому назначению, то есть хорошие функции. Трансформатор не включится без входной нагрузки. Если вы только что подключили трансформатор, он не активен. Для начала работы нужно подключить к выходу мощную нагрузку. Эта функция экономит энергию. Для радиолюбителей, переделывающих трансформаторы в регулируемый блок питания, это недостаток.
Возможна реализация системы автозапуска и защиты от короткого замыкания.Несмотря на недостатки, электронный трансформатор всегда будет самым дешевым типом полумостового источника питания.
В продаже можно найти более качественные недорогие блоки питания с отдельным генератором, но все они реализованы на основе полумостовых схем с использованием самосинхронизирующихся полумостовых драйверов, таких как IR2153 и им подобных. Такие электронные трансформаторы намного лучше работают, более стабильны, реализована защита от КЗ, на входе сетевой фильтр. Но старая Taschibra остается незаменимой.
Недостатки электронных трансформаторов
Имеют ряд недостатков, несмотря на то, что изготовлены по хорошим схемам. Это отсутствие какой-либо защиты в дешевых моделях. У нас простейшая схема электронного трансформатора, но она работает. Именно такая схема реализована в нашем примере.
На входе питания нет устройства защиты от перенапряжения. На выходе после дросселя должен быть как минимум сглаживающий электролитический конденсатор на несколько микрофарад.Но его тоже нет. Поэтому на выходе диодного моста мы можем наблюдать нечистое напряжение, то есть все сетевые и прочие шумы передаются в схему. На выходе мы получаем минимальные помехи, так как реализована гальваническая развязка.
Рабочая частота динистора крайне нестабильна в зависимости от выходной нагрузки. Если без выходной нагрузки частота составляет 30 кГц, то с нагрузкой может наблюдаться довольно большое падение до 20 кГц, в зависимости от конкретной нагрузки трансформатора.
Еще одним недостатком этих электронных трансформаторов является то, что они имеют переменную частоту и ток на выходе. Чтобы использовать его в качестве источника питания, необходимо выпрямить ток. Необходимо выпрямить импульсными диодами. Обычные диоды здесь не подходят из-за повышенной рабочей частоты. Поскольку в таких блоках питания не реализована защита, нужно только замкнуть выходные провода, блок не только выйдет из строя, но и взорвется.
При этом при КЗ ток в трансформаторе увеличивается до максимума, поэтому выходные ключи (силовые транзисторы) просто лопнут.Выходит из строя и диодный мост, так как они рассчитаны на рабочий ток 1 ампер, а при коротком замыкании рабочий ток резко возрастает. Ограничивающие резисторы транзисторов, сами транзисторы, диодный выпрямитель, предохранитель, который должен защищать схему, но не делает этого, также выходят из строя.
Могут выйти из строя еще несколько компонентов. Если у вас есть такой электронный трансформаторный блок, и он случайно выходит из строя по какой-то причине, то ремонтировать его нецелесообразно, так как это невыгодно.Всего один транзистор стоит 1 доллар. И готовые блоки питания также можно купить за 1 доллар, совершенно новые.
Электронный трансформатор мощностью
Сегодня в продаже можно найти трансформаторы различных моделей мощностью от 25 Вт до нескольких сотен ватт. Трансформатор на 60 ватт выглядит так.
Китайский производитель выпускает электронные трансформаторы мощностью от 50 до 80 Вт. Входное напряжение от 180 до 240 вольт, частота сети 50-60 герц, рабочая температура 40-50 градусов, выходная 12 вольт.
Связанные темы:
electrosam.ru
| Все больше радиолюбителей переходят на питание своих структур импульсными блоками питания. На прилавках магазинов сейчас размещено множество дешевых электронных трансформаторов (далее просто ЭТ). Проблема заключается в том, что трансформатор использует схему обратной связи (вне ОС) токовой связи, то есть чем выше ток нагрузки, тем выше базовый ток ключей, поэтому трансформатор не запускается без нагрузки , или при низкой нагрузке напряжение меньше 12В, и даже при коротком замыкании базовый ток ключей растет и они выходят из строя, а часто и резисторы в основных схемах.Устраняется все это довольно просто – меняем ОС по току на ОС по напряжению, вот схема переделки. Красный указывает, что нужно изменить: Итак, мы снимаем обмотку связи на коммутирующем трансформаторе и ставим вместо нее перемычку. Далее наматываем 1-2 витка на силовой трансформатор и 1 на переключающий, используем в ОС резистор от 3-10 Ом мощностью не менее 1 ватт, чем выше сопротивление, тем ниже ток защиты от короткого замыкания. Если вас пугает нагрев резистора, вы можете использовать вместо него лампочку фонарика (2,5-6,3 В). Но при этом ток срабатывания защиты будет очень мал, так как сопротивление горячей нити накала лампы достаточно велико. Трансформатор теперь тихо запускается без нагрузки, и есть защита от короткого замыкания. При замкнутом выходе ток на вторичке падает, и соответственно ток падает на обмотку ОС – ключи блокируются и генерация нарушается, только при КЗ ключи сильно нагреваются, т.к. динистор пытается запустить цепь, а ведь короткое замыкание на ней и процесс повторяется.Поэтому данный электронный трансформатор выдерживает режим включения не более 10 секунд. Вот видео, как работает защита от короткого замыкания в переделанном устройстве: Извините за качество, снято на мобильный телефон. Вот еще фото переделки ЕТ: Но помещать конденсатор фильтра в корпус ЕТ не рекомендую, сделал это на свой страх и риск, так как температура внутри уже немаленькая, а там нет места достаточно, конденсатор может вздуться и можно услышать БА-БУМ 🙂 Но не факт, пока все работает нормально, время покажет… Позже перепроектировал два трансформатора на 60 и 105 Вт, вторичные обмотки перемотали под свои нужды, вот фото как разделить сердечник W-образного трансформатора (в блоке питания 105 Вт). Также можно отправить маломощный импульсный блок питания на большой, при этом заменив ключи, диоды сетевого моста, конденсаторы полумоста и, конечно же, ферритовый трансформатор. Вот несколько картинок – ЭТ был перепроектирован с 60 Вт на 180 Вт, транзисторы заменены на MJE 13009, конденсаторы 470 нФ и трансформатор намотан на два свернутых кольца К32 * 20 * 6. Первичная катушка 82 витка в двух сердечниках диаметром 0,4 мм. Перепродажа согласно вашим требованиям. И все же, чтобы не сжечь ЭТ при экспериментах или любой другой аварийной ситуации, лучше подключить его последовательно с лампой накаливания такой же мощности. В случае короткого замыкания или другой поломки лампа загорится, и вы спасете радиодетали. С вами был AVG (Марьян). |
el-shema.ru
Схема электронного трансформатора для галогенных ламп 12В.Как работает электронный трансформатор?
Работа трансформатора будет основана на преобразовании тока из сети с напряжением 220 В. Устройства разделены по количеству фаз, а также по индикатору перегрузки. На рынке представлены модификации однофазного и двухфазного типов. Параметр тока перегрузки колеблется от 3 до 10 А. При необходимости можно сделать электронный трансформатор своими руками. Однако для этого, прежде всего, важно ознакомиться с устройством модели.
Схема модели
Схема электронного трансформатора для галогенных ламп 12 В предполагает использование проходного реле. Обмотка приложена напрямую с фильтром. В схеме есть конденсаторы для увеличения тактовой частоты. Выпускаются они открытого и закрытого типа … В однофазных версиях используются выпрямители. Эти элементы необходимы для увеличения проводимости тока.
В среднем чувствительность моделей 10 мВ. С помощью расширителей решаются проблемы с перегрузкой сети.Если рассматривать двухфазную модификацию, то в ней используется тиристор. В указанный элемент обычно устанавливают резисторы. Их емкость в среднем составляет 15 пФ. Уровень токопроводимости в этом случае зависит от нагрузки на реле.
Как сделать самому?
Сделать электронный трансформатор своими руками несложно. Для этого важно использовать проводное реле. Желательно подобрать для него расширитель импульсного типа. Конденсаторы используются для увеличения параметра чувствительности устройства.Многие специалисты рекомендуют устанавливать резисторы с изоляторами.
Фильтры припаяны для защиты от скачков напряжения. Если рассматривать самодельную однофазную модель, то целесообразнее выбрать модулятор на 20 Вт. Выходное сопротивление в цепи трансформатора должно быть 55 Ом. Выходные контакты припаиваются напрямую для подключения устройства.
Устройства с емкостным резистором
Схема электронного трансформатора для галогенных ламп 12 В предполагает использование проводного реле. В этом случае резисторы устанавливаются за пластиной.Как правило, используются модуляторы открытого типа. Также в схему электронного трансформатора для галогенных ламп 12В входят выпрямители, подбираемые с фильтрами.
Усилители необходимы для решения проблем переключения. Параметр выходного сопротивления в среднем 45 Ом. Токопроводимость, как правило, не превышает 10 мкм. Если рассматривать однофазную модификацию, то в ней есть триггер. Некоторые специалисты используют триггеры для повышения проводимости. Однако в этом случае значительно увеличиваются тепловые потери.
Трансформаторы регуляторы
Трансформатор 220-12 В с регулятором сделать довольно просто. Реле в этом случае стандартно является проводным. Регулятор устанавливается непосредственно с модулятором. Есть кенотрон для решения проблем с обратной полярностью. Его можно использовать с крышкой или без нее.
Спусковой механизм в этом случае подключается посредством проводов. Указанные элементы способны работать только с расширителями импульсов. В среднем параметр проводимости трансформаторов этого типа не превышает 12 мкм.Также важно отметить, что величина отрицательного сопротивления зависит от чувствительности модулятора. Как правило, оно не превышает 45 Ом.
Использование проводных стабилизаторов
Трансформатор 220-12 В с проводным стабилизатором встречается очень редко. Для нормальной работы устройства требуется качественное реле. Показатель отрицательного сопротивления в среднем составляет 50 Ом. В этом случае стабилизатор крепится к модулятору. Указанный элемент в первую очередь предназначен для понижения тактовой частоты.
В этом случае тепловые потери трансформатора незначительны. Однако важно отметить, что на спусковой крючок оказывается большое давление. Некоторые специалисты рекомендуют в этой ситуации использовать емкостные фильтры. Они продаются с гидом или без него.
Модели с диодным мостом
Трансформатор на 12 В этого типа выполнен на основе селективных триггеров. Показатель порогового сопротивления у моделей в среднем 35 Ом. Трансиверы устанавливаются для решения проблем с пониженной частотой.Используются непосредственно диодные мосты с разной проводимостью. Если рассматривать однофазные модификации, то в этом случае резисторы подбираются на двух пластинах. Показатель проводимости не превышает 8 мкм.
Тетроды для трансформаторов позволяют значительно повысить чувствительность реле. Модификации с усилителями очень редки. Основная проблема с этим типом трансформатора – отрицательная полярность. Это происходит из-за повышения температуры реле. Чтобы исправить эту ситуацию, многие специалисты рекомендуют использовать управляемые триггеры.
Модель Taschibra
Схема электронного трансформатора для галогенных ламп 12В включает в себя спусковой механизм для двух пластин. Реле в модели проводного типа. Расширители используются для решения задач с пониженной частотой. Всего в модели три конденсатора. Таким образом, проблемы с перегрузкой сети возникают редко. В среднем параметр выходного сопротивления поддерживается на уровне 50 Ом. По мнению специалистов, выходное напряжение на трансформаторе не должно превышать 30 Вт. В среднем чувствительность модулятора составляет 5.5 мкм. Однако в этом случае важно учитывать нагрузку на расширитель.
Устройство RET251C
Указанный электронный трансформатор для ламп изготавливается с выходным адаптером. Расширитель модели дипольного типа. Всего в устройстве три конденсатора. Резистор используется для устранения проблем с отрицательной полярностью. Конденсаторы модели перегреваются редко. Модулятор подключается напрямую через резистор. Всего в модели два тиристора.Они в первую очередь отвечают за параметр выходного напряжения. Также тиристоры предназначены для обеспечения стабильной работы расширителя.
Трансформатор GET 03
Трансформатор (12 Вольт) этой серии очень популярен. Всего в модели два резистора. Они расположены рядом с модулятором. Если говорить об индикаторах, важно отметить, что частота модификации составляет 55 Гц. Устройство подключается через выходной адаптер.
Расширитель сочетается с изолятором.Два конденсатора используются для устранения проблем с отрицательной полярностью. В представленной модификации нет регулятора. Индекс проводимости трансформатора составляет 4,5 мкм. Выходное напряжение колеблется в районе 12 В.
Устройство ЭЛТР-70
Указанный электронный трансформатор 12 В включает в себя два проходных тиристора. Отличительной особенностью модификации считается высокая тактовая частота … Таким образом, процесс преобразования тока будет происходить без скачков напряжения. Эспандер модели используется без крышки.
Есть триггер для понижения чувствительности. Устанавливается стандартно селективного типа. Отрицательное сопротивление 40 Ом. Это считается нормальным для однофазной модификации. Также важно отметить, что устройства подключаются через выходной адаптер.
Модель ELTR-60
Этот трансформатор обеспечивает высокую стабильность напряжения. Модель относится к однофазным устройствам. Его конденсатор используется с высокой проводимостью. Проблемы с отрицательной полярностью решаются расширителем.Устанавливается за модулятором. В представленном трансформаторе отсутствует регулятор. Всего в модели используется два резистора. Их емкость составляет 4,5 пФ. По мнению специалистов, перегрев элементов случается очень редко. Выходное напряжение на реле строго 12 В.
Трансформаторы TRA110
Эти трансформаторы питаются от проходного реле. Расширители модели используются разной мощности. В среднем выходное сопротивление трансформатора составляет 40 Ом. Модель относится к двухфазным модификациям.Его пороговый показатель частоты составляет 55 Гц. В данном случае резисторы – дипольного типа. Всего в модели два конденсатора. Для стабилизации частоты при работе устройства действует модулятор. Проводники модели спаяны с высокой проводимостью.
fb.ru
Переделка электронного трансформатора | all-he
Электронный трансформатор – сетевой импульсный блок питания, который предназначен для питания галогенных ламп на 12 вольт. Подробнее об этом приборе читайте в статье «Электронный трансформатор (введение)».
Устройство имеет довольно простую схему. У простого двухтактного автогенератора, который выполнен по полумостовой схеме, рабочая частота около 30 кГц, но этот показатель сильно зависит от выходной нагрузки.
Схема такого блока питания очень нестабильна, не имеет никакой защиты от коротких замыканий на выходе трансформатора, возможно, из-за этого схема пока не нашла широкого распространения в радиолюбительских кругах. Хотя в последнее время на различных форумах идет раскрутка этой темы.Люди предлагают различные варианты доработки таких трансформаторов. Сегодня я постараюсь объединить все эти улучшения в одной статье и предложить варианты не только для улучшений, но и для того, чтобы сделать ET более мощным.
Не будем углубляться в основы работы схемы, а сразу приступим к делу. Постараемся доработать и увеличить мощность китайского ET Taschibra на 105 Вт.
Для начала хочу объяснить, почему я решил взяться за питание и переделку таких трансформаторов.Дело в том, что недавно сосед попросил заставить его заказать зарядное устройство для автомобильного аккумулятора, компактное и легкое. Собирать не хотел, но потом наткнулся на интересные статьи, в которых рассматривалась переделка электронного трансформатора. Это натолкнуло меня на мысль – почему бы не попробовать?
Таким образом, было приобретено несколько ЭТ мощностью от 50 до 150 Вт, но эксперименты с переделкой не всегда заканчивались удачно, выжил только ЭТ мощностью 105 Вт. Недостаток такого агрегата в том, что у него трансформатор некруглый, а потому перематывать или наматывать витки неудобно.Но другого выхода не было и пришлось переделывать именно этот блок.
Как известно, эти агрегаты не включаются без нагрузки, это не всегда является преимуществом. Планирую получить надежное устройство, которое можно будет беспрепятственно использовать в любых целях, не опасаясь, что блок питания может сгореть или выйти из строя в случае короткого замыкания.
Номер ревизии 1
Суть идеи состоит в том, чтобы добавить защиту от КЗ, а также устранить указанный выше недостаток (активация схемы без выходной нагрузки или с маломощной нагрузкой).
Глядя на сам блок, мы видим простейшую схему ИБП, я бы сказал, что схема не полностью разработана производителем. Как известно, если замкнуть вторичную обмотку трансформатора, то менее чем за секунду цепь выйдет из строя. Резко возрастает ток в цепи, моментально выходят из строя ключи, а иногда и основные ограничители. Таким образом, ремонт схемы обойдется дороже стоимости (цена такого ЭТ около 2,5 долларов).
Трансформатор обратной связи состоит из трех отдельных обмоток.Две из этих обмоток питают основные цепочки для ключей.
Для начала снимаем обмотку связи на трансформаторе ОС и ставим перемычку. Эта обмотка включена последовательно с первичной обмоткой импульсного трансформатора. Затем наматываем только 2 витка на силовой трансформатор и один виток на кольцо (трансформатор OC). Для намотки можно использовать проволоку диаметром 0,4-0,8 мм.
Далее нужно подобрать резистор под ОС, в моем случае 6.2 Ом, но резистор можно подобрать сопротивлением 3-12 Ом, чем выше сопротивление этого резистора, тем меньше ток защиты от короткого замыкания. Резистор в моем случае – это резистор с проволочной обмоткой, что я не советую. Подбираем мощность этого резистора 3-5 Вт (можно использовать от 1 до 10 Вт).
При коротком замыкании на выходной обмотке импульсного трансформатора ток во вторичной обмотке падает (в стандартных схемах ЕТ при КЗ ток увеличивается, отключая ключи).Это приводит к уменьшению тока в обмотке ОС. Таким образом, генерация останавливается, сами ключи блокируются.
Единственный недостаток такого решения в том, что при длительном коротком замыкании на выходе схема выходит из строя, так как клавиши нагреваются и довольно прочны. Не подвергайте выходную обмотку короткому замыканию длительностью более 5-8 секунд.
Схема теперь запустится без нагрузки, одним словом мы получили полноценный ИБП с защитой от короткого замыкания.
Номер ревизии 2
Теперь попробуем немного сгладить сетевое напряжение от выпрямителя. Для этого мы будем использовать индукторы и сглаживающий конденсатор. В моем случае использовался готовый дроссель с двумя независимыми обмотками. Этот дроссель был снят с ИБП DVD-плеера, хотя можно использовать и самодельные дроссели.
После перемычки следует подключить электролит емкостью 200 мкФ с напряжением не менее 400 вольт.Емкость конденсатора выбирается исходя из мощности блока питания 1 мкФ на 1 ватт мощности. Но как вы помните, наш блок питания рассчитан на 105 Вт, почему конденсатор используется на 200 мкФ? Вы поймете это очень скоро.
Ревизия № 3
Теперь о главном – запитке электронного трансформатора и реально ли? Фактически, есть только один надежный способ включения без особых модификаций.
Для включения удобно использовать ЭТ с кольцевым трансформатором, так как потребуется перемотка вторичной обмотки, по этой причине мы заменим наш трансформатор.
Сетевая обмотка протянута по всему кольцу и содержит 90 витков провода 0,5-0,65 мм. Обмотка намотана на двух свернутых ферритовых кольцах, снятых с ЭТ мощностью 150 Вт. Вторичная обмотка наматывается исходя из потребностей, в нашем случае она рассчитана на 12 вольт.
Планируется увеличить мощность до 200 Вт. Поэтому электролит понадобился с запасом, о котором говорилось выше.
Заменяем конденсаторы полумоста на 0.5 мкФ, в штатной схеме у них ёмкость 0,22 мкФ. Мы заменяем биполярные переключатели MJE13007 на MJE13009. Силовая обмотка трансформатора содержит 8 витков, обмотка выполнена с 5 жилами 0,7 мм провода, так что у нас есть провод в первичной обмотке с общим сечением 3,5 мм.
Двигайтесь дальше. До и после дросселей ставим пленочные конденсаторы емкостью 0,22-0,47 мкФ с напряжением не менее 400 Вольт (я использовал именно те конденсаторы, которые были на плате ЕТ и которые пришлось заменить для увеличения мощности).
Далее заменяем диодный выпрямитель. В стандартных схемах используются обычные выпрямительные диоды серии 1N4007. Ток диода составляет 1 Ампер, наша схема потребляет много тока, поэтому диоды следует заменить на более мощные, чтобы избежать неприятных результатов после первого включения схемы. Можно использовать буквально любые выпрямительные диоды с током 1,5-2 Ампера, обратным напряжением не менее 400 вольт.
Все компоненты, кроме платы генератора, смонтированы на макетной плате.Клавиши усилены теплоотводом через изолирующие прокладки.
Продолжаем переделку электронного трансформатора, добавляя в схему выпрямитель и фильтр. Дроссели намотаны на кольцах из железного порошка (сняты с блока питания компьютера), состоят из 5-8 витков. Его удобно наматывать сразу 5 проволоками диаметром 0,4-0,6 мм каждая.
Подбираем сглаживающий конденсатор на напряжение 25-35 Вольт; в качестве выпрямителя используется один мощный диод Шоттки (диодные сборки от компьютерного блока питания).Можно использовать любые быстрые диоды на ток 15-20 ампер.
all-he.ru
СХЕМА ЭЛЕКТРОННОГО ТРАНСФОРМАТОРА ДЛЯ ГАЛОГЕННЫХ ЛАМП
В настоящее время импульсные электронные трансформаторы благодаря малым габаритам и весу, невысокой цене и широкому ассортименту широко используются в массовом оборудовании. Из-за массового производства электронные трансформаторы в несколько раз дешевле обычных индуктивных трансформаторов на железной основе той же мощности. Хотя электронные трансформаторы разных фирм могут иметь разную конструкцию, схема практически одинакова.Возьмем, например, стандартный электронный трансформатор с маркировкой 12 В 50 Вт, который используется для питания настольной лампы. Принципиальная схема будет следующей:
Схема электронного трансформатора работает следующим образом. Напряжение сети выпрямляется выпрямительным мостом до полусинусоиды с удвоенной частотой. Элемент D6 типа DB3 в документации называется «TRIGGER DIODE», это двунаправленный динистор, в котором полярность включения не имеет значения, и он используется здесь для запуска преобразователя трансформатора.Динистор срабатывает во время каждого цикла, начиная генерацию полумоста. использовать, например, для функции затемнения подключенной лампы. Частота генерации зависит от размера и магнитной проводимости сердечника трансформатора обратной связи и параметров транзисторов, обычно в диапазоне 30-50 кГц.
В настоящее время начато производство более совершенных трансформаторов с микросхемой IR2161, что обеспечивает как простоту конструкции электронного трансформатора, так и сокращение количества используемых компонентов, и высокую производительность.Использование данной микросхемы значительно увеличивает технологичность и надежность электронного трансформатора для питания галогенных ламп. Принципиальная схема представлена на рисунке.
Особенности электронного трансформатора на IR2161: Интеллектуальный полумостовой драйвер; Защита нагрузки от короткого замыкания с автоматическим перезапуском; Защита от перегрузки по току с автоматическим перезапуском; Развертка рабочей частоты для уменьшения электромагнитных помех; Микро пусковой ток 150 мкА; Может использоваться с фазовыми диммерами, управляемыми по переднему и заднему фронту; Компенсация смещения выходного напряжения увеличивает срок службы лампы; Плавный пуск, исключающий токовые перегрузки ламп.
Входной резистор R1 (0,25 Вт) представляет собой своего рода предохранитель. Транзисторы MJE13003 прижаты к корпусу через изолирующую прокладку с металлической пластиной. Даже при работе с полной нагрузкой транзисторы плохо нагреваются. После выпрямителя сетевого напряжения нет конденсатора, сглаживающего пульсации, поэтому выходное напряжение электронного трансформатора при работе от нагрузки представляет собой прямоугольные колебания 40 кГц, модулированные пульсациями сетевого напряжения 50 Гц.Трансформатор Т1 (трансформатор обратной связи) – на ферритовом кольце обмотки, подключенные к базам транзисторов, содержат пару витков, обмотка, подключенная к точке соединения эмиттера и коллектора силовых транзисторов – один виток одинарного- жила изолированного провода. Транзисторы MJE13003, MJE13005, MJE13007 обычно используются в ET. Выходной трансформатор на ферритовом W-образном сердечнике.
Для использования электронного трансформатора в импульсном блоке питания необходимо к выходу подключить выпрямительный мост на высокочастотных мощных диодах (обычные КД202, Д245 не подойдут) и конденсатор для сглаживания пульсаций .На выходе электронного трансформатора устанавливается диодный мост на диодах КД213, КД212 или КД2999. Словом, нужны диоды с низким падением напряжения в прямом направлении, способные хорошо работать на частотах порядка десятков килогерц.
Преобразователь электронного трансформатора не работает нормально без нагрузки, поэтому его следует использовать там, где нагрузка постоянна по току и потребляет ток, достаточный для уверенного запуска преобразователя ET.При эксплуатации схемы необходимо учитывать, что электронные трансформаторы являются источниками электромагнитных помех, поэтому необходимо установить LC-фильтр для предотвращения проникновения помех в сеть и в нагрузку.
Я лично использовал электронный трансформатор для изготовления лампового усилителя импульсного источника питания … Также представляется возможным снабдить их мощными УНЧ класса А или светодиодными лентами, которые предназначены как раз для источников с напряжением 12 В и высокий выходной ток.Естественно, подключение такой ленты производится не напрямую, а через токоограничивающий резистор или путем корректировки выходной мощности электронного трансформатора.
Форум электронных трансформаторов
Обсудить статью СХЕМА ЭЛЕКТРОННОГО ТРАНСФОРМАТОРА ДЛЯ ГАЛОГЕННЫХ ЛАМП
radioskot.ru
Электронные трансформаторы для галогенных ламп 12В
Блок питания
На главную Радиолюбителям Блок питания
В статье описаны так называемые электронные трансформаторы, которые по сути представляют собой импульсные понижающие преобразователи для питания галогенных ламп, рассчитанных на напряжение 12В.Предлагаются два варианта трансформаторов – на дискретных элементах и на специализированной микросхеме.
Галогенные лампы по сути являются более совершенной модификацией обычных ламп накаливания. Принципиальное отличие заключается в добавлении к колбе лампы паров галогеновых соединений, которые блокируют активное испарение металла с поверхности нити накала во время работы лампы. Это позволяет нагревать нить до более высоких температур, что приводит к более высокой светоотдаче и более однородному спектру излучения.Кроме того, увеличивается срок службы лампы. Эти и другие особенности делают галогенную лампу очень привлекательной для домашнего освещения и многого другого. Промышленно выпускается широкий ассортимент галогенных ламп различной мощности на напряжение 230 и 12 В. Лампы с напряжением питания 12 В обладают лучшими техническими характеристиками и более длительным сроком службы по сравнению с лампами на 230 В, не говоря уже об электробезопасности. Для питания таких ламп от сети 230 В необходимо снизить напряжение. Вы, конечно, можете использовать обычный сетевой понижающий трансформатор, но это дорого и непрактично.Оптимальным решением является использование понижающего преобразователя 230 В / 12 В, который в таких случаях часто называют электронным трансформатором или галогенным преобразователем. В данной статье будут рассмотрены два варианта таких устройств, оба рассчитаны на мощность нагрузки 20 … 105 Вт.
Одним из самых простых и распространенных схемных решений понижающих электронных трансформаторов является полумостовой преобразователь. с положительной обратной связью по току, схема которой показана на рис. 1. При подключении устройства к сети конденсаторы С3 и С4 быстро заряжаются до пикового напряжения сети, образуя половину напряжения в точке подключения.Схема R5C2VS1 формирует пусковой импульс. Как только напряжение на конденсаторе C2 достигнет порога открытия динистора VS1 (24,32 В), он откроется, и на базу транзистора VT2 будет подано напряжение прямого смещения. Этот транзистор откроется и ток потечет по цепи: общая точка конденсаторов С3 и С4, первичная обмотка трансформатора Т2, обмотка III трансформатора Т1, коллекторная секция – эмиттер транзистора VT2, отрицательный вывод диодного моста VD1.На обмотке II трансформатора Т1 появится напряжение, которое будет поддерживать транзистор VT2 в открытом состоянии, при этом обратное напряжение с обмотки I будет подаваться на базу транзистора VT1 (обмотки I и II включены. в противофазе). Ток, протекающий через обмотку III трансформатора T1, быстро переведет ее в состояние насыщения. В результате напряжение на обмотках I и II T1 будет стремиться к нулю. Транзистор VT2 начнет закрываться. Когда он будет почти полностью закрыт, трансформатор начнет выходить из состояния насыщения.
Рисунок: 1. Схема полумостового преобразователя с положительной обратной связью по току
Закрытие транзистора VT2 и выход из насыщения трансформатора Т1 приведет к изменению направления ЭДС и увеличению напряжения на обмотки I и II. Теперь прямое напряжение будет подаваться на базу транзистора VT1, а противоположное – на базу VT2. Транзистор VT1 начнет открываться. Ток будет протекать по цепи: положительный вывод диодного моста VD1, участок коллектор-эмиттер VT1, обмотка III T1, первичная обмотка трансформатора T2, точка пересечения конденсаторов C3 и C4.Затем процесс повторяется, и в нагрузке образуется вторая полуволна напряжения. После запуска диод VD4 поддерживает конденсатор C2 в разряженном состоянии. Поскольку в преобразователе не используется сглаживающий оксидный конденсатор (он не нужен при работе от лампы накаливания, наоборот, его наличие ухудшает коэффициент мощности устройства), то по окончании полупериода выпрямленной сети напряжение, генерация остановится. С наступлением следующего полупериода генератор снова запустится.В результате работы электронного трансформатора на его выходе формируются колебания с частотой 30 … 35 кГц, близкие по форме к синусоидальному (рис.2), за которыми следуют пакеты с частотой 100 Гц (рис. 3).
Рисунок: 2. Колебания с частотой 30 … 35 кГц, близкие по форме к синусоидальным
Рисунок: 3. Колебания с частотой 100 Гц
Важная особенность такого преобразователя состоит в том, что он не запустится без нагрузки, так как ток через обмотку III T1 будет слишком мал, и трансформатор не будет насыщаться, процесс автогенерации завершится ошибкой.Эта функция делает ненужной защиту от простоя. Устройство, показанное на рис. 1 номинал стабильно запускается при мощности нагрузки 20 Вт.
На рис. 4 показана схема усовершенствованного электронного трансформатора, в который добавлены шумоподавляющий фильтр и блок защиты от короткого замыкания нагрузки. Блок защиты собран на транзисторе VT3, диоде VD6, стабилитроне VD7, конденсаторе С8 и резисторах R7-R12. Резкое увеличение тока нагрузки приведет к увеличению напряжения на обмотках I и II трансформатора Т1 с 3… 5 В в номинальном режиме до 9 … 10 В в режиме короткого замыкания. В результате на базе транзистора VT3 появится напряжение смещения 0,6 В. Транзистор откроется и обойдет конденсатор пусковой цепи С6. В результате при следующем полупериоде выпрямленного напряжения генератор не запустится. Конденсатор С8 обеспечивает задержку срабатывания защиты около 0,5 с.
Рисунок: 4. Схема усовершенствованного электронного трансформатора
Второй вариант электронного понижающего трансформатора показан на рис.5. Проще повторить, так как в нем нет одного трансформатора, при этом он более функциональный. Это тоже полумостовой преобразователь, но управляемый специализированной микросхемой IR2161S. В микросхему встроены все необходимые защитные функции: от пониженного и повышенного напряжения сети, от режима холостого хода и короткого замыкания в нагрузке, от перегрева. IR2161S также имеет функцию плавного пуска, заключающуюся в плавном увеличении выходного напряжения при включении от 0 до 11,8 В в течение 1 с.Это исключает резкий скачок тока через холодную нить накала лампы, что значительно, иногда в несколько раз, увеличивает срок ее службы.
Рисунок: 5. Второй вариант электронного понижающего трансформатора
В первый момент, а также с приходом каждого последующего полупериода выпрямленного напряжения микросхема питается через диод VD3. от параметрического стабилизатора на стабилитроне VD2. Если питание подается напрямую от сети 230 В без использования фазорегулятора (диммера), то схема R1-R3C5 не нужна.После входа в рабочий режим микросхема дополнительно питается с выхода полумоста по цепи d2VD4VD5. Сразу после запуска частота внутреннего тактового генератора микросхемы составляет около 125 кГц, что намного выше частоты выходной цепи C13C14T1, в результате напряжение на вторичной обмотке трансформатора Т1 будет небольшим. Внутренний генератор микросхемы управляется напряжением, его частота обратно пропорциональна напряжению на конденсаторе С8.Сразу после включения этот конденсатор начинает заряжаться от внутреннего источника тока микросхемы. По мере увеличения на нем напряжения частота генератора микросхемы будет уменьшаться. Когда напряжение на конденсаторе достигнет 5 В (примерно через 1 с после включения), частота снизится до рабочего значения около 35 кГц, а напряжение на выходе трансформатора достигнет номинального значения 11,8 В. Это Так реализуется мягкий пуск, после его завершения микросхема DA1 переходит в рабочий режим, в котором вывод 3 DA1 может использоваться для управления выходной мощностью.Если подключить параллельно конденсатору С8 переменный резистор сопротивлением 100 кОм, можно, изменяя напряжение на выводе 3 DA1, контролировать выходное напряжение и регулировать яркость лампы. При изменении напряжения на выводе 3 микросхемы DA1 от 0 до 5 В частота генерации изменится с 60 до 30 кГц (60 кГц при 0 В – минимальное выходное напряжение, а 30 кГц при 5 В – максимальное).
Вход CS (контакт 4) микросхемы DA1 является входом для внутреннего усилителя сигнала ошибки и используется для контроля тока нагрузки и напряжения на выходе полумоста.В случае резкого увеличения тока нагрузки, например при коротком замыкании, падение напряжения на датчике тока – резисторах R12 и R13, а значит на выводе 4 DA1 превысит 0,56 В, внутренний компаратор переключится и остановите тактовый генератор. В случае обрыва нагрузки напряжение на выходе полумоста может превысить максимально допустимое напряжение транзисторов VT1 и VT2. Чтобы этого избежать, резистивно-емкостной делитель C10R9 подключен к входу CS через диод VD7.При превышении порогового напряжения на резисторе R9 генерация также прекращается. Более подробно режимы работы микросхемы IR2161S рассмотрены в.
Рассчитать количество витков обмоток выходного трансформатора можно для обоих вариантов, например, с помощью несложной методики расчета можно выбрать подходящий магнитопровод по общей мощности по каталогу.
По количеству витков первичной обмотки
NI = (Uc max t0 max) / (2 S Bmax),
где Uc max – максимальное напряжение сети, В; t0 max – максимальное время открытого состояния транзисторов, мкс; S – площадь поперечного сечения магнитопровода, мм2; Bmax – максимальная индукция, Т.
Число витков вторичной обмотки
где k – коэффициент трансформации, в нашем случае можно принять k = 10.
Чертеж печатной платы первого варианта электронного трансформатора (см. Рис. 4) показан на рис. 6, расположение элементов – на рис. 7. Внешний вид собранной платы показан на рис. 8. чехлы. Электронный трансформатор собран на плате из стекловолокна толщиной 1,5 мм, покрытой с одной стороны фольгой. Все элементы для поверхностного монтажа устанавливаются на стороне печатных проводников, выводные элементы – на противоположной стороне платы.Большая часть деталей (транзисторы VT1, VT2, трансформатор Т1, динистор VS1, конденсаторы С1-С5, С9, С10) подойдут от массовых дешевых ЭПРА для люминесцентных ламп типа Т8, например, Tridonic PC4x18 T8, Fintar 236/418, Cimex CSVT 418P, Komtex EFBL236 / 418, TDM Electric EB-T8-236 / 418 и др., Поскольку имеют схожую схемотехнику и элементную базу. Конденсаторы С9 и С10 – это металлопленочные полипропиленовые конденсаторы, рассчитанные на большой импульсный ток и переменное напряжение не менее 400 В. Диод VD4 – любой быстродействующий диод с допустимым обратным напряжением на рис.11 не менее 150 В.
Рисунок: 6. Чертеж печатной платы первого варианта электронного трансформатора
Рисунок: 7. Расположение элементов на плате
Рисунок: 8 Внешний вид собранной платы
Трансформатор Т1 намотан на кольцевой магнитопровод с магнитной проницаемостью 2300 ± 15%, его внешний диаметр 10,2 мм, внутренний диаметр 5,6 мм, толщина 5,3 мм.Обмотка III (5-6) содержит один виток, обмотки I (1-2) и II (3-4) – три витка провода диаметром 0,3 мм. Индуктивность обмоток 1-2 и 3-4 должна составлять 10 … 15 мкГн. Выходной трансформатор Т2 намотан на магнитопроводе EV25 / 13/13 (Epcos) без немагнитного зазора, материал N27. Его первичная обмотка содержит 76 витков провода 5×0,2 мм. Вторичная обмотка содержит восемь витков гибкого провода 100×0,08 мм. Индуктивность первичной обмотки составляет 12 ± 10% мГн. Дроссель фильтра шумоподавления L1 намотан на магнитопроводе E19 / 8/5, материал N30, каждая обмотка содержит 130 витков провода диаметром 0.25 мм. Можно использовать стандартный двухобмоточный дроссель с индуктивностью 30 … 40 мГн подходящего размера. Желательно использовать конденсаторы С1, С2 Х-класса.
Чертеж печатной платы второго варианта электронного трансформатора (см. Рис. 5) показан на рис. 9, расположение элементов – на рис. 10. Плата также изготовлена из стеклотекстолита. фольга с одной стороны, элементы для поверхностного монтажа расположены со стороны печатных проводников, выводные элементы – с противоположной стороны.Внешний вид готового устройства показан на рис. 11 и рис. 12. Выходной трансформатор Т1 намотан на магнитопровод R29.5 (Epcos), материал N87. Первичная обмотка содержит 81 виток провода 0,6 мм, вторичная обмотка – 8 витков провода 3х1 мм. Индуктивность первичной обмотки 18 ± 10% мГн, вторичной 200 ± 10% мГн. Трансформатор Т1 рассчитан на максимальную мощность до 150 Вт; для подключения такой нагрузки транзисторы VT1 и VT2 необходимо установить на радиатор – алюминиевую пластину площадью 16 мм… 18 мм2, 1,5 … 2 мм толщиной. Однако в этом случае потребуется соответствующая переделка печатной платы. Также выходной трансформатор можно использовать от первой версии устройства (вам нужно будет добавить на плате отверстия для другой распиновки). Транзисторы STD10NM60N (VT1, VT2) можно заменить на IRF740AS или аналогичные. Стабилитрон VD2 должен иметь мощность не менее 1 Вт, напряжение стабилизации – 15,6 … 18 В. Конденсатор С12 – желательно дисковый керамический на номинальное постоянное напряжение 1000 В.Конденсаторы С13, С14 – металлопленочные полипропиленовые, рассчитанные на большой импульсный ток и переменное напряжение не менее 400 В. Каждая из резистивных цепей R4-R7, R14-R17, R18-R21 может быть заменена одним оконечным резистором соответствующего сопротивление и мощность, но надо будет менять печатную плату.
Рисунок: 9. Чертеж печатной платы второго варианта электронного трансформатора
Рисунок: 10. Расположение элементов на плате
Рисунок: 11.Внешний вид готового устройства
Рисунок: 12. Внешний вид собранной платы
Литература
1. IR2161 (S) & (PbF). Микросхема управления галогенным преобразователем. – URL: http://www.irf.com/product-info/datasheets/data/ir2161.pdf (24.04.15).
2. Питер Грин. Электронный преобразователь с регулируемой яркостью 100 ВА для низковольтного освещения. – URL: http: // www.irf.com/technical-info/refdesigns/ irplhalo1e.pdf (24.04.15).
3. Ферриты и принадлежности. – URL: http: // en.tdk.eu/tdk-en/1 80386 / tech-library / epcos-Publications / ferrites (24.04.15).
Дата публикации: 30.10.2015
Мнения читателей
- Веселин / 08.11.2017 – 22: 18Какие электронные трансформаторы доступны на рынке с ними 2161 или аналогичные
- Эдвард / 26.12.2016 – 13:07 Здравствуйте, а можно ли вместо трансформатора 160Вт поставить 180Вт? Спасибо.
- Михаил / 21.12.2016 – 22:44 Переделал вот эти http://ali.pub/7w6tj
- Юрий / 05.08.2016 – 17:57 Здравствуйте! Можно ли узнать частоту переменного напряжения на выходе трансформатора для галогенных ламп? Спасибо.
Вы можете оставить свой комментарий, мнение или вопрос по вышеуказанному материалу:
www.radioradar.net
Электронный трансформатор – это сетевой импульсный источник питания с очень хорошими характеристиками. Такие блоки питания лишены защиты от короткого замыкания на выходе, но этот дефект можно исправить. Сегодня я решил представить весь процесс увеличения мощности электронных трансформаторов для галогенных ламп. Мы превратим китайский ЭК мощностью 150 Вт в мощный ИБП, который можно использовать практически для любых целей.Вторичная обмотка импульсного трансформатора в моем случае содержит только один виток. Обмотка намотана 10 проводами по 0,5 мм. Блок питания рассчитан на мощность до 300 Вт, поэтому его можно использовать для вуферов типа Holton, Lanzar, Marshall Leach и др. При желании на базе такого ИБП можно собрать мощный лабораторный блок питания. Мы знаем, что многие ИБП этого типа не включаются без нагрузки, это недостаток электронных трансформаторов Tashibra мощностью 105 Вт.
У нашей схемы такого недостатка нет, схема запускается без нагрузки и может работать с маломощными нагрузками (светодиоды и т.д.). Для включения необходимо внести несколько переделок. Необходимо перемотать импульсный трансформатор, подобрать конденсаторы полумоста, заменить диоды в выпрямителе и использовать более мощные переключатели. В моем случае использовались диоды на полтора ампера, которые я не заменял, но обязательно заменил их любыми диодами с обратным напряжением не менее 400 Вольт и с током 2 Ампера и более.
Сначала переделаем импульсный трансформатор. На плате можно увидеть кольцевой трансформатор с двумя обмотками, обе обмотки нужно снимать. Затем берем еще одно подобное кольцо (снятое с того же блока) и склеиваем. Сетевая обмотка состоит из 90 витков, витки вытянуты по всему кольцу.
Диаметр провода, которым наматывается обмотка, 0,5 … 0,7 мм. Далее наматываем вторичную обмотку. Один виток дает, например, полтора вольта – чтобы получить выходное напряжение 12 Вольт, обмотка должна содержать 8 витков (но есть и другие значения).
Далее заменяем конденсаторы полумоста. В стандартной схеме используются конденсаторы емкостью 0,22 мкФ на 630 В, которые были заменены на конденсаторы емкостью 0,5 мкФ на 400 В. Выключатели питания серии MJE13007, которые были заменены на более мощные – MJE13009.
На этом переделка практически завершена и уже можно подключаться к сети 220 вольт. Проверив работоспособность схемы, идем дальше. Дополняем ИБП сетевым напряжением. Фильтр содержит дроссели и сглаживающий конденсатор.Электролитический конденсатор выбираем из расчета 1 мкФ на 1 Вольт, для наших 300 Вт выбираем конденсатор емкостью 300 мкФ с минимальным напряжением 400 вольт. Затем переходим к дросселям. Я использовал готовый дроссель, его сняли с другого ИБП. Дроссель имеет две отдельные обмотки по 30 витков провода 0,4 мм.
Можно поставить предохранитель на ввод питания, но в моем случае он уже был на плате. Предохранитель выбран на 1,25 – 1,5 Ампера. Теперь все готово, уже можно дополнить схему выпрямителем на выходе и сглаживающими фильтрами.Если вы планируете собрать на базе такого ИБП автомобильное зарядное устройство, то на выходе будет достаточно одного мощного диода Шоттки. Эти диоды включают мощный импульсный диод серии STPR40, который часто используется в компьютерных блоках питания. Сила указанного диода составляет 20 Ампер, но для блока питания на 300 Вт и 20 Ампер маловато. Без проблем! Дело в том, что указанный диод содержит два одинаковых диода на 20 Ампер, вам просто нужно соединить между собой два крайних вывода корпуса.Теперь у нас есть полный диод на 40 ампер. Диод нужно будет установить на достаточно большой радиатор, так как последний будет довольно сильно перегреваться, может понадобиться небольшой кулер.
Недавно в магазине наткнулся на электронный трансформатор для галогенных ламп. Стоит такой трансформатор копейки – всего 2,5 доллара, что в несколько раз дешевле стоимости используемых в нем компонентов. Блок покупался для экспериментов. Как позже выяснилось, у него не было защиты и при коротком замыкании произошел настоящий взрыв… Трансформатор был достаточно мощный (150 Вт), поэтому на входе установили предохранитель, который буквально лопнул. После проверки выяснилось, что сгорела половина комплектующих. Ремонт будет дорогим, да и нервы и время тратить не надо, лучше купить новый. На следующий день было куплено сразу три трансформатора на 50, 105 и 150 Вт.
Блок планировалось доработать, так как это был ИБП – без каких-либо фильтров и защит.
После доработки должен был получиться мощный ИБП, главная особенность которого – компактность.
Для начала установка была оснащена сетевым фильтром.
Дроссель снят с блока питания DVD плеера, он состоит из двух одинаковых обмоток, каждая из которых содержит 35 витков провода 0,3 мм. Только проходя через фильтр, на главную цепь подается напряжение. Для сглаживания низкочастотных помех использовались конденсаторы по 0,1 мкФ (выбираем на напряжение 250-400 вольт). Светодиод указывает на наличие сетевого напряжения.
Регулятор напряжения
А схема использовалась только на одном транзисторе.Это простейшая схема, она содержит пару компонентов и работает очень хорошо. Недостаток схемы в том, что транзистор перегревается при больших нагрузках, но это не так уж и плохо. В схеме можно использовать любые мощные биполярные НЧ транзисторы обратной проводимости – КТ803,805,819,825,827 – рекомендую использовать последние три. Подстроечный резистор можно взять с сопротивлением 1 … 6,8к, берем дополнительный защитный резистор мощностью 0,5-1 Вт.
Регулятор готов, идем дальше.
Защита
Еще одна простая схема, по сути, защита от чрезмерного использования. Реле буквально любое 10-15 Ампер. Также можно использовать любой выпрямительный диод с током 1 ампер и более (отлично справляется широко используемый 1N4007). Светодиод сигнализирует неправильную полярность. Эта система отключает напряжение, если тестируемое устройство подключено к выходу короткого замыкания или неправильно подключено. Блок питания можно использовать для проверки работоспособности самодельных УНЧ, преобразователей, автомагнитол и т. Д., при этом не нужно бояться, что вдруг перепутаете полярность блока питания.
В будущем мы рассмотрим еще несколько простых изменений электронного трансформатора, а пока у нас есть простой, компактный и мощный ИБП, который можно использовать в качестве лабораторного устройства для новичка.
Перечень радиоэлементов
| Обозначение | Тип | Номинал | номер | Примечание | Оценка | Моя записная книжка |
|---|---|---|---|---|---|---|
| Т1 | Транзистор биполярный | KT827A | 1 | В блокнот | ||
| VD1 | Выпрямительный диод | 1N4007 | 1 | В блокнот | ||
| Диодный мост | 1 | В блокнот | ||||
| C1, C2 | Конденсатор | 0.1 мкФ | 2 | В блокнот | ||
| C3 | Конденсатор | 0,22 мкФ | 1 | В блокнот | ||
| C4-C5 | Конденсатор электролитический | 3300 мкФ | 2 | В блокнот | ||
| R2 | Резистор | 480 Ом | 1 | В блокнот | ||
| R3 | Переменный резистор | 1 кОм | 1 | В блокнот | ||
| R4 | Резистор | 2.2 кОм | 1 | В блокнот | ||
| R5 | Резистор |
Содержание статьи:
Электрооборудование в нашем доме, включая освещение, работает от электричества напряжением 220В. А вот обычные лампочки с вольфрамовой нитью накаливания остались в прошлом. Эффективность низкая, долговечность низкая, а частота 50 Гц создает дополнительную нагрузку на зрение.Выход – использовать трансформатор для галогенных ламп и с его помощью использовать галогенные лампы высокой частоты, питающиеся от электричества низкого напряжения.
Трансформатор для галогенных ламп понижает напряжение с 220В до 12В. Галогенные лампы светят именно от электричества 12В.
Первый тип устройств – обмоточный трансформатор для галогенных ламп – состоит из двух медных обмоток, которые взаимодействуют посредством электромагнитного поля.
Сегодня электронный трансформатор для галогенных ламп перед обмоточным индукционным имеет свои преимущества:
Перечисленные особенности обеспечивают долговечность работы, продлевают срок службы как трансформатора, так и галогенных ламп.
Примечание: электронный трансформатор для галогенных ламп имеет КПД 95-99% против 75-80% у обмоточного трансформатора.
Расчет и выбор понижающих трансформаторов осуществляется по двум основным критериям:
Первый параметр показывает, какое напряжение галогенные лампы можно подключать с помощью трансформатора. Второй дает общую мощность подключенных к нему ламп. Значение основных параметров указано на крышке корпуса трансформатора.
Примечание: галогенные лампы подключаются параллельно через трансформатор. В этом случае их мощность суммируется, а напряжение остается неизменным. В отличие от параллельного соединения, последовательное напряжение суммируется.
Если необходимо подключить большое количество галогенных ламп, их следует разделить на группы. Для этого можно привести следующие аргументы:
Разделив освещение на группы, мы обеспечиваем выполнение этого условия.
Совет: трансформатор для галогенных ламп, особенно индукционных, во время работы может сильно нагреваться.Это необходимо учитывать при выборе места для его установки.
Широко используемый трансформатор (рис. 2) включает двунаправленный динистор «TRIGGER DIODE» и работает следующим образом: диодный мост выпрямляет переменное напряжение в полусинусоидальную волну с удвоенной частотой. Двунаправленный динистор D6 запускает преобразователь трансформатора и генерацию полумоста, что позволяет довести частоту электрического тока на выходе до 30-50 кГц.
В настоящее время используются более совершенные трансформаторы с микросхемой IR2161.Использование микросхемы, имеющей всего 8 контактов, значительно повысило надежность устройств трансформаторов, прежде всего за счет уменьшения количества составляющих компонентов. Еще он отличается высокой технологичностью, а именно:
У трансформатора для галогенных ламп есть своя «родственница» – трансформатор для светодиодного освещения. Но даже при одинаковой номинальной мощности и выходном напряжении эти трансформаторы не являются взаимозаменяемыми устройствами.
Дело в том, что в галогенной лампе источником света является нить накаливания.Совершенно другая физика заложена в свечении светодиода. Электрический ток проходит через соединение P / N диода и отдает часть энергии в виде фотона света. Эта разница в физическом явлении свечения галогенной лампы и светодиода предъявляет разные требования к трансформаторам. Не углубляясь в глубокий анализ осциллограмм трансформаторов в рамках данной статьи, сделаем входы:
Livro de ATAS_Desporto e Ciência 2011.pdf
Atas / Proceedings Seminário Desport
Atas / Proceedings Seminário Desport
29 Стр. Seminário Desport
Atas / Proceedings Seminário Desport
Atas / Proceedings Seminário Desport
Atas / Proceedings Seminário Desport
Atas / Proceedings Seminário Desport
Atas / Proceedings Seminário Desport
Atas / Proceedings Seminário Desport
Atas / Proceedings Seminário Desport
Atas7297 and 77:
Atas / Proceedings Seminário Desport
Atas / Proceedings Seminário Desport
Atas / Proceedings Seminário Desport
293 82 и 83: 91/83 Desport
Atas / Proceedings Seminário Desport
Atas / Proceedings Seminário Desport
Atas / Proceedings Seminário Desport
Atas / Proceedings Seminário Desport
Atas / Proceedings Seminário Desport147
Atas / Proceedings Seminário Desport
Atas / Proceedings Seminário Desport
Atas / Proceedings Seminário Desport
Atas / Proceedings Seminário Desport
Atas / Proceedings Seminário Desport
Atas / Proceedings Seminário Desport
Atas / Proceedin gs Seminário Desport
Atas / Proceedings Seminário Desport
Atas / Proceedings Seminário Desport
Atas / Proceedings
Atas / Proceedings Seminário Desport
Atas / Proceedings Seminário Desport
Atas / Proceedings Seminário Desport
2911 126 и 127: Desport
Atas / Proceedings Seminário Desport
Atas / Proceedings Seminário Desport
Atas / Proceedings 1340004
Atas / Proceedings Seminário Desport
Atas / Proceedings Seminário Desport
Atas / Proceedings Seminário Desport
Atas / Proceedings Seminário Desport
Atas / Proceedings Seminário Desport24
Atas / Proceedings Seminário Desport
Atas / Proceedings Seminário Desport
0 Страница 150 и 151 и 153:
Atas / Proceedings Seminário Desport
Atas / Proceedings Seminário Desport
Atas / Proceedings Seminário Desport
Atas / Proceedings Seminário Desport
Atas / Proceedin gs Seminário Desport
Atas / Proceedings Seminário Desport
Atas / Proceedings Seminário Desport
Desport
Atas and 171:
Atas / Proceedings Seminário Desport
Atas / Proceedings Seminário Desport
Atas / Proceedings Seminário Desport
Atas / Proceedings Seminário Desport
Atas / Proceedings Seminário Desport
Atas / Proceedings
Список литературы 1.Араужо, Д. (1997). O
Atas / Proceedings Seminário Desport
Atas / Proceedings Seminário Desport
Atas / Proceedings Seminário :
Atas / Proceedings Seminário Desport
Atas / Proceedings Seminário Desport
Atas / Proceedings Seminário Desport
Atas / Proceedings Seminário Desport
Atas / Proceedings Seminário Desport
Atas / Proceedings Seminário Desport
Atas / Proceedings Seminário Desport
Atas / Proceedings Seminário Desport
Atas / Proceedings Seminário Desport
Atas / Proceedings Seminário Desport
Atas / Proceedings Seminário Desport
Atas / Proceedings Seminário Desport
Atas / Proceedings Seminário Desport
94
/ Proceedings Seminário Desport
Atas / Proceedings Seminário Desport
Atas / Proceedings Seminário Desport
ed 232 и 233:
Atas / Proceedings Seminário Desport
Atas / Proceedings Seminário Despor t
Atas / Proceedings Seminário Desport
Atas / Proceedings Seminário Desport
Atas / Proceedings Seminário :
Atas / Proceedings Seminário Desport
Atas / Proceedings Seminário Desport
Atas / Proceedings Seminário Desport
Atas / Proceedings Seminário Desport
Atas / Proceedings Seminário Desport
Atas / Proceedings 25614730 Page
Atas / Proceedings Seminário Desport
Atas / Proceedings Seminário Desport
Atas / Proceedings Seminário Desport
Atas / Proceedings Seminário Desport
4 266 и
Atas / Proceedings Seminário Desport
Atas / Proceedings Seminário Desport
Atas / Proceedings Seminário Desport
77 / Proceedings Seminário DesportAtas / Proceedings Seminário Desport
Atas / Proceedings Seminário Desport
282 и 283:
Atas / Proceedings Seminário Desport
Atas / Proceedings Seminário Despor t
Atas / Proceedings Seminário Desport
Atas / Proceedings Seminário Desport
Atas / Proceedings
Atas / Proceedings Seminário Desport
Atas / Proceedings Seminário Desport
Atas / Proceedings Seminário Desport
Atas / Proceedings Seminário Desport
Atas / Proceedings Seminário Desport
Atas / Proceedings Seminário 3070004 Atas / Proceedings Seminário Desport
Atas / Proceedings Seminário Desport
Atas / Proceedings Seminário Desport
Atas / Proceedings Seminário Desport
Atas / Proceedings Seminário Desport
Atas / Proceedings Seminário Desport
Atas / Proceedings Seminário Desport
Atas / Proceedings Seminário Desport
/ Proceedings Seminário Desport
Atas / Proceedings Seminário Desport
Atas / Proceedings Seminário Desport
Attas 332 и 333:
Atas / Proceedings Seminário Desport
Atas / Proceedings Seminário Despor t
Atas / Proceedings Seminário Desport
Atas / Proceedings Seminário Desport
Atas / Proceedings Seminário
Atas / Proceedings Seminário Desport
Atas / Proceedings Seminário Desport
Atas / Proceedings Seminário Desport
Atas / Proceedings Seminário Desport
Atas / Proceedings Seminário Desport
Atas / Proceedings Seminário
Atas / Proceedings Seminário DesportAtas / Proceedings Seminário Desport
Atas / Proceedings Seminário Desport
Atas / Proceedings Seminário Desport
Atas / Proceedings Seminário Desport
Atas / Proceedings Seminário Desport
Atas / Proceedings Seminário Desport
Atas / Proceedings Seminário Desport
4 / Proceedings Seminário Desport
Atas / Proceedings Seminário Desport
Atas / Proceedings Seminário Desport
382 и 383:
Atas / Proceedings Seminário Desport
Atas / Proceedings Seminário Despor t
Atas / Proceedings Seminário Desport
Atas / Proceedings Seminário Desport
Atas / Proceedings
Atas / Proceedings Seminário Desport
Atas / Proceedings Seminário Desport
Atas / Proceedings Seminário Desport
Atas / Proceedings Seminário Desport
Atas / Proceedings Seminário Desport
Atas / Proceedings Seminário 4071730
Atas / Proceedings Seminário DesportAtas / Proceedings Seminário Desport
Atas / Proceedings Seminário Desport
Atas / Proceedings Seminário Desport
Atas / Proceedings Seminário Desport
Atas / Proceedings Seminário Desport
Atas / Proceedings Seminário Desport
Atas / Proceedings Seminário Desport
94
/ Proceedings Seminário Desport
Atas / Proceedings Seminário Desport
Atas / Proceedings Seminário Desport
Atas / Proceedings Seminário Desport
Atas / Proceedings Seminário Despor t
Atas / Proceedings Seminário Desport
Atas / Proceedings Seminário Desport
Atas / Proceedings 44730
:Atas / Proceedings Seminário Desport
Atas / Proceedings Seminário Desport
Atas / Proceedings Seminário Desport
Atas / Proceedings Seminário Desport
Atas / Proceedings Seminário Desport
Atas / Proceedings Seminário 45729 Page 45729
Atas / Proceedings Seminário Desport
Atas / Proceedings Seminário Desport
Atas / Proceedings Seminário Desport
Atas / Proceedings Seminário Desport
Atas / Proceedings Seminário Desport
Atas / Proceedings Seminário Desport
Atas / Proceedings Seminário Page 477307 / Proceedings Seminário Desport
Atas / Proceedings Seminário Desport
Atas / Proceedings Seminário Desport
482 и 483:
Atas / Proceedings Seminário Desport
Atas / Proceedings Seminário Despor t
Atas / Proceedings Seminário Desport
Atas / Proceedings Seminário Desport
Atas / Proceedings
Atas / Proceedings Seminário Desport
Atas / Proceedings Seminário Desport
Atas / Proceedings Seminário Desport
Atas / Proceedings Seminário Desport
Atas / Proceedings Seminário Desport
Atas / Proceedings Seminário Page
30 Atas / Proceedings Seminário DesportAtas / Proceedings Seminário Desport
Atas / Proceedings Seminário Desport
Atas / Proceedings Seminário Desport
Atas / Proceedings Seminário Desport
Atas / Proceedings Seminário Desport
Atas / Proceedings Seminário Desport
Схема подключения электронного трансформатора.Подробная схема выбора электронного трансформатора и как переделать своими руками. При стабильной нагрузке, как галогенные лампы, такие электронные трансформаторы могут работать бесконечно долго. При работе с
Прекращается работа трансформатора при преобразовании тока из сети с напряжением 220 В. Устройства делятся по количеству фаз, а также по индикатору перегрузки. На рынке представлены модификации однофазного и двухфазного типов.Параметр перегрузки по току колеблется от 3 до 10 А. При необходимости можно сделать электронный трансформатор своими руками. Однако для этого в первую очередь важно ознакомиться с модельным устройством.
Модельная схема
Электронная схема 12B предполагает использование полосы пропускания. Обмотка нанесена непосредственно с фильтром. Для увеличения тактовой частоты в цепочке есть конденсаторы. Выпускаются открытого и закрытого типа. Однофазные модификации используют выпрямители.Эти элементы нужны для увеличения токопроводимости.
В среднем чувствительность моделей 10 мВ. С помощью расширения решаются проблемы с перегрузками в сети. Если рассматривать двухфазную модификацию, то в ней используется тиристор. В указанный элемент обычно устанавливают резисторы. Их емкость в среднем равна 15 пФ. Уровень токопроводимости в этом случае зависит от загруженности реле.
Как сделать самому?
Вы легко можете сделать это легко.Для этого важно использовать проводное реле. Расширитель желательно выбрать импульсный. Для увеличения параметра чувствительности используются конденсаторы. Многие специалисты рекомендуют резисторы устанавливать с изоляторами.
Распроданы фильтры для решения проблем со скачками напряжения. Если рассматривать самодельную однофазную модель, то модулятор целесообразнее подбирать 20 Вт. Выходное сопротивление в цепи трансформатора должно быть 55 Ом. Непосредственно для подключения устройства выходные контакты припаиваются.
Конденсаторные резистивные устройства
Схема электронного трансформатора на 12 В предполагает использование проводного реле. В этом случае резисторы устанавливаются за лампой. Как правило, используются модуляторы открытого типа. Также в схему электронного трансформатора для галогенных ламп 12В включены выпрямители, которые подбираются фильтрами.
Для решения проблем коммутации необходимы усилители. Параметр выходного сопротивления в среднем составляет 45 Ом. Проводимость тока, как правило, не превышает 10 мк.Если рассматривать однофазную модификацию, то у нее есть триггер. Некоторые специалисты используют триггеры для повышения проводимости. Однако в этом случае значительно увеличиваются тепловые потери.
Трансформаторы с регулятором
Трансформатор 220-12 в регуляторе довольно простой. Реле в этом случае стандартно используемого проводного типа. Контроллер устанавливается непосредственно с модулятором. Для решения проблем с обратной полярностью есть кенотрон. Его можно использовать как с ним, так и без него.
Спусковой механизм в этом случае подключается через проводники. Эти элементы способны работать только с импульсным расширением. В среднем показатель проводимости трансформаторов этого типа не превышает 12 мк. Также важно отметить, что показатель отрицательного сопротивления зависит от чувствительности модулятора. Как правило, оно не превышает 45 Ом.
Использование проводных стабилизаторов
Трансформатор 220-12 В с проводным стабилизатором встречается очень редко.Для нормальной работы устройства необходимо качественное реле. Показатель отрицательного сопротивления составляет в среднем 50 Ом. Стабилизатор в этом случае закреплен на модулятор. Указанный элемент в первую очередь предназначен для понижения тактовой частоты.
Тепловые потери при этом трансформатор незначительные. Однако важно отметить, что на спусковой крючок оказывается большое давление. Некоторые специалисты в сложившейся ситуации рекомендуют использовать емкостные фильтры. Они продаются с кондуктором и без него.
Модели с диодным мостом
Трансформатор (12 вольт) данного типа выполнен на основе селективных триггеров. Показатель порогового сопротивления в моделях в среднем составляет 35 Ом. Трансиверы устанавливаются для решения проблем с более низкой частотой. Используются непосредственно диодные мосты с разной проводимостью. Если рассматривать однофазные модификации, то в этом случае резисторы подбираются на две пластины. Показатель электропроводности не превышает 8 мк.
Тетроды в трансформаторах позволяют значительно повысить чувствительность реле. Модификации с усилителями очень редки. Основная проблема трансформаторов этого типа – отрицательная полярность. Это происходит из-за повышения температуры реле. Для исправления ситуации многие специалисты рекомендуют использовать триггеры с проводниками.
Taschibra модель
Схема электронного трансформатора для галогенных ламп 12В включает двухслойный триггер.Реле в модели использует проводной тип. Удлинители применяются для решения задач с пониженной частотой. Всего в модели три конденсатора. Таким образом, проблемы с перегрузкой в сети возникают редко. В среднем параметр выходного сопротивления держится на уровне 50 Ом. По мнению специалистов, выходное напряжение на трансформаторе не должно превышать 30 Вт. В среднем чувствительность модулятора составляет 5,5 мк. Однако в этом случае важно учитывать нагрузку на расширитель.
Устройство RET251C
Указанный электронный трансформатор для ламп выполнен с выходным адаптером.Удлинитель у модели дипольного типа. Всего в приборе установлено три конденсатора. Резистор применяется для решения проблем с отрицательной полярностью. Конденсаторы у модели редко перегреваются. Модулятор подключается напрямую через резистор. Всего в модели два тиристора. В первую очередь они отвечают за параметр выходного напряжения. Тиристоры также предназначены для обеспечения стабильной работы расширителя.
Трансформатор GET 03.
Очень популярен трансформатор (12 вольт) указанной серии. Всего в модели два резистора. Они рядом с модулятором. Если говорить об индикаторах, важно отметить, что частота модификации 55 Гц. Подключение устройства осуществляется через выходной адаптер.
Расширитель подбирается с изолятором. Для решения проблем с отрицательной полярностью используются два конденсатора. Регулятор в представленной модификации отсутствует.Показатель проводимости трансформатора – 4,5 мк. Выходное напряжение колеблется в районе 12 В.
Устройство ЭЛТР-70
Указанный электронный трансформатор 12 В включает в себя два проходных тиристора. Отличительной особенностью модификации считается высокая тактовая частота. Таким образом, процесс преобразования тока осуществляется без скачков напряжения. Удлинитель у модели используется без обшивки.
Для снижения чувствительности есть триггер.Устанавливается стандартного селективного типа. Показатель отрицательного сопротивления составляет 40 Ом. Для однофазной модификации это считается нормальным явлением. Также важно отметить, что устройства подключаются через выходной адаптер.
Модель ELTR-60
Этот трансформатор отличается высокой стабильностью напряжения. Модель применима к однофазным устройствам. Его конденсатор используется с высокой проводимостью. Проблемы с отрицательной полярностью решаются за счет расширителя. Устанавливается за модулятором.Регулятор в представленном трансформаторе отсутствует. Всего в модели используется два резистора. Контейнеры имеют 4,5 ПФ. Если верить специалистам, перегрев элементов наблюдается очень редко. Выходное напряжение на реле строго 12 В.
Трансформаторы tra110
Эти трансформаторы работают от реле попутного хода. Удлинители у модели используются разной емкости. В среднем номинальное выходное сопротивление трансформатора составляет 40 Ом. Есть модель в двухфазных модификациях.Показатель пороговой частоты 55 Гц. В этом случае используются резисторы дипольного типа. Всего в модели два конденсатора. Для стабилизации частоты во время работы устройства действует модулятор. Проводники у модели спаяны с высокой проводимостью.
При сборке той или иной конструкции иногда возникает вопрос с блоком питания, особенно если устройству требуется мощный блок питания, а без переделки его не обойтись. В наше время найти железные трансформаторы с необходимыми параметрами несложно, они довольно дороги, к тому же их основным недостатком являются большие габариты и вес.Хорошие источники импульсного питания сложны в сборке и вводе в эксплуатацию, поэтому многие из них недоступны для многих. В его выпуске видеоблок Ака Касьян. покажет процесс построения мощного и особенно простого блока Power на основе электронного трансформатора. Хотя по большому счету это видео посвящено доработке и увеличению его мощности. У автора видео нет цели доработать или улучшить схему, он просто хотел показать, как просто увеличить выходную мощность. В будущем, при желании, могут быть показаны все способы улучшения таких схем с защитой от короткого замыкания и другими функциями.
В этом китайском магазине можно купить электронный трансформатор.
Как подопытный, электронный трансформатор мощностью 60 Вт, из которого мастер намерен протянуть аж 300 Вт. По идее все должно работать.
Трансформатор под переделку был куплен всего за 100 рублей по строительной программе.
Перед вами классическая схема электронного трансформатора типа Taschibra. Это простой двухтактный сварной автолучевой инвертор с пусковой цепью на основе симметричного динистора.Именно он подает начальный импульс, в результате чего схема запускается. Имеются два высоковольтных транзистора обратной связи. В родной схеме стоял MJE13003, два конденсатора половинные на 400 вольт, o, 1 мкФ, трансформаторная обратная связь с тремя обмотками, две из которых задающие или основные обмотки. Каждый из них состоит из 3 витков проволоки по 0,5 миллиметра. Третья обмотка – это обратная связь по току.
На входе небольшой резистор на 1 Ом в качестве предохранителя и диодного выпрямителя. Электронный трансформатор Несмотря на простую схему, работает безотказно.Этот вариант не имеет защиты от коротких замыканий, поэтому если замкнуть выходные провода, взрыва будет минимум.
Нет стабилизации выходного напряжения, так как схема рассчитана на работу с пассивной нагрузкой в лице офисных галогенных ламп. Главный силовой трансформатор имеет два – первичный и вторичный. Последний рассчитан на выходное напряжение 12 вольт плюс минус пара вольт.
Первые испытания показали, что трансформатор имеет достаточно большой потенциал.Тогда автор нашел в Интернете запатентованную схему сварочного инвертора, построенную почти по такой схеме, и сразу создал плату за более мощный вариант. Сделал две платы, потому что вначале хотел построить устройство для контактной сварки. Все заработало без проблем, но потом решил перемотать вторичную обмотку, чтобы выпало это видео, так как на начальную обмотку давали всего 2 вольта и колоссальный ток. И провести измерения таких токов в настоящее время нет возможности из-за отсутствия нужного измерительного оборудования.
Перед вами более мощная схема. Деталей стало еще меньше. С первой схемы берется пара мелочей. Это трансформатор обратной связи, конденсатор и резистор в цепи запуска, динистор.
Начнем с транзисторов. MJE13003 стоял на родной плате в корпусе ТО-220. Были заменены на более мощный MJE13009 из той же линейки. Диоды на плате стояли типа N4007 на ампер. Заменил сборку с током 4 ампера и обратным напряжением 600 вольт.Подойдут любые диодные мосты аналогичных параметров. Обратное напряжение должно быть не менее 400 вольт, а сила тока не менее 3 ампер. Конденсаторы полпленочные на напряжение 400 вольт.
Эксперименты с электронным трансформатором Taschibra (Тахибера, Ташибра)
Думаю, что многие из тех, кто хоть раз занимался проблемами питания различных электронных структур, уже оценили достоинства этого трансформатора. И преимуществ у этого электронного трансформатора мало.Небольшая масса и габариты (как и во всех аналогичных схемах), простота переделки под свои нужды, наличие защитного кожуха, невысокая стоимость и относительная надежность (по крайней мере, если не допускаются экстремальные режимы и КЗ, то изделие, выполненное аналогичным способом. схема, может работать долгие годы). Спектр применения источников питания на базе «ТАССГИБРА» может быть достаточно широким, сравнимым с применением обычных трансформаторов.Применение оправдано в случаях дефицита времени, средств, отсутствия необходимости в стабилизации.Ну – а как? Сразу оговорюсь, что целью экспериментов была проверка пусковой цепи «ТАССГИБРА» при различных нагрузках, частотах и использовании различных трансформаторов. Также мне хотелось подобрать оптимальные номиналы компонентов цепей и проверить температурные режимы элементов схемы при работе на различных нагрузках с учетом использования корпуса «ТАССГИБРА» в качестве радиатора.
Схема Ташибра (Тахибера, Ташибра)
Несмотря на большое количество опубликованных схем электронных трансформаторов, лишний раз выложить в обзор не наливается.Смотрим на Ring1, иллюстрирующее начинку «Ташибра».Схема действительна для этого Ташибра 60-150Вт. Издевательство было сделано над этим 150W. Однако предполагается, что из-за идентичности схем результаты экспериментов можно легко проецировать на копии как с меньшей, так и с большей мощностью.
И еще раз напоминаю, чего не хватает «Ташибре» для полноценного блока питания. Отсутствие входного сглаживающего фильтра (это контрдомен, предотвращающий попадание продуктов конверсии в сеть), 2.Текущий POS, допускающий возбуждение преобразователя и его нормальную работу только при определенном токе нагрузки, 3. Отсутствие выходного выпрямителя, 4. Отсутствие элементов выходного фильтра.
Попробуем исправить все перечисленные недостатки «ТАССИБРА» и постараемся добиться приемлемой работы с желаемыми выходными характеристиками. Для начала даже не будем вскрывать корпус электронного трансформатора, а просто добавим недостающие элементы …
1. Входной фильтр: Конденсаторы С`1, С`2 с симметричным двухобмоточным дросселем (трансформатором) Т`12. .Диодный мост VDS`1 со сглаживающим конденсатором C`3 и резистором R`1 для защиты моста от тока зарядки конденсатора.
Сглаживающий конденсатор обычно выбирается из расчета 1,0 – 1,5 мкФ на ватт мощности, и параллельно конденсатору следует подключать разрядный резистор с сопротивлением 300-500 кОм для безопасности (прикоснитесь к клеммам заряженных относительно на высокое напряжение Конденсатор не очень красивый). Sreetor R`1 можно заменить термистором 5-15Ω / 1-5A.Такая замена в меньшей степени снизит КПД трансформатора.
На выходе этого, как показано на схеме на Ris3, подключите цепь из диода VD`1, конденсатора C`4-C`5 и включенных между ними дросселей L1 – для получения отфильтрованного постоянного напряжения на “пациенте”. ” выход. В то же время полистирольный конденсатор, расположенный непосредственно за диодом, составляет основную долю поглощения продуктов преобразования после выпрямления. Предполагается, что электролитический конденсатор, «спрятанный» за индуктивностью дроссельной заслонки, будет выполнять только свои прямые функции, предотвращая «провал» напряжения во время пиковой мощности, подключенной к устройству et.Но параллельно рекомендуется устанавливать неэлектролитический конденсатор.
После добавления входной цепи в работу электронного трансформатора произошли изменения: амплитуда выходных импульсов (на диод VD`1) немного увеличилась за счет увеличения напряжения на входе устройства путем добавления C`3 и частоты 50 Гц уже практически отсутствует. Это с расчетной нагрузкой для этого. Однако этого недостаточно. «Ташибра» не хочет работать без значительного тока нагрузки.
Установка на выходе преобразователя нагрузочных резисторов при возникновении любого минимального значения тока, способного запустить преобразователь, только снижает общий КПД устройства. Запуск при токе нагрузки Около 100 мА выполняется на очень низкой частоте, которую будет довольно сложно отфильтровать, если предполагается, что источник питания будет использоваться с UMP и другим аудиооборудованием с небольшим потреблением тока при отсутствии сигнала, для пример. Амплитуда импульсов также меньше, чем при полной нагрузке.
Изменение частоты в режимах разной мощности довольно сильное: от пары до нескольких десятков килогерц. Это обстоятельство накладывает существенные ограничения на использование «Ташибры» в таких (пока) при работе со многими устройствами.
Но – продолжай. Были предложения подключить к выходу этого дополнительный трансформатор, как показано, например, на рис.
Предполагалось, что первичная обмотка дополнительного трансформатора способна создавать ток, достаточный для нормальной работы основного схема.Предложение, однако, заманчиво только тем, что, не жертвуя этим, с помощью дополнительного трансформатора можно создать набор необходимых (на свой вкус) напряжений. На самом деле тока холостого хода дополнительного трансформатора для этого недостаточно. Попытки увеличить ток (как лампочка на 6,3Cx0,3A, подключенная к дополнительной обмотке), способный обеспечить его нормальную работу, привели только к запуску преобразователя и зажиганию лампочки.
Но, возможно, кого-то заинтересует такой результат, т.к. подключение дополнительного трансформатора актуально во многих других случаях для решения самых разных задач.Например, дополнительный трансформатор можно использовать в связке со старым (но работающим) компьютерным БП, способным обеспечивать значительную выходную мощность, но имеющим ограниченный (но – стабилизированный) набор напряжений.
Можно было бы и дальше ждать истины в шаманизме вокруг «Ташибры», однако я нашел эту тему для себя исчерпанной, т.к. для достижения желаемого результата (устойчивый запуск и выход в рабочий режим при отсутствии нагрузка, а, значит, и высокий КПД; небольшое изменение частоты при работе БП от минимальной до максимальной мощности и устойчивый запуск при максимальной нагрузке) гораздо эффективнее – попасть внутрь «Ташибры» и произвести все необходимые изменения в схеме при этом, как показано на рисунке 4.Тем более, что из пятнадцати испытаний таких схем я был собран еще во времена эпохи компьютеров «Спектрум» (именно для этих компьютеров). Разные урч, пригнали аналогичный БП, где-то работают и сейчас. БП, выполненный по такой схеме, показал себя с лучшей стороны, работая, собран из самых разных комплектующих и в различных вариантах исполнения.
Удалить? Конечно!
Более того, это совсем не сложно.Роняем трансформатор. Нагрейте его для облегчения разборки, чтобы перемотать вторичную обмотку для получения желаемых выходных параметров, как показано на этой фотографии, или с помощью любых других технологий.
В данном случае трансформатор испарительный только для того, чтобы спросить его с мотоциклами (кстати: Ш-образный магнитопровод с круглым сердечником, стандартных для ЭВМ БП габаритов с 90 витками первичной обмотки, раненый в 3 слоя с проводом диаметром 0,65 мм и 7 колодками Вторичная обмотка со сложенным проводом диаметром примерно 1,1 мм; все это без малейшей прослойки и межконтурной изоляции – только лак) и освободите место для другого трансформатора.
Для экспериментов мне проще было использовать кольцевые магнитные конвейеры. Занимают меньше места на плате, что дает (при необходимости) возможность использования дополнительных компонентов в объеме корпуса. При этом использовалась пара ферритовых колец с внешним, внутренним диаметром и высотой соответственно 32x20x6мм, сложенная вдвое (без склейки) – h3000-NM1. 90 витков первичного (диаметр провода – 0,65 мм) и 2х12 (1,2 мм) возобновителя с необходимой межстекольной изоляцией.
Обмотка связи содержит 1 виток монтажного провода диаметром 0.35мм. Все обмотки намотаны в порядке, соответствующем нумерации обмоток. Изоляция самого магнитопровода обязательна. В данном случае магнитная планировка была обмотана двумя слоями ленты, надежно, кстати, фиксируя сложенные кольца.
Перед установкой трансформатора на плату снимаем токовую обмотку коммутирующего трансформатора и используем ее как перемычку, поворачивая там, но уже не проходя через окно кольца трансформатора.
Устанавливаем на плату трансформатор намотанный ТР2, выкидывая выводы согласно схеме на рис.4. И пропускаем провод обмотки III в кольцевое окно коммутирующего трансформатора. Используя жесткость проволоки, формируем подобие геометрически замкнутой окружности и кругляк обратной связи готов. В разрыв монтажного провода, образующего обмотку III обоих (коммутирующего и мощного) трансформаторов, впаиваем достаточно мощный резистор (> 1Вт) сопротивлением 3-10 Ом.
В схеме на рисунке 4 штатные диоды не используются. Их следует удалить, как, впрочем, и резистор R1, чтобы повысить КПД блока в целом.Но можно пренебречь и несколькими процентами КПД и оставить перечисленные детали на плате. По крайней мере, на момент экспериментов от этого эти детали остались на доске. Следует оставить резисторы, устанавливаемые схемами базовых транзисторов – они выполняют функции ограничения тока базы при пуске преобразователя, облегчая работу на емкостной нагрузке.
Транзисторы обязательно следует устанавливать на радиаторах через изолирующие теплопроводящие прокладки (задействованные, например, в неисправном компьютерном БП), тем самым предотвращая их случайный мгновенный прогрев и обеспечивая некоторую собственную безопасность в случае контакта с радиатором во время работы устройство.
Кстати, электрокартон, используемый в этой изоляции транзисторов и платы платы, не является проводником тепла. Поэтому при «упаковке» готовой схемы БП в штатный корпус между транзисторами и корпусом именно такие прокладки. Только в этом случае будет обеспечен хоть какой-то радиатор. При использовании преобразователя мощности более 100 Вт необходимо установить дополнительный радиатор на корпусе устройства. Но это на будущее.
А пока, заканчивая установку схемы, выполним еще один пункт безопасности, включив его ввод последовательно через лампу накаливания мощностью 150-200 Вт.Лампа в случае нештатной ситуации (например, KZ) ограничивает ток через конструкцию до безопасного значения и в худшем случае создаст дополнительное освещение рабочего пространства.
В лучшем случае при некотором наблюдательном наблюдении можно использовать лампу в качестве индикатора, например, – сквозного тока. Так, слабое (или несколько более интенсивное) свечение нити лампы при ненагруженном или плохо нагруженном преобразователе будет свидетельствовать о наличии сквозного тока. Температуру ключевых элементов можно подтвердить – нагрев в токопроводящем режиме будет довольно быстрым.При работе исправного преобразователя на фоне дневного света свечение нити 200-ваттной лампы проявится только на пороге 20-35 Вт.
Первый запуск
Итак, все готово к первому запуску преобразованного. Схема «Ташибра». Включаем для запуска – без нагрузки, но не забываем про предварительно подключенный вольтметр к выходу преобразователя и осциллографу. При правильно настроенных обмотках обратной связи преобразователь должен запускаться без проблем.Если пуска не произошло, провод прошел в окно коммутационного трансформатора (пропустив его предварительно с резистора R5), пропускаем с другой стороны, придавая ему, опять же, вид готового витка.Проведите провод к R5. Зарезервируйте питание преобразователя. Не помогло? Ищите ошибки в установке: KZ, “Non-Pieces”, ошибочно установленные тарифы.
При запуске исправного преобразователя с заданными характеристиками двигателя на дисплее осциллографа, подключенного к вторичной обмотке трансформатора TR2 (в моем случае – к половине обмотки), будет отображаться неизмененная последовательность четких прямоугольных импульсов. Частота трансформации выбирается резистором R5 и в моем случае на R5 = 5.1 Ом, частота ненагруженного преобразователя составляла 18 кГц.
При нагрузке 20 Ом – 20,5 кГц. При нагрузке 12 Ом – 22,3 кГц. Нагрузка была подключена непосредственно к прибору, управляемому обмоткой трансформатора с активным значением напряжения 17,5 В. Расчетное значение напряжения было несколько другим (20 В), но оказалось, что вместо номинала 5,1 Ом сопротивление R1 = 51 Ом. Остерегайтесь подобных сюрпризов от китайских товарищей.
Однако я нашел возможность продолжить эксперименты без замены этого резистора, несмотря на его существенный, но терпимый нагрев.Когда силовой преобразователь находится в нагрузке около 25 Вт, мощность, рассеиваемая на этом резисторе, не превышала 0,4 Вт.
Что касается потенциальной мощности БП, то на частоте 20 кГц установленный трансформатор сможет окупить не более 60-65Вт в нагрузке.
Попробуем поднять частоту. При включенном резисторе (R5) сопротивлением 8,2 Ом частота преобразователя без нагрузки повышается до 38,5 кГц, при нагрузке 12 Ом – 41,8 кГц.
При такой частоте преобразования с существующим силовым трансформатором вы можете безопасно обслуживать нагрузку мощностью до 120 Вт.С сопротивлением в цепи ФЭУ можно экспериментировать и дальше, достигая необходимого значения частоты, имея в виду, однако, что слишком большое сопротивление R5 может привести к разделению генерации и нестабильному запуску преобразователя. При изменении параметров в преобразователе ток следует контролировать с помощью ключей преобразователя.
Точно так же можно поэкспериментировать с обмотками как трансформаторов, так и рисков. При этом необходимо предварительно произвести расчеты количества витков коммутирующего трансформатора по формулам, размещенным на странице // интерлавка.narod.ru/stats/blokpit02.htm, например, или с помощью программ господина Москатова, размещенных на странице его сайта // www.moskatov.narod.ru/design_tools_pulse_transformers.html.
Улучшение ТАССГИБРА – конденсатор в деревне вместо резистора!
Избежать нагрева резистора R5 можно, заменив его конденсатором. При этом цепочка поселка определенно определяет какие-то резонансные свойства, но никакого ухудшения работы БП не проявляется. Причем конденсатор, установленный вместо резистора, нагревается значительно меньше, чем замененный резистор.Так, частота с установленным конденсатором 220NF увеличилась до 86,5 кГц (без нагрузки) и составила в процессе работы 88,1 кГц. Запуск и работа преобразователя оставались такими же стабильными, как и в случае использования резистора в цепи поз. Отметим, что потенциальная мощность ПИ Пи такой частоты увеличивается до 220 Вт (минимум). Мощность трансформатора: значения приблизительные, с определенными предположениями, но не завышены.К сожалению, у меня не было возможности протестировать БП с большим током нагрузки, но я считаю, что описаний произведенных экспериментов достаточно, чтобы обратить внимание многих на такую, вот, простую схему силовых преобразователей, достойную использовать в самых разных конструкциях.
Заранее приношу свои извинения за возможные неточности, несоблюдения правил и ошибки. Подправлю в ответах на ваши вопросы.
Константин (Рисвел)
Россия, Калининград
C детства – музыка и электро / радиоаппаратура. Было много схем самых разных причин и просто, – из интереса, и своих, и чужих.
За 18 лет работы в Северо-Западном Телекоме изготовлено множество различных стендов для проверки различного отремонтированного оборудования.Разработано несколько различных функциональных и элементных баз данных, цифровые измерители длительности импульсов.
Более 30 стеллажей по модернизации узлов различного профильного оборудования, в т.ч. – источник питания. Долгое время все активнее занимался силовой автоматикой и электроникой.
Почему я здесь? Да потому что здесь все – так же, как и у меня. Для меня есть много интересного, так как я не силен в аудиотехнологиях, но хотелось бы иметь больше опыта в этом направлении.
dataGor.ru.
Трансформаторы электронные. Устройство и работа. Характеристики
Рассмотрим основные достоинства, достоинства и недостатки электронных трансформаторов. Рассмотрим схему их работы. Электронные трансформаторы появились на рынке совсем недавно, но успели завоевать широкую популярность не только в любительских кругах.
В последнее время часто появляются изделия на основе электронных трансформаторов: самодельные блоки питания, зарядные устройства и многое другое. По сути, электронные трансформаторы представляют собой простой импульсный блок питания.Это самый дешевый блок питания. Зарядное устройство для телефона стоит дороже. Электронный трансформатор работает от сети 220 вольт.
Устройство и принцип работы
Схема работы
Генератор в данной схеме представляет собой диодный тиристор или диэистор. Напряжение сети 220 В выпрямляется диодным выпрямителем. На вводе питания присутствует ограничительный резистор. Он также служит как предохранителем, так и защитой от выстрелов сетевого напряжения при включении. Рабочую частоту Distoror можно определить по рейтингам цепи R-from.
Таким образом, можно увеличить рабочую частоту генератора всей схемы или уменьшить. Рабочая частота в электронных трансформаторах от 15 до 35 кГц, ее можно регулировать.
Трансформатор обратной связи намотан на небольшой сердечник. В нем три обмотки. Обмотка обратной связи состоит из одного витка. Две независимые обмотки заданий. Это основные обмотки транзисторов в три витка.
Это эквивалентные обмотки. Ограничительные резисторы предназначены для предотвращения ложных срабатываний транзисторов и одновременного ограничения тока.Транзисторы используются высоковольтные, биполярные. Часто используют транзисторы MGE 13001-13009. Это зависит от мощности электронного трансформатора.
там тоже много конденсаторов, в частности силовой трансформатор. Они используются при напряжении 400 В. От габаритных размеров сердечника главного импульсного трансформатора также зависит мощность. Он имеет две независимые обмотки: сетевую и вторичную. Вторичная обмотка с расчетным напряжением 12 вольт. Он наматывается, исходя из необходимой выходной мощности.
Первичная или сетевая обмотка состоит из 85 витков провода диаметром 0,5-0,6 мм. Применены маломощные выпрямительные диоды с обратным напряжением 1 кВ и током 1 ампер. Это самый дешевый выпрямляющий диод, который вы можете найти в серии 1N4007.
Конденсатор Подробно виден конденсатор, цепь опорной частоты динистора. Входной резистор защищает от скачков напряжения. Дистор серии DB3, его отечественный аналог КН102. Также на входе стоит ограничительный резистор.Когда напряжение на конденсаторе, задающем частоту, достигает максимального уровня, происходит выборка динистера. Дисторор – это полупроводниковый искровой разрядник, который срабатывает при определенном пробивном напряжении. Затем он подает импульс на базу одного из транзисторов. Начинается генерация схемы.
Транзисторы работают в противофазе. На первичной обмотке трансформатора заданной частоты динистерического срабатывания формируется переменное напряжение. На вторичной обмотке получаем необходимое напряжение.При этом все трансформаторы рассчитаны на 12 вольт.
Taschibra Трансформатор китайского производителя модель
Предназначен для питания галогенных ламп напряжением 12 вольт.
При стабильной нагрузке, как галогенные лампы, такие электронные трансформаторы могут работать бесконечно долго. В процессе работы схема перегревается, но не выходит из строя.
Принцип работы
Подается напряжение 220 вольт, выпрямляет диодный мост VDS1. Через резисторы R2 и R3 начинает заряжаться конденсатор С3.Заряд продолжается: пока не сломается динистор DB3.
Напряжение обнаружения этого динистора составляет 32 вольта. После его открытия на базу нижнего транзистора поступает напряжение. Транзистор открывается, вызывая автоколебания этих двух транзисторов VT1 и VT2. Как работают эти автоколебания?
Ток начинает течь через трансформатор C6, T3, управляющий трансформатор базы JDT, транзистор VT1. При прохождении через JDT вызывает закрытие VT1 и открытие VT2. После этого ток течет через VT2, через базы трансформатора T3, C7.Транзисторы постоянно открываются и закрываются друг друга, работают в противофазе. В средней точке появляются прямоугольные импульсы.
Частота преобразования зависит от индуктивности обмотки обратной связи, емкости базы транзисторов, индуктивности трансформатора T3 и контейнеров C6, C7. Поэтому частота преобразования очень сложна. Другая частота зависит от нагрузки. Чтобы форсировать открытие транзисторов, используются ускоряющие конденсаторы на 100 вольт.
Для надежного замыкания Distor VD3 после генерации на катод диода VD1 подаются прямоугольные импульсы, которые надежно блокируют диод.
Кроме того, есть приборы, которые используются для осветительных приборов, мощные галогенные лампы Уже два года они работают верой и правдой.
Электронный трансформатор питания
Сетевое напряжение через ограничительный резистор поступает на диодный выпрямитель. Сам диодный выпрямитель состоит из 4-х маломощных выпрямителей с обратным напряжением 1 кВ и током 1 ампер.Такой же выпрямитель стоит на блоке трансформатора. После выпрямителя постоянное напряжение сглаживается электролитическим конденсатором. Резистор R2 зависит от времени заряда конденсатора С2. При максимальном заряде срабатывает динистерист, происходит пробой. На первичной обмотке трансформатора формируется переменное напряжение частоты р-на.
Основным преимуществом данной схемы является наличие гальванического перехода с сетью 220 вольт. Главный недостаток – небольшой выходной ток.Схема рассчитана на питание небольших нагрузок.
Трансформатор ДМ-150Т06А модель
Потребляемый ток 0,63 ампер, частота 50-60 герц, рабочая частота 30 килогерц. Такие электронные трансформаторы предназначены для питания более мощных галогенных ламп.
Достоинства и преимущества
Если вы используете бытовую технику по прямому назначению, то есть хорошие функции. Трансформатор не включается без входной нагрузки. Если вы просто включили трансформатор в сеть, он неактивен.Для начала работы нужно подключить к выходу мощную нагрузку. Эта функция экономит электроэнергию. Для радиолюбителей, перематывающих трансформаторы на регулируемый блок питания, это недостаток.
Можно реализовать систему авто включения и систему защиты от короткого замыкания. Несмотря на имеющиеся недостатки, электронный трансформатор всегда будет самой дешевой разновидностью блоков питания подобного типа.
Можно найти более дешевые недорогие блоки питания с отдельным генератором, но все они реализованы на основе полуавтономных схем с использованием самоактивируемых драйверов с полуразделением, таких как IR2153 и им подобных.Такие электронные трансформаторы работают намного лучше, стабильнее, на входе сетевого фильтра реализована защита от КЗ. Но старый Taschibra остается незаменимым.
Недостатки электронных трансформаторов
У них есть ряд недостатков, несмотря на то, что они выполнены по хорошим схемам. Это отсутствие какой-либо защиты в дешевых моделях. У нас простейшая схема электронного трансформатора, но она работает. Эта схема реализована в нашем примере.
На входе питания нет силового фильтра.На выходе после дросселя должен быть как минимум сглаживающий электролитический конденсатор на несколько микрофрад. Но его тоже нет. Поэтому на выходе диодного моста мы можем наблюдать нечистое напряжение, то есть на схему передаются все сети и прочие помехи. На выходе мы получаем минимальное количество помех, так как реализована гальваническая развязка.
Районная рабочая частота крайне нестабильна, зависит от выходной нагрузки. Если без выходной нагрузки частота 30 кГц, то с нагрузкой может наблюдаться довольно большой спад до 20 кГц, зависит от конкретной нагрузки трансформатора.
Еще одним недостатком можно назвать то, что на выходе этих электронных трансформаторов переменная частота и ток. Чтобы использовать его в качестве источника питания, нужно выпрямить ток. Надо выпрямить с импульсными диодами. Обычные диоды здесь не подходят из-за повышенной рабочей частоты. Поскольку в таких блоках питания не реализована защита, стоит только замкнуть выходные провода, блок просто не выйдет из строя, а взорвется.
При этом при КЗ ток в трансформаторе увеличивается до максимума, поэтому выходные ключи (силовые транзисторы) просто лопаются.Выходит из строя диодный мост, так как они рассчитаны на рабочий ток в 1 ампер, а при коротком замыкании рабочий ток резко возрастает. Ограничительные резисторы транзисторов, сами транзисторы, диодный выпрямитель, предохранитель, который должен мешать схеме, но не делает этого.
Еще несколько компонентов могут выйти из строя. Если у вас есть такой блок электронного трансформатора, и он случайно по какой-то причине вылезает, ремонтировать его нецелесообразно, так как это невыгодно.Только один транзистор стоит 1 доллар. А готовый блок питания тоже можно купить за 1 доллар, совершенно новый.
Электронный трансформатор мощности
Сегодня можно встретить разные модели трансформаторов, начиная от 25 ватт и заканчивая несколькими сотнями ватт. Трансформатор на 60 ватт выглядит следующим образом.
Производитель китайский, выпускает электронные трансформаторы мощностью от 50 до 80 Вт. Входное напряжение от 180 до 240 вольт, частота сети 50-60 Гц, рабочая температура 40-50 градусов, выход 12 вольт.
Связанные темы:
electrosam.ru.
| Все больше радиолюбителей переходят на питание своего торможения импульсами источников питания. На полках магазинов (то и дело) куча дешевых электронных трансформаторов. Проблема в том, что в трансформаторе применена обратная (далее ОС) токовая связь трансформатора, то есть чем больше ток нарушающего – тем больше ключ ключа, поэтому трансформатор без нагрузки не запускается, или при низком напряжении меньше 12В, а при КЗ основной ток нарастает и они выходят из строя, и часто резисторы в базовых цепях.Устраняется все это довольно просто – сменить операционную ОС на операционной системе, вот схема переделки. Красным отмечено то, что нужно изменить: Итак, снимаем обмотку связи на коммутируемом трансформаторе и ставим перемычку. Потом наматываем 1-2 витка на силовой трансформатор и 1 на коммутирующий, в ОС используем резистор от 3-10 Ом мощностью не менее 1 ватт, чем выше сопротивление – тем меньше защита ток от КЗ. Если нагрев резистора пугает, вместо него можно использовать лампочку от карманного фонарика (2,5-6,3 В). Но при этом ток защиты будет очень маленьким, так как сопротивление лампы с горячей резьбой довольно велико. Трансформатор сейчас спокойно запускается без нагрузки, и есть защита от КЗ. При замыкании тока сбоя на вторичке происходит падение тока и генерация обмотки ОС – ключи блокируются и генерация нарушается, только во время КЗ ключи очень горячие, т.к. динистерист пытается запустить цепь, и в конце концов, она повторяется на ней.Поэтому этот электронный трансформатор выдерживает в режиме замыкания не чуть 10 секунд. Вот видео защиты от КЗ в переделанном аппарате: Извините за качество, снял мобильный телефон. Вот еще фото переделки по адресу: Но конденсатор фильтра к корпусу не советую, не советую, делал на свой страх и риск, так как температура внутри и так скорее, а места мало, может засветиться конденсатор и может услышать ба-ба 🙂 но не факт, пока все работает нормально, время покажет… Позже два трансформатора перепроектировали на 60 и 105 Вт, вторичные обмотки перематывали под свои нужды, вот фото, как разделить сердечник W-образного трансформатора (на 105 Вт). Также можно послать импульсный маломощный блок питания на большой, заменив ключи, диоды сетевого моста, полупериодные конденсаторы и конечно же трансформатор на феррите. Вот несколько картинок – переделано на 60 Вт под 180 Вт, транзисторы заменены на MJE 13009, конденсаторы 470 НФ и трансформатор намотан на двух свернутых кольцах К32 * 20 * 6. Допускается 82 витка в двух жилах 0,4 мм. Безопасность по вашим требованиям. И еще, чтобы не обжечься на экспериментах ни какого другого фрилансера – лучше подключать последовательно с лампами накаливания аналогичной мощности. В случае поломки КЗ или другой – Заготс Лампа, и вы спасете радиоэлемент. С вами была AVG (Марьяна). |
el-shema.ru.
Электронная схема трансформатора для галогенных ламп 12В. Как устроен электронный трансформатор?
Работа трансформатора будет остановлена при преобразовании тока из сети с напряжением 220 В.Устройства разделены по количеству фаз, а также по индикатору перегрузки. На рынке представлены модификации однофазного и двухфазного типов. Параметр перегрузки по току колеблется от 3 до 10 А. При необходимости можно сделать электронный трансформатор своими руками. Однако для этого в первую очередь важно ознакомиться с модельным устройством.
Схема модели
Схема электронного трансформатора для галогенных ламп 12В подразумевает использование полосы пропускания.Обмотка нанесена непосредственно с фильтром. Для увеличения тактовой частоты в цепочке есть конденсаторы. Выпускаются открытого и закрытого типа. Однофазные модификации используют выпрямители. Эти элементы нужны для увеличения токопроводимости.
В среднем чувствительность моделей 10 мВ. С помощью расширения решаются проблемы с перегрузками в сети. Если рассматривать двухфазную модификацию, то в ней используется тиристор. В указанный элемент обычно устанавливают резисторы.Их емкость в среднем равна 15 пФ. Уровень токопроводимости в этом случае зависит от загруженности реле.
Как сделать самому?
Электронный трансформатор своими руками сделать несложно. Для этого важно использовать проводное реле. Расширитель желательно выбрать импульсный. Для увеличения параметра чувствительности используются конденсаторы. Многие специалисты рекомендуют резисторы устанавливать с изоляторами.
Распроданы фильтры для решения проблем со скачками напряжения.Если рассматривать самодельную однофазную модель, то модулятор целесообразнее подбирать 20 Вт. Выходное сопротивление в цепи трансформатора должно быть 55 Ом. Непосредственно для подключения устройства выходные контакты припаиваются.
Конденсаторные резистивные устройства
Схема электронного трансформатора для галогенных ламп 12В предполагает использование проводного реле. В этом случае резисторы устанавливаются за лампой. Как правило, используются модуляторы открытого типа. Также в схему электронного трансформатора для галогенных ламп 12В включены выпрямители, которые подбираются фильтрами.
Для решения проблем коммутации необходимы усилители. Параметр выходного сопротивления в среднем составляет 45 Ом. Проводимость тока, как правило, не превышает 10 мк. Если рассматривать однофазную модификацию, то у нее есть триггер. Некоторые специалисты используют триггеры для повышения проводимости. Однако в этом случае значительно увеличиваются тепловые потери.
Трансформаторы с регулятором
Трансформатор 220-12 в регуляторе довольно простой. Реле в этом случае стандартно используемого проводного типа.Контроллер устанавливается непосредственно с модулятором. Для решения проблем с обратной полярностью есть кенотрон. Его можно использовать как с ним, так и без него.
Спусковой механизм в этом случае подключается через проводники. Эти элементы способны работать только с импульсным расширением. В среднем параметр проводимости у трансформаторов этого типа не превышает 12 мк. Также важно отметить, что показатель отрицательного сопротивления зависит от чувствительности модулятора. Как правило, оно не превышает 45 Ом.
Использование проводных стабилизаторов
Трансформатор 220-12 В с проводным стабилизатором встречается очень редко. Для нормальной работы устройства необходимо качественное реле. Показатель отрицательного сопротивления составляет в среднем 50 Ом. Стабилизатор в этом случае закреплен на модулятор. Указанный элемент в первую очередь предназначен для понижения тактовой частоты.
Тепловые потери при этом трансформатор незначительные. Однако важно отметить, что на спусковой крючок оказывается большое давление.Некоторые специалисты в сложившейся ситуации рекомендуют использовать емкостные фильтры. Они продаются с кондуктором и без него.
Модели с диодным мостом
Трансформатор (12 вольт) данного типа выполнен на основе селективных триггеров. Показатель порогового сопротивления в моделях в среднем составляет 35 Ом. Трансиверы устанавливаются для решения проблем с более низкой частотой. Используются непосредственно диодные мосты с разной проводимостью. Если рассматривать однофазные модификации, то в этом случае резисторы подбираются на две пластины.Показатель электропроводности не превышает 8 мк.
Тетроды в трансформаторах позволяют значительно повысить чувствительность реле. Модификации с усилителями очень редки. Основная проблема трансформаторов этого типа – отрицательная полярность. Это происходит из-за повышения температуры реле. Для исправления ситуации многие специалисты рекомендуют использовать триггеры с проводниками.
Taschibra модель
Схема электронного трансформатора для галогенных ламп 12В включает двухслойный триггер.Реле в модели использует проводной тип. Удлинители применяются для решения задач с пониженной частотой. Всего в модели три конденсатора. Таким образом, проблемы с перегрузкой в сети возникают редко. В среднем параметр выходного сопротивления держится на уровне 50 Ом. По мнению специалистов, выходное напряжение на трансформаторе не должно превышать 30 Вт. В среднем чувствительность модулятора составляет 5,5 мк. Однако в этом случае важно учитывать нагрузку на расширитель.
Устройство RET251C
Указанный электронный трансформатор для ламп выполнен с выходным адаптером.Удлинитель у модели дипольного типа. Всего в приборе установлено три конденсатора. Резистор применяется для решения проблем с отрицательной полярностью. Конденсаторы у модели редко перегреваются. Модулятор подключается напрямую через резистор. Всего в модели два тиристора. В первую очередь они отвечают за параметр выходного напряжения. Тиристоры также предназначены для обеспечения стабильной работы расширителя.
Трансформатор GET 03.
Очень популярен трансформатор (12 вольт) указанной серии. Всего в модели два резистора. Они рядом с модулятором. Если говорить об индикаторах, важно отметить, что частота модификации 55 Гц. Подключение устройства осуществляется через выходной адаптер.
Расширитель подбирается с изолятором. Для решения проблем с отрицательной полярностью используются два конденсатора. Регулятор в представленной модификации отсутствует.Показатель проводимости трансформатора – 4,5 мк. Выходное напряжение колеблется в районе 12 В.
Устройство ЭЛТР-70
Указанный электронный трансформатор 12 В включает в себя два проходных тиристора. Отличительной особенностью модификации считается высокая тактовая частота. Таким образом, процесс преобразования тока осуществляется без скачков напряжения. Удлинитель у модели используется без обшивки.
Для снижения чувствительности есть триггер.Устанавливается стандартного селективного типа. Показатель отрицательного сопротивления составляет 40 Ом. Для однофазной модификации это считается нормальным явлением. Также важно отметить, что устройства подключаются через выходной адаптер.
Модель ELTR-60
Этот трансформатор отличается высокой стабильностью напряжения. Модель применима к однофазным устройствам. Его конденсатор используется с высокой проводимостью. Проблемы с отрицательной полярностью решаются за счет расширителя. Устанавливается за модулятором.Регулятор в представленном трансформаторе отсутствует. Всего в модели используется два резистора. Контейнеры имеют 4,5 ПФ. Если верить специалистам, перегрев элементов наблюдается очень редко. Выходное напряжение на реле строго 12 В.
Трансформаторы tra110
Эти трансформаторы работают от реле попутного хода. Удлинители у модели используются разной емкости. В среднем номинальное выходное сопротивление трансформатора составляет 40 Ом. Есть модель в двухфазных модификациях.Показатель пороговой частоты 55 Гц. В этом случае используются резисторы дипольного типа. Всего в модели два конденсатора. Для стабилизации частоты во время работы устройства действует модулятор. Проводники у модели спаяны с высокой проводимостью.
fB.ru.
Переделка электронного трансформатора | Все-Он.
Электронный трансформатор – сетевой импульсный источник питания, который предназначен для питания галогенных ламп на 12 вольт. Подробнее об этом устройстве читайте в статье «Электронный трансформатор (ознакомление).«
Устройство имеет довольно простую схему. Простой двухтактный автоподатчик, который выполнен по полувращающейся схеме, рабочая частота около 30 кГц, но этот показатель сильно зависит от выходной нагрузки.
Схема такого блока питания не очень устойчива, не имеет защиты от КЗ на выходе трансформатора, возможно, из-за этого схема пока не получила широкого распространения в любительских кругах.Хотя в последнее время идет раскрутка этой темы на разных форумах.Люди предлагают разные варианты доработки таких трансформаторов. Сегодня я попробую все эти улучшения объединить в одной статье и предложить варианты не только доработки, но и наложения настоящего.
Не будем основывать работу схемы, чтобы вникать в работу, а сразу перейдем к делу. Постараемся доработать и увеличить мощность китайского фл Ташибра на 105 Вт.
Для начала хочу пояснить, по какой причине я решил взять на практику и переделку таких трансформаторов.Дело в том, что недавно сосед попросил его заказать зарядное устройство для автомобильного аккумулятора, которое было бы компактным и легким. Собирать не хотел, но потом наткнулся на интересные статьи, в которых рассматривалось ремиссия электронного трансформатора. Наткнулась на мысль – а почему бы не попробовать?
Таким образом было закуплено несколько флюсов от 50 до 150 Вт, но эксперименты с переделкой не всегда заканчивались удачно, только это было всего 105 Вт. Недостаток такого блока в том, что трансформатор не имеет кольцевой, в связи с чем неудобно заморачиваться или измена.Но другого выбора не было и пришлось переделывать именно этот агрегат.
Как известно, эти блоки без нагрузки не включаются, это не всегда сан. Планирую получить надежное устройство, которое можно свободно использовать в любых целях, не опасаясь, что блок питания может переборщить или выйти из строя на КЗ.
Доработка №1
Суть идеи заключается в добавлении защиты от КЗ, также устраняющей указанный недостаток (включение схемы без выходной нагрузки или с маломощной нагрузкой).
Глядя на сам блок, мы видим простейшую схему ИБП, я бы сказал, что схема не полностью проработана производителем. Как известно, если замкнуть вторичную обмотку трансформатора, то менее чем вторая схема выйдет из строя. Ток в схеме резко возрастает, в МиГе выходят из строя ключи, иногда базовые ограничители. Таким образом, ремонт схемы будет стоить дороже (цена такой это около 2,5 долларов).
Трансформатор обратной связи состоит из трех отдельных обмоток.Две из этих обмоток питаются от основных цепочек для ключей.
Для начала снимаем обмотку связи на трансформаторе ОС и ставим перемычку. Эта обмотка включается последовательно с первичной обмоткой импульсного трансформатора. На силовом трансформаторе всего 2 витка на силовом трансформаторе и один виток на кольце (трансформатор ОС). Для намотки можно использовать проволоку диаметром 0,4-0,8 мм.
Далее необходимо подобрать резистор под ОС, в моем случае 6.2 Ом, но резистор можно подобрать сопротивлением 3-12 Ом, чем выше сопротивление этого резистора, тем меньше ток защиты от КЗ. В качестве резистора в моем случае используется проволочный, чего я не советую. Мощность этого резистора выбрана 3-5 Вт (можно использовать от 1 до 10 Вт).
При КЗ на выходной обмотке импульсного трансформатора ток во вторичной обмотке падает (в штатной схеме Это при CW ток нарастает, тушая ключи).Это приводит к снижению тока на обмотке ОС. Таким образом, генерация останавливается, сами ключи блокируются.
Единственный минус такого решения – при длительном ЦЗ на выходе схема выходит из строя, так как клавиши нагреваются и достаточно прочны. Не подвергаться воздействию выходной обмотки КЗ длительностью более 5-8 секунд.
Схема теперь запускается без нагрузки, одним словом мы получили полноценный ИБП с защитой от КЗ.
Уточнение № 2.
Теперь попробуем в какой-то мере сгладить сетевое напряжение от выпрямителя. Для этого воспользуемся дросселями и сглаживающим конденсатором. В моем случае используется готовый дроссель с двумя независимыми обмотками. Этот дроссель был снят с ИБП DVD-плеера, хотя можно использовать самодельные дроссели.
После перемычки подключить электролит емкостью 200 мкФ с напряжением не менее 400 вольт. Емкость конденсатора подбирается исходя из мощности блока питания 1МКФ на 1 ватт мощности.Но как вы помните, наш БП рассчитан на 105 ватт, почему конденсаторный используется на 200мкф? Это очень скоро поймете.
Уточнение № 3.
Теперь о главном – практике электронного трансформатора и реально ли это? По сути, есть только один надежный способ Причинения без особых переделок.
Для чистки удобно использовать это с кольцевым трансформатором, так как придется перематывать вторичную обмотку, именно по этой причине мы заменим наш трансформатор.
Сетевая обмотка протянута по кольцу и содержит 90 витков провода 0,5-0,65 мм. Обмотка намотана на двух свернутых ферритовых кольцах, которые были сняты с этого, мощностью 150 Вт. Вторичная обмотка притупляется исходя из потребностей, в нашем случае она рассчитана на 12 вольт.
Планируется увеличить мощность до 200 Вт. Поэтому был необходим электролит, о котором говорилось выше.
Конденсаторы демоста заменяем 0.5 мкФ, в стандартной схеме у них ёмкость 0,22 мкФ. Биполярные ключи MJE13007 заменяют на MJE13009. Обмотка трансформатора содержит 8 витков, обмотка выполнена из 5-ти вековых проводов 0,7 мм, так что у нас есть провод с общим сечением 3,5 мм.
Вперед. До и после дросселей ставим пленочные конденсаторы емкостью 0,22-0,47 мкФ с напряжением не менее 400 вольт (я использовал именно те конденсаторы, которые были на этой плате и которые мне пришлось заменить для увеличения мощности ).
Далее замените диодный выпрямитель. В стандартных схемах используются обычные выпрямительные диоды серии 1N4007. Ток диодов составляет 1 ампер, наша схема потребляет много тока, поэтому диоды следует заменить на более мощные, во избежание неприятных результатов после первого включения цепи. Можно использовать буквально любые выпрямительные диоды с током 1,5-2 ампера, обратным напряжением не менее 400 вольт.
Все компоненты, кроме платы с генератором, смонтированы на плате сброса.Клавиши были усилены на радиаторе изоляционными прокладками.
Продолжаем переделку электронного трансформатора, добавляя схему выпрямителя и фильтра. Движение наматывается на кольца из порошкового железа (снято с ЭВМ БП), состоит из 5-8 витков. Удобно делать сразу обмотку проволокой 5 века диаметром 0,4-0,6 мм каждая жил.
Подбирается сглаживающий конденсатор на напряжение 25-35 вольт, в качестве выпрямителя применяется один мощный диод Шоттки (диодные сборки от блока питания компьютера).Можно использовать любые быстрые диоды на ток 15-20 ампер.
all-he.ru.
Схема электронного трансформатора для галогенных ламп
В настоящее время импульсные электронные трансформаторы благодаря малым размерам и весу, невысокой цене и широкому ассортименту широко используются в массовых приборах. Благодаря массовому производству электронные трансформаторы в несколько раз дешевле обычных индуктивных трансформаторов на железе аналогичной мощности. Хотя электронные трансформаторы разных фирм могут иметь разную конструкцию, схема практически одинакова.Возьмем, к примеру, стандартный электронный трансформатор с маркировкой 12В 50ВАТТ, который используется для питания настольной лампы. Принципиальная схема будет такой:
Схема электронного трансформатора работает следующим образом. Напряжение в сети выпрямляется выпрямительным мостом до полусинусоидального с удвоенной частотой. DP3 типа D6 D6 в документации называется «Триггерный диод» – это двунаправленный искажатель, в котором мощность значения не имеет значения, и он используется здесь для запуска преобразователя трансформатора.Динистерист срабатывает во время каждого цикла, запуская генерацию полувзвеси. Отличительное открытие можно отрегулировать. Это можно отрегулировать. Его можно использовать, например, для функции регулировки яркости подключенной лампы. Частота генерации зависит от размера и магнитной проводимости сердечника трансформатора обратной связи и параметров транзистора, обычно составляет 30-50 кГц.
В настоящее время выпуск более совершенных трансформаторов с микросхемой IR2161, обеспечивающих как простоту конструкции электронного трансформатора, так и сокращение количества используемых компонентов и высокие характеристики.Использование этой микросхемы значительно увеличивает технологичность и надежность электронного трансформатора для питания галогенных ламп. Принципиальная схема представлена на рисунке.
Особенности электронного преобразователя на IR2161: интеллектуальный драйвер привода; Защита от короткого замыкания нагрузки с автоматическим перезапуском; защита от перегрузки по току с автоматическим перезапуском; качание рабочей частоты для уменьшения электромагнитных помех; микромобральный старт 150 мкА; возможность использования с регуляторами фазовой яркости с передним и задним передним регулятором; компенсация сдвига выходного напряжения увеличивает срок службы лампы; мягкий пуск, исключающий перегрузку ламп по току.
Входной резистор R1 (0,25 Ватт) представляет собой своего рода предохранитель. Транзисторы MJE13003 прижаты к корпусу через изолирующую прокладку с металлической пластиной. Даже при работе на полной нагрузке транзисторы слабо греются. После выпрямителя сетевого напряжения отсутствует конденсатор, сглаживающий пульсации, поэтому выходное напряжение электронного трансформатора при работе на нагрузку представляет собой прямоугольные колебания 40 кГц, модулированные пульсациями сетевого напряжения 50 Гц. Трансформатор Т1 (трансформатор обратной связи) – ферритовое кольцо Обмотки, подключенные к базам транзисторов, содержат пару витков, обмотка, подключенная к точке подключения эмиттера, и коллектор силовых транзисторов представляет собой один виток одножильного изолированного провода.В этом обычно используются транзисторы MJE13003, MJE13005, MJE13007. Выходной трансформатор на ферритовом W-образном сердечнике.
Для использования электронного трансформатора в импульсном источнике питания нужно подключить выпрямительный мост к мощным ВЧ диодам (обычные CD202, D245 не пойдут) и конденсатор для сглаживания пульсаций. На выходе электронного трансформатора ставят диодный мост на диодах CD213, CD212 или CD2999. Короче нужны диоды с небольшим падением напряжения в прямом направлении, способные хорошо работать на частотах порядка десятков килогерц.
Электронный трансформатор трансформатор трансформатор не работает нормально, поэтому его необходимо использовать там, где нагрузка постоянна по току и потребляет ток, достаточный для уверенного запуска преобразователя ET. При эксплуатации схемы следует учитывать, что электронные трансформаторы являются источниками электромагнитных помех, поэтому для предотвращения помех в сети и в нагрузке следует ставить LC-фильтр.
Лично я использовал электронный трансформатор для изготовления импульсного источника питания лампового усилителя.Также представляется возможным кормить их мощными УНГ класса А или светодиодными лентами, которые как раз рассчитаны на источники с напряжением 12 В и большим выходным током. Естественно, подключение такой ленты осуществляется не напрямую, а через токопрозрачный резистор или с помощью электронного трансформатора коррекции выходной мощности.
Форум электронного трансформатора
Обсудить статью схемы электронного трансформатора для галогенных ламп
radioskot.ru.
Электронные трансформаторы для галогенных ламп на 12 В
Блок питания
Радиолюбительская основная радиостанция
В статье описаны так называемые электронные трансформаторы, которые по сути представляют собой преобразователи с пониженным импульсом для питания галогенных ламп, рассчитанные на напряжение 12 В.Предложено два варианта исполнения трансформаторов – на дискретных элементах и с использованием специализированной микросхемы.
Галогенные лампы – это, по сути, более усовершенствованная модификация обычной лампы накаливания. Принципиальное отличие заключается в добавлении в колбу лампы галогенидных соединений, которые блокируют активное испарение металла с поверхности тепловыделения во время работы лампы. Это позволяет нагреть нить накала тепла до более высоких температур, что дает более высокое светоотдачу и более равномерный спектр излучения.Кроме того, увеличивается срок службы лампы. Эти и другие особенности делают галогенную лампу весьма привлекательной для домашнего освещения и не только. Промышленно выпускается широкий ассортимент галогенных ламп различной мощности на напряжение 230 и 12 В. Лампы с напряжением питания 12 В обладают лучшими техническими характеристиками и большим ресурсом по сравнению с лампами на 230 В, не говоря уже об электробезопасности. Чтобы запитать такие лампы от сети 230 В, необходимо снизить напряжение. Можно, конечно, применить обычный сетевой понижающий трансформатор, но это дорого и нецелесообразно.Оптимальным выходом является использование пониженного преобразователя 230 В / 12 В, часто называемого электронным трансформатором или галогенным преобразователем (галогенный преобразователь). О двух вариантах таких устройств и пойдет речь в этой статье, оба рассчитаны на нагрузочную способность 20 … 105 Вт.
Один из самых простых и распространенных вариантов схемных решений понижающих электронных трансформаторов – половинка. -седельный преобразователь с положительной обратной связью по току, схема которого показана на рис.1. Когда устройство подключено к сети, конденсаторы C3 и C4 быстро заряжаются до амплитудного напряжения сети, образуя половину напряжения в точке подключения. Схема R5C2VS1 формирует пусковой импульс. Как только напряжение на конденсаторе C2 достигнет порога открытия искажения VS1 (24,32 В), он откроется, и непосредственно на базу транзистора VT2 будет подано напряжение смещения. Этот транзистор откроется, и ток потечет по цепочке: суммарная точка конденсаторов С3 и С4, первичная обмотка трансформатора Т2, обмотка III трансформатора Т1, сектор Эмиттера транзистора VT2, минус вывод диодного моста VD1.На обмотке II трансформатора Т1 появится напряжение, поддерживающее транзистор VT2 в открытом состоянии, при этом на транзистор VT1 будет подаваться обратное напряжение с обмотки I (обмотки I и II включены с противофазом) . Ток T1, протекающий через обмотку III, быстро переведет ее в состояние насыщения. Как следствие, напряжение на обмотках I и II Т1 будет стремиться к нулю. Транзистор VT2 начнет закрываться. Когда он почти полностью закроется, трансформатор выйдет из насыщения.
Рис. 1. Схема полулитрового преобразователя с положительной обратной связью по току
Закрытие транзистора VT2 и выход из насыщения трансформатора Т1 приведет к изменению направления EDC и рост напряжения на обмотках I и II. Теперь на базу транзистора VT1 будет подаваться постоянное напряжение, на базу VT2 – наоборот. Транзистор VT1 начнет открываться. Ток протекает по цепочке: плюсовой вывод диодного моста VD1, коллекторная секция – Эмиттер VT1, обмотка III Т1, первичная обмотка трансформатора Т2, суммарная точка конденсаторов С3 и С4.Далее процесс повторяется, и в нагрузке формируется вторая полуволна напряжения. После запуска диод VD4 поддерживает конденсатор С2 в разряженном состоянии. Поскольку в преобразователе не используется сглаживающий оксидный конденсатор (нет необходимости при работе от лампы накаливания, даже наоборот, его наличие ухудшает коэффициент мощности прибора), то по окончании полупериода выпрямленное напряжение сети, генерация остановится. С наступлением следующего полупериода генератор снова запустится.В результате работы электронного трансформатора на его выходе, близких по форме к синусоидальным колебаниям с частотой 30 … 35 кГц (рис. 2), следуют блоки с частотой 100 Гц (рис. 3).
Рис. 2. Близкие по форме к синусоидальным колебаниям с частотой 30 … 35 кГц
Рис. 3. Колебания с частотой 100 Гц
Важная особенность подобного преобразователя – это без нагрузки не запустится, так как ток через обмотку III Т1 будет слишком мал, а трансформатор не войдет в насыщение, процесс автогенерации прервется.Эта функция делает ненужную защиту от режима ожидания. Устройство с указанными на рис. 1 показателями стабильно запускалось при мощности нагрузки от 20 Вт.
На рис. 4 представлена схема усовершенствованного электронного трансформатора, в котором добавлен фильтр помех и узел защиты от короткого замыкания в нагрузке. Узел защиты собран на транзисторе VT3, диоде VD6, стабилитроне VD7, конденсаторе С8 и резисторах R7-R12. Резкое увеличение тока нагрузки приведет к увеличению напряжения на обмотках I и II трансформатора Т1 с 3… 5 В в номинальном режиме до 9 … 10 В в режиме короткого замыкания. В результате на базе транзистора VT3 появится напряжение смещения 0,6 VT3, транзистор откроется и ударит по конденсатору цепи запуска С6. В результате генератор не запустится со следующего полупериода выпрямленного напряжения. Конденсатор C8 обеспечивает задержку защиты около 0,5 с.
Рис. 4. Схема усовершенствованного электронного преобразователя
Второй вариант электронного понижающего трансформатора показан на рис.5. Он проще в повторении, так как не содержит одного трансформатора, при этом более функциональный. Это тоже полупрозрачный преобразователь, но на специализированном микрочипе IR2161S. Все необходимые в микросхеме защитные функции: от пониженного и высокого напряжения сети, от режима холостого хода и короткого замыкания в нагрузке, от перегрева. Также IR2161S имеет функцию плавного пуска, заключающуюся в плавном увеличении выходного напряжения при включении от 0 до 11,8 В в течение 1 с. Это исключает резкий бросок тока через холодную нить лампы, что значительно, иногда в несколько раз, увеличивает срок ее службы.
Рис. 5. Второй вариант электронного понижающего трансформатора
В первый момент, а также с приходом каждого последующего полупериода выпрямленного напряжения питание микросхемы осуществляется через диод. VD3 от параметрического стабилизатора на стабилизатор VD2. Если питание осуществляется напрямую от сети 230 В без использования фазорегулятора (диммера), то схема R1-R3C5 не нужна. После входа в рабочий режим микросхема дополнительно питается от вывода половинной цепи D2VD4VD5.Сразу после запуска частота внутреннего тактового генератора микросхемы – около 125 кГц, что значительно выше частоты выходной цепи C13C14T1, в результате напряжение на вторичной обмотке трансформатора Т1 будет небольшим. Внутренний чип-генератор управляется напряжением, его частота обратно пропорциональна напряжению на конденсаторе С8. Сразу после включения этот конденсатор начинает заряжаться от внутреннего источника тока микросхемы.По мере роста напряжения на нем будет уменьшаться частота генератора микросхемы. Когда напряжение на конденсаторе достигнет 5 В (примерно через 1 с после включения), частота снизится до рабочего значения примерно 35 кГц, а напряжение на выходе трансформатора достигнет номинального значения 11,8 В. Итак реализован мягкий старт, после его завершения микросхема DA1 завершена. Режим работы, в котором выход 3 DA1 может использоваться для управления выходной мощностью.Если к конденсатору С8 параллельно подключить переменный резистор с сопротивлением 100 кОм, то можно изменять напряжение на выходе 3 DA1, контролировать выходное напряжение и регулировать яркость лампы. При изменении напряжения на выходе 3 микросхем DA1 от 0 до 5 частота генерации будет изменяться от 60 до 30 кГц (60 кГц при 0 В – минимальное напряжение на выходе и 30 кГц при 5 В – максимальное).
Вход CS (выход 4) микросхемы DA1 является входом внутреннего усилителя сигнала ошибки и используется для контроля тока нагрузки и напряжения на выходе с половинной стоимостью.В случае резкого увеличения тока нагрузки, например при коротком замыкании, падение напряжения на датчике тока – резисторах R12 и R13, а значит и на выходе 4 DA1 превышает 0,56 В, внутренний компаратор сработает. переключить и остановить тактовый генератор. В случае обрыва нагрузки напряжение на выходе демоста может превысить предельно допустимое напряжение транзисторов VT1 и VT2. Чтобы этого избежать, резистивно-емкостной делитель C10R9 подключен к входу CS через диод VD7.При превышении порогового значения напряжения на резисторе R9 генерация также останавливается. Более подробно режимы микросхемы IR2161S рассмотрены в.
Рассчитать количество витков обмоток выходного трансформатора для обоих вариантов можно, например, с помощью несложной методики расчета выбрать подходящую емкость магнитопровода с помощью каталога.
По количеству витков первичной обмотки
Ni = (UC MAX · T0 MAX) / (2 · s · BMAX),
где UC MAX – максимальное напряжение сети, дюйм; T0 MAX – максимальное открытое состояние транзисторов, ISS; S – площадь поперечного сечения магнитопровода, мм2; BMAX – максимальная индукция, TL.
Число витков вторичной обмотки
где k – коэффициент трансформации, в нашем случае можно принять K = 10.
Чертеж pCB Показан первый вариант электронного трансформатора (см. Рис. 4) на рис. 6 расположение элементов – на рис. 7. Внешний вид собранной платы показан на рис. 8. Крышки. Электронный трансформатор собран на плате из свернутого стекла толщиной 1,5 мм. Все элементы для поверхностного монтажа устанавливаются на стороне печатных проводников, выходные – на противоположной стороне платы.Большинство деталей (транзисторы VT1, VT2, трансформатор Т1, конденсаторы Distortor VS1, C1-C5, C9, C10) подходят от массивных дешевых ЭПРА для люминесцентных ламп типа Т8, например, Tridonic PC4x18 T8, Fintar 236/418, CMEX CSVT. 418P, KOMTEX EFBL236 / 418, TDM ELECTRIC EB-T8-236 / 418 и др., Поскольку имеют схожую схемотехнику и элементную базу. Конденсаторы С9 и С10 – полипропиленовые с металлическими жилами, рассчитанные на большой импульсный ток и переменное напряжение не менее 400 ВД4 ВД4 – любые быстродействующие с действующим реверсом на рисунках 11, не менее 150 В.
Рис. 6. Чертеж платы первого электронного трансформатора
Рис. 7. Расположение элементов на плате
Рис. 8. Внешний вид собранной платы
Трансформатор Т1 намотан на кольцевой магнитной гильзе с магнитной проницаемостью 2300 ± 15%, ее внешний диаметр 10,2 мм, внутренний диаметр 5,6 мм, толщина 5,3 мм. Обмотка III (5-6) содержит один виток, обмотка I (1-2) и II (3-4) – три витка провода диаметром 0.3 мм. Индуктивность обмоток 1-2 и 3-4 должна составлять 10 … 15 мкГн. Выходной трансформатор Т2 намотан на Магнитопровод EV25 / 13/13 (EPCOS) без немагнитного зазора, материал N27. Его первичная обмотка содержит 76 витков провода 5х0,2 мм. Вторичная обмотка содержит восемь витков литейщика 100×0,08 мм. Индуктивность первичной обмотки составляет 12 ± 10% МГН. Дроссель фильтра интерференционной подачи L1 намотан на лупу E19 / 8/5, материал N30, каждая обмотка содержит 130 витков провода диаметром 0.25 мм. Можно применить стандартный двухобмоточный дроссель с индуктивностью 30 … 40 мг. Конденсаторы С1, С2 желательно применить Х-класса.
Чертеж печатной платы второго варианта электронного трансформатора (см. Рис. 5) показан на рис. 9, расположение элементов – на рис. 10. Плата также изготовлена из стеклопластика, свернутого с одной стороны, элементы для поверхностного монтажа расположены со стороны печатных проводников, вывод – с противоположной стороны. Внешний вид готового устройства показан на рис.11 и рис. 12. Выходной трансформатор Т1 намотан речным магнитопроводом R29.5 (EPCOS), материал N87. Первичная обмотка содержит 81 провод провода диаметром 0,6 мм, вторичная – 8 витков провода 3х1 мм. Индуктивность первичной обмотки составляет 18 ± 10% МГН, вторичной – 200 ± 10% мкГн. Трансформатор Т1 рассчитан на максимальную мощность до 150 Вт, для подключения такой нагрузки транзисторы VT1 и VT2 необходимо установить на радиаторе – алюминиевой пластине площадью 16 мм… 18 мм2, толщиной 1,5 … 2 мм. При этом потребуется соответствующая переделка печатной платы. Также выходной трансформатор можно применить от первой версии устройства (нужно будет добавить на плате отверстие для другого расположения выводов). Транзисторы STD10NM60N (VT1, VT2) можно заменить на IRF740AS или аналогичные. VD2 Стабилитрон должен быть мощностью не менее 1 Вт, напряжение стабилизации – 15,6 … 18 В. Конденсатор С12 – желательно дисковый керамический на номинальное постоянное напряжение 1000 В.Конденсаторы C13, C14 – металлические полипропиленовые, рассчитанные на большой импульсный ток и переменное напряжение не менее 400 В. Каждую из резистивных цепей R4-R7, R14-R17, R18-R21 можно заменить одним выходным резистором соответствующего сопротивления. и питание, но необходимо будет заменить печатную плату.
Рис. 9. Чертеж второго варианта электронного преобразователя
Рис. 10. Расположение элементов на плате
Рис.Внешний вид готового устройства
Рис. 12. Внешний вид собранной платы
Литература
1. IR2161 (S) & (PBF). Микросхема управления галогенным преобразователем. – URL: http://www.irf.com/product-info/datasheets/data/ir2161.pdf (24.04.15).
2. Питер Грин. Электронный преобразователь с регулируемой яркостью 100 ВА для освещения низкого напряжения. – URL: http: // www.irf.com/technical-info/refdesigns/ IRPLHALO1E.PDF (24.04.15).
3. Ферриты и принадлежности. – URL: http: // en.TDK.EU/TDK-EN/1 80386 / Tech-Library / EPCOS-Publications / Ферриты (24.04.15).
Дата публикации: 30.10.2015
Мнения читателей
- Веселин / 08.11.2017 – 22: 18Кови электронные трансформаторы с рынка представлены на рынке с ними 2161 или аналогичные
- Эдвард / 26.12.2016 – 13 : 07 Подскажите, а можно ли на 180Вт вместо трансформатора поставить 180Вт? Спасибо.
- Михаил / 21.12.2016 – 22:44 переделал вот такие http://ali.pub/7w6tj
- Юрий / 05.08.2016 – 17:57 Редже! Можно ли узнать частоту переменного напряжения на выходе трансформатора для галогенных ламп? Спасибо.
Вы можете оставить свой комментарий, мнение или вопрос по указанному выше:
www.radioradar.net
Бывает, что собирая тот или иной прибор, нужно определиться с выбором источника питания. Это крайне важно, когда устройствам требуется мощный источник питания. Приобрести железные трансформаторы с необходимыми характеристиками на сегодняшний день не составит труда.Но они довольно дорогие, а главными их недостатками являются большие размеры и вес. А сборка и наладка хороших импульсных блоков питания – очень сложная процедура. И многие за это не берутся.
Далее вы научитесь собирать мощный и одновременно несложный блок питания, взяв за основу электронный трансформатор. По большому счету разговор пойдет на увеличение мощности таких трансформаторов.
Для переделки был взят трансформатор на 50 ватт.
Планировалось увеличить его мощность до 300 Вт. Этот трансформатор был куплен в ближайшем магазине и стоил около 100 р.
Стандартная схема трансформатора следующая:
Трансформатор представляет собой обычный двухтактный полувересковый инвертор. Симметричный динистор – это главный компонент, который запускает схему, потому что он подает начальный импульс.
В схеме задействованы 2 высоковольтных транзистора с обратной проводимостью.
Схема трансформатора до доработки содержит следующие компоненты:
- транзисторы MJE13003.
- Конденсаторы 0,1 мкФ, 400 В.
- Трансформатор, имеющий 3 обмотки, две из которых соответствуют определению и имеют 3 витка провода сечением 0,5 кВ. мм. Еще один в качестве текущей обратной связи.
- Входной резистор (1 Ом) используется как предохранитель.
- Диодный мост.
Несмотря на отсутствие в этом варианте от КЗ, электронный трансформатор работает без сбоев. Назначение устройства – работа с пассивной нагрузкой (например, офисными «галогенами»), поэтому стабилизации выходного напряжения нет.
Что касается основного силового трансформатора, то его вторичная обмотка выдает около 12 В.
А теперь взглянем на схему трансформатора с увеличенной мощностью:
В нем еще меньше компонентов. Из исходной схемы были взяты трансформатор обратной связи, резистор, динистерист и конденсатор.
Остальные детали были извлечены из старых компьютерных БП, а это 2 транзистора, диодный мост и силовой трансформатор. Конденсаторы покупались отдельно.
Транзисторы не помешают замене на более мощные (MJE13009 в корпусе TO220).
Диоды заменены на готовую сборку (4 А, 600 В).
Мосты диодные от 3 А, 400 В. Емкость должна быть 2,2 мкФ, но можно до 1,5 мкФ.
Силовой трансформатор снят с БП формата ATX на 450 Вт. Убраны все штатные обмотки и намотаны новые. Первичная обмотка была намотана тройным проводом 0,5 кв. мм в 3 слоя. Общее количество витков – 55. Необходимо следить за точностью намотки, а также за ее плотностью.Каждый слой был изолирован синей лентой. Расчет трансформатора производился экспериментальным путем, золотая середина была найдена.
Вторичная обмотка намотана из расчета 1 виток – 2 В, но это только в том случае, если сердечник такой же, как в примере.
При первом включении необходимо использовать предохранительную лампу накаливания на 40-60 Вт.
Стоит отметить, что в момент пуска лампа не разобьется, т.к. после выпрямителя нет сглаживания электролиты.На выходе высокая частота, поэтому для проведения конкретных измерений необходимо сначала выпрямить напряжение. Для этих целей использовался мощный сдвоенный диодный мост, собранный из диодов CD2997. Мост выдерживает токи до 30 А, если к нему прикрепить радиатор.
Вторичная обмотка предполагалась на 15 В, хотя на деле оказалось немного больше.
Все забрали все, что было под рукой. Это мощная лампа от кинопроектора 400 Вт на напряжение 30 В и 5 ламп по 20 Вт на 12 В.Все нагрузки подключены параллельно.
Биометрический замок – схема и сборка ЖК-дисплей
Электронные трансформаторы начали входить в моду совсем недавно. По сути, это импульсный блок питания, который предназначен для понижения в сети 220 вольт до 12 вольт. Такие трансформаторы используются для питания галогенных ламп на 12 вольт. Производимая мощность на сегодняшний день составляет 20-250 Вт. Конструкции Практически все подобные схемы похожи друг на друга. Это простой полуосвещенный инвертор, достаточно нестабильный в работе.Схемы лишены защиты от КЗ на выходе импульсного трансформатора. Еще один недостаток схемы – генерация возникает только при подключении нагрузки определенной величины к вторичной обмотке трансформатора. Я решил написать статью, потому что считаю, что это можно использовать в радиотехнических конструкциях в качестве источника энергии, если вы сделаете несколько простых альтернативных решений в схеме ET. Суть переделки состоит в том, чтобы дополнить схему защиты от КЗ и заставить ее включаться при подаче сетевого напряжения и лампочки на выходе.На самом деле ремиссия довольно простая и не требует специальных навыков в электронике. Схема показана ниже, красный – меняется.
На плате мы видим два трансформатора – основной (силовой) и трансформатор ОС. Трансформатор ОС содержит 3 отдельные обмотки. Два из них являются основными потоками силовых ключей и состоят из 3-х витков. На том же трансформаторе есть еще одна обмотка, состоящая всего из одного витка. Эта обмотка последовательно подключена к силовой обмотке импульсного трансформатора.Именно эту обмотку нужно снять и заменить перемычкой. Далее необходимо поискать резистор сопротивлением 3-8 Ом (от его значения зависит срабатывание защиты от КЗ). Затем берем провод диаметром 0,4-0,6 мм и промываем два витка импульсного трансформатора, затем 1 виток трансформатора ОС. Резистор ОС подбирается мощностью от 1 до 10 Вт, греться он будет, и достаточно сильный. В моем случае использовался проволочный резистор сопротивлением 6,2 Ом, но я не советую их использовать, так как провод имеет некоторую индуктивность, что может повлиять на дальнейшую работу схемы, хотя точно сказать не могу. – время покажет.
При CW на выходе сразу сработает защита. Дело в том, что ток во вторичной обмотке импульсного трансформатора, а также на обмотках трансформатора ОС, резко упадет, это обнаружит ключевые транзисторы. Для сглаживания сетевых помех на вводе питания установлен дроссель, который падал от другого ИБП. После диодного моста желательно установить электролитический конденсатор на напряжение не менее 400 вольт, емкость подбирать исходя из расчета 1МКФ на ватт.
Но даже после переделки нет необходимости подниматься по выходной обмотке трансформатора более 5 секунд, потому что клавиши питания нагреются и могут выйти из строя. Импульсный блок питания так устроен вне выходной нагрузки вообще. При КЗ на выходе генерация ломается, но схема не страдает. Обычный fl при замкнутом выходе просто мгновенно сгорает:
Продолжая экспериментировать с блоками электронных трансформаторов для питания галогенных ламп, сам импульсный трансформатор можно доработать, например, для получения повышенного биполярного напряжения для питания автомобильный усилитель.
Трансформатор в галогенных лампах ИБП выполнен на ферритовом кольце, и именно из этого кольца можно выжать необходимые ватты. С колец были сняты все заводские обмотки и ранены новые. Выходной трансформатор должен обеспечивать двухполюсное напряжение – 60 вольт на плече.
Для намотки трансформатора использовался провод от китайских обычных железных трансформаторов (входит в комплект приставки sega). Проволока – 0,4 мм. Первичная обмотка затупляется 14-м жильцом, первые 5 витков по всему кольцу, провод не обрезать! Намотав 5 витков, делаем снятие, скручиваем провод и наматываем еще 5.Такое решение избавит от сложной фазировки обмоток. Первичная обмотка готова.
Вторичная тоже тупит. Обмотка состоит из 9-ти стяжных одинаковых жил, одно плечо состоит из 20 витков, также намотки по всей раме, затем отвод и еще более 20 витков.
Для чистки лака я просто поджег проволочную зажигалку, потом зачистил их монтажным ножом и протер кончики растворителем. Сразу скажу – отлично работает! На выходе получили необходимые 65 вольт.В дальнейших статьях мы рассмотрим варианты такого рода, а также добавим выпрямитель на выходе, превратив его в полноценный импульсный блок питания, который можно использовать практически для любых целей.



Максимально допустимое напряжения конденсатора С5=1200 В, такая величина подобрана неслучайно. При зажигании напряжение на С5 может превышать 600…700 В, и конденсатор должен выдержать его.