Мощный отпугиватель собак своими руками: схема
Сегодня на улицах города нередко встречаются бродячие агрессивные собаки, от которых можно ожидать немалых неприятностей. Они могут напугать ребенка, покусать, порвать одежду и нанести серьезную травму, если стая животных большая. Поэтому совсем нелишним будет обзавестись мощным отпугивателем собак, а на том, как сделать его своими руками по схеме и пошаговой инструкции, остановимся в подробностях.
Что представляет собой отпугиватель
Отпугивающее устройство может иметь разное исполнение и принцип действия. Дальность работы зависит от мощности прибора. Например, в продаже встречаются изделия, которые выполнены из сирены и работают на расстояние до 50 м. Такие отпугиватели позволяют защититься как от животных, так и от воров. Работа многих приборах основана на ультразвуковом принципе, что позволяет чувствовать себя на улице безопасно.
Поскольку заводские изделия стоят недешево, многие люди стараются собирать их самостоятельно.
Виды отпугивателей
Отпугиватели собак классифицируют следующим образом:
- ультразвуковые (электронные). Прибор излучает сигнал большой мощности по направлению животного. Ультразвук оказывает угнетающее действие на собак, вынуждая их уйти, а порой даже убежать. На человека отпугиватель не оказывает никакого вредного воздействия. Прибор имеет небольшие размеры, что позволяет его носить в сумке или кармане;
- электрические. Также отличаются компактностью. При нажатии на кнопку издают характерное потрескивание, выделяя озон, который не нравится собакам. Такое устройство опасно для животного, поскольку может ударить током и даже временно парализовать. Важно также то, что электрический отпугиватель заставит разомкнуть челюсти, если пес в вас вцепился;
- газовые.
Имеют вид газового баллончика, наполненного химическим веществом. При покупке такого отпугивателя следует ознакомиться с описанием, поскольку далеко не каждые средства оказывают эффективное воздействие на собак. В случае использования такого баллончика животное должно убежать и больше не проявлять агрессию; - отпугивающий запах. Поскольку у собак хорошее обоняние, им совсем не нравится запах медицинского спирта. Для отпугивания потребуется смочить тампон этим веществом. Однако недостаток такого средства состоит в том, что спирт быстро испаряется, да и носить его придется постоянно с собой. Раздражающее действие также оказывает перец-стручок, запах цитрусовых.
Читайте также: Сетевой фильтр своими руками
Как сделать ультразвуковой отпугиватель
Существуют разные схемы и технологии реализации отпугивателей, которые отличаются по своей сложности. Многие устройства выделяются высокой выходной мощностью. На том, как сделать отпугиватель собак из подручных средств, стоит остановиться детальнее.
На КА561ЛА7
Для сборки отпугивателя на микросхеме КА561ЛА7 понадобятся:
- К561ЛА7;
- транзисторы КТ315;
- излучатель (BF1 SQ-340L или MFC-200).
Монтаж прибора выполняют на печатной плате согласно приведенной схеме.
Работает отпугиватель следующим образом:
- На первых двух логических элементах выполнен первый контур формирования несущей частоты, представляющий собой симметричный мультивибратор.
- На выходе первичного генератора образуется сигнал, имеющий частоту порядка 1,5 Гц.
- Во втором контуре формируется ультразвук. На двух других элементах микросхемы собран мультивибратор, посредством которого создается сигнал частотой 20 кГц, имеющий прямоугольную форму.
- Для усиления сигнала используется транзисторный усилитель, выполненный по двухтактной схеме. В качестве нагрузки используется пьезоэлемент либо динамик.
На К561ТЛ1
Рассмотрим еще один вариант, как сделать схему мощного отпугивателя собак своими руками, воспользовавшись пошаговой инструкцией.
На первом логическом элементе реализован генератор модулирующей частоты, работающий на 14 кГц, на втором – генератор, выдающий 24-25 кГц и управляемый первым генератором. Остальные логические элементы выполняют функцию буфера и распределяют сигнал на два выходных каскада. Последние реализованы на полевых транзисторах КП501А. Нагружают транзисторы дроссели и диоды. Посредством диодов устраняются паразитные колебания.
Красный по схеме светодиод является индикатором разряда батареи. При тусклом свечении либо полном его отсутствии это укажет на необходимость замены батареи. Синий светодиод индицирует включение прибора.
Настройка отпугивателя сводится к проверке импульсного напряжения на пьезоизлучателях. Значение должно быть около 60 В и иметь частоту порядка 25 кГц. Резистор на 12 кОм временно заменяют подстроечным на 20 кОм. Путем его вращения добиваются резонанса. Затем замеряют номинал элемента и впаивают постоянный резистор с таким же сопротивлением. При правильной настройке схемы прибор должен потреблять около 20 мА.
Читайте также: Индукционный нагреватель металла своими руками
На защищенном диоде КД503А
Если опыта использования микросхем нет, можно собрать более простую схему, основными элементами в которой являются диоды КД503А. Они отвечают за выходную мощность, а также защищают устройство от неправильной подачи напряжения.
Для монтажа нужно подготовить:
- постоянные и подстроечный резистор;
- пьезоизлучатель ЗП-1;
- транзисторы КТ361Б;
- керамические конденсаторы;
- диоды КД503А;
- кнопка для подачи напряжения.
Изготовив печатную плату, остается аккуратно выполнить монтаж. После сборки выполняется простая настройка отпугивателя, которая сводится к подстройке оптимальной частоты, которую можно проверить при помощи осциллографа.
В рассмотренной схеме уровень выходного сигнала регулируется только напряжением, которое поступает от источника питания. При использовании диода КД503А можно применить батарейку типа «Крона» на 9 В.
На транзисторах
Если нет желания собирать отпугиватель на микросхеме, можно выполнить простую схему на транзисторах. Смонтировать подобную конструкцию можно даже навесным монтажом, не прибегая к изготовлению печатной платы. Резисторы используются в качестве ограничителей тока и изменения напряжения в цепи.
Транзисторы и емкости требуются для создания частотного контура совместно с резисторами. Диод VD1 защищает схему от переполюсовки. В качестве пьезоэлемента подойдет ЗП-1 и ему подобные. Переключателем может служить обычный тумблер любого исполнения.
Для повышения надежности схемы, монтаж лучше выполнить на плате. Сопротивление R6 обеспечивает регулировку частоты, что позволяет использовать схему не только для собак, но и для вредителей, не вызывая привыкание. Для настройки потребуется подключить к резистору R1 осциллограф или частотомер. В качестве источника питания подойдет любая батарейка с напряжением 1,5-12 В.
Перечисленные элементы можно как приобрести, так и выпаять из старых радиотехнических приборов, что позволит свести к минимуму затраты на изготовление ультразвукового прибора.
На NE555
Один из вариантов отпугивателя представляет собой довольно мощный ультразвуковой передатчик. Его можно использовать как для отпугивания собак, так и кошек. Схема выполнена на стандартном таймере NE555, который работает на частоте 40 кГц. Эту частоту человек не слышит, но на животных она оказывает раздражающее действие.
Чтобы увеличить мощность сигнала, в схеме используется усилитель на транзисторах. На втором аналогичном таймере создается мощный противофазный сигнал для усилителя. Особенностью схемы является высокая мощность на ВЧ. В качестве усилителя задействован ультразвуковой преобразователь. Также схему можно выполнить на NE556, которая представляет собой сдвоенный таймер.
Следует учесть, что устройство потребляет довольно большой ток, порядка 4 А при подключении динамика. Поэтому выключатель питания лучше использовать в виде кнопки, позволяющей кратковременно активировать прибор.
Читайте также: Катушка Тесла своими руками
Более простой отпугиватель собак на NE555 можно собрать по нижеприведенной схеме.
Схема проста в изготовлении, поскольку содержит минимальное количество элементов. Чтобы была возможность точной настройки частоты, подстроечный резистор лучше использовать многооборотный. В качестве пьезоизлучателя подойдет элемент от калькулятора либо от музыкальных игрушек. Также для этих целей можно использовать ВЧ динамик на мощность не более 5 Вт. Источником питания служит «Крона» или другая батарейка, способная выдавать 6-12 В.
Правильная эксплуатация отпугивателя
Отпугивающее устройство важно не только правильно собрать, но и уметь им пользоваться. Если собака или стая животных ведут себя агрессивно, действия должны быть резкими и неожиданными. Использовать отпугиватель нужно следующим образом:
- вынуть устройство из сумки или кармана;
- дождаться, когда пес приблизится на расстояние около 1 м;
- направить на собаку отпугиватель;
- активировать изделие посредством нажатия на кнопку.

Когда животное кратковременно отступит, нужно продолжать направлять на него ультразвуковой прибор. Когда собака отойдет более чем метр, прибор следует отключить. Делают это для того, чтобы пес немного отвык. В случае повторного включения, эффект будет сильнее. При нажатии на кнопку прибора достаточно направить звук в сторону головы.
Рассмотрев разные схемы мощного отпугивателя собак, а также как сделать прибор своими руками по пошаговым инструкциям, можно будет выбрать и собрать наиболее подходящий вариант. Используя недорогие и доступные компоненты и владея минимальными знаниями в радиоэлектронике, можно сконструировать устройство, которое будет работать ничем ни хуже заводских изделий, а при аккуратном монтаже даже превосходить их по надежности.
Отпугиватель собак: обзор схем для изготовления своими руками
Отпугиватель для собак, ласковых и добрых друзей человека, не нужен, но сделать отпугиватель для животных агрессивных и злых — дело святое.
Хорошо бы еще найти рабочую схему, не так ли?
Рассмотрим несколько схем для желающих поработать своими руками.
Схема отпугивателя собак забугорная
В схеме (полнорозмерная схема здесь) в качестве генератора используется стандартный таймер 555 на микросхеме IC1, работающий на частоте 40 кГц (раздражающая частота для собак и кошек).
Для увеличения мощности сигнала использован усилитель на транзисторах TR1-TR4. Второй аналогичный таймер 555 IC2 формирует противофазный сигнал. Схема оптимизирована для получения высокой выходной мощности на ультразвуковых частотах. В качестве излучателя используется ультразвуковой преобразователь. Можно применить сдвоенный таймер 556.
Эффективность схемы была проверена путем уменьшения частоты генератора до слышимого уровня и замены ультразвукового преобразователя громкоговорителем. Прибор запитывался от внешнего источника и при потребляемом токе 4 А мощность сигнала достигала 110 дБ!
Схема потребляет довольно большой ток.
Поэтому для ручного исполнения выключатель питания лучше выполнить в качестве кнопки для кратковременного включения. При использовании устройства в стационарном режиме, чтобы предотвратить, например, нежелательные повреждения сада или клумбы лучше применять свинцово-кислотные аккумуляторы, при этом желательно управлять устройством какими-либо датчиками движения. (D. Stringwell, Scunthorpe, North Lines, «Everyday Practical Electronics», December 2003)
Схема журнала «РадиоКонструктор» №4/1999
Схемотехническое решение показано на рисунке. Здесь работают два мультивибратора – инфразвуковой на элементах D1.1 и D1.2, вырабатывающий импульсы частотой 2 Гц, и ультразвуковой на D1.3 и D1.4, вырабатывающий импульсы с изменяющейся частотой от 20 кГц до 60 кГц.
Работает схема так. Мультивибратор на D1.1 D1.2 вырабатывает импульсы. Как только на выходе D1.1 устанавливается единица, разрешается работа мультивибратора на D1.3 и D1.4 (единица поступает на их выводы 8 и 12).
Мультивибратор начинает вырабатывать некоторую частоту (около 20 кГц). Одновременно начинает увеличиваться напряжение на С2 (заряд через R2) и открывается транзистор VT5, включающий параллельно частотозадающему резистору R5 дополнительное сопротивление R4+RK3. В результате суммарное сопротивление уменьшается и частота импульсов на выходах мультивибратора D1.3 D1.4 быстро увеличивается до 60 кГц. Когда на выходе D1.1 вновь появляется низкий уровень, ультразвуковой мультивибратор временно (на длительность отрицательного полупериода на выходе D1.1) выключается. Таким образом получаются импульсные посылки с периодом в 0,5 секунды, имитирующие лай значительно более крупной собаки.
Затем следует двухтактный выходной каскад на транзисторах VT1-VT4 с высокочастотной динамической головкой на выходе.
Что касается деталей – микросхема может быть К176ЛА7, высокочастотная головка любая достаточно мощная и миниатюрная, либо пъезоизлучатель СП-1.
Отзывы о схеме противоречивые: у кого-то работает сразу без настройки, у кого-то нет.
Схема Форума сайта гор. Солнцево (http://fopum.ru/).
Схема этого отпугивателя собак собрана всего лишь на одной цифровой микросхеме (DD1) и пяти транзисторах (VT1-VT5). На логических элементах DD1.1. и DD1.2., резисторах R1, R2 и конденсаторах С1, С2 выполнен инфразвуковой генератор (представляет собой симметричный мультивибратор, формирующий прямоугольные импульсы частотой около 1.5 Гц).
Второй симметричный мультивибратор построен на элементах DD1.3., DD1.4., резисторах R6, R7, конденсаторах С5, С6 и представляет собой ультразвуковой генератор, частота прямоугольных импульсов которого составляет 20 кГц и периодически (через каждые 0,66 с) повышается приблизительно в 4 раза. Сравнительно плавный периодический “увод” ультразвуковой частоты вверх выполняет узел, содержащий резисторы R3-R5, конденсатор СЗ, транзистор VT1 и диоды VD1, VD2.
Формируемые на выходных выводах 10 и 11 микросхемы DD1 ультразвуковые колебания прямоугольной формы имеют небольшую мощность.
Поэтому они усиливаются по мощности двухтактным мостовым усилителем, собранным на транзисторах VT2-VT5. Эмиттерной нагрузкой этого усилителя является пьезокерамический излучатель BF1, ультразвуковые колебания, промодулированные инфразвуковыми, возбуждаются в нем после нажатия на кнопку SB1, выполняющую функцию обычного выключателя питания. Цепь питания микросхемы DD1 защищена от случайной “переполюсовки” батареи GB1 диодом VD3, а конденсаторы фильтра С4 и С7 обеспечивают пропускание по цепи питания соответственно высокочастотных и низкочастотных колебаний.
Батарею GB1 можно составить из шести-десяти гальванических элементов (316). аккумуляторов Д-0.25 или применить готовую 12-вольтовую батарею L1028 либо 9-зольтовую “Крону” или “Корунд”. Микросхему К561ЛА7 можно заменить К176ЛА7, К1561ЛА7 или 564ЛА7. Диоды VD1-VD3 – любые кремниевые малогабаритные, транзистор VT1 – любой кремниевый маломощный с коэффициентом усиления тока базы не менее 30. Транзисторы VT2. VT4 и VT3, VT5 заменимы любыми соответственно из серий КТ3102 и КТ3107.
Чтобы при настройке отпугивателя собак, которая, главным образом, заключается в подборе сопротивления резистора R3, можно было контролировать его работу на слух, на время параллельно конденсаторам С5 и С6 подключают пайкой два конденсатора емкостью не менее 6800пФ каждый.
Корпусом для сборки отпугивателя стал корпус от вышедшей из строя УКВ радиостанции китайского производства.
О пьезоизлучателе BF1 SQ-340L. Можно порекомендовать использовать вместо него оповеститель ультразвуковой MFC-200, имеющий высокое акустическое давление до 85 дБ, а значит и большую дальность действия.
Отзыв: «Собрал данную схему один в один, но она так и не хочет работать. При включении выдаёт короткий сигнал ультразвука на 0,5…1 секунды и замолкает”.
Схема мощного отпугивателя собак (также размещенная на Форуме сайта гор. Солнцево (http://fopum.ru/))
В этой схеме на первом логическом элементе собран генератор модулирующей частоты, который продлевает срок службы батареи питания и увеличивает эффективность отпугивания собак.
Частота этого генератора должна находится в районе 14Гц.
На втором логическом элементе собран генератор ультразвукового сигнала частотой 24-25кГц, который управляется первым генератором. Таким образом получаются пачки импульсов с частотой 24-25кГц.
Последующие логические элементы являются буферными и распределяют сигнал на 2 выходных каскада.
Выходные каскады реализованы на транзисторах КП501А с допустимым обратным напряжением – 100В. Нагрузкой их являются ДР (3,3 или 4,7мГ) – МИЛЛИГЕНРИ и последовательно включенные диоды с обратным напряжением не менее 200В и частотой работы не менее 100кГц. Эти диоды устраняют паразитные колебания, которые появляются в дросселях и суммируют их к амплитуде импульса. Таким образом они добавляют 10В к амплитуде получаемых высоковольтных импульсов.
Пьезокерамические излучатели TR2516T1 резонансные и рассчитаны на работу в диапазоне частот 24-26кГц. Их собственная ёмкость 2000пф. Могут быть заменены только на другие, с аналогичными параметрами.
Светодиод, подключенный через стабилитрон с напряжением 5,1В и последовательно включенным резистором, служит индикатором разряда батареи. Когда тускло горит светодиод или полностью гаснет – надо менять батарею питания. Второй светодиод – индикатор включения устройства. Использованы ярко горящие светодиоды.
Полевые транзисторы могут быть и другие – главное, это максимальное обратное напряжение не менее – 100В (желательно 150-200В). Дело в том, что при случайном отключении излучателей напряжение на стоке увеличивается до 100В.
Примечание. Не сожгите вход осциллографа, учитывая такие напряжения на излучателях.
Настройка устройства
Проверяют наличие импульсного напряжения на излучателях – оно должно быть порядка – 60В и частотой (24-25кГц).
Вместо резистора (12К, который помечен звёздочкой) временно впаивают подстроечный номиналом 15-20К и вращают его в небольших пределах, одновременно контролируя импульсы на излучателях. При достижении резонанса излучателя импульс приобретает максимальную амплитуду и он становится таким, как изображен на схеме.
Его вершина должна быть немного плоской. После этого измеряют получившийся номинал резистора и впаивают постоянный резистор. Проверяют импульсы на 2ух каналах устройства.
Ток потребления схемы не более – 20мА и зависит от правильной настройки.
Индикаторный светодиод – яркогорящий. При других светодиодах необходимо подобрать гасящий резистор (10К) в сторону уменьшения номинала.
Подстройка УЗ частоты необходима потому, что резонансы излучателей имеют разброс по частоте. Если есть возможность, то излучатели так же надо подобрать по максимальной амплитуде импульса на них.
Отзывов о пригодности к работе нет.
Ниже цитируется авторский текст.
Собрал вот такую отпугивалку. Действует на собак по-разному, из бродячих 90% убегают, дрессированным “до лампочки”. Звук получается громкий, очень неприятный, сколько дБ не знаю, нечем померить, но уши закладывает прилично.
В качестве излучателя применён клаксон от автосигнализации, но можно, с одинаковым успехом, применить обычный динамик на 4 Ома, естественно, чем мощнее динамик, тем громче звучит, но в пределах возможностей самого усилителя. Схема потребляет большой ток, так что нужна хорошая батарея с напряжением от 6 до 12В (с “кроной” эффекта не будет). Достоинство данной схемы в том, что с её помощью можно настроить практически любой динамик на его резонансную частоту и получить в итоге очень громкий звук. В данном случае с клаксоном эта частота находится в пределах 2,5-2,7 кГц. К тому же звук очень чистый, так как сигнал на выходе получается синусоидальный. Можно подавать от внешнего источника меандр, эффект не хуже, но будет присутствовать ещё и “жужжание”. Даже может быть лучше эту пугалку использовать не на собаках, а на грызунах, живущих в овощехранилищах, совместно с датчиком движения. Такой резкий звук им вряд ли понравится, а заодно никого не побеспокоит. Вот сама схема, это типовое включение микросхемы К174УН7, с той разницей, что выход усилителя соединён со входом через конденсатор, а нужная частота регулируется переменным резистором.
Такой готовый УНЧ на отдельной плате можно снять со старого телевизора, а также подойдёт любой другой подобный усилитель.
Отпугиватель собак своими руками. Схема отпугивателя.
Ультразвуковой отпугиватель собак – это небольшое компактное электронной устройство, излучающая звуковые волны, которые не слышны для человека, но хорошо воспринимаются чувствительными ушами собак и кошек.
Частота звука, на которой работают такие отпугиватели составляет от 18 до 25 кГц.
Компактный отпугиватель собак ЛС-300
Данный отпугиватель – один из самых эффективных и проверенных на практике приборов.
Он действительно работает, очень хорошо прогоняет собак, достаточно лишь нажать на кнопку включения и направить излучатель в сторону животных.
Маленький размер позволяет носить его в женской сумочке, а также он спокойно помещается на ладони.
Мощный ультразвуковой сигнал – до 100 дБ
Диапазон частот от 18 000 до 25 000 кГц.
В этой статье мы расскажем как собрать отпугиватель собак своими руками, используя представленные нами электрические схемы .
Схема отпугивателя собак для самостоятельной сборки.
Для сборки первой модели понадобиться всего одна микросхема и пять транзисторов.
Прибор состоит из ультразвукового генератора, основу которого составляет многоуровневый симметричный вибратор, который может вырабатывать прямоугольные импульсы с частотой 1,5 Гц.
Второй вибратор, выполненный из тех же деталей, что и первый, создает импульсы частотой 20 Гц.
Амплитуда этих ипульсов каждые 0,66 сек увеличивается в 4 раза.
Для создания плавающей частоты, предназначен узел собранный из трех резисторов, одного конденсатора, транзистора (VT1) и двух диодов.
Сборка на транзисторах VT2-VT4 предназначена для усиления сигнала, который в свою очередб поступает на пьезокерамический излучатель СП-1. Для коммутации предназначена кнопка SB-1.
Главное отличие этого устройства от отпугивателя мышей состоит в том, что частота ультразвука данного прибора гораздо ниже – от 18 до 25 кГц.
Тогда как у приборов для борьбы с грызунами частоты колебляться от 25 кГц до 80 кГц.
И в завершении, предлагаем для повторения схему простого, но достаточно надежного отпугивателя собак без микросхем на транзисторах.
Принципиальная схема отпугивателя собак на транзисторах.
Источником питания для данной конструкции может служить аккумулятор или батарейка напряжением от 1,5 Вольта до 12 Вольт.
Чем выше напряжение питания, тем мощнее звук из излучателя.
Частоту данного отпугивателя можно регулировать резистором R6, подключив осцилограф или любой частотомер параллельно резистору R1.
Диод VD1 служит для защиты от неправильного включения питания (если вы случайно перепутаете полярность)
Пьезоизлучатель любой отечественный или импортный ЗП-1, ЗП-18, ЗП-25 и т.
д.
Эффективный ультразвуковой отпугиватель собак. Есть ли смысл покупать отпугиватель?
Всем привет. Скоро близится весна и активизация бездомных собак не за горами. Как же нам обезопаситься от нападения агрессивных псов. Сегодня я расскажу об ультразвуковом отпугивателе собак.
В городах нашей страны бегает большое количество беспризорных животных. Их количество то уменьшается, то увеличивается, но полностью с наших улиц они вероятно никогда не пропадут. В условиях города, чтобы обезопасить себя, очень трудно найти камень или палку. Да и воспользоваться, этими инструментами можно не успеть, так как агрессивная собака очень быстра. Согласитесь, что гораздо увереннее себя можно чувствовать, если знать что в кармане находится ультразвуковой отпугиватель собак. Давайте поговорим более подробно о том, как он устроен и на чём основан его принцип работы.
Как работает ультразвуковой отпугиватель собак
Как известно человеческое ухо может слышать звуки, частота которых не превышает 20 килогерц.
В тоже время домашние животные, кошки собаки, могут воспринимать звуки, частота которых доходит до 40 килогерц. На этом явлении и построен принцип работы ультразвукового отпугивателя. Все промышленные образцы работают в этом диапазоне. Отличие могут быть только в силе излучения звука. Также некоторые производители снабжают свои устройства дополнительными излучателями света, которые способны усилить эффект. Лучшие модели способны излучать звук мощностью до 120 децибел. Одним из таких устройств я пользуюсь уже более трёх лет.
Ультразвуковой отпугиватель собак самый мощный
Я проживаю в поселке городского типа. В нашей местности очень много частных дворов и почти в каждом имеется собака. Я достаточно часто перемещаюсь на велосипеде. И как неприятно, когда из какой-нибудь подворотни выскакивает свирепая псина и бежит к вам, норовит порвать штаны и так далее. Поэтому я решил заказать с АлиЭкспресс ультразвуковой отпугиватель собак Ximeite MT-651:
Я считаю, что эта модель одна из самых мощных из выпускаемой китайской промышленности.
В Ютубе много роликов посвящённых ультразвуковым отпугивателям. Очень часто эффективность работы отпугивателя проверяют при помощи пламени зажигалки или свечи. Несколько раз видел эту модель в тестах, которая якобы совсем не работает. Я не удержался и проверил свой экземпляр. И могу с уверенностью сказать, что в роликах на YouTube полная брехня, или у них подделка. Мой ультразвуковой отпугиватель очень сильно наклоняет пламя зажигалки. Так что я уверен в работоспособности своей модели. Да и собаки к ней неравнодушны, псины реагируют метров до 15.
Эта модель ультразвукового отпугивателя оснащена двумя излучателями, что, несомненно, увеличивает мощность, а также повышает надежность:
Питается прибор от батареи типа Крона. Источник питания, который шёл в комплекте, мне не понравился. Поэтому я решил использовать батарейку алкалинового типа, которая проработает гораздо дольше:
К комплекту также прилагается небольшая инструкция:
Устройство ультразвукового отпугивателя собак
Естественно я не удержался и разобрал устройство, чтобы посмотреть, как оно устроено.
Внутри корпуса расположены две печатные платы. На одной платье располагается генератор ультразвуковых сигналов. На другой находится два ультразвуковых излучателя, 2 ярких светодиода, и один лазерный светодиод:
Благодаря лазерному светодиоду, особенно в ночных условиях, очень просто наводить на свирепого животного.
Схема ультразвукового отпугивателя собак
Схема ультразвукового отпугивателя собак довольно-таки простая. Задающий генератор построен на микросхеме U1, маркировку которой, старательные китайцы затёрли. На транзисторе VT2 построен усилительный каскад который нагружен трансформатором Т1. Во вторичной обмотке трансформатора находится два излучателя, которые подключены параллельно. Транзистор VT1 используется как ключ, для включения двух ярких светодиодов. Питание микросхемы стабилизировано стабилитроном VD1, который удерживает напряжение 3,5 вольта. При помощи кнопки S2 можно включить устройство. Выбрать нужный режим можно при помощи переключателя S1.
Он имеет три положения. Положение номер 2: включается ультразвуковые излучатели, 2 мощных светодиода, и лазерный светодиод. Если перевести переключатель в положение 1, то у нас включится два излучателя и два светодиода. Если перевести переключатель в положение 3, то у нас загорится просто два светодиода, в этом положении отпугиватель работает в качестве фонарика:
Сила тока, потребляемая отпугивателем не такая уж и маленькая. Ток потребления доходит до 0,3 ампера. Так что использование алкалиновой батарейки желательно. Причём если прибор перевести в положение номер 2, то ток потребления незначительно снижается, так как отключается лазерный светодиод:
В заключение хочу рассказать о своём мнении, так сказать оставить свой отзыв, после использования ультразвукового отпугивателя для собак в течение 3 лет.
Одно время моя работа была связана с тем, что мне приходилось посещать частный сектор и заходить практически в каждый дом, это почти так же как почтальон приносит почту до дома, но только мне приходилось заходить во двор.
Так что статистика по работе ультразвукового отпугивателя у меня более чем полная. На основе этих данных я могу обосновать своё мнение и выделить некоторые особенности работы прибора:
- прибор действует приблизительно на 60% собак. Причём от размера животного это не зависит.
- дальность прибора доходит до 15 м, но более эффективен он не дальше 6 метров.
- приблизительно 20% собак действия прибора ощущают, крутят головой, поднимают уши, но чувство паники у них не возникает.
- ну и оставшиеся 20% можно отнести к животным, на которых ультразвук прибора вообще никак не действует. Эту часть можно разделить также на две части. Часть из них, это глухие старые собаки. Ко второй группе можно отнести агрессивно настроенных псов, которые во время лая, вероятно, не слышат ультразвук. У них повышенное психоэмоциональное состояние.
Подводя итоги, можно резюмировать тот факт, что ультразвуковой отпугиватель действует на собак. Конечно, не во всех случаях он может помочь.
Но лично я гораздо увереннее себя чувствую, когда он со мной. Если я вижу вдалеке собаку, поведение который меня настораживает, то я готовлю прибор к использованию. Конечно, лишний раз я не стараюсь им пользоваться, чтобы не травмировать психику беззащитного животного. Так что, чтобы не говорили скептики, прибор боле — менее эффективен.
Так как прибор покупался 3 года назад, ссылку на магазин продавца с АлиЭкспресс я дать не могу, ввиду того что сам магазин перестал существовать. На этом буду прощаться, до новых встреч, пока.
УЛЬТРАЗВУКОВОЙ ОТПУГИВАТЕЛЬ СОБАК
УЛЬТРАЗВУКОВОЙ ОТПУГИВАТЕЛЬ СОБАК
Дазер – ультразвуковой отпугиватель собак, схема и описание прибора. Здравствуйте посетители нашего сайта. Иногда бродить по темным переулкам города ночью очень опасно, поскольку кроме вас по улице может выйти на прогулку злая бездомная собака (иногда очень голодная) и в любой момент из темного угла она может наброситься на вас и жутко покусать.
Броситься на неё в бой конечно можно, но вряд ли можно выйти из боя без повреждений и травм, так что есть вариант получше – Дазер или ультразвуковой отпугиватель собак. Заняться изготовлением этого прибора меня сподвигли следующие причины: во-первых, мне часто в Интернете встречались рекламы промышленных Dogcheiser-ов в основном китайского производства, а во-вторых, на многих сайтах опубликованы самодельные “страшилки” для собак, собранные по различным схемам, одна из которых больше всех привлекла моё внимание.
Прибор как уже понятно предназначен для отпугивания использованием ультразвука. Описываемое устройство имеет дальность действия до 13 метров и качественное влияние на собак которые собираются вас покусать. Как уже было сказано, из множества схем ультразвуковых отпугивателей собак, опубликованных в интернете, самой распространённой оказалась следующая.
Сверху платы — пьезоизлучатель SQ-340L. Можно порекомендовать использовать вместо него оповеститель ультразвуковой MFC-200, имеющий высокое акустическое давление до 85 дБ, а значит большую дальность действия.
Пьезоизлучатель можно достать из колонок, также от динамиков которые народ называет блинами, из музыкальной шкатулки, из калькуляторов и так далее. Коробкой для сборки ультразвукового отпугивателя стал корпус от вышедшей из строя УКВ радиостанции китайского производства, можно использовать любой другой корпус который есть под рукой, рация и так далее, размерами которой и руководствовался при разработке, изготовлении и сборке прибора. Справа — кнопка SB1, при нажатии на которую происходит включение питания. Батарея питания типа “Крона”, “Корунд”, главное иметь рабочее напряжение 9 вольт.
Можно использовать для удобства два литий-ионных аккумулятора от мобильного телефона. Внешний вид собранной платы со стороны деталей приведён на фотографии.
Задающий генератор собран на отечественной микросхеме, она задает нужную нам частоту, а транзисторный каскад усиливает ее. Транзисторы VT3, VT5 – Желательно применить высокочастотные, устройство отлично работает если использовать транзисторы типа КТ816.
VT2 и VT4 – типа КТ315, КТ368 или импортные аналоги типа С9018, С9014. Диоды по схеме лучше применить шоттки, все полярные конденсаторы нужно поставить с напряжением 15 вольт. Печатная плата устройства тоже прикреплена к статье. Данный ультразвуковой отпугиватель был неоднократно использован на собак и каждый раз проявил себя даже лучше, чем ожидалось.
Собаки разбежались и смотря на собаку видно, что отпугиватель издает для ниx очень неприятный звук. Внимание! Не следует включать устройство на людей с близкого расстояния (близко к ушам и глазам), наши уши ловят ультразвуковые волны, но мозг не способен иx расшифровать и по этой причине мы не слышим мир где общение на ультразвуковой частоте. При снижении питания до 3 вольт возможен тихий свист, который можно услышать, а при 9-ти вольтах частота повышается и мы прекращаем слышать свист, поскольку пьезоизлучатель начинает издавать ультразвук. В общем данное устройство – это активное оружие самообороны от собак и не только!
Поделитесь полезными схемами
| ЛИМОННЫЙ АККУМУЛЯТОР День добрый коллеги! Моя статья многим может показаться странной, а многие скажут, что это не новость. |
| СХЕМА АВТОМАТИЧЕСКОГО ЗАРЯДНОГО УСТРОЙСТВА Предлагаемое ЗУ при всей своей простоте довольно многофункционально – выполняет заряд и поддержание ёмкости небольших аккумуляторов. Данное несложное зарядное устройство автоматически отключает аккумулятор по окончании заряда и включает его при разрядке аккумулятора ниже порогового значения. |
| СИГНАЛИЗАЦИЯ ИЗ МОБИЛЬНОГО ТЕЛЕФОНА Схема устройства показана на рисунке. В его состав входит сетевой блок питания, собранный на трансформаторе Т1, мостовом выпрямителе, сглаживающем конденсаторе С4 и стабилизаторе напряжения DA1. |
| ПРЕОБРАЗОВАТЕЛЬ 12 220 Из 12 вольт в 220 вольт 50 герц – преобразователь для ветростанции. Наверное все помнят нашу статью ветрогенератора. Конечно установка мощная, но напряжение постоянное и во вторыx напряжение маленькое. В связи с этим представляю вашему вниманию преобразователь напряжения при помощи которого мы сможем получить переменное 220 вольт от постоянного 12. |
Правила применения отпугивателя собак
Отпугиватель для собак, ласковых и добрых друзей человека, не нужен, но сделать отпугиватель для животных агрессивных и злых — дело святое. Хорошо бы еще найти рабочую схему, не так ли?
Рассмотрим несколько схем для желающих поработать своими руками.
Блок: 1/6 | Кол-во символов: 252
Источник: http://radiofishka.in.ua/ru/content/otpugivatel-sobak-obzor-shem-dlya-izgotovleniya-svoimi-rukami
Схема отпугивателя собак забугорная
В схеме (полнорозмерная схема здесь) в качестве генератора используется стандартный таймер 555 на микросхеме IC1, работающий на частоте 40 кГц (раздражающая частота для собак и кошек).
Для увеличения мощности сигнала использован усилитель на транзисторах TR1-TR4. Второй аналогичный таймер 555 IC2 формирует противофазный сигнал. Схема оптимизирована для получения высокой выходной мощности на ультразвуковых частотах. В качестве излучателя используется ультразвуковой преобразователь. Можно применить сдвоенный таймер 556.
Эффективность схемы была проверена путем уменьшения частоты генератора до слышимого уровня и замены ультразвукового преобразователя громкоговорителем. Прибор запитывался от внешнего источника и при потребляемом токе 4 А мощность сигнала достигала 110 дБ!
Схема потребляет довольно большой ток.
Поэтому для ручного исполнения выключатель питания лучше выполнить в качестве кнопки для кратковременного включения. При использовании устройства в стационарном режиме, чтобы предотвратить, например, нежелательные повреждения сада или клумбы лучше применять свинцово-кислотные аккумуляторы, при этом желательно управлять устройством какими-либо датчиками движения. (D. Stringwell, Scunthorpe, North Lines, «Everyday Practical Electronics», December 2003)
Блок: 2/6 | Кол-во символов: 1311
Источник: http://radiofishka.in.ua/ru/content/otpugivatel-sobak-obzor-shem-dlya-izgotovleniya-svoimi-rukami
Виды отпугивателей
- Ультразвуковая модель посылает по направлению к собаке сигналы ультразвука с большой мощностью. Ультразвук действует угнетающе на собак, заставляя их развернуться и даже прибегнуть у бегству в то время, как для человека прибор совершенно безопасен. При приближении собаки сигнал усиливается, животное начинает чувствовать дискомфорт.
Прибор компактен, можно носить с собой в сумке, кармане. При приближении зверька будет реагировать, а сигнал – нарастать. С отпугивателем не страшна целая свора собак, что очень удобно, можно обойтись без крови и жертв. В интернете немало электросхем данного устройства, поэтому при необходимости можно собрать его самостоятельно, а комплектующие купить в любом радиомагазине. Устройство достаточно простое, да и обойдется вам намного дешевле. - Электрический прибор или электрошокер не менее популярен. Тоже компактный, при нажатии на кнопку издает характерный треск, то есть выделяется озон, неприятный для собачьего осязания. Прибор опасен для приближающегося пса, при уменьшении расстояния может ударить током, временно парализовать. Также устройство заставит собаку разомкнуть челюсти, если пес все-таки вцепился в вас.
- Газовый в виде газового баллончика с химическим наполнителем внутри. Покупая баллончик, обратите внимание на его технические характеристики, поскольку не все средства эффективны, при нападении пса средство может просто подвести.
При распылении собака должна кинуться, убегать и больше не проявлять агрессию. В принципе и газовый пистолет можно соорудить самостоятельно, наполнив патроны красным жгучим перцем. Можно устройство оставить на холостых. Эффективен против собак звук, также устройство можно выполнить со световым сигнальным отражателем. - Отпугиватель – запах. Всем известно, что у собаки отличный нюх и им совсем не по нраву, например, запах медицинского, или изопропиленового спирта. Вам лишь достаточно смочить тампон. Но, минус у данного способа большой – спирт быстро испаряется, то есть его при выходе на улицу нужно носить его постоянно с собой. Раздражающе на нос, кожу, глаза собаки действует острый стручковый перец, также запах лимона, апельсина, уксуса.
Блок: 2/7 | Кол-во символов: 2200
Источник: https://hqsignal.ru/sredstva/otpugivateli/sobak-svoimi.html
Изготовление простого химического приспособления
Что понадобится
Для химического отпугивателя:
- уксус;
- перец черный молотый.

Второй вариант химического отпугивателя:
- перец черный молотый;
- махорка;
- порошок горчицы.
О том, как изготовить своими руками маломощный отпугиватель собак, расскажет данное видео:
Технологии изготовления
- Проще всего сделать имитацию перцового баллончика, взяв бутылку пластиковую емкостью до 0,5 литра, наполнив ее уксусом и насыпав чайную ложку перца. Затем взболтать и надеть распылитель. Однако носить с собой такое не слишком удобно.
- В другом варианте покупают самую «ядреную» дешевую махорку, тонко измельчают вместе с черным перцем в кофемолке и получают очень едкую кайенскую смесь. Для усиления эффекта добавляют порошок горчицы. Засыпают всё в небольшую пластиковую емкость, которую легко открыть. в случае угрозы наносят на собаку (нос, глаза, пасть). Еще можно начинить этим хлопушку и стрельнуть издалека.

О том, как сделать хоть и не самый, но достаточно мощный самодельный ультразвуковой отпугиватель собак своими руками, с полезной схемой расскажем ниже.
Блок: 2/3 | Кол-во символов: 1095
Источник: http://podpricelom.com/samooborona/kak-sdelat-otpugivatel-sobak.html
Сравнение отпугивателей собак (видео)
Блок: 3/7 | Кол-во символов: 40
Источник: https://4lapki.com/2017/03/pravila-primeneniya-otpugivatelya-sobak
Схема Форума сайта гор. Солнцево (http://fopum.ru/)
Схема этого отпугивателя собак собрана всего лишь на одной цифровой микросхеме (DD1) и пяти транзисторах (VT1-VT5). На логических элементах DD1.1. и DD1.2., резисторах R1, R2 и конденсаторах С1, С2 выполнен инфразвуковой генератор (представляет собой симметричный мультивибратор, формирующий прямоугольные импульсы частотой около 1.
5 Гц).
Второй симметричный мультивибратор построен на элементах DD1.3., DD1.4., резисторах R6, R7, конденсаторах С5, С6 и представляет собой ультразвуковой генератор, частота прямоугольных импульсов которого составляет 20 кГц и периодически (через каждые 0,66 с) повышается приблизительно в 4 раза. Сравнительно плавный периодический «увод» ультразвуковой частоты вверх выполняет узел, содержащий резисторы R3-R5, конденсатор СЗ, транзистор VT1 и диоды VD1, VD2.
Формируемые на выходных выводах 10 и 11 микросхемы DD1 ультразвуковые колебания прямоугольной формы имеют небольшую мощность. Поэтому они усиливаются по мощности двухтактным мостовым усилителем, собранным на транзисторах VT2-VT5. Эмиттерной нагрузкой этого усилителя является пьезокерамический излучатель BF1, ультразвуковые колебания, промодулированные инфразвуковыми, возбуждаются в нем после нажатия на кнопку SB1, выполняющую функцию обычного выключателя питания. Цепь питания микросхемы DD1 защищена от случайной «переполюсовки» батареи GB1 диодом VD3, а конденсаторы фильтра С4 и С7 обеспечивают пропускание по цепи питания соответственно высокочастотных и низкочастотных колебаний.
Батарею GB1 можно составить из шести-десяти гальванических элементов (316). аккумуляторов Д-0.25 или применить готовую 12-вольтовую батарею L1028 либо 9-зольтовую «Крону» или «Корунд». Микросхему К561ЛА7 можно заменить К176ЛА7, К1561ЛА7 или 564ЛА7. Диоды VD1-VD3 — любые кремниевые малогабаритные, транзистор VT1 — любой кремниевый маломощный с коэффициентом усиления тока базы не менее 30. Транзисторы VT2. VT4 и VT3, VT5 заменимы любыми соответственно из серий КТ3102 и КТ3107.
Чтобы при настройке отпугивателя собак, которая, главным образом, заключается в подборе сопротивления резистора R3, можно было контролировать его работу на слух, на время параллельно конденсаторам С5 и С6 подключают пайкой два конденсатора емкостью не менее 6800пФ каждый.
Корпусом для сборки отпугивателя стал корпус от вышедшей из строя УКВ радиостанции китайского производства.
О пьезоизлучателе BF1 SQ-340L. Можно порекомендовать использовать вместо него оповеститель ультразвуковой MFC-200, имеющий высокое акустическое давление до 85 дБ, а значит и большую дальность действия.
Блок: 4/6 | Кол-во символов: 2601
Источник: http://radiofishka.in.ua/ru/content/otpugivatel-sobak-obzor-shem-dlya-izgotovleniya-svoimi-rukami
Способы защиты
Чтобы отпугнуть диких и одичавших животных, применяются различные средства. Например, для охраны домов и участков применяется стационарный ультразвуковой отпугиватель собак. Устройство позволяет оставлять дачу или приусадебный участок без присмотра во время отсутствия хозяев. Схема работы схожа с переносным устройством. Питание подается от сети, а работать оно начинает, когда срабатывает датчик движения. Помимо собак, устройство работает как отпугиватель кошек, лис, а также грызунов. Частота подачи звука меняется, чтобы животные не привыкли и продолжали бояться заходить на территорию.
На человека большинство приборов не оказывает ощутимого воздействия. Наиболее мощные модели могут вызвать головную боль и звон в ушах.
В качестве отпугивателя эффективно применяется электрошок.
Резкий звук разряда и вспышки с выделением большого количества озона пугают животных уже на расстоянии 10-20 м. Зачастую его устанавливают на велосипед, чтобы не доставать во время движения.
Питают электронный отпугиватель собак батареи
Кроме электронных, используют и более традиционные средства отпугивания собак, в частности, репелленты и смеси. Схема их работы проста — они выделяют неприятный запах. После обработки территории по периметру животные перестанут на нее заходить. Существует также собачий и кошачий вариант.
Для туристов и спортсменов может быть актуально сделать самодельный отпугиватель собак. Он представляет собой аналог газового баллона. Состоит из емкости, в которую помещается смесь уксуса и перца. Данный вариант негуманный, но очень эффективный. Используют и другие смеси, в частности, на основе махорки.
Можно сделать самодельный ультразвуковой отпугиватель, если нет доверия к эффективности продаваемых устройств. Это потребует некоторых знаний в электротехнике.
Иногда лучшая защита — нападение. Если прибора под рукой нет, а вас окружает озлобленная стая, можно просто наклониться к земле и сделать вид, что поднимаете и бросаете камень. Такой прием отпугнет псов. Собаки — это животные, разума они лишены, а инстинкт заставляет их бояться подобных жестов.
Блок: 4/7 | Кол-во символов: 2097
Источник: https://4lapki.com/2017/03/pravila-primeneniya-otpugivatelya-sobak
Технология производства первого варианта
Для такого аппарата понадобится только одна электрическая схема отпугивателя для собак и 5 штук транзисторов. Для резистора и одновременно для конденсаторов делают мультивибратор с ортогональных импульсов, которые имеют частоту 1,5 герца. Второй мультивибратор, в который входят еще два резистора и один конденсатор, а также остальные логические части, будут иметь импульсы по 20 килогерц. Звук на выходе сильно увеличиваются из-за транзисторного моста, который придает прибору нагрузку в виде динамиков.
Также их можно поменять на машинные динамики для повышения дистанции работы прибора.
Блок: 6/9 | Кол-во символов: 631
Источник: http://adogslife.ru/society/otpugivatel-svoimi-rukami.html
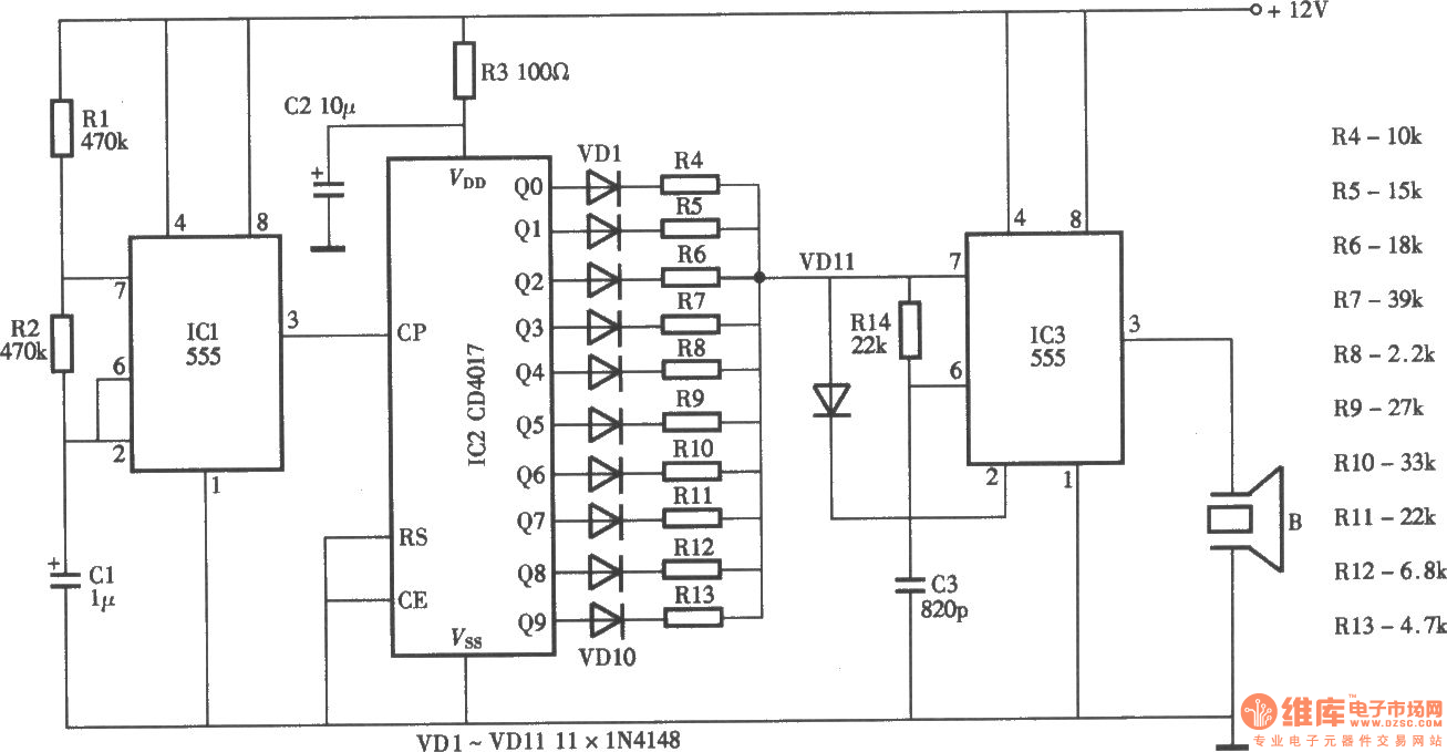
Схема мощного отпугивателя собак (также размещенная на Форуме сайта гор. Солнцево (http://fopum.ru/))
В этой схеме на первом логическом элементе собран генератор модулирующей частоты, который продлевает срок службы батареи питания и увеличивает эффективность отпугивания собак. Частота этого генератора должна находится в районе 14Гц.
На втором логическом элементе собран генератор ультразвукового сигнала частотой 24-25кГц, который управляется первым генератором. Таким образом получаются пачки импульсов с частотой 24-25кГц.
Последующие логические элементы являются буферными и распределяют сигнал на 2 выходных каскада.
Выходные каскады реализованы на транзисторах КП501А с допустимым обратным напряжением – 100В. Нагрузкой их являются ДР (3,3 или 4,7мГ) – МИЛЛИГЕНРИ и последовательно включенные диоды с обратным напряжением не менее 200В и частотой работы не менее 100кГц.
Эти диоды устраняют паразитные колебания, которые появляются в дросселях и суммируют их к амплитуде импульса. Таким образом они добавляют 10В к амплитуде получаемых высоковольтных импульсов.
Пьезокерамические излучатели TR2516T1 резонансные и рассчитаны на работу в диапазоне частот 24-26кГц. Их собственная ёмкость 2000пф. Могут быть заменены только на другие, с аналогичными параметрами.
Светодиод, подключенный через стабилитрон с напряжением 5,1В и последовательно включенным резистором, служит индикатором разряда батареи. Когда тускло горит светодиод или полностью гаснет – надо менять батарею питания. Второй светодиод – индикатор включения устройства. Использованы ярко горящие светодиоды.
Полевые транзисторы могут быть и другие – главное, это максимальное обратное напряжение не менее – 100В (желательно 150-200В). Дело в том, что при случайном отключении излучателей напряжение на стоке увеличивается до 100В.
Примечание. Не сожгите вход осциллографа, учитывая такие напряжения на излучателях.
Настройка устройства
Проверяют наличие импульсного напряжения на излучателях – оно должно быть порядка – 60В и частотой (24-25кГц).
Вместо резистора (12К, который помечен звёздочкой) временно впаивают подстроечный номиналом 15-20К и вращают его в небольших пределах, одновременно контролируя импульсы на излучателях. При достижении резонанса излучателя импульс приобретает максимальную амплитуду и он становится таким, как изображен на схеме. Его вершина должна быть немного плоской. После этого измеряют получившийся номинал резистора и впаивают постоянный резистор. Проверяют импульсы на 2ух каналах устройства.
Ток потребления схемы не более – 20мА и зависит от правильной настройки.
Индикаторный светодиод – яркогорящий. При других светодиодах необходимо подобрать гасящий резистор (10К) в сторону уменьшения номинала.
Подстройка УЗ частоты необходима потому, что резонансы излучателей имеют разброс по частоте. Если есть возможность, то излучатели так же надо подобрать по максимальной амплитуде импульса на них.
Блок: 5/6 | Кол-во символов: 2903
Источник: http://radiofishka.in.ua/ru/content/otpugivatel-sobak-obzor-shem-dlya-izgotovleniya-svoimi-rukami
Ниже цитируется авторский текст.
Собрал вот такую отпугивалку. Действует на собак по-разному, из бродячих 90% убегают, дрессированным «до лампочки». Звук получается громкий, очень неприятный, сколько дБ не знаю, нечем померить, но уши закладывает прилично. В качестве излучателя применён клаксон от автосигнализации, но можно, с одинаковым успехом, применить обычный динамик на 4 Ома, естественно, чем мощнее динамик, тем громче звучит, но в пределах возможностей самого усилителя. Схема потребляет большой ток, так что нужна хорошая батарея с напряжением от 6 до 12В (с «кроной» эффекта не будет). Достоинство данной схемы в том, что с её помощью можно настроить практически любой динамик на его резонансную частоту и получить в итоге очень громкий звук.
В данном случае с клаксоном эта частота находится в пределах 2,5-2,7 кГц. К тому же звук очень чистый, так как сигнал на выходе получается синусоидальный. Можно подавать от внешнего источника меандр, эффект не хуже, но будет присутствовать ещё и «жужжание». Даже может быть лучше эту пугалку использовать не на собаках, а на грызунах, живущих в овощехранилищах, совместно с датчиком движения. Такой резкий звук им вряд ли понравится, а заодно никого не побеспокоит. Вот сама схема, это типовое включение микросхемы К174УН7, с той разницей, что выход усилителя соединён со входом через конденсатор, а нужная частота регулируется переменным резистором. Такой готовый УНЧ на отдельной плате можно снять со старого телевизора, а также подойдёт любой другой подобный усилитель.
Блок: 6/6 | Кол-во символов: 1605
Источник: http://radiofishka.in.ua/ru/content/otpugivatel-sobak-obzor-shem-dlya-izgotovleniya-svoimi-rukami
Область применения
Можно по-разному использовать ультразвук для отпугивания собак: защищать себя, своих родных, дом или приусадебный участок.
На прогулке со своей собакой ее можно защитить от нападения. Кроме того, прибор позволяет дрессировать животное, сделав его послушным.
Нужно помнить правила работы с устройством. Батарея должна быть заряжена всегда. Прибор следует направлять на агрессивное животное с отклонением не более 5°. Если звук не действует, не забывайте включать фонарь.
С момента столкновения у вас есть буквально несколько секунд, чтобы применить свой отпугиватель. Поэтому носить его нужно в кармане. Применять прибор можно, не доставая его из одежды, необходимо лишь нажать на кнопку.
Не стоит провоцировать агрессию животного. Лучший способ избежать нападения — не приближаться к источнику опасности.
Блок: 5/7 | Кол-во символов: 828
Источник: https://4lapki.com/2017/03/pravila-primeneniya-otpugivatelya-sobak
Технология производства второго метода
Второй принципиальный вариант более простой, в него входит всего тридцать элементов. Резисторы выводные пять штук нужны для того, чтобы уменьшать интенсивности и для ущемления возможности тока.
Еще они дают старт на работу рабочим точкам, а именно двум транзисторам. Они делают частотный контроль одновременно с конденсаторами.
Резисторы контролируют частоту звука, поэтому подбирают их согласно мощности. Защитный диод нужен, для спасения аппарата в случаях, если случайно полюса напряжения будут спутаны. Мощность его разрешается 1,5-12 вольт. Чем больше напряжение, тем сильнее будут испускаемые колебания. Самоделка для отпугивания пса хорошее изобретение, а главное простейшее.
Блок: 7/9 | Кол-во символов: 723
Источник: http://adogslife.ru/society/otpugivatel-svoimi-rukami.html
Заключение
Пользоваться ли индивидуальными средствами защиты, каждый решает для себя сам. Дети, спортсмены, туристы — вот основные жертвы нападений. Если вы испытываете страх, тогда стоит приобрести такой прибор. Наличие отпугивателя не означает, что его непременно используют, он может вообще вам не пригодиться. Однако устройство дает чувство уверенности и безопасности, а значит, и психологический комфорт.
И не столь важно, будет это отпугиватель собак, своими руками выполненный или купленный в магазине. Главное, прибор дает возможность избежать травм и неприятных последствий от укуса.
Блок: 7/7 | Кол-во символов: 593
Источник: https://4lapki.com/2017/03/pravila-primeneniya-otpugivatelya-sobak
Подведем итог
Применять средство для защиты или нет, каждый человек решает сам. Важно защитить детей от злых животных. Если человек боится собак, то лучше сделать отпугиватель своими руками или приобрести готовый прибор. Если он будет всегда находится в кармане, человек будет спокойно себя вести и не бояться ходить по улицам.
Таким образом, если человек уверен в своей защите, он будет в хорошем психологическом расположении. Поэтому не важно, какой именно будет отпугиватель, самодельный или купленный, главное соблюдать правила применения, чтобы не травмировать себя.
Блок: 9/9 | Кол-во символов: 582
Источник: http://adogslife.ru/society/otpugivatel-svoimi-rukami.
html
Количество использованных доноров: 7
Информация по каждому донору:
- http://radiofishka.in.ua/ru/content/otpugivatel-sobak-obzor-shem-dlya-izgotovleniya-svoimi-rukami: использовано 5 блоков из 6, кол-во символов 8672 (23%)
- http://adogslife.ru/society/otpugivatel-svoimi-rukami.html: использовано 3 блоков из 9, кол-во символов 1936 (5%)
- http://podpricelom.com/samooborona/kak-sdelat-otpugivatel-sobak.html: использовано 2 блоков из 3, кол-во символов 4286 (11%)
- https://dezbox.ru/deratizaciya/otpugivatel-sobak-svoimi-rukami-sxema-i-podrobnaya-instrukciya-po-izgotovleniyu/: использовано 1 блоков из 2, кол-во символов 7250 (19%)
- https://hqsignal.ru/sredstva/otpugivateli/sobak-svoimi.html: использовано 4 блоков из 7, кол-во символов 6582 (17%)
- https://4lapki.com/2017/03/pravila-primeneniya-otpugivatelya-sobak: использовано 4 блоков из 7, кол-во символов 3558 (9%)
- http://radiobezdna.
ru/dlya-doma-i-semi/ultrazvukovoj-otpugivatel-sobak.html: использовано 1 блоков из 2, кол-во символов 5780 (15%)
Отпугиватель собак на ne555 схема
Ультразвуковой отпугиватель собак
Ультразвуковой репеллент собак (ультразвуковой отпугиватель) вырабатывает звуковой сигнал, который не вредит собакам, но вызывает у них состояние дискомфорта. Человек не слышит этот сигнал, т. к. его частота выше порога слышимости для человека. Устройство выдает звук уровнем в 100 dB на расстоянии 1 м.
В схеме использует стандартный 555 таймер, на основе которого собран генератор, настроенный на частоту 25 кГц. Резистором R3 генератор настраивается на резонансную частоту используемого вами пьезоизлучателя.
Рис. 1 Ультразвуковой отпугиватель собак, схема
Для получения максимальной отдачи от пьезоизлучателя (В1) на него требуется подать повышенное переменное напряжение. Это достигается при помощи включения В1 через автотрансформатор Т1.
Автотрансформатор можно изготовить самостоятельно на основе железа от выходного или согласующего трансформатора, применяемого в малогабаритных радиоприемниках.
Для пьезоизлучателя типа 250ST180 (напряжение с амплитудой не менее 25 В). Имеющиеся в трансформаторе обмотки удаляем, а на их место наматываем 100+800 витков проводом ПЭВ диаметром 0,1 мм.
В качестве Т1 удобно использовать также трансформатор от старых моделей телефонных аппаратов. Потребуется только удалить верхнюю обмотку и вместо нее намотать 100. 150 витков таким же проводом. Число витков в обмотке (2-3) зависит от напряжения питания схемы и берется максимальным при Uпит=9. 12 В.
Автор: Flasher
Опубликовано 04.11.2016
Создано при помощи КотоРед.
Ну не люблю я собак, не люблю и всё тут!
Еще с детства настороженное отношение к уличным стаям собак заставляло искать методы защиты от нападения. Крики неадекватных собаководов, что, мол, собака просто так не нападает, давно развенчаны учеными мужами.
Как оказалось, спровоцировать нападение собаки(не дрессированной, конечно) может все что угодно- запах, походка.
В юношестве, увидев описание в Юном технике догчейзера- прибора для отпугивания собак, я загорелся мыслью о создании подобного девайса. Но многочисленные опыты стабильного результата не дали и мысль была отложена на долгие года в далекий закуток сознания. И вот, совсем недавно, попался мне в руки чудодевайс- верх инженерной мысли кЕтаястроения. Естественно, прочитав кучу форумов, я был настроен весьма скептически к кЕтайским пугалкам. Но владелец чудодевайса уверил в его действенности и вручил мне пациента для препарирования и изучения возможности поднять мощность. Со свежей кроной в девайсе и запасным кирпичом в кулаке я направился мимо частных домов. Мирно лежащая и мечтающая о вкусной косточке собака случайно оказалась на пути. Нажимая на кнопку, я в принципе не ожидал никакого эффекта. Ну максимум- заинтересованного взгляда. Но собака, вопреки ожиданиям, подскочила и стала улепетывать во все 4 ноги, помогая себе хвостом и загребая землю зубами так, будто в нее летел булдыжник размером не меньше челябинского метеорита.
Воодушевившись результатами опыта, я решил его повторить. На этот раз две маленькие собачки продефелировали в метре от меня даже не взглянув в мою сторону. А смотреть было на что- посиневшие пальцы, вдавливающие до упора кнопку на приборе и упавшая челюсть вместе с разочарованным взглядом. Хотя в сети гуляют видео как собаки улепетывают от этого прибора (видимо им внушает опасение человек с желтой хренью в руке и сумасшедшим взглядом, а не само воздействие прибора).
Потом, как нормальный естествоиспытатель, я протестировал аппарат на себе. Следуя предупреждениям из паспорта, в ухо совать не стал. Прибор издаёт весьма мерзкий писк, тихий, едва различимый. Если верить мануалу, то частота звука свыше 20 кГц. Панического страха не испытал. Во время экспериментов за мной с интересом наблюдала соседская собака. Ужаса в её глазах рассмотреть мне не удалось. Видно было, что её внимание привлекает не то звук, не то мигание светодиодов, вмонтированных в корпус. Поскольку расспросить ее не представлялось возможным, то впал в некоторую грусть, ибо прибор совсем не вселяет панику, несмотря на заверения китайского паспорта к устройству.
Разозлившись на прибор, я вооружился отверткой и большим тесаком и приступил к вскрытию.
Вот характеристики пугалки:
размер 130мм х 40мм х 25мм.
питается от 9-ти вольтового элемента типа “крона”.
3 режима работы: фонарик, тренировка (привлечение внимания собаки), отпугиватель.
Корпус оказался частично склеенным, поэтому пришлось аккуратно его разламывать и доставать потроха. Потроха удивили своей примитивностью.
Чтобы разобраться в его работе, срисовал его схему.
На схеме видно, что девайс питается от кроны. Состоит из двух независимых узлов – ультразвуковой пищалки с драйвером и мигалки на светодиодах с генератором.
Различные режимы выбираются с помощью переключателя SA1. В режиме “3” питание подается на оба генератора. Параметрический стабилизатор R3 VD1 формирует напряжение питания на уровне 5,6 вольт для микросхемы DD1, обеспечивая некую стабильность генерируемых частот при изменении напряжения питания.
На элементах DD1.6 и DD1.5 собран симметричный мультивибратор. R4 и R7 формируют начальное смещения для его работы. Подстроечным резистором R5 в некоторых пределах можно регулировать частоту и скважность этого генератора. Настраивается по максимальному излучению звука самим излучателем.
Конденсаторы С1 и С2 пленочные, а не керамические. Это весьма благотворно сказывается на температурной стабильности генератора и предсказуемости его частот.
Пьезокерамические излучатели TR2516T1(ну или кЕтайские аналоги) резонансные и рассчитаны на работу в диапазоне частот 24-26кГц (в приборе выходная частота была установлена на 26,5 кГц). Диаметр 16 мм. Уровень звукового давления не менее 115Дб.
Диаграмма направленности – 72 градуса от центральной оси по уровню 6дб. Их собственная ёмкость 2000пф. Могут быть заменены только на другие, с аналогичными параметрами.
Элементы DD1.4 и DD1.3 буфер-драйвер для выходного транзистора. Их задача – минимизировать влияние нагрузки на элементы генератора и при этом обеспечить выходной ток для открытия транзистора VT1.
В коллекторе транзистора находится первичная обмотка повышающего трансформатора. Выходное напряжение, благодаря емкостному характеру нагрузки, близко по форме к синусоиде с амплитудой 40-55 вольт. Это близко к максимальной амплитуде для подобных излучателей. Выше поднимать рискованно, иначе можно безвозвратно испортить излучатель.
Пульсации на стабилитроне (заметьте, в схеме отсутствует фильтрующий конденсатор по цепям питания) составляют около 0,2 вольт.
На элементах DD1.1 и DD1.2 собран генератор с частотой 16,4Гц. Импульсы с него поступают на транзистор VT2. Зачем там кЕтайцы влепили такой мощный транзистор совсем не понятно. Ведь в токоограничительный резистор светодиодов- 3,6кОм(!).
В режиме “2” питание подается через дополнительную цепочку R2 VD3 в результате частота импульсов падает до 22,5 кГц (из-за просадки питания самой микросхемы и пульсаций в цепи питания 0,7 вольт при свежей кроне) и амплитуда на излучателе также значительно уменьшается.
Через диод VD2 блокируется работа генератора и светодиоды постоянно включены. В “1” режиме питание на генераторы вообще не подается, а просто открывается транзистор VT2 через R1. Вот такая вот экономия батарейки в режиме фонарика.
Пожаловался я владельцу этого отпугивателя собак на плохое кЕтайское исполнение. Он мне ответил, что от того варианта хоть собаки убегают. Другие отпугиватели они просто подходят и облизывают. Один такой облизанный отпугиватель он мне и вручил. Тщательно его отмыв, я решил его препарировать.
Открутив 3 винта, я сразу же понял, почему собакам так нравится его облизывать. Внутри оказалась вкусненькая схема на 2 транзисторах. Естественно, что ничего качественного она выдавать не может.
Срисовал весь этот ужас.
Кетайские схемотехники превзошли самих себя. На транзисторе VT1 собран инвертор фазы. Сам излучатель находится в цепи обратной связи от контура до входной цепи генератора. Частота генерации частично зависит от частот настройки контура и от параметров излучателя. Кстати, промеряв с помощью звукового генератора частоту механического резонанса излучателя, узнал что она составляет 24,2кГц. Сам отпугиватель при этом работает на 23,8 кГц-это на 20 процентов меньше мощности.
На частоте резонанса импеданс излучателя минимален, а значит ток, протекающий через него максимален. Что и было зафиксировано осциллографом на последовательно включенном с излучателем резисторе в 1кОм.
При питании от батареи 9в отпугиватель потребляет около 20мА. Экономно, не придерёшься. Когда я поднёс его к пламени зажигалки, обнаружил, что пламя слегка отклоняется от излучателя!
Правда, 10 вольт размаха импульса на излучателе-это смешно. Мощности никакой. Попробовал понастраивать контур в резонанс с механическим резонансом излучателя. Но добился размаха только в 25 вольт. Совсем негусто. Собаки, облизывайте дальше такой отпугиватель!
Следующий облизанный отпугиватель выглядел очень грозно. Аж 2 параллельно включенных излучателя и лазерный светодиод посередине. Наверное, для того чтобы было удобнее прицеливаться кидая его в собак.
Внутренности похожи на первую схему. Только маркировка со сверхсекретной микросхемы была тщательно удалена напильником лазером. Судя по цепям питания микросхема может быть либо дешевым процессором, либо ШИМом. Разбираться со схемой не было никакого желания. Так как особой хитрости не было. Схема работала так же как и первая, только амплитуда на излучателях была раза в 2-3 меньше. Естественно, собак отпугивалка и не заинтересовывала.
Но два излучателя и удобный корпус очень заинтересовал меня. Возникла мысль собрать самому отпугивалку. Конечно, излучатели и корпус можно купить отдельно. Но стоить они будут в несколько раз дороже чем готовая отпугивалка (7$) у кетайцев.
Перво-наперво, я измерил резонансные частоты излучателей. Для этого подал синусоиду с генератора на цепочку из последовательно соединенных излучателя и резистора с сопротивлением 1кОм. Сигнал контролировался осциллографом на резисторе. На частоте резонанса излучатель имеет минимальный импеданс, а значит, при этой частоте будет наблюдаться максимум амплитуды на резисторе. С удивлением заметил, что излучатели были тщательно подобранны. Частоты резонансов были одинаковы. Впаивая излучатели обратно на переходную платку следует обратить внимание на их правильную фазировку. Один из выводов излучателя помечен кольцом. Соответственно, эти выводы должны соединяться вместе.
Далее, я определился чего я хочу от отпугивалки. Фонарик из нее просто никакой. Мигающие слабенькие светодиоды на собак никак не влияют. Поэтому я отказался от цепей управления светодиодами и лазером.
Так как даже незначительный уход от частоты резонанса приводит к значительному снижению звукового давления от излучателя, то от функции частотной модуляции, которая в теории может присутствовать в отпугивалках тоже отказываемся. Тем более, она отсутствует во всех известных мне отпугивалках. Режим импульсного воздействия ультразвука был также испытан на первой схеме отпугивалки. Различий в результатах отпугивания замечено не было. Поэтому превращаем отпугивалку в относительно мощный генератор ультразвуковых импульсов. Желательно применить отечественную элементную базу. Патриоты мы или где?
Для этого очень хорошо подходит отечественная микросхема 1211ЕУ1.
Микросхема 1211ЕУ1 представляет собой специализированный контроллер электронных пускорегулирующих аппаратов (ЭПРА) для компактных люминесцентных ламп с питанием от бортовой сети постоянного тока 3. 24 В. Производится по KМОП технологии.
У этой микросхемы наблюдаются следующие интересные особенности:
– Двухтактный выход с паузой между импульсами
– Вход переключения частоты
– Минимальное количество навесных элементов
– Малая потребляемая мощность
– Не имеет аналогов
– Возможность включать и отключать выходной каскад по выводу FV(можно легко организовать импульсный режим работы излучателя).
Питание микросхемы нужно стабилизировать чтобы частота работы не зависела от него. С этой задачей справляется параметрический стабилизатор R1 VD2. Конденсатор С2 накапливает энергию для питания микросхемы, при этом диод VD1 не дает разряжаться этому конденсатору в остальные цепи. От резисторов R2 R3 и конденсатора С3 зависит частота работы ультразвукового генератора. Резистором R2 необходимо настроить ее на частоту резонанса излучателей. К сожалению, выходные каскады микросхемы имеют большое внутреннее сопротивление ключей. Поэтому пришлось применить внешние ключи VT1 VT2 в виде отечественных полевых транзисторов КП505А в малогабаритном корпусе ТО-92. Сопротивление канала транзистора не превышает 0,5 Ом и ток в импульсе может достигать 5,6 ампер. Ключи подают попеременно импульсы на разные части первичной обмотки повышающего трансформатора T1. Трансформатор T1 выполнен на ферритовом кольце М2000 К16х9х6. Первичная обмотка мотается поверх вторичной. Первичная мотается в 2 провода с соединением противоположных концов. Количество витков по 18. Количество витков вторичной обмотки- 130.
Устройство собрано на печатной плате с размерами аналогичными родной плате устройства.
Плата выполнена по технологии ЛУТ.
При наладке нужно резистором R2 установить частоту работы ультразвукового генератора равной частоте резонанса излучателей. Проверить работу устройства можно направив излучатели на пламя свечи. Оно должно значительно отклоняться.
Ток потребления устройства около 200 мА. Поэтому, чтобы напряжение не сильно проседало, нужно использовать только качественные и дорогие кроны.
Амплитуда импульсов на излучателе не должна превышать 60 вольт кратковременно.
В эффективности работы отпугивателя можно убедиться, посмотрев видео.
Люди, пострадавшие от укусов разъяренных собак, всю жизнь страдают от навязчивой фобии. Боязнь бездомных животных не только мешает спокойно передвигаться по городу, но и заставляет переживать за безопасность собственных детей. Иногда, чтобы добраться до школы или магазина, нужно отпугнуть стаю бродячих собак. Палка или камень против целой своры — провальная затея, особенно, если защищаться придется ребенку.
Чем отпугнуть собак
Использование специальных отпугивателей для собак (дайзеров) — реальный шанс обезопасить себя и своих близких. Эти устройства легко помещаются в карман куртки, рюкзак или женскую сумочку, и так же быстро оттуда извлекаются при необходимости. Важно разобраться в принципах действия разных дайзеров, чтобы выбрать максимально мощный. Среди существующих в продаже самым эффективным считается ультразвуковой отпугиватель. Его действия хватает на 13 м, а значит, собаки не успеют подойти близко.
Стоимость фабричных дайзеров достаточно высока, поэтому люди часто пользуются самодельными устройствами. Настоящие умельцы смогут изготовить любой отпугиватель своими руками: химический, ультразвуковой или электрический. Зачем покупать дорогое устройство, если вариант, сделанный собственноручно, не менее эффективен?
Химический отпугиватель собак своими руками: из чего и как сделатьХимические дайзеры — это устройства, наполненные токсичным для животного и человека составом. Принцип действия отпугивателя заключается в распылении едкой жидкости на слизистые оболочки глаз, носа, пасти собаки. Оценить эффективность такого дайзера сложно. Во-первых, его использование предполагает тесный контакт с разъяренными животными, что само по себе очень опасно. Во-вторых, при нападении большого количества собак распылить баллончик с «химией» на всех просто не хватит времени.
К сведению! Сделать химический отпугиватель легко. В работе понадобятся компоненты, которые можно найти на любой кухне: молотый черный перец, уксус, горчичный порошок. Некоторые при изготовлении такого дайзера вместо уксуса используют махорку. В результате получаются баллончики с разным составом.
Как происходит изготовление химического дайзера в домашних условиях?
- Подготовка емкости для химического состава. Как правило, это пластиковая бутылка 0,5 л без крышки, на которую надевается распылитель.
- Замешивание состава: в уксус добавляется перец, все вместе взбалтывается.
- Жидкость переливается в бутылку, плотно закрывается. Не очень удобно, но нужно носить с собой.
- Подготовка емкости для химической смеси. Удобно, если это будет баночка 0,25 л с плотно закручивающейся крышкой.
- Приготовление едкой смеси: мелко нарезать махорку, добавить перец и горчичный порошок. Перемешать.
- Переложить все в банку и закрыть крышкой. Носить с собой, при атаке агрессивно настроенной собаки высыпать содержимое на животное.
Ультразвуковой дайзер, издающий неприятный для собачьего уха звук, отличается высокой эффективностью. Плюсы этого устройства в том, что оно абсолютно безвредно для людей и действует даже на больших расстояниях. Бродячие псы сразу же обращают внимание на сигнал ультразвука, стремительно покидая место встречи с человеком. Воспользовавшись прибором в критической ситуации, удастся сразу разогнать всю стаю, а не отбиваться от каждой собаки отдельно.
Схема отпугивателя от собак
Изготовить ультразвуковой отпугиватель собак своими руками можно по разным схемам мощных дайзеров, взятых из Интернета. Их можно переделать, если позволяют технические навыки, или воспользоваться в готовом виде. Универсальная схема ультразвукового отпугивателя собак предполагает наличие микросхемы, транзисторов, резисторов, диодов. На этапе сборки устройства для отпугивания ультразвуком важно соблюдать рекомендации специалистов:
- использовать пьезокерамический излучатель во время изготовления дайзера, что позволит равномерно распределить нагрузку;
- для включения света выбрать светодиоды Д3. Их установка осуществляется в самой дальней части прибора;
- чтобы отпугиватель работал на частоте 25 кГц, нужно взять резистор Р35, но экспериментировать с параметрами частотности не стоит. В этом плане лучше придерживаться настроек заводских моделей;
- мощность ультразвукового дайзера не должна превышать 130 дБ. В противном случае прибор не просто отпугнет животное, но и нанесет ему ощутимый вред;
- для продолжительной работы ультразвукового устройства его следует снабдить слотами на 8 батареек 9В;
- проверка импульсов ультразвука — финальный штрих в работе. Осуществить ее можно с помощью осциллографа или звуковой карты, совместимой с компьютером;
- если прибор готовился для стационарного использования (например, для дачи), то его нужно заключить во влагостойкий корпус и снабдить зажимами.
Пример самодельного отпугивателя от собак
Из-за незнания принципов работы электрического дайзера его часто путают с обычным электрошокером. Многие сразу отказываются от покупки такого отпугивателя, поскольку это противоречит их представлениям о гуманном отношении к животным.
Важно! Электродайзер не предназначен для тесного контакта с телом собаки. Прибор лишь создает громкий прерывистый шумовой эффект, который отпугивает агрессивных животных.
Чтобы изготовить электрический отпугиватель собак в домашних условиях, понадобятся такие элементы: бутылка из пластика, высоковольтный модуль, микро-кнопка и пальчиковая батарейка. Технология создания самодельного устройства проста:
- Скрепить пальчиковую батарейку и модуль при помощи изоленты.
- Припаять к поверхности батарейки кнопку и провода.
- После изготовления основы для отпугивателя следует обрезать электрические провода.
- Отрезать от пластиковой бутылки горловину, получив диффузор для усиления звукового сигнала и защиты от напряжения.
- Надеть диффузор на электрический модуль, сделав небольшие надпилы на горловине.
- Хорошо проклеить место соединения горловины и модуля.
Наглядную информацию об изготовлении электрического отпугивателя собак можно получить из видеороликов на Ютуб, которые снимают люди со специальными техническими навыками. Там же электродайзер показан в действии: внезапный треск электрических разрядов действует на собак угнетающе, и они прячутся. Неважно, с каким количеством бродячих животных предстоит столкнуться, громкие разряды электрического отпугивателя заставят разбежаться всех.
Обратите внимание! Несмотря на терпимое отношение большинства людей к бездомным животным, проявлять беспечность в вопросе собственной безопасности недопустимо. Собака — действительно друг человека, но лишь в том случае, когда о ней заботятся со щенячьего возраста и содержат в достойных условиях.
Бродячие псы живут по другим законам, и предугадать их поведение в той или иной ситуации сложно. Из-за испытаний, которые ежедневно приходится выносить уличным животным, они озлобляются и все чаще бросаются на прохожих.
Самодельный отпугиватель собак защитит человека всегда, главное, держать прибор при себе. Никто не знает, где случится опасная стычка со стаей: во время вечерней прогулки, в малознакомом районе, на подходе к дому. Бездомные псы могут делить добычу, территорию или гоняться за сукой, не следует специально привлекать к себе внимание и пытаться утихомирить животных. Задача № 1 в этой ситуации — как можно скорее покинуть опасную территорию, но, если не получилось, воспользоваться отпугивателем.
Ультразвуковой свисток для собак – схемы, схемы, проекты в электронике
Ультразвуковой свисток для собак
Хорошо известно, что многие животные особенно чувствительны к высокочастотным звукам, которые люди не слышат. Доступно множество коммерческих отпугивателей вредителей, основанных на этом принципе, большинство из которых работают в диапазоне от 30 до 50 кГц. Однако моей целью было разработать немного другой и несколько более мощный генератор звуковых частот / ультразвукового звука, который можно было бы использовать для дрессировки собак.Только представьте себе возможности – вы можете заставить своего питомца дважды подумать, прежде чем снова лаять посреди ночи или даже подчинить враждебных собак (и я думаю, грабителям это понравится!). Судя по тому, что я читал, собаки и другие млекопитающие аналогичного размера ведут себя совсем не так, как насекомые. Они, как правило, лучше всего реагируют на частоты от 15 до 25 кГц, а более старые менее восприимчивы к более высоким тонам. Это означает, что обычный отпугиватель вредителей не сработает просто потому, что собаки его не слышат. Поэтому я решил сконструировать новую схему (на основе, конечно, почтенного 555) с переменным шагом и относительно громким миниатюрным пьезо-звуковым сигналом 82 дБ.Схема очень простая и легко собирается за полчаса. Большинство компонентов на самом деле не критично, но вы должны иметь в виду, что другие значения, вероятно, изменят рабочую частоту. Потенциометр определяет высоту звука: более высокое сопротивление означает более низкую частоту. Поскольку разные собаки реагируют на разные частоты, вам, вероятно, придется немного поэкспериментировать, чтобы получить максимальную отдачу от этой крошечной схемы. Схема представлена ниже:
Принципиальная схема
Несмотря на простоту схемы, есть одна мелочь.Конденсатор 10 нФ (0,01) имеет решающее значение, поскольку он также определяет частоту. Большинство керамических колпачков очень нестабильны, и допуск в 20% не является чем-то необычным. Более высокая емкость означает более низкую частоту и наоборот. Для правильной юстировки и настройки потребуется осциллограф. Поскольку у меня его нет, я использовал Winscope. Хотя он ограничен только 22 кГц, этого достаточно, чтобы увидеть, как работает эта схема. Для этого проекта не нужно травить печатную плату, подойдет перфокарта. Проверьте схему, чтобы увидеть, как она реагирует на разных частотах.Потенциометр 4k7 в сочетании с конденсатором 10 нФ (или немного больше) дает от 11 до 22 кГц, что должно быть хорошо. Установите схему в небольшую пластиковую коробку и, если хотите, вы можете добавить светодиодную контрольную лампу. Потребляемая мощность очень мала, а батареи на 9 В должно хватить на долгое время. Возможные дальнейшие эксперименты: я работаю над усиленной версией свистка, чтобы получить более громкий сигнал. Все попытки до сих пор не увенчались успехом, так как производительность на высоких частотах имеет тенденцию резко падать с 555.Возможно, я мог бы использовать схему удвоителя частоты – я просто не знаю, и у меня закончились идеи. Еще одним немного более продвинутым проектом может быть простое устройство «против лая» со звуковым переключателем (хлопком), который включает ультразвуковой зуммер, как только ваша собака начинает лаять.
автор: Томаз Лазарьэлектронная почта:
сайт: http://www.zen22142.zen.co.uk
Ультразвуковой отпугиватель DOGS (портативный + звуковой тест + аккумулятор): 6 шагов
Привет из ЕГИПТА,
Сегодня я закончил новый проект – портативный ультразвуковой отпугиватель.Мы могли бы начать с некоторых акустических фактов, которые я узнал из курса акустики в моем университете, я суммирую их в баллах:
1. Человек может здесь акустическая волна от 20 Гц до 20 000 Гц (20K) *.
2 – Дельфин общается с помощью акустической волны 200 000 Гц (200 К), в то время как слоны используют 10 Гц.
3- Акустическая волна – это продольная волна, возникающая из-за механического возмущения, поэтому 2 основных фактора – это давление и скорость, производящие энергию, и волна может распространяться.
4- Волны с частотой более 20 кГц называются ультразвуковыми волнами и используются во многих приложениях, таких как сонография, неразрушающий контроль (неразрушающий контроль), подводная коммуникация,…. так далее . В то время как волны с частотой ниже 20 Гц называются инфразвуковыми и используются в сейсмологии, горном деле и т. Д.
* Верхний предел может варьироваться в зависимости от возраста и чувствительности (дети могут слышать более 20 кГц).
Важное примечание:
Если вам нужен файл схемы или спросите о каком-либо компоненте , вы должны связаться со мной, и я с удовольствием пришлю их вам.
Спецификация устройства:
– Размер портативного устройства
– Безопасен для окружающей среды и здоровья и не влияет на птиц
– Перезаряжается с большой емкостью батареи
– Адаптивная калибровка частоты без специалистов
– Высокая мощность в течение длительного времени эффективный диапазон
– Ключ защиты для энергосбережения
– Включено звуковое тестирование
Предупреждения
– Чтобы не подвергать свою жизнь опасности, тестируйте устройство.
– Используйте только зарядное устройство (10 В, 200 мА).
– Не рекомендуется использовать вблизи детей, так как уши могут быть чувствительны к частотам устройства.
– Не направляйте устройство близко к глазам, ушам или коже.
– Батарея в комплекте, не сжигайте.
– Устройство работает не со всеми видами животных.
Ультразвуковой отпугиватель собак – отпугиватель собак создает безопасное пространство
Ультразвуковой отпугиватель собак – самый гуманный и безопасный способ отпугнуть недружелюбных собак.Используя новейшую ультразвуковую технологию, этот репеллент издает неприятный, но не вредный высокочастотный звук (35 000–45 000 Гц), слышимый собаками, но не очень слышимыми людьми.
Они «возненавидят» этот звук, и он заставит их уйти от вас … быстро!
Простота использования: просто наведите отпугиватель животных на приближающееся животное и нажмите кнопку. Вы также можете купить Dog Pepper Spray, что является еще одним отличным вариантом.
Просто наведи и нажми!
Это также идеально подходит для заядлых бегунов, которые иногда могут контактировать со страшным четвероногим незнакомцем.Все мы знаем, что у большинства собак лай хуже, чем укус. Хотя большинство из них могут и не планировать заниматься физическими упражнениями, одно нажатие кнопки – и их просто отпугивает раздражающая комбинация света и звука. Однако никакого вреда собаке это не причиняет.
Его также можно использовать как фонарик, который полезен перед восходом и после захода солнца, или даже в темном гараже или подвале.
И если вы ищете что-то с немного большим Ooomph , мы рекомендуем электрошокер для собак.
Этот отпугиватель также является полезным тренажером при использовании в сочетании с устными или ручными командами.
Ультразвуковой отпугиватель собак безопасен и надежен. Вы можете иметь веру во время утренних прогулок, пробежек или повторных пробежек. Не нужно бояться проверять почту или снова выносить мусор. Его универсальность показывает, что это тот предмет, которым должен владеть каждый! Ознакомьтесь с нашим сообщением в блоге о 5 причинах приобрести отпугиватель собак.
Отпугиватель собак
Держите недружелюбных собак
подальше!
Это один из наших самых популярных товаров, который продолжает получать похвалы за надежность, доступность и небольшой размер.Используя одну щелочную батарею 9 В, он издает высокочастотный звук, который надежно отпугивает любую собаку.
Если вы боитесь причинить боль животным или по местным законам не можете использовать другой предмет самообороны для отпугивания животного, то это то, что вам нужно! Он НЕ причиняет вреда животному и прост в эксплуатации. Он понравится любителям животных, но также может сделать маршрут бегуна снова безопасным и приятным.
Никогда не бойтесь снова совершить расслабляющую пробежку или одиночную пробежку! Он создает невидимый щит, не причиняя вреда самому животному.
Определенные законы о запрете на поводок в некоторых штатах могут защитить некоторые потенциально опасные собаки от защиты невинных бегунов. Никогда больше не беспокойтесь об этой проблеме! Это эффективное устройство разрешено носить с собой и может защитить вас от травм, не столкнувшись с юридическими последствиями разгневанного владельца.
Еще одно положительное дополнение репеллера – его можно использовать как тренажер. В сочетании с жестами руками или голосовыми командами это может помочь укрепить то, что вы пытаетесь сделать.
Приблизительные размеры: 13,7 x 5,5 x 2,5 см
Ультразвуковой охотник за собакамиУльтразвуковой отпугиватель излучает частоту в диапазоне от 35 000 Гц до 45 000 Гц с интервалом, который практически не слышен людьми, но может быть слышен собаками или кошками. При правильном использовании это может безвредно воспрепятствовать подходу. Устройство будет излучать эти ультразвуковые волны, когда вы будете постоянно нажимать кнопку питания и направлять устройство прямо на приближающегося преступника.
Электронный отпугиватель
Примечание от TBO-TECH: Наш вопрос номер один по этому электронному отпугивателю: «Работает ли он?». Наш ответ: «Да, это так.«Однако не гарантируется, что вы отвернете каждую собаку. Ваше домашнее животное или того, кто знает вас и доверяет вам, не может оттолкнуть неприятный звук. Глухих, бешеных или особенно свирепых может не подействовать звук.
12 лучших ультразвуковых отпугивателей собак 2021 года | Homesthetics
Заявление об ограничении ответственности | Эта статья может содержать партнерские ссылки, это означает, что мы можем бесплатно получить небольшую комиссию за соответствующие покупки.
Собаки, несомненно, являются подарком людям от большого человека наверху, и до некоторой степени мы все питаем к ним слабость в своем сердце.
Однако, будучи любителем домашних животных, иногда становится трудно дистанцироваться между вами и вашей собакой. Особенно, если вы хотите побыть одному или научить дворнягу вести себя лучше. Но что, если вы любитель кошек и не очень любите собак?
Что делать, если вы ненавидите K9 или боитесь их приближения? Мы можем полностью понять, потому что не все собаки мягкие и игривые.Некоторые из них являются откровенно агрессивными породами, способными вызвать серьезные травмы – как психические, так и физические.
Даже если собака на поводке, это не гарантирует вам 100% -ную безопасность, особенно если вы не знаете хозяина. В такие моменты может пригодиться один из лучших ультразвуковых отпугивателей собак.
Нет, мы не просим вас очернять всех собак; все мы говорим, что ваша безопасность в ваших руках. И вы будете в большей безопасности, если купите одну из наших главных рекомендаций.
Ультразвуковые отпугиватели собак Top Документ- Ультразвуковой отпугиватель собак Dog Dazer II
Первое место в нашем списке занимает продукт по очень умеренной цене с большим количеством положительных отзывов.Dog Dazer II – отличное портативное устройство, в котором используются современные ультразвуковые технологии, чтобы держать собак в страхе, даже если они находятся на расстоянии 20 футов! И самое приятное то, что эта модель была разработана, чтобы быть особенно полезной для отпугивания больших собак, а не маленьких. Прочтите больше, чтобы узнать о нашем опыте.
Почему нам понравилось?
Что ж, будучи владельцами собак, мы часто оказываемся в компании других родителей домашних животных по соседству или в собачьем парке. Хотя большинство собак хорошо себя ведут, всегда есть те, от которых мы хотим держаться подальше.Наша первая встреча с этой моделью произошла прямо у нашего дома, когда соседи, немецкая овчарка, одарили нас корявым взглядом. Чтобы увести его, достаточно нажать 1-2 секунды.
Мы не одобряем жестокость по отношению к животным (или людям) в какой-либо форме, поэтому этот ультразвуковой «пистолет» творит чудеса, отпугивая дворняг. Все, что вам нужно сделать, это направить машину на собаку и нажать кнопку на пару секунд. Светодиод загорается, указывая на то, что машина работает, и вы почти не слышите шума, исходящего от нее.
Качество сборки простое и эффективное – именно то, что вам нужно от подобного устройства, и оно может стать вашим надежным помощником, куда бы вы ни пошли. Также есть индикатор низкого заряда батареи, чтобы вы знали, когда он готов к зарядке.
Что могло быть лучше?
Единственная проблема, с которой мы столкнулись при использовании этой модели, была связана с тем, что машина не работала с первой попытки. В нескольких случаях, когда мы тестировали машину (к счастью), светодиод не загорался, и нам приходилось нажимать на него 2-3 раза, прежде чем он загорелся.Это может быть большим делом, если не позаботиться о нем на раннем этапе.
Плюсы
- Удобный дизайн
- Кнопки легко нажимаются
- Лучше всего использовать на расстоянии 5-15 футов
- Индикатор низкого заряда батареи
Минусы
- Может потребоваться несколько нажатий кнопки
- Ручной ультразвуковой отпугиватель собак PetUlove
Теперь это больше, чем просто отпугиватель собак! Благодаря 3-х канальным ультразвуковым датчикам вы можете использовать эту машину для отпугивания собак, кошек, волков и даже змей! Что ж, мы не пробовали волков и змей, но если компания говорит, что это правда, мы в это верим.Кроме того, если у вашего компаньона K9 слишком много лая, эта модель от PetUlove должна помочь.
Нет товаров.
Почему нам понравилось?
Во-первых, этот репеллент стоит меньше, чем предыдущая модель, которую мы рассматривали, но также имеет меньшее количество отзывов в Интернете. Но, несмотря на то, что это более новая запись, она содержит множество дополнительных функций, которые понравятся всем. Его функция дрессировки собак особенно полезна для исправления неправильного поведения, такого как лай, копание или драка.
Наш щенок корги очень мягкий по природе, но даже он иногда приходит в ярость, увидев белку или бездомную кошку на заднем дворе. Мы использовали этот ультразвуковой репеллент, чтобы он ушел и успокоился. Пользоваться им легко; вы нажимаете кнопку как обычно, а машина делает все остальное. Перезаряжаемый аккумулятор на 1000 мА также известен своим долгим сроком службы.
Послепродажная поддержка – это то, что, по нашему мнению, заслуживает особого упоминания, потому что очень немногие компании делают это правильно. Помимо круглосуточной поддержки клиентов, у вас есть возможность вернуть или заменить продукт, если он окажется неисправным.И что самое лучшее в использовании этого ультразвукового репеллента? Это не причинит вреда вашим животным.
Что могло быть лучше?
Надо сказать, мы были полностью влюблены в эту модель, пока не поняли, что нужно своевременно заряжать аккумуляторы, чтобы она работала со 100% эффективностью. Кроме того, заявка на 25 футов немного преувеличена, поэтому мы рекомендуем вам использовать ее на расстоянии 5-15 футов, как обычно. Ни при каких обстоятельствах не используйте его, чтобы раздражать вашего питомца.
Плюсы
- Высокочастотные ультразвуковые датчики
- Долговечная батарея 1000 мАч
- Круглосуточная поддержка клиентов и возврат средств в течение 30 дней
Минусы
- Максимальный эффективный диапазон немного вводит в заблуждение
- ПЕРВОЕ ПРЕДУПРЕЖДЕНИЕ Bark Genie Handheld Bark Control Device
Хотите немного более дешевое решение для вашей собаки, контролирующей проблемы? Вы не будете разочарованы после использования Bark Genie из First Alert.Несмотря на отсутствие некоторых дополнительных функций по сравнению с первыми двумя продуктами, это устройство хорошо выполняет свое обещание – отпугивает собак и не дает им чрезмерно лаять. Стоит ли попробовать? Посмотрим.
Почему нам понравилось?
Ну, во-первых, цена – это привлекательный фактор, который мы должны учитывать. Этот продукт стоит меньше, чем первые две альтернативы, и имеет почти те же функции. Что касается эффективности, производитель обещает, что он будет работать на расстоянии до 15 футов.Мы приблизительно проверили это утверждение и обнаружили, что оно соответствует действительности. Никакого преувеличения!
Вы можете носить его с собой и использовать где угодно благодаря чрезвычайно портативной конструкции, напоминающей фонарик. Чтобы привлечь внимание собаки, все, что вам нужно сделать, это указать на нее и нажать кнопку. Как и другие, эта машина также будет издавать ультразвуковые звуки, которые может слышать только ваша собака, и будет препятствовать им лаять или заниматься другими нежелательными действиями.
Мы использовали ультразвуковой сигнал на нашей собаке пару раз, и он работал так хорошо, что позже нам нужно было только дотянуться до машины, чтобы собака остановилась.Не говоря, что вы должны терроризировать своих приятелей; просто дай им знать, кто здесь хозяин!
Что могло быть лучше?
Постоянная проблема в этой категории продуктов, которую мы постоянно замечали, заключалась в том, что ультразвуковой звук работает не на всех собаках. Это устройство также работало не со всеми породами – некоторые просто смотрели на нас и продолжали лаять, а некоторые останавливались лишь на мгновение. Мы бы сказали, что эту машину лучше всего использовать вместе с правильным поведенческим обучением, которого может не хватать вашему щенку.
Плюсы
- Очень легко носить с собой и использовать
- Удобная цена
- На самом деле работает на расстоянии до 15 футов
Минусы
- Не работает для всех пород
Это, безусловно, самый дорогой продукт в нашем списке, и тому есть веская причина – он произведен в США и гарантирует первоклассное качество.Как страна-производитель решает, стоит ли покупать? Что ж, помимо того, что это устройство более эффективно, оно также обещает отгонять собак на расстояние до 20 футов. Кроме того, есть и другие функции, которые вам могут понравиться.
Почему нам понравилось?
Это один продукт, который мы протестировали на многих разных породах, таких как немецкие овчарки, хаски, ротвейлеры и т. Д., И обнаружили, что он эффективен для всех из них. Не могу сказать, что именно делает эту модель от Dazer более эффективной, но мы очень этому рады.И это действительно работает на расстоянии до 20 футов! Мы проверили его на одной из недисциплинированных собак нашего соседа, и это сработало.
У нас всегда была проблема с соседской собакой, рычащей на нас, когда мы были на заднем дворе. И хотя мы были разделены забором, рычание и лай становились действительно раздражающими. Итак, мы сделали все, что могли, и использовали эту машину, чтобы отправить дворнягу в противоположном направлении. Это было временное решение, но оно сработало!
Поскольку этот товар произведен в США, вы также можете рассчитывать на лучшую поддержку клиентов, если вам понадобится помощь с чем-либо.Что касается времени автономной работы, то этого более чем достаточно, и есть светодиодный индикатор, который сигнализирует о том, что устройство работает.
Что могло быть лучше?
Мы действительно не обнаружили никаких недостатков в этой модели, однако некоторые люди сообщают, что иногда она отказывается запускаться после нажатия кнопки. Это вызывает беспокойство, потому что вы можете подумать, что собака сейчас испугается, но это не так. Я надеюсь, что Dazer скоро решит эту проблему.
Плюсы
- Очень хорошо сложен и удобен в переноске
- Эффективен до 20 футов
- Батареи хватает на долгое время
- Хорошая поддержка клиентов
Cons
- Несоответствия в питании
- Ультразвуковой дрессировщик собак PetSafe
Хотите вознаградить вашего собачьего компаньона за хорошее поведение в дополнение к отпугиванию плохих? Тогда эта модель от PetSafe – то, что вам нужно для начала.Имея более 700 положительных оценок на момент написания этого обзора, мы можем ручаться, что людям в США он понравился так же, как и нам. Что он делает по-другому? Что ж, вас ждет угощение.
Почему нам понравилось?
Несмотря на то, что стоимость этого продукта выше, чем у других моделей, рассмотренных в этом руководстве, мы считаем, что этот продукт того стоит только за хорошее поведение. В отличие от других устройств, которые работают только для отпугивания собак, это устройство издает расслабляющий звук, который вознаграждает вашего щенка за то, что он хороший мальчик.Итак, используйте его вдвое чаще и посмотрите, к чему это приведет.
Ультразвуковой звук плохого поведения также достаточно силен, чтобы отпугивать собак с расстояния до 30 футов. Это, безусловно, самое смелое заявление, которое делает продукт, и мы проверили его, чтобы убедиться, что оно соответствует действительности. Что ж, мы бы хотели, чтобы это было так, но, по нашим наблюдениям, лучшая максимальная дальность – 25 футов. Кроме того, если вы понимаете, что мы имеем в виду, результаты становятся немного сомнительными.
Этот предмет может стоить дороже, но он также поставляется с включенной щелочной батареей 9 В.Вы можете купить это устройство с закрытыми глазами, потому что PetSafe – это всемирно известный бренд, предлагающий широкий ассортимент товаров для домашних животных. Однако, как ответственные родители домашних животных, мы должны помнить, что использовать такие устройства, как это, редко, иначе собаки могут получить травму или привыкнуть к опыту.
Что могло быть лучше?
Какой бы замечательной ни была эта модель, некоторые покупатели вернули ей деньги из-за того, что ультразвук не подходит для их породы. Хотя мы протестировали несколько пород, мы не можем гарантировать, что он точно подойдет для вашей, особенно если это суперэкзотическая.Предлагаем вам прочитать комментарии и принять решение. Или все равно рискните, потому что вам нечего терять.
Плюсы
- Звуки как для хорошего, так и для плохого поведения
- Отличный диапазон
- Работает практически со всеми породами и размерами собак
- Высокая ценность бренда
Минусы
- Некоторые пользователи сообщили о своих товарах неисправен
- Ультразвуковой отпугиватель собак Frienda LED
Теперь, когда вы прочитали о наших 5 лучших предложениях, позвольте представить вам еще один продукт, который может стать отличным дополнением.Этот отпугиватель собак от Frienda – удобный вариант для тех, кто не ищет наворотов от моделей стоимостью от 30 долларов и выше. Какие функции он предлагает, чтобы привлечь покупателей? Давай выясним.
Frienda LED Ультразвуковой дрессировщик собак 3 в 1 Stop …- УЛЬТРАЗВУК ДИЗАЙН: основанный на теории, что ультразвук, …
- ПРОСТОТА В ЭКСПЛУАТАЦИИ: сначала откройте крышку батарейного отсека, а затем вставьте 1 …
- УДОБСТВО И УДОБСТВО: размер устройства прибл.12.5 …
- МНОГОФУНКЦИОНАЛЬНЫЕ ФУНКЦИИ: кроме как для дрессировки домашних животных, он также может …
Почему он нам понравился?
Есть много причин полюбить этот товар, и цена является лишь одной из них. Нам нравится тот факт, что вы можете купить его в желтом цвете, что является хорошим вариантом, потому что очень немногие производители предлагают другие цвета, кроме стандартного черного. Что касается удобства использования, этот продукт так же прост в использовании, как и другие. Все, что вам нужно сделать, это нажать кнопку.
При первом запуске просто откройте крышку батарейного отсека и вставьте одну батарейку на 9 В. Если вы хотите использовать его как фонарик в некоторых случаях, это тоже нормально. Кроме того, это устройство очень портативно по форме и размеру, поэтому не стесняйтесь носить его с собой куда угодно. Однажды мы попробовали это в местном парке, и он показал результаты на высоте до 20 футов, как и было обещано.
Каких результатов вы можете ожидать? Что ж, компания утверждает, что вы можете запретить собакам заниматься нежелательными действиями, такими как лай, рычание, жевание мебели, гиперактивность и т. Д.Однако Фринда также заявляет, что ультразвукового звука, который это производит, может быть недостаточно для крупных и агрессивных пород. Так что примите это во внимание перед покупкой.
Что могло быть лучше?
Один отпугиватель для всех собак – действительно отличная идея, но она редко работает так, как ожидалось. Единственное, что мы хотели бы улучшить, – это поддержка клиентов. Мы пытались связаться с их официальным номером телефона, и нас всегда встречали… сверчки. Однако электронная почта работала хорошо, и мы получили ответ на наш вопрос.
Плюсы
- Доступен в привлекательном желтом цвете
- Имеет функцию фонарика
- Очень прост в использовании
- Отличная цена
Минусы
- Может не работать для всех пород 901 90 поддержка может потребовать некоторого улучшения
- Портативное устройство защиты от лая STUNICK
Следующим в нашем списке идет еще один продукт, который действительно отличается простотой использования.Это портативное «устройство защиты от лая» от STUNICK можно использовать как фонарик и обещает быть более удобным в переноске. Его цена также достаточно привлекательна, чтобы соблазнить всех купить. Давайте посмотрим, что нам действительно понравилось в этой модели.
Почему нам понравилось?
При размерах 4,3 × 1,5,0,8 дюйма эта модель идеально подходит для любого кармана. Так что берите его с собой куда угодно. Также есть светодиодный фонарик, который можно использовать при необходимости или в качестве дополнительной защиты от агрессивных собак.И, как и другие модели в этом списке, ультразвуковой звук, излучаемый этой, также безопасен для собак.
Мы попробовали это на нескольких собаках нашего друга (с их разрешения), конечно, и увидели значительные положительные изменения в их поведении. Это программа для решения нескольких задач, упакованная в одну. Плач, вой, рост, визг – все это вы можете исправить.
Что могло быть лучше?
На самом деле мы не можем сказать ничего очень отрицательного об этой машине; сам производитель предупреждает, что этот отпугиватель может подействовать на агрессивных собак.Кроме того, собаки с проблемами слуха могут не слышать ультразвуковой звук. Что ж, это пара разочаровывающих.
Плюсы
- Невероятно удобный дизайн
- Эффективен на больших расстояниях
- Имеет фонарик
Минусы
- Может не работать на агрессивных породах
- UT Устройство
Теперь у нас есть впечатляющий национальный отпугиватель собак / отпугиватель лая для вас, который работает на расстоянии до 50 футов.Если вы не думаете, что это достаточно впечатляюще, подождите, пока вы не узнаете больше о других его функциях и нашем опыте.
Беспроводной забор для собак UTOPB, Система содержания домашних животных, Собака для домашних животных …- 【Новейшая беспроводная система ограждения для собак】 — Беспроводная система для собак UTOPB …
- 【Экологически чистый и водостойкий ошейник】 —…
- 【Встроенная долговечная аккумуляторная батарея】 — …
- 【Простой и легкий принцип работы】 — Система будет …
Почему она нам понравилась?
Ну, во-первых, мы должны аплодировать тому факту, что этот отпугиватель может работать на расстоянии до 50 футов.Он издает высокий шум, который сильно раздражает и пугает собак. Кроме того, его система обнаружения лая собаки включается и выключается сама, когда собака начинает или перестает лаять. Компания предлагает разместить устройство примерно лицом к собаке, в помещении или на улице, для достижения наилучших результатов.
Эта модель также хорошо работает с другими лесными существами, такими как белки, еноты, летучие мыши и т. Д. Так что, разместив ее на заднем дворе, вы гарантированно получите более спокойную обстановку. Мы опробовали ультразвуковой звук на двух крупных породах – немецкой овчарке и ротвейлере, и оба раза результаты были впечатляющими.Очень рекомендуем покупать.
Что могло быть лучше?
Для нас – серьезно, ничего. Мы обнаружили, что этот предмет был безупречным все время, пока мы его использовали. Некоторые покупатели, однако, жалуются, что их собаки никогда не перестают лаять. Это постоянная проблема, с которой некоторым приходится иметь дело.
Плюсы
- Эффективная дальность действия до 50 футов
- Отличное соотношение цены и качества
- Работает и с крупными породами
Минусы
- Некоторые люди сообщали о получении неисправных устройств
Хорошо, это устройство для людей, которым нужен стационарный отпугиватель собак, но на более легком конце, чтобы они могли носить его при необходимости.Этот ультразвуковой отпугиватель превосходен с точки зрения портативности и имеет множество функций, на которые вы можете рассчитывать при дрессировке собаки.
Нет товаров.
Почему нам понравилось?
Несмотря на то, что эта модель довольно портативна, она не имеет такой большой дальности действия, как устройство контроля лая UTOPB, которое мы рассмотрели выше. Для того, чего стоит эта машина, 25 футов вполне достаточно, и у вас не должно возникнуть проблем с приручением самых недисциплинированных собак. Просто подключите батарейки на 9 В, и вы будете в рабочем состоянии примерно 7-9 месяцев.
Это устройство обещает работать с собаками старше 6 лет, и вы можете разместить его в любом месте дома или даже на улице. Поскольку портативность является одним из достоинств этого устройства, вы можете использовать его в полной мере и носить с собой. Настоятельно рекомендуем поэкспериментировать.
Что могло быть лучше?
Ну, честно говоря, нам бы эта модель понравилась больше, если бы она всегда была одинаково эффективна. Иногда собака останавливалась, услышав звук, затем «Мех» и продолжала лаять.
Плюсы
- Высокая портативность
- Работает до 25 футов, как рекламируется
- Длительное время автономной работы
Минусы
- Звук может быть немного слабым для некоторых собак
- Ультразвуковое устройство контроля коры Modus
На данный момент становится трудно различать разные продукты, потому что все они так хорошо сделаны! Это еще один впечатляющий продукт, который вы должны попробовать, если вас беспокоит чрезмерный лай.
Почему нам понравилось?
Как и все устройства в нашем списке, этот также производит ультразвуковые частоты в безопасном для собак диапазоне – больших или маленьких. На частоте 25 кГц звук не является пассивным или слишком громким, поэтому вы можете не сомневаться, зная, что он привлечет внимание любой собаки. Дальность неплохая, потому что 16,4 фута – это близко или немного больше среднего. Таким образом, вы можете использовать это, чтобы дрессировать собаку внутри или снаружи.
Форма очень портативна, и пользоваться ею настолько легко, насколько это возможно.Светодиодный индикатор показывает, что устройство включено и издает звук. Если не выключить, модель перейдет в режим гибернации. И чтобы выключить его, все, что вам нужно сделать, это удерживать кнопку питания в течение 10 секунд.
Что могло быть лучше?
Ультразвуковое устройство контроля коры Modus превосходно во всех отношениях, кроме одного – поддержки клиентов. Мы хотели бы, чтобы это было немного лучше, потому что связаться с ними было довольно сложно.
Плюсы
- Отличное соотношение цены и качества
- Работает с большинством пород собак
- Портативный и простой в использовании
Минусы
- Поддержка клиентов может быть лучше
- 9016afe Indoor Unit
По мере того, как руководство становится длиннее, а обзоры – короче, мы предлагаем вам еще один продукт, о котором не нужно много «говорить».«Мы были весьма впечатлены работой этого внутреннего блока и думаем, что он того стоит.
Почему нам понравилось?
Одним из преимуществ этого ультразвукового отпугивателя является то, что вы можете использовать его как в ручном, так и в автономном режиме. Кроме того, у вас также есть возможность установить для него режим «Авто» или «Ручной»; Автоматический режим активирует ультразвуковой сигнал всякий раз, когда ваша собака лает, а ручной режим предназначен для исправления плохого поведения по вашему усмотрению.
Он работает от батареи 9 В, и на ее разрядку уходит до 5-6 месяцев – это впечатляет.О, эффективный диапазон этой машины составляет до 25 футов, что довольно стандартно. Этот продукт не идеален, но если вы планируете использовать его исключительно в помещении, рекомендуем попробовать.
Что могло быть лучше?
Единственный минус этого отряда, который мы обнаружили, заключается в том, что он не оказывает случайного эффекта на некоторых собак. В один момент собака быстро успокаивается, услышав звук, а в следующий момент она продолжает лаять, как обычно.
Плюсы
- Портативный и эффективный
- Можно разместить в помещении или переносить в ручном режиме
- Две настройки лая – автоматический и ручной
Минусы
- Не работает случайным образом на некоторых собаках
- YC Ультразвуковое устройство управления дрессировкой собак 2 в 1
И последнее, но не менее важное: у нас есть довольно малоизвестный продукт, который начинает собирать отличные отзывы.Ультразвуковой отпугиватель собак YC 2 является портативным, эффективным и имеет такую цену, которая позволит многим известным брендам заработать свои деньги.
YC ° Устройства для контроля лая собак Ультразвуковой лай собаки …- Коррекция плохого поведения собак. Ультразвуковое средство защиты от лая …
- Ультразвуковое средство для сдерживания лая – безвредное и эффективное …
- Легкое и портативное. Это устройство для остановки лая собаки …
- Эта версия устройства для дрессировки собак является новой…
Почему нам понравилось?
В этой модели нет ничего особенного, но все же в ней есть несколько достойных функций, о которых стоит упомянуть. Благодаря легкому и портативному размеру устройство очень легко носить с собой, если вы собираетесь гулять со своим щенком или просто сидите в местном парке. Как и в других моделях, вам просто нужно нажать одну кнопку, чтобы запустить или остановить ультразвуковое излучение.
Эта машина, излучающая ультразвуковой звук с частотой 25 кГц, обещает остановить ваш лай собаки.Мы пробовали несколько мелких пород и золотистого ретривера нашего друга, и он всегда давал хорошие результаты. Этот продукт может показаться довольно обычным, но мы уверены, что учитывая цену, вы будете удивлены результатами.
Что могло быть лучше?
После нескольких дней использования мы заметили, что кнопка, имеющая форму большого пальца, стала немного болтающейся и чувствительной. Мы не уверены, сталкивались ли другие с подобной проблемой. По качеству все нормально, кроме кнопки.
Плюсы
- Эффективная работа на средних расстояниях
- Очень легко носить с собой
- Доступная цена
Минусы
- Кнопка ослабла через несколько дней
Если у вас раньше не было отпугивателя собак, вы, вероятно, не очень хорошо знакомы с тем, как эти устройства работают, и почему вы можете вообще захотеть его.Не волнуйтесь; в этом разделе мы расскажем все, что вам нужно знать об этих замечательных устройствах. Во-первых, давайте начнем с того, почему люди используют ультразвуковые отпугиватели собак.
Вы можете использовать отпугиватели собак, чтобы либо отпугнуть собак, как предполагалось, либо предотвратить негативное поведение, такое как чрезмерный лай, жевание мебели, рычание и т. Д. Конечно, вас может устроить небольшой щенок или неагрессивная порода, действующая вам однажды на нервы. через некоторое время, но что вы будете делать, когда на вас рычит агрессивная порода, такая как питбуль или ротвейлер?
Если ситуация действительно пойдет к худшему, у вас даже не будет времени осознать, что вас преследуют, и вы рискуете вскоре подвергнуться нападению.Даже если вы «собачник», которому их не хватает, нет гарантии, что вы справитесь с подобной атакой. Или, если вы боитесь собак, отпугиватель может творить чудеса в вашей жизни.
Почему следует использовать ультразвуковые отпугиватели собак, а не другие методы?Что ж, если наша цель – отпугнуть собак, то лучший способ сделать это – использовать ультразвуковой звук. Звук, издаваемый этими машинами, безопасен для вас и собак и не причиняет физических или психических травм.Вам НИКОГДА не следует бросать камни, бить палками или использовать другие бесчеловечные методы, чтобы напугать или дисциплинировать вашу собаку.
Эти отпугиватели работают эффективно, потому что издают высокочастотный звук, который сильно раздражает собаку. Настолько раздражает, что большинство пород собак убегут, если услышат это. Нам также нравится тот факт, что эти модели доступны в таких портативных формах и размерах, что любой может носить их куда угодно. Просто укажите в их направлении и нажмите кнопку!
Ультразвуковые отпугиватели также работают на больших расстояниях до 20-25 футов, так что вам не придется рисковать.Многие домашние собаки агрессивны и нападают из-за отсутствия надлежащего обучения или ухода со стороны их владельцев, но почему-то они считают, что их собака не может ошибаться! В таких случаях обязательно стоит использовать ультразвуковые отпугиватели. Собака испуганно убежит, а хозяева ни о чем не заподозрят.
На каких породах можно использовать репеллент?Честно говоря, этого еще нет. У нас нет конкретных доказательств, подтверждающих какие-либо утверждения. Некоторые говорят, что эти машины лучше всего работают с крупными породами собак, но другие говорят, что они не влияют на другие породы, кроме более мелких.Нет единого мнения, на которое мы можем положиться. Однако мы рекомендуем вам попробовать его как на больших, так и на маленьких собаках. Скорее всего, вам повезет по обоим пунктам, как и нам.
Для достижения наилучших результатов мы рекомендуем вам сначала использовать эту машину, чтобы дрессировать вашу собаку, а затем отпугивать других собак (при необходимости). Нет списка пород, на которых вам следует избегать использования репеллента; просто убедитесь, что вы не используете его слишком часто и не отпугиваете собак для развлечения.
Как купить лучший ультразвуковой отпугиватель собакМы знаем, что существует множество различных продуктов разных производителей, поэтому выбор подходящего для ваших нужд может быть затруднительным.Все может стать особенно сложным, если вы впервые покупаете товар и считаете, что более высокая цена означает лучшее качество. Скажем вам, это не так! Вы определенно можете получить надежный репеллент менее чем за 20 долларов, если знаете, где искать и что искать.
- Типы репеллеров
- Ручные репеллеры: это самые популярные типы репеллеров, потому что они дешевле и позволяют носить их куда угодно. В большинстве этих моделей используются батареи типа AA или 9-вольтовая батарея, в зависимости от их технических характеристик.Продукты, которые мы здесь рассмотрели, в основном представляют собой портативные модели, и мало что может пойти не так, если вы купите одну из них.
- Стационарные отпугиватели: , как следует из названия, это ультразвуковые отпугиватели собак, которые вы используете в определенном месте – обычно вне дома. Стационарные отпугиватели используют датчик PIR (пассивный инфракрасный) для обнаружения движения в непосредственной близости и срабатывания, когда животное преодолевает установленный предел. Эти устройства хорошо подходят для отпугивания кошек, крыс, белок, опоссумов и других грызунов.
- Каких животных он отпугивает
Это может показаться неожиданностью, но ультразвуковые репеллеры могут отпугнуть не только собак. Поскольку они имеют множество настроек частоты, вы можете эффективно отпугивать многие виды тварей. Для таких животных, как собаки, лисы и мыши, достаточно 13,5-19,5 кГц, в то время как енотов, скунсов и барсуков можно отогнать, используя 19,5-24,5 кГц.
Если у вас есть лужайка или сад, которые вы хотите защитить от этих тварей, то обязательно иметь стационарный отпугиватель! Сначала мы опасались покупать один, но потом поставили один стационарный отпугиватель на заднем дворе.Разница была поразительной! Нас всегда беспокоили еноты и летучие мыши, но после установки машины их нигде не было.
- Эффективная дальность
Меньше всего вам хотелось бы, чтобы ваш репеллер вышел из строя только потому, что вы находитесь слишком далеко, чем вы думаете. Вот почему так важно получить устройство, которое будет выполнять свои обещания и работать на определенном расстоянии. Большинство репеллеров среднего радиуса действия лучше всего работают в пределах 5-20 футов, но есть более дорогие варианты, которые эффективны на расстоянии до 50 футов.Так что выбирайте с умом и хорошо знайте свое устройство.
- Если он используется как фонарик
Еще одна замечательная особенность этих репеллеров – то, что вы можете использовать их как фонарик, когда это необходимо. Мы точно не знаем, что побудило производителей включить эти функции, но это действительно долгожданное изменение. Хотя эта функция не работает в качестве коммерческого аргумента, мы считаем, что вы можете использовать ее ночью, когда животные, как правило, крадутся по дому.
- Тип батареи
Как мы упоминали ранее, тип батареи, которую использует ваш ультразвуковой отпугиватель, также играет роль в его эффективности.На данный момент большинство моделей питаются либо от батареек AA, либо от аккумуляторов. Хотя, если вам интересно, вы можете найти и солнечные батареи.
Заключительные словаВыбор лучшего ультразвукового отпугивателя собак для ваших нужд – это не ракетостроение! Иногда вам просто нужно сделать шаг веры и совершить покупку. Но если вы полностью прочитаете наше руководство, то поймете, что быть информированным всегда лучше, чем рисковать вслепую. Итак, закажите сейчас и посмотрите, как он работает.
Желаю вам много мирных и спокойных собачьих дней!
Статьи по теме
17 невероятно необычных подарков для вашего пушистого друга
29 эпических идей для собачьей кровати
6 красивых комнатных растений, безопасных для кошек и собак
13 лучших репеллентов для кроликов и лужаек
13 лучших репеллентов от оленей прямо сейчас
27 лучших растений, отпугивающих мух и других нежелательных насекомых
12 лучших ультразвуковых отпугивателей собак
Повысьте свой опыт работы на открытом воздухе с помощью репеллентов от комаров Электронные и ультразвуковые устройства Люди и собаки сосуществовали веками, но такое сосуществование не всегда было мирным и беспроблемным.Даже в наши дни бездомные собаки могут напугать вас и ваших детей. С другой стороны, поведение домашних собак может доставлять неудобства их владельцам. Домашние животные часто грызут мебель, обувь, портят газоны и сады. То же самое и с собаками ваших соседей. В этом обзоре мы рассмотрим научные отчеты о коррекции такого поведения, выберем лучшие репелленты для собак и перечислим десять самых популярных продуктов, которые необходимо иметь. Содержание Некоторые вопросы связаны с физиологией животных.Как объясняет доктор Стив Томпсон, DVM – директор оздоровительной клиники ветеринарной учебной больницы Университета Пердью, Западный Лафайет, штат Индиана, «Собачья моча и фекалии часто могут быть неприятной проблемой, связанной с уходом за газоном. Небольшие количества могут вызвать эффект удобрения или озеленения, в то время как большие количества часто приводят к ожогам лужайки или мертвым пятнам ». Ущерб может быть настолько значительным, что растения необходимо повторно высаживать на поврежденных участках. Чтобы купить лучший репеллент для собак, вам нужно сначала выяснить, почему моча собаки настолько токсична для вашего сада.Причина в том, что он содержит высококонцентрированный азот, который сжигает газон, как естественное удобрение, если его избыток. Если вы осмотрите места, где ваша собака мочится, вы заметите немного сгоревшей коричневой травы в середине, где концентрация максимальна, а по бокам трава более зеленая, потому что небольшое количество азота действует как удобрение. Именно поэтому продукты, нейтрализующие кислоты, неэффективны. Помните, что ваша цель – азот, а не кислота. Собачьи фекалии также представляют собой проблему для газонов, но их размер не такой большой, как у мочи, потому что побочные продукты выделяются с фекалиями медленно. Один из способов держать собак подальше от ваших газонов – использовать готовые репелленты или репелленты ручной работы. Доктор Стив Томпсон утверждает, что вкусовые репелленты более эффективны, чем репелленты прикосновения или репелленты запаха. Преимущество заключается в удобстве использования. Не только ваш питомец, но и ваши гости будут чувствовать неприятный запах репеллентов. Ведь неудобно, когда руки пахнут уксусом? Более того, в некоторых случаях собаки пытаются пометить свою территорию, как только почувствуют посторонний запах. Правильное нанесение имеет решающее значение для достижения желаемых результатов. Сначала нанесите репеллент на небольшой кусок ткани и накройте им рот собаки, чтобы она почувствовала вкус вещества и выплюнула его.Если ваша собака начинает трясти головой, пускать слюни или рвать, значит, этот вкус ее отталкивает, и продукт можно безопасно наносить на предметы и растения, требующие защиты. Собака запомнит запах, связанный с неприятным вкусом, и теперь будет избегать его. Не ограничивайтесь одноразовым применением, даже если вы сразу дали положительный результат. Ежедневно наносите репеллент в течение месяца на одни и те же объекты, чтобы окончательно отговорить вашего питомца от их вкуса. Выше мы уже упоминали, что короткие заборы служат психологическим барьером.Этот метод будет полезен и вашим домашним животным, но вам понадобится большой забор, если вы хотите избавиться от соседских или бродячих собак. Джеффри С. Грин, помощник регионального директора USDA-APHIS-Wildlife Services, Колорадо, и Филип С. Гипсон, руководитель подразделения Kansas Cooperative Fish and Wildlife Research Unit Канзасский государственный университет Манхэттена рекомендуют установить сетчатые ограждения с колючей проволокой вдоль основания от случайных людей. собак, чтобы они не могли прокопать тропу под забором. Забор должен быть не менее шести футов в высоту; иначе собака попытается через него перепрыгнуть.Для усиления эффекта проведите электрически заряженный провод снизу и сверху забора, тогда собака, вероятно, не будет пытаться копаться под забором или перепрыгивать через него. Полностью электрифицированные заборы тоже доказали свою практичность. Желательно иметь 12 чередующихся проводов в качестве эффективной сдерживающей конструкции от собак. Но у электрических заборов есть ряд недостатков. Во-первых, необходимо регулярно проверять заряд проводов. Во-вторых, такие конструкции могут повредить мыши и медведи. И в-третьих, такие заборы сложно содержать в регионах, где бывают метели. Тем не менее, Джеффри С. Грин и Филип С. Гипсон считают, что заборы – лучшее вложение средств для защиты от бездомных собак. Еще один вариант – установка клеток с наживкой. Однако это влечет за собой риск укуса и заражения бешенством. Более того, чаще всего в ловушку попадают не взрослые собаки, а щенки. Если вы беспокоитесь о нападении бездомных собак за пределами дома, используйте специальные звуковые или визуальные репелленты для собак. Мы выбрали десять продуктов для защиты вашей обуви, велосипедный спрей, которым пользуются почтовые службы более тридцати лет, спрей, шипящий, как змея, и современные ультразвуковые устройства вместе с гаджетом. это производит очень сильный шум.Гранулы или жидкие репелленты от вкуса и запаха также доступны для защиты газона, а также разбрызгиватель, активируемый движением, который решает проблему нежелательных посещений соседских собак. Используйте спрей Grannick’s Bitter Apple, содержащий горькие вещества, воду и 20% изопропанол (спирт, используемый при производстве ацетона и перекиси водорода. Эти химические вещества нетоксичны и безопасны как для человека, так и для человека). домашние животные, и в то же время эффективно предотвращают повреждение вашей обуви собакой. Очень просто использовать. Все, что вам нужно сделать, это опрыскать проблемные места. Поскольку продукт универсален, его можно наносить не только на обувь, но и на мебель и другие объекты, которые необходимо защитить. Вы также можете нанести его на руки, но убедитесь, что вы не облизываете их случайно, так как вещество действительно неприятно на вкус. Нельзя сказать, что этот продукт пользуется большой популярностью среди пользователей, поскольку только 43% дали ему пятизвездочную оценку, а 17% дали только одну звезду. Пользователи делятся своим положительным опытом использования.Один из них написал: «Они грызли обувь моей подруги, поэтому я спрыснул ее обувь. Было забавно, они ходят вокруг ее туфель, нюхают и не могут понять, почему они перестали быть вкусными, но это сработало ». Недостаток спрея – кратковременное действие. Он будет бесполезен даже на открытом воздухе, например, в саду. Один из пользователей спрея прокомментировал: «Это не повредит ни одному краску, металлу, пластику или дереву, но, честно говоря, вы потратите впустую продукт.Даже в доме он, кажется, довольно быстро теряет эффект. Я подозреваю, что при внешнем воздействии он будет в значительной степени там и исчезнет ». Последнее обновление 2021-04-23 / Партнерские ссылки / Изображения из Amazon Product Advertising API Цена: Проверить текущую цену Вы можете использовать HALT Spray с активным ингредиентом капсаицина из перца для личной защиты от нападений собак.Тот факт, что американская почта пользуется им в течение тридцати лет, доказывает свою ценность. Пользователи также одобряют этот спрей, так как 68% считают его лучшим репеллентом для собак. Этот распылитель высотой 4,9 дюйма хорошо ложится в руку и прост в использовании. Самолет достигнет своей цели, даже если собака находится на расстоянии двенадцати футов. Нацельтесь на собаку, а не на неодушевленные предметы, так как собаке нужно вдохнуть или попасть в глаза. Иначе эффекта не будет. Однако при его использовании следует соблюдать правила безопасности; особенно не попади в глаза. Еще одним преимуществом этого продукта является отсутствие срока годности. Вы можете использовать его один раз, а через несколько лет использовать повторно, и он все равно будет очень эффективным. Кто-то, кто пережил неприятную встречу с агрессивной стаей собак, заключил: «Для собак, которые на самом деле не собираются убивать вашу собаку, это работает очень хорошо. Для большой, терпимой к боли собаки, которая действительно хочет драться, я думаю, что медвежья булава или ружье будут лучшим вариантом ». Последнее обновление 2021-04-23 / Партнерские ссылки / Изображения из Amazon Product Advertising API Цена: Проверить текущую цену Производитель утверждает, что дрессировщики и бихевиористы по всему миру рекомендуют другой продукт, The Company of Animals Pet Corrector, для коррекции нежелательного поведения собак. Похоже, пользователям понравился этот продукт больше, чем предыдущий, так как 73% дали ему пять звезд. При использовании сжатый газ выпускается, и он издает шипящий звук, напоминающий звук змей или гусей, пытающихся спугнуть хищника. У домашних животных есть врожденный страх перед этим. Как и предыдущий продукт, The Company of Animals Pet Corrector неэффективен против бродячих или агрессивных собак.Продукт не имеет запаха и безопасен, кроме того, прилагается подробное руководство по дрессировке собак. Один пользователь дал свой отзыв: «Направьте его подальше от вашей собаки. Вы должны сказать «нет», а затем распылить… идея состоит в том, чтобы не предвидеть его приближения, так это немедленно остановит поведение! Как только собака остановится, похвалите ее. План состоит в том, чтобы собака ответила на слово «нет»… не может ». Последнее обновление 2021-04-23 / Партнерские ссылки / Изображения из Amazon Product Advertising API Цена: (2 шт. В упаковке) Проверить текущую цену Электронный ультразвуковой репеллент для собак и дрессировщик со светодиодным фонариком Brellavi может научить вашу собаку избегать нежелательного поведения и отпугнет агрессивных собак по низкой цене, как заявляет производитель. Это устройство излучает ультразвук, который человеческие уши не слышат и ненавидят собаки. Производитель позиционирует Brellavi как наиболее гуманный способ отпугнуть агрессивных собак. Он полностью безопасен и имеет дальность действия до пятидесяти футов.Гаджет компактен и помещается в кармане, что крайне важно для велосипедистов. Однако, судя по отзывам пользователей, устройство не дает никаких гарантий результата. Вот что сказал один разочарованный покупатель: «Я бы сказал, что это не очень эффективно, если только собака или кошка не чувствительны. Моя собака просто игнорирует это, как и собака соседа. Но моя кошка нервничает ». Последнее обновление 2021-04-23 / Партнерские ссылки / Изображения из Amazon Product Advertising API Цена: Проверить текущую цену Портативное устройство контроля лая First Alert Bark Genie излучает ультразвук, который могут слышать только собаки. Это заставляет их перестать лаять. Дальность действия устройства составляет пятнадцать футов. Производитель также рекомендует использовать его в качестве добавки к тренировкам. Однако некоторые клиенты не согласны. Один из них убежден, что «Это действительно хорошо работает, только если ваш питомец уже обучен. Если ваша собака «вообще» упряма – это бесполезно ». Вот что говорит специалист кинологического центра: «Он не работает без последовательного использования и включения базовых концепций обучения.Нельзя просто направить его на собаку, пока она лает, и ожидать, что она затихнет после многократного использования; многие из них привыкают к звуку, и на них больше не действует ». Только 41% пользователей дали ему наивысшую оценку, а 24% дали наихудшую оценку. Последнее обновление 2021-04-23 / Партнерские ссылки / Изображения из Amazon Product Advertising API Цена: Проверить текущую цену Еще одно средство, DOG HORN, также издает звуки, неприятные для собак.Это полезно при дрессировке домашних животных и отпугивании бродячих животных, например, во время кемпинга. Его рекомендуют и ветеринары, и тренеры. Как только вы нажмете кнопку, устройство издаст звук, который, к сожалению, слышат и люди. Он достаточно громкий, чтобы его услышали даже ваши соседи. У этого гаджета есть несколько режимов, поэтому если нажать кнопку достаточно быстро, издаваемый звук будет больше похож на свист. Пользователи довольны результатом, так как 60% дали лучшую оценку Dog Horn. Один из них прокомментировал: «Это первое, что я использовал, если подошла странная собака.Пока это все, что мне нужно. Это также помешало моей собаке реагировать на приближающуюся собаку. Останавливает агрессию, и никто не пострадает… беспроигрышный вариант! » Последнее обновление 2021-04-23 / Партнерские ссылки / Изображения из Amazon Product Advertising API Цена: Проверить текущую цену Havahart Critter Ridder 3146 Репеллент для животных, 5 фунтов гранулированный шейкер изготовлен из натуральных компонентов и отпугивает собак благодаря вкусу и запаху.Он содержит масло черного перца, перца и капсаицина. Это средство сэкономит ваш бюджет, поскольку оно предназначено не только для собак, но и для кошек, белок, скунсов и енотов. Применяется на открытом воздухе: в саду, на лужайке, вокруг клумбы, декоративных растений и деревьев. Его можно использовать и в помещении, например, на складах. По заявлению производителя, ингредиенты водостойкие и занимают площадь в 300 квадратных футов. Предполагается, что лечение действует в течение тридцати дней после использования. Однако пользователи не оценили этот продукт высоко, так как только 24% из них дали ему пятизвездочную оценку, а 40% дали ему только одну звезду. Один из клиентов поделился своим опытом: «Я пробовал специально, чтобы отговорить собак. Выкладываю по инструкции. . . нет дождя . . . и в течение 24 часов собаки (подкрепленные их безответственными владельцами) оставили уведомление о том, что Critter Ridders не работает ». Более того, покупатели не подтверждают заявления производителя о том, что продукт является водонепроницаемым. Последнее обновление 2021-04-23 / Партнерские ссылки / Изображения из Amazon Product Advertising API Цена: Проверить текущую цену Еще один продукт, предназначенный для защиты газонов от собак, Ortho Dog и Cat B Gon Dog и Гранулы репелленты для кошек, 2 фунта, больше не популярны. Только 23% пользователей дали ему пятизвездочную оценку, в то время как 43% дали ему только одну звезду. Этот продукт намного доступнее предыдущего (он вдвое дешевле) за счет меньшего количества содержимого. Его активные ингредиенты: гераниол, касторовое масло и масло мяты перечной. В отличие от Havahart Critter Ridder, он действует только против кошек и собак, но его зона покрытия намного больше и достигает 1400 квадратных футов. Спрей необходимо наносить на садовую почву, чтобы неприятный для кошек и собак запах не позволял животным попасть в запретные зоны. Применяя его на почве со съедобными растениями, следите, чтобы вещество не попало на их листья. Один из пользователей написал: «Я купил его, чтобы местные кошки не пометили наш двор и не пускали наших собак в эти места.Ни того, ни другого. Это пустая трата денег. Мне вернули деньги “. Производитель ответил и предположил, что проливные дожди снизили эффективность репеллента. Поэтому будьте внимательны. Ливень может смыть репеллент, и в этом случае вы на 100% потеряете деньги. Цена: Узнать текущую цену Liquid Fence 130 Репеллент для собак и кошек, 1 галлон, готовый к использованию, изготовлен из натуральных растительных масел и имеет идентичный рейтинг.Он предназначен для использования на лужайках, садах, цветниках и предназначен для предотвращения выкапывания почвы кошками и собаками и повреждения растений. По словам покупателей, у него неприятный запах, который прилипает к рукам, поэтому лучше наносить его в перчатках. Отзывы пользователей полны сомнений относительно его эффективности: «Liquid Fence НЕ работал так, как заявлено. Я хорошо подумал, может, мне просто нужно чаще его опрыскивать, и нет, это тоже не сработало. Я подумал, что, возможно, мне нужно получить больше, чем то, что выходит из опрыскивателя, поэтому я перевел его в коммерческий ручной опрыскиватель, который будет дозировать больше, но это тоже не сработало.” Последнее обновление 2021-04-23 / Партнерские ссылки / Изображения из Amazon Product Advertising API Цена: Проверить текущую цену Как видите, готовые репелленты имеют низкую оценку, хотя Ученые утверждают, что теоретически все эти ингредиенты должны отпугивать собак. На самом деле это неправда. Причины неисправности – дождь и низкая концентрация. Посмотрим, помогут ли нам гаджеты. Отпугиватель вредителей, открытый солнечный и атмосферостойкий ультразвуковой репеллент для собак / кошек / комаров имеет наивысший рейтинг, поскольку 54% пользователей дали ему пять звезд по более низкой цене.Устройство излучает ультразвуковой сигнал, который отпугивает кошек, собак, диких медведей, мышей и птиц и является отличной защитой для вашего дома. Он энергосберегающий и может питаться от солнечных батарей. Производитель заявляет, что он эффективен в любую погоду и время года. Встроенный датчик обнаруживает движение и автоматически издает звук, не слышимый людьми, но отталкивающий животных. Его легко установить в почву или повесить на стену. Пользователи единодушны в том, что это действительно эффективно. Один из владельцев поделился своим опытом: «Обычно я не пишу отзывы, но указываю, где это необходимо.Поставьте два в саду рядом с новым газоном. Через пару дней больше никаких кошачьих какашек. Я абсолютно рекомендую этот продукт ». Из минусов отметим, что заменять батарейки придется каждые три-четыре месяца. $ Последнее обновление 23.04.2021 / Партнерские ссылки / Изображения из Amazon Product Advertising API Цена: Проверить текущую цену Давайте продолжим с гаджетами. На этот раз мы рассмотрим орбитальный спринклер Orbit 62100 Yard Enforcer, активируемый движением, с дневным и ночным режимами обнаружения, который в три раза дороже. Устройство имеет дневной и ночной режимы и может вращаться на 120 °. Спринклер поливает свою цель водой, срабатывает, когда к устройству приближается животное. Специальная технология помогает оптимизировать расход воды и продлить срок службы батареи, что важно, поскольку чрезмерное использование воды значительно увеличит ваши счета за воду. 55% пользователей дали продукту наивысшую оценку. Один из них прокомментировал: «Кажется, все работает нормально. Он опрыскал двух местных собак, и они уже не ходят. Они буквально стараются избегать разбрызгивателя, когда видят его ». Последнее обновление 2021-04-23 / Партнерские ссылки / Изображения из Amazon Product Advertising API Цена: Проверить текущую цену Регулярная покупка репеллентов может стоить вам целого состояния.Лучший репеллент для собак можно приготовить самостоятельно, ведь для этого не потребуется ничего экстраординарного. Помните, что каждая собака индивидуальна, и вам, возможно, придется попробовать несколько вариантов, прежде чем найти идеальную. В первую очередь вам понадобится пустой пульверизатор. Вы можете купить новый в магазине или использовать повторно. В последнем случае тщательно промойте бутылку, чтобы удалить остатки предыдущего вещества. Какая смесь лучше? Спрей из острого перца с активным ингредиентом капсаицина, который обжигает язык при контакте, оказался самым эффективным домашним средством.Растворите две столовые ложки измельченного порошка острого перца в десяти стаканах воды, чтобы приготовить репеллент на вкус. После этого нанесите смесь на предмет, который ваша собака любит жевать. Если вы предпочитаете средство от запаха, лучше всего подойдет уксус, так как он особенно неприятен собакам с резким запахом. Смешайте одну порцию уксуса с пятью порциями воды, чтобы добиться необходимого отпугивающего запаха. Есть и другие варианты. Чтобы приготовить другой репеллент, смешайте полстакана масла цитронеллы с четырьмя стаканами воды.Цитрусовый запах очень удобен, так как он приятен для людей и даже используется в ароматерапии, в то время как многие собаки его презирают. Смешайте сок цитрусовых с измельченной кожурой в пульверизаторе и опрыскайте те участки вашего сада, которые вы хотите защитить от вандализма вашей собаки. Сок цитрусовых также отпугивает муравьев и тлю. Если вы любите кофе, у вас может быть дополнительный бонус. Не выбрасывайте кофейную гущу. Вместо этого соберите их и оставьте в местах, к которым ваш питомец не должен прикасаться. Вы можете найти советы по модификации диеты собаки, которая должна регулировать воздействие мочи собаки на растения и траву.Во-первых, немедленно откажитесь от продуктов, содержащих метионин или аскорбиновую кислоту, влияющих на уровень кислотности мочи, потому что, как мы уже выяснили, это не имеет ничего общего с выжженной травой. Более того, они могут нанести вред здоровью вашего питомца, так как могут образовываться камни в почках. Специальные средства могут разжижать мочу, но более безопасные способы служат той же цели. Например, чаще кормите питомца консервами, а сухой корм растворяйте в воде. Соли, чеснок и помидоры увеличивают количество потребляемой воды при добавлении в пищу, что приводит к разжижению мочи.Эти ингредиенты не следует использовать без предварительной консультации с ветеринаром, как рекомендуют ученые из Университета штата Колорадо. Эксперты Университета Пердью крайне скептически относятся к изменению лечебного рациона как средству уменьшения вреда, который собаки могут нанести газонам. В статье «Повреждение мочи животных на газоне» говорится, что «Большинство этих продуктов просто заставляют животное пить больше воды, тем самым уменьшая содержание азота в моче. Дополнительным побочным эффектом является то, что животному нужно будет чаще мочиться, что увеличивает вероятность «несчастных случаев».«Кроме того, использование этих продуктов потенциально опасно». Другой ученый, Али Хариванди, советник по экологическому садоводству, Калифорнийский университет. Cooperative Extension, округ Аламеда, отмечает, что утверждения об изменении диеты в качестве решения не поддерживаются. По его словам, никакие научные исследования не подтверждают эффективность изменения диеты для уменьшения ущерба, наносимого газонам. Али Хариванди считает, что смывание мочи большим количеством воды является наиболее эффективной мерой. Вода смывает с растений азот и соли.Время является ключевым моментом, так как чем раньше вы поливаете место мочеиспускания вашей собаки, тем лучше. Этот способ, конечно, не кажется самым привлекательным с точки зрения удобства. Вы представляете, как наблюдаете за своей собакой со шлангом или тазом с водой? Лучше потратить свое драгоценное время на дрессировку собаки и приучить ее оставлять продукты жизнедеятельности там, где они вам не нужны. Выберите в своем саду специально отведенное для этого место и засыпьте его мелкой почвой. Затем в течение нескольких недель собирайте мочу и фекалии вашего питомца и переместите их туда.Выведите собаку в сад на поводке и оставьте там. Когда собака испражняется в этом месте, наградите ее угощением. Для достижения хороших результатов вам нужно будет повторять это упражнение не менее месяца, но ваши старания окупятся вашим душевным спокойствием и красивым садом. Стейси Шат, ветеринар и главный садовник Университета штата Орегон в округе Колумбия, рекомендует установить короткие заборы вдоль запретной зоны, которые будут служить психологическим барьером.Подойдут даже небольшие кусты. Густо сажайте цветы на клумбах, чтобы они выглядели менее привлекательно для собак. Не забудьте проложить тропу, по которой ваша собака сможет бегать и развлекаться. Стейси Шат убеждена, что все эти меры будут напрасными, если вы не потратите время на дрессировку собаки. Она уверяет, что : «Если собака узнает, что диван запрещен, она может узнать, что определенные участки в саду также запрещены. Небольшая тренировка поведения имеет большое значение. Потратьте некоторое время на работу с питомцем, прежде чем переделать весь пейзаж.” Если вы не можете дрессировать собаку, не отчаивайтесь. Возможно, вы не учли некоторые личные особенности собаки. Кристофер Энрот, преподаватель по специальности Садоводство Хендерсон / Нокс / МакДоноу / Уоррен, поделился своим опытом с двумя собаками. Он положил деревянную мульчу в одном месте в своем саду и дрессировал там своих собак. Один смог добиться результатов, а другой вообще отказался от тренировок. Он в шутку сказал, что это «Кое-что о старых собаках и новых трюках; владельцы собак понимают, о чем я. В ходе своих экспериментов Кристофер обнаружил, что вторая собака предпочла испражняться в куче опавших листьев, и это стало ее постоянным туалетом. Очень важно регулярно выгуливать собаку в парках и других просторных местах, чтобы уменьшить ущерб вашему саду. Это одновременно доставит больше удовольствия как собаке, так и ее хозяину. ‘Это сезон для кемпингов и пляжных вечеринок, барбекю и напитков в патио, и вы можете поспорить, что насекомые всех форм и размеров потирают свои маленькие ножки (передние лапы?) Вместе в ликовании на шведском столе, который они смогут попробовать. следующие несколько месяцев.В зависимости от того, где вы находитесь, вы можете удостоиться сомнительной чести быть обглоданными комарами, оленьими мухами, невидимками или другими летающими укусами. Поскольку хождение в сетке не входит в первую очередь в чьем-либо летнем списке дел, лучший вариант, чтобы не превратиться в буфет для прогулок, – это средство от насекомых. Забегайте вперед и познакомьтесь с несколькими домашними рецептами репеллентов. Продолжить чтение ниже Наши избранные видео Изображение © Plant Stories Project На рынке представлено несколько различных репеллентов от насекомых, но многие из них содержат вредные химические вещества, которые вы действительно не хотите впитывать в свой кровоток (например, ДЭТА).Репелленты, сделанные своими руками, могут быть довольно эффективной альтернативой, но вы должны проявлять усердие при их применении, поскольку они, как правило, не служат так долго, как их аналоги, купленные в магазине. Эфирные масла (ЭМ) – настоящая сила, когда дело доходит до защиты от насекомых, и наиболее эффективными являются: Спасибо! Следите за нашим еженедельным информационным бюллетенем. Подпишитесь на нашу рассылку новостей Получайте последние мировые новости и проекты, создающие лучшее будущее. ЗАРЕГИСТРИРОВАТЬСЯ ЗАРЕГИСТРИРОВАТЬСЯ Чайное дерево, кажется, лучше всего действует против клещей, чиггеров и оленьих мух, в то время как цитронелла, лимон и эвкалипт лучше всего отражаются от комаров и мошек. Согласно одному исследованию, смесь герани и мяты также является отличным сочетанием для отпугивания комаров.Помните, что вы никогда не должны наносить ЭО полной силы прямо на кожу; вместо этого их следует смешать с каким-либо носителем перед нанесением. Вы можете нанести несколько масляных мазков на верхнюю одежду (например, на верх обуви), но только там, где они не будут контактировать с кожей. Старайтесь использовать только один эфирный эфир за раз, но если вы действительно собираетесь смешивать ароматы, старайтесь, чтобы они принадлежали к одному семейству ароматов – лимон может работать с лемонграссом, но пахнет совершенно ужасно при смешивании с эвкалиптом.Вы можете смешать последний с лавандой, но умеренно. Лаванда хорошо сочетается с мятой или розмарином, но можно использовать отдельно масла гвоздики или чайного дерева. Связано: изменение климата приведет к увеличению числа случаев малярии в Африке и Южной Америке по мере повышения температуры Изображение © D. Goalie Что вам понадобится: Создайте смесь гамамелиса и воды в соотношении 50/50 и добавьте 15 капель эфирного масла по вашему выбору. Распылите средство на руки, ноги, спину и шею и держите малышек подальше от густо засаженных деревьями участков и стоячей воды. Если возможно, обработайте место, где они собираются играть, выкурив его кедровыми ветвями или установив ловушки для насекомых, чтобы отвлечь внимание от ваших близких. Для собак и уличных кошек распылите немного этого на их ноги, хвосты и вокруг воротников.Вы также можете нанести немного сильного масла чайного дерева, эвкалипта или цитронеллы на внешние края воротников, чтобы отговорить кусающих поселиться под ними. Изображение © Сара Р. Что вам понадобится: Приготовьте смесь воды и гамамелиса 20:80, добавьте чайную ложку растительного глицерина и 30 капель эфирного масла.Смочите себя этим средством, если вы находитесь в зоне, где много насекомых, и нанесите повторно, когда запах начнет исчезать. Смело делайте смесь лимона и эвкалипта или чайного дерева с розмарином; если у вас отрицательная кожная реакция или если вам действительно не нравится запах, прекратите использование. Связано: первая в мире вакцина против лихорадки денге показывает многообещающие результаты на поздних стадиях испытаний Изображение © Роб Уоллес Смешайте их вместе и нанесите на руки, ноги и другие части тела вашего ребенка, подверженные воздействию дикой природы.Если вы используете это для маленьких детей, и они случайно попадут в рот, это не будет иметь приятного вкуса, но и не причинит им никакого вреда. Изображение © Artizone Нанесите эту смесь на руки, ноги, шею и линию роста волос, если вы собираетесь бродить по лесу или заниматься садоводством в районах, где больше всего насекомых.Как только вы вернетесь внутрь (или в свой кемпинг), смойте все это. Это не только хорошо помогает отгонять насекомых, но вы уже будете намыливаться, когда примете душ. Причина, по которой этот лучше подходит для пожилых людей, заключается в том, что у нас немного меньше шансов залезть руками в рот или случайно лизнуть какую-то часть себя, на которую может капать мороженое или другие закуски – полный рот мыла никому не интересен. Изображение © Программа развития ООН В дополнение к намазыванию репеллента, есть несколько действий, которые вы можете предпринять, чтобы уменьшить свою привлекательность для жевательных красоток: Удачи! Изображение для потенциальных клиентов через Shutterstock Как партнер Amazon я зарабатываю на соответствующих покупках, сделанных по ссылкам в этом посте, без каких-либо дополнительных затрат для вас. Велоспорт – одно из любимых увлечений любителей активного отдыха. Это не только приносит душевный покой, но и развлекает. Но что, если свирепая собака подойдет к вам во время езды на велосипеде и яростно лает, а вы захотите сбежать? Что можно использовать? Да, этой ситуации достаточно, чтобы испортить вам прекрасные моменты, ведь собака может даже укусить вас за лапы. В это время вы можете упасть с велосипеда и получить серьезные травмы или даже попасть в ужасную ситуацию, когда вас укусит собака. К счастью, в наши дни доступно множество эффективных устройств, которые легко использовать, так что вы можете быстро справиться с этой опасной ситуацией.Но вы могли бы сказать, что права защищены репеллентами для собак, которые помогут вам держать этих страшных собак на безопасном расстоянии. Поскольку в последнее время рынок загружен множеством репеллентов для собак, найти подходящий может быть непросто. Если вы энтузиаст велосипедного спорта и ищете специальный репеллент для собак, вам необходимо провести серьезное исследование качества и характеристик продукта, чтобы использовать его эффективно. Отпугиватель собак хорошего качества должен быть нетоксичным, долговечным и простым в использовании.Кроме того, вы должны убедиться, что предмет идеально соответствует вашим требованиям, когда вы собираетесь его купить. В нашу статью мы включили пятерку лучших отпугивателей собак для велосипедистов. Мы также добавили раздел примечательных функций, которые вы должны проверить при выборе продукта, так как вам нужно будет воспользоваться всеми из них. Давайте без лишних слов перейдем к нашей центральной части! Среди лучших репеллентов для собак, доступных на рынке, давайте поговорим о 5 лучших из них, которые вы можете получить, приложив некоторые легкие усилия, и которые просты в использовании. УЗНАЙТЕ ТЕКУЮ ЦЕНУ Ультразвуковое средство для защиты собак Dog Dazer II – одно из лучших средств защиты для велосипедистов среди многих конкурентов. Если вы хотите, чтобы ваша поездка была плавной и не мешала собаке, вы можете использовать это. Эти средства отпугивания используют новейшие звуки ультравысокой частоты, чтобы мешать собакам, не позволять им лаять перед вами и заставлять их уйти. Дополнительным преимуществом является то, что его сильная волна не может быть услышана людьми, но подействует на лающих и агрессивных собак.Легкая и компактная конструкция позволяет удобно переносить его. Кроме того, репеллент имеет прочную конструкцию. Так что не о чем беспокоиться, если он случайно выпадет из ваших рук. Ультразвуковой отпугиватель собак Dog Dazer II обеспечивает радиус действия до 20 футов, чтобы ограничить поведение собак, вызывающих беспокойство. Каждый раз, когда вы сталкиваетесь с агрессивным лаем собаки в этом диапазоне, просто нажмите кнопку, чтобы быстро заморозить ее. Устройство изготовлено из нетоксичных материалов и безвредно для домашних животных.Хороший вариант для велосипедистов, бегунов, спасателей, домашних инспекторов и считывателей счетчиков для использования против собак. Портативный дизайн позволяет держать его в кармане во время езды на велосипеде и использовать при необходимости. ПРОВЕРИТЬ АКТУАЛЬНУЮ ЦЕНУ Электронный репеллент и тренажер для собак Hoont может стать еще одним выбором для велосипедистов.Вы можете использовать этот репеллент, чтобы защитить себя от агрессивных собак, которые лают, когда вы катаетесь на велосипеде, скейтборде или бегаете трусцой. Этот эффективный вариант обеспечивает высокий ультразвуковой звук и звуковой звук, в то время как ультразвуковая волна не слышна для людей, но значительно работает против собак. Кроме того, звуковую волну могут слышать люди. Эти варианты относительно эффективны для собак и просты в использовании. Поскольку устройство оснащено безвредным звуком, вы можете использовать его для предотвращения нежелательного поведения, такого как прыгание на гостей, жевание, лай и кусание. Этот электронный отпугиватель собак Hoont работает на расстоянии 50 футов, позволяя полностью прекратить лай и помогая удерживать собак на определенном расстоянии. Встроенный мощный светодиодный фонарик с шестью (6) лампочками позволяет использовать его ночью. Эта особенность электронного репеллента для собак увеличивает отталкивающую силу и отталкивает собаку. Удобная часть этого продукта, вам не нужно покупать аккумулятор отдельно. Это устройство включает в себя две перезаряжаемые литиевые батареи.Зажим для ремня и подвесной ремень для хранения во время езды на велосипеде. Это отпугивающее устройство на 100% безвредно для людей и собак. Он не содержит жидкого топлива, поэтому вам не нужно беспокоиться о его утечке. ПРОВЕРЬТЕ ТЕКУЮ ЦЕНУ Этот продукт – лучший репеллент для собак для велосипедистов из нашего списка выбора, который вы можете получить и обязательно захотите иметь во время езды на велосипеде. Ультразвуковой отпугиватель собак Frienda LED используется для контроля дрессировки собак и нежелательного поведения или лая собак, а также для их дрессировки. Кроме того, это изделие создано на основе теории ультразвуковой техники. Если у вас есть домашняя собака и вы хотите научить своих собак быть послушными, этот предмет может стать для вас отличным помощником, который отлично работает.Собирать сравнительно легко. Все, что вам нужно, это открыть крышку батарейного отсека, а затем вставить батарейки. После этого включаем тумблер, и он начинает быстро работать. В этом случае ультразвуковой звук не слышен людям, а слышен только домашним животным. Его ультразвуковая конструкция может эффективно контролировать собаку на границе 20 футов. Это устройство для отпугивания собак обладает преимуществом встроенного фонарика. Вы можете использовать этот предмет, когда вам это нужно. Кроме того, он предлагает портативность, что позволяет вам с удобством обращаться с ним.Это многофункциональное устройство, которое позволяет вам защитить себя и подходит для активного отдыха, такого как ночные поездки или ночные поездки в режиме безопасности. В комплект входит ультразвуковой дрессировщик собак и инструкция по эксплуатации. Ультразвуковой отпугиватель собак Frienda LED доступен по самой доступной цене для велосипедистов. Если вы ищете продукты средней стоимости, вы можете изучить это устройство. КОНТРОЛЬНАЯ ЦЕНА Sound Defense Super Loud звук специально разработан, чтобы остановить раздражающее поведение собак. Этот репеллент не содержит химикатов или цитронеллы, поэтому использовать его безопасно. Кроме того, для работы не требуется точного прицеливания. Это устройство отличается легкостью и компактностью, что обеспечивает удобство переноски. Кроме того, настраиваемый ремешок для руки может освободить руки и обеспечить дополнительную защиту от случайного разлива.Если вы бегаете трусцой, катаетесь на велосипеде, или занимаетесь пешим туризмом, или занимаетесь работами на открытом воздухе, этот ручной репеллент для собак может стать удобным решением для велосипедистов, которое вам нужно. разработал мощный сигнал, который, как считается, запускает реакцию полета у собак, которых вы хотите. Рабочий процесс прост. Вы должны указать в направлении собаки и нажать кнопку; звуковой отпугиватель собак эффективно рассеивает волну. Это устройство может работать на расстоянии 25 футов.В этом диапазоне между вами и агрессивной глупой собакой создается безопасная зона. Кроме того, этот сверхмощный звуковой сигнал можно использовать в качестве резервного аварийного сигнала. Громкий среднечастотный звук не вредит человеку. Между тем, он делает всю работу за вас. Бегаете ли вы трусцой, или собираетесь на вечернюю прогулку, или катаетесь на велосипеде днем, этот потрясающий звук позволит вам безопасно передвигаться. ПРОВЕРЬТЕ ТЕКУЮ ЦЕНУ В этом устройстве для отпугивания животных используется спрей из цитронеллы, который создает угрозу для беспокойных домашних животных, не причиняя им вреда. Когда вы и ваша маленькая собака выходите на прогулку, вы можете носить с собой этот PetSafe SprayShield, чтобы защитить себя от агрессивных животных.Кроме того, компактный дизайн упрощает обслуживание. Он оснащен встроенным зажимом для ремня, который позволяет брать его с собой куда угодно. Натуральный аромат на основе цитронеллы безопасен как для людей, так и для домашних животных. Поскольку он испускается в виде тумана, поэтому не требует очистки, это не означает лишних хлопот. Надежное, чистое и безопасное решение с формулой – это то, что должен искать преданный велосипедист. Бренд PetSafe пользуется доверием на протяжении почти 30 лет и предлагает интуитивно понятные продукты.Их главный девиз – помочь питомцу и своим людям, чтобы они могли счастливо жить вместе. Этот спрей может эффективно работать в пределах 10 футов в течение 12 секунд. Он предлагает универсальное преимущество; не только велосипедисты, но также работники по уходу за животными и любители активного отдыха могут использовать этот отпугивающий агент SprayShield. Если вы думаете, что с ультразвуковыми приборами или предметами с громкими волнами очень сложно работать, то этот PetSafe SprayShield может стать для вас еще одним выбором. Чтобы найти лучший отпугиватель собак для велосипедистов, вам нужно подумать о некоторых ключевые факторы. Поскольку это связано с вашей заботой о безопасности, вам следует уделить время при выборе.Потому что, если вы продолжаете покупать некачественный товар, это в конечном итоге ваша потеря. Здесь мы упомянули некоторые особенности, которые помогут вам выбрать хороший и качественный репеллент. На современном рынке доступны три различных типа репеллентов, что является важным ключевым фактором. Эти репелленты могут быть новейшими ультразвуковыми устройствами, сверхгромкими рогами или химическими материалами. Хотя у каждого из них есть свои преимущества и недостатки, ультразвуковые устройства или громкоговорители продолжают предлагать наиболее эффективные результаты, а не химически ориентированные продукты.С их помощью вы можете контролировать агрессивный характер собаки и использовать ее в качестве инструмента для дрессировки домашних собак. Удобная часть химической продукции – она сравнительно проста в обращении. Просто откройте его и распылите, чтобы защитить себя. Если вы ищете достойное устройство для отпугивания собак, вы должны убедиться, что ваше устройство имеет надежный захват, что является ключевым фактором. Поскольку все происходит мгновенно, у вас может не хватить времени, чтобы поднять его, если он случайно упадет.Хороший репеллент для собак для велосипедистов должен быть противоскользящим и прочным. Компактная и портативная конструкция позволяет носить с собой куда угодно. Поскольку он в основном предназначен для велосипедистов, он должен быть легким и небольшим, чтобы его можно было положить в карманы. С другой стороны, громоздкое устройство только усугубляет ваши проблемы, делая вас тяжелее. Репеллент не должен содержать токсичных материалов, что является важным ключевым фактором. Поскольку вы используете его для домашних животных, вы должны быть уверены, что ваш товар не содержит вредных элементов.Ваш единственный мотив – отпугнуть собак, а не причинить им вред. Так что игнорировать этот факт нельзя. Перед покупкой вы должны проверить технические характеристики, например, эффективный диапазон. Вы должны убедиться, что репеллент действует на допустимом расстоянии. Дальность действия репеллента варьируется от 10 до 50 футов и даже больше. Лучше приобрести тот, который предлагает свою функцию на большие расстояния. Срок годности батарей – еще одна важная особенность, которая была тщательно продумана.Если ваша батарея дает худшую производительность, это бесполезная вещь. Некоторые модели предлагают аккумулятор в комплекте, а некоторые нет. Так как батарея контролирует общую функциональность, вам следует покупать эффективное качество с приличным временем автономной работы. Еще один момент, вы должны проверить, есть ли на нем индикатор заряда батареи. Некоторые известные бренды репеллентов для собак поставляются со встроенным светодиодным фонариком, дополнительным ключевым элементом репеллентов для собак. Если вы ночной путешественник, охранник или ночной патруль, эта светодиодная функция может вам помочь.Поскольку вы вкладываете деньги в этот продукт, вам следует выбрать что-то с дополнительными функциями, например, светодиодный фонарик. Специальный ручной репеллент для собак может иметь встроенный зажим для ремня для удобного обслуживания. Поскольку вы используете руки во время езды на велосипеде, вам следует выбрать репеллент, которым не нужно пользоваться обеими руками. Кроме того, вы можете принять во внимание факт удобства использования. Выберите тот, который включает в себя меньше действий. Неудивительно, что во время езды на велосипеде вы можете встретить агрессивных собак. Эти свирепые собаки с большей вероятностью будут преследовать вас. В этой ужасной ситуации вы должны знать несколько действенных тактик, чтобы уберечься от собак. Когда собака видит на дороге мотоцикл, она пробуждает жестокое отношение. Эти собаки пытаются его преследовать или даже громко лают; это из-за их природы, как кошка или белка. Лучше приучить собаку быть послушной, просто чтобы смягчить такое поведение. Да, велосипед может обогнать собаку. Вы должны крутить педали как можно быстрее, чтобы отойти на подходящее расстояние от атакующей собаки. Тип собаки, физические возможности, дорога и время, на которое вы замечаете, являются решающими факторами. Как энтузиаст велосипедистов, если вы часто сталкиваетесь с неловким поведением собак, лучшим решением будет приобрести лучшее устройство для отпугивания собак, чтобы защитить себя и заставить собаку бежать. Поскольку у всех разные вкусы, есть большая вероятность, что наша рекомендация может или не может соответствовать вашим потребностям. Специально для вашего удобства мы составили этот список, проведя углубленное исследование общих характеристик репеллентов для собак. Выбирая товар, стоит обратить внимание на некоторые важные особенности.Нетоксичные, долговечные, портативные, легкодоступные, репеллентные типы, встроенный фонарик и набор функций являются ключевыми особенностями, которые следует учитывать. Выбор подходящего репеллента для собак
Как работают репелленты? Типы и эффективность
Заборы для бродячих собак
Сравнительная таблица восьми методов и продуктов
Метод / продукт Преимущества Недостатки Отталкивает вкус.Оценка: 10 Самый эффективный репеллент без неприятных запахов. Он не портится, может быть изготовлен вручную для экономии средств. Возможны аллергии; эффект зависит от предпочтений вашей собаки. Средство от запаха. Рейтинг: 8 Некоторые запахи (например, цитрусовые) приятны для человека, не портятся, можно сделать вручную, чтобы сэкономить. Некоторые запахи неприятны для человека, менее эффективны, чем вкусовые репелленты; возможны аллергии; эффект зависит от предпочтений вашей собаки. Дождеватель с активированным движением. Рейтинг: 9 Не требует много времени, орошает почву, эффект не зависит от предпочтений вашей собаки. Реагирует на любое движение, возможен перерасход воды, может быть дороже запланированного. Модификация диеты. Рейтинг: 5 Разбавляет мочу и уменьшает повреждение травы. Никакие научные исследования не могут подтвердить эффективность, могут нанести вред вашей собаке или принять ответные меры, заставляя ее чаще мочиться. Дрессировка собак. Рейтинг: 10 Самый эффективный метод. Требуется время, терпение и настойчивость. Заборы. Рейтинг: 10 Лучший способ отгородиться от соседских или бродячих собак. Неэстетично в саду, короткие заборы – психологический барьер. Электрические заборы. Рейтинг: 9 Являются одновременно физическим и психологическим барьером, лучший способ отгородиться от соседских или бродячих собак. Может нанести вред домашним животным, крупные дикие животные могут повредить забор, неэффективен во время метели, необходимо регулярно проверять заряд. водопой мочеиспускания. Рейтинг: 6 Уменьшает урон. Эффективен только при поливе сразу после мочеиспускания. Вы должны постоянно наблюдать за своей собакой и всегда иметь под рукой таз для воды или шланг. ТОП-10 лучших репеллентов для собак
1. Горькое яблоко Гранника | Лучший спрей-репеллент для собак для защиты вашей обуви
2. Стой! Репеллент для собак 1,5 унции | Best Dog Repellent Spray для велосипедистов
3.The Company of Animals Pet Corrector
4.Электронный репеллент для собак и дрессировщик со светодиодным фонариком
5.Портативное устройство контроля лая First Alert Bark Genie
6. SAFETY-SPORT DOG HORN XL | Средство защиты от атак
7. Репеллент для животных Havahart Critter Ridder 3146 | Лучший репеллент для собак для защиты вашего газона
8. Жидкий репеллент для собак и кошек, готовый к использованию | Лучший репеллент для собак и кошек для защиты вашего двора
9. Репеллент для собак, уличный солнечный и атмосферостойкий ультразвуковой отпугиватель собак / кошек / комаров
10.Orbit 62100 Yard Enforcer Дождеватель с активацией движения
Сравнительная таблица лучших репеллентов для собак
4 самодельных спрея для отпугивания собак и 1 необычный способ to Use Coffee
Модификация диеты и продукты, влияющие на кислотность мочи
Самодельные спреи и лосьоны от насекомых
Спрей-репеллент №1 (отлично подходит для детей и домашних животных)
Спрей-репеллент №2 (Более сильный, лучше для взрослых)
Лосьон-репеллент №1 (для детей)
Лосьон-репеллент №2 (Для взрослых и детей старшего возраста)
Лучший репеллент для собак для велосипедистов 2020/2021 Отзывы и руководство для покупателя »StateCyclist
5 лучших репеллентов для собак для велосипедистов. Отзывы
1. Ультразвуковое средство для защиты собак Dog Dazer II
Дизайн и качество
Характеристики:
Плюсы:
Минусы:
2. Электронный репеллент и тренажер для собак Hoont
Дизайн и качество
Характеристики:
Плюсы:
Минусы:
3.Ультразвуковой отпугиватель собак и тренажер Frienda LED
Дизайн и качество
Характеристики:
Плюсы:
Минусы:
4. Sound Defense Super Loud для собак Отталкивает
Дизайн и качество
Специалист по поведению собак Характеристики:
Плюсы:
Минусы:
5. PetSafe SprayShield для сдерживания животных
Дизайн и качество
Характеристики:
Плюсы:
Минусы:
Основные факторы, которые следует учитывать перед покупкой
Репеллент Тип
Grip
Размер
Нетоксичный
Эффективный диапазон
Срок службы батарей
Светодиодная лампа
Простота использования
Часто задаваемые вопросы
1.Как защитить себя от собак во время езды на велосипеде?
2. Почему собаки ненавидят велосипедистов?
3. Может ли велосипед обогнать собаку?
Заключение


Имеют вид газового баллончика, наполненного химическим веществом. При покупке такого отпугивателя следует ознакомиться с описанием, поскольку далеко не каждые средства оказывают эффективное воздействие на собак. В случае использования такого баллончика животное должно убежать и больше не проявлять агрессию;
В качестве излучателя применён клаксон от автосигнализации, но можно, с одинаковым успехом, применить обычный динамик на 4 Ома, естественно, чем мощнее динамик, тем громче звучит, но в пределах возможностей самого усилителя. Схема потребляет большой ток, так что нужна хорошая батарея с напряжением от 6 до 12В (с “кроной” эффекта не будет). Достоинство данной схемы в том, что с её помощью можно настроить практически любой динамик на его резонансную частоту и получить в итоге очень громкий звук. В данном случае с клаксоном эта частота находится в пределах 2,5-2,7 кГц. К тому же звук очень чистый, так как сигнал на выходе получается синусоидальный. Можно подавать от внешнего источника меандр, эффект не хуже, но будет присутствовать ещё и “жужжание”. Даже может быть лучше эту пугалку использовать не на собаках, а на грызунах, живущих в овощехранилищах, совместно с датчиком движения. Такой резкий звук им вряд ли понравится, а заодно никого не побеспокоит. Вот сама схема, это типовое включение микросхемы К174УН7, с той разницей, что выход усилителя соединён со входом через конденсатор, а нужная частота регулируется переменным резистором.
Такой готовый УНЧ на отдельной плате можно снять со старого телевизора, а также подойдёт любой другой подобный усилитель.
Индикатором наличия выходного напряжения стабилизатора служит светодиод HL2. Это напряжение поступает на сотовый телефон и обеспечивает постоянную подзарядку его аккумулятора.
Прибор компактен, можно носить с собой в сумке, кармане. При приближении зверька будет реагировать, а сигнал – нарастать. С отпугивателем не страшна целая свора собак, что очень удобно, можно обойтись без крови и жертв. В интернете немало электросхем данного устройства, поэтому при необходимости можно собрать его самостоятельно, а комплектующие купить в любом радиомагазине. Устройство достаточно простое, да и обойдется вам намного дешевле.
При распылении собака должна кинуться, убегать и больше не проявлять агрессию. В принципе и газовый пистолет можно соорудить самостоятельно, наполнив патроны красным жгучим перцем. Можно устройство оставить на холостых. Эффективен против собак звук, также устройство можно выполнить со световым сигнальным отражателем.

В данном случае с клаксоном эта частота находится в пределах 2,5-2,7 кГц. К тому же звук очень чистый, так как сигнал на выходе получается синусоидальный. Можно подавать от внешнего источника меандр, эффект не хуже, но будет присутствовать ещё и «жужжание». Даже может быть лучше эту пугалку использовать не на собаках, а на грызунах, живущих в овощехранилищах, совместно с датчиком движения. Такой резкий звук им вряд ли понравится, а заодно никого не побеспокоит. Вот сама схема, это типовое включение микросхемы К174УН7, с той разницей, что выход усилителя соединён со входом через конденсатор, а нужная частота регулируется переменным резистором. Такой готовый УНЧ на отдельной плате можно снять со старого телевизора, а также подойдёт любой другой подобный усилитель.
ru/dlya-doma-i-semi/ultrazvukovoj-otpugivatel-sobak.html: использовано 1 блоков из 2, кол-во символов 5780 (15%)