Стабилизатор тока для светодиодов: виды, схемы, как сделать
Главным электрическим параметром светодиодов (LED) является их рабочий ток. Когда в таблице характеристик светодиода мы встречаем рабочее напряжение, то нужно понимать, что речь идет о падении напряжения на светодиоде при протекании рабочего тока. То есть рабочий ток определяет рабочее напряжение LED. Поэтому только стабилизатор тока для светодиодов может обеспечить их надежную работу.
Содержание
- Назначение и принцип работы
- Обзор известных моделей
- Стабилизатор на LM317
- Регулируемый стабилизатор
- Как сделать стабилизатор для светодиода своими руками
- Какой стабилизатор использовать в авто
- Вывод
Назначение и принцип работы
Стабилизаторы должны обеспечивать постоянный рабочий ток светодиодов когда в сети питания есть проблемы с отклонением напряжения от нормы (вам будет интересно узнать, как подключить светодиод от сети 220 вольт). Стабильный рабочий ток в первую очередь необходим для защиты LED от перегрева.
Ведь при превышении максимально допустимого тока, светодиоды выходят из строя. Также стабильность рабочего тока обеспечивает постоянство светового потока прибора, например, при разряде аккумуляторных батарей или колебаниях напряжения в питающей сети.
Стабилизаторы тока для светодиодов имеют разные виды исполнения, а обилие вариантов схем исполнения радует глаз. На рисунке приведены три самые популярные схемы стабилизаторов на полупроводниках.
- Схема а) — Параметрический стабилизатор. В этой схеме стабилитрон задает постоянное напряжение на базе транзистора, который включен по схеме эмиттерного повторителя. Благодаря стабильности напряжения на базе транзистора, напряжение на резисторе R тоже постоянно. В силу закона Ома ток на резисторе также не меняется. Так как ток резистора равен току эмиттера, то стабильны токи эмиттера и коллектора транзистора. Включая нагрузку в цепь коллектора, мы получим стабилизированный ток.
- Схема б). В схеме, напряжение на резисторе R стабилизируется следующим образом.
При увеличении падения напряжения на R, больше открывается первый транзистор. Это приводит к уменьшению тока базы второго транзистора. Второй транзистор немного закрывается и напряжение на R стабилизируется. - Схема в). В третьей схеме ток стабилизации определяется начальным током полевого транзистора. Он не зависит от напряжения, приложенного между стоком и истоком.
В схемах а) и б) ток стабилизации определяется номиналом резистора R. Применяя вместо постоянного резистора подстрочный можно регулировать выходной ток стабилизаторов.
Производители электронных компонентов производят множество микросхем стабилизаторов для светодиодов. Поэтому в настоящее время в промышленных изделиях и в радиолюбительских конструкциях чаще применяются стабилизаторы в интегральном исполнении. Почитать про все возможные способы подключения светодиодов можно здесь.
Обзор известных моделей
Большинство микросхем для питания светодиодов выполнены в виде импульсных преобразователей напряжения.
Преобразователи, в которых роль накопителя электрической энергии выполняет катушка индуктивности (дроссель) называются бустерами. В бустерах преобразование напряжения происходит за счет явления самоиндукции. Одна из типичных схем бустера приведена на рисунке.
Схема стабилизатора тока работает следующим образом. Транзисторный ключ находящийся внутри микросхемы периодически замыкает дроссель на общий провод. В момент размыкания ключа в дросселе возникает ЭДС самоиндукции, которая выпрямляется диодом. Характерно то, что ЭДС самоиндукции может значительно превышать напряжение источника питания.
Как видно из схемы для изготовления бустера на TPS61160 производства фирмы Texas Instruments требуется совсем немного компонентов. Главными навесными деталями являются дроссель L1, диод Шоттки D1, выпрямляющий импульсное напряжение на выходе преобразователя, и Rset.
Резистор выполняет две функции. Во-первых, резистор ограничивает ток, протекающий через светодиоды, а во-вторых, резистор служит элементом обратной связи (своего рода датчиком).
С него снимается измерительное напряжение, и внутренние схемы чипа стабилизируют ток, протекающий через LED, на заданном уровне. Изменяя номинал резистора можно изменять ток светодиодов.
Преобразователь на TPS61160 работает на частоте 1.2 МГц, максимальный выходной ток может составлять 1.2 А. С помощью микросхемы можно питать до десяти светодиодов включенных последовательно. Яркость светодиодов можно изменять путем подачи на вход «контроль яркости» сигнала ШИМ переменной скважности. КПД приведенной схемы составляет около 80%.
Нужно заметить, что бустеры обычно используются, когда напряжение на светодиодах выше напряжения источника питания. В случаях, когда требуется понизить напряжение, чаще применяют линейные стабилизаторы. Целую линейку таких стабилизаторов MAX16xxx предлагает фирма MAXIM. Типовая схема включения и внутренняя структура подобных микросхем представлена на рисунке.
Как видно из структурной схемы, стабилизация тока светодиодов осуществляется Р-канальным полевым транзистором.
Напряжение ошибки снимается с резистора Rsens и подается на схему управления полевиком. Так как полевой транзистор работает в линейном режиме, КПД подобных схем заметно ниже, чем у схем импульсных преобразователей.
Микросхемы линейки MAX16xxx часто применяются в автомобильных приложениях. Максимальное входное напряжение чипов составляет 40 В, выходной ток – 350 мА. Они, как и импульсные стабилизаторы, допускают ШИМ-диммирование.
Стабилизатор на LM317
В качестве стабилизатора тока для светодиодов можно использовать не только специализированные микросхемы. Большой популярностью у радиолюбителей пользуется схема LM317.
LM317 представляет собой классический линейный стабилизатор напряжения имеющий множество аналогов. В нашей стране эта микросхема известна как КР142ЕН12А. Типовая схема включения LM317 в качестве стабилизатора напряжения показана на рисунке.
Для превращения этой схемы в стабилизатор тока достаточно исключить из схемы резистор R1.
Включение LM317 в качестве линейного стабилизатора тока выглядит следующим образом.
Выполнить расчет этого стабилизатора довольно просто. Достаточно вычислить номинал резистора R1, подставив значение тока в следующую формулу:
R1=1.25*I0.
Мощность, рассеиваемая на резисторе равна:
W=I2R1.
Регулируемый стабилизатор
Предыдущую схему легко превратить в регулируемый стабилизатор. Для этого нужно постоянный резистор R1 заменить на потенциометр. Схема будет выглядеть так:
Как сделать стабилизатор для светодиода своими руками
Во всех приведенных схемах стабилизаторов используется минимальное количество деталей. Поэтому самостоятельно собрать подобные конструкции сможет даже начинающий радиолюбитель освоивший навыки работы с паяльником. Особенно просты конструкции на LM317. Для их изготовления даже не нужно разрабатывать печатную плату. Достаточно припаять подходящий резистор между опорным выводом микросхемы и ее выходом.
Также к входу и выходу микросхемы нужно припаять два гибких проводника и конструкция будет готова. В случае, если с помощью стабилизатора тока на LM317 предполагается питать мощный светодиод, микросхему нужно оснастить радиатором который обеспечит отвод тепла. В качестве радиатора можно использовать небольшую алюминиевую пластинку площадью 15-20 квадратных сантиметров.
Изготавливая конструкции бустеров, в качестве дросселей можно использовать катушки фильтров различных блоков питания. Например, для этих целей хорошо подойдут ферритовые кольца от блоков питания компьютеров, на которые следует намотать несколько десятков витков эмалированного провода диаметром 0.3 мм.
Какой стабилизатор использовать в авто
Сейчас автолюбители часто занимаются модернизацией светотехники своих машин, применяя для этих целей светодиоды или светодиодные ленты (читайте, как подключить светодиодную ленту в авто). Известно, что напряжение бортовой сети автомобиля может сильно меняться в зависимости от режима работы двигателя и генератора.
Поэтому в случае с авто особенно важно применять не стабилизатор 12 вольт, а рассчитанный на конкретный тип светодиодов.
Для автомобиля можно посоветовать конструкции на основе LM317. Также можно использовать одну из модификаций линейного стабилизатора на двух транзисторах, в которой в качестве силового элемента использован мощный N-канальный полевой транзистор. Ниже приведены варианты подобных схем, в том числе и схема светодиодного драйвера.
Вывод
Подводя итог можно сказать, что для надежной работы светодиодных конструкций их необходимо питать с помощью стабилизаторов тока. Многие схемы стабилизаторов просты и доступны для изготовления своими руками. Мы надеемся, что приведенные в материале сведения будут полезны всем, кто интересуется данной темой.
Что нужно светодиоду – стабилизатор напряжения или тока?
Все светодиоды, независимо от форм-фактора и электрических параметров, питаются током. Правильно заданный ток – это гарантия длительной и стабильной работы осветительного прибора.
Так почему же производители светодиодной продукции часто вместо стабилизатора тока устанавливают стабилизатор напряжения? Как это сказывается на работе светодиодных ламп, лент, фонарей и прожекторов? Попробуем разобраться.
Содержание
- 1 Стабилизаторы напряжения
- 2 Стабилизаторы тока
- 3 Параметры питания светодиодов
- 4 Правильное и неправильное включение
Стабилизаторы напряжения
Исходя из названия, эти устройства предназначены для поддержания напряжения в нагрузке на определённом уровне. При этом величина выходного тока зависит от самой нагрузки. Другими словами, сколько потребуется нагрузки, столько она возьмёт, но не более максимально возможного значения. Допустим, стабилизатор напряжения обладает такими выходными параметрами: 12В и 1 А. То есть на выходе всегда будет поддерживаться 12В, а ток потребления может быть в диапазоне от нуля до одного ампера. Существует два вида стабилизаторов напряжения: линейные и импульсные.
Как правило, регулирующим элементом в схеме стабилизатора является биполярный или полевой транзистор.
Если этот транзистор работает в активном режиме, то стабилизатор называют линейным. Если же регулирующий транзистор работает в ключевом режиме, то стабилизатор называют импульсным.
Наиболее распространенными и недорогими являются линейные стабилизаторы напряжения, однако они имеют ряд недостатков:
- низкий КПД;
- при большом токе нагрузки нуждаются в теплоотводе;
- имеют достаточно высокое падение напряжения.
Чтобы не сталкиваться с подобными недостатками, рекомендуется использовать стабилизаторы напряжения импульсного типа. Они бывают трех типов: повышающие, понижающие и универсальные. Импульсные стабилизаторы имеют высокий КПД, не нуждаются в дополнительном отводе тепла при больших токах нагрузки, но имеют более высокую стоимость.
Стабилизаторы тока
Простейший ограничитель тока – резистор. Его часто называют простейшим стабилизатором, что неверно, так как резистор не способен стабилизировать ток при колебании напряжения на своем входе.
Применение резистора в схеме питании светодиода допустимо только при стабилизированном входном напряжении. В противном случае все скачки напряжения передаются в нагрузку и негативно отражаются на работе светодиода. Эффективность резистивных ограничителей тока очень низкая, так как вся потребляемая ими энергия рассеивается в виде тепла.
Немного выше КПД у конструкций на базе готовых интегральных микросхем (ИМ) линейных стабилизаторов. Схемы линейных стабилизаторов на базе ИМ выделяющиеся минимальным набором элементов, отсутствием помех и простой настройкой.
Чтобы избежать перегрева регулирующего элемента, разность входного и выходного напряжения должна быть небольшой, но достаточной (3-5 вольт). Иначе корпус микросхемы вынужден будет рассеивать невостребованную энергию, тем самым снижая КПД.
Драйверы для светодиодов на основе готовых ИМ линейных стабилизаторов выделяются дешевизной и доступностью элементов для сборки своими руками.
Наиболее эффективными принято считать токовые драйверы с широтно-импульсной модуляцией (ШИМ).
Их конструируют на базе специализированных микросхем с цепью обратной связи и элементами защиты, что в несколько раз повышает надёжность всего устройства. Наличие в них импульсного трансформатора ведет к удорожанию схемы, но оправдано высоким КПД и сроком службы. Токовые ШИМ стабилизаторы с питанием от источника 12В несложно сделать своими руками, используя специализированную микросхему. Например, ИМС PT4115 от компании PowTech, которая разработана специально для схем питания светодиодов мощностью от 1 до 10 Вт.
Параметры питания светодиодов
У светодиодов, кроме номинального тока существует ещё один важный параметр – прямое падение напряжения. Роль этого параметра также существенна, именно поэтому его указывают в первом ряду технических параметров полупроводникового прибора.
Чтобы через p-n переход начал протекать ток, к нему нужно приложить какое-то минимальное прямое напряжение Uмин.пр.. Значение минимального прямого напряжения указывается в документации светодиода и отражается на графике вольт — амперных характеристик (ВАХ).
На зеленом участке ВАХ светодиода видно, что только при достижении Uмин.пр. начинает протекать ток Iпр. Дальнейший незначительный рост Uпр приводит к резкому росту Iпр. Именно поэтому даже небольшие перепады напряжения свыше Uмакс..пр. губительны для кристалла светодиода. В момент превышения Uмакс.пр. ток достигает своего пика и происходит разрушение кристалла. Для каждого типа светодиодов существует номинальный ток и соответствующее ему напряжение (паспортные данные), при которых прибор должен отработать заявленный срок службы.
Правильное и неправильное включение
Больше всего ошибок допускают автомобилисты, когда пытаются сэкономить на схеме питания светодиодного освещения. Часто автолюбители включают светодиодные приборы напрямую от аккумулятора, а потом жалуются на разные неполадки: моргание, потерю яркости и полное погасание кристалла. Всё это происходит из-за отсутствия промежуточного преобразователя, который должен компенсировать перепады напряжения в интервале от 10 до 14,5В.
Ещё одна ошибка владельцев авто – подключение только через резистор, рассчитанный на среднее показание аккумулятора 12В. Резистор – линейный элемент, а значит, ток через него растет пропорционально напряжению. Подключение через резистор допускается при условии его расчета на 14,5В, но тогда придется смириться с неполной светоотдачей светодиодов при низких и средних значениях напряжения в бортовой сети. Поэтому однозначный верный способ подключения светодиодов в автомобиле – это использование стабилизатора тока, желательно импульсного типа.
В различных осветительных конструкциях на основе светодиодов часто используются именно стабилизаторы напряжения. Почему так происходит? Во-первых, они намного дешевле качественных токовых драйверов. Во-вторых, чтобы из стабилизатора напряжения получился более-менее надёжный драйвер достаточно на выходе установить резистор, грамотно рассчитав его мощность и сопротивление. Такое схемотехническое решение часто применяется в недорогих LED лампах и осветительных конструкциях с применением светодиодных лент.
Большинство светодиодных лент питается стабильным напряжением 12В. Если рассмотреть конструкцию ленты более детально, то можно увидеть, что она разделена на небольшие участки. Как правило, каждый участок состоит из трёх SMD светодиодов и одного токозадающего резистора. Падение напряжения на одном светоизлучающем элементе в среднем составляет 2,5-3,5 В, то есть максимум 10,5В в сумме. Остаток гасится резистором, номинал которого изготовитель подбирает под тип используемых светодиодов. Поэтому подключение светодиода через связку из стабилизатора напряжения и резистора можно считать правильной.
Выходная мощность стабилизатора должна быть больше потребляемой мощности нагрузки примерно на 30%.
Если использовать простой блок питания без стабилизации (трансформатор, диодный мост и конденсатор), то при небольшом увеличении напряжения сети, его пропорционально уменьшенная часть будет равномерно распределяться на всех четырёх элементах каждого участка ленты.
В итоге вырастет ток, температура кристалла и, как следствие, начнется необратимый процесс деградации светодиодов.
Самым правильным схемотехническим решением является применение стабилизатора тока импульсного типа. На сегодняшний день – это оптимальный вариант, который используют все ведущие производители светодиодных изделий. Токовый драйвер с ШИМ регулятором практически не греется, эффективен и надёжен.
Так чему же отдать предпочтение: дешевому стабилизатору напряжения с резистором или более дорогому токовому драйверу? Правильный ответ скрыт в выражении: «Любая экономия должна быть оправдана». Если Вам нужно подключить десяток слаботочных светодиодов или не более одного метра ленты, то выбор в пользу первого варианта нельзя назвать ошибочным.
Но если ваша цель – запитать фирменные светодиоды с мощностью каждого кристалла более 1 Вт, то без качественного токового драйвера не обойтись. Потому что стоимость таких излучающих диодов намного выше цены на драйвер.
Сравнение характеристик светодиодных чипов SMD: размер, мощность, эффективность
Статья обновлена: 24 августа 2021 г.
Какие светодиодные чипы SMD самые яркие и эффективные? 5050, 5630, 5730, 2835 или что-то другое?
⚠️ Не поддавайтесь искушению смотреть невооруженным глазом прямо на светодиоды высокой яркости!
Светодиодные чипы SMD Характеристики: размер, мощность, эффективностьСветодиодные чипы SMD значительно изменились за последние пару десятилетий. Поскольку стоимость люмена в геометрической прогрессии снижается, теперь они бывают самых разных форм и размеров, которые вы только можете себе представить.
СВЕТОДИОДНЫЕ ЧИПЫ SMD
Идеальный источник света: эффективность 100 %
Световая эффективность излучения видимого спектра (LER) выражается в люменах на ватт (лм/Вт) единиц. Максимальная теоретическая эффективность идеального источника света равна 683 лм/Вт при 555 нм монохроматический зеленый цвет длина волны.
Почему 555 нанометров спросите вы? Потому что стандартизированная кривая V(λ), описывающая среднюю чувствительность человеческого глаза к видимому свету, достигает максимума именно при этом числе! Очевидно, за это мы должны благодарить природу! Другими словами, идеальный светодиодный источник света должен излучать «чистый зеленый цвет» и преобразовывать 100% потребляемой электроэнергии в свет, достигая максимального теоретического предела эффективности.
А как насчет других цветов? А как насчет красного, синего, желтого, оранжевого и белого? Что ж, всякий раз, когда мы сдвигаем, расширяем или растягиваем спектр излучаемого света, чтобы включить в вывод другие цвета, мы снижаем максимальную теоретическую эффективность. Почему? Потому что наши глаза не так чувствительны к другим цветам, особенно к крайним синим (700 нм) концам шкалы, и мы полностью слепы к ультрафиолетовому и инфракрасному (ИК) спектрам и выше.
Светодиоды белого света имеют максимальная теоретическая эффективность около ~ 350 лм/Вт , что означает, что мы еще не достигли этого, но уже очень близко! Согласно официальному пресс-релизу компании (2014 г.
), Cree (которая продала свой светодиодный бизнес SMART Global Holdings, Inc. в 2020 г.) была первой компанией, преодолевшей барьер эффективности 300 лм/Вт . Итак, почему мы не видим их в наших таблицах, перечисленных ниже, и в интернет-магазинах, готовых к покупке? Поскольку это результаты испытаний лабораторных образцов НИОКР, они либо чрезвычайно редки, либо дороги в производстве (требуются высокая точность, дорогие и жесткие материалы и механические допуски для массового производства на нашем нынешнем технологическом уровне), и поэтому их доступность очень ограничена. Они и эксклюзивны, и дороги на данный момент.
В настоящее время доступны 3 метода, каждый из которых имеет определенное преимущество перед другим:
- Использование R-G-B светодиодов (без люминофорных красителей, действующих как преобразователи длины волны). Мы можем создать иллюзию белого света, правильно смешав значения КРАСНОГО, ЗЕЛЕНОГО и СИНЕГО компонентов соответственно.
Обратите внимание, что все 3 светодиода имеют разные электрические характеристики, которые необходимо учитывать (а именно, требования к рабочему напряжению и току), что делает логику контроллера более сложной и дорогой. Этот метод может быть очень простым и эффективным, но имеет тенденцию создавать пробелы в спектре, что приводит к более низкому индексу цветопередачи (80-85). Кроме того, из-за различных материалов (состава) уровни износа (старения) меняются со временем по-разному для каждого цвета, что влияет на стабильность и качество света. Где мы можем увидеть пример светодиодов RGB и белого света, который они производят? Что ж, если у вас есть OLED/AMOLED-дисплей на мониторе вашего мобильного телефона, ПК или ноутбука, возможно, вы уже смотрите на него, потому что в этих технологиях экрана используется активная светодиодная матрица RGB (или чередующаяся RGBW) для создания иллюзии много цветов, в том числе белый! Если у вас на цифровой или запасной телефонной камере есть режим макросъемки (в сочетании с оптическим или цифровым зумом — скорее всего поможет), вы можете сделать увеличенное изображение отдельных светодиодных субпикселей и убедиться в этом сами! Обратите внимание, что в более старой традиционной технологии экрана TFT LCD на самом деле не используются светодиоды спереди, а цветные стеклянные фильтры RGB пропускают или блокируют блок белого света (BLU) с задней подсветкой, что может обмануть вас, заставив думать, что это светодиоды, но это не так.
! - Использование синего светодиода с красителями на основе люминофора сверху (под крышкой объектива). Эта желтая или оранжевая краска, которую вы видите поверх многих белых светодиодов SMD или светодиодных панелей COB, на самом деле называется преобразователем длины волны , специальным слоем красителя, использующим квантовый принцип преобразования длины волны в частоту. Синие светодиоды обычно работают с длиной волны 450-460 нм. Различные красители будут давать различный спектральный сдвиг и результирующий «белый цвет» (теплый, натуральный, холодный). Некоторые специализированные красители могут давать очень высокие значения CRI (95-98). Люминофорные красители характеризуются собственной внутренней квантовой эффективностью, которая также влияет на общую эффективность светодиодов.
- Использование УФ-светодиода с красителями на основе люминофора в качестве преобразователей длины волны сверху (под крышкой объектива).
УФ-светодиоды обычно работают с длиной волны 365-395 нм.
Светодиодные чипы SMD: основные свойства
- Radiant Flux ( люмен ) выход на один чип. Это зависит от номинальной мощности и КПД, размера, геометрии, класса / бункера, электрических характеристик и условий эксплуатации.
- Эффективность , выраженная в люменах на ватт. Отношение (лм/Вт) связано с Radiant Flux и тем, как сильно светит светодиод по отношению к потребляемой электроэнергии. Несмотря на распространенное мнение, максимальная энергоэффективность светодиодного чипа достигается на более низком уровне мощности , чем его максимальная номинальная мощность ! Диаграмма Люмен на ватт в зависимости от прямого тока (А) имеет форму кривой экспоненциального затухания . Именно по этой причине многие энергоэффективные конструкции включают как минимум на 30-100 % больше светодиодных чипов, чем абсолютный минимум, чтобы избежать снижения эффективности, сохранить чипы более холодными и управлять ими в «наилучшей зоне».
В типичной конструкции управляющий ток редко превышает номинальное значение светодиода, и, чтобы держать под контролем температурный режим, они часто занижаются на 30-50 %, что значительно ниже их номинальных и абсолютных максимальных значений. Есть, конечно, и другие случаи, когда энергоэффективность не является основной целью, а общая светоотдача, и в этих случаях светодиоды работают на максимум с большими радиаторами, прикрепленными сзади. - Ширина луча излучаемых световых лучей (угол 2D или 3D) — определяется границей, где интенсивность света падает до 50%. Лампы накаливания светят приблизительно на 360 градусов, тогда как обычные светодиоды обычно рассматриваются как сфокусированные точечные источники с углом луча от 15 до 120 градусов. Обычно это определяется геометрией чипа и формой фокусирующей линзы, расположенной сверху, которую можно добавить позже, после процесса изготовления чипа. Объектив вносит падение светового потока на 5-10 % (потеря эффективности), в зависимости от его значение оптического пропускания , которое обычно составляет около 90-95 %.

- Спектральный отклик — еще одна важная характеристика. Полихроматические светодиоды являются производными синих светодиодов с различным соотношением длин волн синего, желтого, зеленого и красного цветов, образующих широкий диапазон цветовых температур от янтарного/теплого, естественного/нейтрального до холодного (голубоватого) белого. Качество «белого» определяется люминофорным покрытием поверх светодиодного чипа. Монохроматические светодиоды специализируются на относительно узком диапазоне спектра от ультрафиолетового (УФ), видимого (RGB и других цветов) до инфракрасного (ИК) света.
💡 Обратите внимание, что некоторые светодиодные чипы SMD (например, 5050) на самом деле состоят из нескольких отдельных светодиодов внутри! Если вы присмотритесь, то заметите 6 или 7 отдельных областей под крышкой линзы светодиода. Излишне говорить, что этот факт способствует их более высокой электрической мощности и светоотдаче, но вносятся некоторые потери из-за границ пространства между отдельными «островками» подложки вдоль предельной тепловой характеристики от нескольких диодов, использующих один и тот же корпус.
В случае многоцветных светодиодов RGB каждый сегмент светодиода внутри чипа имеет красный, зеленый и синий цвет соответственно. Иногда внутри одного чипа может присутствовать дополнительный 4-й выделенный светодиод теплого белого (WW) или холодного белого (CW) цвета, чтобы уменьшить дискретные артефакты смешивания цветов, улучшить реализм и CRI (индекс цветопередачи) — в таких случаях чипы и полоски (и соответствующие контроллеры) обычно обозначаются как RGBW , чтобы отличить их от дискретных или более распространенных типов R – G – B . Варьируя (смешивая) индивидуальную яркость каналов R-G-B, достигается иллюзия «бесконечной» цветовой палитры.
В случае одноцветных версий (холодный белый, натуральный белый, теплый белый, красный, зеленый, синий и т. д.) все отдельные светодиоды внутри одинаковы, но не подключены параллельно; они по-прежнему поставляются с отдельными клеммами для управления отдельными светодиодами (например, для улучшенного распределения тока (= яркости) с ограничительными резисторами).
Ленты RGB LED Flex выпускаются в нескольких вариантах:
- 5- или 6-проводные гибриды RGBW/RGBWW/RGBCCT, содержащие как обычный чип 5050 RGB + отдельные чипы 2835 WW и/или CW рядом с ним
- 3-проводные RGBCW/RGBWW/RGBNW передовые чипы 4-в-1, а некоторые даже содержат встроенные цифровые логические контроллеры для отдельных светодиодных сегментов с адресацией
- 4-проводная классическая светодиодная гибкая лента R-G-B с дискретными диодами R, G и B, расположенными рядом друг с другом
- Другие нестандартные/специальные/перемежающиеся варианты
Светодиодные чипы SMD: типовые характеристики
Данные обобщены и сильно упрощены, чтобы получить представление, но на самом деле все зависит от партии производства, постпроизводственной классификации (марки / бункеры) и других характеристик, специфичных для каждого производителя.
- Типовой белый SMD-светодиод мощностью 0,2 Вт (например, 2835, 5050) работает при напряжении ~ 3,0 В (2,8 ~ 3,6), работает при номинальном токе возбуждения 60 мА и производит 20-35 люмен на один чип.
При работе на меньших токах (20-40 мА) выходной поток снижается до 6-15 люмен на один чип. - Типовой белый SMD-светодиод мощностью 0,5 Вт (например, 2835, 5630, 5730) работает при напряжении ~ 3,2 В (2,8 ~ 3,6), работает при номинальном токе возбуждения 100–150 мА и производит 30–90 (типичное значение 50–60) люмен на один светодиод. чип. При работе на меньших токах (45-60 мА) выходной поток снижается до 10-30 люмен на один чип.
Типичные значения для светодиодного чипа 5050 :
- 200 мВт (0,2 Вт) Максимальная номинальная мощность
- 120° градусов ширина луча
- 8~14 люмен на один светодиодный чип, но может достигать 24
- 5050 обычно ярче чипов 3528, но менее мощны, чем 5630 и 5730
- 5050 Гибкая светодиодная лента (лента) одинаковой длины, номинального напряжения и количества чипов будет производить больше света, а также потребует гораздо большего тока возбуждения (~ в 4 раза), чем эквивалентные 3528 и 2835 более дешевые варианты
Светодиодные чипы SMD: общее введение
Contemporary discrete SMD LED chips are: SMD5050 , SMD5054 , SMD5630 , SMD5730 , SMD2835 , SMD3014 , SMD3528 and so on.
Первые 2 цифры обозначают ширину ; вторые 2 цифры обозначают длину (все единицы указаны в 1/10 миллиметра или мм , для краткости). К сожалению, само по себе обозначение размера абсолютно ничего не говорит нам об их электрических и светоизлучающих характеристиках!
💡 Отказ от ответственности: Ниже приводится только общая классификация самых популярных в настоящее время размеров, которую не следует воспринимать как абсолютную. Более полный список см. в таблице внизу. Остерегайтесь того факта, что некоторые однодиодные чипы в упаковке могут быть более мощными (обладать большей потребляемой мощностью) по сравнению с другими типами или комбинированными, но это не приводит автоматически к более высокой эффективности! Производители классифицируют по разным сортам / бункеров светодиодов в процессе массового производства и соответственно их цена.
Другими словами, вы можете обнаружить, что в целом более совершенный тип чипа «на бумаге» от менее известного (или неизвестного) производителя работает намного хуже, чем менее продвинутая модель от уважаемого производителя! Кроме того, вы должны учитывать различия в качестве и производительности между производственными партиями, которые, как правило, очень высоки у менее известных и респектабельных производителей. Мир светодиодов окрашен всеми оттенками серого (должна быть шутка).
Согласно различным даташитам, наиболее мощными и эффективными являются типы 3535 (до 1500 мА/5 Вт/180 Люмен), 2016 (60 мА/0,2 Вт/до 200 Люмен на один чип), и 2835 типов (150-300 мА/0,5-1,0 Ватт/до 180 Люмен на один чип), но будьте осторожны, гораздо чаще встречаются более дешевые варианты 60 мА/0,2 Вт, встречающиеся в бюджетных светодиодных лентах и лампы похуже ( слабее или менее ярко) чем 5050! За ними внимательно следуют 3030 (150 мА/1 Вт/до 165 люмен на один чип).
В среднем классе находятся типы 5054 , 5630 и 5730 (до 150-300 мА/0,5-1,0 Вт/60-150 Люмен) — более мощные, чем типы 5050/5060 — опять же остерегайтесь дешевой маломощности Типы 0,10 ~ 0,15 Вт и 7 ~ 12 люмен обычно встречаются в недорогих светодиодных лентах и лампах. Cree выпускает специальную высокоэффективную серию 5630 J, которая может достигать 209 лм/Вт! Наконец, типы 5050 / 5060 имеют меньшую потребляемую мощность (до 60 мА / 0,2 Вт / 24-32 люмен на один чип), но они очень эффективны, дешевы и доступны по цене, обеспечивают превосходный мощный световой поток. для типичных применений, что делает их очень хорошим бюджетным выбором! Есть и другие размеры и типы, но эти самые популярные на сегодняшний день.
Cree производит некоторые «экзотические» типы 5050 (5 Вт, работающие от 6 В до 36 В, излучающие до 455 люмен на один чип и достигающие эффективности до 201 лм/Вт), но они определенно не являются обычным типом.
Обычно нахожу вокруг.
Кроме того, существует серия Cree XLamp XHP50 (Extreme High Power) (и более новая, более эффективная и улучшенная XHP50.2 следующего поколения), которые также представляют собой установленные SMD-чипы с квадратным размером 5,0 x 5,0 мм, но имеют гораздо большую переднюю линзу. и до 18 Вт максимальной мощности!
XHP XLamp XHP35/XHP35.2/XHP50/XHP50.2/XHP70/XHP70.2 не относятся к тому же классу, что и обычные SMD-светодиоды, которые мы рассматриваем в этой статье, они значительно мощнее (хотя, не обязательно более эффективным!) и поставляются с характерным звездообразным алюминиевым радиатором.
Как правило, чем мощнее чип (например, он выдерживает более высокое входное напряжение и ток), тем больше света он излучает (в сумме), но тем менее эффективен. Другими словами, управление мощными микросхемами на уровне 40-50 % от их номинальной мощности обычно обеспечивает пиковую эффективность [лм/Вт] или рейтинг LPW, в то время как дальнейшее приближение их к номинальным (максимальным непрерывным) номинальным характеристикам снизит это соотношение.
. Самые эффективные чипы, как правило, менее 0,2 Вт, потому что они работают при более низкой температуре, их легче производить и получать «идеальные бины» в процессе производства.
Еще раз, имейте в виду, что данные разнятся в зависимости от производителя, класса (цены), области применения, а также меняются с каждым новым поколением светодиодов; следствие быстро развивающейся промышленности. Более дешевые (с низким энергопотреблением) обычно находят свое применение в таких продуктах, как светодиодные лампы USB или светодиодные ленты. Более дорогие зарезервированы для продуктов более высокого класса с соответствующей ценой. Но более высокая мощность и светоотдача (люмены) выливается в более чем мощности батареи, необходимой для их питания (и, следовательно, генерируемых ).0011 Heat ), что является чем-то вроде роскоши и конструктивного ограничения в миниатюрных портативных устройствах и приложениях.
Отдельно стоит упомянуть дешевые светодиодные «клоны», разработанные так, чтобы «выглядеть» и «чувствовать» себя как настоящие.
Они распространены в бюджетных / недорогих светодиодных лентах, лампах, лампочках и т. Д. Что делает их такими некачественными и слабыми? По сути, они используют более тонкие и меньшие силиконовые подложки, провода, меньше меди (в полосках/лентах), меньшие радиаторы, плохие регуляторы мощности и так далее. Если вы измерите их вес, то обнаружите, что зачастую они в 2-3 раза легче своих «оригинальных» аналогов. Все это делает их склонными к большему нагреву, что в конечном итоге ограничивает их абсолютную максимальную мощность и срок службы.
Светодиодные чипы также различаются по мощности и рабочему напряжению. Хотя это в основном достигается за счет дополнительных сетевых цепей контроллера и резистора или последовательного соединения микросхем, что приводит к работе при более высоком номинальном напряжении, чем номинальные значения возбуждения кремниевых светодиодов .
Распространенный современный светодиод SMD белого или синего цвета работает от 2,7 ~ 3,6 Вольт (соответствует современным литиевым или 2 (или 3) батарейкам стандарта AA/AAA), но есть и другие варианты: на 5 Вольт ( Питание от шины USB), 12–24 В (питание от аккумулятора автомобиля/грузовика и в обычных бытовых осветительных приборах) и вплоть до сетевого питания 110–220 В переменного тока (использование в домашних условиях, офисе и промышленности).
Усилители напряжения или понижающие преобразователи используются либо для повышения низкого напряжения (1-3 вольта) до более высокого (5-12 вольт), либо для выпрямления и уменьшения сетевого питания.
Некоторые светодиоды могут питаться от более высокого напряжения (например, 3,7 ~ 4,5 В для белых светодиодов), но это значительно сокращает срок их службы и даже приводит к их преждевременному сгоранию! Существуют также специальные высоковольтные типы (6-18 В и более) с высоким КПД. Светодиодные чипы
представляют собой нелинейные электронные компоненты (кривая V-I), очень похожие на их обычные неизлучающие родственники , а это означает, что их светоотдача сильно зависит от изменения входного напряжения. Это очень мало беспокоит в таких приложениях, как портативные светодиодные лампы с батарейным питанием, но в профессиональном и домашнем освещении это имеет большое значение. В режиме постоянного напряжения (CV) используются токоограничивающие резисторы, особенно со светодиодными лентами, USB-светодиодными лампами, «кукурузными» лампочками, потолочными светильниками и т.
д., однако резисторы снижают общий КПД из-за чрезмерной мощности источника питания или аккумулятор уходит в тепло. Вот почему 9Следует использовать схемы драйвера постоянного тока 0011 (CC), поскольку яркость светодиода можно регулировать более линейно за счет величины электрического тока, проходящего через микросхему в активном режиме, без чрезмерных потерь энергии.
Светодиодные чипы SMD Характеристики: Размер/Мощность/КПД/Технические характеристики Таблица
Исходный источник данных таблицы (отредактировано, обновлено, исправлены ошибки, данные предоставляются как есть)
| SMD Светодиод | Размеры [5] [мм x мм] | Мощность [6] [Вт] | Поток на чип [1] [люмен] | Эффективность [1] [Лм/Вт] (мин) | Эффективность [1] [Лм/Вт] (макс.) | CRI [4] [Ra] | Интенсивность [3] [Кд] | Угол луча [° градусов] | Радиатор Требуется [2] | диодов на чип | Источник данных / Примечание |
|---|---|---|---|---|---|---|---|---|---|---|---|
| 1808 | 1,8 х 0,8 | 0,1* | 8-10 | 80 | 100 | 75-95 | 120 | нет | 1 | Алибаба Алиэкспресс | |
| 2016 | 2,0 х 1,6 | 0,2 | 16-40 | 80 | 200 | 70-95 | 120 | нет/да* | 1 | Кри | |
| 2216 | 2,2 х 1,6 | 0,1* | 8–10 | 80 | 100 | 90-97 | 120 | нет | 1 | Алибаба AliExpress Высокий индекс цветопередачи 3528 | |
| 2835 | 2,8 х 3,5 | 0,2/0,5/1 | 14–180 | 70 | 180 | 75–95 | 4,4-57,3 | 120 | нет/да* | 1 | Кри/БриджЛюкс |
| 3014 | 3,0 х 1,4 903:30 | 0,1 | 9–12 | 90 | 120 | 75–85 | 2,8-3,8 | 120 | №* | 1 | Алибаба |
| 3020 | 3,0 х 2,0 | 0,06 | 5,4 | 80 | 90 | 1,7 | 120 | №* | 1 | Алибаба | |
| 3030 | 3,0 х 3,0 | 0,2/0,5/1 | 30-36 / 110–200 | 120 | 200 | 70-90 | 120 | нет/да* | 1 | Кри | |
| 3528 | 3,5 х 2,8 | 0,1/0,5 | 4–8 / 52 | 80 | 104 | 60–70 | 120 | нет | 1, 3 (RGB) | Национстар / APT | |
| 3535 | 3,5 х 3,5 | 0,5/1/2/3/5 | 35-1000 | 70 | 180-200 | 75–80 | 120 | да | 1 | Philips/Kingbright/Другие | |
| 4014 | 4,0 х 1,4 | 0,2 | 22–34 | 110 | 170 | 80 | 117 | №* | 1 | Алибаба [Китай] | |
| 5050 | 5,0 х 5,0 | 0,2/5,0 | 12-24 / 800-1000 | 60-160 | 120-200 | 70-90 | 120 | №* | 1 (WW/NW/CW), 2 (WW+CW), 3 (RGB), 4 (RGBW) | Кри / Юаньлэй (Страна грез) / Другие | |
| 5054 | 5,0 х 5,3 | 0,2/0,5/1 | 24-150 | 110 | 150 | 80 | 120 | нет/да* | 1, 4 (RGBW) | Различные | |
| 5060 | 5,0 х 5,5 | 0,2 | 18-26 | 90 | 130 | 80 | 120 | №* | 3 (RGB) | Hi-Led/оптическая вспышка | |
| 5630 | 5,6 х 3,0 | 0,2/0,5 | 24-42 / 45-90 | 90-120 | 180-210 | 70-90 | 120 | №* | 1 | Кри | |
| 5730 | 5,7 х 3,0 | 0,2/0,4/0,5 | 12–26 / 30–65 | 60 | 130 | 70-90 | 120 | №* | 1 | OptoFlash / Tbelux / Octa Light | |
| 5733 | 5,7 х 3,3 | 0,5 | 35–50 | 70 | 100 | 80 | 9,5-15,9 | 120 | №* | 1 | Алибаба [Китай] 903:30 |
| 5736 | 5,7 х 3,6 | 0,5 | 40–55 | 80 | 110 | 80 | 12,7-17,5 | 120 | №* | 1 | Алибаба [Китай] |
| 7014 | 7,0 х 1,4 | 0,5/1 | 55-60 / 110-120 | 110 | 120 | 70–80 | 120 | нет/да* | 1 | Санан 903:30 | |
| 7020 | 7,0 х 2,0 | 0,2/0,5/1 | 22-24 / 50-60 / 110-120 | 110 | 120 | 75–85 | 120 | нет/да* | 1 | Тбелукс | |
| 7030 | 7,0 х 3,0 | 1 | 110-120 | 110 | 120 | 75–85 | 120 | да | 1 | Санан | |
| 8520 | 8,5 х 2,0 | 0,5/1 | 55–60 / 110–120 | 110 | 120 | 80 | 120 | нет/да* | 1 | Алибаба [Китай] |
[1] Flux и Световая эффективность указан для полихроматического спектра видимого света (например, теплого, естественного или холодного белого).
У монохроматических типов она значительно ниже, за исключением, конечно, зеленого лазера на 555 нм. См. также [2] и [4] ниже.
Эффективность часто указывается при температуре перехода (чипа) в 25°С, что нереально без большого радиатора и/или активного охлаждения. Эффективность при более распространенных 85°С примерно на 8-10% ниже. Это делает прямое сравнение эффективности между различными типами светодиодов, классами (бинами) и производителями еще более сложным.
Поток на кристалл указан для целей ориентации при максимальной продолжительной номинальной мощности и идеальной комнатной температуре перехода. Конечно, при более низких уровнях тока/напряжения или более высоких рабочих температурах оно будет ниже в соответствии с конструкцией и целями/требованиями проекта.
Значения эффективности потока и люмена округлены.
–
[2] Радиатор рекомендуется для длительной или непрерывной работы при высокой или близкой к максимальной номинальной мощности.
В маломощных моделях (0,2 ~ 0,5 Вт) радиатор можно не устанавливать при более низких уровнях мощности (COB и переносные лампы используют алюминиевую подложку как часть конструкции печатной платы со встроенным радиатором). Flux и Beam Angle учитывая, что легко вычислить эквивалент Candela (Cd) выход по стандартной формуле:
Iv [кд] = Φv [лм] / (2π(1 – cos(θ/2)))
, где Iv – светящийся (свет) интенсивность в канделах, Φv — световой поток в люменах, а θ — угол луча в градусах.
Далее, если мы заменим θ = 120° градусов (типично) в приведенном выше уравнении и упростим его, уравнение Люмен-Кандела станет:
Iv [кд] = Φv [лм] / π
Iv [кд] ≈ Φv [лм] / 3,14
Iv [кд] ≈ 0,32 * Φv [лм]
Другими словами, сила света, выраженная в канделах, примерно равна 1/3 для данного светового потока с углом луча светодиода, равным 120° градусов.
–
[4] Чипы с высоким CRI (индекс цветопередачи) [Ra] обычно имеют более низкую эффективность (лм/Вт) и яркость. Специализированные чипы могут иметь значение CRI Ra до 98 в зависимости от некоторых производителей. Освещение с высоким индексом цветопередачи подходит для профессиональной фото- и видеосъемки (вспомните Голливуд), а также для хорошо спроектированных домов, общественных и офисных помещений, хотя и с меньшей эффективностью.
–
[5] Чип только в упаковке. Не включает штифты для пайки на сторонах чипа.
–
[6] High Power Светодиоды обычно работают при напряжении 3,0–3,6 В и требуют 0,35–1,0 А на чип. Высоковольтные типы обычно работают при напряжении 6, 9, 12, 18 или 36 вольт и требуют 0,15–0,30 ампер на чип. Это достигается либо путем укладки нескольких чипов в один корпус (например, светодиодный модуль), либо с помощью специального производственного процесса.
Примерами являются серия Cree SMD 2835 J с номинальной мощностью 1 Вт и эффективностью, достигающей почти 180 лм/Вт (класс P), и серия Cree SMD 5050 6 В J с номинальной мощностью 5 Вт и эффективностью, достигающей 175–201 лм/Вт (класс K). ).
Светодиодные модули COB
COB (чип-на-плате) Светодиодное освещение — это новейшая и наиболее значимая тенденция в мире светодиодного освещения, позволяющая отказаться от традиционной дискретной упаковки и максимально плотно упаковать интегрированные микросхемы в произвольную фасонная область из изоляционного слоя и алюминиевой подложки (радиатора): круг, квадрат, прямоугольник, лунообразная, звездообразная… Фосфорный слой распространяется по всей форме COB, что способствует их уникальному внешнему виду. Обратите внимание, что базовая алюминиевая подложка обеспечивает краткосрочное охлаждение COB, а радиатор гораздо большего размера необходимо добавлять отдельно, если он работает на максимальной мощности.
Светодиодные лампы COB — различные продукты (не в масштабе)
Характеристики светового потока (потока), эффективности и требования к мощности различаются в зависимости от производителя, партии и модуля, но в целом дают очень яркий свет (например, > 100 люмен/ Вт), требуется мощность 1 ~ 100 Вт и 3 ~ 12 В постоянного тока или питание от сети (110 В ~ 240 В переменного тока).
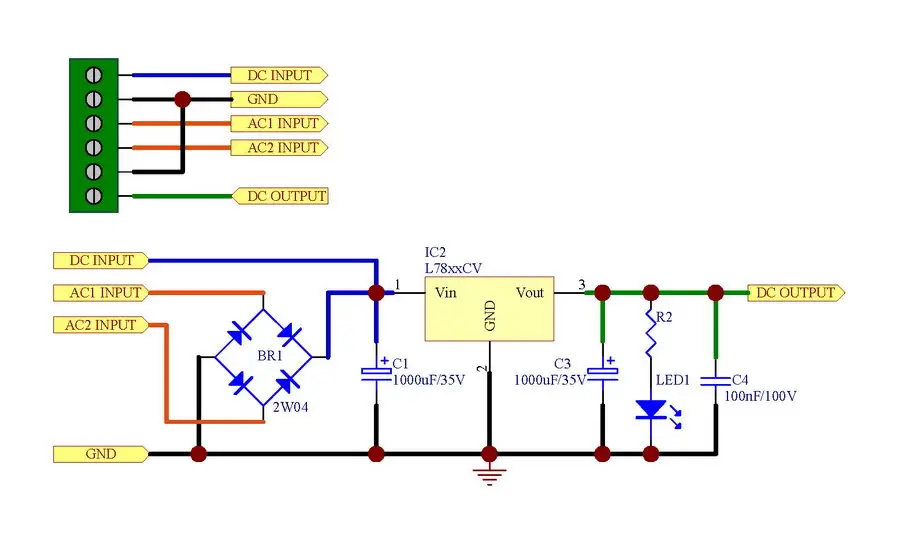
— LM317 VS AMS1117 в качестве ограничителя постоянного тока для светодиодных SMD-плат
Задавать вопрос
спросил
Изменено 2 года, 7 месяцев назад
Просмотрено 1к раз
\$\начало группы\$
Мне нужно спроектировать такую плату:
каждый светодиод типа SMD 5730 с максимальным током 150 мА в трех линиях и входным напряжением почти 3,2×7~23 В, чтобы создать плату со светодиодами SMD, например:
, так что я видел эту схему:
, но в этом посте кто-то представил эту схему, ТАК там сказал какой-то другой метод, подобный этому:
, а в другом посте сказал это:
, но я люблю AMS1117 с более устойчив к нагрузкам по этой части таблицы данных:
В отличие от более старых регуляторов, семейство AMS1117 не требует защитные диоды между регулировочным штифтом и выходом и от выхода к входу для предотвращения перенапряжения смерть.
Внутренние резисторы ограничивают внутренний ток пути на регулировочном штифте AMS1117, поэтому даже при конденсаторы на регулировочном штифте, защитный диод не требуется для обеспечения безопасности устройства в условиях короткого замыкания. Диоды между входом и выходом обычно не требуется. Импульсные токи в микросекундном диапазоне от 50 до 100 А могут выдерживаться внутренний диод между входными и выходными контактами устройства. В нормальных операций трудно получить эти значения импульсные токи даже при использовании больших выходных емкостей. Если используются выходные конденсаторы высокой емкости, например, от 1000 мкФ до 5000 мкФ и входной контакт мгновенно замыкается на землю, может произойти повреждение. Диод между выходом и входом рекомендуется, когда цепь лома на входе AMS1117 используется (рис. 1).
и может дать мне почти 1 А при падении напряжения почти 1,3 В и максимальном напряжении 15 В, поэтому по этому типу подключения:
Поэтому мне хотелось бы знать, что LM317 лучше, чем AMS1117 по некоторым факторам, и меня волнует его цена Цена AMS1117 составляет почти 1/3 стоимости LM317, и предлагает максимальное напряжение (в котором я не думаю, что здесь есть какие-либо потребности из-за разомкнутого контура, не пропускающего любое напряжение на ИС с регулируемым напряжением)?
Также я также видел этот вопрос:
LM317 Постоянный ток против ограничителя тока транзистора
И подумайте о LM317 или AMS1117 или лучше для этого использования, я прав?
Спасибо.
- регулятор напряжения
- токоограничивающий
- постоянный ток
\$\конечная группа\$
1
\$\начало группы\$
Если у вас падение напряжения 15В, а ток 450 мА, то ваш линейный стабилизатор, будь то просто транзистор, LM317 или AMS1117, должен будет рассеивать 7Вт.
Это безумное количество энергии, которое вы тратите впустую и превращаете в тепло. Все они будут перегреваться.
Итак, вы ошибаетесь, и все ваши решения неадекватны; они ошибаются «на столько же».
На самом деле, вы также неверно истолковываете, что такое «ограничение тока». Но об этом уже неоднократно спрашивали здесь…
Здесь вам нужен импульсный блок питания. И вам нужен не источник постоянного напряжения, а источник постоянного тока, поэтому проектируйте соответственно. На самом деле, я бы сказал, что вы действительно хотите три источника постоянного тока , по одному на каждую цепочку, чтобы избежать теплового разгона, если какой-либо из ваших светодиодов имеет более низкое прямое напряжение, чем другие.


При увеличении падения напряжения на R, больше открывается первый транзистор. Это приводит к уменьшению тока базы второго транзистора. Второй транзистор немного закрывается и напряжение на R стабилизируется.
Если этот транзистор работает в активном режиме, то стабилизатор называют линейным. Если же регулирующий транзистор работает в ключевом режиме, то стабилизатор называют импульсным.
Обратите внимание, что все 3 светодиода имеют разные электрические характеристики, которые необходимо учитывать (а именно, требования к рабочему напряжению и току), что делает логику контроллера более сложной и дорогой. Этот метод может быть очень простым и эффективным, но имеет тенденцию создавать пробелы в спектре, что приводит к более низкому индексу цветопередачи (80-85). Кроме того, из-за различных материалов (состава) уровни износа (старения) меняются со временем по-разному для каждого цвета, что влияет на стабильность и качество света.
!
УФ-светодиоды обычно работают с длиной волны 365-395 нм.
В типичной конструкции управляющий ток редко превышает номинальное значение светодиода, и, чтобы держать под контролем температурный режим, они часто занижаются на 30-50 %, что значительно ниже их номинальных и абсолютных максимальных значений. Есть, конечно, и другие случаи, когда энергоэффективность не является основной целью, а общая светоотдача, и в этих случаях светодиоды работают на максимум с большими радиаторами, прикрепленными сзади.
При работе на меньших токах (20-40 мА) выходной поток снижается до 6-15 люмен на один чип.
Внутренние резисторы ограничивают внутренний ток
пути на регулировочном штифте AMS1117, поэтому даже при
конденсаторы на регулировочном штифте, защитный диод не требуется
для обеспечения безопасности устройства в условиях короткого замыкания. Диоды
между входом и выходом обычно не требуется.
Импульсные токи в микросекундном диапазоне от 50 до 100 А могут выдерживаться
внутренний диод между входными и выходными контактами устройства. В
нормальных операций трудно получить эти значения
импульсные токи даже при использовании больших выходных емкостей.
Если используются выходные конденсаторы высокой емкости, например, от 1000 мкФ до
5000 мкФ и входной контакт мгновенно замыкается на землю,
может произойти повреждение. Диод между выходом и входом
рекомендуется, когда цепь лома на входе AMS1117
используется (рис. 1).