7.8 Микросхема К561ИЕ16. Синтез автоматической системы передачи кодированных сигналов
Похожие главы из других работ:
4-канальный логический анализатор на PIC микроконтроллере
2.2 Микросхема 74HC04N/D
Микросхема 74HC04N/D содержит шесть стандартных инверторов структуры ТТЛШ. Микросхема 74HC04 по входным и выходным уровням сигналов совместима с другими ИС стандартной КМОП логики…
Разработка печатной платы цифрового автомата
Микросхема
1 1,5 0,1* 10-7 5,48* 10-8 6,03* 10-7 – Коэффициент k1, учитывает механические воздействия. Он определяется объектом размещения. Выбираем для объекта “портативное”: 1…
Синтез автоматической системы передачи кодированных сигналов
7.4 Микросхема К561ЛЕ5
Данная микросхема выполняет логическую операцию 2ИЛИ-НЕ. Содержит четыре логических элемента. Ее условное обозначение приведено на рисунке 7.4. Рисунок 7.
4 – Микросхема К561ЛЕ5 7…
Синтез автоматической системы передачи кодированных сигналов
7.6 Микросхема К561ЛИ1
Данная микросхема реализует функцию 9И, также имеется инвертор. Нумерация выводов микросхемы и ее условное обозначение приведены на рисунке 7.6. Рисунок 7.6 – Микросхема К561ЛИ1 7…
Синтез автоматической системы передачи кодированных сигналов
7.8 Микросхема К561ИЕ16
Данная микросхема содержит четырнадцатиразрядный асинхронный счетчик с последовательным переносом. Сброс счетчика в нуль осуществляется импульсом положительной полярности длительностью не менее 550нс. по входу R…
Синтез автоматической системы передачи кодированных сигналов
7.9 Микросхема К561ИР9
Данная микросхема содержит четырехразрядный последовательно-параллельный гистры сдвига. Регистр сдвига типа ИР9 содержит два последовательных входа J и К. Если их соединить вместе, то получится простой D-вход.
..
Синтез многофункционального конечного автомата
7.1 Микросхема К561ЛА7
Данная микросхема выполняет логическую функцию 2И-НЕ. Содержит четыре логических элемента. Нумерация выводов микросхемы и её условное обозначение приведены на рисунке 7.1. Рисунок 7…
Синтез многофункционального конечного автомата
7.2 Микросхема К561ЛА8
Данная микросхема выполняет логическую операцию 4И-НЕ. Содержит два логических элемента. Нумерация выводов микросхемы и ее условное обозначение приведены на рисунке 7.2. Рисунок 7…
Синтез многофункционального конечного автомата
7.3 Микросхема К561ЛА9
Данная микросхема выполняет логическую операцию 3И-НЕ. Содержит три логических элемента. Нумерация выводов микросхемы и ее условное обозначение приведены на рисунке 7.3. Рисунок 7…
Синтез многофункционального конечного автомата
7.4 Микросхема К561ЛЕ5
Данная микросхема выполняет логическую операцию 2ИЛИ-НЕ.
Содержит четыре логических элемента. Ее условное обозначение приведено на рисунке 7.4. Рисунок 7…
Синтез многофункционального конечного автомата
7.5 Микросхема К561ЛЕ10
Данная микросхема выполняет логическую функцию 3ИЛИ-НЕ. Содержит три интегральных элемента. Нумерация выводов микросхемы и ее условное обозначение приведены на рисунке 7.5. Рисунок 7…
Синтез многофункционального конечного автомата
7.6 Микросхема К561ЛИ1
Данная микросхема реализует функцию 9И, также имеется инвертор. Нумерация выводов микросхемы и ее условное обозначение приведены на рисунке 7.6. Рисунок 7…
Синтез многофункционального конечного автомата
7.7 Микросхема К561ИЕ8
Данная микросхема представляет собой счетчик по модулю 10 с дешифратором, выполнена на основе пятикаскадного высокоскоростного счетчика Джонсона и дешифратора, преобразующего двоичный код в сигнал на одном из десяти выводов…
Синтез многофункционального конечного автомата
7.
8 Микросхема К561ИЕ10 Данная микросхема содержит два независимых четырехразрядных двоичных счетчика с параллельным выходом. Для повышения быстродействия в ИС применен параллельный перенос во все разряды…Синтез многофункционального конечного автомата
7.10 Микросхема К561ИР9
Данная микросхема содержит четырехразрядный последовательно-параллельный гистры сдвига. Регистр сдвига типа ИР9 содержит два последовательных входа J и К. Если их соединить вместе, то получится простой D-вход…
Делитель частоты на 5000 – RadioRadar
Применение цифровой шкалы в трансивере позволяет не только улучшить комфорт оператора при отсчёте частоты, но и простым способом значительно повысить стабильность частоты ГПД, используя систему ЦАПЧ. В состав цифровой шкалы входят, как правило, кварцевый генератор и делитель частоты, необходимые для получения точных интервалов времени, в течение которых и происходит счёт импульсов.
В принципе, этот генератор можно из цифровой шкалы исключить и упростить её, воспользовавшись тем, что в трансивере имеется свой кварцевый гетеродин. При этом все импульсные сигналы автоматически получаются синхронизированными, так как используется общий генератор. Кроме того, чем меньше генераторов в аппарате, тем меньше гармоник и поражённых частот, да и проще конструкция – налицо экономия радиодеталей.
Во многих трансиверах (например, в UW3DI) применяется гетеродин частотой 500 кГц. Если его сигнал подать на цифровую шкалу, предварительно разделив его частоту на 5000, то получим импульсы со стабильной частотой повторения 100 Гц, которые в большинстве случаев и нужны для формирования счётного интервала времени.
Рис. 1
Делитель частоты с таким коэффициентом несложно построить на двоичном счётчике К561ИЕ16 по схеме, показанной на рис. 1. В нём используется значительно меньше микросхем, чем в распространённых делителях с таким же коэффициентом на декадных счётчиках.
На транзисторе VT1 собран входной усилитель-формирователь импульсов частотой 500 кГц. У микросхемы DD1 (14-разрядного двоичного счётчика с последовательным переносом) два входа – установки начального состояния R и счётный С. На последний и поступают импульсы с коллектора транзистора VT1. Их счёт происходит по спадающим перепадам (сменам высокого логического уровня низким). Триггеры счётчика возвращаются в исходное нулевое состояние при подаче на вход R сигнала высокого логического уровня.
Логический узел И на элементах DD2.1, DD2.2 и DD3.1 должен иметь столько входов, сколько единиц в двоичном представлении коэффициента деления. В нашем случае 500010=10011100010002, и входы логического узла должны быть соединены с выходами 23 (8), 27 (128), 28( 256), 29 (512) и 212 (4096). Обратите внимание, что показатели степени соответствуют порядковому номеру разряда (начиная с младшего нулевого) в двоичном представлении коэффициента деления.
При этом сумма весов использованных разрядов получается равной 5000 – заданному коэффициенту деления. Когда число, накопленное счётчиком, достигает этого значения, уровень на выходе элемента DD3.1 и входе R счётчика становится высоким, счётчик обнуляется и цикл счёта начинается с начала.
Подобным образом на микросхеме К561ИЕ16 можно построить делитель частоты с произвольным коэффициентом деления, вплоть до 214-1 (16383). При этом нужно учитывать, что её максимальная рабочая частота при напряжении питания 9 В – 4 МГц (фактически немного больше). Она изменяется пропорционально этому напряжению.
Рис. 2
Микросхема К561ИЕ16 имеет выходы от всех триггеров счётчика, за исключением двух с весами 21 (2) и 22 (4). Если для реализации нужного коэффициента деления потребуются именно такие выходы, их можно организовать, подключив параллельно счётчику К561ИЕ16 (DD1) ещё один малоразрядный двоичный счётчик. Например, как показано на рис. 2, один из счётчиков микросхемы К561ИЕ10 (DD4.
1). При синхронной работе со счётчиком DD1 его выходы будут иметь вес 20 (1), 21 (2), 22(4) и 23(8).
Конденсатор C2 служит для первоначальной установки счётчика в исходное состояние при включении питания. Диоды VD2, VD3 и резистор R3 образуют узел ИЛИ, логически суммирующий на входе R счётчика импульсы обнуления при включении питания и поступающие с выхода элемента DD3.1.
Следует учесть, что после выключения питания продолжительность разрядки конденсатора С2 может достигать нескольких минут. Для её уменьшения, в случае необходимости, рекомендуем подключить параллельно конденсатору С2 резистор сопротивлением 1 МОм.
Автор: Ольга Лезная, Казахстан
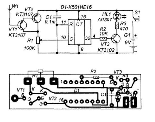
Управляемое реле времени | Техника и Программы
June 14, 2010 by admin Комментировать »На рис. 1.27 изображена электрическая схема управляемого реле времени. Она проста в повторении, не требует настройки, надежна в эксплуатации и содержит минимум деталей – всего три микросхемы КМОП.
Такое схемное решение позволяет питать схему стабилизированным или нестабилизированным напряжением в пределах 8…15 В, и не беспокоиться об электрических помехах.
рис. 1.27
Особенность устройства – в применении счетчика К561ИЕ16 (D3) и стабильного времязадающего генератора на КР1006ВИ1 (D2). При тактовой входной частоте генератора 1 Гц таймер позволяет программировать время задержки в широком диапазоне от 2 с до 160 мин. Для получения более длительных задержек без изменения значений элементов R4C2 необходимо включить делитель между выходом мультивибратора D2 и тактовым входом С счетчика синхроимпульсов D3.
При поступлении на схему напряжения питания начинает заряжаться конденсатор 01 через резистор R2. Эта цепь формирует кратковременный импульс, который подается на вход R счетчика, обеспечивая его обнуление. При замыкании контактов кнопки S1 на вход логического элемента D1.1 поступает низкий логический уровень, срабатывает триггер Шмитта на элементе D1.
Микросхема К561ИЕ16- четырнадцатиразрядный асинхронный счетчик пульсаций. Счетчик имеет входной каскад, обостряющий тактовые импульсы. На входе счетчика имеются формирователь импульсов и триггер. Выходы Q счетчика получают усиленный сигнал от внутреннею буферного инвертора. Содержимое счетчика увеличивается с каждым спадом импульса на тактовом входе.
После того как счетчик D3 подсчитает число синхроимпульсов, необходимое для формирования заданной задержки, на выходе устанавливается высокий потенциал, которым сбрасывается мультивибратор D2 и переустанавливается триггер Шмитта на элементе D1.3. В свою очередь это приводит к падению напряжения на базе транзистора VT1. Нагрузка отключается. Схема остается в таком состоянии до следующего воздействия низкого логического уровня на вход элемента D1.1.
Выходной каскад схемы не оригинален. Транзисторный ключ управляет маломощным реле К1 на напряжение срабатывания 7… 12 В. Напряжение на нагрузку подается через контакты реле (на схеме не показаны).
Делитель частоты на микросхемах
ГенераторыВ радиолюбительской практике часто бывают необходмы делители частоты с большим коэффициентом деления (1000.
.. 10000 и выше). Обычно для этого используют или 4-5 счетчиков-делителеи на 10, или микросхему К561ИЕ15.
Я предлагаю делитель с программируемым коэффициентом деления (от 10 до 15000), выполненный на широко распространенных микросхемах К561ИЕ16 (К561ИЕ20), представляющих собой двоичные счетчики с коэффициентом деления 214 и 212 соответственно. При несколько необычном включении на их основе можно собрать делитель с изменяемым коэффициентом деления (К561ИЕ16 – от 200 до 15000, К561ИЕ20 — от 10 до 4000).
Рис.1 Делитель частоты с программируемым коэффициентом деления
Для примера на рисунке показан
Как только она “досчитает” до этого числа, все диоды VD1… VD5 закроются, и на входе R (вывод 11) DD2 сформируется короткий положительный импульс, который “обнулит” все триггеры счетчика. В итоге на выводах 8, 9 DD1.3 будут короткие положительные импульсы с частотой 500000:10000 = 50 (Гц). Элемент DD1.4 вместе с R3, VD6, С1 используется для расширения импульсов. При неустойчивой работе микросхемы часов на выходе DD1.4 следует включить конденсатор С2 емкостью порядка сотен пикофарад.
По этому же принципу, с помощью подключаемых диодов между выходами и входом сброса R микросхемы DD2, можно получить любой коэффициент деления. Например, если подключить диоды к выводам 6, 7, 13, то получится коэффициент деления 200. Однако для получения некоторых коэффициентов деления, например, 100, у К561ИЕ16 не хватает “пропущенных” выходов 2 и 4. В этих случаях следует применять ИМС К561ИЕ20. Цоколевка этих двух микросхем одинаковая. Чтобы узнать, к каким выходам следует подключить диоды, нужно складывать коэффициенты деления на соответствующих выходах микросхемы DD2, пока не получится требуемый коэффициент деления.
А. Колдунов
Применение цифровых микросхем
3. Формирователи и генераторы импульсов
В цифровых устройствах на микросхемах важную роль играют различные формирователи импульсов – от кнопок и переключателей, от сигналов с плоскими краями, дифференцирующих схем, а также мультивибраторов. В этом разделе книги обсуждаются некоторые вопросы построения таких формирователей и генераторов на микросхемах серии CMOS.
Как известно, прямая подача сигналов с механических контактов на входы интегральных схем не всегда допустима из-за так называемого «дребезга» – многократного неконтролируемого замыкания и размыкания контактов в момент их переключения.Если входы, на которые подается сигнал, нечувствительны к дребезгу, например входы для установки триггеров и счетчиков, допускается прямая сигнализация (рис.
282). Подача сигналов на счетные входы требует специальных мер по подавлению дребезга; без них возможно многократное срабатывание триггеров и счетчиков.
В устройствах на микросхемах CMOS вполне применимы меры борьбы с дребезгом, известные по опыту работы с TTL-микросхемами, например, включение статического триггера на двух элементах NAND (рис.283, а, б) или ИЛИ-НЕ. Однако чрезвычайно высокий входной импеданс КМОП-чипов (из-за
рядов из сотен и тысяч МОм) и относительно высокое выходное сопротивление (сотни Ом – один килоом) позволяют упростить схемы подавления дребезга за счет исключения резисторы (рис. 283, в, г). Вариант схемы на рис. 283 (d) представляет собой устройство согласно схеме на рис. 283 (d), собранное только на одном неинвертирующем логическом элементе.
Здесь следует сказать несколько слов о неинвертирующих логических элементах серии CMOS.Большинство логических вентилей этой серии инвертируют. Неинвертирующие микросхемы – это K176PUZ, K561PU4, KR1561PU4, K176PU5,564PU6, K561PU8, K561LNZ, K176LP2, K561LP2, K561LP13, K561LP14, K176LS151, буквы CM в их конструкции соответствуют обозначению «микросхема K176LS151, K176, как указано выше» микросхемы с микросхемами TTL.
По этой причине их выходные токи при подаче напряжения питания на их выходы или когда выходы подключены к общему проводу в устройстве в соответствии со схемами на рис.283 (c, d, e) может достигать многих десятков миллиампер,
, что отрицательно сказывается на надежности устройств и может быть мощным источником помех. В мультивибраторах и триггерах Шмитта, описанных ниже, также невыгодно использовать такие микросхемы из-за больших токов, которые они потребляют в процессе плавного изменения входного сигнала. По этим же причинам не рекомендуется использовать в описываемых здесь устройствах инвертирующие микросхемы К176ПУ1, К176ПУ2, К561ЛН1, К561ЛН2.
Следовательно, в дальнейшем под неинвертирующим логическим элементом понимается либо два последовательно соединенных любых инвертирующих элемента (кроме отмеченных выше), либо микросхема КР1561ЛИ1, либо К176ЛП2, К561ЛП2, К561ЛП13, К561ЛП14, К176ЛС1, К561ЛС1, К561ЛС2, К561ЛС2, К561ЛС2 микросхемы. включены как nonin-
вращающихся элементов.
Возможность их использования как неинвертирующих указана в предыдущей главе книги. Иногда в качестве неинвертирующего элемента удобно использовать свободный триггер микросхемы К176ТМ2 или К561ТМ2 (рис.284).
Микросхема К176ЛИ1 также может использоваться как неинвертирующий элемент рассмотренных ниже устройств, однако
это не очень удобно, так как одна микросхема содержит только один девятивходовой неинвертирующий элемент И и один инвертор.
Большой входной импеданс КМОП микросхем позволяет в некоторых случаях обходиться без активных элементов для подавления дребезга. На рис. 285 (а) показана схема подачи импульсов от кнопки на счетный вход триггера или счетчика.Конденсатор C1 изначально заряжается до напряжения питания. Когда вы нажимаете кнопку, размыкание нормально замкнутого контакта не изменит напряжение на конденсаторе C1. Первое прикосновение к подвижному и нормально разомкнутому контакту приведет к быстрой разрядке конденсатора С1, и напряжение на нем станет равным нулю.
Дальнейший дребезг контактов не изменит напряжение на конденсаторе. Недостатком схемы является опасность возникновения помех проводнику, соединяющему кнопку и вход микросхемы.В случае возникновения помех этот провод следует экранировать.
Все схемы подавления дребезга, рассмотренные выше, требовали использования переключающих контактов кнопок. Если выполнение этого требования затруднено, можно использовать устройства согласно схемам на рис. 285 (б, в). Схема на схеме рис. 285 (б) формирует короткий импульс отрицательной полярности (около 0,7 мкс по уровню 0,5) в момент первого касания контактов кнопки, в результате чего конденсатор С1 быстро заряжается через резистор R2.Дальнейший дребезг контактов кнопки не влияет на выходное напряжение, так как разряд конденсатора С1 происходит через резистор R1 гораздо большей величины.
Если необходимо получить длительность выходного импульса, равную длительности нажатия кнопки с одной парой контактов, можно использовать подавление дребезга с помощью интегрирующей схемы и триггера Шмитта (рис.
285, в). Скачок импульса на резисторе
R1 сглаживается R2C1. Триггер Шмитта DD1 формирует крутые фронты выходного сигнала.
Для подавления дребезга контактов кнопки с одной парой контактов можно использовать схему, три варианта схемы которой показаны на рис. 286. Цепь по схеме рис. 286 (a) По функционированию он близок к интегрирующей схеме и триггеру Шмитта Рис. 285 (c). В исходном состоянии на входе и выходе схемы лог. 1. Когда кнопка S1 на левой пластине конденсатора C1 закрывается, напряжение начинает уменьшаться и, если постоянная времени R2C1 выбрана достаточно большой, оно достигает порога переключения элемента DD1.1 после того, как отскок прекратится. Элементы DD1.1 и DD1.2 переключаются, на выходе появляется лог. 0 Положительная обратная связь обеспечивает крутые фронты сигнала на выходе элемента DD1.2. При размыкании контактов переключение происходит точно так же. В результате на выходе схемы формируется импульс, длительность которого соответствует времени замыкания контактов, а нарастание и спад импульса несколько задерживаются относительно моментов замыкания и размыкания контактов (рис.
286, б).
Если нужно получить фронты выходного сигнала именно в моменты открытия или закрытия кнопки, можно использовать варианты схемы согласно схемам на рис.286 (в, г). Первый из них (рис. 286, в) при закрытии кнопки формирует на выходе лог. Аналогично схеме на рис. 286 (а). При открытии кнопки log. 1 поступает на нижний вход элемента DD1.1 по схеме, оба элемента DD1.1 и DD1.2 переключаются, лог. 1 с выхода элемента DD1.2 через конденсатор С1 поступает на вход элемента DD1.1 и удерживает его включенным на время дребезга контактов кнопки S1 (рис. 286, г).
Схема работает аналогично согласно схеме на рис.286 (г), но включает в себя
возникает при первом замыкании контактов кнопки S1, и выключается после окончания отскока открытой кнопки (рис. 286, д).
Коммутаторы с взаимным переключением могут быть построены на основе мультистабильного триггера. Вариант схемы трехпозиционного переключателя показан на рис. 287. При включении питания лог.
0 с разряженного конденсатора С1 через диод VD1 поступает на входы элементов DD1.1 и DD1.2 и выключает их. На их выходах появляется журнал. 1, которые, поступая через резисторы R1 и R2 на входы элемента DD1.3, включают его, и лог. 0 со своего выхода удерживает элементы DD1.1 и DD1.2 в выключенном состоянии и после зарядки конденсатора С1 через резистор R4. Таким образом, в исходном состоянии на выходах 1 и 2 лог. 1, на выходе 3 – лог. 0.
При нажатии кнопки SB1 на выходах 2 и 3 появляется журнал. 1, на выходе 1 – лог. 0. Аналогично при нажатии кнопки SB2 log.На выходе 2 появляется 0, на кнопке SB3 – на выходе 3. Переключение выходных сигналов происходит без дребезга.
При одновременном нажатии двух или трех кнопок журнал появляется на всех трех входах. 1, что соответствует отсутствию активных выходных сигналов. Когда кнопки отпущены, лог. 0 появится на выходе, соответствующем последней нажатой кнопке. Однако снятие и появление выходных сигналов при нажатии нескольких кнопок происходит без подавления дребезга.
Недостатком такого переключателя является необходимость использования логических элементов с большим количеством входов для построения переключателей на большое количество позиций. Для включения
четыре позиции, необходимо четыре трехвходных элемента И-НЕ (ИЛИ-НЕ), для пятипозиционного переключателя – пять четырехвходовых элементов
. При большем количестве позиций желательно строить переключатели по другим принципам.
На рис. 288 показывает схему четырехпозиционного переключателя.При включении питания схема C1R6 устанавливает все триггеры микросхемы DD1 в ноль. При нажатии любой из кнопок, например SB1, в момент размыкания верхней кнопки по схеме контактов на вход D1 микросхемы приходит лог. 1, в момент замыкания нижнего контакта
на вход С – лог. 0. При открытии кнопки изменение сигнала на входе C с лог. 0 для входа. 1 установит триггер с входом D1 в одно состояние, выход 1 отобразит журнал.1. Вот так бы переключатель работал, если бы не дребезжал контакт.
Bounce вызывает запись единицы в триггер при нажатии кнопки.
При нажатии любой другой кнопки после отпускания первой, соответствующий триггер будет установлен в единственное состояние, а первый триггер будет сброшен. Если нажать вторую кнопку, не отпуская первую, журнал. 1 останется на выходе, соответствующем первой кнопке. Однако, если сначала отпускается первая кнопка, то вторая, в момент отпускания второй кнопки, журнал.На выходе, соответствующем второй кнопке, появится 1.
Переключатель по схеме на рис. 288 может быть выполнен в большем количестве положений, его недостатком является необходимость использования переключающих контактов кнопок. Если при использовании кнопок с одной парой замыкающих контактов необходимо сделать переключатель на большое количество положений, можно воспользоваться схемой на рис. 289.
Схема C1R5 используется для начальной настройки в нулевом состоянии триггеры микросхем DD3 и DD4.При нажатии любой из кнопок, например SB1, лог.
1 поступает на соответствующий вход одной из микросхем DD3 или DD4, в данном случае на вход D1 микросхемы DD3. Кроме того, журнал. 1 через элемент ИЛИ (DD1, DD2.1) попадает в схему подавления дребезга R6, C2, DD2.2, DD2.3 и с небольшой задержкой
Если во время нажатия кнопки нажата одна или несколько кнопок переключателя, изменения в состоянии переключателя не произойдут ни при нажатии, ни при отпускании кнопок. Запись в триггеры переключения возможна только тогда, когда кнопка нажата из состояния, в котором все кнопки отпущены.
Как правило, в переключателях согласно схемам на рис. 288 и 289 возможны два выходных сигнала при одновременном нажатии двух кнопок.Для переключателя по схеме на рис. 288 это возможно в том случае, когда при нажатии двух кнопок их подвижные контакты будут одновременно в разомкнутом состоянии без неподвижного контакта.
Для переключателя по схеме на рис. 289 одновременное появление двух выходных сигналов будет происходить в том случае, если временной интервал между нажатиями кнопок меньше задержки схемы подавления дребезга.
Для преобразования напряжения синусоидальной или другой формы волны с гладкими краями в прямоугольные импульсы хорошей формы используются триггеры Шмитта (рис.290). Для этой схемы
Действующее значение синусоидального входного напряжения должно быть между 0,25 и 0,5 от напряжения питания.
Триггеры микросхем К561ТЛ1 и КР1561ТЛ1, описанные в первом разделе, а также триггер на основе микросхемы К176ЛП1 имеют неизменные пороги переключения. Если вам нужно использовать триггеры Шмитта с другими порогами, вы можете построить их, охватив неинвертирующий логический элемент
с обратной связью и подав входной сигнал через резистор (рис.291). Пороги включения Uon и выключения Uoff такого триггера находятся по формулам:
Uin = (1 + R1 / R2) Uthr
Uoff = Uthr- (Upit-Uthr) R1 / R2 где Uthr – логическое пороговое напряжение
-го элемента.
Обычно пороговое напряжение логических вентилей близко к половине напряжения питания, поэтому пороги включения и выключения можно рассчитать по формулам:
Uvkl = (1 + R1 / R2) Usup / 2;
Uoff = (1-R1 / R2) Usup / 2.
Ширина петли гистерезиса Ug (разница между порогами включения и выключения) не зависит от Uthr и равна:
Ug = UpitR1 / R2.
Дифференцирующие схемы служат для формирования коротких импульсов от капель на выходах микросхем. На рис. 292 (а) показана дифференцирующая схема для получения импульса на фронте входного импульса положительной полярности, на рис. 292 (б) – в спаде. Диоды VD1 и VD2 являются защитными и входят в состав микросхем серий К561, КР1561,564 и К176, выпускаемых в последние годы.Как указано в первом разделе, в микросхемах серии К176 старых выпусков установлен только один диод – стабилитрон VD2 с напряжением включения около 30 В.
Резистор R2 служит для ограничения входного тока через СГ. конденсатор и входные диоды VD1 и VD2.
Нагрузка микросхемы – источника сигнала, этот ток увеличивает длительность фронта на выходе микросхемы – источника, а ток более 20 мА, протекающий через защитные диоды
, может привести к повреждению микросхем, подключенных к вход и выход дифференцирующей цепи, особенно при питании устройства от источника питания с напряжением более 9 В.на микросхеме – источник сигнала не принципиальный, этот резистор не установлен.
Эффективная длительность импульсов на выходе дифференцирующей цепочки 0,7R1C1, длительность спада 2R1C1.
В радиолюбительских конструкциях для формирования коротких импульсов от капель можно встретить так называемую схему УЗО, схема одного из вариантов которой представлена на рис. 293, иногда применяется без диода. По результату работы такая цепочка эквивалентна простейшей дифференцирующей цепочке, но более сложна, не имеет преимуществ и поэтому не может быть рекомендована к использованию.
В этом отношении схема согласно схеме на рис.
294 формирует короткие выходные импульсы по переднему и заднему фронтам входа. Длительность импульсов на выходе формирователя
лей согласно схемам на рис. 293 и 294 такая же, как и для дифференцирующей цепи – 0,7R1C1.
Импульсы со временем нарастания или спада более 10 мкс, поступающие на входы КМОП микросхем, могут вызывать их генерацию, нестабильную работу триггеров и счетчиков, поэтому при необходимости приема импульсов длительностью более 10 мкс после дифф (причудливой цепочки желательно установить триггер Шмитта.
Еще одно решение для формирования длинных импульсов – использование ожидающих мультивибраторов.
Описанные выше мультивибраторы ожидания КР1561АГ1 не всегда доступны, и если устройству нужен только один ожидающий мультивибратор, тем удобнее собрать его на логических элементах. На рис. 295 at-
введена основная схема ожидающего мультивибратора на элементах И-НЕ, срабатывающая при затухании положительного импульса. В исходном состоянии конденсатор C2 разряжен на обоих входах DD1.
1 элемент и на выходе элемента DD1.2 лог. 1. При поступлении короткого импульса отрицательной полярности с выхода дифференцирующей цепи элемент DD1.1 отключается (рис. 296), DD1.2 включается и на его выходе появляется лог. 0. Падение напряжения с выхода элемента DD1.2 передается через конденсатор С2 на вход элемента DD1.1 и поддерживает его в выключенном состоянии. Конденсатор C2 начинает заряжаться током через резистор R2 от нуля до напряжения питания. Когда напряжение на левой обкладке конденсатора С2 достигает порога переключения элемента DD1.1, он включится, напряжение на выходе элемента DD1.2 начнет увеличиваться, это повышение, переданное через C2 на вход DD1.1, вызовет лавинный
процесс переключения обоих элементов. Диод VD1 необходим, если требуется быстрое восстановление исходного состояния ожидающего мультивибратора. Он не нужен, если используются элементы микросхем серии К561, КР1561, 564 или К176 с двумя защитными диодами, так как диоды входят в их состав.
В радиолюбительских конструкциях распространен ожидающий мультивибратор согласно схеме на рис.
297. При запуске мультивибратора коротким импульсом отрицательной полярности оба инвертора переключаются и напряжение на входе инвертора DD2 начинает уменьшаться.
экспоненциально, стремясь к нулю в пределе (рис. 298). При приближении к порогу переключения инвертора DD2 напряжение на его выходе начинает плавно возрастать, а при достижении порога переключения элемента DD1 напряжение на его выходе начинает уменьшаться, замыкается положительная обратная связь, и лавинообразно происходит сход -подобный процесс переключения элементов мультивибратора.
Нетрудно заметить, что затухание импульса, генерируемого таким ждущим мультивибратором на выходе DD2, имеет затяжной участок, сигнал с этого выхода использовать нежелательно, следует использовать импульсы с выхода элемент DD1.
Иногда в конструкциях радиолюбителей можно встретить случаи запуска ждущего мультивибратора, собранного по схеме на рис. 297, с импульсом, который длиннее выходного импульса, без дифференцирующей схемы на входе.
В этом случае устройство формирует выходной импульс соответствующей длительности с пологим наклоном (рис. 299, г). Однако положительная обратная связь не замыкается, связь выхода инвертора DD2 с входом DD1 не играет никакой роли. При таком запуске устройство эквивалентно двум инверторам, между которыми включена дифференциальная цепь. Целесообразнее использовать описанный выше ожидающий мультивибратор, собранный по схеме на рис. 295. В нем импульс на выходе DD1.2 не имеет расширенных фронтов (рис. 296), входной импульс для DD1.1, так как для ожидающего мультивибратора по схеме на рис. 297 должен быть короче выходного.
Использование микросхем, которые могут работать как логические неинвертирующие элементы И или ИЛИ, позволяет упростить схемы ожидающих мультивибраторов. На рис. 300 (а) представлена схема ожидающего мультивибратора на одном логическом элементе ИЛИ от микросхемы К561ЛС2, на оба управляющих входа которого подается напряжение питания.На рис. 300 (б) иллюстрирует
возможность стробирования запуска четырех ожидающих мультивибраторов на микросхеме K561LS2.
Мультивибратор может запуститься только при подаче на вход стробоскопического журнала. 1 и фронт положительного импульса на вход триггера. Сформированный импульс можно прервать выдачей журнала. 0
к входу Неисправность.
Постоянные мультивибраторы на триггерах JK и D обладают большой гибкостью с точки зрения их запуска. Устройства согласно схеме на рис.301 может запускаться либо коротким импульсом, подаваемым на вход S триггера, либо передним фронтом положительного импульса, подаваемым на вход C. Бревно. 1, появляясь на прямом выходе триггера при запуске, через резистор R1 начинает заряжаться конденсатор С1. Когда напряжение на конденсаторе достигает порога переключения триггера на входе R, триггер возвращается в исходное состояние. Диод VD1 служит для ускорения разряда конденсатора и восстановления исходного состояния, во многих случаях его можно исключить.Длительность импульсов ожидающего мультивибратора определяется по той же формуле, что и для дифференцирующей цепочки.
Длительность импульсов, подаваемых на вход S триггеров для запуска мультивибраторов, должна быть меньше длительности генерируемые импульсы.На входах C мультивибраторы срабатывают по фронтам импульсов, независимо от их длительности. выходов, что приводит к неодновременному переключению подключенных к ним элементов . Во всех описанных выше мультивибраторах можно использовать полярные конденсаторы.
Если в ждущих мультивибраторах на JK- и D-триггерах левый конденсаторный выход по схеме отключен от общего провода и подключен к инверсному выходу триггера (рис. 302), можно значительно уменьшить длительность спада генерируемого импульса на инверсном выходе триггера. Однако в этих ожидающих мультивибраторах это невозможно.использовать полярные конденсаторы.
Небольшая продолжительность спада на инверсном выходе триггера объясняется тем, что положительная обратная связь замыкается через синхронизирующий конденсатор при небольшом повышении напряжения на этом выходе, а не при достижении порога переключения элемента.
Тем не менее, если вам не нужна возможность запуска ожидающего мультивибратора на двух входах, один из которых чувствителен к фронту импульса, нецелесообразно использовать ожидающие мультивибраторы на триггерах JK и D.Более того, если можно обойтись дифференцирующей цепочкой, лучше вообще не использовать ожидающий мультивибратор.
Широко распространенная схема простого генератора импульсов (мультивибратора) представлена на рис. 303. Работа такого мультивибратора несколько отличается для случаев использования в них микросхем
серия К176 с одним защитным диодом или серия К176 и другая серия с двумя диодами.
Форма колебаний в генераторе на микросхемах с одним диодом показана на рис.304. Верхняя диаграмма показывает временную зависимость напряжения на левой обкладке конденсатора, нижняя – на выходе генератора. Падение напряжения
с выхода элемента DD2, поступающее на вход элемента DD1 через конденсатор С1 и резистор R2, ограничивается входным диодом на уровне, близком к лог.
О, после чего конденсатор начинает заряжаться через резистор R1, который увеличивает напряжение на левой обкладке конденсатора. Время его зарядки до порогового напряжения примерно равно 0.7R1C1. Лавинный процесс коммутации элементов приведет к передаче с выхода элемента DD2 на вход элемента DD1 положительного падения напряжения с амплитудой, равной напряжению питания. Перезарядка конденсатора С1 в сторону уменьшения напряжения на левой пластине начнется с напряжения Usup + Uthr, в результате чего этот процесс займет больше времени – около 1,1R1C1. Полный период колебаний составит 1,8R1C1, частота – 0,55 / R1CI.
Если в генераторе установлены микросхемы с двумя защитными диодами, то длительность процессов перезарядки обоих конденсаторов будет одинаковой – 0.7R1C1, полный период – 1.4R1C1, частота – 0.7 / R1C1.
Резистор R2 нужен, как и в дифференцирующих цепях, для ограничения тока через входные диоды и уменьшения нагрузки на элемент DD2. Если его значение значительно меньше, чем у резистора R 1, это не влияет на частоту генерации.
При сопоставимых значениях R1 и R2 частота генерации несколько снижается по сравнению с рассчитанной по приведенным выше формулам. Часто резистор R2 не устанавливается или устанавливается последовательно с конденсатором С1.
Схема мультивибратора на двух инверторах тоже хорошо известна (рис. 305), но частота генерации в ней менее стабильна.
Приведенное выше описание работы мультивибратора было основано на идеализированной модели инвертора, в которой выходной сигнал равен напряжению питания, пока входное напряжение меньше порога переключения и равно нулю. если входное напряжение выше порога. Однако в реальных микросхемах существует более или менее протяженный участок зависимости выходного напряжения от входа, на котором плавное изменение входного сигнала приводит к плавному изменению выходного (рис.161). Это хорошо видно в инверторах микросхемы К561ЛН2, элементах ИЛИ-НЕ серии К561, инверторах генераторов микросхем К176ИЕ5, К176ИЕ12, К176ИЕ18. Большинство микросхем серии К176 и все микросхемы серии КР1561 имеют два дополнительных инвертора, которые делают передаточную характеристику очень резкой, иногда даже гистерезисной.
Наличие гладкого участка приводит к различию работы генераторов по схемам на рис.303 и 305.
Рассмотрим подробно работу генератора по схеме рис. 303 на элементах с двумя защитными диодами
mi с момента, когда напряжение на входе инвертора DD1 станет нулевым. В этом случае напряжение на выходе инвертора DD2 также равно нулю, а на выходе DD3 – напряжение питания. Конденсатор С1 заряжается через резистор R1 экспоненциально, при этом напряжение на его левой пластине стремится к напряжению питания в пределе (рис.306, а). При приближении напряжения на входе DD1 к порогу переключения напряжение на выходе DD1 начнет плавно снижаться (рис.306, б) и при приближении к порогу переключения инвертора DD2 начнется напряжение на выходе DD2. увеличиваться (рис. 306, в). Небольшое повышение напряжения на выходе инвертора DD2 будет передаваться через конденсатор С1 на вход DD1, что вызовет лавинообразный процесс переключения всех инверторов генератора.Напряжение на выходе инвертора DD3 будет равно
нуля, на входе DD1 напряжение питания немного превысит (оно будет ограничено входным защитным диодом инвертора), процесс перезарядки конденсатора аналогичен рассмотренный выше начнется с плавного снижения напряжения на входе DD1.
Если рассматривать процессы в генераторе по схеме на рис.305 с одного и того же момента, то можно увидеть, что вначале заряд конденсатора С1 происходит точно так же (рис.307, а). Разница начинается, когда напряжение на выходе инвертора DD1 начинает уменьшаться (рис. 307, б). Уменьшение напряжения на выходе DD1 приведет к уменьшению напряжения на резисторе R1, что снижает скорость перезарядки конденсатора. Отрицательный обратный
соединение через резистор R1 стремится установить равными напряжения на входе и выходе инвертора DD1, в результате чего скорость изменения напряжения на выходе инвертора DD1 уменьшается и характеристика ступенька появляется на затухании импульса.Если порог переключения инвертора DD2 равен порогу переключения инвертора DD1, при приближении напряжения на выходе DD1 к этому порогу начнется повышение напряжения на выходе DD2 (рис. 307, в). , что вызовет лавинообразный процесс переключения обоих инверторов генератора.
Нетрудно заметить, что при тех же параметрах синхронизирующей RC-цепи период колебаний в генераторе по схеме на рис.
305 будет несколько больше, чем у генератора по схеме на рис.303, а стабильность периода хуже, так как напряжение на входе DD1 перед началом лавинного процесса изменяется более плавно, а небольшие изменения порогового напряжения одного инвертора относительно другого приведут к значительному изменению период работы генератора. Более того, при значительной разнице порогов переключения инверторов (а в микросхемах CMOS диапазон положения порога переключения составляет от 1/3 до 2/3 напряжения питания) генератор может вообще не работать – напряжение при выход первого инвертора стабилизируется за счет отрицательной обратной связи через резистор R1 на уровне его порога переключения, пока он будет вне зоны переключения второго инвертора, положительная обратная связь через конденсатор C1 не замкнется, и инвертор DD2 не переключается.Поэтому в генераторе
по схеме на рис. 305 всегда следует использовать однокристальные инверторы. Для генератора по схеме на рис. 303 разброс порогов переключения инвертора не играет никакой роли, и инверторы могут быть от разных микросхем.
Поскольку процесс переключения инверторов в генераторе согласно схеме на рис. 305 длится дольше, этот генератор потребляет больше тока от источника питания.
Из рассмотрения работы генераторов следует важный практический вывод – снимать выходной сигнал с выхода инвертора, к входу которого подключены синхронизирующий конденсатор и резистор (DD1), нежелательно.Края импульсов на этом выходе стянуты, кроме того, в генераторе по схеме на рис.305 на этом выходе есть ступенька по фронтам, и их использование может привести к неодновременной работе элементов подключены к этому выходу, из-за разброса порогов переключения микросхем. Также для триггеров и счетчиков по техническим условиям длительность фронтов импульсов, подаваемых на счетный вход, ограничена сверху, и подача к ним расширенных фронтов недопустима.Эта рекомендация применима к другим схемам генератора и резервным мультивибраторам.
Следует отметить, что из-за емкостной нагрузки фронты импульсов также несколько задерживаются на тех выходах элементов генератора и ожидающих мультивибраторов, к которым подключены синхронизирующие конденсаторы (DD2 на рис.
303 и 305). Поэтому выходные импульсы генератора по схеме на рис. 303 лучше брать с выхода DD3, в любимом генераторе или ждущем мультивибраторе, устранить эту задержку фронта можно, подключив последовательно с конденсатором или с вход DD1 резистора с сопротивлением 5… 10 кОм.
В генераторе с тремя инверторами (рис. 303) два из них (DD1.1 и DD1.2) можно заменить ретранслятором сигнала. Использовать микросхему К561ЛП2 удобно, так как каждый ее элемент может работать либо как повторитель сигнала при подключении второго входа к общему проводу, либо как инвертор при подаче напряжения питания на второй вход (рис. 308).
Отметим также, что если в качестве первого инвертора в генераторах согласно схемам на рис.303 и 305 используют
используют триггер Шмитта, их работа и параметры не будут отличаться – когда напряжение на входе инвертора DD1 достигает соответствующего порога переключения, он резко переключается, что
приводит к четкому переключению последующих инверторов (рис.
309).
Для построения генераторов очень удобны элементы микросхем, имеющие прямой и обратный выходы и прямое прохождение сигнала от входа к этим выходам. На рис.310 (а) представлена схема генератора на элементе микросхемы К176ПУ5, на рис. 310 (б) – на участке микросхемы К561ТМЗ. По этим схемам на одной микросхеме можно собрать до четырех генераторов. На схеме рис. 310 (а) оба вывода питания микросхемы К176ПУ5 (15 и 16) должны быть совмещены, на них подается напряжение 5 … 10 В.
согласно рис. 310 (b) входы C1 и C2 могут использоваться для блокировки работы генераторов, когда низкий уровень применяется к одному из них, а высокий уровень – к другому.
На рис. 311 показана схема генератора, удобная в случаях, когда необходимо получить сетку частот, переключаемых набором резисторов, и настроить частоты этой сетки, чтобы сохранить
отношений частот (шкала частот). С помощью переключателя SA1 вы можете выбрать любой из резисторов R4 – Rp, которые задают частоту, и вы можете отрегулировать частоту с помощью переменного резистора R2, в то время как любая регулировка резистором R2 приведет к тому же относительному изменению любого из частоты, выбираемые переключателем.
При смещении
ползунка резистора R2 вверх по цепи падения напряжения, передаваемые через конденсатор С1 на вход элемента DD 1, уменьшаются, скорость перезарядки конденсатора не изменяется, поэтому частота импульсов увеличивается. . Резистор R1 необходим для установки диапазона регулирования частоты резистором R2, этот диапазон можно установить от нескольких процентов до нескольких десятков и даже сотен раз.
Для того чтобы регулирование частоты с помощью резистора R2 было эффективным, необходимо исключить ограничение перепадов напряжения, передаваемых через конденсатор С1, которое существует в традиционных схемах генераторов на входных диодах элемента DD1.Для этого устанавливается резистор R3, его сопротивление должно быть равно сумме сопротивлений резисторов R1 и R2 или немного больше, чтобы хотя бы в 2 раза уменьшить величину разницы. При меньшем значении или отсутствии R3 частота практически не меняется, если сопротивление нижней части резистора R2 в сумме R3 меньше сопротивления верхней части R2 в сумме R1.
Для сохранения перестройки при подстройке частоты сопротивление резистора R3 должно быть в несколько десятков раз меньше резисторов R4 – Rp.Для облегчения выполнения этого условия между выводом элемента DD2 и резистором R3 можно установить эмиттерный повторитель на транзисторе pnp … Верхний вывод резистора R1 может быть подключен к общему проводу И, но нагрузка Емкость КМОП-микросхем, как и ТТЛ, в одиночном состоянии ниже, чем в нулевом, поэтому выполнение указанного условия в этом случае затруднено. Примерные значения сопротивлений резисторов: R1 в сумме с R2 и R3 не менее 5 кОм, R1 больше 0.01R2, R4 -Rp в 30 или более раз превышает сумму R1 и R2. При наличии эмиттерного повторителя номиналы всех резисторов могут быть уменьшены в 10 раз.
Этот генератор удобно использовать для модуляции частоты импульсов, если управляющее переменное напряжение подается на верхний вывод резистор R1 в цепи.
На рис. 312 (а) показана схема генератора, в котором длительность импульса и пауза между импульсами могут регулироваться отдельно.
В генераторе по схеме на рис.312 (б), можно регулировать скважность импульсов в широком диапазоне, практически не изменяя их частоту.
Любой генератор можно запускать и останавливать, задав любой логический элемент с двумя входами (И-И, ИЛИ ИЛИ, Исключающее ИЛИ) как любой из DD1 – DD3 и подав управляющий сигнал на его второй вход.
На рис. 313 приведена схема генератора, формирующего пачки импульсов с частотой заполнения 1000 Гц, частота повторения пачки около 1 Гц, длительность 0.5 с. Пакеты создаются только при отправке журнала. 1 на вход пускового генератора. Первый импульс первого пакета появляется сразу после подачи разрешающего сигнала.
На рис. 314 показана схема генератора, который генерирует на своем выходе импульсы, задержанные относительно момента подачи разрешающего сигнала. Все сгенерировано на Out. 1 генератор, импульсы имеют одинаковую длительность. Если разрешающий сигнал снимается до окончания следующего импульса, импульс генерируется полностью.На выходе. 2 импульса появляются сразу после подачи разрешающего сигнала, но последний импульс может быть неполным.
При необходимости совместить выдачу импульсов сразу после разрешающего сигнала с обеспечением полной длительности последнего импульса, независимо от момента снятия разрешающего импульса, можно использовать генератор по схеме на рис. 315 (а).
Особенностью данного генератора является его универсальность. Если входной пусковой импульс отрицательной полярности имеет длительность меньше периода колебаний генератора, на его выходах
формируется один импульс, то есть генератор действует как ожидающий мультивибратор.При подаче входного импульса длительностью, превышающей период, будет сгенерировано несколько импульсов полной длительности (рис. 315, б).
Простой управляемый генератор можно собрать на базе триггера Шмитта микросхемы К561ТЛ1 или КР1561ТЛ1 по схеме на рис. 316 (неуправляемый – по триггеру на рис. 275). Когда log. 0 на входе Старт на выходе – лог. 1. При подаче заявки на
авторизуйтесь. На выходе появляется 1 журнал. 0 начинается разряд конденсатора С1.Когда напряжение на нем достигает нижнего порога переключения, на выходе появляется лог. 1 и начинается с
конденсаторного рядадо верхнего порога переключения. Особенностью генератора является отсутствие резких скачков тока на начальных участках перезаряда конденсатора, характерных для описанных выше генераторов.
Также целесообразно использовать триггеры Шмитта в схемах для установки начального состояния цифровых устройств в тех случаях, когда постоянная времени для установки выходного напряжения источника питания велика и необходимо обеспечить длинное
импульс сброса и его резкое падение (рис.317).
При необходимости можно собрать генератор из двух ожидающих мультивибраторов одной микросхемы КР1561АГ1, схема такого автогенератора представлена на рис. 318 (без синхронизирующих цепей). Тактовая RC-цепь ожидающего мультивибратора DD1.1 определяет
длительность положительных импульсов на выходе 1 RC-цепи, подключенной к DD1.2, – это длительность паузы между ними.
Если необходимо получить колебания с частотой 100 Гц или менее для уменьшения емкости используемых конденсаторов, удобно использовать задающий генератор на относительно высокой частоте с последующим делением частоты на многочастотный. бит-делитель К176ИЕ5, К176ИЕ12, К176ИЕ18, К561ИЕ16, КР1561ИЕ20.Первые три микросхемы особенно удобны для этого варианта, так как содержат элементы, необходимые для построения задающего генератора. На рис. 319 представлена схема генератора на микросхеме К176ИЕ5. Задающий генератор собран на логических элементах DD1.1 и DD1.2, его схема эквивалентна схеме на рис. 303. Выход задающего генератора внутри микросхемы подключен к делителю частоты 512 DD1.3. В микросхеме другой делитель частоты на 32 и 64 DD1.4. Вход этого делителя можно подключить либо к выходу задающего генератора F, либо к выходу первого делителя, в последнем случае частота на выходе 15 будет в 32768 раз меньше частоты генератора задающий генератор.
Схема RC-генератора на микросхеме К176ИЕ12 представлена на рис. 320. Задающий генератор согласно схеме на рис. 305 на инверторах DD1.1 и DD1.2 подключен ко входу делителя DD1.3, коэффициент деления которого равен 32768.Делитель также имеет выходы, частота следования импульсов которых меньше частоты задающего генератора в 32,256, 16384 раза. Импульсы с частотой F / 256 выводятся на четыре выхода, их фазовые соотношения
для частоты задающего генератора 32768 Гц показаны на рис. 204. При их использовании следует помнить о коротких «выемках» на выходы T1 и TZ, также показанные на рис. 204.
В микросхеме есть еще один счетчик с коэффициентом деления 60.Его вход можно подключить как к задающему генератору, так и к любому выходу первого счетчика. При подключении к выходу S1 частота импульсов на выходе второго делителя будет в 196608 раз меньше частоты задающего генератора.
Хотя стабильность частоты RC-генераторов на КМОП микросхемах достаточно высока (особенно по сравнению с генераторами на TTL микросхемах), в некоторых случаях удобнее использовать кварцевый генератор с последующим делением частоты до необходимого уровня.Такой вариант получения необходимой частоты обеспечит не только высокую стабильность, но и устранит необходимость в подстроечных элементах, а размеры и стоимость кварцевого резонатора на 32768 Гц для наручных часов меньше, чем у хорошего металлопленочного конденсатора.
Если частоты на выходах микросхем К176ИЕ5 или К176ИЕ12 соответствуют необходимым, то целесообразно использовать их со встроенными в них инверторами кварцевого генератора. Если указанные микросхемы нельзя использовать в качестве делителя, в кварцевом генераторе необходимо использовать инвертор от микросхемы невысокой степени интеграции.Опыт показывает, что не каждый инвертор работает в кварцевом генераторе по стандартной схеме рис. 321. Хорошо зарекомендовали себя элементы микросхем.
К561ЛА7 и К561ЛЕ5, микросхемы К176ЛА7 и К176ЛЕ5 вообще не работают. Микросхема К561ЛП2 очень удобна для построения различных генераторов и формирователей, однако внутренняя структура элементов микросхемы несимметрична относительно двух ее входов и в кварцевом генераторе ее элементы могут работать только при подключении к источнику питания контактов 2, 5,9 или 12.Кроме того, для улучшения формы выходного сигнала в генераторе по схеме на рис. 321 с использованием микросхемы К561ЛП2 сопротивление резистора R2 целесообразно уменьшить до 180 кОм.
Микросхемы, содержащие счетчики с большим коэффициентом деления, могут быть успешно использованы для построения ожидающих мультивибраторов с большой длительностью импульса при небольшой емкости используемых конденсаторов. Схема ожидающего мультивибратора на микросхеме К561ИЕ16 представлена на рис.11 – два импульса и так далее (рис. 323).
Поскольку формирование выходного импульса всегда начинается с одного и того же состояния задающего генератора, исключается случайная ошибка
длительности импульса, связанная с неопределенностью фазы генератора.
Ожидающий мультивибратор может быть собран всего на одной микросхеме К176ИЕ5 (рис. 324). Этот резервный мультивибратор работает так же, как описанный выше, но генератор собран на инверторах, рассчитанных на кварцевый генератор микросхемы.14 периодов задающего генератора.
Как и в описанном выше мультивибраторе ожидания, на предпоследнем выходе счетчика 14 формируется импульс положительной полярности вдвое короче, на выходе 9 – пачка из 32 импульсов.
Если вам нужна кварцевая стабилизация длительности генерируемых импульсов, вам следует использовать схему на рис. 325, потому что вы не можете включать и выключать кварцевый генератор так же, как RC-генератор. К сожалению, ожидающий мультивибратор согласно схеме на рис.325 имеет случайную ошибку длительности импульса порядка
,
периода кварцевого генератора. При использовании в данной схеме в качестве DD1 микросхем К176ИЕ5, К176ИЕ12, К176ИЕ18 сигнал с выхода элемента DD1.2 следует подавать на Z входы этих микросхем. Вышеописанные ожидающие мультивибраторы с частотным разделением имеют недостаток, связанный с тем, что при подаче питания они генерируют на своем выходе импульс неопределенной длительности, который, однако, не превышает длительности импульса, для которого он рассчитан. разработан.
Если длительность запускающего импульса не превышает половины периода задающего генератора, дифференцирующая схема в стартовой цепи ожидающих мультивибраторов, описанная выше, не требуется.
Свойство перезапуска присуще и ожидающим мультивибраторам с частотным разделением, аналогичным микросхеме КР1561АГ1, – если при формировании выходного импульса придет следующий запускающий импульс, длительность импульса начнется заново с последнего запускающего импульса.
Сопротивление резисторов, входящих в дифференцирующие цепи при включении цепей управления всех мультивибраторов и генераторов, описанных в разделе, следует выбирать таким образом, чтобы токи через них не перегрузили микросхемы источника сигнала – не менее нескольких десятков кОм. . Сверху сопротивление этих резисторов ограничено порядка десятков МОм из-за возможных утечек из печатных плат. Емкость конденсаторов этих схем должна значительно превышать монтажную емкость и входную емкость микросхем, то есть, как правило, быть не менее 100 пФ.
При подаче сигнала на вход микросхемы через конденсатор последовательно с входом микросхемы ограничительный резистор можно не использовать, если ток через ограничивающие диоды во время переходных процессов не превышает 20 мА, например, при подаче сигналов от стандартных КМОП микросхем с напряжением питания менее 9 В. Если напряжение питания выше 9 В или сигналы на дифференцирующие схемы поступают с выходов КМОП микросхем с повышенной нагрузочной способностью или с других низкоомных Источники сигнала – ограничительный резистор сопротивлением 3… 10 кОм следует установить последовательно с вводом.
При проектировании устройств на цифровых микросхемах ах, при создании генератора часто возникают прямоугольные импульсы с определенными характеристиками. Данная статья призвана помочь конструктору-любителю выбрать схему задающего генератора разной степени сложности и требуемых характеристик.
Схема, изображенная на рисунке 1, собрана на трех элементах микросхемы 155 LA3 и работает в режиме автогенератора за счет задержки распространения сигнала по элементам.Для простой логики серии 155 время задержки одного элемента составляет 20 нс, поэтому частота генератора, собранного на трех элементах, будет примерно равна 8 МГц.
Фиг.1
Для уменьшения частоты генерации количество элементов необходимо увеличить, учитывая, что их количество должно быть нечетным. Управляющий вход служит для управления работой генератора (высокий уровень разрешает работу схемы, низкий – отключает). Если управление генерацией не требуется, то управляющий выход необходимо подключить к плюсу источника питания через резистор сопротивлением 1 Ом или подключить ко второму входу того же элемента (по схеме нижний вход D1.1).
Классическая схема простейшего генератора с синхронизирующей цепью представлена на рис. 2. Он может быть собран практически на любых элементах с инверсией (НЕ, И-НЕ, ИЛИ-НЕ), частота следования выходных импульсов зависит от емкость конденсатора С1 и сопротивление R1. Следует учитывать, что при увеличении сопротивления R1 более 470 Ом генерация будет нестабильной. При R1 = 300 Ом и C1 = 0,047 мкФ частота генерации будет примерно 10 кГц.
Фиг.2
Схема, показанная на рис. 3, содержит еще два элемента, один из которых (D1.3) служит для более стабильной работы генератора, а другой (D1.4) используется в качестве буфера для улучшения формы выходного сигнала. При указанных на схеме значениях R1 и емкости конденсатора 0,047 мкФ частота следования импульсов будет равна 10 кГц.
Фиг.3
Частоту генерации мультивибратора на ТТЛ микросхемах легко изменить не только значениями сопротивления и емкости, но и изменением напряжения.На схеме, показанной на рис. 4, управляющее напряжение подается на вход Control. и может изменяться от нуля до напряжения питания микросхемы. При повышении напряжения на входах элементов порог срабатывания происходит быстрее в процессе перезарядки конденсаторов, а значит, увеличивается частота генерации.
Фиг.4
Во всем диапазоне напряжений зависимость «управляющее напряжение / частота» практически линейна.При емкости частотозадающих конденсаторов С1 и С2, равной 0,1 мкФ, частоту мультивибратора можно регулировать в диапазоне 1-8 кГц, а при 1000 пФ – 120-750 кГц. Рабочий цикл сигнала легко изменить по разнице номиналов конденсаторов. Сигналы на выходах 1 и 2 будут в противофазе, поэтому имеет смысл добавить к выходам еще один инвертор для улучшения формы сигнала (например, неиспользуемые элементы D1.3 и D1.4).
Схема генератора, частоту и скважность которого можно быстро изменять с помощью переменных резисторов, показана на рис.5. При номиналах резистора и емкости конденсатора C1 = 0,1 мкФ, указанных на схеме, рабочий цикл может быть изменен от 1,5 до 3 (резистор R2), а частота – от 8 до 25 кГц (R1). Для другого частотного диапазона придется изменить емкость конденсатора С1.
Фиг.5
Особенностью управляемого генератора импульсов, показанного на рис. 6, является то, что длительность последнего сгенерированного импульса не зависит от времени окончания управляющего сигнала.Всякий раз, когда появляется сигнал Control. не пропала, генератор в любом случае отработает период до конца. Это достигается тем, что один из входов управляющего элемента D1.1 подключен к выходу мультивибратора, собранного на элементах D1.2 – D1.4.
Фиг.6
Мультивибратор запускается низким уровнем на входе Control. и если во время работы генератора этот сигнал пропадает (становится высоким), то благодаря обратной связи (выход D1.4 – вход D1.1) мультивибратор остановится только тогда, когда истечет период его полной продолжительности и уровень на его выходе не станет низким. Кроме того, частоту генератора можно плавно изменять переменным резистором R2 (со значениями, указанными на схеме, от 4 до 25 кГц).
Обычно при построении генераторов на микросхемах TTL используются небольшие резисторы и поэтому емкости синхронизирующих конденсаторов относительно велики, а диапазон регулировки частоты невелик.Вы можете увеличить диапазон регулировки до 200 раз, включив транзистор с достаточно большим входным сопротивлением, как показано на рис. 7. Когда емкость синхронизирующего конденсатора изменяется с 10 мкФ до 20 пФ, генератор средней частоты может быть изменен с от долей герца до нескольких МГц.
Фиг.7
Другая схема, но с полевым транзистором, позволяет с помощью резистора R1 изменять частоту генератора в 50 000 раз (рис.8). Кроме того, высокий входной импеданс затвора полевого транзистора позволяет получить низкочастотную генерацию при относительно небольшой емкости синхронизирующего конденсатора. Например, при номинальных значениях, указанных на диаграмме, и максимальном значении R1 частота генерации будет примерно 0,5 Гц. Совершенно очевидно, что для плавного изменения частоты в таком широком диапазоне желательно, чтобы резистор R1 был многооборотным.
Фиг.8
Все вышеперечисленные мультивибраторы не отличаются высокой стабильностью частоты, которая зависит от напряжения питания, температуры окружающей среды и ряда других факторов, поэтому в случаях, когда к стабильности генерируемой частоты предъявляются высокие требования, используются кварцевые резонаторы. работающие на необходимой частоте, вводятся в схему (рис. 9). При построении таких генераторов следует учитывать, что приближение генерируемой частоты к частоте среза переключающих элементов ухудшает форму сигнала, приближая его форму к синусоидальной.
1.Введение 3
1. Обоснование выбора и описание работы схемы 4
1.1 Анализ задачи и разработка структурной схемы. 4
1.2 Анализ возможных схемных решений 5
1.3 Описание работы выбранной схемы и назначение элементов. ten
2. Расчет и выбор элементов 11
2.1 Расчет RC-цепи для задания частоты 11
2.2 Расчет усилителя мощности. 12
2.3 Расчет вторичного источника питания 13
3. Моделирование. 15
4. Заключение. восемнадцать
5. Литература. 19
Введение
Генераторы являются неотъемлемой частью практически любого электронного устройства. Они используются в радиоэлектронном оборудовании в качестве модулированного сигнала, а также в качестве самостоятельного оборудования для лабораторных исследований, для построения частотной характеристики. Генератор положительных прямоугольных импульсов – это устройство, с помощью которого энергия источника постоянного тока преобразуется в энергию переменного тока, изменяющегося во времени.В зависимости от области применения такого генератора к нему могут предъявляться различные требования, например, стабильность заданной частоты, амплитуды, скважности, времени нарастания, точности.
Обоснование выбора и описание схемы
Анализ задания и разработка структурной схемы.
Согласно поставленной задаче принципиальная схема должна работать от сети переменного напряжения 220 В с частотой 50 Гц.Электронных компонентов, использующих такие параметры, нет, поэтому требуется источник питания. Для создания прямоугольного сигнала из константы необходим генератор, который может быть выполнен на аналоговых или цифровых элементах. Для регулировки выходного напряжения необходим соответствующий блок. Также не стоит забывать о частоте вращения генератора, которая обеспечит необходимое время фронта.
Анализ возможных схемных решений Генератор на интегральном таймере 555 (kr1006vi1)
Схема имеет высокую стабильность (около 1%), может работать от одного источника питания с напряжением 4.От 5 до 16 В, поддерживая стабильную частоту при изменении напряжения источника питания.
Недостатки – большое потребление тока.
Генератор на логических элементах
Автогенератор (рис. 1.2) собран на логических элементах D 1.1, D 1,2 и Dj .3, Резистор R / и конденсатор C1. При включении питания конденсатор C1 начинает заряжаться через резистор K1. По мере зарядки конденсатора напряжение на его пластине, подключенной к клеммам I, 2 логического элемента, повышается. D 1.1. При достижении 1,2 … 1,5 В на выходе 6 логический элемент D 1,2 сигнал «лог. 1 “(” 4В). и в заключении 8 логический элемент D 1,3 – сигнал «лог. O “(” 0,4 В). После этого конденсатор С1 начнет разряжаться через резистор R 1 и логический элемент D 1.3. В итоге на вывод 6 логический элемент D 1,2 Будет сформировано прямоугольных импульсов. Такие же импульсы, но сдвинутые по фазе на 180 °, будут на выходе 8 логический элемент D 1,3 (действует как инвертор).
Продолжительность заряда и разряда конденсатора C1 и, следовательно, частота генерируемых импульсов, зависят от емкости конденсатора C1 и сопротивления резистора R 1.
Автогенератор (рис. 1.3) построен на трех инверторах микросхемы D 1, синхронизирующий конденсатор C1 и последовательный резистор R 1 на входе частотно-определяющего преобразователя D 1,3 .
По сравнению с аналогичными устройствами, генератор имеет повышенную стабильность. Кроме того, есть возможность регулировать или регулировать частоту при изменении сопротивления резистора. R 1 .
Однако эти схемы на микросхемах TTL имеют серьезные недостатки:
Низкое сопротивление синхронизирующих резисторов и большая емкость конденсаторов
Ограниченный диапазон плавного регулирования частоты
Низкая стабильность при изменении напряжения питания и температуры окружающей среды
Микросхема k561la7 одно время была популярна и даже любима. Совершенно заслуженно, поскольку на тот момент это был своего рода «универсальный солдат», который позволял строить не только логику, но и различные генераторы, и даже усиливать аналоговые сигналы.Забавно, что даже сегодня в поисковики отправляется много запросов: описание микросхемы K561LA7 , аналог k561la7 , генератор на K561LA7, генератор прямоугольных импульсов на K561LA7 и т. Д.
К сожалению, с этой общераспространенной микросхемой не все так просто …
Для меня было удивительно обнаружить, что, например, Texas Instruments все еще выпускает что-то законченное, аналог , то есть микросхему CD4011A.Для любопытных – вот ссылка на страницу документации или даташит на TI CD4011A.
обратите внимание, что распиновка k561la7 отличается от обычной раскладки 4x 2I-НЕ TTL (k155la3 и комп).
Микросхема действительно удобная:
- Незначительный входной ток утечки – отличительная черта всей логики КМОП
- Статическое потребление тока – обычно доли микроампер
- Возможность работы от 3 до 15 вольт питающего напряжения
- Симметричная, хотя и небольшая (менее миллиампера) нагрузочная способность выходов
- Микросхема была доступна даже в тяжелые советские времена.Сегодня вообще – 3 рубля мелочь, а то и дешевле.
Чтобы быстро смоделировать одно плечо промежуточного моста DCC, я обычно использовал k561la7 для создания классического релаксационного генератора CMOS.
Резистор R2 и конденсатор C1 устанавливают частоту колебаний примерно 0,7 / R2C1. Резистор R1 ограничивает ток разряда конденсатора C1 через защитные диоды на входе первого инвертора Q1.
Принцип работы генератора кратко следующий: конденсатор покрывает два инвертора с положительной обратной связью, таким образом получается защелка, триггер.Проведите мысленный эксперимент: замените конденсатор и R1 на проводник, при этом влиянием R2 можно пренебречь (но только на короткое время).
Через R2 на верхнюю пластину конденсатора по схеме подается ток, который перезаряжает конденсатор «в другую сторону», то есть не дает нашей защелке оставаться в одном состоянии бесконечно долго. Этот ток определяет время перезарядки конденсатора, а, следовательно, и частоту генерации. Поскольку защелка RF покрыта положительной обратной связью точно так же, как в только что проведенном мысленном эксперименте, переключение в идеале должно происходить с максимально возможной скоростью для клавиш: малейшее повышение напряжения на выходе Q2 напрямую подается на вход Q1, что приводит к снижению напряжения на выходе Q1 и еще большему увеличению напряжения на выходе Q2.
Формы сигналов на входе и выходе Q1:
Вот как нелепо выглядят выходы Q1 и Q2:
- R1 = 91 кОм
- R2 = 33 кОм
- C1 = 10 нФ
- C2 = 2,2 нФ
- F = 1,3 кГц
Для серьезного дизайна я лично не стал бы использовать этот генератор прямоугольных импульсов … Даже простой имеет лучшую стабильность и дает очень чистый прямоугольник.
Пожалуйста, если этот материал вам в чем-то помог или даже вызвал приятные ностальгические воспоминания, поделитесь им с другими. Для этого просто «кликните» по иконке сети, в которой вы зарегистрированы, чтобы ваши друзья получили ссылку на эту статью. Спасибо!
В радиолюбительской практике часто возникает необходимость настройки различных узлов преобразования схем, особенно если речь идет об изобретательской деятельности, когда схема рождается в голове. В такие моменты пригодится источник управляющего сигнала.
Представляю вашему вниманию генератор прямоугольных импульсов .
Характеристики
Электропитание: 10 ÷ 15 В постоянного тока.
Три режима генерации:
1 – симметричный (меандр), дискретное переключение диапазонов генерируемых частот, плавное регулирование частоты в пределах диапазона;
2 – независимое, дискретное переключение диапазонов генерируемых частот, плавная раздельная регулировка длительности импульса и паузы между импульсами внутри диапазона;
3 – широтно-импульсная модуляция (ШИМ), дискретный выбор частоты переключателем диапазонов, плавная регулировка скважности.
Два отдельных канала – прямой и обратный.
Раздельная регулировка уровня выходного сигнала каналов от 0 В до значения напряжения источника питания при подключении высокоомной нагрузки и до половины напряжения источника питания при подключении нагрузки с входным сопротивлением 50 Ом. .
Выходное сопротивление канала составляет примерно 50 Ом.
Принципиальные схемы
Для построения генератора за основу взята схема генератора на двух логических инверторах (рисунок 1).Принцип его работы основан на периодической подзарядке конденсатора. Момент переключения состояния цепи определяется состоянием заряда конденсатора С1. Процесс подзарядки происходит через резистор R1. Чем больше емкость С1 и сопротивление R1, тем дольше длится процесс зарядки конденсатора, и тем больше длительность периодов переключения состояния цепи. Наоборот.
Для построения схемы генератора были взяты логические элементы микросхемы с четырьмя элементами 2И-НЕ – HEF4011BP … Базовая схема, показанная выше, производит прямоугольный сигнал фиксированной частоты с коэффициентом заполнения 50% (прямоугольный сигнал) на выходе Q. Для расширения возможностей устройства было решено объединить три разные схемы, реализованные на одних и тех же двух логических инверторах.
Схема генератора прямоугольных импульсов
Схема генератора меандров показана на рисунке 2-а. Емкость цепи для задания времени может изменяться от значения C1 до суммарного значения C1 и емкости, соединенной перемычкой P.Это дает возможность изменять частотный диапазон генерируемого сигнала.
Резистор R1 позволяет плавно изменять ток заряда (перезарядки) емкости. Резистор R2 является токоограничивающим, чтобы избежать перегрузки выходного канала логического элемента DD1.1 в случае, когда ползунок резистора R2 находится в крайнем верхнем положении и его сопротивление близко к нулю. Поскольку заряд и перезарядка конденсатора осуществляется по одной цепочке с неизменными параметрами, длительность импульса и пауза между ними равны.Такой сигнал имеет симметричную прямоугольную форму и называется прямоугольной волной. Регулируя R1, только частота генерируемого сигнала изменяется в определенном диапазоне, установленном конденсатором установки времени.
Схема генератора прямоугольных импульсов с раздельной регулировкой длительности импульса и паузы
На рисунке 2-b цепь заряда и цепь избыточного заряда разделены диодами VD1 и VD2. Если при зарядке синхронизирующего конденсатора формируется импульс, его длительность характеризуется сопротивлением цепи VD1-R2-R1.Длительность паузы между импульсами при обратном перезарядке конденсатора характеризуется сопротивлением цепи R1-R3-VD2. Итак, изменяя положение ползунков резисторов R2 и R3, можно плавно отдельно установить длительность импульса и паузу между ними.
Частотный диапазон формируемого сигнала, как и в первом случае, переключается перемычкой П.
Схема генератора ШИМ
Схема на Рисунке 2-c имеет аналогичное разделение цепей прямого и обратного заряда синхронизирующего конденсатора с той разницей, что переменные сопротивления являются плечами переменного резистора R2, которые имеют обратную зависимость параметров относительно каждого из них. Другие.То есть при увеличении одного плеча резистора второе уменьшается прямо пропорционально, а общая сумма их сопротивлений постоянна. Таким образом, регулируя соотношение плеч резистора R2, можно плавно изменять отношение длительности импульса к длительности пауз между ними, при этом время периода следования импульсов останется неизменным. Этот метод настройки позволяет реализовать функцию широтной импульсной модуляции (ШИМ)
.Частота генерируемого сигнала в этой цепи выбирается дискретно переключением перемычки P.При необходимости вы можете использовать несколько перемычек P для суммирования больших и малых значений емкостей, достигая более точной требуемой частоты генерации сигнала во всем диапазоне.
Конечная схема генератора
На рисунке 3 показана схема генератора , в которой реализованы все три схемы, рассмотренные на рисунке 2. Генератор построен на базе двух логических инверторов на элементах DD1.1 и DD1.2. Выбор частотного диапазона (частота в режиме ШИМ) осуществляется переключением перемычки P.
Для сборки искомого варианта схемы генератора введены штыревые соединители, переключаемые параллельными сборками перемычек, изображенных цветными линиями. Каждый цвет перемычки соответствует разной схеме подключения. Перемычки реализованы путем соединения пар контактов с проводами ленточного кабеля разъема FC-10P A. Сами штыревые разъемы расположены тремя группами по пять пар для удобства переключения. Разъем перемычки позволяет переключать режим генерации.
Элементы DD1.3 и DD1.4 действуют как инвертирующие повторители и служат для развязки временных и выходных цепей генератора, чтобы исключить их взаимное влияние. Инвертированный сигнал снимается с выхода DD1.3, основной – с выхода DD1.4.
Резисторы R5 и R6 служат для регулировки уровня напряжения импульсов соответствующих каналов. Транзисторы VT1 и VT2 включены по схеме эмиттерного повторителя для усиления сигналов, снимаемых с ползунков резисторов R5 и R6 соответственно.Транзисторы VT3 и VT4 шунтируют выходные цепи своих каналов, подтягивая их к минусу питания. Их роль важна, когда сигнал генератора подается на нагрузку с наличием конденсатора, когда разряд этой емкости требуется во время паузы без тока, например, при управлении полевыми транзисторами … Диоды VD5 и VD6 отделить основные схемы шунтирующих транзисторов от выхода генератора, исключив влияние емкостной нагрузки на работу этих транзисторов.Резисторы R9 и R10 нужны для согласования выходов генератора с сопротивлением нагрузки 50 Ом, а также для ограничения максимального тока транзисторов выходных каскадов каналов.
Диод VD3 защищает схему от подачи напряжения питания обратной полярности. Светодиод VD4 действует как индикатор питания. Конденсатор С21 частично сглаживает пульсации при питании от нерегулируемого источника.
Особенности схемы
Для уменьшения габаритов устройства в качестве конденсатора синхронизации используются SMD-конденсаторы C1-C20.При наименьшей емкости C1 = 68 пФ генератор выдает сигнал частотой до 17 ÷ 500 кГц. При промежуточных значениях емкости 3,3 нФ и 100 нФ генератор формирует сигналы в диапазонах частот 360 ÷ 20 000 Гц и 6,25 ÷ 500 Гц соответственно. При наименьшей емкости C2 = 5,1 мкФ получается частота в диапазоне 0,2-10 Гц. Таким образом, при использовании всего четырех конденсаторов можно покрыть частотный диапазон от 0,2 Гц до 500 кГц. Но при этом в режиме ШИМ генерация сигнала будет доступна для всех четырех значений частоты при использовании одной перемычки P.Поэтому для улучшения характеристик генератора было решено ввести в схему 20 конденсаторов разной емкости с равномерным распределением значений по интервалам. Дополнительную точность установки частоты в режиме ШИМ можно получить при использовании нескольких перемычек, идентичных P, что позволит регулировать частоту путем подключения конденсаторов меньшего номинала по сравнению с основным дополнительным.
Питание схемы имеет некоторые ограничения.Несмотря на достаточно широкий диапазон, напряжение питания микросхемы составляет 3 ÷ 15 В, как показала практика, при напряжении питания схемы ниже 9 В генератор не запускается. Запуск от 9 В нестабилен. Поэтому рекомендуется использовать источник питания 12 ÷ 15 В.
При напряжении питания 15 В, нагрузке 50 Ом, подключенной к одному каналу генератора, и максимальном уровне выходного сигнала устройство потребляет не более 2,5 Вт мощности. В этом случае основная часть мощности рассеивается на нагрузке и согласующем выходном резисторе R9 (R10).
Не рекомендуется включать генератор на короткозамкнутую нагрузку, так как выходной транзистор в этом случае работает в предельном режиме. Это также относится к тестированию цепей с биполярными переключателями, которые не имеют базы ограничивающего резистора в цепи. В таких случаях рекомендуется уменьшить уровень выходного сигнала как минимум на пол-оборота ручки резистора, а затем добавить его по мере необходимости.
В моем случае, чтобы варьировать частотные диапазоны генерации, я использовал следующие номиналы конденсаторов ряда:
C1 – 68 пФ;
C2 – 100 пФ;
C3 – 220 пФ;
C4 – 330 пФ;
C5 – 680 пФ;
C6 – 1 нФ;
C7 – 2.2 нФ;
C8 – 3,3 нФ;
C9 – 9,1 нФ;
C10 – 22 нФ;
C11 – 33 нФ;
C12 – 47 нФ;
C13 – 82 нФ;
C14 – 100 нФ;
C15 – 220 нФ;
C16 – 330 нФ;
C17 – 510 нФ;
C18 – 1 мкФ;
C19 – 2,4 мкФ;
C20 – 5,1 мкФ.
По любой причине вы можете применять номиналы, отличные от указанных. Единственным ограничением является то, что минимальная емкость не должна быть меньше 68 пФ, иначе генератор на этой емкости может просто не запуститься или запустить автогенерацию в ненасыщенном режиме, в котором форма волны не прямоугольная, а искаженный прямоугольник, стремящийся к синусоида.
Рейтинги выделены красным, при этом перекрывается весь диапазон генерируемых частот.
Фотогалерея
Здесь показана прокладка перемычек в разъеме, собранный разъем и готовый разъем-перемычка с обрезанными проводниками.
На этих фото генератор с разных ракурсов
А это со стороны пломбы. Качество дорожек оказалось просто омерзительным, пришлось столько жесть налить.
А это, собственно, перемычка переключения диапазонов и перемычка переключения режимов. Чуть правее находятся разъемы и контакты, которыми перемычки коммутируют.
Изготовить печатную плату из имеющихся на складе деталей может любой желающий. Кому интересна печать моей версии генератора, можете скачать архив по ссылке ниже. Имеется печать в формате страницы PDF, а также в формате PCB для версии P-CAD не ниже 2010. Схема также находится в архиве, можете не пытаться сохранить ее со страницы, просто скачайте архив.
Циклический цифровой таймер. Самый простой циклический таймер. Самое простое устройство для циклического включения и выключения нагрузки. Работа таймера и функции кнопок
—->
—>
Простейший циклический таймер. Самое простое устройство для циклического включения и выключения нагрузки.
Моя разработка Крылов П.В.Каждую зиму возникает одна и та же проблема. В сильные морозы вода, поступающая в дом из колодца, замерзает.Это происходит потому, что вход в дом делается над фундаментом. Он хоть и утеплен минеральной ватой, но при сильных морозах замерзает. Это всегда происходит ночью, когда мы не пользуемся водой. Соответственно насос не включается, вода не качается и замерзает. Было найдено частичное решение. На ночь они стали оставлять открытым небольшой кран с холодной водой. Но это не всегда помогает. Буксы кранов имеют небольшой люфт и перекрывают воду небольшой головкой. Так возникла идея сделать циклический таймер.Устройство, которое включает насос на несколько секунд, а затем удерживает его в течение нескольких десятков минут.
Это устройство включает насос на 6 секунд после 20 минут воздействия, затем цикл повторяется. Подобное устройство можно использовать в системах вентиляции, капельного орошения и других непрерывно-циклических системах. Время ожидания и время работы можно варьировать в широких пределах.
Анализ того, что было в Интернете, вызвал много вопросов.
Очень понравился аппарат в артикуле
Но, к сожалению, купить микросхему К561ИЕ5 невозможно.В другой статье дана слишком сложная схема.
Выбрал принцип Калашникова. Чрезвычайная простота.
Прибл. Желательно снять емкость С1. При проверке выяснилось, что эта емкость не успевает разрядиться при сбросе по схеме «И».
Схема собрана всего на одной микросхеме – 14-битном счетчике CD4020, российском аналоге К561ИЕ16.
Мигающий светодиод – это генератор с частотой примерно 3 импульса за 2 секунды.
На входе подачи тактовых импульсов C (вывод 10) микросхемы DD1 присутствуют импульсы с частотой примерно 1,4-1,5 Гц. Когда светодиод на входе C мигает – высокий уровень, а когда гаснет, этот уровень заменяется низким. Подсчет начинается со спада импульсов на входе C. Высокие уровни появляются на выходах счетчика в соответствии с двоичным представлением количества импульсов, поступающих на вход. Например, если на вход C пришло 16 импульсов, то на выходе Q4 на выводе микросхемы №5 появится 1 или высокий уровень, на всех остальных выводах будет «0»
После подачи питания конденсатор С1 начинает заряжаться через резистор R2, на входе R микросхемы DD1 устанавливается высокий уровень, за счет чего низкий уровень будет присутствовать на всех ее выходах.
Схема сброса не совсем корректно работает, т.к. иногда после включения на выходах 1.
Мои введения.
Я ввел логический элемент И в схему.Это элементы R5, D2, D3. Если на выводах Q3, Q11 стоит 1, то схема «И» сработает и микросхема CD4020 будет сброшена. Высокий уровень на выходе Q11 появится, если на вход C пришло 2048 импульсов, что соответствует примерно 21 минуте. В этот момент транзистор VT1 откроется и сработает реле К1.Насос запустится. После поступления еще восьми импульсов на вход C, что соответствует 6 секундам, на выходе Q3, вывод №7 появится высокий уровень, произойдет сброс по схеме «И». Насос выключится. Затем цикл подсчета повторится.
Подробнее.
D5 любой мигающий светодиод.Мигающий светодиод (кроме указанного на схеме) заменяется L-816BRSC-B, L-56DGD, ARL-5013URC-B или аналогичным. Но в принципе подойдет любой мигающий светодиод.
Диоды D1, D2, D3, D6 – любые из серий KD521, KD522, KD102, KD103 или 1N4148. ВД 4 любой светодиод. Он используется для индикации работы счетчика. Он меняет свое состояние каждые 8 импульсов, поступающих на вход C.
Реле К1 – любое с рабочим напряжением 10 … 12 В.
Модификация схемы.
Если переключить диод D3 с вывода 1 на вывод 2 микросхемы, то есть с Q11 на Q12, выдержка (пауза) увеличится вдвое с 20 минут до 40 минут. Если перейти с Q3 нац.вывод 7 на Q4 физ. контакт 5, то время работы удвоится с 5-6 секунд до 10-12 секунд.
Схема проверена. Собран на макете. Видео работы ниже.
Таймер – это устройство для управления исполнительными устройствами, нагрузками во временных циклах. Это улучшенная и более многофункциональная окончательная версия ранее опубликованной схемы:
Многофункциональность заключается в следующем: в одном устройстве реализованы четыре функции.
– циклический таймер с возможностью работать в двух настроенных временных интервалах неограниченно долго.
– функция таймера, срабатывает однократно в двух заданных временных интервалах.
– таймер обратного отсчета.
– секундомер
– автозапуск настраивается из меню в двух вариантах:
1) вариант после подачи питания 5В на схему МК, отсчет времени начинается сразу
2) вариант после подачи питания 5В на схему МК, обратный отсчет только запускается после нажатия кнопки пуска ▲.
Данные выбранного режима одного из четырех (циклический таймер, таймер однократного цикла, таймер обратного отсчета, секундомер, состояние автозапуска) сохраняются в энергонезависимой памяти МК автоматически, а после следующего питания 5В на Схема МК, они автоматически восстанавливаются.
Запись отрезков времени таймера №1 и таймера №2 записывается в энергонезависимую память МК в активном состоянии таймера (см. Описание меню) и при каждом новом подаче питания 5В на В схеме МК записанные ранее значения восстанавливаются автоматически.
Характеристики таймера :
– циклический таймер с двумя независимыми регулируемыми временными диапазонами, № таймера. 1 от 1 секунды до 96 часов (четыре дня) и таймер № 2, период времени от 1 секунды до 99 минут.
– функция таймера, срабатывает один раз в двух заданных временных интервалах. Диапазоны, таймер №1 от 1 секунды до 96 часов и таймер №2 от 1 секунды до 99 минут. Графически:
– таймер обратного отсчета, с временным интервалом от 1 секунды до 96 часов.
– секундомер от 1 секунды до 24 часов, а затем в часовом режиме от 0 секунд.
Многофункциональная схема циклического таймера:
Control :
В режиме основного экрана кнопки ▲ ▼ ◄ быстро выполняют следующее управление:
▲ запуск, пауза;
▼ сброс
вход в меню
◄ возврат
При одновременном нажатии кнопок ◄ ▲ отображаемые на экране временные данные записываются в энергонезависимую память МК.
При одновременном нажатии кнопок ◄ ▼ осуществляется считывание и отображение на ЖК-экране временных данных, находящихся в энергонезависимой памяти МК.
Система меню :
Управление всеми функциями осуществляется с помощью 4 кнопок, условно обозначенных символами:
▲ ▼ ◄ Навигация по меню может осуществляться просто с помощью подсказок.
Подсказка – это символ ▲ ▼ ◄, который соответствует определенной кнопке.
Для переключения из основного режима в систему меню нажмите кнопку меню.
Меню полностью русифицировано, и отображаемые подсказки в виде символов ▲ ▼ ◄ будут вам подсказками в этой навигации.
Графически навигация по меню выглядит так:
Если через некоторое время вы забыли, какой интервал вы запрограммировали в памяти МК, вы можете перейти в меню, пункт «Установить время», отображает записанные ранее значения времени.
А также, если вы войдете в любой пункт меню и не нажмете никаких кнопок в течение 30 секунд, вы автоматически вернетесь в основной режим.
Вся информация об активных состояниях отображается на ЖК-дисплее.
Описание режимов работы
– таймер циклический с возможностью работать в двух настроенных временных интервалах неограниченно долго.
В рабочем цикле участвуют два таймера. Таймеры отображаются на ЖК-экране как t # 1 и t # 2
Визуально работу циклического таймера можно отобразить на таком графике.
Для работы циклов время выставляется с точностью до секунды;
диапазон счета: таймер No.1 от 1 секунды до 96 часов и таймер № 2 от 1 секунды до 99 минут.
После установки необходимых временных интервалов необходимо сохранить эти значения в памяти МК (в соответствующем меню таймера, нажав кнопку сохранения, либо в режиме основного экрана одновременно с помощью кнопки ◄ ▲.
В основном режиме при нажатии на кнопку пуска таймер №1 начинает отсчет.
При достижении значения 00: 00.00 включается исполнительное устройство, и обратный отсчет продолжается с таймера No.2 (при этом обнуленные 00: 00.00 показания таймера №1 будут восстановлены автоматически в соответствии с данными энергонезависимой памяти МК).
А также, если таймер №1 находится в десятисекундном интервале перед включением нагрузки, сигнал зуммера будет отправлен несколько раз ((PC5) 28 ножка MK).
При достижении значения 00.00 таймер № 2 выключает исполнительное устройство, а таймер № 1 продолжает обратный отсчет (в это время значения таймера № 2 обнулены 00.00, восстановится автоматически в соответствии с данными энергонезависимой памяти МК).
И так будет вечно …
Во время работы циклического таймера можно быстро управлять работой таймеров с помощью кнопок
▲ кнопка пауза, обратный отсчет остановится. (Состояние активности (PC0) 23 фута МК не изменится) двойное нажатие кнопки паузы возобновляет остановленный счет.
Кнопка ▼ сбрасывается, счет останавливается, показания на ЖК-экране сбрасываются на ноль (но не в энергонезависимой памяти МК), а если исполнительное устройство было включено, то оно ОТКЛЮЧАЕТСЯ. .
символов на ЖК-дисплее> +
Также, если на короткое время пропадет электропитание в сети (или просто отключите таймер от сети на длительный период), то при появлении напряжения прибор сохранит свои настройки и если была включена функция автозапуска, то таймер снова включится и продолжит работу в замкнутом цикле.
Функция таймер один цикл , будет запускаться в двух сконфигурированных временных интервалах один раз.
Элементы управления и настройки будут такими, как описано выше.
Таймер №1 начинает обратный отсчет.
При достижении значения 00: 00.00 включается исполнительное устройство, и обратный отсчет продолжается с таймера № 2 (в это время обнуленные показания 00: 00.00 таймера № 1 будут восстановлены автоматически в соответствии с данными. энергонезависимой памяти МК).
Таймер № 2 при достижении значения 00.00 выключает исполнительное устройство,
Исполнительный механизм отключается и счет больше не возобновляется, пока не будет нажата кнопка пуска ▲.
Аналогично работает функция автозапуска.
Если эта функция не активирована, после подачи питания на схему таймера таймер будет ждать, пока не будет нажата кнопка пуска ▲.
Если через меню пользователя была активирована функция автозапуска, то после подачи питания на схему таймера таймер снова включится и начнет работать согласно ранее записанным значениям в памяти МК.
Таймер сработает один раз, по окончании обратного отсчета исполнительное устройство выключится.
– Таймер обратного отсчета
Здесь принцип управления и применение функции автозапуска практически не имеет отличий.
Но они все еще там. В работе участвует только таймер №1.
При достижении значения 00: 00.00 включается исполнительное устройство и счет останавливается.
Исполнительное устройство будет включено, пока не будет нажата кнопка сброса ▼.
– секундомер
Управляется кнопками старт ▲ пауза, ▼ сброс.Секундомер основан на 24-часовом формате отображения цикла.
Перечень радиоэлементов
| Обозначение | Тип | Номинал | Кол. Акций | Note | Магазин | Мой блокнот |
|---|---|---|---|---|---|---|
| MK AVR 8-битный | ATmega8 | 1 | В блокнот | |||
| Линейный регулятор | LM78L05 | 1 | В блокнот | |||
| Транзистор биполярный | BC547 | 1 | В блокнот | |||
| Выпрямительный диод | 1N4148 | 1 | В блокнот | |||
| ЖК-дисплей | ЖК-дисплей 16×2 | 1 | В блокнот | |||
| 470 мкФ | 1 | В блокнот | ||||
| Конденсатор электролитический | 100 мкФ | 1 | В блокнот | |||
| Конденсатор электролитический | 1 мкФ | 1 | В блокнот | |||
| Конденсатор | 0.1 мкФ | 1 | В блокнот | |||
| Подстроечный резистор | 5 кОм | 1 |
Рисунок 1 – Устройство периодического автоматического переключения нагрузки
Плату удобнее распределить по схеме:
Рисунок 2 – Устройство периодического автоматического переключения нагрузки
Источник питания (для силовая часть со стороны реле) может быть, например, сеть 220В, но не обязательно аккумулятор и многое другое. Нагрузкой может быть устройство (вентилятор, лампа и т. Д.), О нагрузке ниже. Реле включает и замыкает источник питания на нагрузку только при низком уровне напряжения на выходе микросхемы, протекающего тока от базы транзистора VT1 будет достаточно, чтобы этот транзистор вошел в насыщение, этот транзистор будет не перегореть, так как обмотка реле имеет достаточное активное сопротивление для того, чтобы ток через транзистор был меньше максимально допустимого для КТ209К: Если вы используете схему выше, то продолжительность работы устройства, подключенного через реле к источнику питания нельзя сделать больше времени, когда устройство не работает.Если необходимо, чтобы устройство проработало дольше, то можно воспользоваться схемой:Рисунок 3 – Устройство периодического автоматического переключения нагрузки
В этой схеме транзистор открывается при наличии высокого уровня напряжения на выходе микросхемы, максимальный ток коллектора транзистора КТ315 меньше, чем у транзистора КТ209К, но он все равно не сгорит, так как ток через обмотку реле К1 при напряжениях, указанных на схеме, не должен быть более 100мА.Чтобы определить, какой ток будет протекать через обмотку реле, вы можете измерить сопротивление этой обмотки и разделить напряжение питания на это сопротивление, или вы можете подключить последовательно источник питания, обмотку реле, амперметр (или мультиметр). в режиме миллиамперметра) и посмотреть ток, если он меньше 100мА то можно использовать транзистор кт315, если нет, то нужно поставить транзистор с большим током. Также необходимо посмотреть, какой ток может переключать реле и на какое напряжение оно рассчитано, если подключить слишком мощный прибор или несколько параллельно, то контакты реле могут не выдержать.Чтобы определить, подходит ли устройство или нет, вы можете разделить его мощность на напряжение питания (для сети 220) и посмотреть, меньше ли полученное число тока реле (обычно 5 … 20 А), тогда это реле подходит если нет то вам нужно реле с большим током … То же самое относится ко всем предыдущим схемам реле. Пример работы с вентилятором (вентилятор без лопастей) на видео: Вы можете рассчитать продолжительность в программе ниже. Для схемы на рис. 3 длительность операции равна длительности импульса, для схемы на рис. 1 и 2 длительность операции равна длительности паузы.Для схем на рисунках 1 и 2 сопротивление R2 представляет собой сумму сопротивлений резисторов R2 и R3:
electe.blogspot.com
Таймер включения-выключения в автомобиле NE 555 (видео)
Есть В машине много устройств, предназначенных для работы временно, то есть не постоянно, а время от времени. Это и различные отопители и указатели поворота (ленивые указатели поворота), и турботаймеры, и устройства, включающие камеры заднего вида не сразу, а через некоторое время, то есть с задержкой.Итак, везде в этих случаях используется таймер, который влияет на период его работы или отключения для исполняющего устройства. То есть таймер в машине используется часто и во многих местах. Мы даже уверены, что не все случаи можно было упомянуть и вы можете сами предложить еще несколько вариантов, а может, ради них вы зашли на нашу страничку. Если это действительно так, то вы найдете здесь именно то, что вам нужно, то есть таймер включения и выключения исполнительного устройства на машине, в машине.
Таймер включения – выключение в машине на микросхеме NE555
Сначала о самой микросхеме, о сердце нашего таймера. Микросхема выпускается с 70-х годов прошлого века и какими компаниями она производилась, сколько штук было выпущено, даже не вспомнишь. Во-первых, это очень важная информация, и в результате даже при цитировании статистики она будет сильно искажена. Во-вторых, и так понятно, что если микросхема так востребована, то мы на правильном пути, то есть именно эту микросхему целесообразно использовать для построения таймера.Кстати, здесь стоит отметить, что данная микросхема просто задумывалась как таймер, хотя на самом деле она часто используется не совсем по прямому назначению, как в одной из наших статей «Датчик освещенности на микросхеме». Что ж, это снова только добавляет стоимости и плюсов нашей микросхеме. Теперь о его подключении и работе схемы.
Схема таймера включения-выключения в автомобиле
Теперь взгляните на классическую электрическую схему NE555. 1 ножка молотая, 8 – пищевой “+”. Напряжение питания микросхемы 9-12 вольт вполне подходит.В этом случае входом микросхемы можно считать ножки 6 и 7, которые соединены между собой, именно на них формируется потенциал от заряда электролитического конденсатора. Пока конденсатор заряжается, напряжение на выходе микросхемы равно напряжению питания. В этом случае получается, что верхний светодиод не загорается, так как на него подается положительное питание с двух сторон, а нижний светится за счет разности потенциалов между его ножками.Более того, как только электролитический конденсатор заряжается, потенциал на выходе 3 на выходе становится отрицательным, то есть выход 3 становится землей. В этом случае нижний светодиод уже погашен, так как для него теперь с двух сторон стоят «минусы», а верхний светодиод горит.
Вот как работает эта микросхема. Некоторые уже догадались, что электролитический конденсатор на самом деле заряжается через резистор 1 мОм и 10 кОм, то есть именно от их потенциала, значения, от которого будет зависеть время зарядки конденсатора, и, следовательно, время работы таймера.В результате есть два способа изменить время таймера. Первый – изменить номинал резисторов. Во-вторых, измените емкость конденсатора. Скажем сразу, изменение емкости конденсатора дает более значимый результат. Но весь алгоритм работы таймера реализован в самой микросхеме. Вот собственно вся схема и принцип ее работы. Остается только сказать, что если нужно управлять большими токами, то здесь используется сборка на транзисторе (можно взять КТ815Б) и реле на 12 вольт, которое так неумело нарисовано на рисунке.Конечно, реле можно использовать с нормально замкнутыми или разомкнутыми контактами, что означает, что выход может быть включен или выключен. То есть правильно переключить схему. Это лишь подтвердит наше название, что микросхема – таймер может обеспечивать как включение, так и выключение любых устройств в автомобиле.
Также, если закоротить ножки 6 и 7, как на схеме на видео (ниже), то таймер сработает и сразу вернется в исходное состояние. В результате он будет циклически повторяться снова и снова по прошествии времени, необходимого для зарядки конденсатора и его разрядки.Иногда на микросхеме NE 555 так выполняют реле электронных указателей поворота. Если ноги 6 и 7 открыты, то таймер сработает один раз и на этом «остановится».
Последнее, что я хотел сказать, это то, что вы должны быть осторожны при редактировании. Подключайте все и вся, только проверив все штыри и контакты схемы. Поскольку сама микросхема NE 555 «хрупкая», защиты в ней нет, и она просто перегорит. В общем, будьте внимательны и ответственны, тогда у вас все получится!
Видео о работе таймера на микросхеме
Для тех, кто не любит читать…autosecret.net
«Умный дом» Сделай сам – Периодический таймер (циклический)
Периодический (циклический) таймер на микроконтроллере Многие из вас знают, но для тех, кто не слышал, что это такое, я Поясню: периодический таймер позволяет включать и выключать нагрузку через заданные промежутки времени. Время работы и время паузы не зависят друг от друга. Такие таймеры используются для автоматизации различных устройств, как на производстве, так и в быту. Несколько примеров использования таких таймеров: Для автоматизации полива газонов, газонов, огородов и т. Д.Чтобы имитировать присутствие хозяев дома, таймер включает и выключает свет в доме, когда их нет. Для автоматизации кормления рыбок в аквариуме. В автомобилях они используются для мигания аварийных огней и поворотов, работы с дворниками. Представляю вашему вниманию очередную разработку периодического таймера на микроконтроллере PIC 12F629. Готовый модуль получился довольно миниатюрным. В этом таймере время включения и выключения устанавливается сразу в прошивке микроконтроллера.Пауза при включении нагрузки может быть установлена от 1 секунды до 23:59:59 (день), включенная нагрузка также может быть установлена от 1 секунды до 23:59:59 (день). Точность включения-выключения модуля гарантируется кварцевым генератором, поэтому, независимо от погодных условий, падения напряжения или других факторов, погрешность не превышает 1 секунды в день! Память энергонезависима и не стирается при выключении питания. На изображениях представлены графики работы модуля, а также в видеоролике вы можете ознакомиться с примером работы таймера (ролик содержит следующие параметры для просмотра: пауза – 5 секунд, вкл – 10 секунд).разработки, вы можете заказать готовую прошивку со своими значениями времени, уже вставленными в саму прошивку или с подробным описанием того, как это сделать самому. Или закажите готовый модуль.Технические характеристики: Напряжение питания, В: 7В-12В Управление: Микроконтроллер Память: Энергонезависимая (МИГАЕТ) Синий светодиод: Работа таймера Зеленый светодиод: Выходы питания: 2 (Один нормально включен, другой – Нормально ВЫКЛ.) Максимальный коммутируемый ток: 10 А. (2200 Вт – 220 В) Габаритные размеры, ДхШхВ, мм: 35x25x15
Закажите прошивку, либо уже прошитый микроконтроллер PIC12F629.
P.S: Выставляю прошивку на повтор, бесплатно. Чтобы прошивка работала правильно, необходимо вбить желаемое время начала (скажем, 22:59:59) и время остановки (скажем, 23:59:59) в EEPROM, начиная с адреса 0x2100, но необходимые числа должны быть преобразуется в формат HEX заранее.
Прошивка
Наведите курсор на изображение, чтобы увеличить.
smart-home.do.am
ЕЖЕДНЕВНЫЙ ТАЙМЕР ВКЛЮЧЕНИЯ / ВЫКЛЮЧЕНИЯ
В современном мире автоматизация проникла буквально во все сферы жизни человека.Иногда нам всем хочется, чтобы бездушная автоматика выполняла за нас скучную рутинную работу – поливала цветы, проветривала комнату, кормила кошку, напоила собаку … устройство, которое сделает все, что от него требуется. А если с паяльником дружит ленивый, то мало что остается, просто создайте эту самую автоматику.
В этой статье мы рассмотрим процесс создания электронного таймера, который будет включать и выключать нагрузку в заданное время. Этот таймер можно использовать по-разному – например, раз в день с его помощью поливать цветы или грядки в саду.Автоматически включайте свет на ночь и выключайте его днем, когда светло, или раз в день наливайте воду в поилку питомца. В целом устройство получается абсолютно универсальным, область применения ничем не ограничена.
Контур включения / выключения суточного таймера
На схеме есть две кнопки управления, пронумерованные «1» и «2». Кнопка «1» устанавливает время включения нагрузки, а кнопка «2» соответственно время выключения. Для лучшего понимания принципа работы рассмотрим следующий пример: есть елочная гирлянда, которую нужно включать в 13:00 каждый день и выключать в 15:00.Это означает, что для установки временных интервалов таймера нужно в 13:00 нажать кнопку «1», при этом реле включится примерно на минуту, затем дождаться 15:00 и нажать кнопку «2». , реле снова включится примерно на минуту, сигнализируя об успешной установке времени. В дальнейшем реле будет автоматически включать гирлянду в 13:00 и выключать в 15:00 каждый день. Мигающий светодиод указывает на то, что устройство находится в рабочем состоянии.
Схема содержит две микросхемы – микроконтроллер Attiny13 и микросхему часов DS1307.Напряжение питания всей схемы 12 вольт. Благодаря линейному регулятору 78l05 на плате микросхемы микросхемы получают необходимые им 5 вольт, а обмотка реле питается от 12 вольт. Маломощный диод, например, 1N4148, следует установить параллельно катушке реле. Реле управления транзистором SS8050 можно заменить любым другим маломощным NPN-транзистором. Кнопки в жгуте микроконтроллера следует брать без фиксации.
Особенность микросхемы часов DS1307 в том, что она может работать от резервного источника питания, если вдруг пропадет основной.Для этого нужно подключить к его контактам 3 и 4 источник питания на 3 вольта, например, батарею CR2032. В этом случае в случае сбоя питания обратный отсчет продолжится, как только снова появится основное питание, устройство продолжит работать в том же режиме, включая и выключая реле в указанные часы. Не забудьте подключить электролитические и керамические конденсаторы параллельно с источником питания как к основным, так и к резервным конденсаторам, чтобы подавить любые помехи. Резистор светодиода, идущий от 7 ножки тактовой микросхемы, можно уменьшить до 0.5 – 1 кОм, то яркость его заметно увеличится.
Перед установкой микроконтроллера на плату его необходимо прошить; файлы прошивки прилагаются к статье. Удобнее всего это сделать с помощью программатора USBASP. При использовании нового, ранее не использовавшегося микроконтроллера, предохранители менять не нужно. С завода микроконтроллеры Attiny13 тактируются от внутреннего генератора с частотой 9,6 МГц, делитель на 8 включен.
Перечень необходимых деталей
Резисторы 0.125 Вт:
- 6,8 кОм (682) – 1 шт.
- 10 кОм (103) – 1 шт.
- 4,7 кОм (472) – 2 шт.
- 3 кОм (302) – 1 шт.
Конденсаторы:
- 100 мкФ (электролитические) – 2 шт.
- 100 нФ (керамика) – 2 шт.
Остальное:
- Микроконтроллер Attiny13 (+ гнездо) – 1 шт.
- Микросхема DS3107 (+ розетка) – 1 шт. Транзистор
- SS8050 – 1 шт.
- Диод 1N4148 – 1 шт.
- Кнопка мгновенного действия – 2 шт.
- Стабилизатор 78л05 – 1 шт.
- Светодиод 3 В – 1 шт.
- Кварц 32768 Гц – 1 шт.
- Реле на 12 вольт – 1 шт.
Фото собранного устройства:
В данной статье речь идет о Циклическом Таймере Задержки Питания для предотвращения коррозии – поршневых машинах советского производства. И хотя таймер разрабатывался автором под конкретные задачи, тем не менее он успешно применяется в других проектах.Аппарат излучает стабильный сигнал определенной частоты и длительности ….
Приложение
На старых эрозионно-поршневых станках советского производства система управления электродами не удобна и не продумана, проще сказать, что ее вообще нет. Это сильно влияет на производительность машины. Это особенно заметно, когда станок работает с большими электродами или глубокими отверстиями. На импортных машинах эта проблема решается системой релаксации электродов, которая на короткое время удаляет электрод, так что отходы выходят в виде обгоревшего металла.Вылет сильно замедляет процесс горения, потому что он является диэлектриком и не может сгореть второй раз.
На панели управления генератора шги63 эрозионного станка есть кнопка разрядного электрода. На основании управления этим ключом наше устройство запускается.
Возможности
Устройство представляет собой таймер, в котором можно установить два параметра:
1) T1 – установка времени срабатывания реле (частоты).
2) T2 – установка времени удержания реле (длительности).
Параметры настройки
Если нажать кнопку «+» или «-» и удерживать кнопку около 3 секунд, индикатор загорится и переключится в режим настройки цикла или продолжительности соответственно. Последующее нажатие кнопок увеличивает или уменьшает значение с шагом 0,1 секунды. При длительном нажатии скорость перебора увеличивается пропорционально времени удержания кнопок. Диапазон регулировки обоих параметров (T1 и T2) – 00.1 – 99,8 секунд. При бездействии более 2 секунд индикатор погаснет и будет выполнена основная программа (управление реле), точка на индикаторе будет мигать одновременно с включением / выключением реле. T1 и T2) хранятся в EEPROM и остаются в памяти при выключении.
Схема устройства .
Устройство построено на базе микроконтроллера PIC 16 F 84 A. Контакты RA4 и RB0 используются для кнопок «+» или «-», которые подключаются через подтягивающие резисторы R9 и R10.Тактовая частота микроконтроллера 4 МГц, с внешним кварцевым резонатором. Выводы RB1-RB7 для сигналов a, b, c, d, e, f, g, выводы RA0, RA2, RA3 для управления знаками семисегментного трехзначного индикатора. Вывод RA1 для управления реле. Транзистор T1 действует как инвертор и управляет точкой второго индикатора, делающей десятые доли секунды.
Печатная плата
Печатная плата выполнена на одностороннем стеклопластике. Треков 0.5мм. Смешанная установка: резисторы smd, размер 0805. Несколько нулевых сопротивлений, размер 0805. Три резистора 0,25Вт (или 0,125Вт). Один диод 1 N 4148. Также необходимо не забыть припаять 4 перемычки. Кварц 4МГц. Семисегментный индикатор с общим катодом. Регулятор напряжения LM 7805 (в корпусе ТО -220) служит для поддержания питания микроконтроллера + 5В. Микроконтроллер установлен в панель DIP 18.
Питание устройства зависит от выбранного реле, в этой схеме при использовании реле HLS6-4100H требуется постоянное напряжение 9-12 вольт.
ЕЖЕДНЕВНЫЙ ТАЙМЕР ВКЛЮЧЕНИЯ / ВЫКЛЮЧЕНИЯ
В современном мире автоматизация проникла буквально во все сферы жизни человека. Иногда нам всем хочется, чтобы бездушная автоматика выполняла за нас скучную рутинную работу – поливала цветы, проветривала комнату, кормила кошку, напоила собаку … устройство, которое сделает все, что от него требуется. А если с паяльником дружит ленивый, то мало что остается, просто создайте эту самую автоматику.
В этой статье мы рассмотрим процесс создания электронного таймера, который будет включать и выключать нагрузку в заданное время.Этот таймер можно использовать по-разному – например, раз в день с его помощью поливать цветы или грядки в саду. Автоматически включайте свет на ночь и выключайте его днем, когда светло, или раз в день наливайте воду в поилку питомца. В целом устройство получается абсолютно универсальным, область применения ничем не ограничена.
Контур включения / выключения суточного таймера
На схеме есть две кнопки управления, пронумерованные «1» и «2».Кнопка «1» устанавливает время включения нагрузки, а кнопка «2» соответственно время выключения. Для лучшего понимания принципа работы рассмотрим следующий пример: есть елочная гирлянда, которую нужно включать в 13:00 каждый день и выключать в 15:00. Это означает, что для установки временных интервалов таймера нужно в 13:00 нажать кнопку «1», при этом реле включится примерно на минуту, затем дождаться 15:00 и нажать кнопку «2». , реле снова включится примерно на минуту, сигнализируя об успешной установке времени.В дальнейшем реле будет автоматически включать гирлянду в 13:00 и выключать в 15:00 каждый день. Мигающий светодиод указывает на то, что устройство находится в рабочем состоянии.
Схема содержит две микросхемы – микроконтроллер Attiny13 и микросхему часов DS1307. Напряжение питания всей схемы 12 вольт. Благодаря линейному регулятору 78l05 на плате микросхемы микросхемы получают необходимые им 5 вольт, а обмотка реле питается от 12 вольт.Маломощный диод, например, 1N4148, следует установить параллельно катушке реле. Реле управления транзистором SS8050 можно заменить любым другим маломощным NPN-транзистором. Кнопки в жгуте микроконтроллера следует брать без фиксации.
Особенность микросхемы часов DS1307 в том, что она может работать от резервного источника питания, если вдруг пропадет основной. Для этого нужно подключить к его контактам 3 и 4 источник питания на 3 вольта, например, батарею CR2032.В этом случае в случае сбоя питания обратный отсчет продолжится, как только снова появится основное питание, устройство продолжит работать в том же режиме, включая и выключая реле в указанные часы. Не забудьте подключить электролитические и керамические конденсаторы параллельно с источником питания как к основным, так и к резервным конденсаторам, чтобы подавить любые помехи. Светодиодный резистор, идущий от 7 ножки микросхемы часов, можно уменьшить до 0,5 – 1 кОм, тогда его яркость заметно увеличится.
Перед установкой микроконтроллера на плату его необходимо прошить; файлы прошивки прилагаются к статье. Удобнее всего это сделать с помощью программатора USBASP. При использовании нового, ранее не использовавшегося микроконтроллера, предохранители менять не нужно. С завода микроконтроллеры Attiny13 тактируются от внутреннего генератора с частотой 9,6 МГц, делитель на 8 включен.
Перечень необходимых деталей
Резисторы 0.125 Вт:
- 6,8 кОм (682) – 1 шт.
- 10 кОм (103) – 1 шт.
- 4,7 кОм (472) – 2 шт.
- 3 кОм (302) – 1 шт.
Конденсаторы:
- 100 мкФ (электролитические) – 2 шт.
- 100 нФ (керамика) – 2 шт.
Остальное:
- Микроконтроллер Attiny13 (+ гнездо) – 1 шт.
- Микросхема DS3107 (+ розетка) – 1 шт. Транзистор
- SS8050 – 1 шт.
- Диод 1N4148 – 1 шт.
- Кнопка мгновенного действия – 2 шт.
- Стабилизатор 78л05 – 1 шт.
- Светодиод 3 В – 1 шт.
- Кварц 32768 Гц – 1 шт.
- Реле на 12 вольт – 1 шт.
Фото собранного устройства:
Elwo.ru
Электротехника: Периодические автоматические выключатели. №
Схема периодического автоматического включения / выключения устройств (в частности, вентилятора для проветривания автомобиля в гараже) уже приводилась в статье «Вентилятор АВТО», но устройство работало некорректно.Более простой и надежный аппарат ИВЛ АВТО можно сделать на таймере 555 (NE555, LM555, KR1006VI и др.). Схема представлена на рисунке:Рисунок 1 – Устройство периодического автоматического переключения нагрузки
Плату удобнее распределить по схеме:
Рисунок 2 – Устройство периодического автоматического переключения нагрузки
Источник питания (для силовой части со стороны реле) может быть, например, сеть 220В, но не обязательно аккумулятор и многое другое.Нагрузкой может быть устройство (вентилятор, лампа и т. Д.), О нагрузке ниже. Реле включает и замыкает источник питания на нагрузку только при низком уровне напряжения на выходе микросхемы, протекающего тока от базы транзистора VT1 будет достаточно, чтобы этот транзистор вошел в насыщение, этот транзистор будет не перегореть, так как обмотка реле имеет достаточное активное сопротивление для того, чтобы ток через транзистор был меньше максимально допустимого для КТ209К: Если вы используете схему выше, то продолжительность работы устройства, подключенного через реле к источнику питания нельзя сделать больше времени, когда устройство не работает.Если нужно, чтобы устройство проработало дольше, то можно воспользоваться схемой:
Рисунок 3 – Устройство периодического автоматического переключения нагрузки
В этой схеме транзистор открывается при наличии высокого уровня напряжения на выходе микросхемы. , максимальный ток коллектора транзистора КТ315 меньше, чем у транзистора КТ209К, но он все равно не сгорит, так как ток через обмотку реле К1 при напряжениях, указанных на схеме, не должен быть более 100 мА.Чтобы определить, какой ток будет протекать через обмотку реле, вы можете измерить сопротивление этой обмотки и разделить напряжение питания на это сопротивление, или вы можете подключить последовательно источник питания, обмотку реле, амперметр (или мультиметр). в режиме миллиамперметра) и посмотреть ток, если он меньше 100мА то можно использовать транзистор кт315, если нет, то нужно поставить транзистор с большим током. Также необходимо посмотреть, какой ток может переключать реле и на какое напряжение оно рассчитано, если подключить слишком мощный прибор или несколько параллельно, то контакты реле могут не выдержать.Чтобы определить, подходит ли устройство или нет, вы можете разделить его мощность на напряжение питания (для сети 220) и посмотреть, меньше ли полученное число тока реле (обычно 5 … 20 А), тогда это реле подходит если нет то вам нужно реле с большим током … То же самое относится ко всем предыдущим схемам реле. Пример работы с вентилятором (вентилятор без лопастей) на видео:
Вы можете рассчитать продолжительность в программе ниже. Для схемы на рис. 3 длительность операции равна длительности импульса, для схемы на рис. 1 и 2 длительность операции равна длительности паузы.Для схем на рисунках 1 и 2 сопротивление R2 представляет собой сумму сопротивлений резисторов R2 и R3:
electe.blogspot.com
Таймер включения и выключения света своими руками
В быту часто бывает необходимо выключить свет через определенное время. В этом есть потребность в кладовых и простых хозяйственных постройках. В свою очередь, и в других случаях, когда необходимо ограничить работу любого электронного устройства во времени, на место будет применен простой цифровой таймер, позволяющий включать или выключать нагрузку через определенный промежуток времени.
Простой цифровой таймер включения и выключения света, который можно собрать своими руками, построен всего на одном интегральном счетчике К561ИЕ16. Известно, что для работы любого счетчика требуется внешний генератор тактовых импульсов. В нашем случае его роль играет простой мигающий светодиод.
Описание схемы работы простого цифрового таймера
При включении таймера конденсатор С1 заряжается через сопротивление R2, в результате чего на выводе 11 ненадолго появляется лог 1, переключающий все счетчик выдает нулевое значение.Транзистор, подключенный к выходу счетчика, откроется и сработает реле, соединив нагрузку своими контактами.
От мигающего светодиода с частотой около 1,4 Гц на тактовый вход (ножка 10) счетчика DD1 поступают импульсы. С каждым падением входного импульса счетчик увеличивается. После 256 импульсов (по времени это займет примерно 256 / 1,4 Гц = 183 сек. Или ~ 3 минуты) на выводе 12 появится лог.1. В связи с этим транзистор закроется, отключив нагрузку.Кроме того, лог.1 с выхода 12 подается на тактовый вход DD1 через диод VD1, тем самым останавливая таймер.
Частоту таймера можно выбрать, подключив точку соединения резистора R3 и диода VD1 к различным выходам DD1. Немного исправив эту схему, можно построить таймер, выполняющий обратную функцию работы. Изменение касается транзистора VT1. Его необходимо заменить на транзистор другой конструкции.
Теперь, когда лог.На выходе появится счетчик 1, транзистор откроется и включит нагрузку. Вместо электрического реле в этой версии возможно включение простого излучателя звука с внутренним генератором, например, HCM1612X. Подключите излучатель с соблюдением полярности.
Детали таймера включения и выключения света
Диоды VD1-VD2 серий KD103, KD522, KD103, KD521, KD102. Транзисторы КТ814А можно поменять на КТ973 или КТ814. Транзистор КТ815А произвольный из серий КТ604, КТ817, КТ815.Помимо счетчика К561ИЕ16 возможно использование его зарубежного аналога CD4020B. Также можно использовать микросхему CD4060, в которой уже есть тактовый генератор, поэтому светодиод и сопротивление R1 можно убрать. Светодиод – мигающий типа ARL5013URCB, L816BRSCB, L56DGD,
Таймер достаточно экономичный по энергопотреблению. Ток, который потребляет таймер, без учета тока реле, составляет около 11 мА.
Источник: «Электронные устройства для уюта и комфорта», А.П. Кашкаров
www.joyta.ru
Таймер на прерывистый режим – Меандр – занимательная электроника
Какова судьба старого холодильника? В зависимости от состояния либо свалка, либо дача. Многие жители небольших городков на лето буквально переезжают жить на дачу. Действительно, а почему бы и нет? До работы немного дальше обычного, а после работы – отдыхает все тело! Важно, чтобы в доме была не совсем «емкость», ну и минимальный набор благ цивилизации, например, холодильник для охлаждения напитков.
Итак, старый, но исправный «Зил» или «Наст» попадает на дачу и летом служит там. Тем не менее, технологии постепенно выходят из строя. И немаловажным фактором ускорения этого процесса являются зимние холода, когда ваш дачный участок «законсервирован» на зиму, и в нем все промерзает до температуры окружающей среды.
Однажды летом можно обнаружить, что холодильник вроде работает, но не выключается, агрегат перегревается, безжалостно замерзает.Видимо неисправен термостат, реле. Заменить эти предметы можно, но не всегда можно найти подходящие запчасти для аппарата 50-летней давности.
Сохранить «летнюю» работоспособность можно, если поручить управлять циклической работой холодильной установки с помощью относительно простого электронного устройства, схема которого приведена на рисунке 1. На практике это таймер на периодически включение / выключение нагрузки. Переменные резисторы позволяют устанавливать длительность включенного и выключенного состояния от 10 минут до 100 минут, отдельно для «включено» и «выключено».Если компрессор старого холодильника (или весь холодильник) подключить к сети через это устройство, то с помощью указанных выше переменных резисторов можно будет установить оптимальное соотношение длительности включенного и выключенного состояния, в котором агрегат не будет перегреваться и морозильная камера не оттаивает.
Схема представлена на рисунке 1. Она состоит из двух регулируемых мультивибраторов на микросхеме D1 и 14-битного двоичного счетчика D2. А также выходное реле и блок питания, который на схеме не показан.
Рассмотрим схему по порядку с момента включения питания.
При включении питания пусковой ток в цепи SZ-R6 предварительно устанавливает счетчик D2 на ноль. Все его многочисленные выходы, включая самый старый (единственный, используемый в этой схеме), установлены на логический ноль. При этом ключевая цепь на VT2 и VTZ замкнута, и на катушку реле К1 напряжение не подается. Когда нагрузка включена или выключена, это зависит от того, какая группа контактов (нормально замкнутые или нормально разомкнутые) входит в разрыв питания нагрузки (контакты реле на схеме не показаны).
В то же время ноль с вывода 3 D2 поступает на вывод 6 мультивибратора D1.1-D1.2, и этот мультивибратор работает, а счетчик считает его выходные импульсы. Второй мультивибратор на элементах D1.3 и D1.4 одновременно не работает, так как транзистор VT1 закрыт и через резистор R7 на вывод 8 D1.4 подается напряжение логической единицы, блокируя мультивибратор.
Таким образом, после включения питания мультивибратор D1.1-D1.2 сначала срабатывает и время обесточенного состояния катушки реле К1 зависит от частоты мультивибратора D1.1-D1.2, который устанавливается переменным резистором R2. Время можно установить от 10 до 100 минут.
По завершении указанного интервала на выводе 3 D2 логический уровень меняется на противоположный. Теперь есть один. Ключ на транзисторах VT2 и VTZ открывается и подает напряжение на обмотку репы К1. Состояние контактов реле, а, следовательно, и состояние питания нагрузки изменяется на противоположное предыдущему.
Блок на выводе 6 D1.2 блокирует мультивибратор D1.1-D1.2, и блок на базе VT1 открывает VT1, и напряжение на выводе 8 D1.4 падает до логического нуля. Мультивибратор Д1.3-Д1.4 запускается. Таким образом, время включения катушки реле К1 зависит от частоты мультивибратора D1.3-D1.4, которая задается переменным резистором R4. Время можно установить от 10 до 100 минут.
Питание от любого стабилизированного источника 12 В.
Реле К1 – автомобильное реле от переднеприводных «ВАЗов».
Регулировка заключается в выборе K1 и RZ для обеспечения регулировки времени в требуемых пределах (частота на выходах мультивибраторов должна регулироваться в пределах 1.36.,. 13,6 Гц).
Вам может быть интересно это:
meandr.org
На нашем сайте, посвященном различным электронным самоделкам, уже несколько раз публиковались схемы простых таймеров. Конечно, они уступают современным промышленным аналогам, где есть отображение, программирование и другие сервисные функции. И вот пришло время разместить схему, которая будет на равных конкурировать с лучшими фирменными дизайнами. Цифровой таймер используется для управления работой электрических устройств по заданному расписанию.Этот программируемый таймер основан на микроконтроллере PIC16F628A, который можно запрограммировать для планирования включения и выключения подключенного к нему электроприбора, которое управляется через реле. Таймер позволяет вручную устанавливать время включения и выключения. Максимальный временной интервал, который можно настроить для включения и выключения, составляет 99 часов 59 минут. Проект разработан с использованием ЖК-дисплея 16×2 и 4 кнопок.
Здесь реле на 5 В управляется транзистором PN2222, который, в свою очередь, управляется RB3 PIC16F628A.Цифровые входы 4 кнопок считываются через порты ввода / вывода RA2, RA3, RA4 и RB0. Стандартный ЖК-дисплей 16 x 2 символа используется для отображения состояния устройства, программы, меню и времени. ЖК-дисплей работает в 4-битном режиме, поэтому для работы необходимы только 6 контактов ввода / вывода PIC16F628A. Пьезоэлектрический зуммер издает звуковой сигнал, когда таймер запускается и останавливается. Также он издает звуковой сигнал при включении или выключении устройства. Напряжение питания на схему поступает от стабилизатора LM7805. На его вход подается 9 В от сетевого адаптера.Светодиодная подсветка улучшает читаемость ЖК-дисплея в условиях низкой освещенности.
Работа таймера и функции кнопок
Таймер получает команды от 4 кнопок. Их функции следующие:
Время: позволяет установить время включения и выключения. Когда таймер изначально включен, устройство выключено и время равно 0. Нажимая эту кнопку, вы можете переключаться между включением и выключением на дисплее.
Выбор: позволяет выбирать между включенными и выключенными параметрами, а также цифрами часов и минут.Выбранная цифра увеличивается нажатием кнопки ВКЛ / ВЫКЛ.
Enter: Когда выбрано соответствующее время, нажатие этой кнопки завершит настройку.
Старт / Стоп: для запуска или остановки таймера. Если он уже включен, вы можете остановить его в любой момент, нажав на эту кнопку.
А теперь посмотрим, как все это работает в жестком режиме. Допустим, устройство, подключенное к реле, нужно включить через 3 минуты. Далее после включения он должен проработать минут 20.В этом случае, как только таймер запустится, устройство включится через 3 минуты и будет оставаться активным в течение 20 минут. Потом снова выключится. Всю прошивку для контроллера и чертеж печатной платы вы можете скачать в архиве.
elwo.ru
Циклический таймер включения-выключения – Меандр – занимательная электроника
Таймер предназначен для циклического включения и выключения исполнительного устройства (ИБ) с заданными временными интервалами, которые можно быстро изменять в диапазоне от 10 до 80 минут с помощью кнопки S1-S3.Дискретность настроек 10 минут. Стартовые предустановки времени включения и выключения нагрузки равны 30 минутам. Таймер снабжен индикацией времени в виде линейки светодиодов (8 светодиодов HL1-HL8), каждый светодиод соответствует 10-минутному интервалу времени. Светодиоды HL9 и HL10 показывают, включено или выключено тестируемое устройство. Возможно, вы скажете, что использовать два диода нецелесообразно, но, поверьте, в этом случае удобнее. Индикация работает следующим образом: например, указанное время работы актуатора составляет 40 минут, а значит, на линейке загорятся светодиоды HL1-HL4.Через 10 минут один светодиод погаснет, еще через 10 минут – еще один светодиод погаснет и т. Д., Пока не пройдет заданное время. Далее загорится индикатор HL10, исполнительное устройство выключится, а индикаторы HL1-HL8 отобразят установленное время выключения.
Как упоминалось ранее, временные интервалы можно быстро изменить с помощью кнопок S1-S3. Делается это следующим образом: нажимаем кнопку «SET», индикаторы HL9 начинают мигать, при повторном нажатии кнопки «SET» мигает HL10, т.е.Таким образом, мы выбираем режим, в котором необходимо внести изменения. Изменения необходимо вносить, пока индикатор мигает. Если ни одна кнопка не нажата, то примерно через 14 секунд устройство выйдет из предустановленного режима, а линейный индикатор снова отобразит время, которое осталось до переключения ИУ в противоположное состояние.
Микросхема представляет собой микроконтроллер Atmel Attiny2313. Все светодиоды зеленые – AL307VM, AL307GM или аналогичные импортные. Электромагнитное реле – любое реле малой мощности с питанием обмотки 12 вольт, например ЛКС1аФ-12В, Г5ПА-1.
| period_gen_v1.1.rar (Скачиваний: 211) | Прошивка, первая версия |
| period_gen_v1.1a.rar (Скачиваний: 116) | обновлена и улучшена прошивка для таймера (версия 1.1a): параметры интервалов сохраняются в EEPROM, поэтому теперь при подключении питания они сохраняются не требует повторной настройки. При настройке интервалов дважды менялась частота мигания светодиодов – теперь, на мой взгляд, это выглядит немного лучше. |
| period_gen_v1.1b.rar (Скачиваний: 103) | в этой версии (v1.1b) время включения задается в десятках секунд, а время выключения – в десятках минут (т.е. От 10 до 80 секунд, а в выключенном состоянии от 10 до 80 минут). |
| periodgenv1.1c.rar (Скачиваний: 101) | Версия: 1.1c – Интервалы включения задаются в часах, а время выключения – в десятках минут. Предустановленные параметры сохраняются в EEPROM. |
Обращаю ваше внимание на то, что установка предохранителей поменялась на новые версии.
Принцип действия, схема подключения и рекомендации по настройке
Таймер управления освещением – незаменимый прибор для дома, дачи, торгового центра, объектов наружной рекламы. Он автоматически включает и выключает свет (лампы, освещение, рекламные щиты) в указанное время. Многие таймеры сегодня оснащены функциями датчика движения и фотореле, которое автоматически включает освещение с наступлением темноты.
Как выбрать таймер управления освещением
Для одной или трех ламп достаточно устройства с максимальной нагрузкой 6 Ампер, мощный прожектор будет управлять таймером на 10 Ампер, а для оптимизации работы осветительных приборов в на весь дом или в несколько уличных фонарей следует покупать таймер не менее 20 Ампер.Точная максимальная нагрузка, которую должен выдержать ваш таймер, рассчитывается следующим образом: сложите мощность подключаемых устройств (в ваттах), разделите на стандартное напряжение 220 вольт и получите оптимальное количество ампер.
Важно! Таймер управления освещением должен быть установлен в месте, недоступном для света от каких-либо осветительных приборов. В противном случае освещение никогда не выключится автоматически.
Механические устройства управления освещением «различают» только время суток, более дорогие электронные «знают» дни недели и даже месяцы.В случае отключения электроэнергии механические таймеры вовремя останавливаются, а электронные таймеры еще на полгода смогут точно сказать, сколько сейчас времени.
Устройства можно использовать для затемнения света в саду, во всем доме или в отдельных комнатах, на лестницах, в аквариумах. Любители путешествий, чей дом часто пустует, пользуются сторожевым таймером. Он случайным образом включает и выключает свет в комнатах и имитирует присутствие людей.
Подключение
Обычно для простых устройств управления освещением питание подается сверху, а переключение происходит с нижних контактов, то есть непосредственно управляя освещением.Если клеммы расположены в одном ряду, первые две отвечают за «ноль» и «фазу», остальные клеммы отвечают за включение, выключение и переключение контактов. Синий провод традиционно означает «0», красный – «фаза», коричневый провод отвечает за вывод на лампочку. Перемычка между группой клемм «ноль фазы» и группой контактов также должна быть запитана.
В аппарате любой фирмы есть кнопка времени, удерживая которую можно установить текущую дату.Вам необходимо настроить параметры работы цифрового устройства управления освещением с помощью кнопки «Программы». Первое нажатие позволит вам установить время включения света, второе нажатие выключит его. Горящая кнопка «Вкл.» Будет указывать на то, что таймер управления освещением теперь работает в автоматическом режиме, который был запрограммирован. Если в программе нужно указать полночь, лучше выбрать значение часа 23.59 или 00.01, чтобы программа работала без перебоев.
Важно! Устройства управления светом имеют автоматическое время выдержки, свет не включается / выключается сразу.Это нужно для того, чтобы не было ложных срабатываний, например, от фар проезжающего автомобиля.
Видео на обзор:
Электронное реле времени предназначено для отсчета временных интервалов, автоматического включения / выключения различного электрооборудования (освещение, обогрев и т. Д.) В заданный интервал времени в течение повторяющегося недельного цикла.
Например:
для включения и выключения освещения двора, парка или улицы;
для включения и выключения ночного освещения лестничных клеток многоквартирных домов;
для включения и отключения рекламных вывесок и витрин в ночное время;
для контроля включения электрического отопления в доме;
для автоматического полива растений;
для создания эффекта нахождения в доме
Питается от бытовой электросети с напряжением 220 Вольт (возможен заказ реле на напряжение 12, 24, 36, 110 Вольт).
Вы можете запрограммировать на всю неделю или любой день недели один или несколько раз включения и выключения в течение дня.
Все данные отображаются на жидкокристаллическом дисплее.
Когда блок питания отключен, он сохраняет режим программирования благодаря встроенному аккумулятору.
Срок службы реле времени от трех до пяти лет.
Характеристики
| Параметр | Значение |
| Номинальное рабочее напряжение | 220 В |
| Частота сети | 50/60 Гц |
| Остается в рабочем состоянии, когда напряжение питания находится в пределах | 180–250 В |
| Потребляемая мощность реле | не более 2ВА |
| Допустимый ток переключающего контакта с резистивной нагрузкой | 16A |
| Допустимый ток переключающего контакта при реактивной нагрузке | 8A |
| Минимальный шаг программирования | 1 минута |
| Максимальный шаг программирования | 168 часов |
| Количество программ включения / выключения | 16 циклов |
| Механическая износостойкость, циклы включения / выключения | 10⁷ |
| Электрическая износостойкость, циклы включения / выключения | 10⁵ |
| Время сохранения данных программирования, при отключении питания | до 150 часов |
| Точность хода часов днем, при температуре + 25 ° С | ≤ 1 секунда |
| Габаритные размеры (ВхШхГ), мм | 86.5x36x65,5 |
| Диапазон рабочих температур, ° С | -10 ° C ~ + 40 ° C |
| Относительная влажность | 35 ~ 85% |
Установка на DIN-рейку (требуется два модуля S-типа) размером с двухфазный автоматический выключатель.
Работать в закрытом помещении с искусственным регулированием вентиляции и отопления.
Лицевая панель реле времени
Назначение кнопок управления и индикации реле времени
| Назначение кнопок и индикации | Надпись |
| Индикация включения контактов | НА |
| Кнопка программирования | |
| Кнопка настройки дня недели | D + |
| Кнопка установки часов | H + |
| Кнопка установки минут | М + |
| Кнопка настроек и текущего времени | |
| Кнопка сброса всех данных | СБРОС |
| Кнопка управления режимом (ВКЛ, АВТО, ВЫКЛ) | РУКОВОДСТВО |
Жидкокристаллический дисплей
Данные ЖК-дисплея
Вверху дисплея:
дней недели
МО – понедельник; ТУ – вторник; WE – среда; TH – четверг; FR – Пятница; SA – суббота; SU – Воскресенье.
День недели устанавливается с помощью кнопки D +
В центре дисплея:
текущее и программируемое время
Настройка времени осуществляется кнопками H + и M +
At внизу слева на дисплее:
номера циклов включения и выключения
ON – включены; ВЫКЛ. – отключено; цифры из 1 до 16 – номер цикла.
Настройка цикла выполняется кнопкой.
В правом нижнем углу дисплея:
режим управления
ВКЛ – включен постоянно; AUTO – автоматический режим; ВЫКЛ. – отключено постоянно.
Режим управления устанавливается кнопкой РУЧНОЙ
Настройка реле времени
Рекомендуется запускать с кнопки RESET ( нажимаем аккуратно тонкой отверткой, усилий не требуется). После нажатия дисплей затемняется с последующим отображением всех элементов, все настройки и текущее время сбрасываются.
Цепь таймера на счетчике К561ИЕ16 |
Конструкция выполнена только на одной микросхеме К561ИЕ16 … Так как для ее корректной работы необходим внешний генератор тактовых импульсов, в нашем случае мы заменим его простым мигающим светодиодом.
Как только мы подадим напряжение на схему таймера, емкость C1 начнет заряжаться через резистор R2 , поэтому на выводе 11 на короткое время отобразится логическая единица, сбрасывающая счетчик.Транзистор, подключенный к выходу счетчика, откроется и включит реле, которое подключит нагрузку через свои контакты.
При мигании светодиода с частотой 1,4 Гц на тактовый вход счетчика поступает импульсов. Счетчик считает каждую разность импульсов. Через 256 импульсов или примерно три минуты на выводе 12 счетчика появится уровень логической единицы, и транзистор закроется, отключив реле и через его контакты переключится нагрузка.Кроме того, эта логическая единица переходит на вход тактовой частоты DD, останавливая таймер. Время работы таймера можно выбрать, подключив точку «A» схемы к различным выходам счетчика.
Схема таймера выполнена на микросхеме КР512ПС10 , имеющей в своем внутреннем составе двоичный счетчик-делитель и мультивибратор. Подобно обычному счетчику, эта микросхема имеет коэффициент деления от 2048 до 235
0. Выбор необходимого коэффициента устанавливается путем подачи логических сигналов на управляющие входы M1, M2, M3, M4, M5.
Для нашей схемы таймера коэффициент деления равен 1310720. В таймере есть шесть фиксированных интервалов времени: полчаса, полтора часа, три часа, шесть часов, двенадцать часов и день часа. Рабочая частота встроенного мультивибратора определяется номиналами резистора R2 и конденсатора C2 … При переключении переключателя SA2 частота мультивибратора меняется, а через счетчик-делитель и время интервал.
Цепь таймера запускается сразу после включения питания, или вы можете нажать тумблер SA1, чтобы сбросить таймер. В исходном состоянии девятый выход будет уровнем логической единицы, а на десятом инверсном выходе, соответственно, нулем. В результате к транзистору VT1 подключают светодиодную часть оптотиристоров DA1, DA2 … Тиристорная часть имеет встречно-параллельное включение, это позволяет регулировать переменное напряжение.
По завершении отсчета девятый выход установится на ноль и отключит нагрузку.А на выходе 10 появится единица, которая остановит счетчик.
Цепь таймера запускается нажатием одной из трех кнопок с фиксацией временного интервала, при этом запускается обратный отсчет. Параллельно с нажатием кнопки загорается светодиод, соответствующий кнопке.
В конце временного интервала таймер подает звуковой сигнал. Последующее нажатие отключит цепь. Временные интервалы меняются рейтингами радиодеталей R2, R3, R4 и C1 .
Схема таймера , обеспечивающая задержку выключения, показана на первом рисунке. Здесь p-канальный транзистор (2) подключен к цепи питания нагрузки, а n-канальный транзистор (1) управляет ею.
Схема таймера работает следующим образом. В исходном состоянии конденсатор С1 разряжен, оба транзистора закрыты и нагрузка обесточена. При кратковременном нажатии на кнопку «Пуск» затвор второго транзистора подключается к общему проводу, напряжение между его истоком и затвором становится равным напряжению питания, он мгновенно открывается, подключая нагрузку.Возникающий на нем скачок напряжения через конденсатор С1 идет на затвор первого транзистора, который также открывается, поэтому затвор второго транзистора останется подключенным к общему проводу даже после отпускания кнопки.
По мере того, как конденсатор C1 заряжается через резистор R1, напряжение на нем растет, а на затворе первого транзистора (относительно общего провода) уменьшается. Через некоторое время, в зависимости от емкости конденсатора С1 и сопротивления резистора R1, оно уменьшается настолько, что транзистор начинает закрываться и напряжение на его стоке возрастает.Это приводит к снижению напряжения на затворе второго транзистора, поэтому последний также начинает закрываться и напряжение на нагрузке падает. В результате напряжение на затворе первого транзистора начинает уменьшаться еще быстрее.
Процесс идет лавинообразно, и вскоре оба транзистора закрываются, обесточивая нагрузку, конденсатор C1 быстро разряжается через диод VD1 и нагрузку. Устройство готово к повторному запуску. Так как полевые транзисторы сборки начинают открываться при напряжении затвор-исток 2.5 … 3 В, а максимально допустимое напряжение между затвором и истоком составляет 20 В, устройство может работать при напряжении питания от 5 до 20 В (номинальное напряжение конденсатора С1 должно быть на несколько вольт больше напряжения питания ). Время задержки выключения зависит не только от параметров элементов C1, R1, но и от напряжения питания. Например, увеличение питающего напряжения с 5 до 10 В приводит к его увеличению примерно в 1,5 раза (при значениях элементов, указанных на схеме, оно составило 50 и 75 с соответственно).
Если при закрытых транзисторах напряжение на резисторе R2 оказывается больше 0,5 В, то его сопротивление необходимо уменьшить. Устройство, обеспечивающее задержку включения, можно собрать по схеме, показанной на рис. 2. Здесь транзисторы сборки включаются примерно так же, но напряжение на затворе первого транзистора и конденсаторе С1 запитывается через резистор R2. В исходном состоянии (после подключения источника питания или после нажатия кнопки SB1) конденсатор С1 разряжен и оба транзистора закрыты, поэтому нагрузка обесточена.Когда он заряжается через резисторы R1 и R2, напряжение на конденсаторе повышается, и когда оно достигает примерно 2,5 В, первый транзистор начинает включаться, падение напряжения на резисторе R3 увеличивается, и второй транзистор также начинает включаться. Когда напряжение на нагрузке возрастает настолько, что включается диод VD1, напряжение на резисторе R1 возрастает. Это приводит к тому, что первый транзистор, а после него второй, открываются быстрее и устройство переходит в открытое состояние, замыкая цепь питания нагрузки
.Схема таймера – перезапуск, для этого нужно нажать кнопку и удерживать ее в этом состоянии 2… 3 с (этого времени достаточно для полного разряда конденсатора С1). Таймеры смонтированы на печатных платах из стекловолоконной фольги с одной стороны, чертежи которых показаны соответственно на рис. 3 и 4. Платы предназначены для использования диода серии КД521, КД522 и деталей. для поверхностного монтажа (резисторы П1-12 типоразмера 1206 и конденсатор из оксида тантала). Настройка устройств сводится в основном к подбору резисторов для получения необходимой выдержки времени.
Описанные устройства предназначены для подключения к положительному силовому кабелю нагрузки. Однако, поскольку сборка IRF7309 содержит оба типа канальных транзисторов, таймеры можно легко адаптировать для подключения к отрицательному проводу. Для этого следует поменять местами транзисторы и поменять полярность включенных диода и конденсатора (разумеется, это также потребует соответствующих изменений в чертежах печатной платы). Следует отметить, что при длинных соединительных проводах или отсутствии конденсаторов в нагрузке возможно наведение на этих проводах и неконтролируемое включение таймера.Для повышения помехозащищенности к его выходу необходимо подключить конденсатор емкостью несколько микрофарад с номинальным напряжением не менее напряжения питания.
Цепь таймера на пять минут |
Если временной интервал превышает 5 минут, устройство можно перезапустить и снова продолжить счет.
После короткого замыкания SВ1 начинает заряжаться емкость С1, подключенная к коллекторной цепи транзистора VT1.Напряжение с С1 идет на усилитель с высоким входным сопротивлением на транзисторах VT2- VT4 … Его нагрузка представляет собой светодиодный индикатор, попеременно включающийся через минуту.
Конструкция позволяет выбрать один из пяти возможных временных интервалов: 1,5, 3, 6, 12 и 24 часа … Нагрузка подключается к сети переменного тока в начале отсчета времени и отключается в конце отсчета времени. время. Временные интервалы задаются с помощью делителя частоты прямоугольных сигналов, генерируемых RC-мультивибратором.
Мастер-генератор выполнен на логических компонентах DD1.1 и DD1.2 микросхемы K561LE5 … Частота генерации формируется RC-цепочкой на R1, C1 … Точность хода регулируется в течение наименьшего временного интервала, путем выбора сопротивления R1 (временно, при настройке рекомендуется заменить его на переменное сопротивление). Для создания необходимых временных диапазонов импульсы с выхода мультивибратора поступают на два счетчика DD2 и DD3, в результате чего осуществляется частотное деление.
Эти два счетчика – К561ИЕ16 соединены последовательно, но для одновременного обнуления выводы обнуления соединены вместе. Сброс осуществляется переключателем SA1. Другой тумблер SA2 выбирает требуемый временной диапазон.
При появлении логической единицы на выходе DD3 она поступает на вывод 6 DD1.2, в результате чего генерация импульсов мультивибратором заканчивается. При этом сигнал логической единицы следует на вход инвертора DD1.3, к выходу которого подключен VT1.Когда на выходе DD1.3 появляется логический ноль, транзистор закрывается и выключает светодиоды оптопар U1 и U2, а это выключает симистор VS1 и подключенную к нему нагрузку.
При сбросе счетчиков на их выходах устанавливаются нули, в том числе и на выходе, на котором установлен переключатель SA2. На вход DD1.3 также подается ноль и соответственно на его выход единица, подключающая нагрузку к сети. Таким же образом на входе 6 DD1.2 будет установлен нулевой уровень, при котором запустится мультивибратор, а таймер начнет обратный отсчет.Таймер питается от бестрансформаторной схемы, состоящей из компонентов C2, VD1, VD2 и C3.
Когда переключатель SW1 замкнут, конденсатор C1 начинает медленно заряжаться через сопротивление R1, и когда уровень напряжения на нем составляет 2/3 от питающего, на это среагирует триггер IC1. В этом случае напряжение на третьем выводе упадет до нуля, и цепь с лампочкой разомкнется.
Если сопротивление резистора R1 составляет 10 МОм (0,25 Вт), а емкость C1 составляет 47 мкФ x 25 В, время работы устройства составляет около 9 с половиной минут, при желании его можно изменить, регулируя значения. Из R1 и C1.Пунктирной линией на рисунке обозначено включение дополнительного переключателя, с помощью которого можно включить цепь с помощью лампочки даже при замкнутом тумблере. Ток покоя конструкции всего 150 мкА. Транзистор BD681 – композитный (Дарлингтона) транзистор средней мощности. Можно заменить на BD675A / 677A / 679A.
Эта схема таймера на микроконтроллере PIC16F628A позаимствована с хорошего португальского сайта электроники. Микроконтроллер тактируется от внутреннего генератора, который можно считать достаточно точным на данный момент, поскольку контакты 15 и 16 остаются свободными, для еще большей точности работы можно использовать внешний кварцевый резонатор.
У делового человека непременно возникнет потребность автоматизировать какие-то процессы со временем. Включение света для птицы, дополнение теплицы, кормление домашних животных, включение и выключение электроприборов в определенное время. Все те процессы, которые не требуют прямого вмешательства человека и могут быть успешно автоматизированы. Сегодня мы поговорим о том, как настроить розетку с механическим и электронным таймером. Мы предоставим инструкции с видео-примерами, чтобы вы могли наглядно увидеть процесс настройки.
Механический
Сердце таймера – барабан с установленными на нем рычагами переключателей. Барабан приводится в движение микромотором. Актуатор представляет собой микровыключатель с одной парой контактов. Большой популярностью пользуются розетки с циклом 24 часа, их еще называют суточным таймером. Как правило, один час делится на четыре части по пятнадцать минут каждая.
Как видно на фото, конструкция сокета Feron TM50 довольно примитивна. Настройка такого таймера сводится к установке переключателей на барабане в правильном порядке в определенном секторе времени и принудительной ручной установке текущего времени путем прокрутки барабана по часовой стрелке до стрелки указателя.Сбоку реле есть выключатель принудительного включения нагрузки. Попробуем на небольшом примере узнать, как настроить механическую розетку с таймером модели Feron TM50.
На этой диаграмме время работы фильтрующего насоса в бассейне распределено в сутки:
- Блюда не подаются с часу ночи до двух.
- Через две ночи насос включается на пятнадцать минут.
- С четырех до пяти он выключен.
- На 6.00 минут пятнадцать, фильтр бассейна работает.
- Затем это происходит в девять и двенадцать часов, снова на пятнадцать минут.
- В 15.00 пловцы включают насос на тридцать минут.
- В шесть и девять вечера мы заставляем насос работать на тридцать минут.
- И последний цикл в двенадцать ночи, фильтруем воду 15 минут.
Есть возможность сэкономить, если правильно настроить розетку с таймером и при этом использовать двухтарифный счетчик электроэнергии.
По настройкам на диаграмме становится понятно, что потребитель отключается в часы пиковых тарифов, когда цена за киловатт потребляемой энергии составляет полторы обычной цены. С восьми утра до одиннадцати аппарат выключен. Так что во время вечерней спешки с восьми до десяти вечера. В остальное время розетка с таймером держит потребителя включенным.
Подробнее о том, как настроить механическую розетку с таймером, вы можете узнать из видео ниже:
Еще одна популярная модель от Feron – TM32.Об особенностях настройки данной розетки также рассказано в видеообзоре:
Электронный
На примере модели TM24 рассмотрим, как настроить электронную розетку с таймером.
При первом включении необходимо оставить устройство на 12-14 часов в розетке для зарядки встроенного аккумулятора.
Функции кнопок:
Этот программатор может настроить двадцать программ включения и выключения.
Как видно из диаграммы – пункт 1, установка программы возможна с понедельника по воскресенье. То есть он включался и выключался одновременно. Настройка индивидуальных программ по дням недели со 2-го по 8-й пункт. Комбинация программы в будние дни с понедельника по пятницу пункт 9 или только в выходные (суббота и воскресенье) пункт 10. На шесть дней в неделю пункт 11. Через день, понедельник, среда, пятница, пункт 12. Вторник, четверг , Суббота, пункт 13.Три дня подряд точки 14 и 15.
Чтобы начать пользоваться розеткой, необходимо сначала установить текущее время. В течение 5 секунд необходимо удерживать SET, пока не начнет мигать день недели. Используйте кнопки ВПРАВО или ВЛЕВО, чтобы установить желаемый день. Повторное нажатие и удерживание кнопки SET приводит к установке часов. Используйте ВПРАВО или ВЛЕВО, чтобы установить желаемое время. Повторяем ту же процедуру для установки минут.
Теперь можно приступить к настройке программы. Это можно сделать следующим образом:
- Нажмите и удерживайте ВПРАВО, пока не появится «1_ON», это первый таймер.
- После этого нажмите и удерживайте кнопку SET, пока дни недели не начнут мигать, используйте кнопки ВПРАВО или ВЛЕВО для выбора желаемого дня или комбинации дней.
- Затем, используя SET, выберите часы и ВПРАВО или ВЛЕВО желаемое значение, и так далее с минутами.
- Затем повторяем операцию, удерживая ВПРАВО, пока не появится значение «ВЫКЛ_1».
- Повторяем настройку аналогично пункту выше, выставляем день, час и минуты.
- Чтобы выйти из режима программирования, нажмите CLK.
Нажмите кнопку MANUAL, чтобы сбросить текущие настройки программы и установить новые параметры. Для принудительного включения или выключения таймера существует функция «РУЧНОЙ», которая имеет три режима: «РУЧНОЙ-ВЫКЛ», «РУЧНОЙ-ВКЛ», «РУЧНОЙ-АВТО». В режиме ВЫКЛ таймер не выполняет программы и находится в выключенном состоянии. В режиме ON устройство находится в принудительном положении, а в режиме AUTO выполняются программы.
Есть интересная кнопка RND для имитации присутствия человека у розетки.Эта функция представляет собой плавающий таймер, который произвольно изменяется от двух минут до получаса. Выработка временного интервала ведется с учетом опережения. Включение электроприборов строго не привязано к определенной минуте, что может запутать воров, пытающихся выяснить, дома ли люди или нет.
Инструкция по настройке параметров электронной розетки представлена в видео ниже:
Настройка остальных розеток с таймером не отличается от алгоритма установки, описанного в примере, и не должна вызывать никаких затруднений.Не забудьте установить часы на зимнее и летнее время для более корректной работы устройства.
Мы надеемся, что наши инструкции были понятны и полезны для вас. Теперь вы знаете, как настроить розетку с механическим и электронным таймером!
В ситуациях, когда необходима возможность непостоянной подачи питания на объекты потребления электроэнергии, в системе устанавливаются реле времени, датчики движения, фотоэлементы или астрономический таймер.
В ситуациях, когда необходима возможность непостоянной подачи питания на объекты потребления электроэнергии, в системе устанавливаются реле времени, датчики движения, фотоэлементы или астрономический таймер.
Астрономический таймер – это программируемое электронно-механическое устройство для включения или выключения питания участка цепи в запрограммированном режиме.
В основном используется для включения / выключения освещения в зависимости от восхода / заката. Также его можно использовать для любых других целей, где необходимо «дозировать» подачу электроэнергии.
Схема астрономического таймера показана ниже:
- Клеммы питания
- Группа выходных контактов
- ЖК-дисплей
- Панель программирования приборов
Принцип работы таймера довольно прост.Механический таймер устанавливается нажатием соответствующих кнопок. Электронный программируемый. На дисплее отображается меню устройства. Переключение между точками, ввод координат локации осуществляется с помощью клавиш на панели программирования. В инструкции к астрономическому таймеру подробно разъясняются все нюансы настройки таймера, как электронного, так и механического.
Обязательно ознакомьтесь с инструкцией к устройству.
Подключить астрономический таймер может любой пользователь устройства.Достаточно прочитать инструкцию и владеть электротехникой.
Подключение астрономического таймера
Схема подключения астрономического таймера проста и не должна вызывать затруднений и вопросов.
Контакты питания – 1 и 2.
Выходные клеммы – 3 и 5.
Фазовые провода всегда обрываются, на прямую подаётся ноль.
Фазный провод от электрощита подключается к выводу 4.
Клеммы 5 и 3 соединены с клеммой 4.
При переключении одной цепи клемма 5 должна быть свободна.
Перед установкой астрономического таймера важно знать погрешность времени, насколько точно вы можете установить время. Зная эти нюансы работы и настройки устройства, вы будете уверены в надежности его функциональности.
वर्तमान खपत, वोल्टेज, वाट क्षमता और प्रकाश उत्पादन। एक एलईडी के लिए प्रतिरोध की गणना कैसे करें
एलईडी निस्संदेह सबसे किफायती प्रकाश स्रोत हैं, केवल सूरज की रोशनी सस्ती है। लेकिन उनकी अर्थव्यवस्था के बावजूद, कुछ नमूने काफी भयानक हो सकते हैं। और फिर भी, एक एलईडी कितनी बिजली की खपत करता है?
डिवाइस की “ग्लूटोनी” सीधे इसकी चमक पर निर्भर करती है।
प्रकाश उत्सर्जक क्रिस्टल 2.8 – 3,5 В (चमक के रंग के आधार पर) के वोल्टेज पर काम करता है। डायोड के क्रिस्टल के अंदर एक पीएन जंक्शन होता है, जब करंट गुजरता है, जिससे प्रकाश उत्सर्जित होता है। कितने वोल्ट काम करते हैं यह इस बात निर्भर करता मॉड्यूल मैट्रिक्स पर किस से जुड़े हैं। यह 3В या 12В हो सकता है।
एलईडी के प्रकार के आधार पर खपत
सूचक
संकेतक डायोड कम वर्तमान खपत वाले कम बिजली के उपकरण हैं। नाम से पहले से ही यह स्पष्ट रोशनी के लिए अभिप्रेत नहीं हैं, लेकिन संचालन को इंगित करने के लिए।
इस वर्ग के उत्पादों की वर्तमान खपत 20 мА अधिक नहीं है, 3 В प्रति घंटे के वोल्टेज पर, उनके संचालन के दौरान बिजली की खपत केवल 0.06 Вт या निरंतर चमक के 0,5 кВт प्रति वर्ष से थोड़ा अधिक होगी।
प्रकाश
संकेतक के विपरीत, प्रकाश व्यवस्था के लिए मॉडल क्षेत्र पी-एन संक्रमण, और, तदनुसार, प्रकाश उत्सर्जक सतह चमक का क्षेत्र काफी अधिक है। क्रिस्टल की वर्तमान खपत 150–300 एमए हो सकती है, 3.3 वी की आपूर्ति वोल्टेज के साथ, यह 0.5 से 1 डब्ल्यू तक है।
उच्च-शक्ति डायोड में, कई तत्व एक मैट्रिक्स। फ्लडलाइट्स में उपयोग किए जाने वाले एलईडी मैट्रिक्स की शक्ति कई तक पहुंच सकती है।
एलईडी उपकरणों के लिए आपूर्ति वोल्टेज
मॉड्यूल की चमक और शक्ति के बावजूद, वे सभी एलईडी मैट्रिसेस से इकट्ठे होते हैं, जो 3.3V बिजली की आपूर्ति के लिए डिज़ाइन किए गए हैं। उच्च-शक्ति मॉड्यूल के लिए, 12 वी से 24 वी तक बिजली की आपूर्ति के साथ कनेक्शन के विभिन्न संयोजनों किया जाता है। वर्तमान लोड को कम करने के लिए यह एक आवश्यक उपाय है।
निम्नलिखित स्थिति पर विचार करें:
एक 50 Вт प्रकाश स्रोत की आवश्यकता है। इसे बनाने के लिए, पचास एक-वाट मॉड्यूल की आवश्यकता होती है। यदि वे सभी समानांतर में जुड़े हुए हैं, तो आपूर्ति वोल्टेज केवल 3,3 В होगा, लेकिन सर्किट में वर्तमान 50 x 0,3A = 15 एम्पीयर तक पहुंच जाएगा। यह बहुत, बहुत ज्यादा है।
एक अपार्टमेंट में सभी बिजली के उपकरण, एक ही समय में चालू होने पर, शायद ही कभी 10-15 से अधिक एम्पीयर की आवश्यकता होती है। उच्च धारा कंडक्टरों के माध्यम से महत्वपूर्ण गर्मी की ओर जाती है, और ऐसी इकाई को बिजली लिए, एक उंगली-मोटी मल्टीकोर तांबे की केबल की आवश्यकता होगी।
सर्किट में वर्तमान को कम करने के लिए, एलईडी मॉड्यूल श्रृंखला में जुड़े हुए हैं। क्लासिक वायरिंग आरेख में, ऊपर चर्चा की गई डिवाइस आठ चरणों से मिलकर बनेगी, 24V की आपूर्ति वोल्टेज के साथ छह-जुड़े एलईडी शामिल हैं। फिर लोड पावर केवल 8 х 0.3А = 2,4 А. होगी और यह पहले से ही मोबाइल लिए साधारण चार्जिंग की शक्ति से नहीं है।
डायोड पर घरेलू उपकरणों की आपूर्ति वोल्टेज
एलईडी टॉर्च
डायोड रोशनी चमक और शक्ति में काफी भिन्न होती है। इसलिए, यह कहना मुश्किल है कि एक एलईडी लाइट बल्ब में कितने वोल्ट हैं।
एक साधारण घरेलू टॉर्च में, एक उज्ज्वल 3,3 В डायोड स्थापित किया गया है। विशेष सर्किट के उपयोग के लिए धन्यवाद जो वोल्टेज को बढ़ाते हैं, वे आराम से एक 1.2 वी उंगली बैटरी या 1.8 वी बैटरी से संचालित होते हैं।
उच्च चमक फ्लैशलाइट में कितने वोल्ट एलईडी हैं? विशेष प्रयोजनों के लिए सिग्नल लाइट 3.3–4,7 В की आपूर्ति वोल्टेज और 2000 мА तक की वर्तमान वोल्टेज के साथ विशेष डायोड सरणियों से सुसज्जित हैं।
उन्हें पावर देने के लिए पावरफुल 3,7 В लिथियम बैटरी का इस्तेमाल किया जाता है।
एलईडी स्ट्रिप्स
टेप की वोल्टेज की आपूर्ति और इसकी शक्ति का उपयोग एलईडी के निर्भर करता है।
| एलईडी प्रकार | रैखिक मीटर प्रति डायोड की संख्या, पीसी | आपूर्ति वोल्टेज, वी | लोड वर्तमान, ए | पावर 1 मी, डब्ल्यू |
|---|---|---|---|---|
| 3528 | 60 | 12 | 0,4 | 4,8 |
| 3528 | 120 | 12 | 0,8 | 9,6 |
| 3528 | 240 | 12 | 1,6 | 19,2 |
| 5050 | 30 | 12 | 0,6 | 7,2 |
| 5050 | 60 | 12 | 1,2 | 14,8 |
| 5050 | 120 | 12 | 2,4 | 29 |
| 5050 | 240 | 24 | 2,4 | 58 |
नए साल की छुट्टियां हमेशा अप्रत्याशित रूप से आती हैं और अपने साथ बहुत सुखद मुसीबतें लेकर आती हैं। यह उपहारों के बारे में सोचने समय है, सबसे पहले बच्चों के लिए, टेबल सेट करने के लिए लिए, अच्छा संगीत उठाएं और एक क्रिसमस ट्री लगाना करें जिसे आप तैयार कर सकें मज़े और आराम कर सकें। और पेड़ पर लटकने वाली पहली चीज, निश्चित रूप से, क्रिसमस का पेड़ माला है। अन्य सभी खिलौनों को आमतौर पर माला के बाद लटका दिया जाता है। अगला, हम विभिन्न नए साल की माला की एक विस्तृत विविधता उपकरण के बारे में बात करेंगे – पुराने और आधुनिक।
पुराने दिनों में, जब बिजली नहीं थी, लेकिन नया साल पहले से ही मनाया जाता है, पेड़ पर विशेष नए साल की मोमबत्तियां जलाई गई थीं। यह सजावट बहुत खतरनाक थी। लेकिन ये समय पहले ही बीत चुका है, हर कोई बिजली की माला का इस्तेमाल करने लगा।
ये पॉकेट टॉर्च से या रेडियो एक बैकलाइट से साधारण छोटे बल्ब थे, जो श्रृंखला में जुड़े हुए थे। इस तरह के बल्बों से, उत्साही लोगों द्वारा मुख्य रूप से अपने हाथों से माला बनाई जाती थी। उन्होंने बस अपने हाथों में एक लोहा लिया, जो निश्चित रूप से जानता था कि इसका उपयोग कैसे करना है, तार और प्रकाश बल्ब ले गए, और थोड़ी देर नए साल की माला पहले से ही पर लटकी हुई थी।
थोड़ी देर बाद, नए साल की माला औद्योगिक रूप से उत्पादित की जाने लगी। चलो चलते हैं विभिन्न डिजाइनों की छोटे दीपक धारकों और रंगीन रंगों अलगआकार… कभी-कभी प्लेटों को पारदर्शी बनाया जाता था, और स्वयं लैंप चित्रित किए जाते थे।
ब्लिंकर और ब्लिंकर
लेकिन शांति से चमकते हुए देखकर किसी तरह दुखी हूं, मैं चाहता हूं चारों ओर घूमे। जाहिरा तौर पर, यह माला के कुछ प्रकार के फ्लैशिंग द्वारा सुविधाजनक है। सामान्य तौर पर, चमकती माला अपनी सुंदरता के साथ करती है, और यहां तक कि किसी प्रकार के चमत्कार अपेक्षा के साथ भी। यदि कई मालाएं हैं, तो विभिन्न प्रकाश प्रभाव प्राप्त करना है, उदाहरण के लिए, एक चल रही आग, एक चल रही छाया, चलने वाले दो और थ्रेड्स, साथ ही साथ कई अन्य दिलचस्प प्रभाव।
एक बार जब इस तरह के डिजाइन रेडियो शौकीनों द्वारा विकसित किए गए थे, तो ये योजनाएं रेडियो पत्रिकाओं में प्रकाशित होती थीं, आमतौर पर नवंबर के मुद्दों में। लेकिन समाजवादी कुप्रबंधन की स्थितियों में ये देरी से आईं, इसलिए नए साल तक पिछले की चमकती रोशनी संभव सकी।
एक तत्व आधार के रूप में, एकीकरण की एक के माइक्रोकिरुकेट्स का उपयोग किया गया था, मुख्य रूप से K155 और K561 और उनकी किस्में। उदाहरण के रूप में, हम पत्रिका “रेडियो” नंबर 11 2002 से आरेख का हवाला दे सकते हैं।
सर्किट का आधार K561IE16 प्रकार का एक DD2 काउंटर है, микросхема DD3 और VT4 पर कुंजियों के माध्यम से… VT7 ट्रांजिस्टर, चार एलईडी माला को नियंत्रित करता है। सबसे दिलचस्प बात यह है कि UMS8-01 म्यूजिकल सिंथेसाइज़र माइक्रोकाइक्रिट का उपयोग मास्टर ऑसिलेटर के रूप में किया जाता है। बच्चों के खिलौने और संगीत की आवाज़ सुनाने ऐसे माइक्रोक्रिस्केट्स किया जाता था: वे बस उनमें धुनों को थे।
इसलिए इस सर्किट में, आउटपुट ऑडियो सिग्नल का उपयोग काउंटर को देखने के लिए भी किया जाता है। कोई केवल अनुमान लगा सकता है कि इस की पृष्ठभूमि एल ई डी द्वारा चित्र कैसे दिखेंगे। स्वाभाविक रूप से, संगीत स्पीकर के माध्यम से भी लगता है।
पत्रिका “रेडियो” 199511 1995 में, ए। चुमाकोव द्वारा “माला का स्वत: नियंत्रण” नामक एक योजना प्रकाशित की। सर्किट वैकल्पिक चिकनी प्रज्वलन प्रदान करता है और इकाई द्वारा को है। डिवाइस आरेख चित्र 1 में दिखाया गया है।
चित्रा 1.माला के लिए स्वचालित नियंत्रण उपकरण का योजनाबद्ध
यदि आप बारीकी से देखते हैं, तो सर्किट एक त्रिकोणीय बिजली नियामक का प्रतिनिधित्व करता है, जो दो-बेस ट्रांजिस्टर KT117A पर बनाया गया है। केवल संधारित्र की चार्जिंग दर को मैन्युअल रूप से अवरोधक का उपयोग करके नहीं बदला जाता है, लेकिन एक काउंटर – डिकोडर K561IE8 का उपयोग करके व्यक्तिगत प्रतिरोधों को स्विच करके। तुलना के लिए, चित्रा 2 एक KT117 दो-बेस ट्रांजिस्टर का उपयोग करते हुए एक चरण शक्ति नियामक सर्किट दिखाता है।
चित्र 2।
क्रिसमस माला का माइक्रोकंट्रोलर नियंत्रण
जैसा कि माइक्रोकंट्रोलर्स पर डिजाइन शौकिया रेडियो रचनात्मकता, क्रिसमस ट्री फ्लैशर्स में दिखाई देते हैं, या जैसा कि सम्मानपूर्वक “स्वचालित प्रकाश प्रभाव” कहा जाता है, को भी विकसित किया जाना शुरू हुआ। सबसे विदेशी डिजाइन पत्रिका “रेडियो” नंबर 11, 2012, पी। 37 में शीर्षक के तहत प्रकाशित किया गया था। क्रिसमस ट्री माला “, लेखक ए। पखोमोव।
डिजाइन एक दोषपूर्ण चीनी माला से शुल्क पर आधारित था। लेखक लिखता है कि वह एमके से सीधे नियंत्रित आउटपुट चरण मौलिकता से आकर्षित था। वह उन चमकती रोशनी को याद करता है जो K155 श्रृंखला के माइक्रो-सर्किट पर बनाए गए थे, शक्तिशाली थायरिस्टर्स KU202 (वहाँ बस कोई अन्य नहीं थे), और सामान्य तौर पर, पेड़ को खुद चमकती रोशनी पर रखा जा सकता है
और यहां यह दोषपूर्ण बोर्ड पर नियंत्रक को बदलने, प्रकाश प्रभाव के साथ एक कार्यक्रम लिखने और नियंत्रण के कुछ प्रकार जोड़ने के लिए पर्याप्त था। यह रिमोट कंट्रोल पुराने सीमेंस C60 फोन के आसपास पड़ा था। नियंत्रक के रूप में एक AT89C51 माइक्रोकंट्रोलर का उपयोग किया गया था। इसके बारे में चित्र 3 में दिखाया गया है।
चित्रा 3.नए साल की माला के माइक्रोकंट्रोलर नियंत्रण की योजना (विस्तार करने के लिए तस्वीर पर क्लिक करें)
हालांकि यह नियंत्रक पहले से उत्पादन से बाहर है, यह इंटेल से सबसे अच्छे में से एक है, जिसे बाद में एटल ने जारी किया। इस MC पर डिज़ाइन कभी भी फ़्रीज़ नहीं होते हैं, उन्हें वॉचडॉग टाइमर की आवश्यकता नहीं होती है। MSC-51 परिवार के नए मॉडल के उद्भव के बावजूद, कमांड सिस्टम इतना अच्छा है कि यह अभी भी अपरिवर्तित है।
साधारण एलईडी फ्लैशर
एक ही पत्रिका “ए” पखोमोव द्वारा लेख के थोड़ा ऊपर “रेडियो” नंबर 11, 2012 में, सीएफएल विवरण से आई नेचहेव द्वारा एक लेख। नए साल के खिलौने के लिए फ्लैशर “। सर्किट एक-रंग एलईडी और तीन सममित डीबी -3 динистора बनाया गया है जो दोषियों से बोर्डों” निकाले गए “हैं।
चित्रा 4.एक साधारण एलईडी क्रिसमस माला का आरेख
डीबी -3 पर इकट्ठे तीन-रंग एलईडी के प्रत्येक चैनल को अपने स्वयं के विश्राम जनरेटर से नियंत्रित किया जाता है। चलो एक चैनल के उदाहरण का उपयोग करके सर्किट के संचालन पर विचार करें, उदाहरण के लिए, लाल।
संधारित्र R3 के माध्यम से संधारित्र C1 को रेक्टिफायर R1, VD1 से डायनिस्टर VS1 (32 В) के ब्रेकडाउन वोल्टेज पर चार्ज किया है। जैसे ही डाइनिस्टर खुलता है, कैपेसिटर C1 तीन-रंग एलईडी, प्रतिरोधक R4, और динистор VS1 के लाल तत्व के माध्यम से निर्वहन करता है। फिर चक्र दोहराया जाता है।
तीन-रंग वाले एलईडी के लाल, हरे और नीले तत्वों के अपने जनरेटर होते हैं और एक स्वतंत्र रूप से काम करते हैं। इसी समय, प्रत्येक जनरेटर की आवृत्ति दूसरे से भिन्न होती है, इसलिए चमक एक अलग अवधि के साथ होती है। संरचना एक पारदर्शी मामले में रखी गई और इसका उपयोग जा सकता है, उदाहरण के लिए, एक हेरिंगबोन शीर्ष के रूप में। यदि आप सर्किट में एक सफेद एलईडी HL2 जोड़ते हैं, तो सफेद पृष्ठभूमि पर रंगीन चमक होगी।
घरेलू रेडियो एमेच्योर, पुराने या नए, बुरे या अच्छे डिजाइनों के कई और विवरणों का हवाला सकता है, लेकिन वे सभी लगभग एकल प्रतियों में बनाए गए थे। आधुनिक स्टोर चीन में बने इलेक्ट्रॉनिक्स से अभिभूत हैं। यहां तक कि नए साल की माला और चीनी लोगों के अलावा, वे अब कुछ नहीं के लायक हैं। आइए देखें कि अंदर क्या छिपा है।
चीनी नव वर्ष माला नियंत्रक
बाह्य रूप से, सब कुछ बहुत सरल दिखता है। एक बटन के साथ एक छोटा प्लास्टिक बॉक्स प्लग के कॉर्ड होता है और रोशनी निकलती है। जब एक आउटलेट में प्लग किया जाता है, तो माला तुरंत सभी प्रकाश प्रभावों को वैकल्पिक रूप से दिखाना शुरू कर देती है। इनमें से 8 प्रभाव हैं, जैसा कि बटन के नीचे शिलालेख द्वारा द्वारा इंगित किया गया है। एक बटन दबाकर, आप बस वांछित प्रकाश पैटर्न पर सीधे स्विच कर सकते हैं।
यदि आप बॉक्स खोलते हैं, तो अंदर सब कुछ भी काफी सरल है, जैसा कि चित्र 5 में दिखाया गया है।
चित्र 5।
सभी विवरण यहां देखे जा सकते हैं। माइक्रोकंट्रोलर, हमेशा की तरह, ब्लैक कंपाउंड की एक बूंद के रूप में बनाया गया है, इसके पास एक नियंत्रण बटन, एक एकल डायोड और तीन आउटपुट थाइरिस्टर्स हैं।
चौथे тиристор के लिए बोर्ड पर जगह है, और यदि आप इसे मिलाप करते हैं, तो आपको एक और अतिरिक्त चैनल मिलता है। नियंत्रक में, यह चैनल आमतौर पर सिले भी होता है। यह सिर्फ इतना है कि हमारे चीनी दोस्त एक थीयरिस्टर पर बच गए। जिन लोगों ने कभी ऐसी नियंत्रण इकाइयां खोली हैं, वे आश्वासन देते हैं कि केवल दो थिएरिस्टर कुछ बक्से में टांके लगाए गए हैं। अर्थव्यवस्था को किफायती होना चाहिए! हमारा, अभी भी एक सोवियत नारा है।
इस तरह के छोटे आयामों के बावजूद, тиристоры PCR406 में 400В का रिवर्स वोल्टेज और 0.8A का एक आगे का प्रवाह होता है। यदि हम मानते हैं कि लोड अधिकतम वर्तमान का केवल 25% खपत करता है, तो 220В के वोल्टेज पर, 220 * 0,2 = 44 (Вт) की शक्ति को स्विच जा सकता है।
चित्र 6 एक मुद्रित वायरिंग दिखाता है किया जा सकता है योजनाबद्ध आरेख, जो बार-बार किया गया है। यहां आप चौथे थाइरिस्टर के लिए छेद देख सकते हैं, बस एक जिसे आपने बचाया था।
चित्र 6।
बचत ने डायोड ब्रिज को भी प्रभावित किया: चार डायोड के बजाय, इस बोर्ड पर केवल एक का किया जाता है। और बाकी सब कुछ चित्र 7 में दिखाई गई योजना से मेल खाता है।
चित्र 7।
मेन वोल्टेज को डायोड ब्रिज VD1… VD4 द्वारा ठीक किया जाता है और माइक्रो-कंट्रोलर के 10 पिन करने के लिए शमन R1 के माध्यम से खिलाया जाता है। रेक्टिफाइड वोल्टेज की तरंग को सुचारू करने के लिए, एक इलेक्ट्रोलाइटिक कैपेसिटर C1 भी यहां से जुड़ा हुआ है। माइक्रोकंट्रोलर की वर्तमान खपत काफी महत्वहीन है, इसलिए भविष्य में, चार डायोड के पुल के बजाय, चीनी ने एक करने।
पूरे के रूप में पूरे सर्किट की विश्वसनीयता बढ़ाने पर नोट। यदि 9 … 12 В के स्थिरीकरण वोल्टेज के साथ एक डायोड संधारित्र C1 के समानांतर में जुड़ा हुआ है, तो माइक्रोकंट्रोलर या बस थाइरिस्टर के विस्फोटों की काफी कम हो जाएगी।
रोकनेवाला R7, नेटवर्क तार से सीधे माइक्रोकंट्रोलर के पिन 1 से जुड़ा, विशेष ध्यान देने योग्य है। यह चरण शक्ति नियंत्रण करने के लिए नेटवर्क के साथ सिंक्रनाइज़ के लिए किया जाता है। यह उस समय काम करता है जब माला दीपक आसानी या बुझ जाता है।
माइक्रोकंट्रोलर के दाईं ओर тиристор नियंत्रण आउटपुट और एक नियंत्रण बटन है, जो ऊपर वर्णित था। Тиристоры उसी क्षण चालू करते हैं जब संबंधित MK आउटपुट प्रकट होता है ऊँचा स्तर, तो इसी माला को जाता है।
कभी-कभी कई सौ वाटों और ऊपर एक नए साल की उच्च शक्ति की माला की आवश्यकता होती है। इस मामले में, माना सर्किट का उपयोग “दिमाग” के रूप में किया जा सकता है, यह केवल शक्तिशाली ट्रायक स्विच के साथ इसे पूरक करने के लिए है। यह कैसे करें चित्र 8 में दिखाया गया है।
चित्र 8.उच्च शक्ति की नए साल की माला की योजना (चित्र पर विस्तार के लिए क्लिक करें)
यहां आपको इस तथ्य पर ध्यान संचालित होता है जो गैल्वेनिक रूप से पृथक होता है।
एलईडी माला
वे एक ही बटन के साथ एक ही नियंत्रक का करते हैं, एक ही тиристоры, बल्बों के बजाय, माला तीन या चार रंगों एल डी से बने होते हैं। प्रत्येक स्ट्रिंग में वर्तमान सीमित प्रतिरोधों के साथ कम से कम 20 एल ई डी शामिल हैं।
इसके अलावा, इस तरह के एक माला का डिजाइन है: माला के पहले भाग में, एक रोकनेवाला प्रत्येक एलईडी के लिए मिलाप किया जाता है, और शेष दस टुकड़े श्रृंखला में होते हैं। फिर, दस प्रतिरोधों को एक बार में सहेजना।
इस डिजाइन को स्पष्ट रूप से उत्पादन तकनीक द्वारा समझाया है। उदाहरण के लिए, एक पंक्ति पर, पहली छमाही को इकट्ठा किया जाता है, जो प्रतिरोधों के साथ होती है, और प्रतिरोधों के बिना दूसरी पंक्ति पर। तब यह केवल दो हिस्सों को एक पूरे में जोड़ने के बना रहता है। लेकिन यह सिर्फ एक अनुमान है।
यह आशा की जाती है आपके लिए है, कम से कम नए साल की माला के साथ। इसलिए, क्रिसमस ट्री को सजाने, उत्सव की मेज सेट करें, मेहमानों को आमंत्रित करें, नया साल मनाएं। नया साल मुबारक हो, साथियों, दोस्तों, सज्जनों! यह आप जैसा है वैसा है।
दिमित्री कैंडिंस्की
हम आपको वैकल्पिक ऊर्जा क्षेत्र में नए रुझानों के साथ-साथ संसाधन बचत और दक्षता के लिए टॉम्स्क सेंटर के साथ करना जारी हैं। आप विशेषज्ञों को अपने प्रश्न संपादकीय कार्यालय में सकते हैं [ईमेल संरक्षित] और आज माला एजेंडे पर है।नए साल की हलचल पूरे शबाब पर है। सड़कों, कार्यालयों और अपार्टमेंटों को नए साल की मालाओं की, और इस समय यह कुछ विशेष रूप से महत्वपूर्ण है ताकि छुट्टी न मज़ेदार हो, बल्कि सुरक्षित भी हो। रचनात्मक क्रिसमस का पेड़, रंग, आकार और आकार की एक किस्म में बल्ब हैं। लेकिन नए साल के उपकरण का प्रकार एकमात्र नहीं है पालन किया जाना चाहिए। माला के विभिन्न उद्देश्य हैं: सजावट के लिए आंतरिक, बाहरी उपयोग के लिए और क्रिसमस ट्री के लिए। तदनुसार, कहीं न कहीं हमें “फ्रॉस्ट-रेसिस्टेंट” डिवाइस की आवश्यकता होती है, कहीं – न्यूनतम गर्मी हस्तांतरण के साथ, ताकि एक कृत्रिम नए साल की सुंदरता की शाखाओं को पिघलाने के लिए न हो, और कहीं न कहीं हमें माला की नमी प्रतिरोध को ध्यान में रखना होगा – यदि आप अपने देश को घर बनाने का फैसला करते हैं एक क्रिसमस अमेरिकी फिल्म के लिए सजावट।
गरमागरम लैंप के साथ माला
यह सजावट हमें बचपन से ही मालूम है। सोवियत निर्मित मालाएं एक बल्ब के साथ एक में आईं और हुए लोगों को खोजने और बदलने के निर्देश दिए। पहले नए साल की माला विभिन्न प्रकार के डिजाइनों में भिन्न नहीं और इसमें पेंटेड लैंप की पंक्तियों के श्रृंखलाएं शामिल थीं, जिन्हें किसी तरह पूरी तरह-उत्सव – YOG-1 भी कहा जाता था। यह विचार करने योग्य है कि गरमागरम लैंप जल्दी और इसलिए एक कृत्रिम नए साल के को सजाने के लिए उपयुक्त नहीं हैं – वे बस प्लास्टिक की सुइयों पिघलाएंगे। उन्हें एलईडी के साथ अधिक आधुनिक और सुरक्षित मालाओं द्वारा बदल गया था।
एलईडी माला
आज वे सबसे लोकप्रिय हैं क्योंकि उन्हें कम ऊर्जा खपत उच्च अग्नि सुरक्षा की विशेषता है। गरमागरम लैंप के साथ मालाओं के विपरीत, वे मुश्किल से गरम करते हैं। यदि सामान्य लैंप प्रकाश के लिए उपभोग की जाने वाली बिजली का केवल 10% खर्च करते हैं – तो बाकी सब कुछ को गर्म करने के लिए जाता है, फिर एलईडी लैम्प गर्मी उत्सर्जन साथ, वे अधिक प्रकाश देते हैं, जो उन्हें गरमागरम लैंप की तुलना में कई गुना अधिक किफायती बनाता है। वे अपार्टमेंट में किसी भी पेड़, दरवाजे या खिड़की के उद्घाटन और यहां तक कि छत को भी सकते हैं – कोई “जला हुआ” निशान नहीं होगा। घरेलू एलईडी लैंप की तरह, एलईडी माला की विशेषता कम बिजली की खपत होती है और इसमें 50 हजार घंटे तक सेवा जीवन होता है। यह न केवल एक सुरक्षित, बल्कि ऊर्जा की खपत के संदर्भ है, एक अपार्टमेंट को सजाने का तरीका – उनके साथ, नए साल की प्राप्तियों में बिजली के लिए कीमत, हालांकि थोड़ा, लेकिन कम होगा – यह इस तरह का एक उत्सव बोनस है।
एलईडी तार के सबसे आम प्रकार:
Duralight एक लचीली पारदर्शी प्लास्टिक कॉर्ड (या टेप) होती है, जिसके अंदर छुपा होता है एलईडी स्ट्रिप लाइट… ऐसी माला पर विशेष निशान होते हैं, और यदि आवश्यक हो, तो इसे वांछित आकार में काटा जा सकता है। इस प्रकार को सील किया जाता है, परिवर्तनशील मौसम की प्रतिरोधी होता है और इमारत के चड्डी को सजाने के लिए उपयुक्त है सड़क के पेड़ … इसके अलावा, दीवारों या खिड़कियों से उस आकृतियाँ बनाना बहुत सुविधाजनक है। इसकी स्थायित्व के कारण, बहुतायत का उपयोग न केवल नए विशेषता के रूप में किया जाता है, बल्कि नीयन विज्ञापन संकेतों के विकल्प रूप में भी किया जाता है।
क्लीपाइट कम वोल्टेज वाला एक तार है एलईडी बल्ब, नियमित अंतराल पर स्थित है – सबसे अधिक सुरक्षित है सड़क रोशनी का निर्माण, इसलिए इसका उपयोग अक्सर सड़क के पेड़ों को सजाने, पार्कों को सजाने фасады बनाने के लिए किया जाता है इसके अलावा, यह माला लगभग कोई गर्मी उत्पन्न नहीं करती है, जिसका अर्थ है कि न तो जीवित और ही कृत्रिम पेड़ को नुकसान होगा।
Playlight या “हल्की बारिश” – विभिन्न रंगों के प्रकाश बल्ब के साथ कई धागे, जिसके साथ आप एक चमकदार पर्दा बना सकते हैं। ऐसी मालाओं को “झरना प्रभाव” के लिए प्यार किया जाता है – माला के प्रकाश व्यवस्था के तरीकों में से एक।
बेल्टलाइट – E27 बेस के साथ मानक कम वोल्टेज लैंप के लिए धारकों के साथ कॉर्ड। यह जलरोधी संरचना इमारतों और बड़ी संरचनाओं के पहलुओं को सजाने लिए उपयुक्त है।
दिलचस्प!
आज क्रिसमस की माला हैं और सौर शक्ति, जो मुख्य रूप से स्ट्रीट लाइटिंग के उपयुक्त हैं। ऐसी मालाएं स्वायत्त हैं – आपको उन्हें नेटवर्क से कनेक्ट करने की है। दिन के उजाले घंटे के दौरान, बैटरी ऊर्जा संग्रहीत करती है, जो रात के समय के संचालन के लिए पर्याप्त है। बिजली की खपत के मामले में यह सबसे किफायती विकल्प है – यह बिजली की खपत बिल्कुल नहीं करता है। अब तक, ऐसी मालाएं मुख्य रूप से ऑर्डर पर उपलब्ध हैं, लेकिन जल्द ही वे बड़े पैमाने पर खपत लिए बाजार में प्रवेश कर सकते हैं।
गुणवत्ता की माला कैसे चुनें?
एक माला खरीदते समय, किट में रूसी में की उपस्थिति पर ध्यान दें, जहां ए विशेष उत्पाद और उत्पाद का उद्देश्य: यह एक सड़क या को सजाने के लिए है, क्या इसे सहित क्रिसमस के पर लटका जा सकता है।
विक्रेता से सामानों की गुणवत्ता के प्रमाण पत्र के लिए पूछें, सुनिश्चित करें कि ГОСТ का अनुपालन करता है। इसके अलावा, स्वतंत्र रूप से नियंत्रण इकाई और साथ कॉर्ड कनेक्शन की गुणवत्ता की जांच करें, साथ ही साथ प्रकाश भी।
अलग-अलग, इस तरह के मोड को स्विच करने के लिए ब्लॉक जांच करने के लायक है – आप उस पर थोड़ा भी दबा सकते हैं। यदि प्लास्टिक की दीवारें “जुदा” हैं, तो आपको एक माला नहीं खरीदनी चाहिए।
एक और अति सूक्ष्म अंतर: प्लग और पहले प्रकाश बल्ब के बीच की दूरी कम से कम होनी चाहिए, और तार में अच्छा इन्सुलेशन और कम से कम 0.5 वर्ग मिलीमीटर का क्रॉस सेक्शन होना चाहिए। एक पेड़ पर रखी जाने वाली माला की सुरक्षित शक्ति 50 वाट से अधिक नहीं है। यह जानकारी प्लग से जुड़े टैग पर पाई जा सकती है।
सही क्रिसमस की माला चुनें, इसके उपयोग की को ध्यान में रखें, काम करने वाले उपकरण छोड़ें, और फिर आपकी छुट्टी से पारिवारिक तरीके से सुरक्षित, दयालु और गर्म हो जाएगी।
मूल्य / अनुपात (एल ई डी की संख्या) द्वारा आकर्षित माला – उन्होंने 40 मीटर / 400 एलईडी और माला की शक्ति (75, 300) का वादा किया 650W !!!), आप 650W में विश्वास करेंगे? 🙂
वास्तव में, एक ही बार में साइट पर कई मालाओं का आदेश दिया गया था। एक, जो टोपी में है, पहले से ही उपलब्ध लोगों को जोड़ने के लिए खरीदा गया था बहुत बड़ा घर… दूसरे को जिज्ञासा से बाहर निकाला गया था – वे निर्दिष्ट विशेषताओं में रुचि रखते थे … और इसलिए नहीं कि उन पर बहुत विश्वास करता था (मैं वास्तव में 1W से ऊपर एक माला पर एल ई में में करता था), लेकिन मैंने सोचा था कि अगर यह 650 Вт की एलईडी लाइट से सजाया जाए तो ब्राइट ट्री बदल सकता है (हाँ, घोषित होने का कम से कम आधा हिस्सा दें!)।
तीसरे सहकर्मी ने खुद के लिए कहा – यह 1 टुकड़े के लिए प्रत्येक किस्म निकला।
(खरीद के समय, माला के लिए तीन विकल्प खरीदना संभव था – 75 Вт, 300 Вт और 650 Вт)
सब कुछ बहुत जल्दी आ गया, हाँ! मुझे उम्मीद नहीं थी कि वे एनजी तक पहुंचाएंगे, लेकिन यहां, वास्तव में, कुछ हफ़्ते में थोड़ा डिलीवरी -! यह СДЭК डिलीवरी सेवा द्वारा दिया गया था।
लेकिन यह कैसे वितरित किया गया…
दो आदेश थे (तीन मालाओं के लिए), हम उसी दिन शहर में पहुंचे और तुरंत कूरियर द्वारा के लिए बुलाया / सहमत हुए। अगले दिन, कूरियर पार्सल वन लाया! आधे घंटे बाद उन्होंने डिलीवरी सेवा से फोन किया और दूसरे को खुद लेने की पेशकश की! यह पूछे जाने पर कि कूरियर द्वारा एक बार दो लाना असंभव था, उन्होंने जवाब दिया (उन्होंने कैसे मारा) – इस प्रकार की डिलीवरी एक चीनी स्टोर द्वारा चुनी गई थी!
मुझे क्या करना चाहिए? मुझे आधे शहर से गुजरना पड़ा (40 минут एक रास्ता), जिसके लिए मैं निश्चित रूप से स्टोर के लिए “आभारी” था … ठीक है, यह वास्तव में वहाँ है, ठीक है खाबरोवस्क जाने के लिए नहीं (डिलीवरी के दौरान मध्यवर्ती बिंदु :)! मैं उनसे एक और आदेश की प्रतीक्षा कर रहा हूं और आंतरिक रूप से मैं तनाव लेता हूं – अब कहां जाना है! 🙂
… सब कुछ “सबसे अच्छा संभव रूप” में दिया गया था …
बॉक्स “लगभग” बरकरार था :)) और सभी किसी न तरह कीचड़ में, किसी प्रकार की काली धूल की मोटी परत (यहां यह स्पष्ट रूप से उस मेल को नहीं था जिसे दोष दिया गया था) – फोटो में धूल अधिक या कम हटा दी गई है, यह हड़ताली नहीं है।
कूरियर द्वारा लाए गए सेट में बधाई और स्टोर से 5/100 की छूट भी शामिल है।
प्रत्येक माला एक “निर्देश” के साथ थी 🙂
सबसे पहले, निश्चित रूप से, मैंने कूरियर द्वारा लाया गया एक चेक किया – यह रोशनी करता है, लेकिन यह 300 था (नहीं लगता यह विकल्प फोटो में है) :))
माला में (400? – ईमानदारी से मैं नहीं गिनता कि कितने) एक “फ़नल” के साथ एल ई डी – एक लेंस जो पक्षों पर प्रकाश डालता है, यह सभी दिशाओं में एक समान एलईडी चमक के लिए किया जाता है। तार बहुत लचीले, मुलायम इन्सुलेशन वाले होते हैं।
बिजली की आपूर्ति इकाई एक ही समय माला चमक विकल्पों के लिए एक नियंत्रण इकाई है। बटन दबाने से प्रभाव बदल जाता है।
सामान्य तौर पर, जो मालाएं आती हैं उनमें थोड़ा अलग ब्लॉक होता है (हालांकि वे संभवतः कम या अधिक हैं)। ब्लॉक आउटपुट धाराओं में भिन्न होते हैं (जैसा कि यह एक के लिए निकलता है) और प्लग फॉर्म फैक्टर – भेजे गए में से एक फ्लैट संपर्क और एडेप्टर हैं, बाकी यूरो प्लग हैं।
माला से कनेक्ट करने के लिए, दो-पिन कनेक्टर का उपयोग किया जाता है, जिसमें सही ध्रुवता के लिए “कुंजी” नहीं होती है।
उत्सुकता से, स्विच की ध्रुवता की परवाह किए बिना माला उसी तरह से काम करती है, जिसने पहले मुझे हैरान कर दिया था… क्योंकि माला पर ही, एलइडी के अलावा, ध्रुवता उत्क्रमण समस्या के लिए कोई डायोड और अन्य समाधान नहीं हैं।
सब कुछ तुच्छ हो गया – नियंत्रण इकाई द्विध्रुवीय दालों संशोधित करती है, इसलिए, स्विचिंग की ध्रुवीयता किए बिना, एलईड एक आधा चक्र को प्रकाश है, दूसरे को रिवर्स ध्रुवता साथ स्विच है। मैं वास्तव में नहीं जानता कि यह माला के को प्रभावित करेगा …
खैर, मैंने जो अगला काम किया, वह वर्तमान खपत को मापता था – आखिरकार, स्टोर (इस विशेष विकल्प) में इसे “वाटेज: 300 Вт” के रूप में घोषित किया गया था – यह बहुत ही उत्सुक था, खासकर जब से आम तौर पर 650 Вт के रूप में घोषित किया गया था (माप के समय यह नहीं हुआ था))।
नियंत्रण इकाई को माला से अलग कर दिया। मैंने बिजली की आपूर्ति इकाई पर 30 वी स्थापित किया और एक माला को जोड़ा, परिणाम केवल 0.1 ए … = 3 डब्ल्यू था? जी … अंतर 100 गुना है, “चीनी” त्रुटि के भीतर शायद … मैं भी इस तरह के अंतर पर भरोसा करता था 🙂
बाकी भी नहीं नापा …
एक और पार्सल प्राप्त करने के बाद सबसे दिलचस्प बात मेरा इंतजार कर रही थी , जब मैंने एक-दूसरे के बगल में तीन मालाएँ रखीं … वे तीन 40 मीटर की माला के “ढेर” के आकार में बहुत अलग थीं।
वैसे, यह है कि वे कैसे चमक …
यहां तक आंखों को स्ट्रिंग्स की लंबाई और एलईड की संख्या में अंतर दिखाई दे है। लेकिन 400 टुकड़ों की गिनती की संभावना किसी निराशाजनक थी, और 40 मीटर तक घर के अंदर घुसना बहुत सुविधाजनक नहीं है, आप पूरी माला को भ्रमित करेंगे।
मैंने सबसे हल्की माला उतारी और लंबाई को मापा – यह 20 मीटर निकला!
संक्षेप में, मैंने स्टोर के समर्थन में एक “बदनामी” लिखी (मुझे बक्से पर धूल और बारे में भी याद नहीं था – और आप इसे से पहले कम से कम सकते थे!)।
पत्र को “माल की विशेषताओं की असंगति” शीर्षक दिया गया था और बहुत से आदेश और विवरण के संलग्न। एक दिन से थोड़ा अधिक बाद में मुझे “बहुत उत्साहजनक” उत्तर मिला :)) –
प्रिय ग्राहक,आपके ऑर्डर के लिए धन्यवाद।
आपका पैकेज अभी चालू है और कृपया थोड़ी देर प्रतीक्षा करें।
Пожалуйста, ट्रैकिंग नंबर ETSSD100 ****** 0YQ खोजें।
इस लिंक में शिपिंग स्थिति की जाँच करें:आपका दिन शुभ हो!
शुभकामनाएँ,
ओलिविया
खैर, एक बार फिर से पुष्टि करें कि भी हमारे पत्रों को नहीं पढ़ता है: ((अली पर मैं नियमित रूप से इस पर आता हूं)
थोड़ी ऑर्डर पेज पर एक बारीकियों को पाया – जब रूसी-भाषा संस्करण पर स्विच किया जाता है (जैसा कि अंग्रेजी एक के विपरीत), सामान के लिए तीन विकल्प चुनते समय, माला की लंबाई भी बदल है, हालांकि किसी भी तरह यह “समझ बाहर “है – 75 Вт इस माला की लंबाई 20, 300 Вт – 50, 650 Вт, 650 Вт – 40… संक्षेप में, टिन!
और कीमत समान है, लेकिन मुझे 20 मीटर क्यों खरीदना चाहिए, अगर आप उसी पैसे के लिए 50 खरीद सकते हैं ?!
मैंने “लापता” भेजने के अनुरोध के पत्र लिखा …
… कोई जवाब नहीं था …
थोड़ी देर के बाद, मैंने दो आदेशों के लिए दावों के साथ एक और पते पर लिखा ( एक और फरवरी के अंत में नहीं आया – इसे नवंबर में कहीं गया था)। इतिहास लगभग खुद को दोहराया – पत्राचार के दो महीने! नतीजतन, हमने लापता महिला के लिए वापस पाने में कर ली, और 20 मीटर लंबे (40 के बजाय) भेजे गए, मुझे कभी भी समझदारी भरा जवाब, अकेले ही मुआवजा दिया।
यहाँ खरीद की कहानी है 🙂 कुछ भी नहीं है खुद को माला के साथ दोष खोजने के लिए, सब कुछ काम करता है।
स्टोर का दावा है – “नरम शब्दों में कहना” गलत उत्पाद विवरण – सभी मालाओं पर गलत संकेत दिया गया है शक्ति (सैकड़ों बार भिन्न होती है!) , गलत तरीके से निर्दिष्ट (माला एक दो बार कम है) और एल ई डी की संख्या।
आइटम को बहुत गंदे, धूल भरे पैकेजिंग में भेज दिया गया था!
घृणित समर्थन नौकरी (दूसरे शब्दों में, यह वहाँ बिल्कुल नहीं है!)
संक्षेप में, आप BARDAK पूर्ण एक शब्द में सब कुछ का वर्णन कर सकते हैं!
मैंने पहले इस स्टोर में नहीं खरीदा था, लेकिन मैं निश्चित रूप से भविष्य में उनसे खरीदूंगा (और मैं किसी को भी सलाह नहीं देता!), क्योंकि माला के स्थान “असंगत” समस्या के साथ एक महंगी खरीद हो सकती है।
अंत में, थोड़ा “अच्छे के बारे में” – माला अभी भी काम करती है…
मैंने छुट्टियों के लिए घर पर एक छोटी “पीली” माला लटका दी – यह ऐसा दिखता था। यह खरीदा है कि शीर्ष पर कंगनी के साथ चला जाता है …
मैंने +7 खरीदने की योजना बनाई है पसंदीदा में जोड़ें समीक्षा पसंद आई +31 +50शुभ दिन, प्यारे दोस्तों! आज हम फिर से बिजली बचाने के बारे में बात करेंगे, पिछले लेखों में हमने गिना था कि घरेलू (वैक्यूम क्लीनर, माइक्रोवेव) से बिजली की कितनी खपत है, और आज हम यह गणना करने की करेंगे कि आपके घर में लाइट बल्ब से कितनी बिजली की खपत होती है, और क्या यह संभव कि किसी तरह बिजली के बल्बों से बिजली को बचाया जा सके।
तो, आइए एक शुरुआत के लिए यह कि हमारे अपार्टमेंट में कौन से बल्ब हैं, निम्न प्रकार रोजमर्रा के जीवन सबसे अधिक उपयोग हैं अधिक उपयोग हैं:
- रेशा
- Люминесцентный (90एलईडी4
27)
उज्जवल लैंप
आइए गणना करें कि विभिन्न वाट क्षमता के साधारण बल्बों से कितनी की खपत होती है, रोजमर्रा की जिंदगी में सबसे लोकप्रिय है।
की खपत:
पावर 60 डब्ल्यू – बिजली की खपत 60 डब्ल्यू या 0.06 किलोवाट प्रति 1 घंटे होगी
पावर 95 डब्ल्यू – प्रति घंटे 95 डब्ल्यू 0,095 किलोवाट बिजली की खपत करता है
पावर 100 Вт – 1 घंटे के लिए 100 या 0,1 किलोवाट बिजली की खपत करेगा।
वाट से किलोवाट तक बिजली परिवर्तित करने के लिए, आपको दाईं से बाईं ओर 3 अंक गिनने सामने अल्पविराम लगाने की आवश्यकता है, यदि केवल दो या या 1 अंक हैं, तो इस अंक और 1 या 2 शून्य डालें। उदाहरण के लिए 75Вт = 0,075 кВт, संख्या 2 के बाद से उन्हें 3 अंकों से स्थानांतरित करने के लिए 155 Вт = 0.007 кВт, 155Вт = 0,155 кВт के लिए जोड़ा गया।
आइए गणना करें कि हम प्रकाश के लिए कितना भुगतान करेंगे, अगर हमारे पास है, उदाहरण के लिए, 3 एकड़ (हॉल, रसोई, बेडरूम) और 3 के लिए 60 डब्ल्यू (प्रवेश हॉल, शौचालय, बाथरूम)।
हम कितनी बिजली खर्च करते हैं
उदाहरण के लिए 3 प्रति 100 Вт लें, वे शाम को 5 घंटे और सुबह में 1 घंटा जलाते हैं, दिन में 6 घंटे के परिणामस्वरूप, हमें 3 घंटे प्रति 300 Вт की 6 घंटे 1800 Вт या 1,8 кВт के लिए मिलता है।
60 Вт के लिए एक और 3, मान लीजिए कि प्रत्येक दिन में 1 घंटे जलता है, कुल में हमें कुल 3 * 60 Вт = 180 Вт या 0.18 кВт मिलता है। कुल में, प्रति दिन लगभग 2 किलोवाट।
लैपटॉप कितनी बिजली की खपत करता है?
तापदीप्त लैंप का उपयोग करते समय, बिजली की खपत निम्नानुसार होगी:
1 दिन के लिए कुल 1,8 кВт + 0,18 кВт ~ 2 кВт के बराबर होगा
1 महीने के लिए कुल 2 кВт * 30 दिन = 60 кВт हवा होगी
आपको कितना भुगतान करना होगा?
चलो 1 किलोवाट = 4 रूबल की लागत लेते हैं।
फिर एक 60Вт दीपक के 1 घंटे के लिए हम 0,06 * 4 पी = 24 коп. का भुगतान करेंगे।
1 घंटे के लिए दीपक 95 या 100 डब्ल्यू = 0.1 * 4 पी = 40 कोप्पेक।
6 बल्ब 3 का उपयोग करते समय – 100 डब्ल्यू 6 एच / दिन और 3-60 डब्ल्यू 1 एच 180 वाट / दिन हम गिनते हैं:
1 दिन के लिए प्रति दिन 2 किलोवाट * 4 पी = 8 रूबल मिलता है
1 महीने के लिए 60 किलोवाट * 4 पी = 240 रूबल। 1 महीने में
निम्न प्रकार के लामाओं की ऊर्जा गणना करने के लिए आगे बढ़ने से पहले, यह ध्यान दिया जाना चाहिए कि समान प्रकाश के साथ, बिजली की खपत में काफी भिन्नता होगी। इसलिए, आगे की गणना के लिए, हम पारंपरिक तापदीप्त लैंप के साथ चमक शक्ति के बराबर प्रकाश लेंगे।
हम एक ही चमकदार प्रवाह के साथ प्रकाश बल्बों की बिजली की खपत के पत्राचार की एक हैं। यही है, तालिका का प्रत्येक स्तंभ एक ही ल्यूमिनेन्स पावर है। पहली पंक्ति ऊर्जा-बचत लैंप की शक्ति है, दूसरी पंक्ति इसी चमकदार प्रवाह के साथ गरमागरम दीपक की शक्ति है।
1 कॉलम से हम देखते हैं कि 6 वाट ऊर्जा की बचत लैंप 30 Вт गरमागरम दीपक के समान चमकता है।
निम्नलिखित 2 लाइन चार्ट में एलईडी से लेकर गरमागरम लैंप तक का अनुपात दिखाया गया है।
फ्लोरोसेंट लैंप (ऊर्जा की बचत)
फिर, ताकि घर साधारण बल्बों की तरह उज्ज्वल बना रहे, आपको समान चमक वाले लोगों को लगाने है, अर्थात, 60 वाट के बजाय, हम 12W में ऊर्जा-डालते हैं , सौ के बजाय, हम 20 Вт के लिए एक ऊर्जा-बचत डालते हैं, इसलिए हम ऊर्जा की खपत कम और 5 गुना कम भुगतान करेंगे।
एक रेफ्रिजरेटर कितनी बिजली की खपत करता है?
हम कितनी बिजली खर्च करते हैं
तो चलिए गिनती करते हैं कि हमारे फ्लोरोसेंट बिजली की खपत करेंगे, इसके लिए हम 6 बल्ब, 3 को सैकड़ों, अर्थात् 20 Вт और 3 को 60, यानी 12 वाट के समान उदाहरण लेते हैं ।
मिला:
3 बल्ब, प्रत्येक दिन 6 घंटे, प्रत्येक बल्ब 20 वाट प्रति घंटे की खपत करता है, फिर हमें 360 वाट मिलते हैं। 12 वाट / घंटा = 36 डब्ल्यू पर एक दिन में एक घंटे के लिए 3 बल्ब।
1 दिन के लिए कुल: 360 डब्ल्यू + 36 डब्ल्यू = 396 डब्ल्यू = 0.4 किलोवाट
1 महीने के लिए कुल: 0,4 * 30 = 12 किलोवाट
आपको कितना भुगतान करना होगा?
महीने के लिए पूरी तरह से प्रकाश व्यवस्था भुगतान की जाने वाली राशि इस प्रकार होगी:
1 महीने के लिए रूबल में कुल: 12 किलोवाट * 4 पी = 48 रूबल।
परिणामस्वरूप, प्रति माह 240 रूबल के बजाय ऊर्जा-बचत लैंप का उपयोग करते समय, हम 48 रूबल का भुगतान करेंगे। और अगर आप 1 साल के लिए बचत को देखते हैं, तो 2880 रूबल के बजाय, हम 576 रूबल का भुगतान करेंगे।
लाभ स्पष्ट हैं, ऊर्जा की खपत 5 गुना कम हो जाती है। क्या प्रकाश उपकरणों की बिजली की खपत पर और भी अधिक बचत करना संभव है?
एक और भी दिलचस्प और किफायती प्रकाश स्थिरता आगे बढ़ रहा है।
एलईडी
इस प्रकार के लैंप अधिक किफायती हैं और पारंपरिक बल्बों की तुलना में 5 गुना कम बिजली का उपभोग करते हैं, लेकिन 7.यही है, अगर हम 75 वाटों को बदलना चाहते हैं, तो एलईडी 10 वाटों को फिट करेगा, जबकि चमक समान रहेगी।
consomuation de courant, напряжение, мощь и мощь люминесценции. Калькулятор комментариев LED
Les LED sont sans aucun doute les sources lumineuses les plus économiques, seule la lumière du soleil est moins chère. Mais même en dépit de leur économie, некоторые spécimens peuvent être Assez voraces. Et pourtant, combien d’électricité consomme une LED?
«Гурманская» одежда зависит от направления света.
Кристаллическая электролюминесцентная функция с напряжением от 2,8 до 3,5 В (цветное напряжение). À l’intérieur du cristal de la diode, il y un jonction p-n, lorsque le courant pas à travers lequel, de la lumière est émise. Номинальное напряжение светодиодов зависит от фасада модулей, которые не подключаются к матрице. Il peut être en 3V или 12V.
Тип подключения светодиодов
Индикатор
Индикатрисы диодов, которые несут в себе функциональные возможности и надежное согласование.Déjà d’après le nom, il est clair qu’ils ne sont pas destinés à l’éclairage, mais à indiquer la performance.
Консервация продукта для производства этого класса не прошедшая через 20 мА, номинальное напряжение 3 В, электрическое подвесное соединение, не содержащее сыворотки 0,06 Вт, потребляет больше 0,5 кВт номинала. an de lueur продолжить.
Éclairage
Contrairement aux indicurs, les modeles destinés в l’éclairage zone p-n transition, et par conséquent la surface de la surface de la surface electroluminescente и la luminosité, sont nettement plus élevées.Превосходное качество кристалла от 150 до 300 мА, напряжение питания от 3,3 В, напряжение от 0,5 до 1 Вт. матрица. Светодиодная матрица, используемая в различных проектах, привлекает внимание большего количества людей.
Напряжение питания для светодиодной одежды
Независимое освещение и мощность модуля, состоящая из частей светодиодных матриц, обеспечивает питание напряжением 3,3 В.Используйте модули высокой мощности, различные комбинации подключений с питанием от 12 В до 24 В. C’est une mesure nécessaire pour réduire la charge de courant.
Considérez laposition suivante:
Une source lumineuse de 50W est nécessaire. Pour le créer, cinquante modules d’un watt sont nécessaires. Он соединяется параллельно, напряжение питания не соответствует требованиям 3,3 В, а напряжение в цепи подается на 50 x 0,3 A = 15 ампер.C’est très, très bien.
Tous les appareils électriques d’un appartement, lorsqu’ils sont allumés en même temps, необходимая редкость плюс 10-15 ампер. Le courant élevé pipeline à une génération de chaleur importante à travers les conducteurs, et pour alimenter une telle unité, un câble en cuivre multiconducteur de l’épaisseur d’un doigt serait nécessaire.
Залейте цепь в цепь, светодиодные модули не подключаются последовательно. В классическом кабельном соединении, новом устройстве для создания сложных элементов питания, состоит из шести светодиодных разъемов в серии с питанием по напряжению 24 В.Ensuite, la puissance de charge ne sera que de 8 x 0,3A = 2,4 A. Et ce n’est déjà pas beaucoup plus que la puissance de charge ordinaire d’un téléphone portable.
Напряжение питания электрических устройств на диодах
Лампы для светодиодных ламп
Светильники с различными диодными элементами для обеспечения яркости и мощности. Непосредственно, трудно справиться с трудностями при комбинировании напряжения и светодиода в ампуле.
Dans une lampe de poche отечественная обычная, диод lumineuse de 3,3 V est installée.Специальное использование цепей с повышенным напряжением, их функционирование обеспечивает удобство работы с частями на уровне 1,2 В или на уровне 1,8 В. lampes de poche à haute luminosité? Сигнализация с использованием специальных приспособлений для специальных диодов с напряжением от 3,3 В до 4,7 В и током до 2000 мА.
Литиевые батареи с напряжением 3,7 В используются для питания.
Band LED
Напряжение питания полосы и мощность зависит от типа используемых светодиодов.
| Тип DEL | Количество диодов по номиналу, шт. | Напряжение питания, В | Зарядное напряжение, A | Мощность 1 м, Вт |
|---|---|---|---|---|
| 3528 | 60 | 12 | 0,4 | 4,8 |
| 3528 | 120 | 12 | 0,8 | 9,6 |
| 3528 | 240 | 12 | 1,6 | 19,2 |
| 5050 | 30 | 12 | 0,6 | 7,2 |
| 5050 | 60 | 12 | 1,2 | 14,8 |
| 5050 | 120 | 12 | 2,4 | 29 |
| 5050 | 240 | 24 | 2,4 | 58 |
Les vacances du Nouvel Прибытие на место, где вы живете, и на случай, если хотите, чтобы все было хорошо.Il est temps de penser aux cadeaux, d’abord pour les enfants, pour que les adoles mettent la table, prennent de la bonne musique et assurez-vous de mettre en place un arbre de Noël que vous pourrez décorer pour que les invités puissent s ‘amuser et se reconforter. Et la première выбрал accrocher au sapin est bien sûr les guirlandes de sapin de Noël. En règle générale, tous les autres jouets sont suspendus après les guirlandes. Ensuite, nous parlerons de l’appareil d’une grande varéte de guirlandes du Nouvel An très différentes – anciennes et modernes.
Autrefois, quand il n’y avait pas d’électricité, mais Nouvel An déjà célébré, des bougies spéciales du Nouvel An onté allumées sur l’arbre. Une telle décoration était très dangereuse pour le feu. Mais ces temps sont déjà révolus, tout le monde commencé à utiliser des guirlandes électriques.
Il s’agissait de petites ampoules ordinaires originant d’une lampe de poche ou du rétroéclairage d’une balance dans unrecepteur radio, connectées en série. À partir de telles ampoules, les guirlandes étaient fabriquées par des passionnés Principalement de leurs propres mains.Ils ont juste ramassé un fer à souder, qui, bien sûr, savait s’en servir, a pris le fil et les ampoules, et au bout d’un moment, la guirlande du Nouvel An était déjà accrochée à l’arbre.
Un peu plus tard, les guirlandes du Nouvel An ont commencé à être produites industrial. Nous sommes allés de diverses concept petites douilles et abat-jour colorés formes différentes … Parfois, les plafonds étaient rendus Transparents и les lampes elles-mêmes étaient peintes.
Клигнотанты и клигнотанты
Mais regarder calmement la guirlande lumineuse du Nouvel An est en quelque sorte triste, je veux que l’âme se dévoile.Apparemment, cela est fastené par une sorte de clignotement de la guirlande. En général, la guirlande clignotante dress par sa beauté, et même l’attente d’une sorte de miracle ou de неожиданность. S’il y a plusieurs guirlandes, il est alors possible d’obtenir divers divers effets d’éclairage, par example un feu qui coule, une ombre qui coule, des deux et trois qui coulent, ainsi que de nombreux autres effets intéressants.
Une fois que ces concept onté développées par des radioamateurs, ces plan ont été publiés в журналах для радиолюбителей, en règle générale, dans les numéros de novembre.Mais ces журналы в соответствии с условиями mauvaise gestion socialiste sont arrivés avec un retard de presque un mois, de sorte qu’au Nouvel An, il n’était possible de faire que la lumière clignotante de l’année dernière.
Comme base d’éléments, de microcircuits faible degré d’integration ont été utilisés, принципиальная схема K155, K561 и другие различные. A titre d’exemples, в peut citer le schéma du журнала “Radio” № 11 2002.
Основа схемы – это контроллер DD2 типа K561IE16, через который проходит через DD3 и транзисторы VT4… VT7, control quatre guirlandes de LED. Я выбрал более сложную микросхему музыкального синтезатора UMS8-01, которая используется в качестве осциллятора. Эти микросхемы являются оригинальными утилитами для справедливого звучания детских игр и музыкальных произведений: они просты в использовании мелодий, которые уже зарегистрированы.
Ainsi, dans ce circuit, звуковой сигнал вылета используется для управления каденсером компьютера. Он не может быть разработан с учетом всех образов, созданных с помощью светодиодов на основе изображений.Naturellement, la musique sonne également à travers le haut-parleur.
В журнале “Радио” №11, 1995 г., опубликовано “Автоматическое управление водоворотом” А. Чумакова. Схема гарантирует альтернативу всему миру и вымирание в духе жизни в центре города. Le schéma de l’appareil est illustré à la figure 1.
Рис. 1. Schéma du dispositif de contrôle automatique de la guirlande
В соответствии с требованиями, схема представляет собой регулятор мощности симистора, созданный для транзистора на двух базах KT117A.Для изменения заряда конденсатора не требуется, чтобы было изменено управление переменным сопротивлением, главным образом коммутатором индивидуальных сопротивлений для компьютера – декодер K561IE8. Титр сравнения, показанный на рисунке 2, представляет собой схему, регулирующую мощность фазы, использующую транзистор на двух базах KT117.
Рисунок 2.
Управляющий микроконтроллером ноэля
На меху и после того, как концепции микроконтроллеров появляются в творчестве радиолюбителей, клигнотантов для ноэля, мы говорим об обращении к респектабельному использованию “автоматов с эффектом люмьер”, он представляет собой комментарий на велотренажере.с.37 sous le titre “Переносной телефон для управления сапином Ноэля”, автор А. Пахомов.
La conceptation était basée sur les frais d’une guirlande chinoise defectueuse. L’auteur écrit qu’il a été séduit par l’originalité de l’étage de sortie, commandé directement depuis le MK. Il se souvient de ces feux clignotants construits sur des microcircuits de la série K155, de puissants thristors KU202 (il n’y en avait tout simplement pas d’autres), et en général, il était possible de mettre l’arbre lui-même sur un tel feu clignotant.
Et ici, il суточный переводчик по контролю дефектных карт, отсканированный un program avec des effets d’éclairage et d’ajouter une sorte de panneau de contrôle. Cette télécommande est devenue l’ancien téléphone Siemens C60 qui traîne. Микроконтроллер AT89C51 используется для управления. Ce qui est arrivé est illustré à la figure 3.
Рис. 3. Схема управления микроконтроллером новой руки (Cliquez sur l’image pour agrandir)
Bien que ce contrôleur soit déjà obsolète et hors production, il s’agit de l’un des meilleurs développements d’Intel, publié plus tard par Atmel.Les Conceptions de ce MC ne gèlent jamais, elles n’ont pas besoin d’une minuterie de monitoring. Le système de commande est si bon qu’il reste inchangé, malgré l’émergence de nouveaux modèles de la famille MSC-51.
Clignotant LED простой
Закон о статье А. Пахомова в журнале «Радио» № 11, 2012 г., статья И. Нечаева «Из подробностей КЛЛ. Клинотант LED pour un jouet du Nouvel An ». Схема является реалистичной на трехцветных светодиодах и трех динисторах, симметричных DB-3 “extraits” des cartes des cartes defectueuses.
Рис. 4. Схема простой ручной работы Noël LED
Chaque canal de la LED tricolore is contrôlé par son propre générateur de relax, monté sur un DB-3. Considérons le fonctionnement du circuit en utilisant l’exemple d’un canal, par instance le rouge.
Конденсатор C1 с помощью сопротивления R3 является зарядным устройством R1, VD1 по напряжению срабатывания динистора VS1 (32 В). Когда динистор работает, конденсатор C1 заряжается через красный цвет трехцветного светодиода, сопротивление R4 и динистор VS1.Ensuite, le cycle est répété.
Красные элементы, светлые и прозрачные светодиодные трехцветные светильники с собственными собственными и независимыми функциями. Dans le même temps, la fréquence de chaque générateur est différente de l’autre, de sorte que les flashs se produisent avec une période différente. La structure est logée dans unboîtier transparent et peut être utilisée, par instance, com dessus à chevrons. Si vous ajoutez une LED blanche HL2 au circuit, des flashs colors se produiront sur fond blanc.
De nombreuses autres descriptions des концепций национальных радиолюбителей, anciennes ou nouvelles, mauvaises ou bonnes, pourraient être citées, mais toutes ont été faites en presque un seul instance. Les magasins modernes sont submergés d’électronique fabriquée en Chine. Même les guirlandes du Nouvel An et celles chinoises, d’ailleurs, elles ne valent plus rien. Voyons ce qui est caché à l’intérieur.
Contrôleur de guirlande du nouvel an chinois
Extérieicing, tout semble très simple.Une petite boîte en plastique avec un bouton qui contient un cordon d’almentation avec une priise et quatre guirlandes sortent. Lorsqu’elles sont branchées sur une prize, les guirlandes начинают безупречную замену в качестве альтернативы временным эффектам люмьер. Или у 8 de ces effets, сообразных с надписью sous le bouton. D’une simple pression sur un bouton, vous pouvez simplement passer directement au motif lumineux souhaité.
Si vous ouvrez la boîte, tout ce qui se Trouve à l’intérieur est également Assez simple, согласно рисунку 5.
Рисунок 5.
Tous les détails sont visibles ici. Le microcontrôleur, com toujours, se présente sous la forme d’une goutte de composé noir, à côté se Trouve un bouton de commande, une seule diode et trois thristors de sortie.
Il y a de la place sur la carte pour le quatrième tyristor, et si vous le soudez, vous obtenez un canal Supplémentaire. Dans le contrôleur, ce canal, en règle générale, est également cousu. C’est juste que nos amis chinois ont économisé sur un тиристор.Ceux qui ont déjà ouvert de telles unités de contrôle assurent que seuls deux thyristors sont soudés dans определенных boîtiers. L’économie doit être économique! Le nôtre, toujours un soviétique.
Малые размеры тиристоров PCR406 с обратным напряжением 400 В и прямым напряжением 0,8 А. Si nous supposons, который заряжается не более чем на 25% от максимального напряжения, при напряжении 220 В, при напряжении 220 * 0,2 = 44 (Вт).
La figure 6 montre un câblage imprimé qui peut être esquissé diagramme schématique, ce qui a été fait à plusieurs reprises.Ici vous pouvez voir les trous pour le quatrième tyristor, juste celui sur lequel vous avez enregistré.
Рисунок 6.
Экономия на контроле над диодами: вместо четырех диодов, используется по всей карте. Et tout le reste соответствует схеме, иллюстрирующей рисунок 7.
Рисунок 7.
Устройство защиты от напряжения устраняет необходимость в диодах VD1 … VD4 и передает его через сопротивление гасению R1 в брошюре 10 микроконтроллеров.Залейте конденсат электролитического конденсата C1, чтобы избежать напряжения, устраняющего натяжение. Актуальное завершение микроконтроллера – это insignifiante, donc à l’avenir, au lieu d’un pont de quatre diodes, les Chinois ont décidé d’en faire un.
Маленькая нота для дополнения к ансамблю окружного ансамбля. Если диодный стабилитрон обеспечивает стабилизацию напряжения 9 … 12 В, он подключается к параллельному конденсатору C1, что позволяет значительно уменьшить вероятность взрыва микроконтроллера или упрощения взрывов тиристоров.
Сопротивление R7, подключение к брошюре 1 микроконтроллерный заместитель, обращающий особое внимание. Ceci est fait pour se synchronizer avec le réseau afin d’effectuer lecontrôle de phase de la puissance. C’est ce qui fonctionne à l’heure où les lampes des guirlandes s’allument or s’éteignent doucement.
Sur le côté droit du microcontrôleur, il y a des sorties de commande à tyristors et un bouton de commande, qui a été décrit ci-dessus.Тиристоры рассчитываются в момент вылета, соответствующего устройству MC в высоком состоянии, после того, как он соответствует требованиям безопасности.
Parfois, des guirlandes de suissance du Nouvel An sont nécessaires, à partir de plusieurs centaines de watts et plus. Dans ce cas, le circuit considéré peut servir de “cerveau”, иль достаточно проста de le Compléter par de puissants interrupteurs à triac. Выполнение процедуры suivre est illustrée à la figure 8.
Рисунок 8.Schéma d’une guirlande du Nouvel An de haute puissance (cliquez sur l’image pour l’agrandir)
Ici, vous devez faire внимание au fait que le MK est alimenté par une source séparée изолированное гальваническое соединение дю réseau.
Светодиодные лампы Guirlandes
Утилизирует элемент управления с помощью буфера, тиристоры, основные элементы и элементы управления светодиодными лампами. Chaque chaîne contient au moins 20 LED avec des résistances de limitation de courant.
De plus, la concept d’une telle guirlande n’est qu’une énigme chinoise: dans la première moitié de la guirlande, une résistance est soudée à chaque LED, et les dix pièces restantes sont simplement connectées en série. Encore une fois, en économisant dix résistances à la fois.
Cette concept peut apparemment s’expliquer par la technologie de production. Par instance, sur une ligne, la première moitié est assemblée, qui est avec des résistances, et sur l’autre ligne, sans résistances.Ensuite, il ne reste plus qu’à relier les deux moitiés en un tout. Предположение Mais ce n’est qu’une.
Il reste à espérer que tout est en ordre pour vous, du moins avec les guirlandes du nouvel an. Par conséquent, décorez le sapin de Noël, dressez la table de fête, invitz des invités, célébrez le nouvel an. Bonne année, camarades, amis, messieurs! C’estcom tu veux.
Дмитрий Кандинский
Мы продолжаем знакомство с новыми тенденциями в области альтернативных источников энергии в сотрудничестве с Томским центром экономики ресурсов и эффективности.Vous pouvez envoyer vos questions aux spécialistes de la rédaction [протеже электронной почты] Et aujourd’hui les guirlandes sont à l’ordre du jour.L’agitation du Nouvel An Bat son plein. Les rues, les bureaux et les appartements brillaient des lumières des guirlandes du Nouvel An, et à cette époque, особенно важны для всех четырех стран для того, чтобы оставить вакансии soient non seulement amusantes, mais aussi sûres. guirlandes du Nouvel An sont présentées dans magasins – pour tous, même les plus arbre de noël créatif, il existe des ampoules dans une different de couleurs, de tailles et de formes.Mais le type d’appareil du Nouvel An n’est pas le seul critère à suivre lors du choix d’un produit. Le but des guirlandes est différent: pour la décoration intérieur, pour l’extérieur et pour le sapin de Noël. En conséquence, quelque part, nous avons besoin d’un appareil “résistant au gel”, quelque part – avec un transfert de chaleur minimal, afin de ne pas faire fondre les branch d’une beauté artificielle du Nouvel An, et quelque part nous Devrons prendre en compte la résistance à l’humidité de la guirlande – au cas où vous décideriez de faire de votre maison de campagne une décoration pour un American Film de Noël.
Guirlandes с лампами накаливания
Cette décoration nous est familière depuis l’enfance. Les guirlandes de fabrication soviétique étaient livrées dans un ensemble avec des ampoules de rechange, и инструкции для брюк и remplacer les ampoules grillées. Les premières guirlandes du Nouvel Неоднозначный переход на различные мотивы и согласованные на двух цветах с ранжированием цветов, спокойные аппетитные элементы и безупречное дополнение к праздникам – JOJ-1.Усовершенствованный материал для ламп накаливания, стремительный и удобный декор в искусственном искусстве Нового Ан-эль-Эля, простой фон для пластических масс. Все это заменено на украшения из светодиодов, а также на современные и дополнительные элементы.
Guirlandes LED
Aujourd’hui, ils sont les plus populaires car ils se caractérisent par une faible consommentation d’énergie et une sécurité incendie élevée. Contrairement aux guirlandes avec lampes à incandescence, elles chauffent à peine.Si les lampes ordinaires ne dépensent que 10% de l’électricité qu’elles consomment pour l’éclairage – tout le reste sert à chauffer l’appareil, alors Ampoule LEDà faible dégagement de chaleur, elles donnent plus de lumière, ce qui les rend beaucoup plus économiques que les lampes à накаливания. Они используют эти предметы для декорации и импортации, выходящие из дома, увертюру де порте или фенетр в квартире и т. Д., И мэм ле плафон – иль н’ы аура па де следы «брюле». Comme les lampes à LED homestiques, les guirlandes à LED se caractérisent par une минимальной энергии и ont une longue durée de vie – jusqu’à 50 000 heures.Ce n’est pas seulement un moyen sûr, mais aussi écoénergétique de décorer un appartement – avec eux, le prix de l’électricité dans les reçus du Nouvel An, bien qu’un peu, mais sera inférieur – c’est un Bonus tellement фестивальный.
Les types les plus courants de guirlandes LED:
Duralight est un cordon (ou ruban adhésif) в пластическом прозрачном супе, в l’intérieur duquel se cache Bande lumineuse LED … Il ya des marques spéciales sur une telle guirlande, et si nécessaire, elle peut être coupée à la taille souhaitée.Ce type est scellé, устойчивый к метеорологическим изменениям и удобству в декоре фасадов bâtiments et des troncs arbres de rue … De plus, il est très pratique de créer diverses formes lumineuses sur les murs ou les fenêtres. En raison de sa durabilité, le duralight est souvent utilisé, non seulement com attribut du Nouvel An, mais égalementcom replace aux enseignes publicitaires au néon.
Cliplight – это фильтр с низким напряжением, светодиодный, расположенный в регулируемых интервалах, – это еще не все, что нужно для украшения парков и фасадов зданий.De plus, cette guirlande ne génère quasiment pas de chaleur, ce qui signifie que ni l’arbre vivant ni l’arbre artificiel n’en souffriront.
Playlight ou “pluie légère” – большие плюсы с ампулами различных цветов, при помощи света для путешествий. Ces guirlandes sont appréciées pour “l’effet cascade” – l’un des режимы очистки de la guirlande.
Поясной фонарь – кордон avec поддерживает стандартное напряжение басовых ламп avec culot E27. Эта структура идеально сочетается с декором фасадов зданий и грандиозных структур.
Интрессант!
Aujourd’hui, il y a des guirlandes de Noël et énergie solaire, qui conviennent Principalement в l’éclairage public. Ces guirlandes sont autonomes – vous n’avez pas besoin de les connecter au réseau. Подвеска les heures de clarté, la batterie stocke de l’énergie, ce qui est suffisant pour travailler la nuit. C’est l’option la plus économique en termes de consomservation d’électricité – elle ne consomme pas du tout d’électricité.Bien que de telles guirlandes soient disponibles, Principalement sur commande, elles pourraient bientôt entrer sur le marché de la consomation de masse.
Комментарий choisir une guirlande de qualité?
Lors de l’achat d’une guirlande, faites внимание à la présence d’instructions en russe dans le kit, où le Caractéristiques produit et la destination du produit: il est destiné à la décoration d’une rue ou d’une maison, peut-il être accroché à un sapin de Noël, y included artificiel.
Подтверждение соответствия требованиям ГОСТ. Vérifiez également vous-même la qualité de la connexion du cordon avec l’unité de commande et la price, ainsi que le fonctionnement de tous les mode d’éclairage de la guirlande.
Séparément, il vaut la peine d’examiner le block pour changer de mode – vous pouvez même appuyer légèrement dessus. Si les parois en plastique sont “séparées”, vous ne devriez pas acheter de guirlande.
Нюанс: расстояние между ценой и премьерой ампулы до метра и деми, а также отфильтрованное расстояние 0,5 миллиметра карре. Обеспечение безопасности при подаче энергии на 50 Вт. Эта информация предоставляется атташе по вопросам этикета на приз.
Choisissez la bonne guirlande de Noël, tenez compte du lieu d’utilisation, ne laissez pas l’appareil de travail sans наблюдения, и vos vacances s’avéreront definitivement sûres, gentilles et chaleureuses de manière familiale.
Надежная связь с признаком / длиной (число светодиодов) – обещанные светодиоды 40 м / 400 и мощность (75, 300, 650 Вт, !!!), мощность до 650 Вт!? 🙂
En fait, plusieurs guirlandes ont été commandées sur le site à la fois. L’un, qui porte un chapeau, été acheté pour s’ajouter à ceux déjà, disponibles sur maison de campagne … Le second a été acheté EXCLUSIVEMENT par curiosité – je m’intéressais aux caractéristiques spécifiées… et pas pour trop y croire (je ne croyais pas vraiment à l’utilisation de LED sur une guirlande supérieure à 1W chacune), mais Je pensais CE QUE peut devenir un sapin de Noël LUMINEUX s’il est décoré de 650W de lumière LED (да, laissez au moins la moitié des déclarés le seront!).
Le troisième collègue s’est demandé – это самое лучшее, что вам нужно для разнообразного напитка за 1 штуку.
(На момент подачи заявления, если это возможно, то есть три возможных варианта для гарантии – 75 Вт, 300 Вт и 650 Вт)
Tout est arrivé Assez vite, oui! Je ne m’attendais pas à ce qu’ils livrent à NG, mais ici, en fait, un peu plus de quelques semaines de livraison – круто! Livré par le service de livraison CDEK.
Mais comment a-t-il été livré! …
il y a eu deux commandes (pour trois guirlandes), nous sommes arrivés en ville un jour et avons immédiatement appelé / Convention de la livraison par Coursier. Le lendemain, le Coursier a apporté le colis ONE! Une demi-heure plus tard, ils ont appelé du service de livraison et ont offer de venir chercher le deuxième par eux-mêmes! Lorsqu’on leur a require pourquoi il était cannot d’en apporter deux à la fois par Coursier, ils ont répondu (comment ils ont tué) – ce type de livraison a été choisi par un magasin chinois!
Que devrais-je faire? J’ai dû traverser la moitié de la ville (40 минут простой аллергии), pour lequel bien sûr j’étais infiniment “разведчик” en le magasin … eh bien, qu’est-ce qu’il y a vraiment là, d’accord pour ne pas Aller в Хабаровск (промежуточный пункт lors de la livraison :)! J’attends une autre commande de leur part et en interne je me fatigue – où аллергент !? 🙂
… tout a livré dans “la meilleure form possible” …
La boite était “presque” intacte :))) et le tout dans une sorte de boue, une épaisse couche de poussière noire quelconque (ce n’était clairement pas le Courrier qui était en cause) – sur la photo la poussière a été plus ou moins enlevée, ce n’est pas frappant.
L’ensemble apporté par le Coursier comprenait également des félicitations et une remise de 5/100 du magasin.
Chaque guirlande était сопровождает “инструкция” 🙂
Tout d’abord, bien sûr, j’ai vérifié celui apporté par le Coursier – il s’allume, mais il ne semblait pas être 300W (этот вариант на фото) :))
La guirlande se compose de (400? – honnêtement je n’ai pas compté combien) de LED avec un “entonnoir” – une lentille qui diffuse la lumière sur les côtés, ceci est fait pour une lueur uniforme de la LED dans toutes les направлениях.Les fils sont très souples, супы изолятов.
L’alimentation – это единый блок управления для опций безопасности. Appuyez sur le bouton pour changer l’effet.
En général, les guirlandes qui sont arrivées ont des blocs légèrement différents (bien qu’ils soient probablement plus ou moins взаимозаменяемые). Les blocs diffèrent par les courants de sortie (il s’avère pour une raison) и le facteur de forme de la fiche – l’un des blocs envoyés a des contact plats et un adapateur, les autres sont des fiches européennes.
Pour se Connecter à la guirlande, unconnecteur à deux broches est utilisé, qui n’a pas de “clé” для доброй полярности связи.
Curieusement, la guirlande fonctionne de la même manière quelle que soit la polarité de l’interrupteur, ce qui m’a d’abord intrigué … car sur la guirlande elle-même, à part les LED, il n ‘ У вас есть диоды и другие решения для проблемы инверсии поляризации.
Tout s’est avéré trivial – модуль управления двойными импульсами.Par conséquent, quelle que soit la polarité d’allumage, les LED s’allument un demi-cycle, l’autre est allumé avec une polarité inversée. Je ne sais vraiment pas comment celaffectera la durabilité de la guirlande …
Eh bien, la prochaine selected que j’ai faite a été de mesurer la consomitation actuelle – après tout, dans le magasin (cette option specific) elle était déclarée Com “мощность: 300 Вт” – c’était très curieux, d’autant plus qu’une autre était généralement déclarée с 650 Вт (на l’heure des mesures, иль n’avait pas en été reçu).
Déconnecté l’unité de contrôle de la guirlande. Чтобы установить 30 В на блок питания и подключить его, вы получите результат 0,1 А … = 3 Вт? Ну и дела … la différence est 100 fois, вероятно dans l’erreur “chinoise” … je n’avais même pas compté sur une telle différence 🙂
Le reste n’a même pas mesuré …
La выбрал la plus intéressante m’attendait après voir reçu un autre colis , quand j’ai Disposé trois guirlandes les unes à côté des autres… Elles étaient trop sensiblement différentes par la taille du “tas” de trois guirlandes de 40 mètres.
Au fait, c’est com ça qu’ils brillent …
Même l’œil nu pouvait voir la différence dans la longueur des cordes et le nombre de LED. Больше 400 мест, которые нужно отдать, и не более 40 метров в длину, вы не согласны с девушкой.
J’ai déroulé la guirlande la plus légère et mesuré la longueur – elle s’est avérée être de 20 mètres!
Bref, j’ai écrit une “diffamation” à l’appui du magasin (je ne me souvenais même pas de la poussière et de la saleté sur les cartons – et après tout, ils pouvaient au moins les essuyer avant de les envoyer !).
La lettre était intitulée «incohérence des caractéristiques de la marchandise» и était join descran de la commande et de la description du lot. Un peu plus d’un jour plus tard j’ai reçu une réponse “trèsauceante” :))) –
Cher client,Nous vous remercions de votre commande.
Вот и все, что вам нужно.
Veuillez Trouver votre numéro de suivi ETSSD100 ****** 0YQ.
Veuillez vérifier l’état de l’expédition dans ce lien:Bonne journée!
Salutations,
Olivier
Bon, encore une fois la confirm que souvent personne ne lit même nos lettres: ((Sur Ali je tombe régulièrement sur ça)
Après un specific temps, j’ai surve une nuance la page de commande – lors du пассаж à la version en russe (номинальная оппозиция à la version anglaise), lors du choix de trois options pour les marchandises, la longueur de la guirlande change également, bien que ce soit en quelque sorte “непостижимо” – 75 Вт с максимальной длиной 20 метров, 300 Вт – 50 метров, 650 Вт – 40 метров… Bref, de l’étain!
Et le prix est le même, mais pourquoi devrais-je acheter 20 mètres, si vous pouvez en acheter 50 pour le même prix!?
J’ai écrit une lettre avec une demande d’envoyer les “manquants” …
… Il n’y avait pas de réponse …
Après un specific temps, j’ai écrit à une autre adresse avec des reclamations pour deux commandes (une autre n’est pas arrivée fin février – elle a été commandée quelque part en novembre). L’histoire s’est presque répétée – deux mois de correance! Du coup, на réussi à récupérer l’argent de la personne disparue, et pour le 20 mètres envoyé (au lieu de 40), je n’ai jamais reçu de l’argent, sans parler d’indemnisation.
Voici l’histoire de l’achat 🙂 Il n’y a rien à redire aux guirlandes elles-mêmes, tout fonctionne.
Vers les réclamations du magasin – “c’est un euphémisme” description incorrecte du produit – SUR TOUTES les guirlandes est mal indiqué puissance (diffère des centaines de fois!) (Один из двух человек плюс Courte) et le nombre de LED.
Эта статья открыта в продаже и в продаже!
Travail de soutien dégoûtant (en d’autres termes, il n’y est pas du tout!)
Bref, vous pouvez tout décrire en un mot BARDAK complete!
Je n’ai jamais acheté dans ce magasin auparavant, mais je n’achètera specificement pas chez eux à l’avenir (et je ne le consille à personne!), Car un achat coûteux avec un problème “неразрешимый” для определения être à la place de la guirlande.
Enfin, un peu “à Propos du Bien” – la guirlande fonctionne toujours …
J’ai accroché une courte guirlande “jaune” à la maison pour les vacances – ça ressemblait à ça. Acheté celui-ci qui longe la corniche en haut …
Je prevois d’acheter +7 Ajouter aux Favoris J’ai Ame La Critique +31 +50Bonne journée, chers amis! Aujourd’hui, nous allons à nouveau parler d’économie d’électricité, dans les précéients, nous avons compté la Quantité d’électricité consommée par les appareils ménagers (aspirateur, micro-ondes), et aujourd’hui nous de allons ess calculer la Quantité d’électricité consommée par les ampoules de votre maison il est possible d’économiser en quelque sorte sur la consomitation électrique des ampoules.
Voyons не предназначены для использования в помещениях без ампул в апартаментах, в типах солнечных батарей и в сувенирах, используемых в повседневной жизни:
- Лампа накаливания
- Люминесцентная лампа (экономия энергии
- ) LED
Lampes incandescentes
Calculons la Quantité d’électricité consommée par les ampoules ordinaires de différentes puissances, les plus populaires dans la vie de tous les jours.
Энергетическая мощность:
Мощность 60 Вт – электрическая мощность 60 Вт или 0,06 киловатт номинальной мощности
Мощность 95 Вт – мощность 95 Вт 0,095 кВт мощность
Мощность 100 Вт – мощность 100 Вт Подвеска мощностью 0,1 киловатт 1 час.
Pour convert l’électricité de Watts en kilowatts, vous devez compter 3 chiffres de droite à gauche et mettre une virgule devant, s’il n’y a que deux ou 1 chiffres, puis mettre 1 ou 2 autres zéros devant ce chiffre . Номинальная мощность 75 Вт = 0,075 кВт, мощность 2 штук на замену 3-х лампочек 0,7 Вт = 0,007 кВт, мощность 155 Вт = 0,155 кВт.
Комбинированные калькуляторы для использования люмьеров, например, на 3 акра (столовая, кухня, комната) и 3 на 60 Вт (кулуар, туалеты, душевая кабина).
Combien d’électricité dépensons-nous
Prenez, par instance, 3 залить 100 Вт кулон сгорания 5 часов и 1 источник тепла 6 часов по номиналу, количество предметов 3 штуки за кулон мощностью 300 Вт 6 мощность 1800 Вт или 1,8 кВт.
un autre 3 для 60W, supposons que chacun brûle pendant 1 heure par jour, всего nous obtenons un total de 3 * 60 Вт = 180 Вт или 0,18 кВт. Всего золота, около 2 квт номинала.
Combien d’électricité consomme un ordinateur Portable?
Использование ламп накаливания, электрическое энергосбережение:
Всего за 1 день égal à 1,8 кВт + 0,18 кВт ~ 2 кВт
Всего за 1 день производства 2 кВт * 30 часов = 60 кВт
Combien devrez-vous payer?
Prenons le coût pour 1 киловатт = 4 руб.
Ensuite pour 1 heure d’une lampe 60W nous paierons 0,06 * 4 р = 24 коп.
налить 1 лампу 95 или 100Вт = 0,1 * 4р = 40 коп.
Lors de l’utilisation de 6 ампул 3 – 100 Вт 6 ч / день и 3-60 Вт 1 час 180 Вт / день на счет:
Coûts pour 1 jour, nous obtenons 2 кВт * 4 p = 8 рублей номиналом
кулон 1 месяц 60 кВт * 4 р = 240 руб. dans 1 mois
Avant de procéder au calc de la consomitation ennergétique des types de lamas suivants, il convient de noter qu’à puissance d’éclairage égale, la consommentation électrique sera très différente.Par conséquent, pour les calcs ultérieurs, nous prendrons des ampoules égales à la puissance de luminescence des lampes à candescence условные.
Nous présentons un tableau derelance de la consompting electrique d’ampoules de même flux lumineux. C’est-à-dire que chaque colne du tableau a la même puissance de luminescence. La première ligne est la puissance de la lampe économie d’énergie, la deuxième ligne is la puissance de la lampe à incandescence avec le flux lumineux Соответствующий.
В 1-й колонне, на выходе из лампы с экономией энергии 6 Вт, яркой лампы накаливания мощностью 30 Вт.
Таблица двух линий, в которых видна связь между светодиодами и лампами накаливания.
Lampes fluorescentes (économie d’énergie)
Ensuite, pour que la maison reste aussi lumineuse qu’avec des ampoules ordinaires, vous devez mettre les lampes incandescentes relatedantes, c’est-à-dire watts lieu de 60 , nous en mettons un économie d’énergie à 12W, au replace, nous mettons une énergie- en économisant un à 20W, nous réduirons donc la consomutation d’énergie et paierons 5 fois moins.
Combien d’électricité consomme un réfrigérateur?
Комбинация электрических ламп
Комбинированные электрические лампы флуоресцентных ламп, потребляющие только 6 ампул, 3 дополнительных стакана, на 20 Вт и 3 на 60, на 12 Вт.
On a:
3 ампулы, подвеска из чакуне, 6 часов, номинальная мощность в ампуле chaque, номинальная мощность 20 Вт, номинальная мощность 360 Вт. + 3 ампулы налейте масло при номинальной мощности 12 Вт / час = 36 Вт.
Всего залить 1 час: 360 Вт + 36 Вт = 396 Вт = 0,4 киловатт
Всего залить 1 моис: 0,4 * 30 = 12 киловатт
Комбинированное потребление плательщика?
Итого за мойку на плательщиках за чистоту:
Итого в рублях за 1 месяц: 12 кВт * 4 р = 48 руб.
En conséquence, lors de l’utilisation de lampes à économie d’énergie, au lieu de 240 рублей по номиналу, nous paierons 48 рублей. Et si vous regardez les économies sur 1 an, alors au lieu de 2880 рублей, nous paierons 576 рублей.
Les avantages sont évidents, la consomutation d’énergie est réduite de 5 fois. Есть ли возможность выхода на бис в экономическом режиме плюс усовершенствование электрической одежды?
Passons à un luminaire encore plus intéressant et économique.
LED
Les lampes de ce type sont encore plus économiques et consomment de l’électricité non pas 5 fois moins que les ampoules ordinaires, mais en 7. Autrement dit, si nous voulons remplacer 75 Вт, la LED s’adaptera На 10 Вт, снова и снова, снова и снова.
панья ва куджифанья на репеллер ва панья. Kufanya panya wa ультразвуковой отпугиватель na wa panya kwa mikono yako mwenyewe
Njia za kisasa za kuangamiza panya hukuruhusu kujikwamua uwepo wao nyumbani haraka na kwa ufanisi. Mmoja wao ni watoaji wa ультразвуковой, ambao wanapata umaarufu kati ya idadi ya watu. Je! Vifaa kama hivyo hufanya kazije, ni sheria gani za kuzitumia nyumbani, na jinsi ya kufanya reller yako ya ультразвуковой кулинда дхиди ya wadudu?
Panya na woga wa panya-msingi wa Ультразвук hutoa sauti kwa masafa ya juu.Хаватамбу на ванадаму, лакини хукаматва пеке на панья.
Кази я кифаа ни куунда кутетемека ква саути на масафа катика киванго ча 30 – 70 кГц ква нгуву фулани.
Vifaa vingi vya kisasa hutoa mawimbi ya ultrasonic tu. Lakini pia kuna zile zinazozalisha kunde za elektroniki. Kulingana на njia ya kusambaza umeme, vifaa vya aina hii vinagawanywa na wataalamu katika hali ya kudumu na inayoweza kubeba. Икива Кази Я Замани Инашукуру Ква Гриди Я Нгуву, Баси Я Мвишо – Кутока Ква Бетри Ау Мкусаньико.Mawimbi ya umeme katika vifaa vya kisasa zaidi yanaweza kupenya kuta na saruji, lakini sio chuma. Vifaa vya ультразвуковой hufanya kazi tu kwenye eneo la chumba tofauti. Ультразвук juu ya kuwasiliana na uso huwa inaonekana kutoka kwake.
Вакати ва кунунуа репеллер тайари, унапасва кузингатия сифа за киуфунди, мавасилиано я виаширия вьяке ква хали я карибу, утавала ва джото ндани я чумба, атари за мавимби ква ваньяма ва кипензия.
Видео “Jifanyie mwenyewe Repeller wa ultrasonic”
Машарти я матумизи
Huwezi kutumia njia zingine dhidi ya panya – mitego, baiti, na kadhalika – wakati huo huo na репеллер iliyowekwa kwenye chumba.Тафадхали кумбука кува кифаа ча ультразвуковой китафанья кази ту катика чумба тофаути. Икива унахитаджи куфанйа хивйо катика вьюмба винги, пата вифаа кадхаа. Itajionyesha kwa ufanisi zaidi katika chumba ambacho kuna kiwango cha chini cha samani zilizopandwa na vitu vingine.
Kifaa kinachotumiwa na Betri kinapendekezwa kutumiwa tu katika vyumba vya joto. Kwa uwepo wa joto la chini, betri zinaweza kufungia na kushindwa. Майша я куенделеа я репеллер янапасва кува вики 3 хади 4. Баада я хапо, кусафиша кабиса хуфанива.Na nyufa zilizopatikana zimefungwa или wadudu wasiingie nyumbani.
Вакати ва оперешени я кифаа, века чумба сафи, фича бидха за чакула, тоа такатака ква вакати. Vitisho vya Ultrasonic havijatengenezwa или kuzuia panya. Baada ya kuangamizwa kwa wadudu, kuwaweka juu sio thamani. Ква кува панья мпйа ванапоонекана ньюмбани, ванавеза кузоеа харака саути инайокасириша, баси хакутакува на маана я кутумия кифаа.
Utengenezaji wa DIY
Kwenye mtandao, wapenzi na mafundi wanaweza kupata michoro nyingi zinazoelezea jinsi ya kutengeneza panya wa ультразвуковой отпугиватель ва панья ква миконо яо wenyewe haraka na kwa ufanisi.
Uwezekano mkubwa zaidi, utahitaji vipinga tofauti na rahisi – zile za kwanza zinahitajika kuweka kiwango cha pato la ultrasound, na ya mwisho or kupunguza Voltage kwenye mtandao. Транзисторы на конденсаторы – watasaidia kuunda mzunguko wa mzunguko. Mtoaji wa piezo pia ni muhimu – huwa hutoa ishara za ultrasonic. Usisahau juu ya diode – киту кама хичо ча зиада китахитаджика или кулинда репеллер ивапо кутакува на унганишо сахихи ква маене. Сехему ньингине мухиму я кифаа ни кубадили кугеуза.Hii ni swichi ambayo itakuruhusu kuleta kifaa kufanya kazi au kuzima. Катика мчакато ва куунда кифаа, мту хавези куфанья бил вифаа вя любитель ва редио, амбайо инарухусу мзунгуко ва редио куузва.
Ustadi maalum utahitajika kukusanya vifaa vyenye uwezo wa kubadilisha kiatomati anuwai ya mitetemo ya ультразвуковой. Мзунгуко ва мзунгуко катика отпугиватель кама хийо unapaswa kutokea ква муда маалум. Kifaa kinapaswa kupangiliwa kwa hatua, kuanzia na uamuzi wa mzunguko wa operesheni ya kitu maalum cha kuzalisha.
Видео “Ультразвуковой отпугиватель паня”
Видео hutoa muhtasari wa vifaa bora vya kukataza panya.
Moles katika kottage ya majira ya joto au bustani ndio hatari kuu kwa mavuno ya baadaye. Хапо авали, kudhibiti вадуду хава ва панья, нджа за кемикали ау митамбо зилитумика амбазо зиливарухусу кууава.
Лео, куна нджа заиди за кибинадаму за купамбана на вадуду хава – вифаа маалум вйа электроники амбавьо виногопа ваньяма кутока ква вавути ква мсаада ва саути.
Idadi kubwa ya vifaa vile hutolewa kwenye soko la watumiaji, lakini mara nyingi ni ghali sana na sio kila mtu anayeweza kumudu. Lakini mtu yeyote ambaye anajua kidogo juu ya vifaa vya elektroniki anaweza kumfanya mchuzi wa mol kwa mikono yao kwenye microcircuit.
Kifaa cha kurudisha moles, kilichotengenezwa kwa mikono, ni kifaa rahisi cha kimuundo kulingana na mzunguko wa mtoaji wa mol ya ultrasonic.
Chuma cha kawaida kinaweza kubaki kutoka kwa kahawa au chakula cha wanyama wa kipenzi inaweza kutumika kama mwili kwa mpiga repoti.
Или kuhakikisha ulinzi wa vifaa vya elektroniki, lazima iwe muhuri na kifuniko. Мзунгуко ва электроники ва кифаа утатоа малези я мсукумо ва саути амбао хаувези кувумилива ква молес – хии итавалазимиша куондока харака катика вилайя зилизочукулива.
Убунифу ва курудиша
Ili kuunda nyepesi rahisi zaidi ya mol ya elektroniki na mikono yako mwenyewe, mzunguko wa elektroniki lazima ujumuishe vidonge viwili vya mantiki, transistor na vipinga vya kupita, ambavyoИли kuwezesha mzunguko kama huo, Betri 3 AA au betri zinazoweza kuchajiwa zitatosha. Mifumo anuwai ya dawa rahisi ya kurudisha mol inaweza kupatikana kwenye mtandao.
Ква вале амбао хаватаки кутафута киту на куджа на киту пеке яо, унавеза куфанья дихаки я моле на миконо яко мвеневе квенье NE555. NE555 ni mzunguko uliojumuishwa kwenye rafu, aina ya kipima muda ambacho hutengeneza mapigo ya sauti ya kurudia na wakati thabiti.
Jukumu la mtoaji wa wimbi la sauti, ambalo mzunguko wa ne555 hutengeneza katika reller ya mol, inaweza kufanywa na kifurushi cha kawaida cha simu cha TK-67-NT.Inaweza kuchukuliwa kutoka kwa simu ya rununu ya zamani. Видонге вья айна хии хутоа мавимби я саути визури катика масафа я 0,3 … 3,4 кГц, амбайо ни сава ква кутулиза вадуду ванаохамия дуниани.
Отпугиватель куанциша на кутуме
Baada ya mzunguko wa elektroniki wa kifaa kutayarishwa, kidonge cha simu na betri zimeunganishwa nayo, zinapaswa kuwekwa kwenye jar na kufungwa na kifuniko kilichofungwa.
Kuondoa kufungwa kwa nyimbo za mawasiliano za bodi ya mzunguko iliyochapishwa na uharibifu wa betri, zinaweza kuwekwa kwenye mfuko wa plastiki kabla ya kila kitu kuwekwa kwenye jar.
Или курекэбиша урефу ва мзунгуко на мзунгуко, тумиа випинга-кудхибити вья электроники.
Mlipaji wa elektroniki aliyekamilika anapaswa kuzikwa chini karibu na mahali ambapo moles zinaonekana, na itaanza kuchukua hatua. Uwezo ва бетри тату zitatosha kwa kifaa kufanya kazi kwa msimu mzima, kulinda kwa ufanisi eneo hilo kutoka kwa wadudu.
Видео: Je! Wewe mwenyewe ni mlaji wa mol kutoka kwa bati
Ikiwa wewe ni mmiliki wa nyumba ndogo ya majira ya joto, shamba la mizabibu au nyumba kijijini, basi unajua ni panya gani panya, panya na panya zingine zinaweza kusababisha, naisi ni gharama ni gharama kari kutumia njia za kawaida.Карибу haiwezekani kuondoa kila aina ya panya kwa kutumia sumu anuwai. Митего я киуфунди пиа хайвези купунгуза ква каси идади я вадуду хава, на киса мтоаджи ва панья ва ультразвуковой атакусайдия.
Jukumu la jambo kuu la mzunguko wa panya wa panya wa ультразвуковой unachezwa na jenereta ya ishara, ambayo imejengwa kwa msingi wa multivibrator ya ulinganifu. Mzunguko wake unaweza kuwa anuwai katika anuwai kutoka 25 хади 50 кГц. Kutoka kwa pato la jenereta ya ультразвуковой, ishara hupita kwa kipaza sauti cha nguvu, kwa pato ambalo kichwa kinachotoa Sp1 kimeunganishwa.
Mchoro wa muundo wa panya wa Ультразвуковой
Ili kuhesabu mzunguko wa operesheni ya multitivibrator, unaweza kutumia fomula ifuatayo:
F = 1 / (R5xC6 + R7xC5), ambapo upinzani wa wapinzani ni katika ohms, na uwezo wa конденсаторы uko katika farads.
Lakini ikumbukwe kwamba frequency ya kufanya kazi ya multitivibrator inategemea sio tu kwa vifaa vya kupita R5, R7, C5, C6, lakini pia na operesheni ya transistor VT1 inayofanya kazi.Hiyo ni, masafa yatakuwa ndogo wakati transistor imefungwa na ya juu zaidi ikiwa iko wazi.
Njia ya uendeshaji wa transistor ya kwanza imeathiriwa moja kwa moja na ile iliyojengwa kwenye vitu DD1.1 na DD1.2. микросхема K176LA3 на R3C2 ya kila wakati ambayo hubadilisha upepo wa Voltage kwenye pato kuwa ishara ya trapezoidal.
Mzunguko wa jenereta umewekwa na mnyororo wa RC ulio na vifaa R2 na C1. Ква хивё, ишара я модуляй я масафа я юу кутока ква дженерета итабадилиша масафа яке кутока 25 хади 50 кГц такрибан кила секунде 0.5.
Мтоаджи ва ишара я саути анавеза кукусанива кутока ква спика я кавайда на кипанде ча фанера, на макутано улиомализика унавеза кувеква квенье полиэтиилини на кузиква ардхини
Kifaa hufanya казы kikamilifu ndani Я. ENEO л Хади м 10. Ikiwa п muhimu kuongeza ENEO ли mfiduo, Basi inahitajika kuunganisha kifurushi ча пьезоэлектрический kupitia kipaza Саутите chenye nguvu, ambacho kinaweza kukusanywa ква ква mkono kutumia mzunguko в kawaida в транзистор.
Kwenye vitu I-NOT DD1.1 na DD1.2, осциллятор ya masafa ya infra-low imejengwa kushikamana na transistor ya VT1. Транзистор hii huongeza nguvu zao za sasa na wakati huo huo huo hufanya kazi ya swichi ya elektroniki inayodhibiti optocoupler. Оптопара тиристорная хутумива кама кикунди ча мачо. Сура я кунде квенье пато ла дженерета ни мстатили, ква хивио транзистор я кванза, кулингана на сехему я мбеле я кунде, хуфунгулива полюс на куфунгва мара ква мара. Оптопара, катика mzunguko wa ushuru wa transistor ya bipolar, inasimamia vizuri wakati wa jenereta ya pili kwenye vitu DD2.1 н / д DD2.2. Ква хивё, масафа яке хутофаутиана сана кутока 20 хади 80 кГц.
Ультразвуковой отпугиватель панья, anuwai ya mpango kwa watoaji kadhaa
Vipengele DD2.3 на DD2.4 я микросхема я K561LA7 имейумуишва катика юкуму ля инверторы ква “кугэуза” усилитель илиёкусаньика квенье VT2 – транзисторы VT5. Озеро катика дука, айна хийо хиё я видонге вя пьезоэлектрическая вимеунганишва. Idadi yao yote katika mzunguko huu inaweza kufikia 8. Lakini kumbuka kuwa wakati wa kuunganisha zaidi ya vitu vinne vya umeme kwa uzalishaji wa mzunguko, транзисторы lazima ziwekwe kwautiye radiator.
Пьезоэлементы на резонансной частоте 20 хади 80 кГц hutumiwa kama излучатели и ультразвук. Kwa sauti, hutumia sasa ya mpangilio wa 30-50 mA, kwa hivyo, kwa mzunguko huu lazima kuwe na nguvu inayofaa, imetulia, na Voltage Ya Pato la 12 V.
Upinzani wa kutofautiana R3 hutumiwa kuchagua masafa ambayo kifaa kitabadilisha masafa ya колебание. Ква кува сикио ла мванадаму хурекебиша мпака ва чини ва масафа я дженерета катика масафа куточка 16 хади 20 кГц, баси мзунгуко улиопангва ква усахихи «утасикика» ква муда мфупи на сикио ла мванадаму.Хии итакува саути я чини, кама саути я филимби.
Miongoni mwa mitetemo ya hewa, ультразвук, ambayo haijulikani na mtu, ni ya kupendeza; 20 кГц inachukuliwa kama masafa ya chini. Вадуду, попо хутумия завади хии я асили, ква мавасилиано, на ква увиндаджи ау маенео я купата на кузуя визуизи ква кутокуонекана. Baada ya kukopa wazo, mtu huchukua wazo hilo kwenye safu yake ya silaha.
Kuna njia kadhaa za kukabiliana na uvamizi wa panya nyumbani kwako peke yako na kwa bure.Или kutengeneza panya ya ультразвуковой на репеллер ya panya kwa mikono yako mwenyewe, hauitaji gharama yoyote zaidi ya kununua vifaa vya asili.
Kuna mambo kadhaa ya kuzingatia wakati unashughulika na wadudu mwenyewe. Bila kujali Ni Njia Gani unayotumia, Ya Mwili, kemikali au elektroniki, lazima ukumbuke kuzuia wadudu wowote au kwa gharama yoyote. Wanaweza Кува Хатари Квани Вэнгине Вао Ни Суму. Пиа, ikiwa wanahisi kutishiwa, wanaweza kuuma. Панья, панья на попо вакати mwingine hubeba magonjwa, на mawasiliano ya karibu nao yanaweza kueneza ugonjwa.Ikiwa unatumia kemikali na kadhalika kuondoa wadudu, kumbuka kwamba ikiwa ni hatari kwa wanyama, basi kwa uwezekano wote pia ni hatari kwako.
Panya sio wadudu tu, lakini pia inaweza kuwa hatari kwa wanadamu.
Ультразвуковой отпугиватель паней Торнадо-200
Njia za ультразвуковой зина фаида кадхаа юу я нджа за кимаумбиле на за кемикали, ква джумла на катика кеси вакати зинаундва ква ухуру. Ква уджумла, ни рахиси на сио укатили ква ваньяма. Vifaa hivi havina uwezo wa kuua wadudu lakini ni bora sana linapokuja suala la kuwafukuza.Unapofanya udhibiti wako mwenyewe wa wadudu, hakuna haja ya kutumia mitego kubwa na kushughulikia kemikali zenye sumu. Памоджа, на вифаа вья электроники, хайфай кува на васиваси юу я мазингира, квани хакуна чочоте киличоачва ньюма.
Кануни я утендаджи
Wakati wa kutumia репеллер ya elektroniki, mawimbi ya ультразвуковой hutumiwa kuhakikisha kuwa panya hazitulii ndani ya nyumba. Iliyoundwa kwa njia ya elektroniki, mawimbi haya hutolewa ndani ya eneo hilo na kuwasiliana na panya.
Ikiwa panya au panya watawasiliana na mawimbi, watahisi mawimbi yakigonga mbali na miili yao na kugeukia upande mwingine. Ni hisia ambazo panya hawapendi na hawatambui.
Vifaa hivi vitaunda uwanja wa nguvu ambao utawarudisha panya na kuwaweka pembeni. Шида ни квамба мавимби ни марефу на мара ньинги хуфуата нджиа ндого. Ква мфано, ikiwa utaweka kifaa kwenye sebule kwenye ukuta wa nyuma, boriti inaweza kufikia urefu wa nusu ya chumba. Ikiwa panya haziingii kwenye njia ya boriti, watapuuza mawimbi ya ультразвуковой на kuendelea kutembea.
Vifaa hivi vitaunda uwanja wa nguvu ambao utawarudisha panya na kuwaweka pembeni.
Ni muhimu sana. Vifaa hivi ni mdogo katika anuwai, kwa hivyo wakati mwingine hufanya kazi na kwa zingine hushindwa. Икива унатака кубореша нафаси за нджиа хии куфанья кази, куна мамбо кадха амбайо унавеза куфанья или купата матокео яко заиди:
Сакиниша вифаа кила махали: тунаджуа квамба мавимби хая лазима яфикие панья, ква хивё мамбо йоте йа ндани йа ньюмба лазима ямефуниква на мавимби я ультразвуковой.Ikiwa una duka, jaribu kuziba kifaa ndani yake или mawimbi yaweze kufikia panya wowote wanaoweza kuingia ndani ya nyumba.
Mawimbi hayapiti vitu: Usiweke vitisho kote nyumbani, hata nyuma ya fanicha na vitanda. Шида Ни Квамба Миале Инавеза Кува Нгуму Купита.
Weka vifaa vyako kimkakati: Ikiwa huwezi kumudu kujaza kila kona ya nyumba yako na repeller ya panya, unahitaji kuanza kupanga mkakati wako kwa njia bora. Wapi panya wanajulikana zaidi? Панья хуингия вапи ндани я ньюмба? Hizi ndio sehemu ambazo mawimbi ya ультразвуковой yanapaswa kufikia kutafakari panya.
Mzunguko ulioelezewa hapa sio zaidi ya sensa ya mwendo wa infrared (PIR) ya kuweka wanyama mbali na nyumba yako au bustani.
Mzunguko unategemea sensorer moja ya mwendo wa инфракрасный инфракрасный порт (PIR) inayopatikana kwa urahisi. Датчик ya PIR (пассивный инфракрасный) ni kifaa chenye umeme unaogundua harakati kwa kupima mabadiliko katika viwango vya инфракрасный vinavyotolewa na vitu vinavyozunguka. Датчик ya PIR ina vitu vya nyenzo za fuwele ambazo hutengeneza malipo ya umeme wakati inakabiliwa na mionzi ya инфракрасный.Тофаути я киванго ча мионзи я инфракрасный iliyotolewa na kitu hubadilisha напряжения zinazozalishwa, ambazo hupimwa na umeme wa ndani. Kifaa hicho kina kichujio maalum kinachoitwa Lens ya Fresnel ambayo inazingatia ishara za инфракрасный kwenye kipengee hicho. Кама ишара за ндже за инфракрасный зинабадилика харака, усилитель iliyojengwa huamsha pato kuonyesha harakati halisi.
Sensor ya PIR ina anuwai ya mita 6. Hii inaweza kutofautiana kulingana na hali ya mazingira. Сенсор имеундва кузоеа хали инайобадилика полюс, амбайо кавайда хуфаньика кадри сику инавьоэнделеа на хали я мазингира инабадилика, лакини хуменюка ква куфанья пато озеро ливезе куумика вакати мабадилаката яна галико “халякэфайкэя яна галико” халякэфаката яна галико.
Ультразвук ina athari ya kukandamiza kwa panya na panya
Moduli ya sensorer ya PIR ina unganisho la pini 3:
- каури кутофаутиша конденсатор;
- pato;
- фупи хади чини.
Hitimisho linaweza kutofautiana, kwa hivyo inashauriwa uangalie vipimo vya kiwanda или kuthibitisha matokeo. Wakati mwingine huwekwa alama kwenye PCB karibu na pini. Kwa kuongezea, модуль за сенсор за PIK pia zina ubadilishaji wa pini 2 kwa hali moja au endelevu ya pato.Nafasi hizo mbili zimeteuliwa kama “H” na “L.” Джемпер вакати iko kwenye nafasi ya “Retrigger” “H”, pato linabaki juu wakati sensor inapakiwa tena. Katika nafasi ya “L”, pato huenda juu na chini kila wakati sensor inaposababishwa. Kwa hivyo, harakati inayoendelea itatoa mapigo ya juu au ya chini kwa njia hii “я кавайда”.
Mchoro una sehemu tatu:
- ya kwanza kudhibiti relay ya umeme kwa kutumia moduli ya sensorer ya PIK;
- я пили ни мтоаджи ва моджа ква моджа ва саса ва ультразвуковой;
- ugavi wa umeme wa 6V DC.
Mchoro wa takriban wa репеллер ва панья
Betri iliyojengwa ndani inayoweza kuchajiwa inaweza kuchajiwa kutoka kwa chanzo cha nguvu kwa kutumia adapta yoyote inayofaa ya AC au jopo la jua.
Katika mzunguko, Badilisha S1 ni mfumo wa kuzima / kuzima kwa mfumo na LED 1 ni kiashiria cha hali ya nguvu. Katika hali ya kusubiri, ikiwa moduli ya sensorer ya PIR (SEN 1) itagundua harakati halali, itatoa pato la upana wa juu (3.3V). Pato hili limelishwa kwa transistor ya 2N2222A (T1) kupitia anayerudia kurudia.Реле ya 6V kisha inamsha mtoaji wa 6V wa ультразвуковое. Зуммер moja ya kazi ya piezo (BZ1) imeongezwa kwa ishara ya sauti inayofaa.
- Модули сенсора Я. ПИК – 1.
- Кинга 1К – 2.
- Конденсатор 100uF / 16V – 1.
- Конденсатор 10 нФ / 100 В – 1.
- 5 мм светодиод nyekundu – 1.
- 1N4004 диод – 1.
- Upakiaji wa Umeme wa 6VDC SPST – 1.
- 6V / 4.5 Ah для SMF – 1.
- Кубадилиша / кузима ква СПСТ – 1.
- Utoaji wa Ультразвуковой – 1.
- Пьезозуммер – 1.
Maoni yanatofautiana juu ya watisho wa elektroniki, na kanuni ya jumla ya kidole gumba hapa ni kutumia vifaa anuwai kuweka panya mbali na nyumbani. Lakini kwa kuwa mawimbi hayataingia ukutani, hakuna kitu cha kuzuia panya kujenga viota kwenye kuta, ambalo ni shida nyingine.
Икива унаамуа кутумия панья ва ньюмбани на репеллер я панья, хакикиша нджа зингине зинатумика карибу на вифаа хиви кумализа шида я заражение.
Moles ni moja wapo ya vitisho kuu kati ya wadudu wa panya wa chini ya ardhi kwa shughuli za bustani. Панья хупигва сан на нджа за киуфунди на кемикали. Лакини хиви карибуни, вифаа вья электроники вимеонекана амбавьо хуфанья ивезекане купамбана на панья ква нджиа за кибинадаму заиди, куендеша молес на панья венджин кутока виванджа вйа бустани нааути за кутишати.
Kuna aina nyingi za vifaa vya elektroniki kwenye soko, lakini ni ghali na sio kila wakati hutimiza matarajio.Inawezekana kuthibitisha ufanisi wa kifaa kilichonunuliwa cha elektroniki kwa kutisha moles tu baada ya operesheni ya majaribio.
Toleo lililopendekezwa la kifaa cha elektroniki cha kutuliza moles imekusanyika kulingana na mzunguko wa umeme wa asili, ulijaribiwa kwa kufanya kazi kwa miaka miwili na ilionyesha ufanisi mkubwa. Катика мпанго хуо, тофаути на миундо я вивандани, увезекано ва кубадилиша масафа я ишара iliyotolewa hugunduliwa ква урахиси, амбайо хайджумуи урайбу уа молес ква саути iliyotolewa.
Мвонекано
Kifaa cha kutuliza moles kimetengenezwa kwa vifaa chakavu, hutumia umeme kidogo na hauitaji vifaa vya kurekebisha wakati wa utengenezaji. Бати ла чума кутока ква чакула ча пака литумика кама мвили ква кувека удадзадзи ва электроники ва репеллер.
Катика пича я бенки, амбайо ина мпанго ва репеллер ва мол амбайо имефанья кази ква мисиму мивили я маджира я дзото, нусу имезиква ардхини.
Mchoro wa umeme na kanuni ya utendaji
Мтоаджи ва панья (мол) амекусаньика кулингана на мчоро ва мзунгуко ва умеме хапа чини на ина микросхемы мбили ту за мантики, транзистор на виту кадхаа вья купита виливйовеква квенье боди я мзунгхаукпиш илийоцайо.Кипенгеле тофаути ча мананго улиопендикезва ни матумизи я чини я нгуву (сети я сели тату за кидоле АА зилизо на увезо ва 1 А * ч инатоша ква мсиму мзима), амбайо ни ква сабабу яа чафуа я исса 480 я sekunde mbili na masafa ya kila sekunde 32. Njia hii ya utendaji wa Repeller, kwa kuongeza, ina athari nzuri zaidi kwa moles na huongeza wakati wa panya kuzoea sauti.
Mchoro wa kimuundo una jenereta ya saa, iliyokusanyika kwenye vitu DD1.1 na DD1.2, ikizalisha masafa ya karibu 480 Hz, mgawanyiko wa masafa kwenye microcircuit ya DD2, nyongeza ya mantiki ya ishara kwenye DD1.3, транзистор muhimu VT1 на mtoaji wa sauti BA1.
Mzunguko wa jenereta ya saa ya репеллер ва панья imedhamiriwa na maadili ya upinzani R1 na конденсатор C1. Kwa kupunguza au kuongeza thamani ya R1 au C1, unaweza kuongeza au kupunguza mzunguko wa ishara ya sauti iliyotolewa.
Kutoka kwa jenereta, ishara ya sauti ya mstatili bila kubadilisha masafa, kupitia kipengee cha mantiki DD1.3 na kipinga-sasa kinachopinga R4, inapewa transistor VT1, imewashwa katika hali ya ufunguo. Катика хали я кимья, напряжение карибу на sifuri hutumiwa kwa msingi wa транзистор на транзистор имеет. Катика хали хии, матумизи я саса я репеллер я панья ни 0,1 мА. Катика хали я кутоа ишара йа саути, шаша инаонгезека хади 22 мА. Hesabu rahisi inaonyesha kuwa wakati wa kutumia betri zilizo na uwezo wa 1 A * h, репеллер ва моле атафанья кази ква масаа 9000 au siku 375.
Kutoka kwa jenereta ya saa, ishara pia inalishwa kwa pembejeo ya kuhesabu (pato la 10) ya msuluhishi wa masafa ya DD2.Kwenye ukingo mzuri wa ishara kwenye pini 9 ya kaunta, sifuri yenye mantiki inabadilishwa na ile ya kimantiki. Или kuhakikisha kutolewa kwa ishara ya sauti na kipindi cha sekunde 32, kitengo cha kimantiki kinalishwa kutoka vituo 15, 1, 2 na 3 kupitia diode hadi pato la 12 la kipengee cha kimantiki DD1.3, kukifunga. Мара ту сифури я кимантики итаонекана квенье вито 15, 1, 2 на 3 вя DD2 ква вакати ммоджа, DD1.3 итапитиша ишара кутока ква дженерета я саа хади ква мсинги ва транзистор VT1 на BA1 итаанза кутоа саути.
Mlolongo wa C2 na R2 hutumiwa kuweka voltages za pato la microcircuit ya DD2 hadi sifuri. Напряжение Wakati ya usambazaji inatumiwa kwa mzunguko, конденсатор C2 huanza kuchaji на напряжение ya usambazaji inaonekana kwenye kituo chake cha chini, ambacho hutolewa kwa kituo cha R cha микросхема. Вакати мчакато ва кучаджи умеквиша, напряжение квенье пато озеро ла чини иташука хади сифури на хайтаатири тена оперешени я микросхема я DD2. Резистор R3 не используется, чем диод VD1-VD4, или резистор квамба куна махали па кутиририка ква саса на куватенга куингилива ква квасекана ква напряжение, квенье пини 12 я микросхема я DD1.3. C3 hutumikia kukandamiza usumbufu unaotokana na michakato ya muda mfupi katika mikroti.
Убунифу на кифаа
Niliibuka na muundo, uliotengenezwa na kujaribiwa kwa vitendo ufanisi wa vifaa vinne vya kuogofya moles, rafiki yangu, ambaye anapenda sana kupanda mboga kwenye shamba lake mwenyewe, Иванов Геннадий. Ubunifu ni rahisi sana kutengeneza na kivitendo hauitaji gharama za kifedha. Геннадий Васильевич ква фадхили алитоа моджа я вифаа вья кутулиза молес ква утаяришаджи ва накала хии.
Chuma inaweza kutoka kwa chakula cha paka kavu, ambayo maelezo yote iko, hutumika kama mwili wa kifaa cha репеллер крот. Benki imefungwa kwa kifuniko na kifuniko cha plastiki na maji kutoka kwa mvua na kumwagilia bustani haijatengwa. Или kutengeneza репеллер я мол, chuma chochote kilichotiwa muhuri na saizi inayofaa, kwa mfano, kutoka kahawa, inafaa.
Kapsule ya simu ya TK-67-NT, ambayo hutumika sana kwenye mirija ya seti za simu zilizosimama, hutumiwa kama mtoaji wa mawimbi ya sauti kwa yule anayeogopa.Ni mtoaji rahisi na wa kuaminika na anaweza kuchukuliwa kutoka kwa simu yoyote ya zamani. Kapsule hutoa sauti vizuri katika masafa kutoka 300 хади 3400 Гц, амбайо ндио инахитаджика; ina moduli ya jumla ya upinzani wa umeme kwa masafa ya 1000 Гц, 260 ± 52 Ом. На мухиму заиди, кидонге килифанья ивезе кусулухиша шида я куфунга мвили на вакати хуо хуо куонеза уфаниси ва репеллер я мол ква сабабу я усаникисаджи будить ва асили мвилини.
Кофия хайджафунгулива кутока ква кидонге, утандо ва чума хуондолева (пича кусото), на имэамбатишва ту чини я копо (пича кулия).Или кидонге кивезе кушука чини я бати, mwili wake umewekwa kwa wakati mmoja na tone la силикон. Unaweza kufikiria njia nyingine ya kufunga. Ukweli ni kwamba sumaku ya kudumu imejengwa ndani ya kifurushi, na kibonge, kilichounganishwa na chuma, kina sumaku na hujishika vizuri. Ni muhimu tu kupunguza harakati zake za usawa. Kwa kufunga huku, mtoaji wa sauti sio tena utando, bali ni benki yenyewe. Ква сабабу я киамбатишо киличовеква вази чини я копо, кидонге хутетемека вакати ва оперешени, на саути инайозалишва хайфурахиши сана, имечока на употову мкубва усиопунгука.Ква репеллер крот, саути хии ilionekana kuwa inafaa sana.
Kwenye jar kutoka ndani pamoja na mzunguko, kwa urefu ambao unaruhusu uwekaji wa betri tatu na bodi ya mzunguko iliyochapishwa ya Repeller mol, pembe tatu zinauzwa na solder, naatioy pywaini ya dura юу яо.
Sehemu za karatasi za chuma zilichukuliwa kama nyenzo za pembe, lakini pembe zinaweza kutengenezwa kutoka kwa nyenzo yoyote ambayo inauzwa na solder inayoongoza kwa bati, kwa mfano, waykanda wa chba.k. Urefu wa pembe huchaguliwa kulingana na saizi ya kizigeu gorofa – chini ya pili, na saizi yake imedhamiriwa na kipenyo cha shingo la mfereji.
Kwenye chini ya pili kuna swichi ya kurudisha mol ya kukatisha betri wakati wa kusafirisha kifaa au ikiwa haitumiwi. Lakini swichi haiwezi kusanikishwa, lakini betri zinaweza kushikamana kwa kutumia kontakt.
Ква кува хали я уендешаджи ва репеллер я моле ни мбая, хали я дзото инавеза кубадилика кутока сифури хади 50˚, на курахисиша мундо, бетри зинаунганишва на вайя за кифаа на кушикамэна кваа кила мобаджа.Или kuzuia mizunguko fupi dhidi ya kuta za chuma za kesi hiyo, betri zimefungwa na mkanda wa kuhami.
Или кутенганиша мзунгуко мфупи ва нийимбо на виту вья боди я мзунгуко илийочапишва, imewekwa квенье беги ла полиэтиилини, амбало лимфунгва на узи квенье нджиа йа вайя.
Betri na bodi ya mzunguko iliyochapishwa imewekwa chini ya pili ya kesi hiyo, inabaki kufunga kifuniko na Repeller ya mol iko tayari kutumika kama inavyokusudiwa. Inatosha kuizika ardhini kwa kina ambacho hakijumuishi kuingia kwa mito ya maji kando ya ardhi wakati wa mvua na umwagiliaji kutoka kando ya kifuniko, kwani bado haina hewa kabisa.Inatosha kuizika kwa kiwango cha nusu ya mfereji. Kiashiria ча хали я млаламикаджи катика мзунгуко хайтоиви куондоа матумизи ясийофа я нишати, квани вакати млипуаджи анапига саути, хусикика хата ква умбали мкубва кутока кваке.
Боди я мзунгуко илийочапишва
Ква сабабу я kutowezekana ква utengenezaji ва боди я мзунгуко iliyochapishwa ква киньяго ча моле ква кутумия текнолоджиа я кемикали, нджиа я киуфунди Илитумика куондоа сеему за ша каратаси я
Mahali pa vifaa vya redio kwenye bodi ya mzunguko iliyochapishwa ya repller ya mol inaonyeshwa kwenye picha hapa chini.
Kuonekana kwa bodi ya mzunguko iliyochapishwa kwa utengenezaji wa picha ya kemikali na eneo la vifaa vya redio vinaonyeshwa kwenye picha hapa chini.
Bodi inaweza kutengenezwa kwa foil 1.5mm nene ya glasi ya glasi upande mmoja.
Mgeni wa wavuti hiyo, ambaye alijitambulisha kama San Sanych, kwa fadhili alitoa toleo lake la PCB ya panya, iliyotiwa waya katika mhariri wa picha kwa mpangilio wa Sprint-Layout 3.0R PCB, ambayo shukrani nyingi kwake.
Маелезо
Badala ya kifurushi cha simu cha BA1 cha aina ya TK-67-NT, vidonge sawa vya aina ya TA-56M, TA-56, TON-2 au TG-7 zilizo na upinzani wa vilima wa karibu 60 Ом zinaweza kutumika. Диодные, конденсаторы на випинга витафаня кази на айна йойоте.
Диод, конденсаторы на випинга витафаня кази на айна йойоте. Transporor yoyote ya npn itafanya, lakini bora na kushuka kwa Voltage kidogo kati ya mtoza na mtoaji. Катика кеси хии, нгуву я мионзи я ишара йа саути итакува кубва била куонеза матумизи я саса я репеллер крот.
Chip ya D1 ya aina ya K561LE5 inaweza kubadilishwa na Analog ya kigeni ya CD4001A, na ya aina ya K561IE16 na chip ya CD4020B.
Отпугиватель куанциша ya panya
Ikiwa vifaa vyote vya redio viko katika hali nzuri ya kufanya kazi na ikiwa imewekwa kwa usahihi, репеллер ва моле atafanya кази мара моджа. Икива инатака, unaweza kubadilisha vigezo vya wakati wa ishara ya sauti iliyotolewa. Mzunguko utaongezeka na kipinzani cha R1 au конденсатор C1. Икива куна хаму я кубадилиша масафа вакати ва оперешени я репеллер я мол, баси контена R1 инавеза кубадилишва на випинзани вили виливйунганишва, вья мара ква мара на вья куката наО тхамани я к маджина я.Вакати ва кубадилиша мзунгуко ва дженерета я саа, ни мухиму квамба ибаки катика масафа куточка 300 хади 900 Гц, квани ни масафа я саути кама хайо амбайо хуфукуза панья ква уфаниси.
Вакати ва кубадилиша мзунгуко ва дженерета, ни мухиму кузингатия квамба кипинди ча курудиа ча ишара за саути китабадилика савиа. Ква мфано, икива масафа ямевеква чини мара мбили – 250 Гц, баси вакати кати я пищит на муда ва ишара пиа итакува мбили ква урефу, 64 сек на секунде 4, мтавалива.Ква хивё куна фурса я куджарибу. Ikiwa inataka, unaweza kurudisha vigezo vya wakati uliopita kwa kuhamisha anode ya diode kutoka kwa pini 3 DD2 hadi 14.
Муда ва ишара йа саути на кипинди ча курудиа кваке инавеза кубадилишва ква урахиси. Ikiwa utaondoa diode kutoka kwa pini 15 ya DD2, basi muda wa ishara ya sauti itakuwa sekunde 4 bila kubadilisha kipindi cha kurudia cha sekunde 32, na ikiwa utaongeza diode ya ziada kutoka kwa pini 14 yabandika DD2 я саути итакува секунде 1 ква муда мрефу.
Таймер включения на несколько часов электросхемы. Как сделать реле времени своими руками: схема подключения
Основным компонентом технического оборудования современного дома можно сделать реле времени своими руками … Суть такого контроллера заключается в размыкании и замыкании электрической цепи по заданным параметрам с целью контроля наличия напряжения, т. Например, в осветительной сети.
Назначение и конструктивные особенности
Самым совершенным из таких устройств является таймер , состоящий из электронных элементов.Его точка срабатывания контролируется электронной схемой в соответствии с заданными параметрами, а само время срабатывания реле рассчитывается в секундах, минутах, часах или днях.
По общему классификатору электрические схемы таймеров выключения и включения делятся на следующие типы:
- Устройство механическое.
- Таймер с электронным переключателем нагрузки, например, на тиристоре.
- Устройство работает от пневматического привода включения и выключения.
Конструктивно таймер срабатывания может быть изготовлен для установки на ровной поверхности, с зажимом на DIN-рейку и для установки на лицевую панель щита автоматики и индикации.
Также такое устройство по способу подключения может быть передним, задним, боковым и подключаться через специальный съемный элемент. Программирование времени может быть выполнено с помощью переключателя, потенциометра или кнопок.
Как уже отмечалось, из всех перечисленных типов устройств, работающих в данный момент времени, наиболее популярной является схема реле времени с электронным отключающим элементом .
Это связано с тем, что такой таймер, работающий от напряжения, например, 12В, имеет следующие технические особенности:
- компактные размеры;
- минимальных затрат на электроэнергию;
- отсутствие движущихся механизмов, за исключением выключенных и включенных контактов;
- широко программируемая задача;
- длительный срок службы, независимо от рабочих циклов.
Самое интересное, что таймер несложно сделать своими руками в домашних условиях.На практике существует множество типов схем, дающих исчерпывающий ответ на вопрос, как сделать реле времени.
Самый простой таймер на 12В в домашних условиях
Самым простым решением является реле времени 12 вольт … Такое реле может питаться от стандартного источника питания 12 в, которого много продается в различных магазинах.
На рисунке ниже представлена схема устройства включения и выключения осветительной сети, собранного на одном интегральном счетчике типа К561ИЕ16.
Рисунок. Вариант схемы реле 12в, при подаче питания оно включает нагрузку на 3 минуты.
Эта схема интересна тем, что действует как генератор тактовых импульсов , мигает светодиод VD1. Его частота мигания составляет 1,4 Гц. Если вы не можете найти светодиод именно этой марки, то можете использовать аналогичный.
Примите во внимание начальное состояние работы при подаче питания 12 В. В начальный момент времени конденсатор С1 полностью заряжен через резистор R2.Log.1 появляется на выходе под номером 11, обнуляя этот элемент.
Транзистор, подключенный к выходу интегрального счетчика , открывается и подает напряжение 12 В на катушку реле, через силовые контакты которой замыкается цепь переключения нагрузки.
Дальнейший принцип работы схемы, работающей при напряжении 12В, – это отсчетов импульсов , поступающих с индикатора VD1 с частотой 1,4 Гц на контакт № 10 счетчика DD1. С каждым уменьшением уровня входящего сигнала значение счетного элемента, так сказать, увеличивается.
При поступлении 256 импульсов (это равно 183 секунды или 3 минуты) на контакте №12 появляется лог. 1. Такой сигнал представляет собой команду на закрытие транзистора VT1 и прерывание цепи подключения нагрузки через систему контактов реле. .
В то же время лог.1 с выхода под № 12 через диод VD2 подается на тактовую ногу C элемента DD1. Этот сигнал блокирует в будущем возможность получения тактовых импульсов, таймер больше не будет срабатывать, пока не будет сброшено питание 12 В.
Начальные параметры для работы таймера устанавливаются разными способами, подключив транзистор VT1 и диод VD3, указанный на схеме.
Немного переделав такое устройство, можно сделать схему, имеющую обратного принципа действия … Транзистор КТ814А нужно поменять на другой тип – КТ815А, эмиттер подключить к общему проводу, коллектор – к первому. контакт реле. Второй контакт реле следует подключить к питающему напряжению 12 В.
Рисунок. Вариант схемы реле 12В, включающей нагрузку через 3 минуты после подачи питания.
Теперь после включения питания реле будет отключено, и импульс управления размыканием реле в виде логической 1 выхода 12 элемента DD1 откроет транзистор и подаст на катушку напряжение 12 В. После этого через силовые контакты нагрузка будет подключена к электрической сети.
Эта версия таймера, работающая от напряжения 12 В, в течение 3 минут будет удерживать нагрузку в отключенном состоянии, а затем подключать ее.
При составлении схемы не забудьте разместить конденсатор емкостью 0,1 мкФ, в цепи, имеющей обозначение С3 и напряжением 50В, как можно ближе к выводам питания микросхемы, иначе счетчик будет часто сбой и время удержания реле иногда будет меньше, чем должно быть.
Интересной особенностью принципа работы данной схемы является наличие дополнительных функций, которые по возможности легко реализовать.
В частности, это программирование времени выдержки. Используя, например, такой DIP-переключатель, как показано на рисунке, вы можете подключить контакты одного переключателя к выходам счетчика DD1, а вторые контакты объединить вместе и подключить к точке подключения элементов VD2 и R3.
Таким образом, с помощью микровыключателей можно запрограммировать время удержания реле .
Подключение точки подключения элементов VD2 и R3 к разным выходам DD1 изменит время удержания следующим образом:
| Номер стойки | Число цифр счетчика | Время выдержки |
|---|---|---|
| 7 | 3 | 6 секунд |
| 5 | 4 | 11 секунд |
| 4 | 5 | 23 секунды |
| 6 | 6 | 45 секунд |
| 13 | 7 | 1.5 минут |
| 12 | 8 | 3 мин. |
| 14 | 9 | 6 мин 6 сек |
| 15 | 10 | 12 мин 11 сек |
| 1 | 11 | 24 мин 22 сек |
| 2 | 12 | 48 мин 46 сек |
| 3 | 13 | 1 час 37 мин 32 сек |
Комплектование схемы элементами
Чтобы сделать такой таймер, работающий при напряжении 12В, нужно хорошенько подготовить детали схемы.
Элементами схемы являются:
- диодов VD1 – VD2, с маркировкой 1N4128, КД103, КД102, КД522.
- Транзистор, подающий на реле напряжение 12В – с обозначением КТ814А или КТ814.
- Интегрированный счетчик, в основе принципа работы схемы, обозначенный К561ИЕ16 или CD4060. Светодиодное устройство серии
- ARL5013URCB или L816BRSCB.
Здесь важно помнить, что при изготовлении самодельного устройства необходимо применять элементы, указанные на схеме, и соблюдать правила техники безопасности.
Простая схема для начинающих
Начинающие радиолюбители могут попробовать сделать таймер, принцип работы которого максимально прост.
Тем не менее такое простое устройство может включать нагрузку на определенное время. Правда время, на которое подключается нагрузка, всегда одно и то же.
Алгоритм работы схемы следующий. Когда кнопка с маркировкой SF1 закрыта, конденсатор C1 полностью заряжен. При его отпускании указанный элемент С1 начинает разряжаться через сопротивление R1 и базу транзистора, обозначенную в схеме – VT1.
На время тока разряда конденсатора С1, пока достаточно поддерживать транзистор VT1 в открытом состоянии, реле К1 будет включено, а затем выключено.
Указанные номиналы элементов схемы обеспечивают продолжительность работы под нагрузкой 5 минут. Принцип работы устройства таков, что время удержания зависит от емкости конденсатора С1, сопротивления R1, коэффициента передачи тока транзистора VT1 и рабочего тока реле К1.
При желании можно изменить время отклика, изменив емкость C1.
Похожие видео
Давно искал какое-нибудь простое устройство для ограничения времени работы различных устройств. В том же Китае продается много таймеров с реле и всевозможными опциями. Я даже купил один из них, но мне хотелось простоты. И вот этот бросился в глаза – C005.
Размер шарфа 12 на 12 миллиметров.
Информации по таймеру немного, но кое-что я нашел и вкратце приведу здесь.
Напряжение питания от 2 до 5 вольт. Выходной ток до 30 мА. Ток потребления в дежурном режиме зафиксировать не удалось. В рабочем состоянии примерно 120 мкА. Вариант схемы подключения.
Время устанавливается внешним резистором Rt. Простое управление, управляемое уровнями TTL. Запускается линейным нарастанием (переход 1-0) на входе триггера. Процесс запуска сопровождается появлением на выходе низкого уровня – Out, и по прошествии заданного времени возвращается в высокое состояние.Во время работы состояние триггерного входа не влияет на время таймера, он не перезапускается и работает в течение заданного времени. Даже поддерживая низкий уровень на входе запуска, по истечении заданного времени таймер не запускается снова. Временная зависимость от сопротивления представлена в таблице.
Время незначительно меняется в зависимости от напряжения питания. Максимальное время примерно 2 часа. Таблица довольно точная, проверена несколькими сопротивлениями. На плате есть еще два контакта, помеченные как P1 и P2.Если вы закроете P1, то время увеличится в 8 раз, если P2 в 64 раза, а если и то, и другое, то в 512 раз. Это, как нетрудно подсчитать, около 40 дней.
Несколько слов о том, что я хочу использовать. В первую очередь хочу ограничить время работы уличной самоделки на даче. Купил радио-пульт для управления. В блоке управления есть реле и в принципе к нему можно напрямую подключить прожектор, но я хотел ограничить время работы. Вдруг кто-то забывает выключить.Также некоторая защита от случайного включения.
Схема будет примерно такой.
Дополнительная информация
В заключение хочу сказать, что таймер очень хорош за свои деньги. Минимум вложений и большой временной диапазон. Можно придумывать разные варианты использования, каждый решает сам.
Из минусов – контакты покрыты какой-то грязью и не припаяны, пришлось зачистить наждачной бумагой. Планирую купить +109 Добавить в избранное Отзыв понравился +111 +176
Фон такой: Летом, как известно, появляются мухи, комары, которые мешают спать.Комары не всегда попадают в комнату, поэтому нет смысла включать репеллент каждый день. Но когда ложишься спать и они начинают гудеть, приходится включать отпугиватель. Вы под ней засыпаете, а утром дикая воняет и весь ресурс записи израсходован на одну ночь. Поэтому и возникла необходимость отрезать устройство (правда, руки до этого доходили только зимой), отключающее нагрузку через заданное время. У меня не было возможности купить микросхему таймера, да и транзисторные реле имели очень маленькую задержку.И мне в голову пришла идея сделать своими руками реле времени используя часы как таймер.
И приступим к созданию эстафеты с … ногами. Я сделал им удар из:
Приклеиваем ножки на фанеру – будущая основа устройства:
Ставим трансформатор:
И штатный обвес (диодный мост и конденсатор) – в итоге получаем нестабилизированный блок питания:
БП устройства получили, теперь осталось разобраться в схеме.
Эта схема предназначена для часов, у которых будильник издает короткий звуковой сигнал при срабатывании:
При кратковременном нажатии кнопки «Пуск» реле 2 замыкается и удерживает силовую цепь. Светодиод загорается, сигнализируя о работе, и реле 3 включает нагрузку. При срабатывании сигнализации реле 1 размыкает цепь питания и контакты реле 2 возвращаются в исходное положение. Нагрузка отключена. Вместо реле 2 и 3 можно использовать одно биполярное реле.
Для часов у которых при срабатывании будильник отключается только вручную (т. Е. Постоянно гудит), схема намного проще:
При подаче сигнала тревоги на диод и эмиттер транзистора контакты реле будут разомкнуты – нагрузка отключена. Сигнала не будет – включен.
Реле 3 в первой цепи и реле 1 во второй должны выдерживать напряжение сети и рассчитаны на ток, потребляемый нагрузкой.Не подходящие по параметрам реле выйдут из строя.
Приобрел реле от сломанного ИБП, 250в 5а – все с большим запасом.
Склеиваем катушки:
Половина работы сделана, теперь нужно разобраться с часами.
Для питания часов требуется 3 вольта, но как его получить?
Вариант 1 – Стабилизатор на 3 вольта.
Вариант 2 – Оставить питание на батареях.
Батареи явно нехорошие, в нужный момент могут зацепиться, поэтому стабилизатор предпочтительнее.Если стабилизатора нет, то используем батарейки.
У меня был регулятор на 5 вольт и подключал его через 4 диода. В результате, когда срабатывает сигнализация, происходит падение напряжения, что нехорошо.
Хотя нагрузка на стабилизатор незначительная, но на радиатор я на всякий случай закрепил. И при этом закрепить его в корпусе часов стало удобнее:
Козырьком впаял схему, инициирующую запуск релюшки:
И поместил все это в корпус часов:
Часы будут прикреплены к футляру, закрывающему барабаны:
Последний штрих – прикрепляем розетку:
Аппарат готов.Возможности такого реле ограничены вашей фантазией. Например, можно сделать автоматический полив растений или дозатор корма для домашних животных. Ну, пофантазировал …
Если кто плохо разбирается в принципе работы, посмотрите это видео. Это побудило меня создать реле.
Демонстрация работы:
Реле времени устанавливается во многих моделях техники и бытовой техники … Данное устройство позволяет автоматически включать или выключать технику и не тратить время на управление определенными действиями.Мастера часто конструируют различные приспособления для собственных нужд. Для многих конструкций требуется изготовить реле времени своими руками, так как фирменные устройства не всегда подходят в той или иной ситуации. Однако перед тем, как приступить к изготовлению самодельного таймера, рекомендуется начинающим мастерам ознакомиться с основными видами таких реле и принципами их работы.
Как работает электронный таймер
В отличие от самых первых таймеров с часовым механизмом, современные реле времени намного быстрее и эффективнее.Многие из них основаны на микроконтроллерах (МК), способных выполнять миллионы операций в секунду.
Эта скорость не нужна для включения и выключения, поэтому микроконтроллеры были подключены к таймерам, способным считать импульсы, возникающие внутри МК. Таким образом, центральный процессор выполняет свою основную программу, а таймер обеспечивает своевременные действия через определенные промежутки времени. Понимание принципа работы этих устройств понадобится даже при изготовлении простого емкостного реле времени своими руками.
Принцип работы реле времени:
- После команды пуска таймер начинает отсчет с нуля.
- Под действием каждого импульса содержимое счетчика увеличивается на единицу и постепенно принимает максимальное значение.
- Далее, содержимое счетчика сбрасывается до нуля, так как он становится «переполненным». На этом время отсрочки заканчивается.
Такая простейшая конструкция позволяет получить максимальную выдержку в течение 255 микросекунд.Однако в большинстве устройств требуются секунды, минуты и даже часы, поэтому возникает вопрос, как создать необходимые временные интервалы.
Выход из этой ситуации довольно простой. Когда таймер переполняется, это событие прерывает выполнение основной программы. Затем процессор переходит к соответствующей подпрограмме, которая складывает из небольших извлечений любой период времени, который требуется в данный момент. Эта процедура обслуживания прерывания очень короткая и состоит не более чем из нескольких десятков инструкций.По окончании своего действия все функции возвращаются в основную программу, которая продолжает работать с того же места.
Обычное повторение команд происходит не механически, а под управлением специальной команды, которая резервирует память и создает короткие временные задержки.
Базовые типы реле времени
При проектировании самодельного реле времени за образец берется конкретная модель. Поэтому каждый мастер должен представить себе основные устройства, выполняющие функции таймеров.Основная задача любого реле времени – получить задержку между входным и выходным сигналами. Для создания этой задержки используются различные методы.
К электромеханическим реле относятся пневматические устройства. В их конструкцию входят электромагнитный привод и пневматическая насадка. Катушка устройства рассчитана на переменный ток с рабочим напряжением от 12 до 660 В – всего установлено 16 точных номиналов. Рабочая частота 50-60 Гц. С такими параметрами реле времени на 12в можно сделать своими руками.В зависимости от конструкции выдержка для таких реле начинается при срабатывании электромагнитного привода или при его срабатывании.
Время устанавливается с помощью винта, регулирующего поперечное сечение отверстия, через которое воздух выходит из камеры. Параметры этих устройств нестабильны, поэтому более широкое распространение получили реле времени.
В этих устройствах используется специализированная микросхема КР512ПС10. На него через выпрямительный мост и стабилизатор подается напряжение, после чего внутренняя микросхема-генератор начинает генерировать импульсы.Для регулировки их частоты используется переменный резистор, выведенный на лицевую панель устройства и включенный последовательно с конденсатором, устанавливающим время. Подсчет полученных импульсов осуществляется счетчиком с переменным коэффициентом деления. Эти конструкции можно взять за основу для изготовления реле времени циклического действия и других подобных устройств.
Современные реле времени сделаны на базе микроконтроллеров и вряд ли подойдут домашним умельцам в качестве образца. Если необходимо получить точные временные интервалы, рекомендуется использовать готовый продукт.
Реле времени 220в цепь своими руками
Довольно часто для конструкций, сделанных домашними мастерами, нужно сделать простое реле времени своими руками. Надежные и недорогие таймеры полностью оправдывают себя при эксплуатации.
В основе большинства самодельных устройств лежит та же микросхема КР512ПС10, питание которой осуществляется через параметрический стабилизатор с напряжением стабилизации около 5 В. При включении питания схема, состоящая из резистора и конденсатора, образует сброс. импульс для микросхемы.В то же время запускается внутренний генератор, в котором частота задается цепочкой из другого резистора и конденсатора. После этого внутренний счетчик микросхемы начинает считать импульсы.
Число импульсов также является коэффициентом деления счетчика. Этот параметр устанавливается переключением выводов микросхемы. При достижении верхнего уровня выхода счетчик останавливается. На другом выходе импульсы также достигают высокого уровня, в результате открывается VT1. Через него включается реле К1, контакты которого напрямую управляют нагрузкой.Эта схема идеальна для решения задачи, как сделать реле времени на 220в своими руками. Для перезапуска отсрочки вполне достаточно на короткое время выключить реле, а затем снова включить.
Реле времени сегодня – это электронное устройство, которое устанавливается на любую бытовую технику, для которой важно время. Поэтому большой интерес для любителей электроники представляет реле времени самостоятельной сборки.
В то же время задержки по времени необходимы не только для включения и выключения устройств, но и для мощности нагрева, как это предусмотрено микроволнами… В зависимости от времени включения нагревается.
- Устройство
- Простая радиосхема
Устройство
Чтобы понять, как работает электронное реле, полезно вспомнить старые механические регуляторы времени. Допустим, бывшие стиральные машины, поворачивая ручку на корпусе, включали актуатор. Одновременно была запущена выдержка. По истечении заданного времени привод был выключен. По этому алгоритму работают любые таймеры или таймеры, даже те, которые находятся в микроконтроллере (МК).
Хотя сегодня, в век электроники, очень много электронных часовых механизмов и реле, возникает вопрос о необходимости сделать механизм, регулирующий время своими руками. Ответ очень простой. Часто вам приходится делать что-то дома, что требует определенных временных рамок. Поэтому простые механизмы регулирования времени можно собрать самому, своими руками.
Простая радиосхема
Вот одна из простейших схем.Для наглядности есть схема и изображение печатной платы реле на 12 вольт.
Допустим, кнопка sb1 выключена. На обкладке конденсатора c1 теперь нет напряжения. В результате транзисторы закрываются и в обмотках реле отсутствует ток. После включения кнопки заряжается емкость c1, которая открывает транзистор vt1, на базу которого подается отрицательное напряжение. В результате откроется второй транзистор и сработает реле к1.
Если отпустить кнопку, конденсатор разрядится по цепи: r2-r3 эмиттер vt1-r4.
Чтобы сэкономить на счетах за электроэнергию, читатели рекомендуют «Ящик для экономии электроэнергии». Ежемесячные платежи будут на 30-50% меньше, чем были до использования экономики. Он удаляет из сети реактивную составляющую, в результате чего снижается нагрузка и, как следствие, потребление тока. Электрические приборы потребляют меньше электроэнергии, а затраты на ее оплату снижаются.
Реле остается включенным до тех пор, пока напряжение на контактах конденсатора не упадет до 2-3 вольт.В это время соединения реле будут в одном из положений: включено или выключено.
Время задержки регулируется в пределах, зависящих от емкости c1 и суммы сопротивлений подключенных к ней цепей. Задержку времени можно отрегулировать с помощью сопротивления r3. Получить более высокие пределы воздействия можно за счет увеличения значений c1 и r3. Схема простая, микросхем нет.
Если вам нужно сделать реле времени 220 В, вы можете использовать следующую схему.Вот очень простая схема подключения.
При включении связи s1 будет заряжаться емкость c1, на управляющую ножку тиристора подается плюс, тиристор откроется и загорится последовательно включенная лампа L1. Пока конденсатор заряжается, ток через него перестает течь. Соответственно, тиристор закрывается и лампа гаснет.
Когда контакт s1 выключен, емкость разряжается с помощью резистора r1, и реле времени возвращается в исходное положение.Продолжительность горения лампы составит около 4-7 секунд. Для того, чтобы увеличить задержку, нужно изменить емкость конденсатора. Такое реле может поставляться для включения освещения на лестничной клетке или подключаться к АВР.
В данной схеме основное внимание уделяется микросхеме D1. Подобная микросхема может работать с различными 12-вольтовыми устройствами. Вся схема, собранная вручную, также имеет различные применения … Например, если вы подключите ее к контактору, вы можете удаленно управлять электрическими приборами, как стартер.Такие контакторы, управляемые малыми токами, могут использоваться в различных автоматических системах, например, при открытии ворот гаража или включении света.
На одном контакторе возможно собрать схему АВР своими руками. Такие цепи АТС устанавливаются для включения и * выключения устройств телемеханики и уличного освещения. Автоматическое включение резерва (АВР) необходимо для работы при отключении питания. Система ATS содержит часовой механизм, который после минимальной выдержки времени отключает силовой трансформатор цепи… Обычно такие автоматические выключатели с точным часовым механизмом работают на электрических подстанциях.
Многофункциональные релейные устройства
Также вы можете собрать своими руками многофункциональные релейные устройства, которые можно использовать в быту … Они могут организовать включение и выключение отопления, вентиляции, освещения.


