Покупаем на выгодных условиях: платы, радиодетали, микросхемы, АТС, приборы, лом электроники, катализаторы
Мы гарантируем Вам честные цены! Серьезный подход и добропорядочность – наше главное кредо.
Компания ООО «РадиоСкупка» (скупка радиодеталей) закупает и продает радиодетали , а также любое радиотехническое оборудование и приборы. У нас Вы сможете найти не только наиболее востребованные радиодетали, но и редкие производства СССР и стран СЭВ. Мы являемся партнером «ФГУП НИИ Радиотехники» и накопили огромный опыт за наши годы работы. Также многих радиолюбителей заинтересует наш уникальный справочник по содержанию драгметаллов в радиодеталях. В левом нижнем углу нашего сайта Вы сможете узнать актуальные цены на драгметаллы такие, как золото, серебро, платина, палладий (цены указаны в $ за унцию) а также текущие курсы основных валют. Работаем со всеми городами России и география нашей работы простирается от Пскова и до Владивостока. Наш квалифицированный персонал произведет грамотную и выгодную для Вас оценку вашего оборудования, даст профессиональную консультацию любым удобным Вам способом – по почте или телефону.
Покупаем платы, радиодетали, приборы, АТС, катализаторы. Заинтересованы в выкупе складов с неликвидными остатками радиодеталей а также цехов под ликвидацию с оборудованием КИПиА.
Приобретаем:
- платы от приборов, компьютеров
- платы от телевизионной и бытовой техники
- микросхемы любые
- транзисторы
- конденсаторы
- разъёмы
- реле
- переключатели
- катализаторы автомобильные и промышленные
- приборы (самописцы, осциллографы, генераторы, измерители и др.)
Купим Ваши радиодетали и приборы в любом состоянии, а не только новые. Цены на сайте указаны на новые детали. Расчет стоимости б/у деталей осуществляется индивидуально в зависимости от года выпуска, состоянии, а также текущих цен Лондонской биржи металлов. Работаем почтой России, а также транспортными компаниями. Наша курьерская служба встретит и заберет Ваш груз с попутного автобуса или поезда.
Честные цены, наличный и безналичный расчет, порядочность и клиентоориентированность наше главное преимущество!
Остались вопросы – звоните 8-961-629-5257, наши менеджеры с удовольствием ответят на все Ваши вопросы. Для вопросов по посылкам: 8-900-491-6775. Почта [email protected]
С уважением, директор Александр Михайлов.
Металлоискатель на микросхеме К561ЛА7 (021) пакет
Описание Металлоискатель на микросхеме К561ЛА7 (021) пакет
Радио-конструктор: Простой металлоискатель на микросхеме К561ЛА7. (021)
Эта схема металлоискателя из всех простых схем показала наилучшие результаты. С помощью данного устройства можно обнаруживать как чёрные металлы (арматуру в стенах помещений), так и металлические предметы в грунте (как чёрные, так и цветные). Глубина обнаружения зависит от размера металлического предмета (небольшие предметы обнаруживаются на глубине до 12 см).
Чем выше гармоника, тем ниже её уровень. При работе образцового генератора (ОГ) на частоте 300КГц «нужная» нам гармоника поискового генератора (ПГ) – третья, то есть тоже 300КГц. Если мы устанавливаем резисторами R2 и R3 частоту ОГ 305КГц, а частота ПГ равна 100КГц, то третья гармоника ПГ, равная 300КГц (частоты свыше 20КГц уже не определяются на слух), с выхода конденсатора С4 смешивается с частотой ОГ на выходе конденсатора С3. Далее эти частоты поступают на диодный смеситель VD1, VD2, собранный по схеме удвоения напряжения (в один полупериод сигналы с выходов генераторов проходят через диод VD1 и заряжают конденсаторы С3 и С4, во второй полупериод напряжения с выходов генераторов складываются с напряжениями заряженных конденсаторов С3 и С4 и поступают через диод VD2 на головные телефоны Т. Диодный смеситель, выполняя роль детектора, выделяет разностную частоту 305КГц – 300КГц = 5КГц, которая в виде тонального сигнала слышна в наушниках. Почему выбрано такое соотношение частот генераторов 300КГц к 100КГц? Это наиболее оптимальное соотношение.
В нашем случае громкость сигнала не влияет на чувствительность прибора. Главное в настройке – установить правильно частоту биений и ориентироваться на её изменение. Теперь к главному элементу нашей схемы – поисковой катушке. От качества её изготовления будет зависеть способность прибора к обнаружению металлических предметов.
После высыхания катушку необходимо плотно обмотать изолентой по всей поверхности. Для улучшения защитных свойств ПК и уменьшения влияния на неё внешних электрических полей, её необходимо экранировать. Можно сразу намотать катушку на согнутой в окружность и пропиленной по внешней стороне ножовкой по металлу или «болгаркой» с тонким диском медной или алюминиевой трубке, а проще взять алюминиевую фольгу для запекания, разрезать на полосы и этими полосами обмотать от начального до конечного отводов катушку, оставив не намотанным разрыв около 1 – 2 см. В противном случае получится короткозамкнутый виток, который не позволит работать катушке. Учитывая, что не у всех есть возможность припаять «земляной» провод к алюминиевому экрану, можно зачистить 3 – 8 см изоляции с провода, обмотав оголённым концом алюминиевый экран и примотав его плотно изолентой. Желательно изолированные соединительные провода от катушки до платы также экранировать алюминиевой фольгой, соединив её с тем же заземляющим проводом тем же методом, что и в катушке.
При проверке каждой из гармоник, резистор R2 надо установить в такое положение, чтобы «звонкий» тон сигнала шёл на понижение тона. Дальнейшую настройку необходимо проводить резистором R3 «Точно» и добиться того, чтобы тон биений перешёл в хрип и щелчки. Это положение и есть рабочее с максимальной чувствительностью. Далее берём предмет из чёрного металла и подносим к катушке – тон сигнала должен увеличиться. При поднесении к катушке предмета из цветного металла (алюминий, медь, латунь), тон сигнала должен наоборот уменьшиться или полностью сорваться. Если это не происходит или происходит наоборот, необходимо перестроить ОГ на другую гармонику и проделать всё сначала. Как только вы нашли «нужную» гармонику, необходимо запомнить положение R2 и в дальнейшем работать только с R3, максимально настраиваясь на рабочий участок биений. Чем точнее вы на него настроитесь, тем выше будут результаты поиска. После того, как вы поняли принцип работы, можно приступать к совершенствованию поисковой катушки.
Состав варианта 021:
1. Микросхема К561ЛА7,
2. Панелька для микросхемы DIP14,
3. Монтажная плата,
4. Провод для поисковой катушки,
5. Постоянный резистор R1 – 10к (Кч/Ч/Ор),
6. Переменный резистор R2 – 20к,
7. Переменный резистор R3 – 1к,
8. Конденсатор С1 – 150пФ,
9. Конденсаторы С2, С6 – 1н,
10. Конденсаторы С3, С4 – 680пФ,
11. Конденсатор С5 – 10МкФ,
12. Диоды Д9 (2 шт.),
13. Батарея питания 9В,
14. Разъём для батареи (типа «Крона»),
15. Схема и описание,
16. Головные телефоны,
17. Ручки для переменных резисторов (1 шт.),
18.
Гнездо для головных телефонов,
19. Монтажные провода,
Видео работы макета аналогичного металлоискателя по проще:
Генератор прямоугольных импульсов на популярной микросхеме к561ла7, проблемы на ВЧ.
Микросхема к561ла7 в своё время была популярна и даже любима. Вполне заслуженно, так как в ту пору это был этакий “универсальный солдат”, позволявший строить не только логику, но и различные генераторы, и даже усиливать аналоговые сигналы. Забавно, что и сегодня в поисковики отправляется много запросов типа описание микросхемы К561ЛА7, аналог к561ла7, генератор на к561ла7, генератор прямоугольных импульсов на К561ЛА7 и т.п.
К сожалению, не всё так просто с этой вобщем-то полезной микросхемой…
Удивительно мне было обнаружить, что, например, Texas Instruments по-прежнему выпускают то, полным аналогом чего является к561ла7 – микросхему CD4011A.
Для любопытных – вот ссылка на страницу с документацией или datasheet на CD4011A от TI.
Обратите внимание, что цоколёвка к561ла7 отличается от привычной раскладки 4х 2И-НЕ ТТЛ (к155ла3 и компания).
Микросхема действительно удобна:
- Пренебрежимо малый входной ток утечки – отличительная черта всей КМОП логики
- Ток потребления в статическом режиме – обычно доли микроампер
- Возможность работать от 3 до 15 вольт питающего напряжения
- Симметричная, хоть и небольшая (меньше миллиампера) нагрузочная способность выходов
- Микросхема была доступна даже в непростые советские времена. Сегодня же вообще – 3 рубля штучка, а то и дешевле.
Для того, чтобы быстренько смакетировать одно плечо моста бустера DCC, я привычно использовал к561ла7 для построения классического релаксационного генератора на КМОП логике.
Резистор R2 и конденсатор C1 задают частоту генерации, примерно равную 0.7/R2C1.
Резистор R1 ограничивает ток разряда конденсатора C1 через защитные диоды на входе первого инвертора Q1.
Принцип работы генератора вкратце таков: конденсатор охватывает два инвертора положительной обратной связью, таким образом получается защёлка, триггер. Проделайте мысленный эксперимент: замените конденсатор и R1 проводником, при этом влиянием R2 можно пренебречь (но только ненадолго).
Через R2 на верхнюю по схеме обкладку конденсатора подаётся ток, перезаряжающий конденсатор “в другую сторону”, тоесть не дающий нашей защёлке оставаться в одном состоянии бесконечно долго. Этот ток и определяет время перезаряда конденсатора, а, следовательно, и частоту генерации. Поскольку по ВЧ защёлка охвачена положительной обратной связью в точности как в мысленном эксперименте, только что проведённом – переключение в идеале должно происходить с максимально возможной для ключей скоростью: малейшее нарастание напряжения на выходе Q2 напрямую подаётся на вход Q1, что приводит к уменьшению напряжения на выходе Q1 и ещё большему нарастанию напряжения на выходе Q2.
Формы сигналов на входе и выходе Q1:
К сожалению, в данной схеме водятся паразиты. На частотах, по сути, предельных для данной микросхемы, в моменты переключения, когда оба элемента, Q1 и Q2 находятся в зоне аналогового усиления сигнала и совсем не похожи на логические элементы – за счёт задержки распространения сигнала создаются условия для возникновения автогенерации. На частоте, при которой сдвиг фазы, определённый этой самой задержкой, становится равен 2*π – схема возбуждается, поскольку петлевое усиление всё ещё больше единицы.
Вот как несимпатично всё выглядит на выходах Q1 и Q2:
Сигнал с такими чудесами на фронтах никак нельзя подавать на быстродействующую логику. Подавить возбуд можно намерянно снизив коэффициент усиления на частоте паразитного самовозбуждения, чтобы общее усиление оказалось меньше единицы и таким образом нарушить условие возникновения генерации.
В моём случае конденсатор C2 ёмкостью 2.2нФ, “подсадивший” на землю выход Q1, решил проблему.
Сигнал был всё ещё с подсвистом, но амплитуды паразитного сигнала уже не хватало, чтобы следующий инвертор на него реагировал.
- R1 = 91 КОм
- R2 = 33 КОм
- C1 = 10 нФ
- C2 = 2.2 нФ
- F = 1.3 КГц
Для серьёзного дизайна я бы лично не стал пользоваться таким генератором прямоугольных импульсов. Даже простенький генератор на микросхеме КМОП 555 таймера обладает лучшей стабильностью и выдаёт весьма чистенький прямоугольник.
Пожалуйста, если вам этот материал помог в чём-либо, или даже просто вызвал приятные ностальгические воспоминания – поделитесь с другими. Для этого просто “кликните” на иконку сети, в которой вы зарегистрированы, чтобы ваши друзья получили ссылку на данную статью. Спасибо!
Микросхемы общего назначения
К555ЛА6
Цена: 11.41 руб
Микросхема: К555ЛА6
К555ЛЕ1
Цена: 9.
13 руб
Микросхема: К555ЛЕ1
К555ЛИ2
Цена: 15.91 руб
Микросхема: К555ЛИ2
К555ЛИ6
Цена: 18.26 руб
Микросхема: К555ЛИ6
К555ЛЛ1
Цена: 12.76 руб
Микросхема: К555ЛЛ1
К555ЛР4
Цена: 18.26 руб
Микросхема: К555ЛР4
590КН6 (200*г)
Цена по запросу
Микросхема: 590КН6 (200*г)
133ЛА8
Цена: 171.15 руб
Микросхема: 133ЛА8
К555ТВ6
Цена: 11.
59 руб
Микросхема: К555ТВ6
К555ТМ2
Цена: 5.80 руб
Микросхема: К555ТМ2
К561ИД1
Цена: 6.85 руб
Микросхема: К561ИД1
К561ИЕ14
Цена: 6.85 руб
Микросхема: К561ИЕ14
К561ИЕ9А
Цена: 12.76 руб
Микросхема: К561ИЕ9А
К561ИП2
Цена: 6.85 руб
Микросхема: К561ИП2
К561ИП2А
Цена: 15.97 руб
Микросхема: К561ИП2А
К561ИР12
Цена: 6.
85 руб
Микросхема: К561ИР12
К561ЛА7
Цена: 13.92 руб
Микросхема: К561ЛА7
К561ЛЕ6
Цена: 6.85 руб
Микросхема: К561ЛЕ6
К561ЛЕ6А
Цена: 13.69 руб
Микросхема: К561ЛЕ6А
К561ЛП13
Цена: 6.85 руб
Микросхема: К561ЛП13
К561ЛС2
Цена: 11.41 руб
Микросхема: К561ЛС2
К561ПУ4
Цена: 6.85 руб
Микросхема: К561ПУ4
К561ПУ4А
Цена: 3.
49 руб
Микросхема: К561ПУ4А
К561ТМ3А
Цена: 6.85 руб
Микросхема: К561ТМ3А
К589АП16
Цена: 6.85 руб
Микросхема: К589АП16
Категории Популярные схемы |
| Авторизация Облако тегов Опрос
Интересные схемы |
561LA7 = CD4011, CD4011A IC / Microchip СССР Лот 10 шт.

Номер позиции eBay:
132312
0Продавец принимает на себя всю ответственность за это объявление.
Описание товара
| Состояние: | Новые прочие (см. Подробнее) : Товар в отличном, новом состоянии, без износа.Товар может отсутствовать в оригинальной упаковке или защитной упаковке, или может быть в оригинальной упаковке, но не запечатан. Изделие может включать оригинальные аксессуары. Изделие может быть заводским вторым (т. Е. Имеет небольшой дефект, который не влияет на работу изделия, например, царапина или вмятина). См. Список продавца для получения полной информации и описания. Просмотреть все определения условий – открывается в новом окне или на вкладке |
|---|---|
| Примечания продавца: | «Новый, никогда не использованный / Б / У / Новый старый сток» |
| Торговая марка: | СССР | MPN: | Не применяется |
Продавец принимает на себя всю ответственность за это объявление.
Почтовая оплата и упаковка
Стоимость пересылки не может быть рассчитана. Пожалуйста, введите действительный почтовый индекс.
Местонахождение товара: г. Томск, Томская область, Российская Федерация
Почтовые отправления по адресу:
по всему мируИсключено: Российская Федерация
Изменить страну:
-Выберите-AfghanistanAlbaniaAlgeriaAmerican SamoaAndorraAngolaAnguillaAntigua и BarbudaArgentinaArmeniaArubaAustraliaAustriaAzerbaijan RepublicBahamasBahrainBangladeshBarbadosBelarusBelgiumBelizeBeninBermudaBhutanBoliviaBosnia и HerzegovinaBotswanaBrazilBritish Virgin IslandsBrunei DarussalamBulgariaBurkina FasoBurundiCambodiaCameroonCanadaCape Verde IslandsCayman IslandsCentral African RepublicChadChileChinaColombiaComorosCongo, Демократическая Республика theCongo, Республика theCook IslandsCosta RicaCôte-д’Ивуар (Берег Слоновой Кости) Хорватия, Республика ofCyprusCzech RepublicDenmarkDjiboutiDominicaDominican RepublicEcuadorEgyptEl SalvadorEquatorial GuineaEritreaEstoniaEthiopiaFalkland острова (Мальвинские) Фиджи Корея, SouthKuwaitKyrgyzstanLaosLatviaLebanonLesothoLiberiaLibyaLiechtensteinLithuaniaLuxembourgMacauMacedoniaMadagascarMalawiMalaysiaMaldivesMaliMaltaMarshall IslandsMartiniqueMauritaniaMauritiusMayotteMexicoMicronesiaMoldovaMonacoMongoliaMontenegroMontserratMoroccoMozambiqueNamibiaNauruNepalNetherlandsNetherlands AntillesNew CaledoniaNew ZealandNicaraguaNigerNigeriaNiueNorwayOmanPakistanPalauPanamaPapua Новый GuineaParaguayPeruPhilippinesPolandPortugalPuerto RicoQatarReunionRomaniaRwandaSaint HelenaSaint Киттс-NevisSaint LuciaSaint Пьер и MiquelonSaint Винсент и GrenadinesSan MarinoSaudi ArabiaSenegalSerbiaSeychellesSierra LeoneSingaporeSlovakiaSloveniaSolomon IslandsSomaliaSouth AfricaSpainSri LankaSurinameSwazilandSwedenSwitzerlandTaiwanTajikistanTanzaniaThailandTogoTongaTrinidad и TobagoTunisiaTurkeyTurkmenistanTurks и Кайкос IslandsTuvaluUgandaUkraineUnited Arab EmiratesUnited KingdomUnited StatesUruguayUzbekistanVanuatuVatican Город StateVenezuelaVietnamVirgin острова (У. S.) Уоллис и Футуна Западная Сахара Западное Самоа Йемен Замбия ЗимбабвеДоступно 4 ед. Введите число, меньшее или равное 4. Выберите допустимую страну. | Почтовый индекс: Пожалуйста, введите действительный почтовый индекс. Пожалуйста, введите до 7 символов в почтовый индекс |
Этот товар не отправляется в Российскую Федерацию
Время отправки внутри страны |
|---|
Обычно отправка осуществляется в течение 1 рабочего дня после получения оплаты. |
Политика возврата
После получения товара отмените покупку в течение | Возврат будет произведен как |
|---|---|
30 дней | Возврат денег |
Покупатель несет ответственность за возврат почтовых расходов.
Китайская гирлянда по схеме. Как новогодние гирлянды? Последовательное соединение лап
Опасные китайские гирлянды »Журнал практической электроники Журнал практической электроники« Датагор »
Привет, друзья! Бывают сказочные времена: детский и взрослый отдых, елка на балконе, водка и колбаса в холодильнике. А елка уже числилась? Рисовать? Ясно. А на гирляндах наверное сэкономили, на колбасу хватило.Когда не торопишься. Проведите доработку изделия братьев-китайцев, прежде чем наматывать его на праздничную елку. Китайские гирлянды хороши по невысокой цене. На этом есть чары, и начинаются неприятности: от угасания в разгар веселья до электрического камина с костром.Вариант первый, классический
Фотографии моего земляка Павла Шепелева. С огнем и зоной потек уже пластик. Полностью сгорел блок управления, причины не догадываются. Лечение: Зеленая коробка нафиг, параллельно гирлянда.Гирлянды светят, правда не мигают.Вариант второй, модный
Гирлядна многоканальная многомодовая на LED-ах (LED).
Всем хорошо: и ярко, и красочно, и сотрясения мозга не страшны, но! Китайцы снова нужны из экономических соображений. Соответственно с каждой ветвью светимости есть резистор на 3 кОм и какая-то нечеловеческая малая мощность, я полагаю – менее 0,125 Вт! Всего таких резисторов 10 штук. И все они зверски согревают. А подлость в том, что это не заметно.Даже о существовании этих резисторов вы не догадаетесь, пока не сгорят – так они и монтируются. Эти гирлянды отработали 1 нг. Вот что было обнаружено сегодня при осмотре. Резисторы-папа перегрелись, сгорели, даже пропали светодиоды и провода. Я держал их на месте только внешним пластиковым зажимом. Когда припой выключили, он остыл и все можно было начинать сначала. Он не показал всего этого! Стандартный резистор рядом с резистором 0,25Вт. Держал резисторы посильнее и виноват.Пластиковый зажим лезет канцелярским ножом, резистор заменяется. Процедура проделана для всех обнаруженных резисторов. 2 часа – полет нормальный! Уважаемые сограждане! Призываю серьезно отнестись к такой несерьезной, веселой штуке, как новогодняя гирлянда! Просмотр, Рано, Пресса.
Вызывает сомнения – удали от греха. Всем счастья и добра в избе в новом 2013 году!
Игорь Котов (DataGor)
Россия, Сибирь, Новокузнецк
Основатель, владелец и главный редактор журнала практической электроники DataGor.ru.Основатель, владелец и главный редактор DataGor.ru.
dataGor.ru.
Практически в каждой семье есть сломанная новогодняя китайская гирлянда, нуждающаяся в ремонте. Всегда наступает декабрь и заботы семьи, которая буквально накануне решает поставить новогоднюю елку и украсить ее красивыми гирляндами.
Как правило, китайскую гирлянду ремонтировать надо, узнаем не в тот момент. За обновкой нет охоты, это вообще не охота, а вот починить новогоднее китайское чудо своими силами может не у всех получится.
Теперь разберемся, как устроена простая китайская гирлянда с регулировкой частоты, распространенными неисправностями, способами поломки и способами их устранения. В статье все будет подробно описано, наглядно показано на фотографиях.
Все будет удобно восстановить работоспособность самостоятельно. Провести такой ремонт будет насильно практически каждый человек.
Схемы новогодней гирлянды
Последовательное соединение лап
Для начала рассмотрим простейшую схему новогодней гирлянды.Такое последовательное соединение ламп накаливания в советские годы было самой распространенной схемой. В каждом доме была подобная гирлянда.
При последовательном подключении все лампочки соединены в цепь, в разрыв провода и подключены к источнику питания, генератору, бытовой проводке, аккумулятору. При этом по гирлянде течет такой же ток.
Светодиодами тами не пахли, конечно. Моргать ее заставили стартеры, стрелявшие в школе с люминесцентными лампами.Стартеры просто включили цепь, как и лампочки, последовательно.
Несколько слов о стартерах и их значении. Это простая газоразрядная лампа в алюминиевом, бумажном или пластиковом корпусе. Для удобства в корпусе сделано смотровое отверстие.
Он состоит из двух биметаллических электродов, которые изгибаются от проходящего тока, замыкают и размыкают электрическую цепь.
После этого новогодняя гирлянда стала довольно быстро мигать.
Такая схема очень проста и удобна, но имеет существенный минус.Когда одна лампочка загорелась, электрическая цепь рвется, и гирлянда гаснет.
Параллельное соединение
Современные рождественские китайские гирлянды, включенные в параллельную электрическую цепь. Это больше всего, они продлевают срок службы гирлянд, а ремонт надолго затягивают.
Все дело в том, что при параллельном включении лампочек в Рождественской гирлянде напряжение остается одинаковым, на каждом элементе цепочки. Что дает массу преимуществ, главное, что при перегорании любой лампочки в цепи она не ломается и гирлянда продолжает работать.Что касается силы тока, то она у каждого элемента цепи разная.
Данная схема наиболее распространена и в бытовой разводке благодаря своей надежности, удобству и простоте.
Основные неисправности новогодних гирлянд
Моделируем ситуацию, берешь наши елочные игрушки из новогодних гирлянд Чулана, начинаешь наряжать елку, включаешь электросеть, и ничего не происходит.
Разочарование и отчаяние на лицах ваших детей, вера исчезает в новогоднем волшебстве, праздник провалился.
Еще можно все исправить, пусть отсталость через пятнадцать минут, с помощью своих сил, а не хитроумного инструмента.
Гирлянда вообще не подает признаков активности. Смотрим электрическую вилку, прозвище ее целостность по устройству. Для этого разберите блок управления китайской гирляндой, и посмотрите контакты, которые идут от электровилки.
Ставим переключатель на размерность диодов, один щуп прижимаем к любому контакту вилки, а второй прикладываем к контакту провода на плате блока управления.Если он издается писком, значит провод рабочий, если нет, то в обрыв. Со вторым контактом поступаем так же. Оба были целыми числами, ищем неисправность дальше, если одна в скале, меняем эту часть провода вместе с развилкой и снова поворачиваем. Горит нормально, радуйтесь, нет, поиск производим дальше.
Небольшое дополнение, блок циклов управления китайской гирляндой, на проводе, сразу после вилки.
Это зеленый прямоугольник с кнопкой, нажав на которую вы меняете частоту новогоднего мигания.
Как проверить лампочку от гирлянды
Если гирлянда сделана с последовательным подключением лампочек, то, скорее всего, перегорела одна из ламп. Электрическая цепь разомкнута, и ток может проходить только по замкнутой цепи.
Чтобы восстановить здоровье китайских новогодних игрушек, необходимо просто заменить испорченный элемент. Но для начала нужно проверить лампочку, которая находится под подозрением.
Проверить внешний осмотр можно, проще всего в стеклянном вакуумном баллоне – спираль накаливания.Проходя через текущую спираль, он начинает светиться в видимом для нашего глаза спектре. Она завалилась, будет видно не вооруженная ок.
Проверить можно тестером, для этого переводим переключатель в режим измерения сопротивления. Подключаем щуп к электродам лампы накаливания, смотрим на дисплей цифрового тестера. Рабочая лампочка от гирлянды должна быть резистивной, и довольно большой, если ее нет, то меняйте.
Проверить лампочку от гирлянды можно с помощью регулируемого блока питания, который есть, конечно.Подключаем к выводам лампочек, выставляем напряжение 1,5 вольта, спираль должна немного увеличиваться. Можно добавить небольшое напряжение, хотя вольта хватит.
Если загорелись все лампочки и шнур питания с электровилкой, все в порядке, но почему-то не работает? Ищем обрыв провода в самой гирлянде.
Тут немного проще, установите тестер в режим проверки диодов, одним щупом поставить начало провода на самой плате, вторым – на провод внутри картриджа, где стояла лампочка.Услышав писк, значит, провод цел, приложите щуп к следующему проводу в подвале, и продолжайте процедуру до конца новогодней гирлянды.
Ремонт блока управления гирляндами
Бывает, что виноват сам блок управления перепрошивкой Гарлянд, возможная неисправность, простое отделение провода от платы, в результате сильного рывка или холодной, некачественная пайка , другие проблемы.
Для устранения неисправности нужно разобрать пластиковую коробку с самим блоком управления.
С обратной стороны два винта под отвертку под «плюсом», фигурные, закручиваем их и аккуратно снимаем плату.
На плате мы видим схему, состоящую из элементов, электролитического конденсатора, двух транзисторов, четырех диодов, одной миниатюрной кнопки. На плате находится неприметная микросхема, внешне напоминающая черную каплю, и пара резисторов.
Конденсатор в блоке управления китайской гирляндой, электролит установлен, значит имеет полярность и ее нужно соблюдать.На той плате, что у меня есть, номинал 10 микрофрейд на 25 вольт. Транзисторы PCR 406, если вдруг во время работы новогодней гирлянды один из транзисторов взорвался, скорее всего, второй будет полностью идентичным. Диоды, все четыре имеют маркировку, в 4007 диод очень распространенный, с заменой не встанет.
Что касается неприметного чипа, то на обратной стороне написан его номинал – 803, хотя в большинстве случаев известен только производитель.
Устранение неисправностей Новогодняя гирлянда
Приступаем к ремонту блока управления Китайской новогодней гирляндой.
Исчезаем все места контактов на плате, бывает, что холодная пайка глаз не заметна, поэтому проводим обычную пайку, везде.
Следующий шагПроверка полупроводников, это диоды и транзисторы. Их проверка выполняется тестером, диоды нужно проверять в одном направлении, и практически не пропускать сигнал в обратном направлении.
Транзисторы надо сбросить, для более точной проверки проверьте тестером. Реквизиты меняются на новые или заведомо исправные, пригодные для ремонта.
Конденсатор, резисторы и мини-кнопка, просто проверьте целостность. При проверке они не должны показывать короткое замыкание и полное отсутствие сопротивления.
Если выполнили все рекомендации по ремонту электрогирлянды, а он не заработал. Можно исключить эту колодку из схемы, а провода соединить по прямой. Еще можно полностью поменять все провода. Конечно, это долго и трудозатратно, но для начинающих радиолюбителей будет отличной практикой.
energytik.net
Как устроены новогодние гирлянды – Energy Articles
Новогодние гирлянды для украшения елок начали применять в конце 19 века.
Они заменили небезопасные новогодние свечи, которыми украшали елки. Тогда это была простейшая гирлянда из разноцветных лампочек. Теперь разнообразие новогодних гирлянд предоставляет широкий выбор покупательницам. В статье рассмотрим устройство самых разных новогодних гирлянд, начиная со старых простых схем и заканчивая современными гирляндами с микропроцессорным управлением.Самым простым вариантом новогодней гирлянды может служить несколько соединенных лампочек. Если подарить лампочке разноцветную роспись и придать какой-либо световой эффект, то такая новогодняя гирлянда привлечет много внимания и создаст праздничное настроение. В предновогоднее время в радиожурналах публиковались различные схемы управления новогодними гирляндами.
Схема новогодних гирлянд с чередованием плавного зажигания и делением светодиодов представлена на рисунке 1 (автор А.Чумаков). Отличительная особенность схем состоит в том, что регулировка скорости и скорости зажигания осуществляется отдельным блоком управления.
Picture 1
По мере того, как микропроцессоры внедряются в радиоактивные схемы, все больше и больше управление новогодними гирляндами перекладывается на них. Схему управления гирляндой от сотового телефона (рис. 2) А. Пахомов предложил в журнале «Радио» № 11 за 2012 г., схема основана на плате управления от китайской гирлянды с замененным контроллером AT89S51.Сотовый телефон служит панелью управления.
Рисунок 2.
Достаточно простая схема светодиодных новогодних гирлянд, предложенная И. Нечаевым (Радиожурнал №11 2012, Рисунок 3). В качестве светодиодов используются трехцветные RGB-светодиодные лампы, каждый канал работает независимо и управляется своим симметричным динетором DB-3.
Рисунок 3.
Однако самодельные новогодние гирлянды уже достаточно сложно встретить где угодно. Новогодние украшения из Китая практически заполнили прилавки магазинов.Стоимость таких гирлянд минимальна, а затраты времени и средств на самостоятельное изготовление новогодней гирлянды намного серьезнее.
Схемы управления китайскими новогодними гирляндами очень быстрые (Рисунок 4). В небольшой пластиковой коробке спрятан микроконтроллер (капля черного компаунда), кнопка управления, конденсатор, диод и три выходных тиристора. Немного изменена схема управления китайскими новогодними гирляндами. Изначально схема (рисунок 5) предусматривала установку четырех тиристоров, однако китайские умельцы немного сэкономили на элементной базе и даже два тиристора устанавливают в некоторых схемах.Единственный диод служит выпрямителем. Стоит отметить, что производители из Китая часто экономят на токоограничивающих резисторах для светодиодов.
Рисунок 4.
Рисунок 5.
Стоит отметить одну особенность представленной выше схемы. Резистор R7, подключенный к микроконтроллеру (вывод 1), служит для синхронизации с сетью. Это позволяет регулировать фазную мощность с плавным включением и отключением светодиодов. Для переключения между управляющими программами (световыми эффектами) кнопка также подключается ко входу микроконтроллера.
Конструкция Новогодней гирлянды мощностью в несколько сотен ватт представлена на рисунке 6. В ней почти аналогично рассмотрена ранее рассмотренная схема, за исключением того, что микроконтроллер питается от отдельного источника питания с гальванической связью с сетью. .
Рисунок 6.
ukrelektrik.com
Схема елочной гирлянды
Как сделать новогоднюю ярмарку своими руками из недорогих комплектующих. Эту простую схему я собрала накануне Нового года, D-to-check год назад, и пока она честно работает на каждый новогодний праздник.Гирлянда по следующей схеме позволяет создать интересный световой эффект, которого нет в покупных контроллерах. китайские устройства Control.Принципиальная схема рождественских гирлянд на микросхемах
Питание микросхем осуществляется от параметрического стабилизатора до D814D. Уточняющий генератор собран на К176ИА12 с кварцевым резонатором с периодом 1 секунда. Сигнал от него попадает на декодер К561И8.
Положительные импульсы через диоды поступают на управляющий транзистор Кт315, в результате чего происходит открытие тиристора.
Светодиодных гирлянд вполне достаточно, но для более мягкого и по-праздничному уютного свечения лучше использовать обычные лампочки. Гирлянды ламп с обоих ответвлений подключены к мостовому выпрямителю и горят полностью. В момент открытия тиристора часть ламп шунтируется, а остальные загораются на полную мощность – это нужно учитывать. Трансформатор взят от подходящего бытового прибора.
В отличие от большинства гирлянд из магазина здесь реализовано сетевое напряжение, то есть при случайном прикосновении детьми ламп ничего плохого не будет, так как они безопасны.С уважением, Николай.
elwo.ru.
Настал месяц декабрь, и пора заняться украшением квартиры всевозможными новогодними украшениями, в том числе гирляндами. Тут начинает вспоминать, что в прошлом году кто-то пролез через светодиодную китайскую гирлянду и оборвал провода, называемые платой, так что оставалось только выбросить.
Подобных ситуаций огромное количество, но результат большей части один: сгорает плата с программами, а группы лампочек или светодиодов остаются целиком.Выкидывать их жалко, но как их применять мало кто знает. В таком состоянии гирлянда может улететь без ремонта. В этой статье я расскажу, как я решил подобную проблему. Как сабж, светодиодная китайская гирлянда на 100 светодиодов, с четырьмя группами по 25 светодиодов соответственно.
Задачу про интеллектуальную программируемую прошивку гирлянды я не делал. Я хотел, чтобы светодиоды гирлянд не просто горели без всяких признаков «жизни», а подмигивали слезами, задавая праздничное настроение.Потом вспомнил старую простую проверенную советскую схему с использованием стартера от люминесцентных ламп. Если адаптировать его под светодиоды, он будет иметь следующий вид.
Чтобы применить его к использованию, пришлось немного поработать с группами светодиодов. Проверив соединение групп выяснилось, что у них есть соединение между собой анодов крайних светодиодов.
А для схемы со стартерами необходимо, чтобы анод запитывался через токоограничивающий резистор. Следовательно, необходимо было разрушить анодный состав и препятствовать группам светодиодов с катодами.
Миниатюрного корпуса для размещения схемы под рукой не оказалось, пришлось разводить печатную плату Под размеры ремонтируемого корпуса своими руками китайской светодиодной гирлянды. Схему в формате * .lay можно скачать здесь. Как видно, все детали размещены очень компактно. В процессе работы светодиодных гирлянд резисторы нагреваются, поэтому для вентиляции пришлось проделать около 25-30 отверстий в корпусе сверла, диаметром 1 мм.
Немного о деталях.Стартеры от люминесцентных ламп можно брать как на 220 вольт, так и на 127. Только скорость мигания гирлянды будет зависеть. Резисторы МЛТ-2 или по пять ватт (но лучше последний), сопротивление 15-20 кОм. Диоды предназначены для пропускания через себя обратного тока – 1N4007 или любых других, рассчитанных на ток не меньше того, который протекает в цепи.
Их можно взять с диодного моста светодиодной гирлянды, если они остались целыми. ВНИМАНИЕ! Все элементы находятся под высоким напряжением, учтите это при сборе и эксплуатации схемы.
Все в порядке. Как видите, отремонтировать новогоднюю гирлянду своими руками не так уж и сложно. Видео с примером того, как работает отремонтированная гирлянда, выложите ниже.
Страниц:
best-Chart.ru.
Как починить китайскую гирлянду: Схема :: AsHanet.ru
Если в канун нового года неожиданно удалось обнаружить, что старая гирлянда, из которой много лет делали елку, больше не работает, вы Не стоит торопиться с покупкой нового, ведь всегда есть шанс отремонтировать его самостоятельно.Как правило, такие устройства новогодних светильников не представляют собой сложной конструкции.
Поэтому, если внимательно проверить возможные неисправности, то можно не гадать, как отремонтировать китайскую гирлянду, схема которой не представляет затруднений. Так вот, если в гирлянде оборвались контактные провода, загорелась лампочка или нарушилось переключение режимов, то выбрасывать не стоит.
Достаточно воспользоваться некоторыми действенными советами.
Не гореть в гирляндах: что делать?
Очень трудоемкая поломка – это нарушение смены цвета китайской гирлянды.Схема решения проблемы, если она будет простой, то восстановить прежнее состояние устройств будет непросто. Нарушение цветового режима свидетельствует о том, что лампочки заблокированы в соответствующем разделе.
Перед тем, как приступить непосредственно к ремонту, рекомендуется разобрать крышку переключателя, выполняющую роль блока управления, и проверить надежность соединений, особенно контактов, припаянных к плате.
Ремонт китайской гирлянды: Схема
Если на первый взгляд нет признаков поломки, то можно с уверенностью утверждать, что лампочка сгорела.Современные китайские гирлянды устроены таким образом, что все лампочки соединены последовательно. А в случае сгорания один из них погаснет на всей электрической ветви. Для устранения поломки нужно использовать схему светодиодной китайской гирлянды.
Для начала необходимо гирлянду разрезать на две равные части и обе части кольцевать. Затем аналогичные действия следует проделать с нерабочей стороной – разрезать на две половинки и еще раз проверить. Такие действия проводятся до тех пор, пока не удастся определить, какая из лампочек вышла из строя.Следует отметить, что этот способ рекомендуется только в том случае, если электрическая китайская гирлянда, схема которой позволяет ускорить процесс, не разобрана.
Методы определения неисправности
Процесс восстановления работоспособности гирлянды можно ускорить. Для этого нужно взять тестер и вместо щупа на его концах прикрепить иголки. Затем последовательно с их помощью пробейте каждый из отрезков цепочки таким образом, чтобы игла перешла на текущий стержень.Необходимо определить, где сопротивление секции существенно отличается. Подобным способом можно определить поломку и отремонтировать ее намного быстрее, не прилагая больших усилий.
Как правило, старые советские гирлянды на новогоднюю елку намного удобнее в этом плане, нежели китайские гирлянды.
Они практически на них похожи, однако дизайн заметно отличается. В советские лампочки ввинчивались в патроны. Поэтому определить, какой из них в рабочем состоянии, без паяльника и омметра можно только исключение.Этот метод заключается в том, что следует брать рабочий источник света и поочередно ввинчивать его в патроны. Другой способ с помощью тестера состоит в том, что необходимо измерить сопротивление каждой отдельной лампы, пока не удастся найти перезапись.
Перед тем, как приступить к ремонту гирлянды, рекомендуется проверить целостность всего провода. Для аккуратности можно обратиться к схеме китайской гирлянды. На одной из сторон платы можно увидеть 5 герметичных проводов, 4 из которых рассчитаны на свечение цветов, а одна – обычная.А если оборвалась общая проволока, ее нужно подавать.
Что делать, если лампочка вообще не включается?
Если после изучения схемы гирлянды китайской елки не удалось обнаружить причину ее поломки, рекомендуется убедиться, что корпус не в светодиодах.
В этом случае проверьте блок управления и шнур питания. Для начала необходимо убедиться в целостности шнура, так как есть вероятность, что он был перепутан, или произошел обрыв контакта соединения при присоединении к микросхеме.Затем нужно попробовать проверить надежность пайки контактных соединений к плате. Конечно, чтобы не мучиться, можно купить новую гирлянду, однако, если есть желание починить прибор, то стоит действовать.
Итак, блок управления можно заменить стартером от люминесцентной лампы на 220 вольт. Сначала рекомендуется проверить подключение светодиодов. Если крайние элементы групп соединены анодами между собой, необходимо будет переделать схему и соединить светодиоды с катодами.Смысл в том, что напряжение на анод для нормализации работы стартера должно подаваться через резистор на 5 ватт, сопротивление 15-20 кОм. Кроме того, в цепочку нужно будет включить дополнительные диоды, которые будут пропускать обратный ток сети. Таким способом осуществляется ремонт светодиодных китайских гирлянд в домашних условиях.
Как видно, на ремонт гирлянды придется потратить много времени и терпения. Поэтому, если он не такой дорогой, рекомендуется просто заменить его на новый, более качественный.Важно отметить, что если сгорел светодиод, после чего нарушилась работа всей секции, то рабочий элемент следует припаять, строго соблюдая полярность.
Разбились лампочки
Если лампочки сломались и есть желание починить прибор, желательно просто заменить испорченный источник света. Следует отметить, что замена проводится исключительно при отключенном питании во избежание поражения электрическим током. В таких ситуациях стоит отдать должное небьющимся лампочкам, ведь не всегда приходится сталкиваться с неисправностями.
Итак, если выяснилось, что гирлянда не работает, то следует попробовать визуально и с помощью тестера определить проблемный участок и разрезать его. После этого рабочие участки необходимо соединить с помощью специальных разъемов. Это можно считать завершенным.
Наконец-то
Как правило, поломка гирлянды перед новым годом не всегда приятно, а вот отремонтировать старую или купить новую вполне возможно.
Важно помнить, что для ремонта необходимо обладать специальными знаниями, например, по работе с платой и замене лампочек.Поэтому, чтобы не терять нервы и время, рекомендуется купить новогоднюю гирлянду.
asHanet.ru.
Ремонт-переделка новогодней гирлянды | Каталог статей | Katastat.ru.
Такие елочные гирлянды распространены повсюду. Есть довольно дешевые и к тому же ненадежные. Далее мы поговорим о случаях, когда горит небольшой блок управления на следующем фото:
Первоначальная схема включения гирлянды выглядит так:
Схема китайской рождественской гирлянды
Для точности я не пройти, так как ни проводимость транзисторов, ни транзисторы не проверял.
Транзисторы в реальной схеме явно не являются простыми биполярными, но для дальнейшей переделки это не имеет значения, так как обычно горит микросхема (схема управления) и вся электроника становится нерожденной.
Первый вариант включения предполагает первое упоминание всех гирлянд.
И сделать это можно прямо в блоке. Четыре провода, идущие от выводов транзистора, соединяются между собой и одним из проводов силового кабеля схемы. Общий провод, пятый, не идущий от транзистора, подключается ко второму проводу кабеля.Цепь управления можно отключить, удалив диод и резистор. Итоговая схема должна получиться:
При таком включении лампочки, конечно, не мигают и при этом сильно греются. Судя по всему, начальный вариант рассчитан на импульсный режим работы и при постоянном включении гирлянда быстро выйдет из строя. Для ограничения нагрузки лучше включать иначе:
Схема параллельного включения гирлянды китайской елки Проволока “Обычная” изолирована
В этом случае лучше избавиться от коробки.Пятый «общий» провод изолирован. При такой схеме ничего не греется, хотя и не моргает. Лампочки, они не такие яркие, как в предыдущем варианте, но сама гирлянда становится надежной и безопасной.
Для лампочек на схеме можно использовать стартер с дроссельных схем ламп дневного света.
Включайте его последовательно со всей гирляндой. При использовании одной закваски гирлянда резко и нервно мигает. Поэтому лучше использовать два пускателя, включенных в разрыв двух проводов гирлянды, как на следующей схеме
Это включение кабелей делает переключение ламп плавным.Цвета, как следует переливать, получается, что два цвета почти не догоняют, меняется только яркость свечения.
Соединить стартер с проводами гирлянд без пайки одножильным проводом, например, пересекающим
В торце выводов стартера сверлом в 1мм просверлить небольшие отверстия глубиной примерно 3 мм. В выстилаемых отверстиях 3 мм жилы кабеля и алюминиевые клеммы с питанием зачищаем плоскогубцами.
Обжим проводов в алюминиевых выводах стартера (можно паять копом)
Такое соединение можно выполнить пайкой, но для этого потребуется припой цинк-олово (COP).Также можно использовать заводские разъемы от ламп дневного света, но размеры корпуса переключателя придется увеличить
Корпус для переключателя придется подобрать или изготовить новый, так как два стартера в старую коробку не поместятся.
. К тому же стартер ощутим в работе и при изготовлении корпуса это нужно учитывать.
Не забываем, что все элементы схемы, как китайские, так и самодельные, при включении находятся под опасными для жизни нагрузками и работают по сборке схемы после отключения от БП.
Каталог статей: Katastat.ru
katastat.ru.
Привет, друзья! Грядут сказочные времена: детские и взрослые каникулы, елка на балконе, водка и колбаса в холодильнике.
А, елка уже числилась? Рисовать? Ясно. А на гирляндах наверное сэкономили, стопки на колбасе хватило.
Тогда не торопитесь. Проведите доработку изделия братьев-китайцев, прежде чем наматывать его на праздничную елку.
Китайские гирлянды хороши по невысокой цене. На этом есть чары, и начинаются неприятности: от угасания в разгар веселья до электрического камина с костром.
Вариант первый, классический
Фото моего земляка Павла Шепелева.Гирлянда из крашеных ламп накаливания, блок управления в зеленой кобушке.
Сценарий: включите, чтобы проверить, получите “Front!” С огнем и зоной потек уже пластик. Полностью сгорел блок управления, о причинах не догадываюсь.
Лечение: Green Box Нафиг, гирлянды параллельно. Гирлянды светят, правда не мигают.
Вариант второй, модный
Гирлядна многоканальная многомодовая на LED-ах (LED). Всем хорошо: и ярко, и красочно, и сотрясения мозга не страшны, но! Китайцы снова нужны из экономических соображений. Соответственно с каждой ветвью светимости есть резистор на 3 кОм и какая-то нечеловеческая малая мощность, я полагаю – менее 0,125 Вт!
Всего таких резисторов 10 штук.И все они зверски согревают. А подлость в том, что это не заметно. Даже о существовании этих резисторов вы не догадаетесь, пока не сгорят – так они и монтируются.
Эта гирлянда отработала 1 нг. Вот что было обнаружено сегодня при осмотре.
Маломощные резисторы перегрелись, сгорели, даже пропали светодиоды и провода. Я держал их на месте только внешним пластиковым зажимом.
Когда припой выключили, я остыл и можно было начинать все сначала.
Вина не проявлялась!
Стандартный резистор рядом с резистором 0,25Вт.
Решил поставить резисторы посильнее и справедливее. Пластиковый зажим лезет канцелярским ножом, резистор заменяется. Процедура проделана для всех обнаруженных резисторов.
Принципиальная схема новогодних гирлянд на микросхемах
Питание микросхемы от параметрического стабилизатора на D814d . Уточняющий генератор собран на К176И12 С кварцевым резонатором с периодом 1 секунда. Сигнал падает на декодер К561И8. .
Положительные импульсы через диоды поступают на управляющий транзистор КТ315 В результате происходит открытие тиристора.
В продаже хватает, но для более мягкого и праздничного уютного свечения лучше использовать обычные лампочки. Гирлянды ламп с обоих ответвлений подключены к мостовому выпрямителю и горят полностью. В момент открытия тиристора часть ламп шунтируется, а остальные загораются на полную мощность – это нужно учитывать.Трансформатор взят от подходящего бытового прибора.
В отличие от большинства гирлянд из магазина здесь реализовано сетевое напряжение, то есть при случайном прикосновении детьми ламп ничего плохого не будет, так как они безопасные. С уважением Николай .
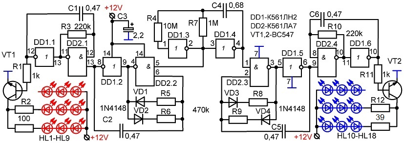
Елочная гирлянда на светодиодах выполнена на элементах микросхемы К561Л7 и создает световой эффект движения или мерцания.
В канун Нового года для маленькой елочки предлагается сделать простую бюджетную гирлянду на светодиодах.
Динамичный характер гирлянд не требует дорогих и программируемых устройств. Аппарат неприхотлив, экономичен и надежен в эксплуатации, моментально монтируется на елку, а в конце новогодних праздников его, к сожалению, можно убрать на дальнюю полку до следующего случая. Кроме того, устройство гирлянды можно использовать как различную подсветку, маленькое табло и игрушки с соответствующим расположением в виде пропеллера, треугольника, звездочки, колеса, указателя, «ходовых огней» и т. Д.Так что устройство можно использовать для украшения праздников, вечеринок, а при соответствующем дизайне оно может стать оригинальным подарком ребенку на день рождения или в новогоднюю ночь.
Описание устройства
Предлагаемое устройство «Елочная гирлянда» выполнено на основе кольцевого генератора на элементах единой микросхемы К561Л7 и трех транзисторов. В зависимости от расположения гирлянд устройство создает оригинальный световой эффект движущихся, вращающихся или мерцающих световых цепочек.
Скорость переключения гирлянд можно регулировать. Схема устройства представлена на фото 2.
Фото 2 Схема цветочной гирлянды на светодиодах. Основой устройства является кольцевой генератор на трех элементах микросхемы DD1. Четвертый элемент – DD1.4 – его входы не используются (выводы 12, 13) подключены к плюсовому проводу питания. На транзисторах VT1 – VT3 выполнены электронные ключи, каждый из которых включает и отключает одну светодиодную гирлянду (соответственно HL1-HL3, HL4-HL6 и HL7- HL9).Ток через них ограничивают резисторы R4 – R6. При работе генератора на его выходах последовательно формируются импульсы положительной полярности.
- В момент появления импульса на выходе элемента DD1.1 транзистор VT1 открывается, сопротивление его сектора эмиттера – коллектора резко уменьшается и светодиоды HL1 мигают.
- Импульс появляется на выходе элемента DD1.3. Транзистор VT3 открывается и светятся светодиоды HL7 – HL9.
2 возникает импульс, открывается транзистор VT2 и загораются светодиоды HL4 – HL6.- После этого на выходе DD1.1 появляется импульс и циклы повторяются до выключения устройства.
Фото 3 Плата гирлянды на светодиодах. Три гирлянды из 3-4 светодиодов подключены к точкам A, B на плате и к общему проводу.После включения питания и перехода прибора в установившийся режим поочередно вспыхивали гирлянды, в результате чего создается эффект движения огней.
Изготовитель
Все резисторы устройства – МЛТ-0,125 или другие малогабаритные транзисторы любой серии КТ315. Светодиоды должны быть одного типа и одного цвета свечения, например, красного или зеленого. Вместо микросхемы К561Л7 при необходимости можно использовать микросхему К561Л5.
При нанесении на елку можно установить в нее постоянно горящую четвертую гирлянду, аналогично подключив ее к точке «g». При использовании 4 светодиодов можно исключить ограничительные сопротивления R4 – R6.
Для питания устройства можно использовать аккумулятор типоразмера 6F22 («корона») 9В напряжением, который подключается к плате через ответный разъем Xi от используемой заводной головки, что исключает его подключение в неправильной полярности.Запитать устройство можно от любого адаптера или сетевого блока питания с выходным напряжением 9 – 12В, способного давать в нагрузке ток не менее 100 мА. Из соображений электробезопасности в его составе обязательно должен быть разделительный трансформатор (т.е. отсутствует гальваника с сетью 220 В). Наличие стабилизатора выходного напряжения необязательно. Для удобства работы устройства электронную почту (вместе с аккумулятором) желательно поместить в небольшой пластиковый корпус.
При использовании аккумулятора на одной из его стенок корпуса устанавливают выключатель питания.При хороших деталях и отсутствии ошибок в установке гирлянды начинают работать сразу после включения питания и наладки не требуют.
Новогодние праздники случаются как всегда неожиданно и приносят много приятных хлопот. Пора подумать о подарках, в первую очередь детям, чтобы взрослым накрыть стол, подобрать хорошую музыку и обязательно поставить елку, чтобы было весело и уютно гостям. И первое, что нужно обязательно повесить на елку, – это, конечно же, новогодние гирлянды.Все остальные игрушки обычно висят после гирлянд. Далее будет рассказано об устройстве самых разных новогодних гирлянд – старых и современных.
В давние времена, когда не было электричества, а Новый год уже праздновали, на елке зажигали особые новогодние свечи. Такое украшение было очень пожароопасным. Но эти времена уже прошли, все стали пользоваться электрическими гирляндами.
Это были обычные лампочки от карманного фонаря или от подсветки шкалы в магнитоле, соединенные последовательно.
Из этих лампочек гирлянды делали энтузиасты в основном своими руками. Просто взял паяльник, который, конечно, мог им пользоваться, взял провод и лампочки, и через некоторое время Новогодняя Гирлянда уже была повешена на елке.
Несколько позже новогодние гирлянды стали производить промышленным способом. В ходу различных конструкций пошли малогабаритные патроны для ламп и цветные плафоны разной формы. Иногда плафоны делали прозрачными, а сами лампы окрашивали.
Перепрошивка и флавка
Но спокойно смотреть на светящуюся новогоднюю гирлянду как-то грустно, хочется, чтобы душа раскрылась. Видимо, этому способствует какая-то мигающая гирлянда. В целом мигающая гирлянда привлекает своей красотой и даже ожиданием какого-то чуда или сюрприза. Если гирлянда несколько, то можно получить разные световые эффекты, например, бегущий огонь, бегущую тень, бег двойки и тройки, а также множество других интересных эффектов.
Когда-то такие конструкции были разработаны радиолюбителями, эти схемы публиковались в радиолюбительских журналах, как правило, в ноябрьских номерах.
Но эти журналы в условиях социалистической бесхозяйственности выходили с обманом почти на целый месяц, так что к новому году можно было сделать только прошлогодний флешер.
В качестве элементной базы использовались микросхемы с небольшой степенью интеграции, в первую очередь К155 и К561 и их разновидности. В качестве примера можно привести схему из журнала Радио №11 2002 года.
В основе схемы лежит счетчик типа DD2 К561И16, который через ключи на микросхеме DD3 и транзисторы VT4 … транзисторы VT7 управляет четырьмя светодиодными гирляндами. Самое интересное, что в качестве мастеринг-генератора используется микросхема музыкального синтезатора UMC8-01. Такие чипы когда-то использовались для озвучивания детских игрушек и музыкальных звонков: они просто теряли записанные в них мелодии.
Итак, вот выходной звуковой сигнал. Он также используется для тактирования счетчика.Можно только догадываться, как на фоне этого звука появляются картины, создаваемые светодиодами.
Естественно, через динамик тоже звучит музыка.
В журнале «Радио» №11 за 1995 год опубликована схема автора А. Грумакова «Машинка из гирлянд». Схема предусматривает попеременное плавное зажигание и очистку гирлянд со скоростью, определяемой блоком управления. Схема устройства представлена на рисунке 1.
Рисунок 1. Схема плавильного аппарата гирлянды
Если присмотреться, то схема представляет собой регулятор мощности symstar, выполненный на двухканальном транзисторе КТ117А.Только скорость заряда конденсатора изменяется не вручную с помощью переменного резистора, а переключая отдельные резисторы с помощью счетчика-декодера К561И8. Для сравнения на рисунке 2 приведена схема фазорегулятора мощности с использованием двухканального транзистора КТ117.
Рисунок 2.
Микроконтроллер Новогодняя гирлянда
Как явствует из любительской работы над структурами на микроконтроллерах, Christmas Flashing Milkings, или как их уважительно называют «осветительными машинами», самый экзотический дизайн был также опубликован в журнале Radio No.
11, 2012, с. 37 под названием «Сотовый телефон управляет елочной гирляндой», автор А. Пахомов.
За основу конструкции взята неисправная китайская гирлянда. Автор пишет, что его привлекла оригинальность выходного каскада, управляемого прямо из МК. Он вспоминает те мигалки, которые были построены на микросхемах серии К155, мощные тиристоры КУ202 (других не было) и вообще елочку на такую перепрошивку можно было поставить.
И вот неисправной плате хватило, чтобы поменять контроллер, написать программу со световыми эффектами и дополнить какую-то панель управления.Вот этот пульт и стал сплоченным старым телефоном Сименс. C60. В качестве диспетчера применен микроконтроллер AT89C51. Что произошло, показано на рисунке 3.
Рисунок 3. Схема микроконтроллерного управления новогодней гирляндой (для увеличения нажмите на рисунок)
Хотя этот контроллер уже устарел и снят с производства, это одна из лучших разработок Intel, в дальнейшем выпускаемая ATMEL.
Конструкции на этом МК никогда не зависают, им не нужен сторожевой таймер.Система команд настолько хороша, что до сих пор остается неизменной, несмотря на появление новых моделей семейства MSC-51.
Простая светодиодная мигалка
Чуть выше статья А. Пахомова в том же журнале Радио №11, 2012 г. опубликована статья И. Нечаева «Из деталей КЛЛ. Светодиодная мигалка Для новогодних игрушек». Схема выполнена на трехцветном и трех симметричном светодиодах. Динистора ДБ-3 «изготовлены» из пластин с неисправными.
Рисунок 4.Схема простой светодиодной новогодней гирлянды
Каждый канал трехцветного светодиода управляется своим релаксационным генератором, собранным на ДБ-3. Рассмотрим работу схемы на примере одного канала, например красного.
Конденсатор C1 через резистор R3 заряжается от выпрямителя R1, VD1 до напряжения пробоя dysterier VS1 (32B). Как только динистор открывается, конденсатор С1 разряжается через красный элемент трехцветного светодиода, резистор R4 и динистор VS1.Далее цикл повторяется.
Красный, зеленый и синий элементы трехцветного светодиода имеют собственные генераторы и работают независимо друг от друга. В этом случае частота каждого генератора отличается от другого, поэтому вспышки происходят с разными периодами. Конструкция помещена в прозрачный корпус и может использоваться, например, в качестве новогодней елки. Если добавить в схему белый светодиод HL2, то на белом фоне будут происходить цветные вспышки.
Можно было бы привести хоть несколько описаний конструкций отечественных радиолюбителей старого или нового, плохого или хорошего, но все они были выполнены практически в единичных экземплярах.Современные магазины полностью завалены электроникой китайского производства. Даже гирлянды новогодние и те китайские, к тому же они сейчас ничего и не стоят. Посмотрим, что скрыто внутри.
Контроллер китайских новогодних гирлянд
Внешне все выглядит очень просто. Небольшая пластиковая коробочка с одной кнопкой, в которую входит сетевой шнур с вилкой, и выходит четыре гирлянды. При включении гирлянды в розетку сразу начинают проявляться все световые эффекты поочередно.Всего этих эффектов 8, как говорится надписи под кнопкой. Нажав на кнопку, можно просто сразу переключиться на желаемую световую картинку.
Если открыть коробку, то все тоже довольно просто, как показано на рисунке 5.
Рисунок 5.
Здесь можно рассмотреть все детали. Микроконтроллер, как всегда, выполнен в виде капли из черного компаунда, около него кнопка управления, единственный диод и три выходных тиристора.
На плате есть место для четвертого тиристора, и если он будет искать, то получится еще один дополнительный канал. В контроллере этот канал, как правило, тоже мигает. Только наши китайские друзья сэкономили один тиристор. Те, кто пришел открывать такие блоки управления, уверяют, что в некоторых ящиках всего два тиристора. Экономика должна быть экономной! Наш, еще советский лозунг.
Несмотря на такие небольшие размеры, тиристоры PCR406 имеют обратное напряжение 400 В и постоянный ток 0.8а. Если предположить, что нагрузка потребляет ток всего 25% от максимального, то при напряжении 220В можно переключать мощность 220 * 0,2 = 44 (Вт).
На рис. 6 показана распечатанная установка, с помощью которой можно распечатать принципиальную схему, что делалось неоднократно. Здесь можно рассмотреть отверстия под четвертый тиристор, как раз на которые и сэкономили.
Рисунок 6.
Экономия коснулась и диодного моста: вместо четырех диодов на этой плате используется только один.А все остальное соответствует схеме, показанной на рисунке 7.
Рисунок 7.
Напряжение сетивыпрямлено диодным мостом VD1 … VD4 и через гасящий резистор R1 поступает на вывод 10 микроконтроллера. Для сглаживания пульсаций выпрямленного напряжения сюда подключен электролитический конденсатор С1. Потребление тока в микроконтроллере совершенно невелико, поэтому в будущем вместо моста из четырех диодов китайцы решили обойтись одним.
Небольшое замечание по поводу повышения надежности всей схемы в целом. Если параллельно конденсатору С1 упасть стабилизация с напряжением стабилизации 9 … 12В, то вероятность выхода из строя микроконтроллера или просто взрыва тиристора значительно снизится.
Заслуживает особого внимания резистор R7, подключенный к выводу 1 микроконтроллера непосредственно от сетевого провода. Это делается для синхронизации с сетью для регулирования фазовой мощности.Именно это работает в то время, когда лампы-гирлянды плавно горят или гаснут.
На правой стороне микроконтроллера находятся выходы управления тиристорами и кнопка управления, о которой было сказано выше. Тиристоры включаются в тот момент, когда МК появляется на соответствующем выходном высоком уровне, затем зажигается соответствующая гирлянда.
Иногда требуются гирлянды большой мощности, от нескольких сотен ватт и выше. В этом случае рассмотренную схему можно использовать как «мозги», достаточно просто дополнить ее мощными симисторными ключами.Как это сделать, показано на рисунке 8.
Рисунок 8. Схема новогодней гирлянды Billshi Power (Для увеличения щелкните рисунок)
Следует обратить внимание на то, что питание МК осуществляется от отдельного источника, гальванически развязанного с сетью.
Светодиодные гирлянды
Используется тот же контроллер с одной кнопкой, те же тиристоры, только вместо гирлянд лампочки сделаны из трех- или четырехцветных светодиодов.Каждая гирлянда содержит не менее 20 светодиодов с токоограничивающими резисторами.
Причем конструкция такой гирлянды, просто китайская загадка: в первой половине гирлянды к каждому светодиоду припаян резистор, а остальные десять штук просто соединены последовательно. Опять же экономия сразу на десяти резисторах.
Этот дизайн, очевидно, может объяснить технологию производства. Например, на одной линии собираем первую половину, которая с резисторами, а на другой линии без резисторов.Тогда останется только соединить две половинки в одно целое. Но это только предположение.
Остается надеяться, что у вас все хорошо, хотя бы с новогодними гирляндами. Поэтому наряжайте елку, накрывайте праздничный стол, приглашайте гостей, встречай Новый год. С Новым годом, товарищи, друзья, господа! Это насколько больше похоже.
Самодельное зарядное устройство для портативного телефона. Как сделать портативную зарядку от старых аккумуляторов смартфона
Отправлено:
Описана конструкция самодельного накопителя (PowerBank “а) типа” Вампирчик “.Приведены схема и описание его изготовления. В общем, приятно читать такие материалы, где автор серьезно подходит к делу.
Prologue
Идея построения этой конструкции возникла во время полета в самолете Airbus A380, в котором под подлокотником каждого сиденья есть USB-разъем для питания USB-совместимых устройств.
Но эта роскошь есть не во всех самолетах, тем более в поездах и автобусах.А я давно мечтал пересмотреть серию «Друзья» от начала до конца. Так почему бы не убить двух зайцев – смотрите сериал и скрасите время в путешествии. Дополнительным стимулом для постройки этого устройства стало обнаружение залежей мощных литий-ионных аккумуляторов.
Техническое заданиеПортативное зарядное устройство (зарядное устройство) должно обеспечивать следующие возможности.
1. Время работы в автономном режиме при номинальной нагрузке, не менее – 10 часов. Литий-ионные аккумуляторы большой емкости идеально подходят для этого.
2. Автоматическое включение и выключение зарядного устройства в зависимости от наличия нагрузки.
3. Автоматическое отключение зарядного устройства в случае критического разряда аккумулятора.
4. Возможность принудительного включения зарядного устройства при критическом разряде аккумулятора, если это необходимо. Считаю, что в дороге может возникнуть ситуация, когда аккумулятор портативного зарядного устройства уже разряжен до критического уровня, а для вызова службы экстренной помощи необходимо зарядить телефон.В этом случае вам необходимо предоставить кнопку «Аварийный запуск», чтобы использовать оставшуюся в аккумуляторе энергию.
5. Возможность зарядки аккумуляторов портативного зарядного устройства от сетевого зарядного устройства с интерфейсом Mini USB. В качестве зарядного устройства от телефона всегда берут с собой в дорогу, потом можно зарядить аккумуляторы переносного блока питания перед обратным путешествием.
6. Одновременная зарядка аккумуляторов зарядного устройства и зарядка мобильного телефона от одного сетевого зарядного устройства. Поскольку сетевое зарядное устройство от мобильного телефона не может обеспечить достаточный ток для быстрой зарядки аккумулятора портативного зарядного устройства, заряд может длиться день или больше. Следовательно, должна быть возможность подключать телефон для зарядки напрямую во время зарядки аккумулятора портативного блока питания.
Исходя из этих технических характеристик, портативное зарядное устройство было построено на литий-ионных аккумуляторах.
Блок-схема
Переносное запоминающее устройство состоит из следующих блоков.
1. Преобразователь 5> 14 Вольт.
2. Компаратор, отключающий преобразователь заряда, когда напряжение на аккумуляторе литий-ионных аккумуляторов достигает 12,8 Вольт.
3. Индикатор заряда – светодиодный.
4. Преобразователь 12,6> 5 Вольт.
5. Компаратор на 7,5 В, отключающий зарядное устройство, когда батарея сильно разряжена.
6. Таймер, определяющий время работы преобразователя при критическом разряде аккумулятора.
7. Индикатор работы преобразователя 12.6> 5 Вольт – светодиод.
Преобразователь коммутационного напряжения MC34063
Выбирали драйвер для преобразователя напряжения долго, так как выбирать было не из чего. На местном радиорынке за приемлемую цену (0,4 $) нашел только популярную микросхему MC34063. Сразу купил парочку, чтобы узнать, можно ли как-то принудительно выключить преобразователь, так как в даташите на эту микросхему такой функции не предусмотрено.Оказалось, что это можно сделать, если подать напряжение питания на вывод 3, предназначенный для подключения цепи задания частоты.
На рисунке представлена типовая схема понижающего импульсного преобразователя. Цепь принудительного отключения отмечена красным, что может понадобиться для автоматизации.
В принципе, собрав такую схему, уже можно запитать телефон или плеер, если, например, питание будет подаваться от обычных силовых элементов (аккумуляторов).
Подробно описывать работу данной микросхемы не буду, но из «Дополнительных материалов» вы можете скачать и подробное описание на русском языке, и небольшую портативную программу для быстрого расчета элементов повышающего или понижающего преобразователя, собранных на этой микросхеме. .
Блоки управления зарядкой и разрядкой литий-ионных аккумуляторов
При использовании литий-ионных аккумуляторов рекомендуется ограничивать их разряд и заряд. Для этого я использовал компараторы на основе дешевых КМОП микросхем. Эти микросхемы чрезвычайно экономичны, так как работают на микротоках. На входе они имеют полевые транзисторы с изолированным затвором, что позволяет использовать Microcurrent источник опорного напряжения (ИОН). Не знаю, где взять такой источник ( Можно попробовать использовать LM385 на 1.2В или 2,5В. Примечание ред. ), поэтому использовали тот факт, что в режиме микротока напряжение стабилизации обычных стабилитронов уменьшается. Это позволяет контролировать напряжение стабилизации в определенных пределах. Поскольку это не подтвержденное документально включение стабилитрона, возможно, придется выбрать стабилитрон для обеспечения определенного тока стабилизации.
Чтобы обеспечить ток стабилизации, скажем, 10-20 мкА, балластное сопротивление должно быть в пределах 1-2 МОм.Но при регулировке напряжения стабилизации сопротивление балластного резистора может оказаться либо слишком маленьким (несколько килоомов), либо слишком большим (десятки МОм). Тогда придется выбирать не только сопротивление балластного резистора, но и копию стабилитрона.
Переключение цифровой микросхемы CMOS происходит, когда уровень входного сигнала достигает половины напряжения питания. Следовательно, если запитать эталон и микросхему от источника, напряжение которого вы хотите измерить, то на выходе схемы можно будет получить управляющий сигнал.Что ж, этот же управляющий сигнал можно подать на третий вывод микросхемы MC34063.
На чертеже представлена схема компаратора на двух элементах микросхемы К561ЛА7.
Резистор R1 определяет значение опорного напряжения, а также резисторы R2 и R3 определяют гистерезис компаратора.
Блок активации и идентификации зарядного устройства
Чтобы телефон или плеер начинали заряжаться от USB-разъема, необходимо четко указать, что это USB-разъем, а не какой-то суррогат.Для этого можно подать положительный потенциал на контакт «-D». В любом случае для Blackberry и iPod этого достаточно. Но мое фирменное зарядное устройство также подает положительный потенциал на контакт «+ D», поэтому я сделал то же самое.
Еще одно предназначение этого узла – управление включением и выключением преобразователя 12,6> 5 Вольт при подключении нагрузки. Эту функцию выполняют транзисторы VT2 и VT3.
Механический выключатель питания также предусмотрен в конструкции портативного зарядного устройства, но его назначение, скорее всего, будет соответствовать «выключателю аккумулятора» в автомобиле.
Схема подключения переносного источника питания
На рисунке представлена схема мобильного источника питания.
C1, C3 = 1000 мкФ
C2, C6, C10, C11, C13 = 0,1мкФ
C4, C5 = 680пФ
C14 = 20мкФ (тантал)
IC1, IC2 – MC34063
DD2176
= K561LE5
R28 = 3k
R5 = 30k
VD1, VD2 = 1N5819
HL1 = Green
VD103, VD103, VD3 R29 = 100k
VT1, VT2, VT3 = KT3107
L1 = 50mkH
R10, R11, R13, R26 = 1м
VT4 =
VT4 =
L23102 Выбрано 9000 KTm =
R17, R19, R25 = 15k
R14 * = 2м
R1 = 180
R22 * = 510k
VD4 *, VD5 * = КС168А15 9000 Назначение узлов цепи
.
IC1 – это повышающий преобразователь на 5> 14 Вольт, который заряжает внутреннюю батарею. Преобразователь ограничивает входной ток до 0,7 Ампера.
DD1.1, DD1.2 – компаратор заряда аккумулятора. Прерывает заряд при достижении на аккумуляторе 12,8 Вольт.
DD1.3, DD1.4 – генератор индикации. Мигает светодиод во время зарядки. Индикация сделана по аналогии с зарядными устройствами Nikon. Пока идет зарядка, светодиод мигает. Заряд закончился – светодиод горит постоянно.
IC2 – понижающий преобразователь на 12,6> 5 В. Ограничивает выходной ток до 0,7 Ампера.
DD2.1, DD2.2 – компаратор разряда АКБ. Прерывает разряд аккумулятора при падении напряжения до 7,5 Вольт.
DD2.3, DD2.4 – таймер аварийного включения преобразователя. Включает преобразователь на 12 минут, даже если напряжение АКБ упадет до 7,5 вольт.
Здесь может возникнуть вопрос, почему выбрано такое низкое пороговое напряжение, если некоторые производители не рекомендуют допускать его падение ниже 3.0 или хотя бы 3,2 Вольта на банке?
Я так рассуждал. Путешествие происходит не так часто, как хотелось бы, поэтому аккумулятору вряд ли придется проходить много циклов зарядки-разрядки. Между тем, в некоторых источниках, описывающих работу литий-ионных аккумуляторов, напряжение 2,5 Вольта просто называют критическим.
Однако вы можете ограничить предел разряда более высоким уровнем напряжения, если вы собираетесь часто использовать такое зарядное устройство.
Конструкция и детали
Печатные платы (ПП) изготовлены из фольгированного стекловолокна толщиной 1 мм.Размеры печатной платы подбираются исходя из габаритов купленного корпуса.
Все элементы схемы, кроме аккумулятора, расположены на двух печатных платах. А на меньшем есть только разъем Mini USB для подключения внешнего зарядного устройства.
Блоки питания размещены в стандартном корпусе из полистирола З-34. Это самая дорогая часть конструкции, за которую пришлось выложить 2,5 доллара.
Выключатель питания поз.2, и кнопку принудительного включения поз. 3, спрятаны заподлицо с внешней поверхностью корпуса во избежание случайного нажатия.
Разъем Mini USB вынесен на заднюю стенку корпуса, а разъем USB поз. 4 вместе с индикаторами поз. 5 и 6 вперед.
Размеры печатных плат соответствуют размерам батарей в корпусе портативного источника питания. Между батареями и другими элементами конструкции вставляется прокладка из электрокартона толщиной 0,5 мм, изогнутая в виде коробки.
А это портативный блок питания в сборе.
Настройка
Настройка портативного зарядного устройства сводилась к выбору экземпляров стабилитронов и сопротивлений балластных резисторов для каждого из двух компараторов.
Описано, как подогнать резисторы с высокой точностью.
Этот семинар покажет вам, как получить 5 В для USB от батареи 9 В и использовать это для зарядки мобильного телефона.
На фото собранная схема находится в работе, но это не финальная версия, так как в конце я сделаю для нее еще и футляр.
Итак, приступим к изготовлению.
Материалы
На рисунке показаны компоненты, необходимые для сборки зарядного устройства, в том числе один пустой корпус от старой батареи, в которой будет построено устройство.
Комплектующие и материалы:
- Старый аккумулятор для корпуса.
- USB-порт.
- Микросхема регулятора 7805.
- Один зеленый светодиод.
- Резисторы 220Р – 3 шт.
- Припой.
- Провода.
Схема
На схеме показаны распиновка регулятора 7805, разъем USB и собственно схема самого простого преобразователя.
Сборка зарядного устройства по схеме
После разборки старого аккумулятора детали можно припаять к цоколю с разъемом. Все собирается за пять минут, и я думаю, что в пояснениях ничего не нуждается, кроме резисторов, подключенных к средним контактам USB – Data + и Data-. И нужны они для того, чтобы сотовый телефон сам понимал, что он подключен к зарядному устройству, а не к компьютеру для передачи данных.
Схема не требует настройки и сразу начинает работать.
Светодиод указывает на наличие тока зарядки. Если он выключен, значит аккумулятор полностью разряжен или телефон полностью заряжен.
Коммуникаторами пользуюсь давно, очень удобная штука все в одном – блокнот, калькулятор, фонарик, видео и фотоаппарат, интернет, видео и MP3 плейер, навигатор, сейф (для информации), радио, игровая приставка и многое другое. Супер гаджет – о чем еще можно мечтать? И вот что я вам скажу, про маленький ядерный реактор вместо батареи! Но на данный момент мы ломаемся, и нас радует литий-ионный аккумулятор, которого при хорошей нагрузке хватает на 3 часа.Выход есть: убираем яркость телефона до минимума, вырубаем интернет, удаляем живые обои, переключаемся в режим «в самолете», включаем только для звонка, а потом телефон (по заявлению производителя) хватает на два дня. В общем, это не вариант, и я всерьез заинтересовался альтернативными источниками питания, речь пойдет о дополнительном аккумуляторе для вашего гаджета или «Вампир»
Начнем с самого простого, это батарейки, я поставил две банки литий-ионных купленных в радиотоварах во Владивостоке, когда был там в отпуске, можно покупать в принципе любые и в любых количествах (в разумных пределах) подходит по размеру, самое главное жадность побольше, ой вместимость.Увеличиваем емкость за счет распараллеливания банок. Параллельно можно ставить только одинаковые аккумуляторы, ВСЕГДА уравновешивая их между собой – соединяем минусы (как правило, это корпус банки, а плюсы соединяем резистором на 30 Ом.
Замеряем напряжение на выводы резистора с вольтметром. Ждем, бывает сутки, там одинаковые значения на один раз. Как только станет меньше ста милливольт, их можно подключать напрямую, без резистора.Спаяем их между собой и припаяем концы к контроллеру (можно получить от любого старого аккумулятора сотового телефона). Здесь у нас аккумулятор большой емкости.
РАБОТА С ГОЛЫМИ БАНКАМИ БЕЗ КОНТРОЛЛЕРА МЫ НЕ ЗАПУСКАЕМСЯ ПОЛЯРНОСТЬЮ И НИ В КОЕМ СЛУЧАЕ НЕ ЗАКЛЮЧАЕМ КОРОТКОЕ ЗАМЫКАНИЕ!
Отставляем в сторону и чесаем репу, чем заряжать, теперь, конечно же, зарядка от сотового. Они есть везде и всегда, и у большинства из них есть выход USB.
Можно напрямую припаять провода к аккумулятору и папе usb и воткнуть их в зарядное устройство, они обычно идут 5V 1A.Но так скучно и неинтересно, решил сделать индикатор заряда. Включили в зарядке красный светодиод, аккум зарядился, зеленый загорелся, от зарядки отключили, оба погасли.
Транзисторы с маркировкой t06 – p-n-p PMBS3906, 100 мА 40 В, дополняющие PMBS3904. Выпал из старой материнской платы.
Резисторы R1 и R2 с маркировкой 471 – 470 Ом Извлечены из старых контроллеров для аккумуляторной батареи
Резистору R3 можно задать значение 1.5 Ом, но такого я не нашел, поставил два параллельно на 1 Ом и получилось 0,5 Ом. Я поставил два, потому что боялся, что они сильно нагреются при токе заряда около 0,5А Маркировка 1R00, найденная на диаграмме жесткого диска ноутбука.
Диод с маркировкой SS14 Описание: Диод, Шоттки, 1 А, 40 В Повалялся, не знаю откуда, но если есть железо с SMD частями, то на нем без проблем найдешь что-то похожее.
Купил самые обычные SMD 3V красные и зеленые светодиоды, но с плат сотовых телефонов их вполне можно припаять в избытке.
Собрал схему из того, что было более-менее похоже на резисторы R1 и R2 можно выставить на 330 Ом
Большое спасибо Хочу передать Форуму электроники cxem.net … Тема разработки индикатора совместными усилиями и особенно участником Kival. Может кому пригодится для общего развития.
Детали собраны на кусок медной печатной платы, вырезанной из платы.
Потом монтируем сие чудо-девайс на usb “папа” выдернул из старого дата-кабеля
Включаем в зарядное и проверяем работоспособность
Без нагрузки горят оба светодиода, под нагрузкой гаснет зеленый.
Короче принцип очень простой – при зарядке АКБ ток течет по цепи и не дает гореть зеленому светодиоду, как только контроллер отрабатывает, что АКБ заряжена и в нее больше не влезает , цепь размыкается, ток перестает течь и становится зеленым, как только диод выдергивается из зарядки D3 не дает току от АКБ идти на индикатор и оба гаснут.
Ну вроде определились с индикатором и зарядкой, теперь надо разобраться, как мы будем питать телефон от АКБ, ведь у нас вывод с 3.От 7в до 4,2в, а для зарядки элемента аккуратно как минимум 5В, а для Nokia даже больше. Здесь нам нужен повышающий преобразователь DC-DC. Здесь я пропускаю, я не буду рисовать схемы и пресмыкаться по этому поводу, потому что Интернет кишит этим материалом, а у меня в городе нет магазина радиодеталей и поэтому я не заморачивался с пайкой этого элемента, но тупо (или хитро) заказал с инета . Еще можно купить китайское зарядное от одного аккумулятора и оттуда забрать, но я лично сомневаюсь в его надежности, но мы будем заряжать его, не для halam bali, а для дорогих коммуникаторов.
Казалось бы, все есть и осталось только соединить все проводами, но в процессе эксплуатации устройства возникли некоторые неудобства, вот мой девайс как кусок пластика и непонятно, есть ли зарядка в это или пусто? А литий-ионные аккумуляторы не любят разряжаться. Хотел вольтметр, небольшой компактный вольтметр, так как прибор был собран и место для него изначально не было заложено. начался поиск схем, рецептов и готовых агрегатов.И случайно – захожу в магазин мобильных аксессуаров и вижу чудо китайской летной инженерии.
Да-да, лягушка с ЖК-экраном стоит 150 руб.
Я быстро подобрал как оказалось, схема вольтметра выполнена отдельно, от импульсного трансформатора и очень легко испаряется. Самое главное – запомнить, как паялся экран и куда паять провода питания (кстати, как выяснилось, полярность значения не имеет) Так как моя память давно расслабилась цифровыми технологиями, я решил (так как не забыть надо сфотографировать)
После всех манипуляций получаем вольтметр на 4 деления с такими характеристиками 4 полоски 4.14 В / 3 полоски 4,04 В / 2 полоски 3,94 В / 1 полоса 3,84 В / тогда остается разряженная батарея, пока контроллер батареи не отключит питание, это примерно 3, 4 – 3,6 В
Поскольку вольтметр также потребляет определенное количество электричество нам дорого, подключаем через кнопку. Нажал посмотрел вышел!
Далее ищем подходящий ящик, куда мы можем положить все, что накоплено непосильным трудом, сваренное потом и кровью. Я в неравном бою взял ящик с тенями у жены (тени и зеркало вернули) и все туда положил.
Паяем по схеме
Разъемы USB я положил на лист жести, чтобы увеличить площадь при приклеивании. Аккумулятор приклеиваем на двусторонний скотч, кнопка на супер клей, USB разъемы припаяны (как сказано выше) припаяны к жести, которая в свою очередь приклеена на супер клей, вырезаем прямоугольное отверстие под LCD экран, устанавливайте и вставляйте аккуратно – стекло очень хрупкое. Садимся на термоклей.
Ну собственно и все! Дорабатываем на свой вкус и пользуемся аппаратом!
Иногда выходят из строя зарядные устройства, используемые гаджетами.Есть люди, которым интересно все попробовать на себе. В результате рождаются самодельные зарядные устройства для телефонов.
Причины создания зарядного устройства своими руками
Как зарядить телефон? Этот вопрос не беспокоит многих людей, но только до тех пор, пока они не сталкиваются с проблемами, которые могут подстерегать всех.
Так зачем нам создавать зарядное устройство для телефона?
- Выход из строя аккумуляторной батареи телефона – до покупки новой.
- Возможность подзарядки телефона там, где нет сети.
- Возможность создания запасного зарядного устройства.
Самый простой ответ – как сделать портативное зарядное устройство для телефона из батареек.
Делаем портативную зарядку
Как зарядить телефон, если у вас есть аккумуляторы, отсек для них, для них или старый мобильный телефон и USB-удлинитель?
Батарейки должны быть типа АА. Кроме того, в наличии должны быть паяльник и тестер.
Берем 4 батареи (желательно большой емкости) и вставляем в отсек для них.Измеряем напряжение тестером, оно должно быть не менее 5 вольт. Это связано с тем, что современные телефоны можно заряжать от USB-порта 5 В.
От удлинителя USB, который не жалко использовать, отрезаем штекер, который подключается к компьютеру. Изучаем распиновку контактов, вызываем тестера. Найдите + и -, удалите остальные провода кусачками и заизолируйте.
Надеваем на провода термокембрик и обрабатываем зажигалкой для плотного входа.Делаем штуцер на месте крепления заглушки.
Нам потребуется припаять провода к металлическим заклепкам. Для этого используется паяльная кислота, которую можно нанести оловянной палочкой, после чего заклепки лужим.
Паяем провода в соответствии с их зарядом.
Разъем необходимо приклеить к корпусу, предварительно обезжирив или соскоблив ножом разъем и пластик.
Нанести нагретый клей на корпус и прижать. Промазываем клеем вокруг, замыкая разомкнутые контакты.Оставшиеся ненужные провода откусывают и покрывают клеем. При необходимости его можно замаскировать маркером.
Вставляем батарейки. Они должны быть одинаковой мощности. Причем их общая емкость должна превышать емкость аккумулятора телефона.
Изготовление кабеля для зарядки
После самой зарядки вопрос “Как зарядить телефон?” несъемный, так как кабель еще нужно сделать.
Отрежьте маленький разъем кабеля USB, длина кабеля должна быть полметра.
Так же режем провода. + и – уже определены, повторять не нужно. Остальные провода откусываем, затем помещаем в термоблок, чистим, олову.
Аккумуляторы можно заряжать в различных предназначенных для них. В большинстве случаев также можно использовать зарядные устройства для мобильных телефонов.
Можно не усложнять себе жизнь, но заряжайте аккумуляторы в соответствующих зарядных устройствах.
Проверка зарядки
Вставляем заряженные аккумуляторы в бустер, к которому с одной стороны подключаем кабель USB, а с другой стороны подключаем к телефону и проверяем зарядку.
Через некоторое время напряжение на бустере может упасть, поэтому лучше использовать аккумуляторы большей емкости.
Итак, мы разобрались, как зарядить телефон своими руками.
Беспроводное зарядное устройство
Удлинители могут перестать заряжать телефон, они могут истрепаться, гнездо для зарядки в телефоне может ослабнуть. Все это требует беспроводной зарядки. Как сделать беспроводную зарядку для телефона мы рассмотрим ниже.
Принцип беспроводной зарядки основан на том, что в зарядное устройство встроена катушка, которая создает магнитное поле, под крышкой телефона находится еще одна катушка, которая служит приемником.Когда приемник находится в зоне действия проводника, активируются электромагнитные импульсы. Через выпрямители и конденсаторы происходит воздействие на аккумулятор телефона.
Но прежде чем сделать выбор в пользу беспроводной зарядки, необходимо учесть, что она имеет ряд отрицательных качеств:
- нет достоверных данных о влиянии на организм человека;
- передача энергии неэффективна;
- полный заряд аккумулятора восстанавливается за более длительный период времени по сравнению с проводной зарядкой;
- возможно снижение работоспособности аккумулятора;
- При неправильной упаковке аккумулятор может перегреться, что приведет к преждевременному износу.
Давайте посмотрим, как сделать беспроводное зарядное устройство для вашего телефона.
Для этого потребуется несколько метров тонкой медной проволоки. Скручиваем проводник в катушку с числом витков равным 15. Для сохранения формы спираль закрепляем двусторонним скотчем или клеем. Оставляем на пайку несколько сантиметров провода. Подключение к зарядной розетке осуществляется с помощью конденсатора и импульсного диода, которые прикреплены к противоположным концам.
Размер одного витка на проводе должен быть 1.5 см. После скручивания диаметр получившейся катушки составляет 10 см.
Для формирования передатчика используется еще более тонкий медный провод, 30 витков. Схема замыкается конденсатором и транзистором. Размещаем это устройство в районе передающего кольца дисплеем вверх.
Наконец-то
Таким образом, на вопрос, как зарядить телефон, есть несколько ответов. Зарядка может осуществляться от аккумулятора или по беспроводной сети. В любом случае это должен делать человек, разбирающийся в электричестве, иначе можно столкнуться с проблемами.
Контент
Бывают ситуации, когда мобильный гаджет почти выключился, а под рукой нет родной зарядки или нет электричества. Тогда некоторые знания помогут решить эту проблему: новое изобретение – беспроводная зарядка, сделать ее можно самостоятельно. Им удобно пользоваться, даже если поблизости нет автомобильного зарядного устройства.
Можно ли сделать зарядное своими руками
Ответ на этот вопрос – да. Сделать это сможет любой, кто имеет элементарное представление о свойствах проводов и тока.Прежде чем построить такую конструкцию своими руками, нужно позаботиться о наличии всех материалов – диода и медной проволоки. Ящиком может служить любая пластиковая коробка, например, от компакт-диска. Также потребуются транзисторы (биполярные или любые другие), желательно полевые – они сделают зарядку аккумулятора быстрее. Все остальные инструменты есть в каждой квартире, включая клей и ножницы.
Как работает беспроводная зарядка
Принцип действия этого типа зарядки основан на индукции, свойстве катушки передавать электрический ток при контакте с приемником.При подключении к любому источнику питания устройство становится очагом перпендикулярного магнитного поля. Если поместить две катушки близко друг к другу, одна из них подключена к любому источнику питания, вторая будет иметь напряжение определенной силы и энергии для мобильного телефона. Такой эффект возможен, если эти две катушки никак не соприкасаются друг с другом. Беспроводное зарядное устройство своими руками – реальность.
Как зарядить телефон
Практически каждый может сделать портативное беспроводное зарядное устройство своими руками, следуя инструкции.Весь процесс состоит из двух частей: создание передатчика (внутри) и приемника (снаружи). Первый из них отдельный, второй установлен в телефоне. Удобство такого решения в том, что зарядное устройство всегда можно взять с собой.
Передающее устройство:
- Заранее необходимо подготовить каркас диаметром от 7 до 10 см. На него наматываем около 40 витков провода (исключительно медного, диаметром 0,5 мм), не забывая после 20 кругов сделать загиб посередине.Для этого скручиваем проволоку, делаем ветку и продолжаем наматывать.
- Подключите транзистор абсолютно любого номинала к концу катушки и к отводу. Если используется устройство прямой проводимости, при подключении необходимо поменять полярность.
- Установить в пластиковую коробку для дисков или любую другую. Закрывать.
- Устройство передачи электроэнергии готово.
Приемное устройство:
- В отличие от передатчика имеет плоский вид. Состоит из 25 витков, при этом провод нужно брать чуть тоньше, в пределах 0.3-0,4 мм. Постепенно ствольную коробку нужно укрепить суперклеем.
- Отделите контур от пластиковой основы, на которую он был намотан, с помощью ножа.
- Подключите его через диод (лучше всего подходит высокочастотный кремний) и прикрепите к верхней части батареи. Конденсатор используется для стабилизации напряжения.
- Подключите к разъему для зарядки. В некоторых случаях это можно сделать непосредственно с аккумулятором, но датчик полного заряда аккумулятора работать не будет.
- Закройте заднюю крышку мобильного телефона.Приемное устройство готово.
Чтобы использовать зарядное устройство, просто поместите мобильный телефон на передатчик. В этом случае нужно следить за сенсором на экране смартфона. Есть еще одна схема для этого устройства, использующая усилитель напряжения и резистор. Такой беспроводной зарядкой своими руками можно реанимировать и мобильный телефон без электричества, но пользоваться ею рекомендуется только опытным мастерам.
Как собрать триггер
Триггер – это цифровое устройство, способное хранить один бит информации.В частности, очень распространены так называемые RS-триггеры. Они используются в статической оперативной памяти небольшого объема, когда размеры одной ячейки не критичны, например, в настройках памяти CMOS на материнской плате компьютера.
Инструкции
1
Возьмем микросхему, содержащую как минимум два логических элемента 2 и -НЕТ. Это может быть, в частности, К155ЛА3 или К561ЛА7. Оба они содержат по четыре таких элемента, так что на любом из них можно собрать до двух RS-триггеров.А вот второй чип лучше использовать, потому что он потребляет гораздо меньше энергии.
2
Соедините выход одного из логических элементов с одним из входов другого. Сделайте то же самое для вывода второго логического элемента. Если вы все сделали правильно, элементы будут соединены между собой «крест-накрест», и в каждый из них будет входить один свободный вход. Не забудьте подать питание на микросхему (ее параметры и способ подключения источника зависят от типа микросхемы).
3
Поскольку элементы эквивалентны друг другу, условно назовем один из них «верхним», другой – «нижним».Теперь, когда на выходе первого из них есть логическая единица, а на выходе второй – ноль, можно предположить, что сам триггер установлен в состояние единицы, а когда противоположный установлен в нуль.
4
Чтобы установить триггер на logicalUnits, присвойте ноль свободному входу верхнего элемента, а нижнему – к единице (помните, что используются не элементы И, а элементы НЕ). Чтобы установить триггер в нулевое состояние, сделайте обратное.
5
Но главное свойство RS-триггера, для которого он используется, – это способность поддерживать заданное состояние после снятия управляющего воздействия.Укажите единицу измерения для обоих входов, и триггер останется в прежнем состоянии.
6
Не применяйте к обоим входам RS-триггера логические нули – в этом случае он не запомнит предыдущее состояние, и на обоих его выходах будут единицы. С точки зрения бинарной логики это состояние считается бессмысленным.
7
Помимо запоминающего устройства, триггер RS можно также использовать в схеме для подавления дребезга контактов. В этом случае подключите логическую единицу к обоим входам через подтягивающие резисторы.Подключаем к курку выключателя кнопку, которая попеременно подключается к массе, то к одному, то к другому его входу.
Совет 2: Как настроить триггер
Настройте Flip-flop Task Scheduler в операционной Windows Vista связана с процессом интеграции задачи с самим событием и планирования выполнения выбранного действия, когда регистрация этого события в журнале.
Инструкции
1
Вызовите контекстное меню пункта рабочего стола «Компьютер» правой кнопкой мыши и выберите пункт «Управление» для процедуры настройки Триггер «Планировщик заданий».
2
Разверните узел «Планировщик заданий» на левой панели открывшегося окна управления компьютером и используйте параметр «Создать задание» на панели «Действия».
3
Введите желаемое имя для новой задачи и выберите необходимые параметры безопасности на вкладке «Общие» диалогового окна «Создание новой задачи».
4
Щелкните вкладку «Триггеры» и нажмите кнопку «Создать».
5
В выпадающей строке списка «Начать задачу» нового диалогового окна мастера создания триггеров выберите опцию «По событию» и установите флажок в нужном поле раздела «Параметры»: – » Простой »- для выбора кода события, его источника и журнала, -« Настраиваемый »- для более гибких настроек.
6
Нажмите кнопку «Создать фильтр», чтобы отобразить события »и установите флажки в нужных полях в следующем диалоговом окне: -« По журналу »- для определения необходимых журналов -« По источнику »- для определения источников наблюдения.
7
Укажите желаемые коды событий в разделе «Коды событий» и подтвердите свой выбор с помощью кнопки OK.
8
Перейдите в раздел «Дополнительные настройки» окна мастера запуска и примените Установите флажки в обязательных полях для настройки запуска задачи.
9
Подтвердите применение выбранных изменений, нажав кнопку ОК, и перейдите на вкладку «Действия» в окне мастера.
10
Укажите желаемое действие или действия, выбранные для выполнения при создании Flip-flop и подтвердите свой выбор кнопкой OK.
11
Воспользуйтесь возможностью определения дополнительных условий для запуска задачи на вкладке «Условия» или выберите необходимые параметры для удаления, остановки и запуска задачи на вкладке «Параметры» (не рекомендуется для неопытных пользователей).
12
Подтвердите применение выбранных изменений, нажав кнопку ОК.
Совет 3. Что такое триггер
Современные базы данных настолько сложны, а данные настолько взаимосвязаны, что необходимы специальные процедуры для защиты их от случайных нарушений. Триггеры позволяют сохранить все данные без изменений, даже если неопытный пользователь случайно нажмет не ту кнопку.
Основное назначение триггера – сохранить ссылочную целостность данных.Это означает, что даже если база данных будет изменена, всегда есть возможность вернуть все обратно. Также с их помощью вы можете вносить каскадные изменения в связанные таблицы, в которых ссылки меняются одновременно и не разрывают связи.
Сам по себе триггер – это постоянная процедура, которая запускается автоматически, когда данные изменяются человеком или прикладной программой. Он «включается», как только смена данных завершена. Изменение данных и запуск триггера рассматриваются как одна транзакция (действие), поэтому, когда вы видите или обнаруживаете ошибку, все может быть возвращено, это называется откатом.
Триггерная операция- Каскадирование изменений во взаимосвязанных таблицах данных. Например, если вы хотите удалить определенный столбец или строку сразу во всех таблицах, используется триггер.
- Возврат к исходным данным таблицы
- Отслеживание различных совпадений. Например, триггерная схема может предусматривать запрет на снижение цены товара ниже закупочной цены.
- Анализ различных вариантов изменения. Работа триггера очень удобна для расчета вариантов до и после модификации.Например, вы можете посчитать, что будет, если вы снизите все цены на 5% или насколько вырастет стоимость всех товаров при увеличении транспортных расходов. После анализа все данные можно вернуть в исходный вид.
Creature
Flip-flopТриггеры создаются в текущей базе данных, однако в них можно указать объекты, расположенные в других базах. Имя владельца триггера должно совпадать с именем владельца таблицы. Создайте триггер в предложении Creat.В поле Для указываются операторы модификации данных, после активации которых должен быть включен триггер. Например, это может быть вставка, обновление или удаление по отношению к таблице.
Далее следует указать действия или условия запуска. Это действия, которые следует выполнять в ответ на добавление, удаление или обновление данных.
Совет 4: Как собрать таймер
Современный рынок предлагает потребителям массу удобных вещей для расчета времени – часы, секундомеры, таймеры , .Последние наиболее удобны при работе с заранее заданными временными интервалами. Стоят они довольно дорого, поэтому есть смысл попробовать самому таймер сделать
Понадобится
- – декодер DD3-K176ID2;
- – счетчик ДД2-К176ИЕ13;
- – реле;
- – генератор ДД1-К176ИЕ18.
Инструкция
1
Собрать таймер можно с помощью трех специализированных микросхем, а именно декодера DD3-K176ID2, счетчика DD2-K176IE13 и генератора DD1-K176IE18.Последняя микросхема предназначена непосредственно для использования в электронных часах. Он содержит генератор, предназначенный для совместной работы с внешним кварцевым резонатором, частота которого составляет 32 768 Гц, и делитель частоты в количестве двух штук, в котором коэффициент деления равен 215 = 32768 и 60.
2
Эта микросхема оснащена специальным генератором звукового сигнала. В момент, когда на вход HS с того же выхода этой микросхемы подается импульс положительной полярности, на выходе генерируются отрицательные импульсные пачки с частотой заполнения 2048 Гц и скважностью 2.Период заполнения составляет одну секунду, а длительность всплеска – полсекунды. Выход Q3 имеет «открытый» сток. А это, в свою очередь, дает возможность подключать радиаторы с сопротивлением более пятидесяти Ом без использования репитеров эмиттера.
3
Микросхема DD2 включает часы и минуты, схемы активации звукового сигнала и сравнения, регистр памяти аварийных сигналов, а также схемы, преобразующие цифровые сигналы в двоичный код с динамической индикацией. При подаче питания регистр памяти, а также счетчики часов и минут автоматически переводятся в нулевое состояние.Для согласования микросхем К176ИЕ13 и К176ИЕ18 и индикатора используются ключи на транзисторах VT1-VT4 и декодере DD3.
4
Теперь несколько слов о самом декодере. Эта интегральная микросхема снабжена преобразователем двоично-кодированных сигналов, который может преобразовывать их в управляющие сигналы семисегментных индикаторов. Также этот чип содержит триггеры, которые могут запоминать входные кодовые сигналы. Кроме того, он включает три входа управления и четыре входа индикаторов для сигнализации.
5
Декодер, счетчик и генератор питаются от батареи GB1. Ток, потребляемый от этого аккумулятора, не превышает 0,35 мА.
6
После того, как таймер был собран, точно устанавливается частота задающего генератора. В собранном устройстве используется кварцевый резонатор РВЧ-72, но можно использовать любой другой. Главное, чтобы он был рассчитан на частоту 32 768 Гц. Реле в данном случае применяется к РЭС49, но также может быть заменено любым другим малогабаритным с током срабатывания 10-15 мА.Напряжение должно быть от шести до девяти вольт.
Особенности работы гальванических элементов и никель-кадмиевых аккумуляторов. Устройство для регенерации гальванических элементов и зарядки аккумуляторов асимметричным током
Начинающие Зарядное устройство. (016)
С помощью этого набора вам предоставляется возможность собрать схему для зарядки разряженных гальванических элементов (батарей) размером AA (палец) или AAA (мини-палец). Существуют аккумуляторные батареи, рассчитанные на несколько циклов заряда / разряда, и батареи, которые, согласно инструкциям, не могут быть заряжены.Но батареи также делятся на угольно-цинковые (солевые) и щелочные (щелочные). Первый вариант аккумуляторов действительно заряжается очень слабо, но второй тип по структуре ближе к аккумуляторам, и при определенных параметрах зарядного тока их можно заряжать до 20 раз до 70% от исходного уровня.
Метод зарядки гальванических элементов асимметричным током заряда / разряда в соотношении 10/1 известен давно. На этом основана работа нашей схемы. Генератор импульсов выполнен на логических элементах К561ЛА7 (К176ЛА7) DD1.Микросхема 1-DD1.3. Частота следования импульсов около 80 Гц. На транзисторах VT1 и VT2 собран ключ, усиливающий импульсы генератора по току. Если на выходе логического элемента DD1.3 низкое напряжение, транзисторы VT1, VT2 открыты, и зарядный ток течет через заряженные элементы, подключенные к гнездам. При высоком напряжении на выходе элемента DD1.3 оба транзистора закрываются и заряженные элементы разряжаются через резистор R7. Наладка устройства заключается в подборе резисторов R6 и R7 по требуемым значениям зарядного и разрядного токов.Напряжение питания выбирается в пределах 6 … 15 В в соответствии с общим напряжением заряженных ячеек. Ток зарядки выбирается исходя из (6 … 10) -часового режима зарядки. С указанными на схеме резисторами R6, R7 схема рассчитана на питание от любого внешнего источника (блок питания, аккумулятор) напряжением 12 вольт и током не менее 0,1А и одновременную зарядку двух ячеек АА или ААА. (одновременная зарядка двух типов не допускается). Если напряжение внешнего источника отличается от 12 В, необходимо выбрать R6 и R7 исходя из максимального зарядного тока до 50 мА.При последовательном изменении количества и типа одновременно заряжаемых ячеек необходимо также выбрать R6 и R7. При подключении блока питания и заряженных элементов соблюдайте полярность! Основным косвенным критерием контроля заряда ячеек является контроль температуры заряженных ячеек. Заряжаемые элементы не должны быть очень горячими, это может привести к закипанию электролита с дальнейшим разрывом корпуса элемента. Не оставляйте батареи разряженными в течение длительного времени.
В комплекте 016:
1. Микросхема К561ЛА7,
2. Гнездо для микросхемы DIP14,
3. Макетная плата,
4. Транзистор КТ361,
5. Транзистор КТ817,
6. Контейнер для элементов AAx2,
7. Контейнер для элементов AAAx2,
8. Диод (2 шт.),
9. Резисторы постоянные (7 шт.):
Р1 – 1к6 (Кч / Г / Кр),
R2 – 12к (Кч / Кр / О),
R3, R4, R5 – 1к (Кч / Х / Кр),
R6 – 120 (IW, K12)
R7 – 470 (Вт / Ф / Кч),
10.Конденсатор 0,47Мкф,
11. Розетка 6,3 / 2,1,
12. Вилка питания 6.3 / 2.1,
13. Монтажные провода,
14. Схема и описание.
Видеообзор:
В. Васильев
Карманные музыкальные плееры, радиоприемники, проигрыватели компакт-дисков и другое портативное радиоэлектронное оборудование массового потребления питаются от гальванических или аккумуляторных элементов различных типоразмеров. По всему миру их производством занимаются более 500 различных компаний и дочерних предприятий, получая постоянную прибыль, так как потребность в этих необходимых для всех источниках энергии растет с каждым годом.
Гальванические элементы относительно недороги, имеют начальное напряжение 1,5 В и емкость от 0,6 до 8,0 Ач. Их недостатком можно считать резкое падение напряжения по мере их разряда (до 0,7 В), тогда как большинство устройств позволяет им разряжаться только до 1,0 … 1,1 В. Еще один недостаток – самый существенный – разовый. использовать. После того, как будет израсходовано около 70% энергии, электрохимические элементы необходимо заменить новыми. В литературе описаны различные виды зарядных устройств, позволяющих продлить срок службы гальванических элементов, но при этом количество циклов перезарядки исчисляется единицами, а емкость элемента снижается практически до нуля.Кроме того, на некоторых типах ячеек есть надпись «Зарядка запрещена». Это сделано для предотвращения несчастных случаев в результате разрушения оболочки элемента во время зарядки.
В этом отношении аккумуляторные элементы имеют ряд существенных преимуществ. Главное – возможность их многократной подзарядки за 5 … 10 лет. Отечественные аккумуляторные элементы имеют гарантированный срок службы не менее 500 циклов заряда / разряда, а зарубежные – не менее 1000. Хотя на практике это может быть иначе.Например, автор статьи эксплуатирует пару аккумуляторных элементов 0,45 Ач, заряжая их два раза в неделю (100 циклов в год). Они были куплены еще в 1993 году, выдержали 700 циклов заряда / разряда и продолжают служить.
Еще одним преимуществом аккумуляторных элементов является высокая стабильность их рабочего напряжения. Свежезарядный элемент имеет начальное напряжение 1,3 … 1,4 В, которое уменьшается по мере разряда до 1,1 В. Практически полный разряд элемента достигается при падении напряжения до 1 В.Дальнейшая разрядка элемента ниже этого порогового значения сокращает срок службы батареи и ее емкость. В том случае, когда в аппаратуре используется только один элемент, например, в микроприемнике, достижение порогового значения разрядного напряжения заметно, когда приемник перестает работать. Затем элемент снимается и ставится на зарядку. В случаях, когда используется батарея из двух, четырех или шести ячеек, может оказаться, что из-за неодинаковой емкости ячеек одна из них (самая слабая) снизит свое напряжение до порогового значения раньше, чем другие, и начнется для дальнейшего разряда из-за нормальной работы других ячеек… В этом случае громкость звука может немного уменьшиться, но сам ресивер или плеер продолжит работать до тех пор, пока не разрядятся остальные элементы.
Практика показывает, что самый слабый элемент будет иметь напряжение около 0,3 В обратной полярности (там, где раньше был «минус», есть «плюс»). Другими словами, аккумулятор был перезаряжен, что пагубно скажется на его дальнейшей работе. Эту ситуацию можно исправить, сразу же зарядив его нормальным током в течение необходимого времени.
Аккумуляторные элементы при всей своей простоте внешнего вида имеют «злобный» характер. Это заключается в том, что накопление энергии в полном объеме возможно только при зарядке током определенной величины (десятичасовой ток разряда) в течение 15 … 16 часов. Кроме того, напряжение разряженного элемента должно быть равным 1,0 … 1,1 В. О нежелательности разряда ниже этого порога говорилось выше. Также не рекомендуется, чтобы это напряжение было больше порогового, например, 1.2 В, т.е. когда ранее накопленная энергия не расходуется полностью, например только на 50%. Если это произойдет, то при следующем цикле зарядки аккумулятор будет накапливаться и отдавать в нагрузку те же 50%, не более. Следовательно, чтобы обеспечить длительную работу аккумуляторных элементов и получить от них номинальный запас энергии, необходимо измерить напряжение на них с помощью вольтметра, прежде чем включать их для подзарядки. Если оно в пределах 1.0.1.1 В, то их можно сразу ставить на зарядку.Если напряжение больше этого значения, то сначала необходимо их разрядить. К сожалению, если зарядные устройства продаются везде и везде, то специальных устройств для контроля конечного напряжения элемента и его разряда перед включением нет, как в нашей стране, так и за рубежом. Бытует мнение, что использование таких устройств усложняет эксплуатацию оборудования, особенно теми людьми, которые далеки от техники. В этом отношении у специалистов и мастеров есть преимущества.
Итак, если использовать элементы аккумулятора без контроля их состояния перед включением на зарядку, то срок службы сокращается примерно вдвое.При этом отечественные аккумуляторы выходят из строя после 200 … 300 циклов заряда / разряда, а зарубежные – после 400 … 600. Для большинства потребителей это не будет особо заметно, так как речь пока идет о нескольких годах эксплуатации. . Но если перед включением аккумуляторных элементов в зарядку каждый из них испытать и дополнительно разрядить до необходимого уровня, то срок их службы увеличится по сравнению с гарантией до 1000 … 1200 циклов зарядки / разрядки для бытовых и 1500 … 2000 циклов для посторонних элементов. Правда, такие предварительные операции могут кому-то показаться сложными, но для тех, кому приходится постоянно работать с переносной техникой, они не помеха.
На отечественном рынке радиотоваров сейчас в изобилии аккумуляторные элементы отечественного и зарубежного производства, причем не только типоразмера 316. В продаже имеются элементы других популярных типоразмеров – 286, 343, 373.
Самый простой способ разобраться с бытовыми батареями, имеющими стандартное обозначение – НХТс – «Никель-кадмиевые герметичные цилиндрические» батареи.За этими буквами следуют цифры, обозначающие номинальную мощность в ампер-часах. Например, самые распространенные и недорогие элементы типоразмера 316 имеют обозначение НКГЦ – 0,45. Это означает, что каждая ячейка имеет номинальную емкость 0,45 Ач или 450 мАч. Названия НКГЦ-1,8 и НКГЦ-3,2 расшифровываются аналогично: их емкость равна соответственно 1,8 Ач для типоразмера 343 и 3,2 Ач для типоразмера 373.
Сложнее обстоит дело с посторонними аккумуляторными элементами.Фирмы в Европе, Северной Америке и Азии приняли несколько иностранных и международных стандартов. Они различаются между собой размерами и номинальной емкостью. В последнее время в связи с усовершенствованием технологии производства емкость аккумуляторных элементов увеличена в 2 … 4 раза. Так, если 10 лет назад аккумуляторные элементы типоразмера 316 имели номинальную емкость 0,45 … 0,6 Ач, то сейчас их емкость достигает 1,5 … 2 Ач. Более того, некоторые из этих образцов нечувствительны к зарядке с неполным разрядом, к чему так чувствительны обычные элементы выпуска прошлых лет.
В таблице показаны символы аккумуляторных элементов, которые имеют разные системы символов для каждого размера. Также указана продолжительность зарядки каждого элемента постоянным током определенной величины. Элементы никель-кадмиевых аккумуляторов можно заряжать вдвое большим током, тем самым сокращая время зарядки вдвое. Если под рукой нет зарядного устройства для зарядки аккумулятора этого стандартного размера, а есть только зарядное устройство с меньшим зарядным током, то зарядку можно производить меньшим током, но в течение более длительного времени.
Имеющиеся в продаже зарядные устройства отечественного и зарубежного производства имеют индикацию размера заряжаемых ячеек, величины зарядного тока и времени, необходимого для этого. В литературе описано множество конструкций самодельных зарядных устройств, но все же лучше использовать фирменное хотя бы из соображений личной электробезопасности, так как обычно зарядка осуществляется от сети переменным током 220 В, хотя есть зарядные устройства, которые работают от напряжение постоянного тока бортовой сети автомобиля 12 В.
Емкость аккумулятора
Основными рабочими характеристиками аккумуляторных элементов и батарей являются время разряда при заданном токе и фактическая электрическая емкость. Обе характеристики определяются номинальной электрической мощностью и сопротивлением нагрузки или величиной потребляемого тока. На рис. 1 показаны результаты измерения напряжения одного элемента аккумуляторной батареи с различным значением номинальной емкости от 180 до 1300 мАч при постоянном токе разряда 100 мА.Такой ток потребляет современный аудиоплеер в режиме воспроизведения. И как видно из рисунка, время разряда, измеренное при падении напряжения с 1,35 до 1,0 В, составляет от 1,6 до 11,2 часа. То есть нормальное время работы аккумулятора практически прямо пропорционально его номинальной емкости.
В то же время очевидно, что использование аккумуляторов с большим значением номинальной емкости выгодно вдвойне. Во-первых, время, в течение которого плеер или ресивер работает нормально и не требует подзарядки, резко увеличивается.Во-вторых, уменьшается количество циклов заряда / разряда в год, что увеличивает общий срок службы батареи. Кроме того, как правило, цена аккумулятора большей емкости за 1 Ач меньше, чем стоимость аккумулятора меньшей емкости.
Здесь следует отметить, что все рабочие характеристики аккумуляторов рассчитаны наилучшим образом применительно к режиму, в котором разряд осуществляется десятичасовым разрядным током, то есть током, равным номинальной емкости, деленному на 10 часов.При значительном увеличении потребляемого тока по сравнению с десятичасовым значением его реальная электрическая мощность снижается. Это видно из рис. 2, на котором показаны результаты измерения реальной емкости аккумуляторного элемента различной номинальной емкости в зависимости от величины потребляемого тока.
Вертикальными пунктирными линиями обозначены границы возможных значений этого тока – от 100 до 300 мА, куда попадает большинство аудиоплееров, проигрывателей компакт-дисков и портативных ресиверов.
Рис. 2 показывает, что только батареи 1 … 1,5 Ач используют свою энергию эффективно. При прочих равных, аккумуляторы большей емкости выгоднее аккумуляторов малой мощности при работе с большим потреблением тока.
Как заряжать и разряжать аккумуляторы
Для нормальной работы плеера или ресивера необходимо, чтобы все элементы имели одинаковую мощность. Все знают, как заряжать аккумуляторы: взять отработавшие свой ресурс элементы, проверить их остаточное напряжение и при необходимости разрядить каждый из них до 1 В.После этого элементы вставляются в зарядное устройство согласно их полярности и устройство подключается к сети 220 В (или 12 В).
По истечении прописанного инструкцией времени зарядное устройство отключается от сети, из него вынимаются элементы и вставляются в оборудование. Теперь батарейки начнут работать – отдавать накопленную энергию по назначению.
В тех случаях, когда вопрос о сохранении, не говоря уже о продлении, гарантированного срока службы аккумуляторов не стоит, процедуру зарядки можно проводить без контроля остаточного напряжения и разряжать элементы до напряжения 1 В.В противном случае операцию разряда до заданного значения можно осуществить с помощью простейшего разрядного устройства, принципиальная схема которого приведена на рис. 3.
Здесь элементы батареи подключены индивидуально или группой к стабилизатору напряжения, выполненному на резисторе R1, и двум кремниевым транзисторам, соединенным последовательно, работающим в режиме насыщения тока коллектора. Этот режим достигается за счет соединения базы и коллектора каждого транзистора. В этом случае каждый транзистор становится стабилизатором напряжения 0.5 В при изменении тока через него от 1 до 200 мА. Использование двух последовательно соединенных транзисторов дает необходимое напряжение 1 В. Когда один или несколько элементов подключены к этому стабилизатору, даже с большим разбросом остаточного напряжения, в конечном итоге все они будут иметь одинаковый остаточный потенциал – 1 В. В худшем случае процесс разряда обычно занимает не более одного-двух часов. Убедиться в завершении процесса разряда можно, измерив напряжение сначала на элементах, а затем на транзисторах.Если процесс разряда завершится, то напряжения составят 1 В.
Для контроля момента окончания цикла разряда ячеек АКБ по схеме на рис.3 рекомендуется измерить падение напряжения на резисторе R1. , который должен быть равен нулю.
При покупке аккумуляторных элементов иностранного производства возникают определенные лингвистические трудности с переводом на русский язык этикеток, написанных на английском, немецком и других языках. Ниже приведены переводы наиболее важных фраз и предложений.
Никель-кадмиевый аккумулятор 1000 мАч 1,2 В
Никель-кадмиевый аккумулятор емкостью 1000 мАч и напряжением 1,2 В
Стандартная зарядка: 15 дом при 100 мА
Стандартный режим зарядки: 15 ч при 100 мА
Быстрая зарядка: 6 часов при мА
Быстрая зарядка: 6 часов при 250 мА
ВНИМАНИЕ: Не выбрасывайте в огонь или короткое замыкание.
Предупреждение: не подвергайте воздействию огня или короткого замыкания
Ni / Cd, аккумулятор 1,2, 600 мА. h, 60IRS, до 1000 бар, перезарядка до 1000 раз, Normallabung: 14 Std.при 60 мА, стандартные заряды: 14 ч. при мА. IEC KR 15/51 (R6)
Никель-кадмиевый аккумулятор напряжением 1,2 В, емкостью 600 мАч. Выдерживает 1000 циклов заряда / разряда. Зарядка 14 часов током 60 мА.
ACCU PLUS –
Аккумулятор большой емкости
Аккумулятор –
Аккумуляторный или гальванический
P-100 AARM KR 15/51 1000 мА · ч 1,2 В 1000 F
1,2 В 1000 мА · ч аккумулятор для заряда 1000 мАч / циклов разряда
Литература
1.Варламов Р.Г. Современные блоки питания. Справочник. М .: ДМК, 1998.187 с.
2. В. Боравский. Зарядка «универсал» для аккумуляторов портативных радиостанций. Ремонт и обслуживание, 2000, № 2, с. 60-62.
Проблема повторного использования гальванических батарей давно волнует энтузиастов электроники. В технической литературе неоднократно публиковались разные методы «оживления» элементов, но, как правило, они помогали только один раз и не давали ожидаемой мощности.
В результате экспериментов удалось определить оптимальные текущие режимы регенерации и разработать зарядные устройства, подходящие для большинства элементов. При этом они приобрели свою первоначальную емкость, а иногда и несколько превышающую ее.
Необходимо восстанавливать элементы, а не аккумуляторы от них, так как даже один из последовательно соединенных элементов аккумулятора, пришедший в негодность (разряженный ниже допустимого уровня), делает невозможным восстановление аккумулятора.
Что касается процесса зарядки, то его следует проводить несимметричным током с напряжением 2,4 … 2,45 В. При более низком напряжении регенерация сильно затягивается и элементы через 8 … 10 часов не набирают обороты. даже половину своей мощности. При более высоком напряжении нередки случаи закипания элементов, и они приходят в негодность.
Перед тем, как приступить к зарядке элемента, необходимо провести его диагностику, смысл которой заключается в определении способности элемента выдерживать определенную нагрузку.Для этого сначала подключите к элементу вольтметр и измерьте остаточное напряжение, которое не должно быть ниже 1 В. (Элемент с более низким напряжением не подходит для регенерации.)
Затем элемент нагружается на 1 … 2 секунды резистором 10 Ом, и если напряжение на элементе падает не более чем на 0,2 В, он пригоден для регенерации.
Электрическая схема зарядного устройства, представленного на рис. 5.23 (предложено Б.И. Богомоловым), предназначена для одновременной зарядки шести элементов (Г1… G6 типа 373, 316, 332, 343 и им подобные).
Самым ответственным звеном схемы является трансформатор Т1, так как напряжение во вторичной обмотке должно быть строго в пределах 2,4 … 2,45 В независимо от количества регенерируемых элементов, подключенных к нему в качестве нагрузки.
Если нет возможности найти готовый трансформатор с таким выходным напряжением, то можно адаптировать имеющийся трансформатор мощностью не менее 3 Вт, намотав на него дополнительную вторичную обмотку на необходимое напряжение с помощью ПЭЛ или Проволока ПЭВ диаметром 0.8 … 1,2 мм. Соединительные провода между трансформатором и цепями зарядки должны иметь максимально возможное поперечное сечение.
Продолжительность регенерации 4 … 5, а иногда и 8 часов. Периодически тот или иной элемент необходимо снимать с блока и проверять по методике, описанной выше для диагностики элементов, либо можно контролировать напряжение на заряженных элементах с помощью вольтметра и, как только оно достигнет 1,8 … 1,9 В. , остановите регенерацию, иначе аккумулятор может перезарядиться и выйти из строя.То же самое сделайте в случае нагрева любого элемента.
Элементы, которые работают в детских игрушках, лучше всего восстанавливать, если поставить их на регенерацию сразу после разряда. Более того, такие элементы, особенно с цинковыми чашками, допускают многократную регенерацию. Несколько хуже ведут себя современные элементы в металлическом корпусе.
В любом случае при регенерации главное не допустить глубокого разряда элемента и вовремя поставить его на подзарядку, поэтому не спешите выбрасывать отработанные гальванические элементы.
Вторая схема (рис. 5.24) использует тот же принцип перезарядки элементов пульсирующим асимметричным электрическим током … Он был предложен С. Глазовым и более прост в изготовлении, так как позволяет использовать любой трансформатор с обмоткой. имеющий напряжение 6,3 В. Лампа накаливания HL1 (6,3 В; 0,22 А) выполняет не только сигнальные функции, но и
ограничивает зарядный ток элемента, а также защищает трансформатор в случае короткого замыкания в цепи зарядки.
Стабилитрон VD1 типа КС119А ограничивает напряжение заряда элемента. Его можно заменить набором последовательно соединенных диодов – два кремниевых и один германиевый – с допустимым током не менее 100 мА. Диоды VD2 и VD3 – любые кремниевые с одинаковым допустимым средним током, например КД102А, КД212А.
Емкость конденсатора С1 от 3 до 5 мкФ на рабочее напряжение не менее 16 В. Схема переключателя SA1 и управляющих розеток Х1, Х2 для подключения вольтметра.Резистор R1 – 10 Ом и кнопка SB1 служат для диагностики элемента G1 и контроля его состояния до и после регенерации.
Нормальное состояние соответствует напряжению не менее 1,4 В и его снижению при подключении нагрузки не более 0,2 В.
О состоянии заряда элемента также можно судить по яркости лампы HL1. Перед подключением элемента он светится примерно на половину тепла. При подключении разряженного элемента яркость свечения заметно увеличивается, а в конце цикла зарядки подключение и отключение элемента практически не меняет яркость.
При подзарядке элементов типа СЦ-30, СЦ-21 и других (для наручных часов) необходимо последовательно с элементом подключить резистор 300 … 500 Ом. Ячейки типа 336 и другие заряжаются поочередно. Чтобы получить доступ к каждому из них, нужно открыть картонную нижнюю часть аккумулятора.
Если требуется восстановить заряд только для аккумуляторов серии SC, схему регенерации можно упростить, исключив трансформатор (рис. 5.25).
Схема работает аналогично приведенной выше.Зарядный ток (1 заряд) элемента G1 протекает через элементы VD1, R1 в момент положительной полуволны сетевого напряжения. Значение 1char зависит от значения R1. В момент отрицательной полуволны
диод VD1 закрыт и разряд идет по цепи VD2, R2. Соотношение 1сар и выбрано 10: 1. Каждый тип элемента серии SC имеет свою емкость, но известно, что величина зарядного тока должна составлять примерно десятую часть электрической емкости аккумулятора.Например, для SC-21 – емкость 38 мАч (1сар = 3,8 мА, 1сп = 0,38 мА), для SC-59 – емкость 30 мАч (1сар = 3 мА, 1ср = 0,3 мА). На диаграмме показаны номиналы резисторов для re
.поколения элементов SC-59 и SC-21, а для других типов их легко определить с помощью соотношений: R1 = 220/2 * l3ap, R2 = 0,1 * R1.
Установленный в схеме стабилитрон VD3 не участвует в работе зарядного устройства, а выполняет функцию защитного устройства от поражения электрическим током – при отключении элемента G1 на контактах X2 напряжение X3 не может увеличиваться более чем уровень стабилизации.Стабилитрон KS175 подходит к любой последней букве в обозначении, или его можно заменить двумя стабилитронами типа D814A, подключенными последовательно друг к другу («плюс» к «плюсу»). В качестве диодов VD1, VD2 подходят любые диоды с рабочим обратным напряжением не менее 400 В.
Время регенерации элементов 6 … 10 часов. Сразу после регенерации напряжение на элементе немного превысит номинальное значение, но через несколько часов установится номинальное напряжение – 1.5 В.
Этим способом можно восстанавливать элементы SC от трех до четырех раз, если их вовремя поставить на подзарядку, не допуская полного разряда (ниже 1 В).
Схема, показанная на рис. 5.26. В особых пояснениях она не нуждается.
Идея восстановления разряженных гальванических элементов, таких как аккумуляторные батареи, не нова. Восстанавливайте элементы с помощью специальных зарядных устройств. Практически установлено, что наиболее распространены стеклянные марганцево-цинковые элементы и батареи, например 3336Л (КБС-Л-0.5), 3336X (KBS-X-0.7), 373, 336, регенерируются лучше других. марганцево-цинковые батареи “Крона ВЦ”, БАСГ и другие.
Лучший способ восстановить химические источники питания – пропустить асимметричный переменный ток, через который проходит положительная составляющая постоянного тока. Простейшим источником несимметричного тока является однополупериодный выпрямитель на основе диода, зашунтированного резистором. Выпрямитель подключается к вторичной обмотке низкого напряжения (5-10 В) понижающего трансформатора, питающегося от сети переменного тока.Однако у такого зарядного устройства низкий КПД – около 10% и, кроме того, заряженный аккумулятор может разрядиться в случае случайного отключения напряжения, питающего трансформатор.
Наилучших результатов можно достичь при использовании зарядного устройства, выполненного по схеме, представленной на рис. 1. В этом устройстве вторичная обмотка II питает два отдельных выпрямителя на диодах D1 и D2, на выходах которых две аккумуляторные батареи B1. и B2 связаны.
Параллельно диодам D1 и D2 подключены конденсаторы C1 и C2.На рис. 2 представлена осциллограмма тока, протекающего через аккумулятор. Заштрихованная часть периода – это время, в течение которого через батарею протекают импульсы разрядного тока.
рис. 2
Очевидно, что эти импульсы оказывают особое влияние на протекание электрохимических процессов в активных материалах гальванических элементов. Происходящие в этом случае процессы еще недостаточно изучены, и их описание в популярной литературе отсутствует. При отсутствии импульсов тока разряда (что бывает при отключении конденсатора, подключенного параллельно диоду), регенерация элементов практически прекращалась.
Экспериментально установлено, что марганцево-цинковые гальванические элементы относительно мало критичны к величине постоянной составляющей и форме отрицательных импульсов зарядного тока. Это позволяет использовать зарядное устройство без дополнительной регулировки составляющих постоянного и переменного тока зарядного тока для восстановления различных элементов и аккумуляторов. Отношение постоянной составляющей зарядного тока к действующему значению его переменной составляющей должно быть в пределах 5-25.
Производительность зарядного устройства может быть увеличена за счет последовательного включения нескольких ячеек для зарядки. Следует учесть, что в процессе зарядки эл. и т. д. с. элементы могут увеличиваться до 2-2,1.в. Исходя из этого и зная напряжение на вторичной обмотке трансформатора, определяется количество одновременно заряжаемых элементов.
Подключать к зарядному устройству аккумуляторы типа 3336L удобнее через лампочку накаливания 2.5v X 0.2a, которая играет роль заколки и одновременно служит индикатором состояния заряда.По мере восстановления электрического заряда аккумулятора яркость лампы уменьшается. Элементы типа «Марс» (373) необходимо подключать без лампочки, так как постоянная составляющая зарядного тока такого элемента должна составлять 200-400 мА. Элементы 336 соединены группами по три, соединенными последовательно. Условия зарядки такие же, как для батарей типа 3336. Зарядный ток для элементов 312, 316 должен составлять 30-60 мА. Возможна одновременная зарядка больших групп аккумуляторов 3336L (3336X) напрямую от сети (без трансформатора) через два последовательно включенных диода D226B, параллельно которым 0.Подключен конденсатор 5 мкФ с рабочим напряжением 600 В.
Зарядное устройство может быть выполнено на базе трансформатора электробритвы Молодость, имеющего две вторичные обмотки напряжением 7,5 В. Также удобно использовать напряжение накаливания 6,3 В любого сетевого лампового радиоприемника. Естественно, то или иное решение выбирается в зависимости от необходимого максимального зарядного тока, который определяется типом восстанавливаемых элементов. Из этого же исходите при выборе выпрямительных диодов.
рис. 3
Чтобы оценить эффективность данного метода восстановления гальванических элементов и аккумуляторов, на рис. 3 приведены графики напряжения разряда для двух аккумуляторов 3336L с сопротивлением нагрузки Rн = 10 Ом. Сплошными линиями показаны кривые разряда новых батарей, а пунктирными – после двадцати полных циклов разряда – заряд. Таким образом, производительность батарей после двадцати раз использования остается вполне удовлетворительной.
Сколько циклов разряд-заряд могут выдержать гальванические элементы и батареи? Очевидно, это сильно зависит от условий эксплуатации, срока годности и других факторов.На рис. 4 показано изменение времени разряда на нагрузку Rн = 10 Ом двух аккумуляторов 3336L (кривые 1 и 2) за 21 цикл разряд-заряд. Аккумуляторы были разряжены до напряжения не менее 2,1 В, режим заряда у обоих аккумуляторов одинаковый. За указанное время работы аккумуляторов время разряда уменьшилось с 120-130 минут до 50-80 минут, то есть почти вдвое.
рис. 4
Такое же уменьшение емкости допускается спецификацией в конце указанного максимального срока хранения.Практически возможно восстанавливать элементы и батареи до тех пор, пока их цинковые чашки не будут полностью разрушены или пока не высохнет электролит. Выяснилось, что большее количество циклов выдерживают элементы, которые интенсивно разряжаются на мощную нагрузку (например, в фонариках, в блоках питания для электробритв). Элементы и батареи не должны разряжаться до напряжения ниже 0,7 В на элемент. Восстанавливаемость элементов 373 относительно хуже, так как после 3-6 циклов их емкость резко падает.
Требуемую продолжительность заряда можно сделать вывод с помощью графика; показано на рис. 4. При увеличении времени зарядки более 5 часов восстановленная емкость аккумуляторов увеличивается в среднем очень незначительно. Поэтому можно предположить, что при указанных значениях зарядного тока минимальное время восстановления составляет 4-6 часов, а марганцево-цинковые элементы не имеют явных признаков окончания заряда и нечувствительны к перезарядке. .
Использование асимметричного тока также полезно для зарядки и литья аккумуляторов и аккумуляторных батарей.Этот вопрос, однако, все еще требует проверки на практике и может открыть новые интересные возможности аккумуляторов.
Электроснабжение РЕГЕНЕРАЦИЯ ГАЛЬВАНИЧЕСКИХ ЭЛЕМЕНТОВ И АККУМУЛЯТОРОВ И. АЛИМОВ Амурская область.
Идея восстановления разряженных гальванических элементов, таких как аккумуляторные батареи, не нова. Восстанавливайте элементы с помощью специальных зарядных устройств. Практически установлено, что наиболее распространены стеклянные марганцево-цинковые элементы и батареи, такие как 3336L (KBS-L-0.5), 3336X (KBS-X-0.7), 373, 336, регенерируются лучше других. марганцево-цинковые батареи “Крона ВЦ”, БАСГ и другие.
Лучший способ регенерировать химические источники питания – пропустить асимметричный переменный ток, через который проходит положительная составляющая постоянного тока. Простейшим источником несимметричного тока является однополупериодный выпрямитель на основе диода, зашунтированного резистором. Выпрямитель подключается к вторичной обмотке низкого напряжения (5-10 В) понижающего трансформатора, питающегося от сети переменного тока. Однако у такого зарядного устройства низкий КПД – около 10% и, кроме того, заряженный аккумулятор может разрядиться в случае случайного отключения напряжения, питающего трансформатор.
Наилучших результатов можно достичь, если использовать зарядное устройство, выполненное по схеме, показанной на рис.
1. В этом устройстве вторичная обмотка II питает два отдельных выпрямителя на диодах D1 и D2, к выходам которых подключены две аккумуляторные батареи B1 и B2.
рис. 1
Параллельно диодам D1 и D2 подключены конденсаторы C1 и C2. На рис. 2 представлена осциллограмма тока, протекающего через аккумулятор. Заштрихованная часть периода – это час, в течение которого через батарею протекают импульсы разрядного тока.
ДЛЯ УВЕЛИЧЕНИЯ (УМЕНЬШЕНИЯ) СХЕМЫ НАЖМИТЕ НА ИЗОБРАЖЕНИЕ
рис. 2
Очевидно, что эти импульсы оказывают особое влияние на протекание электрохимических процессов в активных материалах гальванических элементов. Происходящие в этом случае процессы еще недостаточно изучены, и их описание в популярной литературе отсутствует. При отсутствии импульсов тока разряда (что бывает при отключении конденсатора, подключенного параллельно диоду), регенерация элементов практически прекращалась.
Экспериментально установлено, что марганцево-цинковые гальванические элементы относительно мало критичны к величине постоянной составляющей и форме отрицательных импульсов зарядного тока. Это позволяет использовать зарядное устройство без дополнительной регулировки составляющих постоянного и переменного тока зарядного тока для восстановления различных элементов и аккумуляторов. Отношение постоянной составляющей зарядного тока к действующему значению его переменной составляющей должно быть в пределах 5-25.
Производительность зарядного устройства можно увеличить, включив для зарядки последовательно несколько ячеек. При этом нужно учитывать, что в процессе зарядки эл. и т. д. с. элементы могут вырасти до 2-2,1.в. Исходя из этого и зная напряжение на вторичной обмотке трансформатора, определяется количество одновременно заряжаемых элементов.
Аккумуляторы 3336L удобнее подключать к зарядному устройству через лампу накаливания 2.5V X 0.2A, которая играет роль заколки и одновременно служит индикатором состояния заряда.Когда батарея восстановится, свет будет гаснуть. Элементы типа «Марс» (373) необходимо подключать без лампочки, так как постоянная составляющая зарядного тока такого элемента должна составлять 200-400 мА. Элементы 336 соединены группами по три, соединенными последовательно. Условия зарядки такие же, как у 3336 аккумуляторов. Зарядный ток ячеек 312, 316 должен составлять 30-60 мА. Возможна одновременная зарядка больших групп аккумуляторов 3336L (3336X) напрямую от сети (без трансформатора) через два последовательно включенных диода D226B, параллельно которым 0.Подключен конденсатор 5 мкФ с рабочим напряжением 600 В.
Зарядное устройство может быть выполнено на базе трансформатора электробритвы Молодость, имеющего две вторичные обмотки напряжением 7,5 В. Также удобно использовать напряжение накаливания 6,3 В любого сетевого лампового радиоприемника. Естественно, то или иное решение выбирается в зависимости от необходимого максимального зарядного тока, который определяется типом восстанавливаемых элементов. Из этого же исходите при выборе выпрямительных диодов.
ДЛЯ УВЕЛИЧЕНИЯ (УМЕНЬШЕНИЯ) СХЕМЫ НАЖМИТЕ НА ИЗОБРАЖЕНИЕ
рис. 3
Чтобы оценить эффективность данного метода восстановления гальванических элементов и аккумуляторов, на рис. 3 приведены графики напряжения разряда для двух аккумуляторов 3336L с сопротивлением нагрузки Rн = 10 Ом. Сплошные линии показывают кривые разряда новых батарей, а пунктирные линии показывают после двадцати полных циклов разряда-заряда. Таким образом, производительность батарей после двадцати раз использования остается полностью удовлетворительной.
Сколько циклов разряд-заряд могут выдержать гальванические элементы и батареи? Очевидно, это сильно зависит от условий эксплуатации, срока годности и других факторов. На рис. 4 показано изменение времени разряда на нагрузку Rн = 10 Ом двух аккумуляторов 3336L (кривые 1 и 2) за 21 цикл разряд-заряд. Аккумуляторы были разряжены до напряжения не менее 2,1 В, режим заряда у обоих аккумуляторов одинаковый. За указанное время работы аккумуляторов час разряда уменьшился со 120-130 минут до 50-80 минут, то есть почти вдвое.
ДЛЯ УВЕЛИЧЕНИЯ (УМЕНЬШЕНИЯ) СХЕМЫ НАЖМИТЕ НА ИЗОБРАЖЕНИЕ
рис. 4
Такое же уменьшение емкости допускается спецификацией в конце указанного максимального срока хранения. Практически возможно восстанавливать элементы и батареи до тех пор, пока их цинковые чашки не будут полностью разрушены или пока не высохнет электролит. Выяснилось, что большее количество циклов выдерживают элементы, которые интенсивно разряжаются на мощную нагрузку (например, в фонариках, в блоках питания для электробритв).Элементы и батареи не должны разряжаться до напряжения ниже 0,7 В на ингредиент. Восстанавливаемость элементов 373 относительно хуже, так как после 3-6 циклов их емкость резко падает.
Требуемая продолжительность заряда может быть заключена с помощью графика; показано на рис.
4. При увеличении времени зарядки более чем на 5 часов восстанавливаемая емкость аккумуляторов увеличивается в среднем очень незначительно. Поэтому можно предположить, что при указанных значениях зарядного тока минимальный час восстановления составляет 4-6 часов, а марганцево-цинковые элементы не имеют явных признаков окончания заряда и нечувствительны к перезарядке. .
Использование асимметричного тока также полезно для зарядки и формования аккумуляторов и аккумуляторных батарей. Однако этот вопрос еще предстоит проверить на практике и может открыть новые интересные возможности аккумуляторов.
(Радио 6-72, стр. 55-56)
Обзор устройства и пример изготовления. Как работает металлоискатель в зависимости от назначения и технического устройства
Лучший металлоискатель
Почему Volksturm был назван лучшим металлоискателем? Главное, чтобы схема была действительно простой и реально работающей.Из множества схем металлоискателей, которые делал лично я, именно здесь все просто, глубоко и надежно! Более того, благодаря своей простоте, в металлоискателе есть хорошая схема Дискриминация – определение железа или цветного металла находится в земле. Сборка металлоискателя заключается в безошибочной пайке платы и установке катушек в резонанс и в ноль на выходе входного каскада на LF353. Нет ничего суперсильного, было бы желание и мозги.Смотрим конструктивное исполнение металлоискателя и новую усовершенствованную схему Фолькштурма с описанием.
Поскольку в процессе сборки возникают вопросы, чтобы сэкономить ваше время, а не форсировать сотни страниц форума, вот ответы на 10 самых популярных вопросов. Статья в процессе написания, поэтому некоторые пункты будут дополнены позже.
1. Принцип работы и цели обнаружения этого металлоискателя?
2. Как проверить, работает ли металлоискатель?
3.Какой резонанс выбрать?
4. Какие конденсаторы лучше?
5. Как настроить резонанс?
6. Как нарезать катушки нулями?
7. Какой провод для катушек лучше?
8. Какие детали и что можно заменить?
9. Какова глубина поиска целей?
10. Питание металлоискателя Volksturm?
Принцип работы металлоискателя Volksturm
Попробую в двух словах о принципе работы: передача, прием и баланс индукции.В поисковом датчике металлоискателя установлены 2 катушки – передающая и приемная. Наличие металла изменяет индуктивную связь между ними (в том числе фазу), что влияет на принимаемый сигнал, который затем обрабатывается блоком индикации. Между первым и вторым чипом переключатель, управляемый генератором, смещен по фазе относительно канала передачи (т. Е. Когда передатчик работает, приемник выключен, и наоборот, если приемник включен, передатчик отдыхает, а приемник спокойно улавливает отраженный сигнал в этой паузе).Итак, вы включили металлоискатель и он пищит. Отлично, если штампы – значит многие узлы работают. Разберемся, зачем это штамповка. Генератор U6B постоянно выдает тональный сигнал. Далее он поступает в усилитель на двух транзисторах, но UHH не откроется (не пропустит тональный сигнал) до тех пор, пока напряжение на y2B (7-й выход) этого не позволит. Это напряжение устанавливается изменением режима с помощью этого самого резистора TRACH. Им нужно выставить такое напряжение, чтобы УХР почти открылся и пропустил сигнал с генератора.А входная пара милвольт от катушки металлоискателя, проходя через усилительные каскады, превысит этот порог и полностью откроется и будет обнаружен динамик. Теперь проследим за прохождением сигнала, а точнее за ответным сигналом. На первом каскаде (1-U1A) будет пара Milcivolt, можно до 50. На втором каскаде (7-U1B) это отклонение увеличится, на третьем (1-U2) уже будет пара вольт. Но без ответа везде на выходах по нулям.
Как проверить исправность платы
В целом усилитель и ключ (CD 4066) проверяется пальцем на входном контакте RX с максимальным сопротивлением Sens и максимальным фоном на динамике. Если при нажатии пальца на секунду меняется фон, клавиша и оперативники работают, то соединяем катушки RX с конденсатором цепи параллельно, конденсатор на катушке TX последовательно, отдаем одну катушку другой и начинаем уменьшать 0 при минимальной индикации переменного тока на первой ножке усилителя U1A.Далее берем что-то большое и железо и проверяем есть реакция на металл в динамике или нет. Проверим напряжение на U2B (7 вывод) он должен хлам регулятор, поменять + вольт. Если нет, проблема в этом Каскаде OU. Для начала проверки платы выключите катушку и включите питание.
1. Должен издаваться звук, когда датчик-регулятор установлен на максимальное сопротивление, до пальца на Px – если есть реакция, все операторы работают, если нет, мы проверяем палец, начиная с U2, и меняем (изучите обвязка) нерабочих ОУ.
2. Работа генератора проверяется программой частотомера. Штекер от наушников припаял к 12 разъему CD4013 (561ТМ2), предусмотрительно сбросив P23 (так звуковую карту не сожгут). В звуковой карте использовать in-lane. Смотрим частоту генерации, ее стабильность 8192 Гц. Если он сильно смещен, то конденсатор С9 надо загребать, если после него нечетко подсвечивается и / или рядом много всплесков частоты – заменить кварцевый.
3. Проверил усилители и генератор.Если все нормально, но все равно не работает – поменяйте ключ (CD 4066).
Какой резонанс выбрать
При подключении катушки в последовательный резонанс ток в катушке и общее потребление цепи увеличивается. Увеличивает дальность обнаружения, но это только на столе. На реальной почве земля будет ощущаться тем сильнее, чем больше ток накачки в катушке. Лучше включить параллельный резонанс, а входные каскады поднять.Да и батарейки хватает на намного дольше. Несмотря на то, что последовательный резонанс используется во всех фирменных дорогих металлических пластинах, во время грозы вам понадобится именно параллельный резонанс. У импортных дорогих устройств хорошая конфигурация схем с земли, следовательно, в этих устройствах можно допустить.
Какие конденсаторы лучше установить в схеме металлоискатель
Тип конденсатора, подключенного к катушке, не когда, а если экспериментально поменял два и увидел, что у одного из них резонанс лучше, то он просто один из якобы 0.1 мкФ действительно имеет 0,098 Igf, а другой 0,11. Так получается разница между ними в резонансе. Использовала советские К73-17 и зеленые импортные подушки.
Как настроить резонансные катушки Металлоискатель
Катушкавроде как лучше всего получается из штукатурных листов, проклеенных эпоксидной смолой с торцов до нужного вам размера. Причем его центральная часть с кусочком ручки этой самой терки, которым обрабатывают одну широкую почку.На штанге наоборот вилка из двух связок крепления. Это решение позволяет решить проблему деформации катушки при затяжке пластикового болта. Обмотки для обмоток делаем обычную деликатную, после чего выставляем ноль и заливку. От холодного конца ТХ оставим 50 см. Провода, которые изначально не заливать, а выдавить из него небольшую катушку (диаметром 3 см) и поместить внутрь RX, перемещая и деформируя его в небольших пределах, можно добиться точного нуля, но сделать это нужно. лучше на улице, поместив катушку на Землю (как при поиске) с отключенным гебом, если он есть, то окончательно залить смолой.При отстройке от Земли он работает более-менее терпимо (исключение – сильно минерализованная почва). Такой змеевик получается легким, прочным, мало подверженным термостойкости, очень красиво обрабатывается и окрашивается. И еще одно наблюдение: если металлоискатель собирается с центром города (ГЭБ) и под центральным расположением двигателя резистора для обнуления очень маленькой шайбы, диапазон регулировки геба составляет 80-100 мВ. Если выставить нулевой крупный предмет монеты 10-50 копеек. Диапазон регулировки увеличивается до + – 500-600 мВ.За напряжением в процессе настройки резонанса не гоняйтесь – у меня около 40В при мощности 12В последовательный резонанс. Для различения конденсаторы в катушках включаются параллельно (последовательное включение нужно только на этапе выбора для резонанса) – на черных металлах будет длинный звук, на цветном – короткий.
Или даже проще. Катушки подключаем по очереди к передающему выходу ТХ. Настраиваем одно в резонанс, а настраиваем – другое. Пошагово: подключили, параллельно катушку закрутили мультиметром на предельные переменные, конденсатор 0.07-0.08 ICF припаял катушку параллельно катушке, см. Показания. Предположим, что 4 В очень слабое, не резонансное с частотой. Нажат параллельно первому конденсатору второго малой емкости – 0,01 мкФ (0,07 + 0,01 = 0,08). Смотрим – уже показал вольтметр 7 В. Отлично, емкость увеличим, подключим на 0,02 мкФ – смотрим вольтметр, а там 20 В. Отлично, идем – еще док – пара тысяч пиков танков. Ага. Уже начало падать, откатываюсь обратно.И так добиться максимальных показаний вольтметра на катушке металлоискателя. Затем аналогично на другой (приемной) катушке. Настройте максимум и подключитесь обратно к принимающей розетке.
Как уменьшить дилерские катушки в ноль
Для настройки нуля подключаем тестер к первой ноге LF353 и начинаем сжимать, растягивать катушку. После эпоксидной бухты – Нолик обязательно убежит. Поэтому нужно заливать не весь змеевик, а оставить место для регулировки, а после высыхания довести до нуля и окончательно залить.Берем кусок шпагата и половину мотка обвязываем за один оборот к середине (к центральной части, месту соединения двух витков) вставляем кусок отрезка палки, после чего его скручиваем (натягивая на шпагат) – Катушка сожмется, захватывая губку с шипом, которая будет питаться клеем. Опять же, отрегулируйте нолик, немного повернув палочку, и, наконец, налейте шпагат. Или проще: переданный фиксируется в пластиковом стационарном, а прием накладывается на первые 1 см, например обручальные кольца.На первом выводе U1a будет пик 8 кГц – можно контролировать вольтметром переменного тока, а лучше просто наушниками высокого уровня. Таким образом, приемная катушка металлоискателя должна быть смещена, а затем смещена с передачей до тех пор, пока выходной сигнал OU не снизится до минимума (или показания вольтметра не упадут до нескольких миль). Все, катушка уменьшена, исправляем.
Какой провод для поисковых катушек лучше
Проволока для намотки катушек значения не имеет.От 0,3 до 0,8 будет любая, все равно придется подбирать емкость для настройки контуров на резонанс и частоту 8,192 кГц. Конечно, более тонкая проволока вполне подойдет, просто какая она толще, доброта и, как следствие, немного – лучше. Но если намотать 1 мм – нести будет довольно тяжело. На листе бумаги рисуем прямоугольник 15 на 23 см. С левого верхнего и нижнего угла откладываем по 2,5 см, и соединяем их линией. Так же поступаем и с правым верхним и нижним уголками, но вывешиваем по 3 см.В середине низа ставим точку, а на точку слева и справа на расстоянии 1 см. Берем Phaneur, наносим этот набросок и гоняем гвоздики по всем указанным точкам. Берем провод ПЭВ 0,3 и наматываем 80 витков провода. Но честно говоря, без разницы сколько витков. Все равно частота 8 кГц будет выставляться в конденсаторном резонансе. Сколько ран – столько ран. Накручиваю 80 витков конденсатора и 0,1 МКФ, если запихиваешь 50 – емкость соответственно где-то 0.13 мкФ придется иметь. Далее, не снимая с шаблона, наматываем катушку толстой нитью – например, жгутом проводов. После покрытия катушки лаком. Когда высохнет, снимите катушку с шаблона. Затем идет обмотка катушки изоляцией – ФУМ-лентой или лентой. Далее идет обмотка фольги катушки катушки, можно взять ленту от электролитических конденсаторов. TX Катушка не может быть экранирована. Не забудьте оставить зазор в экране 10 мм, посередине катушки. Обмотка из фольги на луженую проволоку.Этот провод вместе с начальным контактом катушки у нас будет массой. И, наконец, обмотка катушки изолентой. Индуктивность катушек около 3,5 мг. Емкость около 0,1 мкФ. Что касается заливки катушки эпоксидной смолой, то вообще не наклеивал. Просто плотно залезла лента. И ничего, два сезона прошли с этим металлоискателем без настройки. Обратите внимание на влагоизоляцию цепи и поисковых катушек, ведь вам придется издеваться над травой. Все должно быть герметично – иначе упадет влага и закрепка будет плавать.Ухудшить чувствительность.
Какие детали и что можно заменить
Транзисторы :
BC546 – 3шт или кт315.
BC556 – 1 шт. Или kt361
Операции :
LF353 – 1шт или поменять на более обычный TL072.
LM358N – 2шт
Микросхемы цифровые :
CD4011 – 1шт
CD4066 – 1шт
CD4013 – 1шт
Резисторы постоянные , мощность 0,125-0,25 Вт:
5,6K – 1шт
430K – 1шт
22K – 3шт
10K 1шт
390К – 1шт
1к – 2шт
1.5К – 1шт
100К – 8шт
220К – 1шт
130К – 2шт
56к – 1шт
8,2К- 1шт
Резисторы переменные :
100К – 1шт
330К – 1шт
Конденсаторы нот полярные :
1НФ – 1шт
22нф – 3шт (22000пф = 22нф = 0,02222222222
220НФ – 1шт
1МКФ – 2шт
47НФ – 1шт
10нф – 1шт
Конденсаторы электролитические :
220МКФ на 160003
Динамичная миниатюра.
Кварцевый резонатор на 32768 Гц.
Два светодиода для супермаркетов разного цвета.
Если нет импортных микросхем, то отечественные аналоги: CD 4066 – K561T3, CD4013 – 561TM2, CD4011 – 561L7, LM358N – kr1040ud1. У микросхемы LF353 нет прямого аналога, но смело ставьте LM358N или лучше TL072, TL062. Необязательно устанавливать операционный усилитель – LF353, я просто поднял усиление на U1A, заменив резистор в цепи отрицательной обратной связи 390 ком на 1 мОм – чувствительность значительно увеличилась на 50 процентов, хотя после того, как эта замена пошла на ноль, пришлось приклеить катушку в определенном месте приклеить кусок алюминиевой пластины.Советские три копейки ощущаются по воздуху на расстоянии 25 сантиметров и это при питании 6 вольт, ток потребляемый без индикации 10 мА. И не забывайте о панелях – удобство и простота настроек значительно увеличатся. Транзисторы СТ814, КТ815 – к передающей части металлоискателя, СТ315 в УГ. Транзисторы – 816 и 817 желательно выбирать с одинаковым коэффициентом усиления. Замените на любую подходящую структуру и мощность. В генераторе металлоискателя установлен специальный часовой кварц на частоте 32768 Гц.Этот стандарт действует абсолютно для всех кварцевых резонаторов, которые есть в любых электронных и электромеханических часах. Включая наручные и дешевые китайские стены / рабочие столы. Архивы S. pCB Для варианта и для (вариант с ручной отстройкой от Земли).
От чего зависит глубина поиска целей
Чем больше диаметр катушки металлоискателя, тем глубже. В общем, глубина обнаружения цели с помощью этой катушки зависит в первую очередь от размера самой цели.Но с увеличением диаметра катушки происходит снижение точности обнаружения объекта и даже иногда потеря малых целей. Для предметов с монетой этот эффект наблюдается при увеличении размера катушки более 40 см. Итого: большая поисковая катушка, имеет большую глубину обнаружения и больший захват, но менее точно определяет цель, чем малая. Большая катушка идеально подходит для поиска глубоких и больших целей, таких как сокровища и большие предметы.
Форма катушки делится на круглую и эллиптическую (прямоугольную).Эллиптическая катушка металлоискателя имеет лучшую избирательность по сравнению с круглой, потому что она меньше ширины магнитного поля и в ее поле меньше посторонних предметов. Но у снаряда большая глубина обнаружения и лучшая чувствительность к цели. Особенно на слабоминерализованных почвах. Круглая катушка чаще всего используется при поиске металлоискателем.
Катушки диаметром менее 15 см называются малыми, катушки диаметром 15-30 см – средними, а катушки более 30 см – большими.Большая катушка генерирует более сильное электромагнитное поле, поэтому она имеет большую глубину обнаружения, чем малая. Большие катушки создают большое электромагнитное поле и, соответственно, имеют большую глубину обнаружения и покрытия при поиске. Такие катушки используются для просмотра больших площадей, но при их использовании могут возникнуть проблемы на сильно переданных объектах, потому что в области действия больших катушек может быть поймано несколько целей и металлоискатель будет реагировать на более крупную цель.
Электромагнитное поле Маленькая поисковая катушка Тоже малая, поэтому с такой катушкой лучше всего искать на территориях, сильно освещенных всевозможными мелкими металлическими предметами.Маленькая катушка идеальна для обнаружения небольших объектов, но имеет небольшую площадь покрытия и относительно небольшую глубину обнаружения.
Для универсального поиска хорошо подойдут средние катушки. Такой размер поисковой катушки сочетает в себе достаточную глубину поиска и чувствительность к целям разного размера. Я сделал каждую катушку диаметром около 16 см, и обе эти катушки уложил в круглую подставку из-под старого монитора 15. «В этом варианте глубина этого металлоискателя будет следующая: алюминиевая пластина 50х70 мм – 60 мм. см, гайка М5-5 см, монета – 30 см, ведро – возле счетчика.Эти значения получаются в воздухе, на земле будет на 30% меньше.
Мощность металлоискателя
Отдельно схема металлоискателя тянет 15-20 мА, при подключенной катушке + 30-40 мА, а есть до 60 мА. Конечно, в зависимости от типа используемого динамика и светодиодов это значение может варьироваться. Самый простой случай – для питания потребовалось 3 (а то и два) последовательно подключенных литий-ионных аккумулятора от Mobile на 3,7В и при зарядке разряженных аккумуляторов, при подключении любого блока питания на 12-13В, ток заряда начинается с 0.8А и падает до 50м в час и то вообще что-то добавлять не надо, хотя ограничительный резистор конечно не мешает. Как правило, самый простой вариант – Крона на 9В. Но учтите, что металлоискатель съест его за 2 часа. Но для настройки этого варианта питания. Корона ни при каких обстоятельствах не даст большого тока, способного прожечь что-либо в плате.
Металлоискатель самодельный
А теперь описание процесса сборки металлоискателя от одного из посетителей.Так как у меня из приборов только мультиметр, я скачал виртуальную лабораторию рекордов OL. Собрал переходник, простой генератор и въехал в единый осциллограф. Вроде какая-то картинка. Далее я начал поиск радиодеталей. Так как размеры в основном выложены в формате “Lay”, скачал Sprint-layout50. Я узнал, что такое лазерная и гладильная технология изготовления печатных плат и как их обучать. Ставим доску. К этому времени все микросхемы были найдены.То, что я не нашел в своем сарае, пришлось покупать. Стал на плату паять перемычки, резисторы, гнезда микросхем, и кварц от китайского будильника. Периодически проверяю сопротивление на силовых шинах, чтобы не было соплей. Решил начать собирать цифровую часть устройства как самую простую. Это генератор, делитель и переключатель. Собрано. Ставим микросхему генератора (К561Л7) и делитель (К561ТМ2). Б / у микросхемы, из некоторых плат обнаружены в сарае. Подали напряжение 12В, контролируя потребление тока по амерметру, 561ТМ2 нагрелся.Заменил 561ТМ2, подал еду – эмоций ноль. Измеряем напряжение на ножках генератора – на 1 и 2 ножках 12В. Меняю 561l7. Включаю – на выходе делителя идет генерация на 13 ножках (наблюдаю на виртуальном осциллографе)! Правда не очень хорошо, но за отсутствием нормального осциллографа – пойдет. Но на 1, 2 и 12 ногах нет ничего. Чтобы генератор заработал, нужно менять ТМ2. Установил третью микросхему делителя – красота на всех выводах есть генерация! Для себя сделал вывод, что фишки нужно заливать максимально аккуратно! Это первый шаг постройки.
Теперь настройте плату металлоискателя. Не заработал регулятор “СЕНС” – чувствительность, пришлось выкинуть конденсатор С3 после этого регулировка чувствительности заработала как надо. Не понравился звук, который возникает в крайнем левом положении регулятора «Порог» – порог, избавился от этого заменив резистор R9 цепочкой последовательно подключенных резисторов на 5,6 кОм + конденсатор на 47,0 мкФ (отрицательный конденсатор вывод из транзистора). Пока нет микросхемы LF353 вместо ее LM358, советские три копейки чувствуют себя с ней на расстоянии 15 сантиметров.
Включил поисковую катушку на передачу как последовательный колебательный контур, а на прием как параллельный колебательный контур. Вызвал первую передающую катушку, подключил собранную конструкцию датчика к металлоискателю, осциллограф параллельно катушке и на максимальной амплитуде подобрал конденсаторы. После этого осциллограф подключал приемную катушку к приемной катушке и на максимальной амплитуде конденсаторы снимались на приемнике.Настройка контуров в резонансе занимает в присутствии осциллографа несколько минут. Обмотки TX и RX у меня содержат по 100 витков провода диаметром 0,4. Начинаем перемешивать на столе, без футляра. Просто чтобы было два витка с проводами. А чтобы убедиться, что работа и возможность информации вообще есть – развал катушки от ДРА на полметра. Тогда ноль будет точным. Затем обедните спираль колбы примерно на 1см (как обручальные кольца), сдвиньте – отодвинуть.Нулевая точка может быть довольно точной и сразу поймать ее сложно. Но это.
Когда я поднял усиление в тракте приема МД, он стал нестабильно работать на максимальной чувствительности, это проявилось в том, что после прохождения цели и ее обнаружения подавался сигнал, но он продолжался и после целей до Поисковая катушка не имела никаких проявлений в виде прерывистых и колеблющихся звуковых сигналов. С помощью осциллографа причину этого выяснили: при работе динамика и незначительной просадке питающего напряжения питания «ноль» и схема МД переходит в автоколебательный режим, для выхода из которого необходимо можно только загрузить порог срабатывания.Меня это не устроило, поэтому я поставил шрот кр142ен5а + поверх яркого белого светодиода. Чтобы поднять напряжение на выходе интегрального стабилизатора, стабилизатора на более высокое напряжение у меня не было. Такой светодиод можно использовать даже для подсветки поисковой катушки. Динамик подключил к стабилизатору, МД после этого сразу стал очень послушным все заработало как надо. Я считаю, что Фолькштурм действительно лучший самодельный металлоискатель!
Недавно была предложена такая схема, которая позволит нам превратить Volksturm S в Volksturm SS + GEB.Теперь в устройстве будет хороший дискриминатор, а также селективность по металлам и настройка от грунта, устройство катится на отдельной плате и подключается вместо конденсаторов С5 и С4. Схема доработки и в архиве. Отдельная благодарность за информацию по сборке и настройке металлоискателя всем, кто участвовал в обсуждении и модернизации схемы, особенно помогли в подготовке материала электрогитара, фестка, XXX, SLAVAKE, EW2BW, REDKII и др. Радио любители коллеги.
Что такое металлоискатель, кому объяснять. Аппарат дорогой, некоторые модели вполне достойные.
Однако сделать металлоискатель своими руками можно в домашних условиях. Более того, на его приобретении можно не только сэкономить тысячи рублей, но и разбогатеть, найдя клад. Поговорим о самом приборе и попробуем разобраться, что в нем и как.
Пошаговая инструкция по сборке простого металлоискателя
В этой подробной инструкции мы покажем, как из средств защиты можно собрать простейший металлоискатель.Нам потребуются: обычная пластиковая коробочка от CD-диска, портативное AM / FM-радио, калькулятор, контактная лента VelCro (липучка). Итак, приступим!
Шаг 1. Разобрать CD Коробка для компакт-дисков CD . Аккуратно разберите пластиковую коробку компакт-диска, удалите вставку, удерживающую диск на месте.
Шаг 1. Удаление пластиковой вставки из SidiboxШаг 2. Отрежьте 2 полоски на липучке . Сожмите область в центре задней части рации. Затем отрежьте 2 части липучки одинакового размера.
Шаг 2.1. Мемор примерно посередине на задней панели магнитолы (выделено красным)
Шаг 2.2. Отрежьте 2 липучки соответствующего размера, измеренного в шаге 2.1
Шаг 3. Закрепите радио. Прикрепите одну липучку к задней части радио, а вторую – к одной из внутренних сторон коробки для компакт-дисков. Затем прикрепите магнитолу к корпусу пластиковой коробки компакт-диска «Velcro to Velcro».
Шаг 4. Закрепите калькулятор . Повторите шаги 2 и 3 с калькулятором, но прикрепите липучку к другой стороне коробки для компакт-дисков.Затем закрепите калькулятор на этой стороне коробки с помощью стандартной липучки.
Шаг 5. Установка диапазона радиосвязи . Включите радио и убедитесь, что он настроен на диапазон AM. Теперь настройте его на конец диапазона AM, но не на саму радиостанцию. Увеличьте громкость. Вы должны слышать только некоторые помехи.
Подсказка:
Если есть радиостанция, которая находится в самом конце диапазона AM, то постарайтесь подобраться к ней как можно ближе.При этом должны быть слышны лишь некоторые помехи!
Шаг 6. Сверните коробку для компакт-дисков. Включите калькулятор. Начните поворачивать ящик с калькулятором в сторону радио, пока не услышите громкий звуковой сигнал. Этот звуковой сигнал сигнализирует нам о том, что радиоприемник поймал электромагнитную волну от электрической цепи калькулятора.
Шаг 6. Складываем стороны CD бокса друг к другу до характерного громкого сигнала.
Шаг 7. Подконтрить собранное устройство к металлическому объекту. Снова откройте створки пластикового ящика, чтобы звук, который мы слышали на шаге 6, был едва слышен. Затем начните перемещать коробку с радио и калькулятором ближе к металлическому объекту, и вы снова услышите громкий звук. Это говорит о правильной работе нашего простейшего металлоискателя.
Инструкция по сборке чувствительного металлоискателя на схеме двухконтурного генератора
Принцип действия:
В этом проекте мы построим металлоискатель на основе двойного контура генератора.Один осциллятор является фиксированным, а другой изменяется в зависимости от близости металлических предметов. Частота биений между этими двумя частотами осцилляторов находится в звуковом диапазоне. Во время наведения детектора на металлический объект вы услышите изменение этой частоты ударов. Металлы разных типов вызывают положительный или отрицательный сдвиг, повышая или понижая звуковую частоту.
Нам понадобятся материалы и электрические компоненты:
| Печатная плата многослойная медная, односторонняя 114.3 мм x 155,6 мм | 1 шт. |
| Резистор 0,125 Вт. | 1 шт. |
| Конденсатор, 0,1 мкФ. | 5 шт. |
| Конденсатор, 0,01 мкФ. | 5 шт. |
| Конденсатор, электролитический 220 мкФ | 2 шт. |
| Обмотка провода типа PAL (диаметром 26 AWG или 0,4 мм) | 1 шт. |
| Аудиоразъем, 1/8 ‘, моно, монтаж на панели, опционально | 1 шт. |
| Наушники, штекер 1/8 ‘, моно или стерео | 1 шт. |
| Аккумулятор, 9 в | 1 шт. |
| Обвязка разъема 9 в АКБ | 1 шт. |
| Потенциометр, 5 ком, звуковой конус, опционально | 1 шт. |
| Выключатель однополюсный | 1 шт. |
| Транзистор, NPN, 2N3904 | 6 шт. |
| Провод для подключения датчика (22 AWG или сечение – 0.3250 мм 2) | 1 шт. |
| Проводной динамик 4 фута | 1 шт. |
| Динамик, малый 8 Ом | 1 шт. |
| Замок, латунь, 1/2 ‘ | 1 шт. |
| Резьбовой соединитель трубы из ПВХ (отверстие 1/2 ‘) | 1 шт. |
| Деревянный дюбель 1/4 ‘ | 1 шт. |
| Деревянный дюбель 3/4 ‘ | 1 шт. |
| Деревянный дюбель 1/2 ‘ | 1 шт. |
| Эпоксидная смола | 1 шт. |
| Фанера 1/4 ‘ | 1 шт. |
| Черный углерод | 1 шт. |
Нам понадобятся инструменты:
Итак, приступим!
Шаг 1: Сделайте печатную плату . Для этого скачайте дизайн доски. Затем распечатайте его и защитите на медной плате, используя метод перевода тонера на плату. Используя метод передачи тонера, вы печатаете зеркальное отображение дизайна платы с помощью обычного лазерного принтера, а затем переносите узор на медную футеровку с помощью утюга.На стадии травления тонер действует как маска, удерживая медные дорожки, в то время как остальная медь растворяет B. в химической ванне.
Шаг 2: Залейте плату транзисторами и электролитическими конденсаторами . Начнем с пайки 6 NPN транзисторов. Обратите внимание на ориентацию ножек коллектора, эмиттера и базы транзистора. Базовая нога (B) почти всегда находится посередине. Затем добавьте два электролитических конденсатора по 220 мкФ.
Шаг 2.2. Добавьте 2 электролитических конденсатора
Шаг 3: Заполните плату полиэфирными конденсаторами и резисторами. Теперь вам нужно добавить 5 полиэфирных конденсаторов емкостью 0,1 мкФ в местах, указанных ниже. Далее добавляем 5 конденсаторов емкостью 0,01 мкФ. Эти конденсаторы не поляризованы, и их можно припаять к ножкам в любом направлении. Далее добавляем 6 резисторов на 10 кОм (коричневый, черный, оранжевый, золотой).
Шаг 3.2. Добавьте 5 конденсаторов емкостью 0,01 мкФ
Шаг 3.3. Добавляем 6 резисторов 10 ком
Шаг 4: Продолжаем заливку элементов платы эл. Теперь вам нужно добавить один резистор 2,2 МОм (красный, красный, зеленый, золотой) и два 39 ком (оранжевый, белый, оранжевый, золотой). А затем ударил последний резистор 1 ком (коричневый, черный, красный, золотой). Затем добавьте пары проводов к источнику питания (красный / черный), выходному аудиосигналу (зеленый / зеленый), эталонной катушке (черный / черный) и детекторной катушке (желтый / желтый).
Шаг 4.1. Добавьте 3 резистора (один на 2 мОм и два на 39 ком)
Шаг 4.2. Добавьте 1 резистор на 1 ком (крайний правый)
Шаг 4.3. Добавьте провода
Шаг 5: Промойте катушку с катушкой. Следующим этапом является намотка витков на 2 катушки, входящие в состав LC-генератора lc. Первая – эталонная катушка. Для этого я использовал проволоку диаметром 0,4 мм. Отрежьте кусок дюбеля (диаметром около 13 мм и длиной 50 мм).
Просверлите три отверстия в дюбеле, чтобы пропустить через них проводку: одно продольно через середину дюбеля и два перпендикулярно на каждом конце.
Медленно и осторожно обмотайте столько витков проволоки, сколько сможете на дюбель в один слой. Оставьте 3-4 мм голой древесины с каждого конца. Удерживаться от соблазна «скрутить» проволоку – это самый интуитивно понятный способ намотки, но это неправильный способ. Вы должны повернуть дюбель и натянуть проволоку. Поэтому он намотал проволоку.
Через каждый конец проволоки через перпендикулярные отверстия в дюбеле, а затем через одно из них через продольное отверстие. Закрепите проволочную ленту, как только закончите.В конце наждачной бумагой удалите покрытие с двух открытых концов змеевика.
Шаг 6: Делаем приемную (поисковую) катушку. Обрезать держатель катушки необходимо из фанеры толщиной 6-7 мм. Этой же проволокой диаметром 0,4 мм намотайте вокруг паза 10 витков. Моя катушка имеет диаметр 152 мм. С помощью деревянного колышка 6-7 мм прикрепите ручку к держателю. Не используйте для этого металлический болт (или что-то подобное) – иначе металлоискатель постоянно обнаружит вам клад.Снова наждачной бумагой удалите покрытие на концах проволоки.
Шаг 6.1. Обрежьте держатель катушки
Шаг 6.2 Промойте 10 витков вокруг канавки проволокой диаметром 0,4 мм.
Шаг 7: Установка эталонной катушки. Теперь нам нужно настроить частоту несущей катушки в нашей цепи до 100 кГц. Для этого я использовал осциллограф. Также для этих целей можно использовать мультиметр с частотомером. Начнем с подключения катушки в цепочку.Затем включите питание. Подключите затвор осциллографа или мультиметра к обоим концам катушки и измерьте ее частоту. Оно должно быть меньше 100 кГц. При необходимости катушку можно укоротить – это снизит ее индуктивность и повысит частоту. Потом все новые и новые измерения. Как только я достиг частоты менее 100 кГц, моя катушка стала 31 мм в длину.
Металлоискатель на трансформаторе с W-образными пластинами
SAMI простая схема Металлоискатель.Нам потребуются: трансформатор с W-образными пластинами, аккумулятор на 4,5 В, резистор, транзистор, конденсатор, наушники. В трансформаторе оставьте только пластины W-образной формы. Перемешайте 1000 витков первой обмотки и после первых 500 витков удалите провод PAL-0.1. Вторую обмотку 200 витков промыть проводом ПЭЛ-0,2.
Закрепите трансформатор на конце стержня. Отложите его от попадания воды в воду. Включите и приблизьтесь к земле. Так как магнитопровод не замкнут, то параметры нашей схемы будут изменяться при приближении к металлу, а в наушниках меняются сигналы.
Простая схема общих элементов. Понадобятся транзисторы серии К315Б или К3102, резисторы, конденсаторы, наушники, блок питания. Рейтинги показаны на диаграмме.
Видео: как сделать металлоискатель (металлоискатель) своими руками
Первый транзистор собран задающим генератором с частотой 100 Гц, и собран поисковый генератор с той же частотой. В качестве поисковой катушки взяли старое пластиковое ведро диаметром 250 мм, разрезали его и обмотали медным проводом сечением 0.4 мм2 с числом витков 50. Собранную схему поместили в небольшой ящик, обмотали рукавами и все закрепили на штанге лентой.
Схема с двумя генераторами одинаковой частоты. Нет сигнала в режиме ожидания. Если в поле катушки появляется металлический предмет, частота одного из генераторов меняется и звук появляется в наушниках. Аппарат достаточно универсален, обладает хорошей чувствительностью.
Простая схема на простых элементах. Чип, конденсаторы, резисторы, наушники, блок питания.Желательно предварительно собрать катушку L2, как показано на фото:
На одном элементе микросхемы собран дефолтный генератор с катушкой L1, а катушка L2 используется в схеме поискового генератора. При изменении зоны чувствительности металлических предметов частота поискового контура и звук в наушниках меняется. Ручка конденсатора C6 может устранить лишние шумы. Аккумулятор используется как аккумулятор с напряжением 9В.
В заключение могу сказать, что каждый человек, знакомый с азами электротехники, может собрать прибор и имея достаточно терпения довести начатую работу до конца.
Принцип работы
Итак, металлоискатель – это электронное устройство, где есть первичный датчик и вторичное устройство. Роль первичного датчика выполняет, как правило, катушка с намотанным проводом. Работа металлоискателя основана на принципе изменения электромагнитного поля датчика любым металлическим предметом.
Электромагнитное поле, создаваемое датчиком металлоискателя, вызывает у таких предметов вихревые токи. Эти токи вызывают свое электромагнитное поле, которое изменяет поле, создаваемое нашим инструментом.Вторичное устройство металлоискателя регистрирует эти сигналы и сигнализирует нам об обнаружении металлического объекта.
Простейшие металлоискатели меняют звук тревоги при обнаружении нужного предмета. Более современные и дорогие образцы оснащены микропроцессором и жидкокристаллическим дисплеем. Самые продвинутые фирмы оснащают свои модели двумя датчиками, что позволяет более эффективно искать.
Металлоискатели можно отнести к нескольким категориям:
- устройства общего пользования;
- устройства среднего класса;
- устройства для профессионалов.
В первую категорию входят самые дешевые модели с минимальным набором функций, но довольно привлекательной ценой. Самые популярные бренды в России: Imperial – 500a, Fisher 1212-x, Classic I SL. В приборах этого сегмента используется схема «приемник-передатчик», работающая на сверхнизкой частоте и требующая постоянного движения поискового датчика.
Вторая категория – более дорогие агрегаты, имеют несколько сменных датчиков и несколько ручек органов управления.Может работать Б. в разных режимах. Самые распространенные модели: Fisher 1225-X, Fisher 1235-X, Golden Sabre II, Classic III SL.
Фото: Общий вид типового металлоискателя
Все остальные приборы следует отнести к профессиональным. Они оснащены микропроцессором, могут работать в динамическом и статическом режимах. Есть возможность определить состав металла (предмета) и глубину его расположения. Настройки могут быть автоматическими, и вы можете настраивать их вручную.
Для сборки самодельного металлоискателя необходимо заранее подготовить несколько элементов: датчик (катушка с намотанной проволокой), штанговый держатель, электронный блок управления.Чувствительность нашего устройства зависит от его качества и размеров. Удилище подбирается по росту человека, чтобы с ним было удобно работать. На нем закреплены все элементы конструкции.
Вы когда-нибудь хотели иметь устройство, которое может находить металлические предметы и даже сокровища? Большинство детей хотят иметь такую совокупность. К счастью, он существует. Это обычный металлоискатель, позволяющий обнаруживать различные металлы под слоем почвы и в других местах. Принцип заключается в том, что он находит в среде поиска материал, который отличается своими магнитными или электрическими свойствами.Примечательно, что можно найти не только металлические предметы и не только в почве.
Металлоискателем пользуются геологи, инспекционные службы, военные, криминалисты и строители. Это довольно удобно в хозяйстве. Можно ли сделать металлоискатель своими руками? Да, и эта статья вам в этом поможет.
Как работает металлоискатель и из чего он состоит
Для того, чтобы сделать такой прибор в домашних условиях своими руками, необходимо разобраться в принципе его работы.Как он способен обнаруживать металл и сигнализировать об этом? Все дело в электромагнитной индукции. Металлоискатели имеют собственную схему в составе:
- Передатчик колебаний электромагнитных волн.
- Ресивер.
- Специальный передающий сигнал катушки.
- Катушки, принимающие сигнал.
- Устройства отображения.
- Дискриминатор (схема компенсации).
Некоторые рабочие органы можно комбинировать по кругу и конструктивно.Например, и приемник, и передатчик смогут воздействовать на одну катушку. Часть приемника сразу же высветит положительный сигнал и так далее.
Теперь поговорим о принципе работы металлоискателя. Благодаря катушке ЭДС (электромагнитное поле) некоторой структуры начинает создавать ЭМИ (электромагнитное поле). В том случае, если в пределах радиуса этого поля находится предмет, проводящий в нем электричество, в нем возникают токи фокусировки или вихря. Они создают свой собственный объект EMF.Теперь начальная структура катушки начинает искажаться. И когда предмет в земле не проводит электричество, но имеет ферромагнитные свойства, то из-за экранирования структура катушки также искажается. Как в первом, так и во втором случае металлоискатель улавливает электромагнитное поле от объекта и преобразует его в сигнал (акустический или оптический). Вы слышите определенный звук и видите сигнал на экране.
Примечание! В общем, для работы металлоискателя не обязательно, чтобы тело проводило ток, земля – нет.Важно то, что магнитные и электрические свойства тел различаются.
Так работает металлоискатель. Принцип прост и эффективен. Теперь давайте разберемся, как сделать металлоискатель своими руками. Первое, что вам нужно, это подготовить все инструменты и материалы.
Комплектующие для металлоискателя
Итак, если вы хотите сделать прибор, то без специальных приборов не обойтись. Это все же электронное устройство, которое нужно собирать из разных компонентов.Что потребуется? Следующий набор:
Остальные компоненты вы можете увидеть на схеме ниже.
Кроме того, вам понадобится пластиковый ящик для монтажа электронной схемы. А также подготовьте пластиковую трубу, чтобы получилась планка с закрепленной на ней катушкой. Теперь можно приступать к работе.
Собираем металлоискатель своими руками: Создаем печатную плату
Самый сложный этап работы – электроника. Здесь все хорошо и сложно. Поэтому начать рационально с создания работающей печатной платы.Вариантов различных плат всего несколько. Все зависит от радиоэлементов, которые использовались для создания. Есть плата работающая на микросхеме NE555 и на транзисторах. Ниже вы можете увидеть, как выглядят эти сборы.
Собираем металлоискатель своими руками: Установка электронных элементов на плату
Дальнейшая работа также будет не из легких. Все электронные элементы металлоискателя нужно будет спаять и установить, как показано на схеме. На фото конденсаторы.Они пленочные и обладают высокой термостойкостью. Благодаря им работа металлоискателя будет намного стабильнее. Такой показатель очень кстати, особенно в осенний период использования прибора. Ведь тогда на улице довольно круто.
Остается пайка. Описывать сам процесс мы не будем, так как технология пайки должна быть известна каждому. Чтобы наглядно понять, как выполнять все работы по электронной части металлоискателя, предлагаем дополнительно ознакомиться с этим видео:
Собираем металлоискатель своими руками: питание
Для того, чтобы прибор получил ток, нужно обеспечить источник питания на 9-12 В.Стоит отметить, что металлоискатель расходует электричество на электричество. Это неудивительно, ведь устройство довольно мощное. Если вы думаете, что одной «короны» (батарейки) будет достаточно, то это не так. Он долго работать не будет. Две или даже три батареи, подключенные параллельно. Как вариант использовать один мощный аккумулятор. Будет дешевле, так как его можно долго разряжать и заряжать.
Собираем металлоискатель своими руками: катушка
Так как мы делаем импульсный металлоискатель, то точность и точная сборка катушки не требуется.Нормальный диаметр бухты будет 19-20 см. Для этого придется намотать 25 витков. Когда будете делать катушку, сверху ее хорошо обмотайте изолентой. Чтобы увеличить глубину обнаружения катушки предметов, диаметр намотки составляет примерно 26-27 см. Необходимо уменьшить количество витков до 21-23. В этом случае используется проволока Ø 0,5 мм.
При намотке катушки ее необходимо будет закрепить на жестком корпусе металлоискателя. Важно, чтобы на корпусе не было металла.Подумайте и поищите любой кейс, который будет подходить по размеру. Чехол будет выполнять защитную функцию. Катушка будет защищена от ударов о почву во время поисков.
Для снятия с катушки припаяйте два провода Ø 0,5-0,75 мм. Рекомендуется использовать 2 вертлюга друг с другом.
Собираем металлоискатель своими руками: настройка прибора
Собирая металлоискатель по схеме, настраивать его не нужно.У него уже есть максимальная чувствительность. Чтобы лучше настроить металлоискатель, отрегулируйте переменный резистор R13, слегка покрутив его. Делайте это до тех пор, пока не услышите редкие щелчки. В случае, если это достигается при крайнем положении резистора, измените номинал прибора R12. Такой переменный резистор должен настроить металлоискатель на оптимальную работу в среднем положении.
Есть специальный осциллограф, благодаря которому можно измерить частоту затвора резистора Т2.Импульсный импульс должен составлять 130–150 мкс, а оптимальная рабочая частота – 120–150 Гц.
Чтобы запустить процесс поиска металлоискателя, нужно его включить и подождать примерно 20 секунд. Затем он стабилизируется. Теперь поверните резистор R13, чтобы настроить его. Вот и все, поиски можно начинать с простого металлоискателя.
Подведем итоги
Такая подробная инструкция Поможет узнать, как сделать металлоискатель своими руками. Он простой, но вполне способный находить металлические предметы.Более сложные схемы металлоискателей требуют больших усилий и времени.
Многие необоснованно полагают, что самодельные металлоискатели по многим параметрам уступают фирменным образцам, выпускаемым на заводе.
Но на том, что конструкция была собрана как следует своими руками, иногда получается не только лучше, но и дешевле “заводских” конкурентов.
Стоит знать: Большинство кладоискателей и краеведов в целях экономии стараются выбирать самые дешевые варианты.В результате они либо сами собирают металлоискатели, либо приобретают самодельные устройства на заказ.
Новичков, а также людей, не разбирающихся в электронике, сначала пугает обилие не только специальной терминологии, но и различных формул и схем. Однако если немного разобраться, то сразу все становится понятно, даже имея знания, полученные на школьных уроках физики.
Поэтому необходимо, прежде всего, разобрать принцип действия металлоискателя, что он из себя представляет и как его можно самостоятельно собрать в домашних условиях.
Как это работает
Принцип действия этого устройства заключается в использовании электромагнитного поля. Он создается катушкой передатчика, и после столкновения с предметом, проводящим ток (а это большинство металлов), создаются вихревые токи, которые вызывают искажение в катушке EPM.
В случаях, когда объект не является электропроводным, но имеет свое магнитное поле, создаваемые им помехи также будут заряжаться за счет экранирования.
После этого изменение электромагнитного поля поступает прямо на блок управления, который для оповещения о человеке подает специальный звуковой сигнал, а в более дорогих моделях выводит данные на дисплей.
Следует разобрать, как создание подобных устройств основано на примере металлоискателя «пиратского» типа.
Металлоискатель “Пират”
Делаем печатную плату своими руками
Сначала необходимо создать печатную плату, на которой будут продолжены все узлы металлоискателя.Лучше всего подойдет метод лазерно-железной техники или просто хам.
Для этого необходимо выполнить производителями в следующей последовательности:
- Вначале необходимо использовать исключительно лазерный принтер Распечатать соответствующую схему, созданную с помощью программы Sprint-Layout. Лучше всего использовать фотобумагу небольшой плотности.
- Выполняем подготовку заготовки из текстолита, сначала вскрываем, после чего проводим зачистку раствором.Он должен иметь размеры 84х31.
- Теперь на заготовку сверху положите фотобумагу той лицевой схемой, на которой она была напечатана. Накройте лист А4 и начните гладить горячим утюгом, чтобы схему разметки переместить на текстолип.
- Закрепив схему из тонера, все опускаем в воду, где аккуратно пальцами снимаем бумагу.
- Далее при наличии размазанных участков исправьте их с помощью обычной иглы.
- Теперь плату нужно положить на несколько часов в раствор медного купороса (можно и хлорное железо).
- Тонер без проблем удаляется любым растворителем, например ацетоном.
- Просверливает отверстия для размещения в других элементах конструкции (сверло должно быть очень тонким).
- Последний этап проходит по колее Лудской дороги. Для этого Специальным раствором «ЛТИ-120» расплавляется поверхность, которую нужно смазать припоем припоем.
Установка элементов на плату
Данный этап создания металлоискателя заключается в установке всех элементов на созданной плате:
- Основная микросхема – отечественная КР1006Ви1 или ее зарубежный аналог NE555.Учтите, перед монтажом перемычку нужно залить.
- Установлен следующий двухканальный усилитель К157УД2. Его можно купить или взять из советских магнитофонов.
- После этого монтируются 2 конденсатора SMD, а также резистор типа С2-23 типа МЛТ.
- Теперь нужно произвести пайку двух транзисторов. Одна должна быть структурами NPN, а другая – PNP. Желательно использовать SP557 и SP547. Однако подходят и аналоги. В качестве полевого транзистора рекомендуется брать IRF-740 или другие версии, имеющие аналогичные характеристики.
- Последние являются конденсаторами. Их следует брать с минимальным показателем ТКА, что повысит термическую устойчивость всей конструкции.
Примечание: Получить усилитель К157УД2 по данной схеме будет сложнее. Причина в том, что это старый чип. Именно поэтому можно попробовать найти похожие современные варианты со схожими параметрами.
Создание самодельной катушки производится на каркасе диаметром 20 см. Общее количество витков должно быть примерно 25 шт.Этот показатель исходит из того, что используется провод ПЭВ, который имеет диаметр 0,5 мм.
Однако есть одна особенность. Общее количество витков можно изменить в большую или меньшую сторону. Чтобы найти наиболее оптимальный вариант, вам нужно проверить монету, чтобы проверить, в случае чего на большом расстоянии ее «захватить».
Прочие элементы
Сигнальный динамик можно использовать взятый от переносного радиоприемника. Важно, чтобы он имел сопротивление до 8 Ом (возможно использование китайских вариантов).
Для настройки вам потребуются две разные модели потенциометров: первая на 10 ком, а вторая уже на 100 ком. Чтобы минимизировать влияние помех (устранить их полностью сложно), рекомендуется использовать экранированный провод, который будет соединять схему и катушку. Источник питания металлоискателя должен быть не менее 12 В.
При проверке работоспособности всей конструкции необходимо изготовить каркас будущего металлоискателя.Однако здесь можно дать лишь некоторые рекомендации, потому что каждый будет создавать его из имеющихся под рукой предметов:
- , чтобы сделать брус, удобнее, стоит приобрести метр 5 обыкновенной трубы ПВХ (которые есть используется в сантехнике), а также несколько перемычек. На ее верхнем торце стоит установить специальную подставку для рук, чтобы ее было удобнее держать. Для доски можно найти любую коробку подходящего размера, которую нужно закрепить на штанге;
- Для питания системы можно использовать аккумулятор от обычной отвертки.Его преимущества заключаются в небольшом весе и высоком баке;
- При создании корпуса и конструкции учитывайте, что в них не должно быть лишних металлических элементов. Причина в том, что они значительно искажают результирующее электромагнитное поле будущего устройства.
Проверить металлоискатель
В первую очередь необходимо настроить чувствительность с помощью потенциометров. Порог будет равномерным, но не очень частым, трескучим.
Таким образом, ему придется «найти пятибревную монету, которая находится примерно в 30 см от расстояния, но если монета имеет размеры как советский рубль, то где-то с 40 см».Металл больших и объемных размеров будет «видеть» с расстояния более метра.
Такой прибор не сможет искать на значительной глубине мелкие предметы. Кроме того, он не сможет различить размер и тип найденного металла. Именно поэтому, занимаясь поиском монет, можно будет наткнуться на обычные гвозди.
Данная модель самодельного металлоискателя подойдет людям, которые только начинают осваивать азы сворачивания или не имеют необходимых средств для приобретения дорогостоящего прибора.
Из них видео Вы узнаете, как сделать самодельный металлоискатель:
Металлоискатель своими руками – как следует из самого названия, такие устройства изготавливаются самостоятельно и предназначены для поиска металлических предметов, используются по довольно узкому целевому назначению. Однако способы их реализации довольно разнообразны и составляют целое направление в электронике.
Металлоискатель Н. Мартынюк
Металлоискатель по Н.Мартынюк (рис. 1) выполнен на базе миниатюрного радиопередатчика, излучение которого модулируется звуковым сигналом [RL 8 / 97-30]. Модулятор – низкочастотный генератор выполнен по известной схеме симметричного мультивибратора.
Сигнал с коллектора одного из транзисторов мультивибратора поступает в базу данных транзистора генератора высокой частоты (VT3). Рабочая частота генератора находится в частотном диапазоне Радиовещательного диапазона (64… 108 МГц). В качестве катушки индуктивного контура диаметром 15,25 см используется отрезок телевизионного кабеля в виде витка диаметром 15 см.
Рис. 1. Принципиальная схема металлоискателя Н. Мартынюк.
Если металлический предмет находится ближе к индуктивности катушки индуктивности колебательного контура, частота генерации значительно изменится. Чем ближе к катушке поднесен предмет, тем больше частота внимательности. Для регистрации изменения частоты используется обычное FM-радио, настроенное на частоту ВЧ-генератора.
Система автоматической настройки частоты приемника должна быть отключена. При отсутствии металлического предмета в громкоговорителе приемника раздается громкий звуковой сигнал.
Если поднести к индуктору индуктивности кусок металла, частота генерации изменится, а громкость сигнала уменьшится. Недостатком устройства является его реакция не только на металл, но и на любые другие токопроводящие предметы.
Металлоискатель на основе низкочастотного LC-генератора
На рис.2 – 4 представлена схема металлоискателя с другим принципом действия, основанным на использовании низкочастотного LC-генератора и мостового индикатора изменения частоты. Поисковая катушка металлоискателя выполнена в соответствии с рис. 2, 3 (с поправкой на количество витков).
Рис. 2. Поисковая катушка металлоискателя.
Рис. 3. Поисковая катушка металлоискателя.
Выходной сигнал с генератора поступает в мостовую схему измерения.В качестве нулевого индикатора моста используется высокостойкий телефонный капсет тон-1 или тон-2, который можно заменить стрелкой или другим внешним измерителем переменного тока. Генератор работает на частоте F1, например 800 Гц.
Мост перед началом работы уравновешивают до нуля регулировкой конденсатора с * колебательным контуром поисковой катушки. Частоту F2 = F1, при которой мост будет балансироваться, можно определить из выражения:
Изначально в телефонной шапке нет звука.При нахождении в поле поисковой катушки L1 металлический предмет частота генерации F1 изменится, мост будет разбалансирован, в телефонной крышке будет слышен звуковой сигнал.
Рис. 4. Схема металлоискателя с принципом действия, основанным на использовании низкочастотного LC-генератора.
Схема моста металлоискателя
Мостовая схема металлоискателя с поисковой катушкой, изменяющей свою индуктивность при приближении металлических предметов, представлена на рис. 5. На мост посылается сигнал. Частота звука от низкочастотного генератора.Мост потенциометра R1 сбалансирован на отсутствие звукового сигнала в корпусе телефона.
Рис. 5. Металлоискательское покрытие.
Для увеличения чувствительности схемы и увеличения амплитуды сигнала разбаланса моста до его диагонали можно подключить усилитель низкой частоты. Индуктивность катушки L2 должна быть сопоставима с индуктивностью поисковой катушки L1.
Металлоискатель на базе приемника с диапазоном св
Металлоискатель, работающий совместно с сверхэнергетическим радиоприемником широкого диапазона напряжений, может быть собран по схеме, показанной на рис.6 [стр. 10 / 69-48]. В качестве поисковой катушки может использоваться конструкция, изображенная на фиг. 2.
Рис. 6. Металлоискатель, работающий в связке с супер-нейродинамическим радиоприемником SV-диапазона.
Устройство представляет собой обычный высокочастотный генератор, работающий на частоте 465 кГц (промежуточная частота любого приемника AM-вещания). В качестве генератора можно использовать схемы, представленные в главе 12.
IN исходное состояние Частота ВЧ-генератора, смешиваясь в соседнем радиоприемнике с промежуточной частотой приемника принятого сигнала, приводит к формированию сигнала разностной частоты звукового диапазона.При изменении частоты генерации (если в поле находится система поисковой катушки металла) тональность звукового сигнала изменяется пропорционально количеству (громкости) металлического предмета, его удалению, характеру металла ( одни металлы увеличивают частоту генерации, другие наоборот понижают).
Металлоискатель простой на двух транзисторах
Рис. 7. Схема простого металлоискателя на кремнии и полевых транзисторах.
Схема простого металлоискателя представлена на рис.7. В приборе используется низкочастотный LC-эталон, частота которого зависит от индуктивности поисковой катушки L1. При наличии металлического предмета частота генерации меняется, что можно услышать с помощью телефонных колпачков BF1. Чувствительность у такой схемы невысока, т.к. на слух небольшие изменения частоты довольно затруднены.
Металлоискатель малых количеств магнитного материала
Металлоискатель малых количеств магнитного материала может быть выполнен по схеме рис.8. В качестве датчика такого устройства используется универсальная головка от магнитофона. Для усиления снятых с датчика слабых сигналов необходимо использовать высокочувствительный усилитель низкой частоты, выход которого поступает на заглушки телефона.
Рис. 8. Схема металлоискателя малых количеств магнитного материала.
Схема металлического индикатора
В приборе используется другой способ индикации наличия металла по схеме на рис.9. Устройство содержит высокочастотный генератор с поисковой катушкой индуктивности и работает на частоте F1. Для индикации значения сигнала используется простейший высокочастотный милливольтметр.
Рис. 9. Понятие схемы индикатора металла.
Выполнен на диоде VD1, транзисторе VT1, конденсаторе С1 и миллиамперметре (микроамперметре) РА1. Между выходом генератора и входом высокочастотного малеольтметра включен кварцевый резонатор.Если частота генерации F1 и частота кварцевого резонатора F2 совпадают, стрелка прибора будет на нуле. Стоит частоту генерации изменить в результате попадания металлического предмета в поле поисковой катушки, стрелка прибора будет отклонена.
Рабочие частоты таких металлоискателей обычно находятся в диапазоне 0,1 … 2 МГц. Для первоначальной установки частоты генерации этого и других приборов этого назначения используется конденсатор переменной емкости или подстроечный конденсатор, подключенный параллельно индуктивности поисковой катушки.
Металлоискатель типовой с двумя генераторами
На рис. 10 дана типовая схема Самый распространенный металлоискатель. Принцип его действия основан на биениях частот генераторов ссылок и поиска.
Рис. 10. Схема металлоискателя с двумя генераторами.
Рис. 11. Принципиальная схема блока-генератора металлоискателя.
Один и тот же тип, общий для обоих генераторов, показан на рис. 11.Генератор выполнен по известной схеме «емкостной трехточечный». На рис. 10 показана полная схема Устройства. В качестве поисковой катушки L1 используется конструкция, представленная на рис. 2 и 3.
Начальные частоты генераторов должны быть одинаковыми. Выходы генераторов через конденсаторы C2, SZ (рис. 10) подаются на смеситель, который снимает разностную частоту. Выделенный звуковой сигнал через усилительный каскад Транзистор VT1 входит в блокировку телефона BF1.
Металлоискатель на принципе разделения частоты генерации
Металлоискатель может работать по принципу разделения по частоте генерации.Схема такого устройства представлена на рисунке 12. При выполнении определенных условий (частота кварцевого резонатора равна резонансной частоте колебательного LC-контура с поисковой катушкой) ток в эмиттерном контуре транзистора VT1 минимален.
Если заметно изменится резонансная частота контура ЖК, генерация разозлится, и показания прибора значительно увеличатся. Параллельный измерительный прибор Рекомендуется подключить 1… Конденсатор емкостью 100 НФ.
Рис. 12. Схема металлоискателя, работающего по принципу разделения частот генерации.
Металлоискатели для поиска мелких предметов
Металлоискатели, предназначенные для поиска мелких металлических предметов в быту, могут быть собраны согласно рис. 13-15 схем.
Такие металлоискатели также работают по принципу разделения генерации: генератор, включающий в себя поисковую катушку индуктивности, работает в «критическом» режиме.
Режим работы генератора устанавливается настраиваемыми элементами (потенциометрами) так, что малейшее изменение условий его работы, например, изменение индуктивности поисковой катушки, приведет к поломке. Для индикации наличия / отсутствия генерации используются светодиодные индикаторы уровня (наличия) переменного напряжения.
Катушки индуктивности L1 и L2 на схеме на рис. 13 содержат соответственно 50 и 80 витков провода диаметром 0.7 … 0,75 мм. Катушки намотаны на ферритовом сердечнике 600НН диаметром 10 мм и длиной 100 … 140 мм. Рабочая частота генератора около 150 кГц.
Рис. 13. Схема простого металлоискателя на трех транзисторах.
Рис. 14. Схема простого металлоискателя на четырех транзисторах со световой индикацией.
Катушки индуктивности L1 и L2 другой схемы (рис.14), выполненные по патенту ФРГ (No.2027408, 1974), имеют 120 и 45 витков соответственно при диаметре проволоки 0,3 мм [P 7 / 80-61]. Использовался ферритовый сердечник 400NH или 600NH диаметром 8 мм и длиной 120 мм.
Металлический искатель бытовой
Бытовой искатель металла (БИМ) (рис. 15), который ранее выпускался заводом «Радиокорпорация» (Москва), позволяет обнаруживать мелкие металлические предметы на расстоянии до 45 мм. Данные обмотки его катушек индуктивности неизвестны, однако при повторении схемы можно ориентироваться на данные, приведенные для приборов аналогичного назначения (рис.13 и 14).
Рис. 15. Схема бытового металлоискателя.
Литература: Шустов М.А. Разработка практических схем (книга 1), 2003 г.
широтно-импульсной модуляции (ШИМ). Аналоговый и цифровой цифровой ШИМ-регулятор мощности с замкнутым контуром
Регулятор мощности – ШИМ, является неотъемлемой частью любого источника питания. Схема, которая представлена ниже, дает возможность регулировать напряжение всего агрегата от одного Вольта до граничной точки.
Однако граничное напряжение не должно превышать максимально допустимое значение для этого источника питания.
Можно использовать аналогичный регулятор в зарядном устройстве импульсного типа, которое есть в автомобильных аккумуляторах. Схема позволяет управлять широким диапазоном мощных нагрузок, может использоваться для процесса регулировки оборотов двигателя электрического типа, а также как средство регулировки яркости автомобильных фар с галогенными или светодиодными лампами.
Объем регулятора зависит от ваших потребностей и вашей фантазии, что делает диапазон его применения достаточно широким.
Если планируется подключение маломощных нагрузок, можно использовать полевой транзистор биполярного типа, его выбор не критичен.Однако, если вы планируете управлять мощными нагрузками, вам необходимо заменить транзистор на более мощный. Несмотря на это, выбрать транзистор довольно просто, поскольку их выбор широк.
Переменный резистор позволяет регулировать значение напряжения уже на выходе схемы. Его номинал может быть разным, от 100 кОм до пяти-восьми мОм. Для выбора оптимального резистора необходимо рассмотреть разные варианты.
Не стоит использовать регулятор, схема которого представлена выше, в случаях, когда блок питания представлен в однотактном виде.В случае с такими блоками изменения напряжения будут происходить при прикосновении к переменному резистору. Это отклонение может составлять до семи вольт.
Для удобства монтажа таймер 555 установлен на специальной панели, так что в случае выхода из строя его можно легко заменить в короткие сроки.
Схема проста в использовании, не требует доработок и настроек. Этот блок можно комбинировать с любым типом блока питания. Вы можете регулировать яркость низковольтного ночника, светодиодной матрицы и прочего.
Еще один обзор на всевозможную тему для самоделок. На этот раз я расскажу о цифровом регуляторе скорости. Вещь по-своему интересная, но хотелось большего.
Для всех, кому интересно, читайте 🙂
Имея в хозяйстве некоторые низковольтные устройства, например, небольшую кофемолку и т. Д. Я хотел немного улучшить их функциональный и эстетический вид. Правда, так и не вышло, хотя все же надеюсь добиться своей цели, возможно в другой раз, сегодня расскажу о мелочи.
Производитель этого регулятора – Maitech, а точнее это название часто встречается на всевозможных шарфах и колодках для самоделок, хотя сайт этой компании мне почему-то не попадался.
Из-за того, что я не сделал то, что хотел, обзор будет короче, чем обычно, но я начну, как всегда, с того, как он продается и отправляется.
В конверте была обычная сумка на кнопке.
В комплекте только регулятор с переменным резистором и кнопка, жесткой упаковки и инструкции нет, но все приехало целиком и без повреждений.
На обратной стороне есть наклейка, заменяющая инструкции. В принципе, большего для такого устройства не требуется.
Указанный диапазон рабочего напряжения составляет 6-30 Вольт, а максимальный ток – 8 Ампер.
Внешний вид неплохой, темное «стекло», темно-серый пластик корпуса, в выключенном состоянии он вообще черный. По внешнему виду зачет, придраться не к чему. Спереди была наклеена транспортировочная пленка.
Установочные размеры устройства:
Длина 72 мм (минимальное отверстие корпуса 75 мм), ширина 40 мм, глубина без учета передней панели 23 мм (с передней панелью 24 мм).
Размеры передней панели:
Длина 42,5 мм Ширина 80 мм
Переменный резистор поставляется с ручкой, ручка, конечно, немного грубовата, но для использования она вполне годится.
Сопротивление резистора 100кОм, регулировочная зависимость линейная.
Как потом выяснилось, сопротивление 100кОм дает глюк. При питании от импульсного блока питания невозможно выставить стабильные показания, сказывается индукция на проводах к переменному резистору, из-за чего показания прыгают + \ – 2 знака, но нормально бы и прыгнуть вместе с это скачок оборотов двигателя.
Сопротивление резистора высокое, ток небольшой, а провода собирают весь шум вокруг.
При питании от линейного блока питания эта проблема полностью отсутствует.
Длина проводов к резистору и кнопке около 180мм.
Кнопка, ну тут ничего особенного. Контакты нормально открытые, монтажный диаметр 16мм, длина 24мм, подсветки нет.
Кнопка выключения двигателя.
Тех. при подаче питания индикатор включается, двигатель запускается, нажатие кнопки выключает его, повторное нажатие включает его снова.
При неработающем двигателе индикатор тоже не загорается.
Плата устройства находится под крышкой.
Клеммы подключаются к клеммам источника питания и двигателя.
Положительные контакты разъема соединены между собой, выключатель питания коммутирует отрицательный провод двигателя.
Соединение переменного резистора и кнопки съемное.
Все выглядит аккуратно. Штыри конденсатора немного кривые, но думаю простительно 🙂
Дальнейшую разборку спрячу под спойлер.
Подробнее
Индикатор довольно большой, высота цифры 14мм.
Размеры платы 69х37мм.
Плата собрана аккуратно, рядом с контактами индикатора есть следы флюса, но в целом плата чистая.
На плате находятся: диод для защиты от переполюсовки, стабилизатор на 5 Вольт, микроконтроллер, конденсатор емкостью 470 мкФ на 35 Вольт, элементы питания под небольшим радиатором.
Видны и места для дополнительных разъемов, назначение их не понятно.
Я набросал небольшую блок-схему, просто для приблизительного понимания того, что и как это коммутируется и как это связано. Переменный резистор одной ногой подключен к 5 Вольт, другой – к земле. поэтому его можно смело заменить на более низкое значение. К распаянному разъему на схеме подключений нет.
В устройстве используется микроконтроллер производства STMicroelectronics.
Насколько мне известно, этот микроконтроллер используется в довольно большом количестве различных устройств, например ампервольтметрах.
Регулятор мощности нагревается при работе на максимальном входном напряжении, но не очень сильно.
Часть тепла от силовых элементов направляется на медные многоугольники платы, слева видно большое количество переходов с одной стороны платы на другую, что помогает отводить тепло.
Отвод тепла также осуществляется с помощью небольшого радиатора, который сверху прижимается к силовым элементам. Такое размещение радиатора мне кажется несколько сомнительным, так как тепло отводится через пластик корпуса и такой радиатор мало помогает.
Между силовыми элементами и радиатором пасты нет, рекомендую снять радиатор и смазать пастой, хоть немного поправится.
В силовой части используется транзистор, сопротивление канала 3,3 мОм, максимальный ток 161 Ампер, но максимальное напряжение всего 30 Вольт, поэтому я бы рекомендовал ограничить вход на уровне 25-27 Вольт. При работе с токами, близкими к максимальным, присутствует небольшой нагрев.
Рядом также расположен диод, который гасит скачки тока от самоиндукции двигателя.
Здесь приложено 10 ампер, 45 вольт. К диоду вопросов нет.
Первое включение. Так получилось, что тесты я проводил еще до снятия защитной пленки, потому что на этих фотографиях она все еще есть.
Индикатор контрастный, в меру яркий, читается отлично.
Сначала решил попробовать на небольших нагрузках и получил первое разочарование.
Нет, к производителю и магазину претензий нет, просто надеялся, что в таком относительно дорогом устройстве будет присутствовать стабилизация оборотов двигателя.
Увы, это всего лишь регулируемый ШИМ, индикатор показывает заполнение% от 0 до 100%.
Регулятор даже не заметил маленького двигателя, в тот день был совершенно нелепый ток нагрузки 🙂
Внимательные читатели наверняка обратили внимание на сечение проводов, которыми я подключал питание к регулятору.
Да, тогда я решил подойти к вопросу более глобально и подключил более мощный движок.
Конечно, он заметно мощнее регулятора, но на холостом ходу его ток около 5 Ампер, что дало возможность протестировать регулятор в режимах, близких к максимальным.
Регулятор вёл себя отлично, кстати забыл указать, что при включении регулятор плавно увеличивает заливку ШИМ от нуля до заданного значения, обеспечивая плавный разгон, при этом индикатор сразу показывает заданное значение, а не как на частотных приводах, где отображается реальный ток.
Регулятор исправен, немного прогрелся, но не критично.
Так как регулятор импульсный, решил просто ради интереса покопаться с осциллографом и посмотреть, что происходит на затворе силового транзистора в разных режимах.
Частота ШИМ составляет около 15 кГц и не меняется во время работы. Двигатель запускается при загрузке примерно на 10%.
Изначально я планировал поставить регулятор в свой старый (довольно древний) блок питания для небольшого электроинструмента (об этом как-нибудь в другой раз). по идее он должен был стать вместо передней панели, а регулятор скорости должен был располагаться сзади, кнопку ставить не планировал (благо при включении аппарат сразу переходит во включенный режим).
Должно получиться красиво и аккуратно.
Но тут меня ждало некоторое разочарование.
1. Индикатор хоть и был немного меньше по размеру, чем вставка лицевой панели, но хуже было то, что не влезал по глубине, упираясь в стойки для соединения половинок корпуса.
и если бы пластик корпуса индикатора можно было отрезать, то ему было бы все равно, так как дальше мешала плата регулятора.
2. Но даже если я решил первый вопрос, осталась вторая проблема, я совсем забыл, как у меня сделан блок питания.Дело в том, что регулятор рвет минус блока питания, а у меня есть реле реверса, включения и принудительной остановки двигателя, схема управления всем этим. А с их переделкой все оказалось намного сложнее 🙁
Если бы регулятор был со стабилизацией скорости, то я бы все равно растерялся и переделал схему управления и реверса, или переделал регулятор на переключение + питание. Я могу это сделать так, но без энтузиазма и сейчас не знаю когда.
Может кому интересно, фото внутренностей моего БП, шло лет 13-15 назад, почти все время работало без проблем, один раз пришлось заменить реле.
Резюме.
профи
Аппарат полностью работоспособен.
Аккуратный внешний вид.
Качественная сборка
В комплект входит все необходимое.
Минусы .
Неправильная работа от импульсных источников питания.
Силовой транзистор без запаса по напряжению
При таком скромном функционале цена завышена (но здесь все относительно).
Мое мнение. Если закрыть глаза на цену устройства, то само по себе оно неплохое, аккуратно выглядит и отлично работает. Да, есть проблема не очень хорошей помехозащищенности, думаю, что решить ее несложно, но немного расстраивает. Кроме того, рекомендую не превышать входное напряжение выше 25-27 Вольт.
Больше обидно, что я просмотрел довольно много вариантов каких-либо готовых регуляторов, но нигде они не предлагают решения со стабилизацией скорости.Возможно, кто-то спросит, зачем мне это нужно. Объясню, как мне в руки попал шлифовальный станок со стабилизацией, работать намного приятнее обычного.
Вот и все, надеюсь было интересно 🙂
Товар предоставлен для написания отзыва магазином. Отзыв публикуется в соответствии с пунктом 18 Правил сайта.
Планирую купить +23 Добавить в избранное Обзор понравился +38 +64При работе с множеством различных технологий часто возникает вопрос, как управлять имеющейся мощностью? Что делать, если его нужно опустить или поднять? Ответ на эти вопросы – ШИМ-контроллер.Какой он? Где это применяется? А как самому собрать такой прибор?
Что такое широтно-импульсная модуляция?
Нет смысла продолжать без разъяснения значения этого термина. Итак, широтно-импульсная модуляция – это процесс управления мощностью, подаваемой на нагрузку, осуществляемый путем изменения рабочего цикла импульсов, который выполняется с постоянной частотой. Существует несколько типов широтно-импульсной модуляции:
1. Аналоговая.
2. Цифровой.
3. Бинарный (двухуровневый).
4. Тройной (трехуровневый).
Что такое ШИМ-контроллер?
Теперь, когда мы знаем, что такое широтно-импульсная модуляция, мы можем поговорить об основной теме статьи. Регулятор PWM используется для регулирования напряжения питания и предотвращения мощных инерционных нагрузок в автомобилях и автомобилях. Это может показаться сложным, и его лучше всего проиллюстрировать на примере. Допустим, необходимо, чтобы лампы внутреннего освещения меняли свою яркость не сразу, а постепенно.То же самое касается габаритных огней, автомобильных фар или вентиляторов. Это желание можно реализовать, установив транзисторный регулятор напряжения (параметрический или компенсационный). Но при большом токе на него будет выделяться чрезвычайно большая мощность и потребуется установка дополнительных больших радиаторов или надстройки в виде системы принудительного охлаждения с помощью небольшого вентилятора, снятого с компьютерного устройства. Как видите, этот путь влечет за собой множество последствий, которые необходимо будет преодолеть.
Настоящим спасением от этой ситуации стал ШИМ-регулятор, работающий на мощных полевых силовых транзисторах.Они могут коммутировать большие токи (которые достигают 160 ампер) при напряжении всего 12-15В на затворе. Следует отметить, что сопротивление открытого транзистора довольно низкое, и за счет этого уровень рассеиваемой мощности может быть значительно снижен. Для создания собственного ШИМ-регулятора вам понадобится схема управления, которая может обеспечить разность напряжений между истоком и затвором в диапазоне 12-15В. Если этого добиться невозможно, сопротивление канала значительно увеличится, а рассеиваемая мощность значительно увеличится.А это, в свою очередь, может привести к тому, что транзистор перегреется и выйдет из строя.
Выпускается ряд микросхем для ШИМ-регуляторов, которые выдерживают повышение входного напряжения до уровня 25-30В при напряжении питания всего 7-14В. Это включит выходной транзистор в схеме вместе с общим стоком. Это, в свою очередь, необходимо для подключения нагрузки к общему минусу. Примеры включают следующие образцы: L9610, L9611, U6080B … U6084B. Большинство нагрузок потребляют не более 10 ампер, поэтому они не могут вызвать провалов напряжения.И в результате можно использовать простые схемы без доработки в виде дополнительного узла, который будет увеличивать напряжение. И именно такие образцы ШИМ-контроллеров и будут рассмотрены в статье. Они могут быть построены на базе асимметричного или ждущего мультивибратора. Отдельно стоит сказать о ШИМ-регуляторе оборотов двигателя. Подробнее об этом позже.
Схема № 1
Данная схема ШИМ-регулятора собрана на КМОП инверторах. Это генератор прямоугольных импульсов, который работает на 2 логических элементах.Благодаря диодам постоянная времени разряда и заряда конденсатора задания частоты здесь изменяется отдельно. Это позволяет вам изменять рабочий цикл, который имеют выходные импульсы, и, как следствие, значение действующего напряжения на нагрузке. В этой схеме можно использовать любые инвертирующие КМОП элементы, а также ИЛИ-НЕ и I. В качестве примеров подойдут К176ПУ2, К561ЛН1, К561ЛА7, К561ЛЕ5. Вы можете использовать другие типы, но перед этим вы должны хорошо подумать о том, как правильно сгруппировать их входные данные, чтобы они могли выполнять назначенные функции.Достоинства схемы – доступность и простота элементов. Недостатки – сложность (практически невозможность) доработки и несовершенство в части изменения диапазона выходного напряжения.
Схема №2
Имеет лучшие характеристики, чем первый образец, но сложнее в исполнении. Он может регулировать эффективное напряжение на нагрузке в диапазоне 0-12 В, до которого оно изменяется от начального значения 8-12 В. Максимальный ток зависит от типа полевого транзистора и может достигать значительных значений.Учитывая, что выходное напряжение пропорционально входному управляющему напряжению, эту схему можно использовать как часть системы управления (для поддержания уровня температуры).
Причины разброса
Чем привлекает автолюбителей ШИМ-контроллер? Следует отметить стремление повысить КПД при построении вторичных для электронной техники. Благодаря этому свойству эту технологию также можно найти при производстве компьютерных мониторов, дисплеев в телефонах, ноутбуках, планшетах и подобном оборудовании, а не только в автомобилях.Также следует отметить, что эта технология значительно дешевле при использовании. Также, если вы решили не покупать, а собрать ШИМ-контроллер самостоятельно, то вы сможете сэкономить при улучшении собственной машины.
Заключение
Ну, теперь вы знаете, что такое ШИМ-регулятор мощности, как он работает, и даже можете сами собрать такие устройства. Поэтому, если вы хотите поэкспериментировать с возможностями своего автомобиля, вы можете сказать по этому поводу только одно – делайте это. Более того, вы можете не только использовать представленные здесь схемы, но и существенно модифицировать их, обладая соответствующими знаниями и опытом.Но даже если с первого раза не все получится, то можно получить очень ценную вещь – опыт. Кто знает, где это может пригодиться в следующий раз и насколько это будет важно.
Широтно-импульсная модуляция (ШИМ) – это метод преобразования сигналов, при котором ширина импульса (рабочий цикл) изменяется, но частота остается постоянной. В английской терминологии это называется ШИМ (широтно-импульсная модуляция). В этой статье мы подробно разберемся, что такое ШИМ, где он применяется и как работает.
Область применения
С развитием технологии микроконтроллеров для ШИМ открылись новые возможности. Этот принцип стал основой электронных устройств, требующих как настройки выходных параметров, так и их поддержания на заданном уровне. Метод широтно-импульсной модуляции используется для изменения яркости света, скорости вращения двигателей, а также для управления силовым транзистором импульсных источников питания (БП).
Широтно-импульсная модуляция (ШИМ) активно используется при построении систем управления яркостью светодиодов.Благодаря малой инерции светодиод успевает включаться (мигать и гаснуть) с частотой в несколько десятков кГц. Его работа в импульсном режиме воспринимается человеческим глазом как постоянное свечение. В свою очередь, яркость зависит от длительности импульса (открытого состояния светодиода) в течение одного периода. Если время импульса равно времени паузы, то есть скважность составляет 50%, то яркость светодиода будет вдвое меньше номинальной. С популяризацией светодиодных ламп 220В встал вопрос о повышении надежности их работы при нестабильном входном напряжении.Решение было найдено в виде универсальной микросхемы – драйвера питания, работающего по принципу широтно-импульсной или частотно-импульсной модуляции. Подробно описана схема на основе одного из этих драйверов.
Напряжение сети, подаваемое на вход микросхемы драйвера, постоянно сравнивается с внутрисхемным опорным напряжением, формируя на выходе ШИМ-сигнал (ЧИМ), параметры которого задаются внешними резисторами. Некоторые микросхемы имеют вывод для подачи аналогового или цифрового управляющего сигнала.Таким образом, работой импульсного драйвера можно управлять с помощью другого преобразователя PWI. Что интересно, на светодиод поступают не высокочастотные импульсы, а ток, сглаженный дросселем, который является незаменимым элементом таких схем.
Широкое распространение ШИМ отражено во всех ЖК-панелях со светодиодной подсветкой. К сожалению, в светодиодных мониторах большинство преобразователей SHI работают на частоте в сотни герц, что негативно сказывается на зрении пользователей ПК.
Микроконтроллер Arduino также может работать как ШИМ-контроллер.Для этого вызовите функцию AnalogWrite () со значениями от 0 до 255 в скобках. Ноль соответствует 0 В, а 255 соответствует 5 В. Промежуточные значения рассчитываются пропорционально.
Широкое распространение устройств, работающих на принципе ШИМ, позволило человечеству уйти от линейных трансформаторных источников питания. В результате происходит повышение КПД и уменьшение в несколько раз массы и габаритов блоков питания.
ШИМ-контроллер является неотъемлемой частью современного импульсного блока питания.Он управляет работой силового транзистора, расположенного в первичной цепи импульсного трансформатора. Благодаря наличию петли обратной связи напряжение на выходе блока питания всегда остается стабильным. Малейшее отклонение выходного напряжения через обратную связь фиксируется микросхемой, которая моментально корректирует скважность управляющих импульсов. Кроме того, современный ШИМ-контроллер решает ряд дополнительных задач, повышающих надежность блока питания:
- обеспечивает режим плавного пуска преобразователя;
- ограничивает амплитуду и скважность управляющих импульсов;
- контролирует уровень входного напряжения;
- защищает выключатель питания от короткого замыкания и повышения температуры;
- переводит устройство в режим ожидания при необходимости.
Принцип работы ШИМ-контроллера
Задача ШИМ-контроллера – управлять выключателем питания путем изменения управляющих импульсов. Работая в ключевом режиме, транзистор находится в одном из двух состояний (полностью открыт, полностью закрыт). В закрытом состоянии ток через p-n-переход не превышает нескольких мкА, а значит, рассеиваемая мощность стремится к нулю. В открытом состоянии, несмотря на большой ток, сопротивление p-n-перехода слишком низкое, что также приводит к незначительным тепловым потерям.Наибольшее количество тепла выделяется в момент перехода из одного состояния в другое. Но из-за короткого переходного времени по сравнению с частотой модуляции мощность переключения незначительна.
Широтно-импульсная модуляция делится на два типа: аналоговая и цифровая. Каждый из типов имеет свои преимущества, и схемотехника может быть реализована по-разному.
Аналоговый ШИМ
Принцип работы аналогового модулятора ШИ основан на сравнении двух сигналов, частота которых различается на несколько порядков.Операционный усилитель (компаратор) действует как элемент сравнения. На один из его входов подается пилообразное напряжение высокой постоянной частоты, а на другой – низкочастотное модулирующее напряжение переменной амплитуды. Компаратор сравнивает оба значения и формирует на выходе прямоугольные импульсы, длительность которых определяется текущим значением модулирующего сигнала. В этом случае частота ШИМ равна частоте пилообразного сигнала.
Цифровой ШИМ
Широтно-импульсная модуляция с цифровой интерпретацией – одна из многих функций микроконтроллера (MC).Работая исключительно с цифровыми данными, МК может формировать на своих выходах высокий (100%) или низкий (0%) уровень напряжения. Однако в большинстве случаев для эффективного управления нагрузкой необходимо изменять напряжение на выходе МК. Например, регулировка оборотов двигателя, изменение яркости светодиода. Что делать, чтобы на выходе микроконтроллера получилось любое значение напряжения в диапазоне от 0 до 100%?
Проблема решается применением метода широтно-импульсной модуляции и использования явления передискретизации, когда заданная частота переключения в несколько раз превышает отклик управляемого устройства.При изменении скважности импульсов изменяется среднее значение выходного напряжения. Как правило, весь процесс происходит на частоте от десятков до сотен кГц, что позволяет добиться плавной настройки. Технически это реализовано с помощью ШИМ-контроллера – специализированной микросхемы, которая является «сердцем» любой цифровой системы управления. Активное использование контроллеров на основе ШИМ обусловлено их неоспоримыми достоинствами:
- высокая эффективность преобразования сигнала;
- стабильность работы;
- экономия энергии, потребляемой нагрузкой;
- низкая стоимость;
- высокая надежность всего устройства.
Есть два способа получить сигнал ШИМ на выводах микроконтроллера: аппаратный и программный. Каждый MC имеет встроенный таймер, который способен генерировать импульсы ШИМ на определенных выводах. Так достигается аппаратная реализация. Прием сигнала ШИМ с помощью программных команд имеет больше возможностей с точки зрения разрешения и позволяет использовать больше контактов. Однако программный метод приводит к высокой нагрузке на МК и занимает много памяти.
Примечательно, что в цифровой ШИМ количество импульсов за период может быть разным, а сами импульсы могут располагаться в любой части периода.Уровень выходного сигнала определяется общей длительностью всех импульсов за период. Следует понимать, что каждый дополнительный импульс – это переход силового транзистора из открытого состояния в закрытое, что приводит к увеличению потерь при переключении.
Пример использования ШИМ-регулятора
Один из вариантов реализации простого ШИМ-регулятора уже был описан ранее в. Он построен на основе микросхемы и имеет небольшую жгут. Но, несмотря на простату схемы, регулятор имеет достаточно широкую область применения: схемы управления яркостью светодиодов, светодиодных лент, регулирование скорости вращения двигателей постоянного тока.
Читать то же
Регулировать значения уровня питающего напряжения можно с помощью регуляторов с широтно-импульсной модуляцией. Преимущество такой настройки в том, что выходной транзистор работает в ключевом режиме и может находиться только в двух состояниях – открытом или закрытом, что исключает перегрев, что означает использование большого радиатора и, как следствие, снижает затраты на электроэнергию.
На VT1 и VT2 построен мультивибратор с регулируемым рабочим циклом. Частота повторения которых около 7 кГц.С коллектора второго транзистора импульсы поступают на мощный переключатель N302AP MOSFET, который управляет подключенной нагрузкой. Рабочий цикл изменяется подстроечным сопротивлением R4. В крайнем левом положении этого сопротивления, см. Верхний рисунок, выходные импульсы узкие, что указывает на минимальную выходную мощность. В крайнем правом положении устройство работает на максимальной мощности.
В качестве нагрузки к регулятору можно подключить лампы накаливания (в том числе 12 вольт), двигатели постоянного тока и даже регулировать ток в зарядном устройстве.
Конструкция очень простая, и при правильной установке сразу начинают работать.


Обычно, на входной двери коммунальной квартиры устанавливают несколько звонковых кнопок, от каждой из которых идут провода в свою комнату, где устанавливается отдельный звонок. Проложенный уродливый жгут проводов под напряжением сети не только портит вид «общественной собственности» в виде коридора, но и потенциально опасен.
S.) Уоллис и Футуна Западная Сахара Западное Самоа Йемен Замбия Зимбабве