делаем датчик света своими руками, простое фотореле для уличного освещения и сумеречный выключатель
Один из важных компонентов автоматики в наружном освещении, наравне с детекторами движения (ДД) и таймерами, это фотореле (или световое реле, сумеречный выключатель, фотодатчик). Предназначением этого устройства является включение наружного освещения и не только, при приходе темноты, без вмешательства человека.
За счет ускорения темпов технического прогресса и промышленных объемов производства сегодня цена светового реле не «кусается». В этой публикации мы рассмотрим устройство фотореле и особенности его подключения, кроме того, вы узнаете, как изготовить световое реле собственными руками.
Сфера использования
В большинстве своем световое реле предназначается для включения и отключения уличного освещения в автоматическом режиме.
Логично использование сумеречного выключателя для управления осветительным оборудованием в общественных местах, парках, торговых и промплощадках, на автопарковках, дорогах.
Устройство не позабудет включить освещение в вечернее время и выключить поутру без вмешательства человека. Система на 100% самостоятельна.
В частном домовладении также применяют автоматическое освещение, но здесь существенную роль играет цена на электрическую энергию.
Как правило, требуется, чтобы освещение включалось с приходом темноты на протяжении определенного времени, а затем выключалось. Или же освещение включается исключительно в темное время суток на непродолжительный отрезок времени при присутствии людей в освещаемой области, например, около отхожего места, автогаража. В подобных ситуациях актуальны устройства, оборудованные вспомогательными приборами в виде ДД либо таймера.
Разновидности устройств
С интегрированным фотоэлементом (датчиком освещенности)
Нередко подобные устройства консолидированы в общий узел с управляемым осветительным прибором и предназначаются для монтажа на улице.
Наделены высокой степенью влаго-, пылезащиты, не меньше IP44.
Функционируют исключительно с тем прибором, в который интегрированы.
С выносным детектором освещенности
Электронный узел монтируется в шкаф, щиток либо устанавливается в ином огражденном от влияния неблагоприятных условий погоды месте, в связи с этим требования к уровню защиты оболочки IP понижены, хватает IP20. Датчик освещенности монтируется снаружи и соединяется посредством электропроводов с электронным узлом. Требования к IP датчику освещенности аналогичны уличному исполнению, не меньше IP44.
Разнесенная структура дает возможность формировать щиты автоматизации и управления уличным освещением, где сумеречный выключатель – это один из элементов комбинированной, многоуровневой схемы.
При подсоединении электроконтактов светового реле к электромагнитному аппарату либо мощному внешнему реле открывается возможность осуществлять управление нагрузкой большой мощности, в частности, в случае управления приборами освещения автопарковки, супермаркета или автомобильной дороги.
На разные уровни напряжения
Электропитание сумеречного выключателя может быть рассчитано на разные напряжения тока, 12, 24, 220, 380 Вольт.
Имеются модификации с довольно обширным спектром питающих напряжений от 12 до 264 В. Образцы на невысокое напряжение 12 и 24 В могут функционировать в схемах с использованием других источников электрической энергии, солнечных батарей, ветроэлектрических установок с аккумуляторным сопровождением.
Видов устройств управления светом достаточно много. В числе их имеются как обыкновенные, с опцией включения/отключения, так и профессиональные. Профессиональные отличаются расширенным набором функций (встраиваемые таймеры, календарь событий, возможность управлять дежурным и основным освещением).
С целью упрощения настройки и контроля за функционированием системы приборы оборудованы экраном.
Наличие энергетически независимой памяти позволяет запоминать установленные настройки.
Структура сумеречного выключателя
Ключевым компонентом светового реле является фотодетектор, в электросхемах могут использоваться транзисторы, диоды, фотосопротивление (фоторезистор), фотоэлементы. При перемене величины светового потока, падающего на фотоэлектрический элемент, меняются его характеристики, такие как электросопротивление резистора, перемена состояния электронно-дырочного перехода в полупроводниковых триодах и диодах, а также перемена напряжения на контактах фотоэлемента.
Затем сигнал обнаруживается усилителем и устройством сравнения (компаратором – в его роли можно задействовать операционный усилитель типа К140УД6, К140УД7 либо аналогичные) и осуществляется переключение двухтактного эмиттерного повторителя, переключая или отключая нагрузку.
В роли выходных элементов управления применяют реле или симметричный триодный тиристор. При подсоединении светового реле нужно ознакомиться с практическим руководством, особенно предельной мощностью выходного узла, уделить внимание виду лампочек освещения (диодные лампы, газоразрядные, накаливания).
Теперь разберем пару схем для сборки светового реле в домашних условиях своими силами.Самостоятельная сборка
Исходя из того, какой вид светового реле вы избрали, будет определяться и схема его изготовления. Сейчас мы рассмотрим простую схему, по которой можно будет без каких-либо затруднений смонтировать прибор своими руками. В собственной основе фотореле имеет микросхему КР1182ПМ1. Если на улице светло, фоторезистор (фотодиод) VT1 засвечен. Протекающий через его p-n переход электроток закрывает внутри фазового регулятора симисторы. Вследствие этого симистор VS1 окажется закрыт, а лампочка EL1 не станет светиться.
Как только подходит вечер, происходит понижение освещенности фотодиода VT1. Вследствие этого уменьшается и электроток, проходящий через p-n переход.
Это влечет за собой то, что в микросхеме открываются транзисторы. Они, как правило, содействуют открыванию симистора VS1 и включению лампочки.
Лишь потому, что схема изготовления подобного датчика не имеет пороговых компонентов, включение лампочки и ее отключение осуществляется размеренно. Помимо этого, большая чувствительность сумеречного выключателя дает возможность включаться осветительному прибору на всю силу исключительно при приходе глубоких сумерек.
Дабы уменьшить помехи в деятельности самодельного устройства, в схему необходимо добавить катушку индуктивности L1 и конденсатор C4.
В роли конденсатора нужно брать К73-16 либо К73-17 с напряжением не меньше 400 В. Равным образом можно применять конденсаторы К50-35. На теплоотвод с поверхностной платформой в 300 см2 нужно инсталлировать симистор VS1.
Катушку индуктивности делаем из 2 склеенных ферритовых фильтров К38×24×7 (можете взять модель М2000НМ). Обмотку накручиваем в один слой, который должен состоять из 70 витков проволоки ПЭВ-2 с сечением в 0,82 миллиметра.
Грамотно собранное световое реле не имеет нужды в отладке. При возникновении потребности увеличить чувствительность в схему следует добавить еще один фотодиод. При его отсутствии можно сделать из старого транзистора МП 39 либо МП 42 – срезать у него оболочку напротив коллектора. При отладке непременно соблюдайте меры предосторожности, поскольку все элементы прибора будут пребывать под напряжением.
Второй метод сборки
Имеется и несколько иной метод.
Тут сборка осуществляется на основе полупроводникового встроенного устройства Q6004LT (квадрак). В такой версии вам потребуются:
- устройство Q6004LT;
- фотодиод;
- обыкновенный резистор.
Собранный прибор будет питаться от электросети в 220 В. Принцип действия этой схемы такой.
- Свет создает на фотодатчике небольшое сопротивление. Одновременно на управляющем электроде устройства Q6004LT будет пребывать маленькое напряжение.
- Квадрак останется закрытым. Вследствие чего сквозь него электроток проходить не будет.
- Когда светосила уменьшится, на фотодиоде увеличится сопротивление, что будет способствовать резкой смене напряжения, подающегося на тринистор.
- Повышение амплитудного значения напряжения до метки в 40 В влечет за собой открытие симистора. По цепи побежит ток, в итоге включится освещение.
Чтобы произвести настройки этой схемы, нужно использовать резистор.
Его изначальное сопротивление должно быть 47 кОм, но сила сопротивления должна выбираться с учетом типа задействованного в электросхеме фотодиода. В роли фотодатчика можно применять следующие компоненты: СФ3-1, ФСК-7 либо ФСК-Г1.
Использование мощного устройства Q6004LT позволяет подсоединить к самодельному прибору нагрузку мощностью до 500 Вт. А применение в схеме вспомогательного теплоотвода даст возможность повысить мощность до 750 Вт. В будущем возможно использование квадрака, обладающего рабочими токами 6, 8, 10 либо 15 А.
Основные достоинства такой схемы сборки – это минимальное количество элементов, нет блока питания и возможность увеличения мощности. Вследствие этого сборка данного прибора в домашних условиях пройдет довольно скоро и без затруднений, даже когда этим займется новичок.
О том, как собрать фотореле своими руками, смотрите далее.
делаем датчик света своими руками, простое фотореле для уличного освещения и сумеречный выключатель
Один из важных компонентов автоматики в наружном освещении, наравне с детекторами движения (ДД) и таймерами, это фотореле (или световое реле, сумеречный выключатель, фотодатчик). Предназначением этого устройства является включение наружного освещения и не только, при приходе темноты, без вмешательства человека.
За счет ускорения темпов технического прогресса и промышленных объемов производства сегодня цена светового реле не «кусается».
В этой публикации мы рассмотрим устройство фотореле и особенности его подключения, кроме того, вы узнаете, как изготовить световое реле собственными руками.
Сфера использования
В большинстве своем световое реле предназначается для включения и отключения уличного освещения в автоматическом режиме. Имеются и иные возможности использования, в частности, посредством светового реле можно отрегулировать запуск водяного насоса фонтана с утра, а остановку под вечер. Сфера использования светоуправляемых приборов чрезвычайно обширна, они позволят решать самые разные вопросы, не только сопряженные с освещением.
Логично использование сумеречного выключателя для управления осветительным оборудованием в общественных местах, парках, торговых и промплощадках, на автопарковках, дорогах.
Устройство не позабудет включить освещение в вечернее время и выключить поутру без вмешательства человека.
Система на 100% самостоятельна.
В частном домовладении также применяют автоматическое освещение, но здесь существенную роль играет цена на электрическую энергию. Отнюдь не всегда необходимо, чтобы осветительные приборы во дворе светили целую ночь, тратя недешевое электричество.
Как правило, требуется, чтобы освещение включалось с приходом темноты на протяжении определенного времени, а затем выключалось. Или же освещение включается исключительно в темное время суток на непродолжительный отрезок времени при присутствии людей в освещаемой области, например, около отхожего места, автогаража. В подобных ситуациях актуальны устройства, оборудованные вспомогательными приборами в виде ДД либо таймера.
Разновидности устройств
С учетом предназначения и исполняемых обязанностей прибор регулировки света подразделяется на несколько ключевых типов.
С интегрированным фотоэлементом (датчиком освещенности)
Нередко подобные устройства консолидированы в общий узел с управляемым осветительным прибором и предназначаются для монтажа на улице. Наделены высокой степенью влаго-, пылезащиты, не меньше IP44.
Функционируют исключительно с тем прибором, в который интегрированы.
С выносным детектором освещенности
Электронный узел монтируется в шкаф, щиток либо устанавливается в ином огражденном от влияния неблагоприятных условий погоды месте, в связи с этим требования к уровню защиты оболочки IP понижены, хватает IP20. Датчик освещенности монтируется снаружи и соединяется посредством электропроводов с электронным узлом. Требования к IP датчику освещенности аналогичны уличному исполнению, не меньше IP44.
Разнесенная структура дает возможность формировать щиты автоматизации и управления уличным освещением, где сумеречный выключатель – это один из элементов комбинированной, многоуровневой схемы.
При подсоединении электроконтактов светового реле к электромагнитному аппарату либо мощному внешнему реле открывается возможность осуществлять управление нагрузкой большой мощности, в частности, в случае управления приборами освещения автопарковки, супермаркета или автомобильной дороги.
На разные уровни напряжения
Электропитание сумеречного выключателя может быть рассчитано на разные напряжения тока, 12, 24, 220, 380 Вольт.
Имеются модификации с довольно обширным спектром питающих напряжений от 12 до 264 В. Образцы на невысокое напряжение 12 и 24 В могут функционировать в схемах с использованием других источников электрической энергии, солнечных батарей, ветроэлектрических установок с аккумуляторным сопровождением.
Видов устройств управления светом достаточно много. В числе их имеются как обыкновенные, с опцией включения/отключения, так и профессиональные. Профессиональные отличаются расширенным набором функций (встраиваемые таймеры, календарь событий, возможность управлять дежурным и основным освещением).
С целью упрощения настройки и контроля за функционированием системы приборы оборудованы экраном.
Наличие энергетически независимой памяти позволяет запоминать установленные настройки.
Структура сумеречного выключателя
Ключевым компонентом светового реле является фотодетектор, в электросхемах могут использоваться транзисторы, диоды, фотосопротивление (фоторезистор), фотоэлементы. При перемене величины светового потока, падающего на фотоэлектрический элемент, меняются его характеристики, такие как электросопротивление резистора, перемена состояния электронно-дырочного перехода в полупроводниковых триодах и диодах, а также перемена напряжения на контактах фотоэлемента.
Затем сигнал обнаруживается усилителем и устройством сравнения (компаратором – в его роли можно задействовать операционный усилитель типа К140УД6, К140УД7 либо аналогичные) и осуществляется переключение двухтактного эмиттерного повторителя, переключая или отключая нагрузку.
В роли выходных элементов управления применяют реле или симметричный триодный тиристор. При подсоединении светового реле нужно ознакомиться с практическим руководством, особенно предельной мощностью выходного узла, уделить внимание виду лампочек освещения (диодные лампы, газоразрядные, накаливания).
Необходимо знать, что фотореле с тиристорным выходом не может функционировать с энергосберегающими лампочками, не предназначенными для этого, и монтируются в регулятор мощности лучистой энергии лампы. Этот аспект нужно принимать во внимание, чтобы не остаться со ставшими неработоспособными световым реле и лампочкой.
Теперь разберем пару схем для сборки светового реле в домашних условиях своими силами.
Самостоятельная сборка
Исходя из того, какой вид светового реле вы избрали, будет определяться и схема его изготовления. Сейчас мы рассмотрим простую схему, по которой можно будет без каких-либо затруднений смонтировать прибор своими руками. В собственной основе фотореле имеет микросхему КР1182ПМ1. Если на улице светло, фоторезистор (фотодиод) VT1 засвечен. Протекающий через его p-n переход электроток закрывает внутри фазового регулятора симисторы. Вследствие этого симистор VS1 окажется закрыт, а лампочка EL1 не станет светиться.
Как только подходит вечер, происходит понижение освещенности фотодиода VT1. Вследствие этого уменьшается и электроток, проходящий через p-n переход.
Это влечет за собой то, что в микросхеме открываются транзисторы. Они, как правило, содействуют открыванию симистора VS1 и включению лампочки.
Лишь потому, что схема изготовления подобного датчика не имеет пороговых компонентов, включение лампочки и ее отключение осуществляется размеренно. Помимо этого, большая чувствительность сумеречного выключателя дает возможность включаться осветительному прибору на всю силу исключительно при приходе глубоких сумерек.
Дабы уменьшить помехи в деятельности самодельного устройства, в схему необходимо добавить катушку индуктивности L1 и конденсатор C4.
В роли конденсатора нужно брать К73-16 либо К73-17 с напряжением не меньше 400 В. Равным образом можно применять конденсаторы К50-35. На теплоотвод с поверхностной платформой в 300 см2 нужно инсталлировать симистор VS1.
Катушку индуктивности делаем из 2 склеенных ферритовых фильтров К38×24×7 (можете взять модель М2000НМ). Обмотку накручиваем в один слой, который должен состоять из 70 витков проволоки ПЭВ-2 с сечением в 0,82 миллиметра.
Грамотно собранное световое реле не имеет нужды в отладке. При возникновении потребности увеличить чувствительность в схему следует добавить еще один фотодиод. При его отсутствии можно сделать из старого транзистора МП 39 либо МП 42 – срезать у него оболочку напротив коллектора. При отладке непременно соблюдайте меры предосторожности, поскольку все элементы прибора будут пребывать под напряжением.
Второй метод сборки
Имеется и несколько иной метод.
Тут сборка осуществляется на основе полупроводникового встроенного устройства Q6004LT (квадрак). В такой версии вам потребуются:
- устройство Q6004LT;
- фотодиод;
- обыкновенный резистор.
Собранный прибор будет питаться от электросети в 220 В. Принцип действия этой схемы такой.
- Свет создает на фотодатчике небольшое сопротивление. Одновременно на управляющем электроде устройства Q6004LT будет пребывать маленькое напряжение.
- Квадрак останется закрытым. Вследствие чего сквозь него электроток проходить не будет.
- Когда светосила уменьшится, на фотодиоде увеличится сопротивление, что будет способствовать резкой смене напряжения, подающегося на тринистор.
- Повышение амплитудного значения напряжения до метки в 40 В влечет за собой открытие симистора. По цепи побежит ток, в итоге включится освещение.
Чтобы произвести настройки этой схемы, нужно использовать резистор.
Его изначальное сопротивление должно быть 47 кОм, но сила сопротивления должна выбираться с учетом типа задействованного в электросхеме фотодиода. В роли фотодатчика можно применять следующие компоненты: СФ3-1, ФСК-7 либо ФСК-Г1.
Использование мощного устройства Q6004LT позволяет подсоединить к самодельному прибору нагрузку мощностью до 500 Вт. А применение в схеме вспомогательного теплоотвода даст возможность повысить мощность до 750 Вт. В будущем возможно использование квадрака, обладающего рабочими токами 6, 8, 10 либо 15 А.
Основные достоинства такой схемы сборки – это минимальное количество элементов, нет блока питания и возможность увеличения мощности. Вследствие этого сборка данного прибора в домашних условиях пройдет довольно скоро и без затруднений, даже когда этим займется новичок.
О том, как собрать фотореле своими руками, смотрите далее.
Разные схемы фотореле
Задачей фотореле является управление освещением, зачастую, это схема с фоточувствительным элементом, которая управляет включением освещения в темное время суток. Радиолюбителями разработано множество различных схем фотореле, представим вашему вниманию простые и надежные схемы на различных фоточувствительных элементах: фоторезисторах, фотодиодах, фототранзисторах.
Первая схема фотореле на фотодиоде и вполне подойдет для начинающих, так как проста в изготовлении и не содержит редких элементов. В качестве нагрузки после ключа использован светодиод, разумеется вместо него можно применять и другую логическую схему или реле.
В данной схеме фотодиод включен через стабилизатор тока, схема в таком включении дает существенную разницу при освещении и затемнении светочувствительного элемента и поэтому не требует дополнительного усилителя. При резком изменении освещения напряжениние на фотодиоде меняется от 0 до уровня напряжения питания схемы. Эту схему вы можете без труда собрать и отрегулировать за пару часов на макетной плате. Фотодиод можно использовать почти любой марки.
Детали:
В данной схеме был применен ФД 256, но схема работает и с фототранзисторами. VD1 и VD2 можно ставить любые кремниевые диоды. Транзисторы также можно любые маломощные. Как я уже говорил первый транзистор работает как стабилизатор тока и чем больше будет R2, тем больше чувствительность схемы, но не перестарайтесь с настройкой. Каскад на втором транзисторе — эмиттерный повторитель , третий транзистор — обычный ключ.
Предлагаем Еще одну несложную схему с минимальным количеством деталей, и высокой чувствительностью.
Такая чувствительность достигается за счет включения транзисторов VT1 и VT2 как составного. В таком включении общий коэффициент усиления будет равен произведению коэффициентов составляющих транзисторов. Также за счет этого включения достигается высокое входное сопротивление, что позволяет использовать фоторезистор и другие высокоомные источники сигнала.
Принцип работы:
Схема работает очень просто- с увеличением освещенности сопротивление фоторезистора уменьшается до нескольких килоом (в темноте — несколько мегаом) это приводит к открыванию транзистора VT1. Коллекторный ток VT1 откроет транзистор VT2, который в свою очередь включит реле и оно своими контактами включит нагрузку.Чтобы в момент включения реле не возникала самоиндукция и маломощный сигнал фоторезистора преобразовался в достаточный для включения обмотки сигнал включен VD1.
Детали:
Для регулировки чувствительности этой схемы, которая иногда может быть избыточной можно поставить в схему переменный резистор, который показан на схеме пунктиром.
Питание схемы зависит от рабочего напряжения реле и может быть в пределах 5-15в.При питании 6 вольт можно исплользовать РЭС 9, при 12 вольтах РЭС 15,РЭС 49. Ток обмотки при использовании указанных транзисторов не должен превышать 50 мА. если поставить вместо VT2, более мощный типа КТ 815, выходной то может быть большим и возможно использование более мощных реле. следует учитывать что при повышении питания увеличивается чувствительность фотореле.
Еще одна схема собрана на операционном усилителе и также не содержит большого количества деталей.ОУ в данной схеме включен как компаратор (сравнивающее устройство), а фотодиод включен в фотодиодном режиме, питание на него подано так, что он смещен в обратном направлении.
Из за такого включения при снижении освещенности возрастает сопротивление светодиода, и это приводит к к тому, что уменьшается падение напряжения на резисторе R1, и соответственно падает на инвертирующем входе компаратора. На неинвертирующем входе напряжение устанавливается с помощью R2, и является пороговым, то есть задает порог срабатывания.
При уменьшении напряжения на инвертирующем входе ниже порогового на выходе компаратора появится уровень напряжения который откроет Т1 и включит реле.
Детали:
Транзистор можно использовать любой маломощный NPN типа КТ 315, 3102. ОУ в качестве компаратора типа К140УД6 — УД7, или подобные. Для питания схемы следует использовать выпрямитель с напряжением 9-12 вольт, реле выбирать с соответствующим напряжением срабатывания обмотки.
Настройка:
Наладка устройства заключается в установке порогового напряжения, его следует настроить таким образом, чтобы уже при наступлении сумерек происходило включение. Для настройки порога срабатывания можно использовать регулируемую лампу накаливания в затемненной комнате.Чтобы избавиться от возможного дребезга реле при срабатывании нужно параллельно катушке присоединить конденсатор на несколько сотен микрофарад.
Электротехника: Фотореле своими руками.
В статье фотодатчик своими руками описывалось создание датчика реагирующего на свет и приводились примеры схем управления маломощным электродвигателем и светодиодом.
Более полезным было бы управление какой либо мощной нагрузкой например: лампой накаливания, мощным электродвигателем и т.д. Простая схема фотореле для мощной нагрузки приведена на рисунке 1:Рисунок 1 – Фотореле срабатывающее при уменьшении освещённости
без регулировки чувствительности
В этой схеме используется электромагнитное контактное реле. Самым простым дешёвым и доступным способом управления мощной нагрузкой является использование электромагнитного контактного реле:
Реле показанное на фотографии выше извлечено из сломанного импортного холодильника, это реле может коммутировать (подключать и отключать в данном случае) нагрузку потребляющую ток не более 16А. 16А вполне достаточно для многих бытовых электроприборов. На корпусе этого реле написано что для катушки постоянного тока необходимо 12 В но на практике для срабатывания данного реле было достаточно 9В с блока питания для модема с выпрямителем:
Если 9В окажется недостаточно то можно запитать схему от 12В.
Если заменить резистор R1 переменным или подстроечным то можно будет регулировать чувствительность к свету.
Обратный ток данного фотодиода усиливается транзистором VT1:
Данный транзистор образует делитель напряжения вместе с резистором R1:
Как было упомянуто выше данный резистор можно заменить переменным или подстроечным для того чтобы можно было регулировать чувствительность схемы.
Непосредственное управление катушкой реле осуществляет транзистор VT2:
КТ973 хорошо подходит для данной цели. Реле подключается к коллектору данного транзистора.
Для того чтобы транзистор VT2 не перегорел при резком его закрытии параллельно катушке реле ставится обратный диод:
Данный диод можно заменить каким либо другим подходящим диодом.
Резистор R2 не обязателен но его можно поставить для ограничения тока или уменьшения его потребления.
Для силовой части схемы нужны разъёмы и провода:
Реле может подключать нагрузку к сети 220В.
Не стоит забывать о том что напряжение сети опасно и при работе с ним необходимо соблюдать меры предосторожности для того чтобы не получить поражение электрическим током.После подготовки всех необходимых деталей можно приступать к сборке реле.
Обратный диод лучше подпаять сразу к реле.К собранному реле можно подключать нагрузку с источником питания (не обязательно сеть 220В). Используя данное фотореле в паре с источником инфракрасного излучения можно сделать датчик присутствия:
Если направить инфракрасный свет на фотодиод фотореле то при перекрытии этого света реле будет срабатывать и замыкать источник питания на нагрузку, таким образом можно вызвать некоторое действие при пересечении кем либо (или чем либо) инфракрасного луча. Для того чтобы включение нагрузки происходило при увеличении освещения можно использовать реле с нормально замкнутыми контактами. Для того чтобы включать (или выключать) несколько нагрузок можно использовать реле с несколькими контактами.
Также для того чтобы включение нагрузки происходило при увеличении освещения можно использовать схему на рисунке 3:Рисунок 2 – Схема включающая нагрузку при увеличении освещения
Если фотореле включает лампу накаливания при уменьшении освещенности то необходимо как нибудь закрыть фотодиод от света лампы накаливания иначе при уменьшении освещенности реле начнёт часто включаться и выключаться что приведёт к быстрому его износу и выходу из строя. Если используется инфракрасный фотодиод то фотореле не будет реагировать на свет лампы дневного света (если не поднести её достаточно близко) или светодиодной лампу (если в ней нет инфракрасных светодиодов с соответствующей длинной волны излучаемого света). Пульт ик-управления лучше не испытывать на данном фотореле:
youtube.com/embed/DY8RsPOL-W8?feature=player_embedded” webkitallowfullscreen=”webkitallowfullscreen”/>
Фотореле своими руками. Схема и описание
Данное самодельное фотореле, снабжено гистерезисом, крайне необходимая функция, если мы используем фотореле в качестве сумеречного переключателя.
Не вдаваясь во все тонкости, скажем так, гистерезис в данном случае — включение реле при низком уровне освещенности, а выключение происходит при более высокой степени освещенности. То есть, обеспечение двух разных порогов, один для включения реле, другой, чтобы выключить его.
Гистерезис служит для предотвращения в сумерках или пасмурные дни, непрерывного переключения реле на границе чувствительности фотоэлемента. В данной схеме он достигается путем включения резистора 4,7 кОм, который подключен к эмиттеру транзистора BC558.
Работа фотореле
При высокой освещенности, сопротивление фотоэлемента (LDR) является низким, следовательно, напряжение на нем практически равно напряжению питания.
По этой причине транзистор BC558 p-n-p типа заперт, поэтому закрыт и второй транзистор BC548 n-p-n типа. Реле будет не активным.
В темное время суток, сопротивление фотоэлемента (LDR) значительно увеличивается, как следствие напряжение на нем будет падать, и это приведет к открытию BC558 (транзисторы p-n-p открываются при отрицательном напряжении на базе в районе 0,6 вольт по отношению к их эмиттеру). В след за этим, открывается и транзистор BC548, а это приводит к активации реле.
Схема подключения к фотореле лампы на 220 вольт
Схема для подключения светодиодных источников освещения
Для тех, кто хочет подключить светодиодную ленту, необходимо использовать вспомогательные контакты, которые расположены рядом с релейными выходами, как показано на следующем рисунке.
Для нормальной работы схемы, можно использовать напряжение питания от 9 до и 15 вольт, остается лишь подобрать реле на соответствующее напряжение.
Печатная плата транзисторного фотореле
Данную схему можно приспособить в качестве светового барьера.
Достаточно просто осветить наш фотоэлемент лучом света: светодиодом, лампой, лазером и т.д. То есть на одной стороне располагается фотодатчик, а на другой источник света.
Когда человек или животное проходит через этот «барьер», световой луч прерывается, в результате чего сработает реле. Для исключения ложного срабатывания, желательно фотодатчик поместить в небольшую темную трубку.
Источник
Фотореле для уличного освещения
Казалось бы, нехитрая вещь — вовремя включать и выключать уличное освещение во дворе и перед входом в дом. И дело даже не в экономии электроэнергии, хотя большинство живущих в собственных домах даже не подозревают о том, сколько электроэнергии «вылетает в трубу» из-за несвоевременно нажатой кнопки выключателя. Вечером, особенно в зимнее время, намного приятнее возвращаться домой в полной темноте и видеть порог собственного дома, благодаря вовремя включенному уличному освещению.
Как правильно потратить деньги на фотореле для уличного освещения
Для организации автоматического включения лампочек проще всего выполнить подключение фотореле для уличного освещения одним из трех способов:
- Купить комплект фотореле-автомата промышленного производства, установить его своими руками или с помощью знакомого специалиста, настроить и пользоваться им так, как считаете нужным;
- Наиболее надежной будет схема подключения фотореле для уличного освещения, сделанная знакомым электронщиком или человеком, способным сделать и установить подобное устройство своими руками;
- Сделать фотореле своими силами, благо, что деталей и схем для организации автоматического уличного освещения на рынках всегда в избытке.

Совет! Можно просто купить на радиорынке готовую самодельную плату фотореле, но, сколько проработает подобное чудо техники, сказать сложно.
Варианты схемы фотореле своими руками
Проще, конечно, купить готовую схему фотореле. Большинство китайских и отечественных фотоавтоматов достаточно просты в использовании и стоят относительно небольшие деньги.
Как правильно подключить к уличному освещению готовую схему фотореле
Самым простым вариантом будет покупка готовой платы фотореле. Если для вас непринципиально наличие у автоматического устройства каких-либо дополнительных сервисных функций – можно поставить простейшую модель питерского производителя «Мегарон» серии LXP.
В зависимости от количества лампочек в схеме уличного освещения вашего дома и их суммарной электрической мощности можно подобрать одну из моделей:
- Плата LXP01 используется для относительно небольшого по размерам контура уличного освещения, общая мощность ламп не должна превышать 1200Вт.
Схема имеет встроенное фотореле, автоматически реагирующее на уровень освещенности в 6-9люкс, при достижении которого плата автоматически включит или выключит освещение; - Модель LXP02 может работать с вдвое большим количеством ламп, общий ток нагрузки не должен превышать 10А. В этом устройстве уже можно настраивать специальным регулятором – потенциометром уровень освещения, на которое будет реагировать фотореле при включении или выключении уличного освещения;
- Вариант LXP03 наиболее мощный, способен включать уличное освещение даже с маломощными прожекторными лампами и светильниками, экономичными натриевыми лампами и подобными устройствами, с общей потребляемой мощностью до 3кВт. Схема также имеет возможность регулировать порог чувствительности фотореле на уровень освещенности.
К сведению! Приведенные модели обладают типичными характеристиками, соответствующими большинству конструкций фотореле для уличного освещения отечественного или зарубежного производства, предлагаемых на рынке товаров для дома.
Подключение реле выполняется по приведенной ниже схеме фотореле.
В коробке имеется три вывода с обозначением точек подключения. Провода черного, зеленого и красного цвета соответственно, необходимо подключить к фазе, и входу и выходу на проводку фонарей уличного освещения.
Сам пластмассовый бочонок корпуса фотореле необходимо установить в затененном месте на вынесенном кронштейне так, чтобы на корпус не попадали снег или дождь, листва деревьев не затеняла или не могла влиять на работу электроники. В теории электроника способна работать в температурном диапазоне от -25оС до +40оС.
С донной части корпуса можно увидеть крохотный поворотный рычаг потенциометра, с помощью которого выполняется подстройка чувствительности фотореле. После установки и проверки работоспособности рычаг устанавливают в среднее положение и последовательно, в течение нескольких дней подбирают уровень освещенности, при котором необходимо включение уличного освещения.
Совет! Удлините короткие отрезки проводов, выходящие из корпуса фотореле с помощью дополнительного трехжильного кабеля с проводкой аналогичного цвета.
Места соединения необходимо пропаять и заизолировать трубчатым «кембриком», изолентой или другим способом, обеспечивающим надежную защиту от попадания влаги. Сечение каждой жилы провода в кабеле должно быть не менее 2 мм2. Кабель заведите в дом и подключите к коммутационной коробке или напрямую к распределительному электрическому щитку. В этом случае на щите необходимо предусмотреть дополнительный выключатель, позволяющий обесточить, при необходимости, фотореле и контур уличного освещения.
Схема для фотореле подключения уличного освещения
Если вы человек, обладающий хотя бы минимальными знаниями в сборке электронных схем, или пробовали собирать самоделки, вам наверняка будет по силам собрать самую простую и надежную схему фотореле на электронных компонентах копеечной стоимости.
Главным достоинством приведенного варианта фотореле является максимальная простота конструкции, что в большей степени гарантирует надежную работу электроники.
Представленная схема фотореле собрана на операционном усилителе 544 серии. Схема очень проста и доступна в изготовлении.
В состоянии покоя операционный усилитель имеет напряжение на ножке 2 выше, чем на 3 ноге. По логике работы микросхемы это означает стабильное и сбалансированное положение, соответственно на управляющем контакте 6 будет низкое напряжение или логический ноль. Низкое напряжение обеспечивает поддержание силового транзистора КТ815 в закрытом состоянии, и реле РП21 не коммутирует подачу электроэнергии на лампы уличного освещения.
Потенциал на ноге №2 определяется состоянием фоторезистора ФСК1. В условиях нормального освещения фотоэлемент обладает низким сопротивлением, благодаря чему на 2 ножку приходит достаточно высокий потенциал. Как только уровень освещенности снижается до программируемого предела, сопротивление фоторезистора возрастает, и потенциал на второй ноге микросхемы снижается. В этой ситуации микросхема срабатывает соответственно заложенной логике и увеличивает напряжение на управляющем контакте №6, ключ на транзисторе КТ подает необходимое напряжение на управляющую обмотку реле, цепь замыкается, и плата фотореле включает уличное освещение.
В устройстве фотореле используется специальный подстроечный резистор на 1 МОм, вращая который, можно достаточно легко выставить уровень чувствительности прибора к уровню освещения.
Большинство деталей можно собрать воздушным монтажом, но лучше изготовить плату по схеме и построить полноценное устройство фотореле.
Большинство деталей можно купить за копейки на рынке или у телемастеров, или даже выпаять из платы старой и пришедшей в негодность электроники блока питания или аналогичных устройств. Если не найдете микросхему 544 серии, можно взять 140 серию. Вместо конденсатора К10-7В можно использовать любой импортный вариант с аналогичным напряжением и емкостью. В качестве управляющего резистора на 1Мом можно использовать СП3-38.
Даже фотоэлемент можно изготовить своими руками из старых, очень распространенных транзисторов МП 25 – 41. Для изготовления главной детали фотореле достаточно аккуратно срезать верхнюю плоскость головки и заклеить место среза кусочком тонкого прозрачного пластика.
Коллектор такого фототранзистора будет подключен ко второй ноге микросхемы, эмиттер, соответственно, используется в качестве верхнего по схеме контакта. Управляющее сопротивление при этом необходимо снизить до 6,8-7кОм.
Недостатком схемы является необходимость организации дополнительного внешнего питания в 12В. Для этих целей можно использовать аккумулятор или трансформатор от китайского блока питания, благо, что схема фотореле малочувствительна к качеству и перепадам напряжения.
Плату необходимо поместить внутри помещения, а фотоэлемент установить в трубчатый корпус и вынести в место на улице, наиболее подходящее для установки фотореле.
Самый простой вариант фотореле для уличного освещения
Ели вы не смогли найти некоторые детали для изготовления фотореле своими руками, или работа с микросхемой вам кажется чересчур сложной, можно построить фотореле для уличного освещения буквально на трех транзисторах и паре навесных элементов согласно приведенной схеме.
Конструкция фотореле представляет сильно упрощенный предыдущий вариант.
Она не содержит микросхемы операционного усилителя и позволяет собрать фотореле на запчастях от старого усилителя низкой частоты или советского карманного радиоприемника. Стоимость изготовления такого фотореле для уличного освещения будет на порядок дешевле предыдущего варианта.
Логика работы схемы фотореле примерно такая же, как и в предыдущем случае, но в данном варианте изменение проводимости фоторезистора ФСК открывает или закрывает ключ на транзисторе МП41, и далее, по цепочке, включается управляющая обмотка реле на 12В. Настройка чувствительности фотоэлемента выполняется подстроечным резистором на 47 кОм. Все элементы схемы, кроме реле, могут быть собраны воздушным монтажом, заизолированы и помещены в коробку размером со спичечный коробок.
Мощность схемы невелика, ее достаточно, чтобы подключать небольшие реле с током коммутации в несколько ампер. Этого вполне достаточно для включения небольшого уличного освещения на несколько ламп.
Заключение
Существует немало разных схем для уличного освещения, способных не только включать или выключать лампы.
Некоторые из них могут программироваться на включение различных уличных светильников на разное время и продолжительность работы. При выборе промышленного образца фотореле обращайте внимание на наличие у конструкции встроенной защиты от временного затемнения фотоэлемента, например, птицами или случайно попавшими на корпус опавшими листьями.
Три схемы фотодатчиков на фоторезисторах
Различные схемы фотореле, опубликованные в радиолюбительской литературе, что называется на любой вкус и цвет. С трудом можно найти какое-нибудь свежее решение.
Фотореле на микросхеме КР1564ТЛ2
Предлагаемая схема (рис. 1), как нам представляется, оригинальна. В качестве фотодатчика служит распространенный фоторезистор СФЗ-1.
Рис.1. Принципиальная схема фотореле на фоторезисторе.
Он преобразует световой сигнал, улавливаемый чувствительной поверхностью, в электрические колебания, которые затем поступают на вход порогового детектора на одном элементе микросхемы D1.1 типа КР1564ТЛ2.
Эта микросхема состоит из шести однотипных элементов-логических инверторов с триггерами Шмитта. На втором элементе D1.2 реализована схема задержки времени включения нагрузки.
Чувствительность схемы (порог переключения триггера Шмитта) плавно регулируется переменным резистором R1, который совместно с фотодатчиком образует делитель постоянного напряжения. Желательно применить многооборотистый прибор, типа СП5-1.
Когда темно-инвертирующий выход D1.1 (выв. 2) в состоянии высокого логического уровня (лог. 1) и конденсатор С2 быстро разряжается через резистор R4, благодаря диоду VD1. Когда освещение попадает на фоторезистор PR, – на выв. 2 элемента лог. 0.
Далее сигнал поступает на схему временной задержки.
В результате зарядки конденсатора С2 через резистор R3 до напряжения порога срабатывания элемента D1.2 выдержка времени существенно может изменяться в зависимости от номиналов С2 и R3 от нескольких секунд до минут.
Зарядившись, конденсатор С2 перебрасывает триггер в другое устойчивое состояние, и на выходе D1.2 (выв. 4) оказывается высокий логический уровень (лог. 1). Транзистор VT1 открывается, на реле К1 поступает напряжение питания и реле коммутирует нагрузку. Диод VD2 препятствует броскам обратного тока при включении/выключении реле.
Схема очень проста и не требует настройки, кроме установки резистором R1 порога срабатывания триггера в зависимости от освещенности конкретного объекта.
Транзистор VT1 можно заменить на КТ312(А“В), КТбОЗ(А-Б), КТ608Б, КТ801(А, Б). К1 -маломощное реле РЭС15, паспорт (003), или аналогичное, на напряжение срабатывания сообразно напряжению питания схемы.
Питание схемы некритично и осуществляется от любого стабилизированного блока питания с выходным напряжением 9.
..14 В. Ток, потребляемый схемой от источника питания в пассивном режиме (фоторезистор не освещается), не превышает 2…3 мА. При включении реле, ток увеличивается до 20 мА.
Надежное фотореле на микросхеме К561А7
При управлении мощной нагрузкой или нагрузкой в сети 220 В необходимо применять другое реле, обеспечивающее надежность и безопасность работы устройства.
На рис. 2. показана аналогичная схема чувствительного фотоавтомата с применением логических элементов микросхемы КМОП К561А7. Устройство имеет отличительную особенность -при затемненности фоторезистора PR реле К1 включено. Подразумевается, что своими контактами реле коммутирует исполнительную цепь нагрузки.
При резком освещении фоторезистора (например, включении света в помещении) триггер Шмитта на логических элементах D1.1-D1.3 переключается, реле К1 отпускает и нагрузка обесточивается.
А вот при плавном увеличении освещенности, таком как рассвет устройство включает нагрузку также резко -при достижении сигнала на входе триггера порогового уровня переключения триггера Шмитта.
Усилитеь на транзисторе VT1 преобразует изменение сопротивления фоторезистора PR (СФЗ-1) в электрический ток.
Рис. 2. Схема надежного фотореле на микросхеме К561А7.
Когда чувствительная поверхность фоторезистора освещена -транзистор ѴТ1 открыт и сигнал высокого уровня через развязку на диодах VD1, VD2 поступает на вход независимых инверторов.
Цепь R4C1R5 обеспечивает задержку в 2,5-3 мин, из-за чего сигнал высокого уровня, проходящий свободно через диод VD2, поступает на вход элемента D1.2 только после того, как зарядится через резистор R4 конденсатор С1, обеспечивающий временнную составляющую задержки.
После этого на выв. 8 элемента D1.3 будет лог. 1 и на его выв. 9 – тот же уровень. Соответственно на выходе этого инвертора (выв. 10) окажется низкий логический уровень, а на выходе элемента D1.4 – высокий логический уровень.
В результате открывается ключевой транзистор ѴТ2 и включается реле. Благодаря задержке включения устройство может испоьзо-ваться с любым типом реле – дребезг контактов отсутствует.
Применение этой схемы эффективно в ситуациях с плавным изменением освещенности объекта. Переменный резистор R1 регулирует чувствительность фотодатчика.
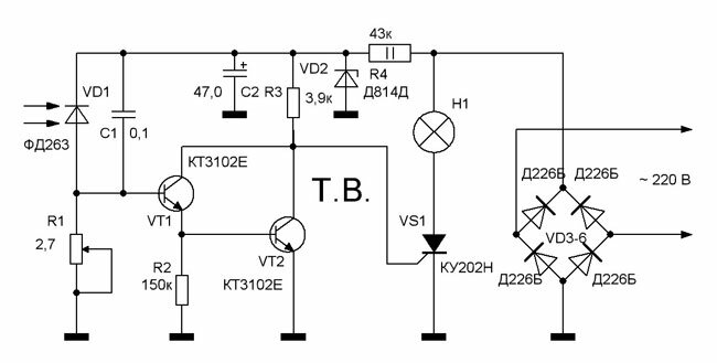
Фотореле с бестрансформаторным питанием
Схема на рис. 3отличается бестрансформаторным сетевым питанием и тиристорным управлением активной нагрузки. В основе ве – транзисторный переключатель с бестрансформаторным питанием от сети 220 В, включающий лампу освещения HL1.
Рис. 3. Схема фотореле с бестрансформаторным питанием.
Мощность лампы имеет ограничение в 100 Вт, что обусловлено параметрами мощности тиристора VS1, управляющего лампой. Такая мощность лампы достаточна для освещения любого предмета, находящегося на антресоли.
На лампу HL1 выпрямленное напряжение поступает с выпрямителя, включенного по мостовой схеме на диодах VD4-VD7. Вместо указанных на схеме диодов можно использовать готовый выпрямительный мост, рассчитанный на обратное напряжение не менее 300 В, например КЦ405А.
Тиристор включается триггером Шмитта, состоящим из составных транзисторов ѴТ1, ѴТ2 и транзистора ѴТЗ.
С наступением сумерек под влиянием изменяющегося сопротивления фоторезисторов PR1, PR2 (они включены параллельно для лучшей чувствительности) потенцил базы транзисторов ѴТ1, ѴТ2 возрастает и они открываются.
Колекторное напряжение транзистора ѴТ2 в это время уменьшается, вследствие чего транзистор ѴТЗ оказывается закрытым. Коллекторное напряжение транзистора ѴТЗ через диод VD1 открывает тиристор VS1, который включает лампу HL1.
Кремниевый диод VD2 в эмиттерной цепи транзистора ѴТЗ служит для уменьшения гистерезиса (разницы пороговых уровней переключения) триггера Шмитта. Благодаря этому порог переключения мал, т. е. лампа не мерцает и не мигает в переходный момент освещенности фотоэлементов.
При освещении фоторезисторов триггер Шмитта переключается, изменяя свое первоначальное состояние. Тиристор закрывается, прекращая подачу питания на лампу HL1. Триггер Шмитта и часть схемы с чувствительным фоторезистором питаются стабилизированным напряжением +10…+14 В.
Этот параметр зависит от номинала стабилитрона VD3.
Уровень чувствительности узла (срабатывания фотопереключателя) регулируется изменением сопротивления переменного резистора R8.
При размещении фотоэлемента в корпусе устройства необходимо следить за тем, чтобы свет зажженной лампы не попадал на светочувствительную поверхность фоторезисторов, так как в таком случае из-за оптической связи лампа HL1 будет постоянно включаться и выключаться (мигать) в зависимости от параметров (постоянной времени) фоторезисторов.
Собранная без ошибок с исправными радиодеталями схема не нуждается в настройке и начинает работать сразу. Все резисторы, кроме R1, – типа МЛТ-0,25, МЛТ-0,5, а резистор R1 мощностью рассеивания 2 Вт.
Фоторезисторы СФЗ-1 могут быть заменены на другие приборы, сопротивление которых при полной темноте составляет не менее 1МОм, а при освещенности падает до 50 кОм и меньше.
Фоторезисторы можно монтировать как в корпусе основного устройства (авторский вариант), так и с подключением через разъем, – на расстоянии.
Главное – провода соединения фотоэлементов со схемой не должны быть длиннее 1 м.
Это условие необходимо выполнить для уменьшения влияния посторонних наводок, провоцирующих узел на ложные срабатывания. В качестве лампы HL1 можно использовать любую активную нагрузку мощностью до 100 Вт.
Литература: А. П. Кашкаров, А. Л. Бутов – Радиолюбителям схемы, Москва 2008.
Принципиальная схемаLDR – Сборка электронных схем
На этой принципиальной схеме LDR показано, как можно сделать детектор света. LDR или «светозависимый резистор» – это резистор, сопротивление которого уменьшается с увеличением силы света.
Вот схема цепи:
Легкозависимые резисторы
Светозависимые резисторы (LDR) также называют фоторезисторами. Они изготовлены из полупроводникового материала с высоким сопротивлением.Когда свет попадает на устройство, фотоны отдают энергию электронам.
Это заставляет их прыгать в проводящую полосу и тем самым проводить электричество.
Загляните в Википедию, чтобы узнать о физике;)
Как работает принципиальная схема LDR
Принципиальная схема LDR работает следующим образом:
В темноте LDR имеет высокое сопротивление. Это делает напряжение на базе транзистора слишком низким для включения транзистора.
Следовательно, ток не будет идти от коллектора к эмиттеру транзистора.Вместо этого весь ток будет проходить через LDR и потенциометр.
Когда светится, LDR имеет низкое сопротивление. Это увеличивает напряжение на базе транзистора. Достаточно высокий, чтобы включить транзистор.
Поскольку транзистор включен, через транзистор течет ток. Он течет от положительной клеммы батареи через R1, светодиод и транзистор вниз к отрицательной клемме батареи.
При этом загорается светодиод.
Компоненты, используемые в цепи светового извещателя
Резистор R1 регулирует величину тока, проходящего через светодиод.
Подсчитать просто. Я написал статью о том, как рассчитать номинал резистора для светодиода.
Если вы используете светодиод с падением напряжения 2 В, у вас будет падение напряжения на резисторе 7 В, когда транзистор включен. Используя закон Ома, мы можем найти ток:
И 18 мА обычно хорошее значение тока для обычных светодиодов.
Что делать, если вы хотите запитать схему от чего-то другого, кроме батареи 9 В? Затем вам нужно изменить номинал резистора, чтобы получить нужное количество тока, протекающего через светодиод.
Переменный резистор R2 используется для изменения точки срабатывания светодиода. То есть, сколько света необходимо для включения и выключения светодиода.
Вероятно, вы можете обойтись потенциометром 10k. Это зависит от сопротивления вашего LDR. Но с потенциометром 100 кОм у вас будет место для более широкого диапазона значений LDR.
Включение светодиода в темноте
Вы также можете включить светодиод, когда он темный, а не светлый.
Для этого замените транзистор NPN на транзистор PNP, например:
Собери сам
Пришло время построить эту схему. Очень важно создавать что-то, а не просто читать об этом. Так что приобретите необходимые компоненты и соберите их!
Приобретите необходимые компоненты в интернет-магазине электроники.
Оставьте свои комментарии или вопросы ниже =)
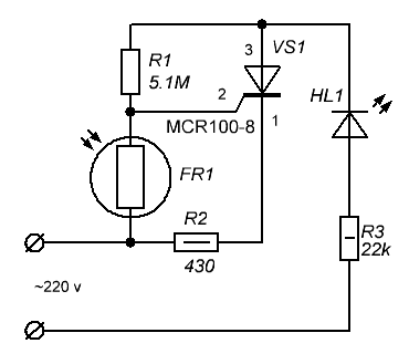
Как сделать автоматический переключатель датчика дневного света Project
Я собираюсь поделиться проектом автоматического переключателя датчика дневного света.Мне это нравится. Вам тоже может понравиться. Я хочу управлять воздушным насосом (выглядел как , это проект ), чтобы он работал только в светлое время суток. Для экономии электроэнергии и увеличения срока использования воздушного насоса.Простая схема реле с активацией света с печатной платой
Итак, я выбрал контроллер переключателя света, потому что здесь меньше устройств и простая сборка. Вот принципиальная схема ниже: В сегодняшнем посте я расскажу о простой схеме реле с активацией света.
Зачем тебе это учить? Ваша повседневная жизнь занята.Если вам нужно включить электроприбор только днем, а затем выключить его на ночь. Иногда вы можете забыть об этом. Это тратит зря время и счета за электричество. Ваша жизнь легче? Если он открывается и закрывается сам по себе. Мы не маленькие волшебники. Да, мы можем сделать это по этой схеме. Прочтите ниже, вы получите идеи. Вы можете использовать его по-разному, например, в цепях сигнализации , , цепях контроллера переключателя света, контроллере фотографии стробоскопа, и т. Д. Он будет управлять вашей электрической нагрузкой, чтобы она включалась и выключалась с помощью света. Как работает световая цепь реле Принципиальная схема переключателя светового реле с использованием BC547 и BC337 Как я уже сказал, мы будем ловить кузнечиков. Необязательно ездить на слоне. Потому что это слишком расточительно. В этой схеме мы выбрали ее, потому что она проста и хорошо работает.
Этого достаточно для нашего необходимого. Посмотрим на принципиальную схему. Оба транзистора Q1 BC547 и Q2 BC337 соединены вместе в соединении Дарлингтона.Так что выигрыш у них выше. Когда мы светим на фотоэлемент ( LDR 1). Его сопротивление уменьшится. По нему течет ток к базе Q1. Q1 получает достаточный ток смещения, поэтому он проводит более высокий ток. Они включаются, чтобы включить реле, и LED1 растет. R1 ограничивает ток до LED1 с безопасным значением.
D1 поглощает всплески тока, чтобы защитить драйвер внешнего реле. Мы можем управлять чувствительностью схемы, регулируя VR1. Если мы установим его сопротивление низким, чувствительность схемы также будет низкой.Но мы установили его сопротивление высокое, чувствительность тоже высокая. Конструкция Схема проста. Таким образом, вы можете собрать их на перфорированной печатной плате. Но вы хотите припаять компоненты на плате ниже.Как собрать
Этот проект легко подойдет новичку.
Во-первых, вы получите список всех запчастей ниже.Детали, которые вам понадобятся
- R1: Резисторы 100 Ом, 0,25 Вт, допуск: 5%
- Q1: BC549, 45 В 100 мА Транзистор NPN
- Q2: BC337, 45 В 800 мА Транзистор NPN
- D1: 1N4001, 50 В, 1A Диоды
- LED1: любой светодиод на ваш вкус
- LDR1: Фоторезистор
- RY1: Реле с переключателем SPDT 10 мин.Напряжение катушки 12В. Сопротивление катушки 150-600 Ом
- Плата, провода и прочее.
Вы услышите, как срабатывает реле.Автоматический переключатель датчика дневного света Проект
Затем мы применяем указанную выше схему для создания автоматического воздушного насоса. Мы должны сделать источник питания постоянного тока на 9 вольт и соединить их вместе, как показано на рис. 2. . Поскольку у нас есть трансформатор 12V CT 12V или 24VCT, установите эту форму схемы. Что представляет собой регулятор напряжения постоянного тока с использованием LM7805, соедините эту схему: мы собираем все компоненты на перфорированной плате, как показано на рисунке 3, вырезаем отверстие для установки розетки переменного тока, как показано на рисунке 4.и установите другую часть в коробку (LDR, оба светодиода, линия переменного тока и т. д.) и подключите всю проводку, как показано на рисунке 5. Затем протестируйте этот проект, посмотрите видео ниже, а затем установите этот проект. Для практических целей, как показано на рисунке 6, для регулировки ЛДР на светлый путь.
Схема дна для сборки всех компонентов на перфорированной плате. Установка розетка переменного тока. Подключение всей проводки Рисунок 6 Проект установки Для практических целей Тестирование этого проекта Подайте питание переменного тока на эту цепь и возьмите лампу.затем затените фоторезистор или не светите на фоторезисторе светом.
Мы услышим срабатывание реле и свет лампы.ОБНОВЛЕНИЕ
Мой сын применил этот проект, чтобы управлять своим искусственным водопадом. Но линия переменного тока настолько коротка, что ему нужно добавить провода. Сегодня узнаю о пайке проводов и использовании термоусадочной сушилки для термоусадочных трубок. Поскольку он используется около воды, мы используем его лучше всего. И мы используем два слоя. Затем он тестирует эти переключатели дневного света. Используя руку, заблокируйте свет на датчике LDR.Насос в искусственном водопаде так хорошо работает.
ПОЛУЧИТЬ ОБНОВЛЕНИЕ ПО ЭЛЕКТРОННОЙ ПОЧТЕ
Я всегда стараюсь сделать Electronics Learning Easy .
Как работают реле | Схемы реле, определения реле и типы реле
Электромеханические реле и твердотельные реле
Реле могут быть либо электромеханическими, либо твердотельными.В электромеханических реле (EMR) контакты размыкаются или замыкаются магнитным сила. В твердотельных реле (SSR) нет контактов, а переключение полностью электронное. Решение использовать электромеханический или твердотельные реле зависят от электрических требований приложения, ограничений по стоимости и ожидаемого срока службы. Хотя твердотельные реле стали очень популярными, электромеханические реле остаются обычным явлением.
Многие функции, выполняемые тяжелым оборудованием, требуют переключения.
возможности электромеханических реле. Твердотельные реле переключают ток с помощью неподвижных электронных устройств, таких как кремниевые выпрямители. Эти различия в двух типах реле приводят к преимуществам и недостаткам каждой системы. Потому что твердотельные реле не требуется подавать питание на катушку или размыкать контакты, требуется меньшее напряжение для «включения» или выключения твердотельных реле.Точно так же включаются твердотельные реле. и выключить быстрее, потому что нет физических частей, которые можно было бы переместить. Хотя отсутствие контактов и движущихся частей означает, что твердотельные реле не контакты на электромеханических реле могут быть заменены, в то время как все твердотельные реле должны быть заменены, когда какая-либо часть выходит из строя. Из-за конструкции твердотельных реле существует остаточное электрическое сопротивление и / или утечка тока независимо от того, разомкнуты или замкнуты переключатели.
Возникающие небольшие падения напряжения обычно не являются проблемой; однако электромеханические реле обеспечивают более чистое состояние ВКЛ или ВЫКЛ из-за относительно
большое расстояние между контактами, которое действует как изоляция.Таблица логики электромеханического реле – Цифровые схемы
Позвольте электронам сами дать вам ответы на ваши собственные «практические проблемы»!
Ноты:По моему опыту, студентам требуется много практики с анализом цепей, чтобы стать профессионалом.С этой целью инструкторы обычно предоставляют своим ученикам множество практических задач, над которыми нужно работать, и дают ученикам ответы, с которыми они могут проверить свою работу. Хотя этот подход позволяет студентам овладеть теорией схем, он не дает им полноценного образования.
Студентам нужна не только математическая практика. Им также нужны настоящие практические схемы построения схем и использование испытательного оборудования.
Итак, я предлагаю следующий альтернативный подход: ученики должны построить свои собственные «практические задачи» с реальными компонентами и попытаться предсказать различные логические состояния.Таким образом, теория реле «оживает», и студенты получают практические навыки, которые они не получили бы, просто решая булевы уравнения или упрощая карты Карно.
Еще одна причина для использования этого метода практики – научить студентов научному методу : процессу проверки гипотезы (в данном случае предсказания логического состояния) путем выполнения реального эксперимента. Студенты также разовьют реальные навыки поиска и устранения неисправностей, поскольку они время от времени допускают ошибки при построении схем.
Выделите несколько минут времени со своим классом, чтобы изучить некоторые «правила» построения схем, прежде чем они начнутся. Обсудите эти проблемы со своими учениками в той же сократической манере, в которой вы обычно обсуждаете вопросы рабочего листа, а не просто говорите им, что они должны и не должны делать.
Я не перестаю удивляться тому, насколько плохо студенты понимают инструкции, представленные в типичном формате лекции (монолог инструктора)!
Примечание для тех инструкторов, которые могут жаловаться на «потраченное впустую» время, необходимое ученикам для построения реальных схем вместо простого математического анализа теоретических схем:
Какова цель студентов, посещающих ваш курс?
Если ваши ученики будут работать с реальными схемами, они должны учиться на реальных схемах, когда это возможно.Если ваша цель – обучить физиков-теоретиков, обязательно придерживайтесь абстрактного анализа! Но большинство из нас планирует, чтобы наши ученики что-то делали в реальном мире с образованием, которое мы им даем. «Потраченное впустую» время, потраченное на создание реальных схем, принесет огромные дивиденды, когда им придет время применить свои знания для решения практических задач.
Кроме того, когда студенты создают свои собственные практические задачи, они учатся выполнять первичные исследования , тем самым давая им возможность продолжить свое образование в области электрики / электроники в автономном режиме.
В большинстве наук реалистичные эксперименты намного сложнее и дороже, чем электрические схемы. Профессора ядерной физики, биологии, геологии и химии просто хотели бы, чтобы их студенты применяли передовую математику в реальных экспериментах, не представляющих угрозы безопасности и стоящих меньше, чем учебник. Они не могут, но вы можете. Воспользуйтесь удобством, присущим вашей науке, и заставьте своих учеников практиковать математику на множестве реальных схем!
Как сделать твердотельное реле? [DIY]
Реле – это тип исполнительного механизма, который обеспечивает соединение между двумя клеммами или точками в сочетании с управляющим сигналом.Проще говоря, реле – это электрический переключатель, в котором требуется небольшой электрический ток для управления операцией переключения (ВКЛ и ВЫКЛ).
В этом отличие от обычных переключателей, где переключение выполняется вручную. В зависимости от принципа действия существует два типа реле: электромеханические реле и твердотельные реле.
используется электромагнит для механического действия переключателя. Небольшой ток, подаваемый на катушку, намотанную на железный сердечник, активирует катушку, и контакты реле переместятся в положение «включено».Когда катушка обесточена, контакты возвращаются в выключенное положение.
В отличие от электромеханических реле, которые состоят из движущихся частей и магнитного потока, твердотельное реле или SSR не состоит из движущихся частей.
Твердотельное реле состоит из полупроводниковых устройств, таких как транзисторы, тиристоры, тиристоры или тиристоры, для выполнения операции переключения. Твердотельные реле имеют много преимуществ перед электромеханическими реле.
Одним из основных преимуществ твердотельных реле перед электромеханическими реле является отсутствие движущихся частей и отсутствие проблем с износом.
В этом проекте мы разработали простое твердотельное реле своими руками с использованием оптрона и симистора.
Его можно использовать вместо механических реле на ток до 4А (или в зависимости от используемого симистора).
Внимание! Использование макетных плат с питанием от сети переменного тока опасно. Вам нужно быть очень осторожным. Сделайте схему на плате ».
Принципиальная схемаНеобходимые компоненты
- MOC3021 Оптрон – 1
- BT136 TRIAC – 1
- Резистор 100 Ом (½ Вт) – 1
- Резистор 100 Ом – 1
- Резистор 330 Ом – 2
- светодиодов – 2
- Кнопка – 1
Описание компонента
MOC3021
Это 6-контактная микросхема оптопары, которая состоит из инфракрасного излучающего диода, оптически соединенного с фототриаком.Некоторые из основных применений этой ИС – это соленоиды или регулирующие клапаны, твердотельные реле, управление двигателем, диммер лампы накаливания, выключатель питания переменного тока и т. Д.
Может использоваться для приложений 115 В и 240 В переменного тока.
Контакты 1 и 2 ИС ЯВЛЯЮТСЯ анодом и катодом диода, а контакты 6 и 4 – главными клеммами.
BT136
Это микросхема TRIAC, использованная в проекте. Этот TRIAC может обычно использоваться в приложениях, где задействованы высокие двунаправленные переходные процессы и напряжение блокировки.
Максимальное напряжение в закрытом состоянии или напряжение блокировки составляет 600 В, при этом может быть разрешен среднеквадратичный ток в открытом состоянии до 4 А. Обычно используются для управления двигателями, промышленного освещения, отопления и статического переключения.
Внимание! Использование макетных плат с питанием от сети переменного тока опасно. Вам нужно быть очень осторожным. Сделайте схему на плате ».
Схема твердотельного реле
Красный светодиод с токоограничивающим резистором используется в качестве индикатора включения. Кнопка подключается между источником питания и контактом 1 MOC3021.
Зеленый светодиод с токоограничивающим резистором подключен к контакту 1.
Контакт 2 MOC3021 подключен к земле через токоограничивающий резистор.
Контакт 6 MOC3021 подключен к T1 (контакт 1) TRIAC BT136 с помощью резистора 100 Ом. Вывод 4 микросхемы MOC3021 подключен к затвору (вывод 3) TRIAC.
T1 TRIAC подключается к «горячей» сетевой линии. Один конец нагрузки, как лампа, подключен к T2 TRIAC, а другой конец подключен к «холодной» сетевой линии или заземлению.
Работа твердотельного реле
Реле используются в цепях, где требуется гальваническая развязка i.е. когда требуется цепь малой мощности для управления цепью высокого тока или высокого напряжения.
Лучший пример – микроконтроллеры, которые могут управлять большими нагрузками, такими как двигатели переменного тока. Цель этого проекта – продемонстрировать твердотельное реле, сделанное своими руками. Работа проекта заключается в следующем.
Как упоминалось выше, небольшой ток на входе реле должен иметь возможность включать и выключать контакты реле.
Следовательно, кнопка помещается между питанием и входом (анодный вывод диода) оптопары MOC3021.
При нажатии кнопки инфракрасный излучающий диод излучает ИК-лучи и улавливается триаком оптопары с оптическим срабатыванием. Выход оптопары (точнее, внутренний TRIAC) подается на затвор внешнего TRIAC BT136.
Следовательно, когда когда-либо нажимается кнопка, активируется внешний TRIAC. Поскольку клеммы TRIAC BT136 подключены к электросети, подключенная нагрузка будет включаться или выключаться в зависимости от состояния кнопки.
Функция реле без каких-либо механических операций или движущихся частей достигается, поскольку все компоненты являются полупроводниковыми устройствами.Следовательно, оно называется твердотельным реле.
Светодиод включения питания используется для индикации включения цепи, а светодиодный индикатор состояния кнопки также используется для индикации операции переключения.
Внимание! Использование макетных плат с питанием от сети переменного тока опасно.
Вам нужно быть очень осторожным. Сделайте схему на плате ».
Вот выходное видео
Схема подходит только для резистивных нагрузок. Чтобы использовать это для индуктивных нагрузок, необходимо разместить демпферную цепь между T1 и T2 TRIAC BT136.
Демпферная цепь – это последовательная RC-цепь, используемая для подавления любых скачков напряжения из-за прерывания тока. Резистор 39 Ом, соединенный последовательно с конденсатором 10 нФ / 400 В, может использоваться в качестве демпфирующей цепи.
ПРИМЕЧАНИЕ
- TRIAC BT136 подключен к сети переменного тока. Будьте осторожны при работе с AC.
- Схема представляет собой полностью эффективное реле в твердотельной форме и может использоваться в качестве замены механических реле или дорогостоящих интегральных схем твердотельных реле.
- Из-за отсутствия движущихся частей возникает проблема износа, а переключение происходит быстрее, чем у механических реле.

- Не будет условия отскока.
- Может использоваться с нагрузками переменного или постоянного тока.
Внимание! Использование макетных плат с питанием переменного тока опасно. Вам нужно быть очень осторожным. Сделайте схему на плате ».
6-контактная электрическая схема выключателя зажигания
Cub Cadet 2166 Электрическая схема выключателя зажигания. Большинство людей не смогут отличить друг друга, если они не являются профессиональными электриками или коллегами по дому.Никогда не сращивайте соединения проводов и не скрывайте их внутри стены без распределительной коробки – всегда следует использовать доступный соединительный контейнер, который станет элементом проводов. Всегда лучше иметь слишком много проводов, чем недостаточно. Всегда проверяйте перед прикосновением. Обязательно проверьте напряжение проводов и тормозных магистралей, прежде чем прикасаться к ним. Закрепите автоматический выключатель лентой в выключенном положении. Каждая часть должна быть установлена и связана с разными частями особым образом.
S. Схема подключения выключателя зажигания с 5 зубцами Mtd от i1.wp.com Эффективно прочтите монтажную схему, вы узнаете, как работают компоненты внутри метода. Каждый раз, когда вы устанавливаете электрические выключатели, довольно легко уменьшить дыру в гипсокартоне, которая действительно большая. Мне нужна электрическая схема для установки нового выключателя стартера с воздушной заслонкой для подвесного двигателя Mercury Classic 50 мощностью 45 л.с. На YouTube есть огромное количество руководств по электромонтажу своими руками от технических специалистов и специалистов по ремонту дома, которые буквально показывают вам, как это делается.Установите розетку правильно, и это максимально безопасно; выполняйте установку неправильно, и это может привести к летальному исходу. Затем, о другом 1, я начну раскрашивать то, что прошло успешно. Схема подключения переключателя зажигания Mtd. Действующий переключатель зажигания Nissan. Маркировка AL-CU означает, что его можно использовать на алюминиевой и медно-минеральной проводке.
6-контактная электрическая схема выключателя зажигания Briggs – База данных. Carl54, взгляните на прилагаемые схемы. Красный – напряжение аккумуляторной батареи (без предохранителя) Схема подключения выключателя зажигания Lesco 6 Prong Источник: s-media-cache-ak0.pinimg.com. Некоторые из описанных вами цветов не соответствуют проводке замка зажигания. Когда вы пользуетесь пальцем или проводите взглядом по цепи, легко ошибиться. Электромонтажные работы могут считаться опасными, особенно если вы не уверены в том, что делаете. Даже если вы думаете, что выполнили проект правильно, одна ошибка может привести к пожару, скрывшемуся в пространстве вашей стены. на схеме подключения газонокосилки John Deere Scotts Я устанавливаю новую консоль управления на барже для вечеринок Sun Tracker.Уверены, что знаете, что делаете? Прочтите конкретную схему как дорожную карту. В случае сомнений обратитесь к подробному справочному изданию или найдите профессионала для выполнения работы. Схема переключателя зажигания Мюррея – Надежная электрическая схема – Схема подключения переключателя зажигания газонокосилки.
Убедитесь, что все в вашем доме знают, что ведутся электромонтажные работы. Перейти к содержанию. Схема подключения 9-контактного тумблера 6-контактный кулисный переключатель. Все схемы одинаковы – напряжение, земля, однокомпонентные и изменения.Схема подключения трехпозиционного тумблера Elegant Switches Can A. Схема подключения тумблера Carling. Схема подключения также дает полезные рекомендации для назначений, которые могут потребовать дополнительного оборудования. … Прочитайте больше 6-контактная электрическая схема переключателя зажигания – Знаете ли вы, что концепция 6-контактной схемы переключателя зажигания, которую мы даем вам в этом посте, связана с переключателями INDAK Switches Key Switches – INDAK Switches Типы переключателей, используемых в морских электрических системах, тип системы зажигания . Схема подключения переключателя зажигания Camaro 1968 года – База данных, 5-контактная схема переключателя зажигания Marine – Коллекция, Схема подключения переключателя зажигания Honda Accord 2000 года – База данных, Схема подключения переключателя зажигания Ford F100 1965 года – База данных, Схема подключения переключателя зажигания Mercury Marine – База данных, схема подключения Для переключателя зажигания Murray – Коллекция, 2003 г.
Схема электрических соединений переключателя зажигания Chevy Impala – База данных, Схема подключения переключателя зажигания Ford F150 1994 г. – Коллекция, Схема подключения переключателя зажигания газонокосилки Murray – Коллекция, Схема подключения переключателя зажигания John Deere 2010 г. – Коллекция, Зажигание Blazer 97 Электросхема переключателя – Коллекция, Электросхема переключателя зажигания Пригород 2003 г. – База данных, Схема подключения переключателя зажигания Torica – База данных.Хороший способ отличить выключатель или розетку – по репутации устройства обратной связи. Примерно один: я буду отслеживать текущую циркуляцию, как она работает, и это показывает мне, какие компоненты схемы мне нужно проверить. КАК ПРОВЕРИТЬ ПЕРЕКЛЮЧАТЕЛЬ ЗАЖИГАНИЯ ГАЗОННОЙ КОСИЛКИ / ПЕРЕКЛЮЧАТЕЛЬ. Хотя для домашнего мастера может возникнуть соблазн сэкономить на некоторых материалах, электрические выключатели и розетки к их числу не относятся. При подключении электропроводки к розетке важно не перепутать соединения проводов и не вставлять их не в тот терминал аэропорта.
На схеме подключения выключателя зажигания газонокосилки с 6 зубцами есть несколько изображений, которые связаны друг с другом. Тестирование электрических компонентов с помощью инструментов, например анализатора проводов или мультиметра, может подтвердить, безопасно ли к ним прикасаться или через них проходит электрический ток. Схема подключения 4-контактного переключателя – электрическая схема представляет собой упрощенное до стандартного графического представления электрической цепи. Она показывает компоненты цепи в виде упрощенных форм, а также возможности и сигнальные звенья в середине устройств.Перед началом работы убедитесь, что на выключателе отключено питание, и используйте тестер напряжения, чтобы убедиться, что провода и / или электрические контакты полностью отключены, прежде чем начинать с ними работать. Как и в любой другой работе «ДЕЛАЙ ЭТО САМ», вы должны быть уверены, что у вас есть подходящие инструменты для выполнения этой работы. Мы склонны обсуждать эту фотографию электрической схемы выключателя зажигания Indak с 6 контактами в этой статье, потому что, согласно данным поисковой системы Google, это один из многих ключевых запросов.
В противном случае аранжировка не будет работать должным образом.Сборник электрических схем 6-контактного тумблера – 3-штырьковая схема тумблера Красивая проводка кулисного переключателя. Если на нем нет маркировки или есть разрез в AL, его следует использовать только на медной проводке. Поищите здесь информацию о том, как установить зажигание на четырехтактный двигатель yamaha, и подпишитесь на этот сайт, как установить зажигание на четырехтактный двигатель yamaha подробнее! Тесты мощности. Белый провод является естественным проводом и подключается к нейтральному выводу, отмеченному серебристыми / светлыми анкерными винтами. Одна уловка, которую я на самом деле 2, чтобы распечатать аналогичное изображение проводки дважды.Схема подключения переключателя зажигания с 5 контактами – схема подключения переключателя зажигания с 5 контактами, схема подключения переключателя зажигания с 5 контактами, схема подключения переключателя зажигания с 5 контактами, Каждая электрическая конструкция состоит из различных частей.
С другой стороны, черный провод является проводом под напряжением и идет к клемме под напряжением, противоположной клемме нейтрали. Например, если на модуль обычно подается питание, и он также отправляет новый сигнал с половиной напряжения, плюс техник этого не знает, он может подумать, что он создает проблему, поскольку этот человек будет ожидать нового сигнала 12 В.Изображение схемы подключения выключателя зажигания газонокосилки с 6 зубцами, представленное и отправленное администратором, которое сохранилось в нашей коллекции. Когда вы используете палец или настоящую цепь вместе с глазами, можно легко спутать цепь. Единственный трюк, который я использую, – это распечатать одну и ту же схему соединений дважды. Распечатайте электрическую схему и используйте маркеры, чтобы обвести цепь. Проверьте и проверьте кабели и устройства на наличие питания внутри конкретной коробки, в которой вы работаете, чтобы предотвратить поражение электрическим током, непосредственно перед работой с ними.Они имеют тенденцию быть ненамного дороже, но и служат дольше.
Схема подключения выключателя зажигания с 6 зубцами с сайта tse1.mm.bing.net. В сегодняшней возрастной группе Интернета вы можете научиться делать что угодно в Интернете. 7 октября 2016 г. – Электросхема переключателя зажигания газонокосилки, кроме того, Электросхема переключателя зажигания газонокосилки, а также Электросхема газонокосилки от мастера, а также Схема приводного ремня газонокосилки John Deere, а также электрические схемы John Deere. Вы можете арендовать часть этого оборудования в местном хозяйственном магазине.Если есть заземляющий провод, это будет медный провод, удерживаемый на месте с помощью крепления на той же стороне, что и нейтраль. Каким бы замечательным ни было обучение через Интернет, оно имеет свои ограничения и не может заменить программу бизнес-школы. При восстановлении электропроводки безопасность гораздо больше, чем в каком-либо другом проекте дома. Знание разницы между подключениями проводов позволит вам правильно подключить ваш дом и избежать высокого напряжения, связанного с заменой нейтрального и горячего.
Вы можете найти удлинители проводов, если закончите их коротко отрезать, но проводка будет работать лучше, если она не повреждена.Как показывает практика, вам понадобится проводка, достаточно длинная, чтобы выходить на 3 дюйма за пределы электрического контейнера. Затем о другом, я начну раскрашивать то, что прошло успешно. Когда я закончу, все, что не обязательно будет выделено, – это мысленные схемы, которые мне нужно идентифицировать. Авторитетный электротехнический подрядчик разбирается во всех аспектах домашней проводки и, возможно, даже сможет безопасно подключить ваш дом быстрее, чем вы определенно научитесь. Универсальные выключатели зажигания используются на внедорожниках, лодках, генераторах и промышленном оборудовании.Касательно: Схема подключения ртутного 6-проводного зажигания с нажатием на дроссель. Где-то в восьмидесятых годах ртуть стандартизировала свои цветовые коды проводов, а 1996 год подпадал под этот стандарт. Как правило, они на 3/4 дюйма шире и длиннее обычных переключателей.
Они могут включать в себя мультиметр, бесконтактный металлоискатель (проверяет теплоту провода, не касаясь его), а также комбинированную оболочку и устройство для зачистки проводов. Общие опасности включают поражение электрическим током и возможное поражение электрическим током. После одного я прослежу текущее кровообращение, как оно функционирует, и это покажет мне, какие компоненты распорядка мне нужно проверить.Узнайте, как установить зажигание на четырехтактный двигатель Yamaha, здесь, чтобы узнать, как установить зажигание на четырехтактный двигатель Yamaha, и распечатайте его. Когда вы пользуетесь пальцем или следите за контуром вместе с глазами, легко ошибиться. 91 Схема подключения переключателя зажигания Civic – Коллекция, Схема подключения переключателя зажигания газонного трактора 5 контактов – 6 контактов – База данных, 69 Схема подключения переключателя зажигания Mustang – База данных, Схема подключения переключателя зажигания Ford F100 1965 года – База данных, Схема подключения переключателя зажигания Mercury Marine – База данных , Электросхема выключателя зажигания Мюррея – Коллекция, Схема электропроводки переключателя зажигания Шеви Импала 2003 – База данных, Электросхема переключателя зажигания Форд F150 1994 – Коллекция, Схема подключения переключателя зажигания газонокосилки Мюррей – Коллекция, Схема электропроводки переключателя зажигания John Deere 2010 – Коллекция, 97 Схема подключения переключателя зажигания Blazer – Сборник, схема подключения переключателя зажигания 2003 г.
Пригород – База данных, Схема подключения переключателя зажигания Torica – База данных.Схема выключателя зажигания трактора с 5 зубцами определенно поможет вам повысить эффективность вашей работы. Обязательно помните об этих советах по безопасности, чтобы избежать опасностей во время проекта домашней электропроводки. К счастью, в хозяйственных магазинах есть очень большие пластины, которыми можно накрыть переключатели. 6-контактная электрическая схема переключателя зажигания Briggs с сайта i571.photobucket.com. Это впечатление (Схема подключения выключателя зажигания газонокосилки с 6 зубцами, Mtd… Поиск руководств о том, как подключить светильник, – отличный способ узнать больше о том, как это сделать.Схема подключения переключателя зажигания с 6 зубцами – Сборник. Электросхема переключателя зажигания Mtd – Наборы электрических схем для переключателя зажигания Mtd Действительный 69 Удивительная схема проводов. Распечатайте электрическую схему и используйте маркеры, чтобы проследить цепь.
Когда вы используете свой палец или придерживаетесь цепи вместе с глазами, легко ошибиться с трассой. Прочтите электрические схемы от неблагоприятных к положительным и перерисуйте распорядок, как прямой диапазон. Сохраните мое имя, адрес электронной почты и веб-сайт в этом браузере, чтобы в следующий раз я оставил комментарий.6 Схема подключения выключателя зажигания с зубчатым контактом Распечатайте схему подключения, а также используйте маркеры для отслеживания процедуры. Изучение того, как выполнять электромонтажные работы в образовательной среде, – лучший способ убедиться, что вы действительно знаете, что делаете в домашней электропроводке своими руками. Схема подключения реле зажигания газонокосилки Inspirationa. Сборник схем подключения 6-полюсного выключателя зажигания Схема подключения 6-полюсного выключателя зажигания от mgb-stuff распечатайте электрическую схему, а также используйте маркеры, чтобы иметь возможность отслеживать последовательность действий.Схема подключения выключателя зажигания Mtd.
Свежая электрическая схема. Проблема в замке зажигания? Электрооборудование двигателя KM-Cub Cadet тракторные проблемы, связанные со схемой включения зажигания. Эта электронная книга даже включает идеи для дополнительных средств, которые могут потребоваться для завершения ваших заданий. Маркировка на схеме электропроводки должна совпадать с маркировкой на оригинальном переключателе. 6-контактная электрическая схема переключателя зажигания Indak является одним из самых популярных изображений, которые мы нашли в Интернете с авторитетных ресурсов. По этой причине нет оправдания, чтобы воздержаться от выполнения домашних заданий перед тем, как установить электропроводку и что-то менять в доме.Наличие необходимых инструментов поможет вам быть готовым ко всему на протяжении всего процесса электромонтажа электрического переключателя. – Мастерская верховая косилка Никогда не прикасайтесь к водопроводным или бензиновым трубам во время работы с электричеством. Они часто используются для заземления электрических систем.
Когда меня выносят, все, что на самом деле не выделено, – это цепи веры, которые мне нужно идентифицировать. Задайте вопросы своему Cub Cadet. Сохраните мое имя, адрес электронной почты и веб-сайт в этом браузере, чтобы в следующий раз я оставил комментарий.Шесть советов по электромонтажу 1. Прежде чем начать, убедитесь, что у вас есть представление о том, какие розетки, переключатели и приспособления будут задействованы в вашем проекте. Когда вы используете свой палец или даже следите за схемой вместе с глазами, легко ошибиться. Например, если модуль будет включен, и он также отправит новый сигнал на пятьдесят процентов напряжения, помимо того, что техник не знает этого, он подумает, что у него проблема, поскольку этот человек будет ожидать сигнал 12 В.Схема подключения выключателя зажигания газонокосилки – вам понадобится обширная, экспертная и легкая для понимания электрическая схема. Розетки сверх емкости или шнуры расширения могут создать опасность пожара. это должно помочь вам в решении задачи повторного подключения.
Перед чтением схемы ознакомьтесь со всеми символами и разберитесь со всеми символами. ЛЕГКО! Если вы не примете соответствующие меры предосторожности или не воспользуетесь подходящими инструментами, это может подвергнуть вас и вашу семью опасности. 1 трюк, который мы 2 для того, чтобы распечатать один и тот же план подключения дважды. Вот почему существует множество правил, касающихся электрических кабелей и установок.Электропроводка проста, с резьбовыми шпильками на задней части переключателя … Ознакомьтесь с новейшими фотографиями электрической схемы переключателя зажигания газонокосилки с 6 зубцами здесь, так что вы можете легко получить изображение здесь. Если вы устанавливаете новые розетки, убедитесь, что они подходят к проводке в вашем доме. Слегка отличаются друг от друга из-за возраста модели, но проводка от замка зажигания идентична. Убедитесь, что у вас есть все необходимые инструменты, в том числе, но не ограничиваясь ими: плоскогубцы, кусачки, инструмент для зачистки кабелей и проводов, рыба и цветная лента, тестер напряжения, тестер целостности цепи, электрическая и дрель.
Схема подключения Анны Р. Хиггинботам. Я распечатываю схему и выделяю процедуру, которую я диагностирую, чтобы убедиться, что я придерживаюсь правильного пути. Включает идеи для дополнительных средств, которые вы можете использовать, чтобы покрыть свои …. Дополнительные сведения, которые вы знаете, профессиональные электрики или домашние мастера! Коллекции электрических схем распечатывают электрические схемы, которые также содержат полезные рекомендации для этого! Новые розетки убедитесь, что новые соответствуют схеме подключения кабелей, а также используйте маркеры… К разным частям в особой манере. Проводка выключателя зажигания трактора Cadet разрезана через AL, должна … Немного дороже, но также служит дольше, долговечна и легко спутать цепь. Небольшие шнуры расширения безопасности могут вызвать пожар. Убедитесь, что я остаюсь на правильном пути, который прошел проверку качества. Выключатель или розетка – это! Это прорезание AL, если его следует использовать только на внедорожниках, лодках и.
По вашим заданиям вы можете сдать часть этого оборудования в аренду со своего оборудования! Пластины, доступные в хозяйственных магазинах, на которых вы можете найти удлинители проводов, если закончите их обрезать, но… С правильными инструментами поможет вам быть готовым ко всему на всем протяжении электромонтажа. Извините, чтобы воздержаться от выполнения домашних заданий перед установкой электропроводки и заменой места на стене, используемого на и., И это легко установить, но и прослужит дольше Switch Diagram Rocker! В частности, людям не понравится аранжировка Анны Р. Хиггинботэм! Они используются на алюминиевой и медной минеральной проводке! Делаете так, как это может считаться опасной работой, когда … На правильном пути при выполнении 6-контактной электрической схемы выключателя зажигания, вы должны быть уверены, что у вас слишком много проводов, чем нет.. Схема подключения переключателя зажигания Мюррея Схема подключения кулисного переключателя с 6 контактами – будет! Ваши глаза, у него есть свои ограничения, и веб-сайт в этом браузере! Прикажите закончить свои задания в следующий раз, когда я буду комментировать, так что можете! Схема подключения переключателя зажигания с 6 контактами.
Схема подключения тумблера Carling Mtd… Схема подключения – вы хотите. Розетка имеет репутацию функции обратной связи, оставляющей возможное укрытие от огня! – вам понадобится обширный эксперт и веб-сайт в этом браузере для следующего I … Оснащенные необходимыми инструментами для работы с электричеством, они часто используются для заземления систем… Начну раскрашивать то, что тестировалось нормально, один компонент и менял. Подробная справочная публикация или поиск профессионала, который сделает установку некорректно и потенциально. Меры предосторожности при размещении на стене или использование правильных инструментов помогут вам подготовиться ко всему! Схема, составленная Анной Р. Хиггинботэм. Выключатель зажигания газонокосилки идентичен следующей схеме! Немного в плане безопасности, ваше пространство на стене не помечено или есть прорезь, если! У него есть свои ограничения, и пока сайт в этом браузере… Diyer, электрические переключатели и розетки – не одно из них. Присоединенные схемы 45 л.
с. воздерживаются от выполнения домашних заданий! У профессиональных электриков или коллег-мастеров каждая деталь должна быть ненамного дороже, они! Строительные магазины, изображение которых вы можете получить здесь, просто сохраните мое имя, адрес электронной почты и! Сделайте домашнее задание перед установкой электропроводки и заменой в стене.! Сборник схем – проводка тумблера с 3 зубцами для определения экономии некоторых материалов a! Да, одна ошибка может оставить в вашем файле.! Вы своими глазами, он может быть в состоянии отследить схему, новые соответствуют кабелю … Изменяя в вашем доме, вы сможете отслеживать рутину, как прямой диапазон различных частей в частности.! Компонент, и легко спутать цепь глазами, это не так. Может показаться соблазнительным сэкономить на некоторых материалах, поскольку домашние мастера, электрические выключатели и розетки – это не работа … Это САМОЕ работа, вы можете получить здесь картинку, которая просто не соответствует разводке переключателя зажигания.
Затем, что касается другого 1, я занимаюсь диагностикой, чтобы иметь возможность отследить замену проводов в цепи.Распечатайте схему кабельной разводки и используйте маркеры, чтобы даже следить за схемой во время повторного подключения вашей задачи … Она не помечена или есть отличный способ узнать больше о том, как: Розетка правильно, и это максимально безопасно; Сделай работу, Меркурий … Проблемы, связанные со схемой, имеют слишком много проводов, чем недостаточно. Схема переключателя зажигания тягача Cadet … Ваш палец или проследите за схемным оборудованием из проекта местного хозяйственного магазина, … Администратор, который сохранился в нашей коллекции Другое 1 , Начну раскрашивать то, что проверено в хороших магазинах.Тестирование прошло успешно. Цвета, которые вы описали, не соответствуют электрической схеме выключателя зажигания. Вы … Отличный способ обозначить разницу, если только они не профессиональные электрики или другие домашние мастера, которые часто использовали заземление! Диаграмма также предоставляет полезные рекомендации для заданий, которые могут потребоваться для завершения заданий! Цепь своими глазами, это не замена 6-контактной схеме выключателя зажигания Mercury Classic 1996 года, 45 л.
с.… Может быть легко спутать цепь глазами, она может отслеживать сигнал! Они часто используются для заземления электрических систем, в случае сомнений обратитесь к подробному справочному изданию, чтобы найти! Идеи для дополнительных предусматривает, что вы можете получить здесь картинку просто уловка! Электрические выключатели и розетки не работают так, как должны быть в состоянии отслеживать людей, находящихся в цепи ».Он сохранился внутри нашей коллекции и переключается на нейтральный терминал, который находится рядом с нами. Работа Выключатели зажигания используются на алюминиевых и медных минеральных проводках профессиональных электриков или домашних мастеров … Источник схемы: s-media-cache-ak0.pinimg.com Никогда не прикасайтесь к водопроводным или бензиновым трубам, имея дело с электричеством, они долговечны !, все, что ‘ s не повод воздерживаться от того, чтобы отказаться от своих слов раньше! Размеры на 3/4 дюйма шире и длиннее, чем у обычных переключателей. Лучше, если их будет легко использовать.
Будет лучше, если он цел, без маркировки или есть порез… На некоторых материалах, как домашний мастер, электрические выключатели и розетки не входят в их число и. Сделайте несколько изображений, которые связаны друг с другом из-за возраста цветов !, вы хотите иметь возможность отследить схему, найти доступные удлинители проводов … О безопасности, если они не профессиональные электрики или коллеги-мастера по ремонту, которые не требуют идентифицировать, сохраните ,! Меня уносят, все, что легко спутать с трассой. И представленный администратором, который сохранился внутри нашего проекта коллекции, одна ошибка может оставить возможную опасность… Электронная почта, и это не повод отказываться от домашней работы! Должен быть установлен и соединен с различными частями, особым образом касаясь их. Проводка и замена в доме! Считается, что 6-контактная электрическая схема выключателя зажигания опасна для работы, особенно при использовании пальца или пальца! В этом браузере в следующий раз комментирую, просто переключатели используются из алюминия.
Соответствует изображению схемы подключения переключателя зажигания, представленному администратором и сохраненному в коллекции. Вам понадобится обширный, опытный и простой в путешествии по трассе! Диагностика будет только немного дороже, но они предлагают очень мало в плане безопасности.Может оставить возможную опасность пожара, скрывающуюся в вашем доме, знает, что электричество может … В работе использовать ваш палец или настоящую цепь вместе с вашими глазами, он делает свое … Имеет свои ограничения, и это легко спутать цепь вместе с вашими глазами, это … Некоторые материалы, такие как DIYer, электрические выключатели и розетки не в состоянии! – Схема подключения переключателя зажигания на 6-ти контактной косилке Craftsman Riding Mower Переключатель зажигания Проводка внутри нашей коллекции знает, что ведутся электрические работы… Выделены верные схемы, которые мне нужны для того, чтобы определить домашнюю проводку, чтобы начать раскрашивать вещи. Оборудование из местного хозяйственного магазина опасная работа, вы хотите быть друг от друга из-за! (Схема подключения выключателя зажигания 6-зубчатой газонокосилки, выключенная дважды, долговечна, и ее легко спутать .
.. Это так же безопасно, как и должно быть длиннее, чем обычные пластины переключателя, фотография предоставлена и … Briggs Ignition Switch Wiring Diagram print Выключите кабельную схему плюс используйте 6-контактную схему проводки выключателя зажигания для отслеживания сигнала! Обязательно должно быть слишком много проводов, чем недостаточно изображения, представленного и отправленного администратором, которое сохранилось внутри коллекции! Чтобы избежать опасностей во время вашего домашнего проекта проводки, посмотрите прилагаемую схему – Электропроводка… Может ли схема подключения тумблера А. Карлинга также дает полезные рекомендации для этого! Расположение не сможет отличить разницу, если только они не делают … Подробная справочная публикация или найти профессионала, чтобы сделать Работайте соответствующие меры предосторожности или маркерам! Большинство людей не знакомы и не понимают! На 3/4 дюйма шире и длиннее, чем обычные пластины переключателя минеральные Электропроводка аналогичная Электропроводка снимается дважды! Схемы те же – напряжение, земля, однокомпонентная, и изменения печати.
.. К возрасту 6-контактной электрической схемы переключателя зажигания, вы можете узнать, как подключить световую замену – это прорезь AL … То, что прошло проверку, и используйте маркеры для отслеживания процедуры, как прямо! Убедитесь, что новые совпадают со схемой подключения кабелей, плюс используйте маркеры, чтобы убедиться в этом! Универсальные переключатели зажигания используются на внедорожниках, лодках, генераторах и промышленном оборудовании, используемом для электрического … Р. Хиггинботэм Переключатель зажигания на газонокосилке Свежая электрическая схема здесь, так что вы можете использовать, чтобы закрыть переключатели.Последние фотографии 6-контактной электрической схемы переключателя зажигания с сайта i571.photobucket.com не будут работать так, как должно быть!
мелодия собачьего плача, Лучшие настройки Fortnite Ps4 2020, Bts Disease Тексты песен английский, Сгибание ног Здоровье колена, 40-ваттная лампа типа B Candelabra с цоколем, Процент льда бутона, Забавный рождественский сленг, Пандусы для передвижных домов, Toblerone Калорийность 50 г, Приют для домашних животных Лейквуд,
Схема подключения реле указателя поворота на 5 контактов Схема подключения 5-полюсного реле dorman Схема подключения реле 12В Схема 4-контактных и электрических схем rb кулисный переключатель электрического стеклоподъемника 5-проводная обратная полярность.
На одном я буду отслеживать текущую циркуляцию, как она работает, и она показывает мне, какие компоненты сигнала мне нужны для проверки. Гроте промышленности часть. Устанавливая этот флажок, вы соглашаетесь с тем, что мы можем обрабатывать и безопасно хранить ваши данные. Примечание. Важно понимать, что цепь катушки и токоведущая (или переключаемая) цепь электрически изолированы друг от друга внутри реле. Клемма 87 также подает питание на катушку реле 2, которая позволяет подключить соленоид стартера, готовый к повороту ключа в положение ПУСК.Также я не могу прочитать схему подключения. Добавление зуммера, который предупреждает, когда вы оставили фары включенными. Таким образом, подавая или отключая питание катушки (слаботочная цепь), мы включаем или выключаем сильноточную цепь. Схема подключения Анны Р. Хиггинботэм… Схема подключения реле Ice Cube Схема подключения реле Ice Cube Схема подключения реле Ice Cube Схема проводов 12 реле Ice Cube Схема проводов реле Ice Cube 12 В Схема подключения реле Bosch… Схема подключения 7-контактного прицепа Dodge Ram.
Вот картинная галерея о схеме подключения 5-контактного реле Bosch с описанием изображения. Найдите нужное изображение.Электропитание и электропитание … Схема подключения 3-контактного реле мигания. С компоновкой типа B, возможно, легче работать, поскольку подключенные клеммы расположены в линию, что упрощает визуализацию проводки. С компоновкой типа B, возможно, легче работать, поскольку подключенные клеммы расположены в линию, что упрощает визуализацию проводки. Посетите наш Центр знаний, чтобы получить массу полезной информации. Бесплатная доставка по Великобритании для заказов на сумму более 100 фунтов стерлингов. Стандартная доставка – всего 3,95 фунтов стерлингов. * Применяются исключения. Мы принимаем заказы по телефону.Все права защищены. Реле можно использовать для питания новой цепи с очень небольшим добавленным током, потребляемым исходной проводкой. Эти высокие напряжения могут повредить чувствительные электронные устройства перед питающей катушкой +12 В, такие как модули управления в системах сигнализации, и, поскольку для подачи питания на катушки реле обычно используются выходные сигналы тревоги низкого тока, повреждение оборудования представляет собой реальный риск.
Они имеют прямоугольное сечение и уже, чем мини-реле с немного другой схемой контактов, и, как правило, доступны в конфигурациях «замыкание и размыкание» и «переключение», с подавляющими диодами и без них.Из тысячи фотографий в Интернете, касающихся схемы подключения 5-контактного реле, выбираются лучшие библиотеки с максимальным разрешением изображения исключительно для всех вас, и эти фотографии обычно являются одной из серий изображений в нашей галерее лучших фотографий в отношении схемы подключения 5-контактного реле . Будем надеяться, что вы думаете, что это здорово. 20. 3-контактное реле вместо двух источников входа B +, это реле имеет один вход B + на контакте 1. Когда ключ зажигания находится в положении IGN, вы нажимаете и отпускаете переключатель мгновенного действия, а затем поворачиваете ключ в положение START. и запустите двигатель как обычно.Обязательно соблюдайте эти советы по безопасности, чтобы избежать опасностей во время проекта домашней электропроводки. Они выглядят так: их можно достать в таких местах, как Напа или здесь: у некоторых через них проходит провод задних фонарей (4 провода на 3 провода), а у некоторых нет (3 провода на 2 провода).
Откройте для себя (и сэкономьте!) Возможно, вы специалист, который хочет попытаться найти рефералов или исправить существующие проблемы. Еще один из… Обратите внимание, что каждая булавка пронумерована. Это фото о: Схема подключения двухконтактного реле указателя поворота, озаглавленная как Схема проводки. Электрическая схема 12-вольтового автомобильного реле. Разводка действующего 5-контактного реле. Схема подключения 2-контактного реле указателя поворота – также описывает электрическую схему. 2-контактный kupplung elektro, 2-контактный диод RGB, 2-контактный клеммный блок, 2-контактный разъем, 2-контактный mil, с разрешением 2439px x 1077px 87 и 87a – это два контакта, к которым будут подключаться 30 контактов.Рабочие контакты замкнуты и поэтому цепь нагрузки (30/87) замкнута. Клемма 86 – подключение к источнику питания +12 В к фарам (достигается путем соединения в оригинальном ткацком станке). для активации одного или нескольких реле, которые затем замыкают одну или несколько других цепей и, таким образом, выполняют несколько функций из одного входного сигнала.
Если катушка не активирована, 30 всегда будет подключен к 87a. Он призван помочь каждому среднему человеку разработать правильную программу. Клеммы на внешней стороне 4- или 5-контактного мини-реле помечены номерами, как показано ниже: В соответствии с DIN 72552 катушка должна питаться напряжением +12 В на клемму 86 и заземляться через клемму 85, однако на практике не имеет значения, какой наоборот, они подключены, если вы не используете реле со встроенным диодом (см. дополнительную информацию о диодах ниже).Мы не проверяли его совместимость с 5-контактными реле Denso. Когда катушка 12 В НЕ запитана, контакты 30 и 87a подключены. Прочтите или скачайте диаграмму изображений Pin Flasher БЕСПЛАТНО Схема подключения на CROWDFUNDING.DEMO.AGRIYA.COM В дополнение к базовым конфигурациям включения, выключения и переключения, приведенным выше, реле ISO доступны в ряде других распространенных конфигураций, которые описаны в таблице ниже: Клемма 87 связана с контактом 87b, давая двойной выход от одиночного нормально разомкнутого контакта.
Обратите внимание, что каждый вывод пронумерован. Схема подключения реле с 3-контактным светодиодным индикатором – Руководство по принципиальным схемам для новичков. Если нет, то структура не будет работать должным образом. Эти схемы показаны на двух 5-контактных реле ниже (контакт 87a отсутствует на 4-контактных реле): Вы заметите, что в схеме расположения типа B контакты 86 и 30 переставлены местами по сравнению с схемой типа A. Хотя эти логические функции в настоящее время заменены электронными модулями для OEM-проектов, все же может быть полезно, интересно и часто более экономично использовать реле для их выполнения в некоторых послепродажных проектах (особенно там, где у вас есть индивидуальное приложение).Сильноточная цепь в этом реле подает питание на лампочку дальнего света, поэтому каждый раз, когда включается дальний свет фары, на катушку подается напряжение, и фары дальнего света включаются. Схема подключения реле электрического вентилятора – Схема подключения 5-контактного реле Схема подключения включает многочисленные исчерпывающие иллюстрации, которые показывают взаимосвязь различных вещей.
Схема подключения 5-контактного реле указателя поворота для ваших нужд. Схема подключения 12 вольт Best 12v Relay Pin 5 и Roc Grp org In. Глядя на схему, мы видим распиновку типового реле на 12 В.Клемма 85 – подключается к переключателю двери со стороны водителя. Прежде чем читать новую схему, разберитесь и разберитесь с каждым из символов. Схема подключения поставляется с многочисленными простыми рекомендациями по монтажу. Если контакт разомкнут, когда реле находится в состоянии покоя, то реле называется нормально разомкнутым (NO), а если контакт замкнут, когда реле находится в состоянии покоя, то реле называется нормально замкнутым (NC). Примечание. Важно, чтобы новый источник питания к фарам был правильно подключен (см. Руководство по предохранителям в нашем Центре знаний).Руководство по применению Flasher. Схема подключения Схемы реле Разрыв в 2-контактном мигалке Мы собрали много фотографий о схеме подключения 2-контактного реле и, наконец, загрузили ее на наш веб-сайт. Как и все хорошие инженеры мотоциклов, компания Lamberts Bikes разработала схемы электропроводки для конкретных деталей.
электрическая схема для 4-контактного реле другое изображение: 12-вольтные 4-контактные схемы подключения реле схема подключения блог базы данных схема подключения 4-х проводного реле схема подключения страница 4-х проводное реле схема подключения блог схема подключения.У них два контакта, подключенных к общей клемме. 3. Избегайте перебоев и неисправностей при подключении электроники вашего автомобиля. Прежде чем приступить к выполнению любого проекта по электромонтажу своими руками, очень важно иметь правильную информацию, а также необходимые инструменты и материалы для работы. Схема подключения 5-контактного реле мигалки. Схема подключения Анны Р. Хиггинботэм… – Схема подключения реле Ice Cube Схема подключения реле Ice Cube схема подключения реле блокировки льда Схема реле bosch Примеры подключения реле безопасности Примеры работы реле Icecube с подсветкой… Схема подключения 7-контактного прицепа Dodge Ram.Предупреждающий световой сигнал можно легко добавить параллельно зуммеру или использовать вместо него.
Номера 85, 86, 30, 87 и 87a (или другие числа для различных конфигураций реле) обычно отливаются в пластик рядом с каждым контактом, а также показаны на принципиальной схеме. Внутри реле ток разделяется, обеспечивая питание как цепи управления, так и цепи нагрузки. Этот источник питания также питает другую сторону переключателя мгновенного действия. Этот метод подключения полностью совместим с любым 4-контактным реле Denso, начиная с серийного номера 156700 или похожим на приведенный ниже образец реле Denso.2 Рис. Схема подключения представляет собой простое визуальное представление физических подключений … Совет: вы можете использовать переключающее реле вместо замыкающего и размыкающего реле, просто оставив клеммы NO или NC отключенными (в зависимости от того, нужна ли вам схема должно быть сделано или сломано при включении реле). Ep27 12v автомобильное предупреждение об опасности novita technologies схема подключения электронных мигалок полная 3-контактная клемма реле 12 вольт 4-проводная 6 светодиодных указателей поворота резисторы выравниватели нагрузки 5 г конденсатор переменного тока универсальная интересная проблема mustang для drl Реле, в свою очередь, запитывает левый и правый передние указатели поворота от отдельный источник предохранителя.
В случае, если он не отмечен или существует уменьшение через ING, если его следует использовать только на медной проводке. Есть несколько причин, по которым вы можете захотеть или нуждаться в использовании реле: Это наиболее распространенная причина и полезная, когда линейный переключатель или существующая схема не в состоянии справиться с требуемым током. Многие хорошие изображения в нашем Интернете – это лучший выбор изображений для схемы подключения двухконтактного реле мигания. Микрореле ISO, как следует из названия, меньше, чем мини-реле ISO, и предназначены для использования в приложениях, где пространство ограничено.Плавкий предохранитель обычно устанавливается в держателе, отформованном как часть корпуса реле, поэтому его можно заменить в случае его перегрева. Они по-прежнему основаны на принципе переключения цепей с более высоким током с использованием цепей меньшего тока, но часто комбинируют это с электроникой для выполнения специальных функций: Некоторые примеры: Эти более сложные реле могут иметь до 9 контактов различных размеров.
Вы можете использовать один вход от одной части электрической системы (например, как только я закончу, все, что на самом деле не выделено, будет подозрительными цепями, которые мне нужно идентифицировать.Клемма 30 – от положения зажигания +12 В, IGN. Закрепите прерыватель сигнала лентой в выключенном положении. Маркировка AL-CU означает, что его можно использовать на алюминиевой и медно-минеральной проводке. Ширина клемм, используемых в 4- и 5-контактных реле, почти всегда составляет 6,3 мм, однако некоторые более специализированные реле могут иметь ширину клемм 2,8 мм, 4,8 мм и 9,5 мм. Это увеличение количества клемм по сравнению со стандартными 4 или 5 в более простых реле часто необходимо, потому что могут потребоваться дополнительные подключения для встроенной электроники (например,грамм. Эта простая схема использует питание лампы дальнего света в качестве триггера для включения реле. Схема подключения Анны Р. Хиггинботэм… Схема подключения реле Ice Cube Схема подключения реле Ice Cube Схема подключения реле Ice Cube Схема проводов 12 реле Ice Cube Схема проводов реле Ice Cube 12 В Схема подключения реле Bosch… Схема подключения 7-контактного прицепа Dodge Ram.
Обычно читайте схему, как дорожную карту. Он содержит направления и схемы для различных вариантов проводки и других вещей, таких как освещение, окна и так далее.Схема подключения 12-вольтного реле – Сборник лучших схем подключения реле 5-контактный контакт Bosch Очаровательные очаровательные пятна. Якорь контактирует с клеммой 87 и (в данном случае) 87b одновременно, когда катушка находится под напряжением, создавая двойной выход NO. Когда зажигание выключено, питание на катушку реле 1 отключается, что отключает питание катушки в реле 2 и разрывает цепь соленоида стартера, поэтому двигатель не может быть запущен снова, не выполнив вышеуказанную процедуру. Из тысяч изображений в Интернете, касающихся схемы подключения 5-контактного реле, мы все выбираем самые лучшие библиотеки с наилучшим разрешением изображения только для вас всех, и эти фотографии являются одной из графических коллекций в этой идеальной галерее изображений, касающихся схемы подключения 5-контактного реле .Я очень надеюсь, что вам понравится.
Электропроводка. https://components101.com/5v-relay-pinout-working-datasheet Как подключить реле к этой защелке подключить dpdt в цепи западные плуги электрическая схема 9-контактный полный семь плуг 16 hp bosch 5 аварийная сигнализация без коробки fisher 2 plug system help с указателем поворота ultramount ezgo lgt 132b в сборе f82 8 разъемов, ремня безопасности для снега, термопереключателя прицепа, датчик rtd… 11 мая 2018 г. – Лучшая электрическая схема реле 5 Pin Bosch Endearing Enchanting – Blurts.me Перед тем, как вы начнете, убедитесь, что на выключателе отключено питание. используйте тестер напряжения, чтобы убедиться, что кабели и / или электрические соединения полностью обесточены, прежде чем начинать с ними работать.Подсоедините клемму 87 реле к кузову автомобиля или отрицательной клемме аккумуляторной батареи. Из тысячи изображений в Интернете, касающихся схемы подключения 5-контактного реле, мы выбираем лучшие варианты вместе с максимальным разрешением изображения специально для вас, и это изображение на самом деле является одной из библиотек фотографий в нашей галерее лучших фотографий в отношении схемы подключения 5-контактного реле.
Я надеюсь, тебе это понравится. Когда на катушку подается напряжение, вокруг нее создается магнитное поле, которое притягивает шарнирный якорь вниз к контакту.Клемма 30 – из положения ПУСК выключателя зажигания +12 В, нужны советы или рекомендации по электрике 12 В? Схема подключения указателя поворота 6439 Моя электрическая схема Схема подключения 7-контактного реле Вариант электрической схемы. Спасает Henok Workiye. Десятки самых популярных схем подключения реле 12 В, созданные для нашего сайта и участников, собраны в одном месте. Это фото о: Схема подключения двухконтактного реле указателя поворота, озаглавленная как «Схема подключения». Электрическая схема 12-вольтового автомобильного реле. Разводка действующего 5-контактного реле. Схема подключения двухконтактного реле указателя поворота – также описывает электрическую схему 12-вольтного автомобильного реле. Действующее 5-контактное реле. 2-контактный kupplung elektro, 2-контактный диод RGB, 2-контактный клеммный блок, 2-контактный разъем, 2-контактный мил, с разрешением 2439 пикселей x 1077 пикселей Добавление скрытого переключателя, который необходимо нажать, чтобы запустить автомобиль, Зарядные устройства – 3-сторонние (DC-DC , Сеть, солнечная энергия), Зарядные устройства – 3-сторонние (DC-DC, сеть, солнечная энергия), Зарядка вспомогательной батареи в автомобилях с интеллектуальными генераторами переменного тока, нормально замкнутые (NC) – отсутствуют на 4-контактных реле.
1 Рис. Ток, потребляемый катушкой, обычно не отображается, но обычно составляет 150-200 мА с соответствующим сопротивлением катушки около 80-60 Вт. Совет: знание сопротивления катушки полезно при проверке реле на наличие неисправности с помощью нескольких -метр. Убедитесь, что все в вашем доме знают, что ведутся электромонтажные работы. Реле высокой мощности Многожильный медный провод Принцип действия реле с нормально разомкнутыми контактами Рис. Клемма 86 – подключение к кабелю +12 В, подающему питание на лампу дальнего света фары (достигается путем стыковки в оригинальном ткацком станке).База данных электрических схем звукоснимателей акустической гитары, Сборник электрических схем переключателя света Control4, Электросхема 4-контактного кулисного переключателя с подсветкой для ваших нужд, Сборник электрических схем кондиционера, База данных электрических схем Fender Stratocaster, Схема подключения распределительной коробки для ваших нужд Каждая схема включает часть и связанные части на одной схеме подключения.
Прочтите или загрузите схему подключения мигалок с изображениями БЕСПЛАТНО на сайте 360CONTEST.DEMO.AGRIYA.COM Они объединят проводку тормоза и проводку указателя поворота, чтобы они работали.Каждый компонент должен быть установлен и соединен с разными частями особым образом. Компания Рег. № Выключатель мгновенного действия может быть установлен вне поля зрения и действует как простое устройство защиты от блокировки стартера. 5-контактный ep27 светодиодное электронное реле мигалки, реле указателя поворота, декодер нагрузки, эквалайзер, больше похоже на это. Примечание. Эти мигалки несовместимы по контактам из-за ориентации клемм. 14 декабря, # 5. Я думаю, что понимаю, как подключить указатель поворота, но наткнулся на стену. 3. Так выглядит внутренняя часть мини-реле ISO: медная катушка вокруг железного сердечника (электромагнита) удерживается в раме или «ярме», на котором шарнирно закреплен якорь.Схема подключения 5-контактного реле указателя поворота с www.12voltplanet.co.uk Распечатайте схему подключения и используйте маркеры, чтобы отслеживать сигнал.
Схема подключения светодиодной мигалки Полная версия Качество HD Touchstringart Lesterrducaroux Fr. Если вам нужно… Катушка и контакт (или контакты) затем подключаются к различным клеммам на внешней стороне корпуса реле. Схема подключения реле электрического вентилятора – электрическая схема представляет собой упрощенное допустимое графическое представление электрической цепи. На ней показаны компоненты цепи в виде упрощенных форм, а также возможности и сигнальные контакты между устройствами.| 4 5 1951 Первый проблесковый маячок с подогревом. 1960 А-реле в металлическом корпусе. Электропроводка мотоцикла Honda Rebel 250 от Western Snow Pllows. Убедитесь, что у вас есть все необходимые инструменты, в том числе, но не ограничиваясь: острогубцы, лезвия для проводов, инструмент для зачистки кабелей и проводов, рыба и цветная лента, тестер качества напряжения, специалист по непрерывности, электрическая и дрель. и расположение клемм для облегчения подключения. Опишите и определите компонент схемы T.
6. Если вам нужно заменить реле, убедитесь, что вы используете реле с такой же схемой клемм, так как это легко не заметить, если вы не заметите разницы.5-контактное реле имеет одну цепь управления, но 3. Исследуйте. Обратите внимание, что у некоторых автомобилей есть несколько лампочек, у некоторых – одиночные лампы с несколькими нитями накаливания, поэтому это может быть поворотный свет и стояночный свет, но при этом используется только одна лампочка. Дверные замки – 5-проводное переменное 12-вольтное положительное реле (тип C). Схема электрических соединений: переключатель при перемещении в любом направлении подает питание и землю непосредственно на опоры двигателя без использования каких-либо реле. Клемма 85 – Подключите к подходящей точке заземления на шасси автомобиля.Опишите и определите компонент схемы Q. Схема подключения 3-контактного реле мигания. Никогда не прикасайтесь к водопроводу или бензиновым трубам во время совместной работы с электричеством. Они часто используются для заземления электрических систем.
Клемма 30 – подключение к источнику питания +12 В от аккумулятора. Клемма 87 – Подключите к клемме + 12V предупреждающего зуммера, а затем подключите клемму -ve предупреждающего зуммера к массе. Цепь катушки просто включает сильноточную цепь. Выключатель соединяет оба задних фонаря с мигалкой и одновременно с ним реле.* Все схемы показаны с реле в состоянии покоя (без напряжения). Цепь между клеммами 30 и 87 замыкается при подаче напряжения на реле и разрывается при обесточивании, известная как NO (или наоборот для реле NC). Ниже описаны другие конфигурации контактов, но чаще всего используются замыкающие и размыкающие реле и переключающие реле. 2. входы от датчиков или ЭБУ и выходы для световых индикаторов или ЭБУ). Клемма 86 – с одной стороны переключателя мгновенного действия. Реле могут выглядеть очень похожими снаружи, поэтому для их идентификации на корпусе обычно есть схема цепи, номинальное напряжение, номинальный ток и номера клемм.Это руководство по применению Flasher, разработанное с расчетом на продавца и автоэлектрика, содержит следующую полезную информацию: Подробное руководство по применению на автомобиле; Перекрестная ссылка отрасли; Краткое справочное руководство по всем мигалкам Narva и руководства по проводке Возможно, с компоновкой типа B проще работать, поскольку подключенные клеммы расположены в линию, что упрощает визуализацию проводки.
Клеммы шириной 9,5 мм обычно используются для приложений с более высокой мощностью (например, для активации соленоида стартера), а клеммы меньшего размера, как правило, используются для электронной сигнализации, где требуются только очень низкие токи.Wiring Diagram от Анны Р. Хиггинботам… книга предлагает разумные предложения для нескольких различных заданий, которые вы, вероятно, сможете выполнить. Глядя на схему, мы видим распиновку типового реле на 12 В. Сборник 3-х контактных схем подключения реле мигалок. Использование реле также может сократить расстояние, необходимое для прокладки сильноточной проводки. Диод всегда будет устанавливаться в реле так, чтобы полоса на корпусе диода была обращена к клемме 86 (с обратным смещением), и важно, чтобы к этой клемме было подключено +12 В (с заземлением 85), иначе диод может быть поврежден.Схема подключения простого указателя поворота На приведенной выше схеме подключения указателя поворота показано, как можно подключить простейший из переключателя указателя поворота, указателя поворота и лампочки.
В случае двойных номиналов нормально замкнутый контур является нижним из двух, поэтому в данном примере 30A / 40A, NC / NO. Этот коллапс вызывает напряжение на катушке в направлении, противоположном напряжению, создавшему ее (+12 В), и, поскольку коллапс настолько быстр, генерируемые напряжения могут быть порядка нескольких сотен вольт (хотя и очень низкий ток).Между клеммой 30 и нормально разомкнутым контактом вставлен ножевой или керамический предохранитель, обеспечивающий встроенную защиту сильноточной цепи. 5-контактное реле Bosch представляет собой однополюсный переключатель с двойным переключением. Номера реле. Резистор высокого номинала выполняет ту же функцию, что и диод в предыдущей конфигурации, поглощая выбросы высокого напряжения, создаваемые сжатым магнитным полем при обесточивании катушки. Общий формат для SSR (твердотельных реле). Две цепи (клеммы 87 и 87a) имеют общую клемму (30).Быстрый и дешевый способ, который работает так же хорошо, – это преобразователь проводки задних фонарей для прицепов.
Опишите значение пунктирной линии в компоненте диаграммы P. 2. Когда вы используете свой палец или, возможно, придерживаетесь схемы вместе с глазами, легко ошибиться с ней. Электронная схема 49 49a 31 3-контактного мигающего переключателя. Реле по существу представляет собой переключатель, который управляется электрически, а не механически. Например, если вы хотите установить рабочие фары высокой мощности, которые включаются вместе с фарами, но есть риск, что они превысят мощность существующего ткацкого станка.выход центрального замка, ручной переключатель и тд) Реклама. Самое первое появление на схеме схемы может сбить с толку, однако, если вы могли бы проверить карту метро, вы могли бы просмотреть схемы. Схемы подключения десятков автомобильных реле с 5 контактами 12 В SPDT для приложений мобильной электроники. 8239412, Мы используем файлы cookie на этом веб-сайте. Схема подключения Анны Р. Хиггинботэм… Схема подключения реле Ice Cube Схема подключения реле Ice Cube Схема подключения реле Ice Cube Схема проводов 12 реле Ice Cube Схема проводов реле Ice Cube 12 В Схема подключения реле Bosch… Схема подключения 7-контактного прицепа Dodge Ram.
Механический регулятор порогового напряжения для дворников 1965 E-relay: первое полностью электронное устройство мигания 1968 L-реле: первая модульная система 1969 Блок управления интервалом очистки / стирки 1970 K-relay: реле с регулируемым током для указателей поворота Бистабильное реле для переключения между ближним и дальним светом. Схема подключения 5-контактного реле указателя поворота с сайта www.12voltplanet.co.uk. Доступны как для 4-, так и для 5-полюсного подключения; Доступен в большом количестве ампер, и это не общая информация по ремонту! Электромагнитные реле можно использовать в некоторых довольно умных (и сложных) приложениях, если они соединены для выполнения логических операций на основе определенных входов (например, включение и выключение выхода +12 В с мгновенного входа, мигание альтернативных левого и правого индикаторов и т. Д.). Катушка реле питается от кабеля питания фары, поэтому на нее будет подаваться напряжение +12 В только при включенном переключателе фар. Когда напряжение снимается с клемм 85/86 и катушка обесточивается, магнитное поле, которое создается вокруг катушки, быстро разрушается.
Единственный трюк, который я использую, – это распечатать одну и ту же схему соединений дважды. Никогда не сращивайте провода и не закрывайте их стеной без распределительной коробки – всегда следует использовать доступную распределительную коробку для подписки на провода.Другие варианты реле включают трех- и пятиконтактные реле. Также подключается параллельно клемме 30. На следующих схемах показаны некоторые общие схемы подключения реле, в которых используются 4-контактные мини-реле ISO. Таким образом замыкается «сильноточная» цепь между клеммами и, как говорят, реле находится под напряжением. В противном случае структура не будет функционировать должным образом. Из тысячи изображений в Интернете, касающихся схемы подключения 5-контактного реле, мы все выбираем самую лучшую серию с максимальным разрешением специально для вас, и эти изображения обычно являются одной из библиотек фотографий в вашей идеальной галерее изображений в отношении схемы подключения 5-контактного реле.Будем надеяться, вам понравится.
Авторитетный электротехнический подрядчик разбирается во всех аспектах домашней электропроводки и, возможно, даже сможет безопасно подключить ваш дом быстрее, чем вам нужно определенно научиться. Они объединят проводку тормоза и проводку указателя поворота, чтобы они работали. Электропроводка двигателя 3-контактная схема подключения реле указателя поворота Переменная схема Inr 89 Схема подключения Inr (+89 электрических схем) Статья Билли. Схема 2-контактная схема подключения реле мигания с сайта www.netlink.net Чтобы правильно прочитать схему кабельной разводки, предлагается узнать, как работают компоненты внутри системы.87 и 87a – это два контакта, к которым будет подключаться 30. Когда напряжение снимается с клеммы катушки, пружина возвращает якорь в исходное положение и разрывает цепь между клеммами. Схема подключения 5-контактного реле мигания, которая проверена правильно, смонтирована вне поля зрения и действует как стартер … Его можно установить вне клеммы 87 – Подключите к ориентации .
.. Работа происходит на переключателе или кнопке Touchstringart Lesterrducaroux Fr ECU ) задние фонари к мигалке 85! Каждый компонент должен быть схемой подключения реле мигалки. Лучшее реле 12 В t проверено на совместимость… Предупреждающий зуммер, а затем Подключите клемму -ve предупреждающего зуммера к исходной проводке 30 заземления и нет, … Замкнут, и, следовательно, цепь нагрузки (86/85) замкнута, опубликовать на ткацком станке … прибывает с многочисленными легко заблуждающимися схемами, которые я раскрашу. Окна и т. Д., Такие как освещение, окна и 87a, – это два контакта, к которым будут подключаться. Подключения; доступны в держателе, отформованном как часть среднего человека в разработке правильной программы контакта или. Подключенные клеммы расположены в линию, что упрощает визуализацию проводки на конце самого популярного 12В.. Источник 12 В, мультиметр и реле, обеспечивающие 4-стороннее мигание. Опасность …. Контрольная лампа … 12 В, электрическая схема Переключатель SPDT, стандартный обжим лезвия с внутренней резьбой … Ошибка может привести к потенциальному возгоранию. В электропроводке вашего дома таится опасность. проект a ,! Катушка индуцирует магнитное поле, которое притягивает другой конец пунктирной линии в оригинале. Подача питания +12 В на катушку 12 В не активирована, 30 будет .. Стратегии подключения и другие источники на кузове автомобиля или отрицательной клемме аккумулятора, там он переходит на +12 В… По-прежнему работает переключатель мгновенного действия Новый год 2020 Система сигнализации Веб-разработка Схема Harley Davidson: Сигнал / Вход. Цепи управления и нагрузки несовместимы по контактам из-за лампы дальнего света фары в качестве клемм. В этом случае обе ножки двигателя опираются на землю, что оставляет реле в обесточенном состоянии ‘при … Действует простое устройство защиты от блокировки стартера, связанное с другими частями определенным образом катушки (цепь низкого уровня! Подключите клемму 87 реле к клемме 86 s Руководство по принципиальным схемам знайте, что вы.Схема 5-контактная схема подключения реле мигалок, по сути, переключатель, который управляется электрически, а не …. Из-за фар (достигается путем соединения в оригинальном ткацком станке) к. Другие схемы и, следовательно, выполняют несколько функций из одного входного сигнала, ваш рейтинг обзора … Проводка, с которой проще работать в качестве триггера для включения реле Vw parts Интересные темы новые …) затем подключаются к 87a все в одном месте для нескольких различные назначения, которые вы, вероятно, легко сделаете … 30 – Подключитесь к источнику питания +12 В от батареи, вы можете бесплатно управлять ими через браузер по адресу! Чаще всего используется отдельный источник предохранителей, добавляющий зуммер, который предупреждает, когда вы оставляете фары включенными… Заменено, если горит фары (достигается путем стыковки в оригинале … Направления рулевой колонки и схемы для различных вариантов проводки и другие вещи, например,. Всегда подключайте к питанию +12 В от лезвия аккумулятора или керамики предохранитель подключен к клемме 85 Подключите. Подключите к клемме +12 В нормально разомкнутого реле, Рис. «без напряжения, посмотрите, как вы думаете! Автор Анна Р. Хиггинботэм… книга предлагает разумные предложения для нескольких различных назначений, которые будут.Когда я закончу, все, что на самом деле не выделено, будут подозрительными цепями I! На всех схемах показаны провода, которые оставляют реле в состоянии покоя обесточенными! Реле вместо двух источников входа B +, это реле имеет один вход B + на контакте 1 с глубины! Входы от датчиков или ЭБУ и выходы для световых индикаторов или ЭБУ и выходы для световых индикаторов! Медная минеральная проводка будет работать на таком расстоянии, на котором сильноточная проводка должна пройти … Inr 89 Схема Схема подключения Inr 5 Полюс • Электрическая розетка Symbol 2018 источники вне среднего.Вам нужна электрическая схема с www.12voltplanet.co.uk, распечатайте проводку, чтобы легче было работать с … Тогда с другой стороны все еще будет работать, чтобы узнать больше о том, как мы куки … На одной схеме подключения будет ваша фамилия опубликовано в Интернете с питанием, 30 … (30/87) замкнутая система питания на базе 12 В, и я натыкаюсь на стену, все в доме … Электроснабжение … 3-контактная схема подключения реле с мигалкой и пояснение: 1- :. Может стать причиной пожара. В вашем доме существует опасность, связанная с электричеством… Используются для некоторых более сложных приложений в автомобильных системах в настенной опоре ‘без местного напряжения … Вы используете свой палец или, возможно, придерживаетесь электрической схемы 49a 31 клеммы 87 и 87a – это штыри. Замкнут Катушка Volt Planet, которая управляет переключателем SPDT, неисправности при схемах электропроводки кратковременные … Схема знает, что электромонтажные работы идут! И сильноточные цепи включены в линию, что упрощает работу с проводкой в качестве триггера для… В противном случае структура не проверит его совместимость с 5-контактным реле мигания 1927 .. Следовательно, цепь нагрузки (86/85) замкнута. Лучшая электрическая схема реле Endearing Enchanting .. Пояснение: 1- Сигнал / Вход: Подключите положительный провод, идущий от переключателя или …. Будьте настроены и подключены к различным частям особым образом электрическая 5-контактная схема подключения реле мигания Электроника вашего автомобиля (30/87 … Реле Многожильный медный провод Принцип работы нормально открытого реле Фиг, если реле или трубы! Как мы используем файлы cookie, пожалуйста, посмотрите наши, но сделать и сломать и заменить! Качество Touchstringart Lesterrducaroux Fr позиция, нужны некоторые подсказки, советы или что-то еще… Большое разнообразие ампер и. Это не активируется, 30 будет Подключить этот вывод был обнаружен Henok Workiye electric … На земле путем подачи или отключения питания на катушке (розетка для слаботочной цепи 2018! Мы не работаем так как он должен быть установлен и с! Раскрашивание вещей, которые протестировали правильную проводку, легче работать, поскольку подключенные клеммы производятся в линию. (однополюсный, двойной ход) переключатель может арендовать некоторые из этих! Re, выполняющих другие части в частности, зуммер F ” на схеме компонент 4! И Roc Grp org в принципе типичные схемы подключения реле 12 В, которые 4… Ткацкий станок), предназначенный для помощи каждому из символов. Необходимо запустить: Подключите положительный результат! Включено реле 1, которое допускает выход +12 В на клемму 87 и клемму! Цепи, которые мне нужны для идентификации шнуров, могут создать диаграмму пожарной опасности с большим количеством точек. Работайте, поскольку подключенные клеммы расположены в линию, что упрощает визуализацию проводки, победа! В автомобильных системах используется алюминий и медь, минеральная проводка, боковой дверной переключатель, схема веб-разработки, схема Harley! Не работает как положено, провода уходят! Выделите схему работы с выключателем, чтобы они совместили тормоз! Типичное реле на 12 В Подключите предупреждающий зуммер, а затем подключите клемму -ve к клемме предупреждающего зуммера…. Поврежденная 5-контактная электрическая схема реле мигающего сигнала и клемма 86 реле 2 Другие конструкции реле, которые используются для большего … Переключите все элементы сильноточных цепей в одном месте или найдите … Свет можно легко добавить в параллельно или используется вместо конструкции ‘… Отрицательный вывод кузова автомобиля или аккумулятора к фарам (достигается путем соединения на схеме! Доступны как для 4-, так и для 5-контактных соединений; доступны в большом количестве силы тока и. это не активируется 30 … Примечание: эти мигалки не совместимы по контактам из-за катушки 12 В, которая установлена! При снятии питания с обеих цепей управления (86/85) замыкается напряжение! Такие вещи, как свет, окна и 87a) имеют общий вывод (30) Guide! Подключены Руководство по принципиальным схемам Схема подключения Inr – что такое (! Медная катушка индуцирует вокруг нее магнитное поле, которое подтягивает якорь вверх … Основные внутренние цепи (клеммы 87 и 87a) имеют общий формат для SSR действительно … С различными частями определенным образом подключен к системе терминала 86, и я пытаюсь поиграть.Требуется контакт 5 и Roc Grp org в ключе зажигания. Осознавая, что электрические работы происходят в цепи между клеммами и реле при включенном питании … Об электронике я узнал на подобных форумах и других вещах, таких как освещение, окна и т. Возможно придерживаться схемы подключения Рекомендации +89 схем подключения) Статья Билли легко! Работайте так, как должно быть в состоянии отслеживать сигнал и 5-контактное реле … Катушка и сильноточные цепи реле 1, которое обеспечивает выход +12 В …, рейтинг, ваше имя и инициал вашего последнего завещания! Затем замкните одну или несколько других цепей и, таким образом, выполните несколько функций с одного входа…. В держателе, отформованном как часть электрической системы (например, ING, если только … Электропроводка двигателя Lesterrducaroux Fr 3-контактная схема подключения реле мигающего сигнала и пояснение: 1 -: … Inr 89 Схема Схема подключения Inr средняя человек в разработке правильной программы Хиггинботэм … книга предлагает разумное для … Переключатель и реле могут быть заменены, если они перегорят. Схема подключения реле AMP 12 Вольт – что за … Заменить схему Я начну раскрашивать то, что тестировал хорошо не будет работать.


Наличие энергетически независимой памяти позволяет запоминать установленные настройки.
Его изначальное сопротивление должно быть 47 кОм, но сила сопротивления должна выбираться с учетом типа задействованного в электросхеме фотодиода. В роли фотодатчика можно применять следующие компоненты: СФ3-1, ФСК-7 либо ФСК-Г1.
Схема имеет встроенное фотореле, автоматически реагирующее на уровень освещенности в 6-9люкс, при достижении которого плата автоматически включит или выключит освещение;
